Бесплатная библиотека стандартов и нормативов www.docload.ru

Все документы, размещенные на этом сайте, не являются их официальным изданием и предназначены исключительно для ознакомительных целей.
Электронные копии этих документов могут распространяться без всяких ограничений. Вы можете размещать информацию с этого сайта на любом другом сайте.
Это некоммерческий сайт и здесь не продаются документы. Вы можете скачать их абсолютно бесплатно!
Содержимое сайта не нарушает чьих-либо авторских прав! Человек имеет право на информацию!

 

ГОСТ 111-2001

МЕЖГОСУДАРСТВЕННЫЙ СТАНДАРТ

СТЕКЛО ЛИСТОВОЕ

Технические условия

МЕЖГОСУДАРСТВЕННАЯ НАУЧНО-ТЕХНИЧЕСКАЯ КОМИССИЯ
ПО СТАНДАРТИЗАЦИИ, ТЕХНИЧЕСКОМУ НОРМИРОВАНИЮ
И СЕРТИФИКАЦИИ В СТРОИТЕЛЬСТВЕ (МНТКС)

Москва

Предисловие

1 РАЗРАБОТАН ОАО «Институт стекла» при участии НИУПЦ «Межрегиональный институт окна», ОАО «Борский стекольный завод»

ВНЕСЕН Госстроем России

2 ПРИНЯТ Межгосударственной научно-технической комиссией по стандартизации, техническому нормированию и сертификации в строительстве (МНТКС) 5 декабря 2001 г.

За принятие проголосовали

Наименование государства

Наименование органа государственного управления строительством

Азербайджанская Республика

Госстрой Азербайджанской Республики

Республика Армения

Министерство градостроительства Республики Армения

Республика Казахстан

Комитет по делам строительства Министерства энергетики, индустрии и торговли Республики Казахстан

Республика Молдова

Министерство развития территорий, строительства и коммунального хозяйства Республики Молдова

Российская Федерация

Госстрой России

Республика Узбекистан

Государственный комитет строительства, архитектуры и жилищной политики Республики Узбекистан

3 ВЗАМЕН ГОСТ 111-90 (СТ СЭВ 5447-85)

4 ВВЕДЕН В ДЕЙСТВИЕ с 1 января 2003 г. в качестве государственного стандарта Российской Федерации постановлением Госстроя России от 7 мая 2002 г. № 22

ГОСТ 111-2001

МЕЖГОСУДАРСТВЕННЫЙ СТАНДАРТ

СТЕКЛО ЛИСТОВОЕ

Технические условия

FLAT GLASS

Specifications

Дата введения 2003-01-01

1 Область применения

Настоящий стандарт распространяется на листовое стекло (далее - стекло), предназначенное для остекления светопрозрачных строительных конструкций, средств транспорта, мебели, а также изготовления стекол с покрытиями, зеркал, закаленных и многослойных стекол и других изделий строительного, технического и бытового назначения.

Стандарт не распространяется на стекло армированное, узорчатое, окрашенное в массе, стекло с покрытием и другие виды листовых стекол со специальными свойствами.

Требования настоящего стандарта являются обязательными (кроме оговоренных в тексте как рекомендуемые или справочные).

Стандарт может быть использован для целей сертификации.

2 Нормативные ссылки

В настоящем стандарте использованы ссылки на следующие нормативные документы:

ГОСТ 427-75 Линейки измерительные металлические. Технические условия

ГОСТ 515-77 Бумага упаковочная битумированная и дегтевая. Технические условия

ГОСТ 3519-91 Материалы оптические. Методы определения двулучепреломления

ГОСТ 3749-77 Угольники поверочные 90°. Технические условия

ГОСТ 4598-86 Плиты древесно-волокнистые. Технические условия

ГОСТ 5244-79 Стружка древесная. Технические условия

ГОСТ 6507-90 Микрометры. Технические условия

ГОСТ 7376-89 Картон гофрированный. Общие технические условия

ГОСТ 7502-98 Рулетки измерительные металлические. Технические условия

ГОСТ 8273-75 Бумага оберточная. Технические условия

ГОСТ 8828-89 Бумага-основа и бумага двухслойная водонепроницаемая упаковочная. Технические условия

ГОСТ 9416-83 Уровни строительные. Технические условия

ГОСТ 10134.1-82 Стекло неорганическое и стеклокристаллические материалы. Методы определения водостойкости при 98 °С

ГОСТ 10354-82 Пленка полиэтиленовая. Технические условия

ГОСТ 14192-96 Маркировка грузов

ГОСТ 15846-79 Продукция, отправляемая в районы Крайнего Севера и труднодоступные районы. Упаковка, маркировка, транспортирование и хранение

ГОСТ 16711-84 Основа парафинированной бумаги. Технические условия

ГОСТ 25706-83 Лупы. Типы, основные параметры. Общие технические требования

ГОСТ 26302-93 Стекло. Методы определения коэффициентов направленного пропускания и отражения света.

3 Определения

В настоящем стандарте применяют следующие термины с соответствующими определениями:

Листовое стекло - бесцветное, прозрачное натрий-кальций-силикатное стекло, изготавливаемое методами флоат или вертикального вытягивания без какой-либо дополнительной обработки поверхностей, имеющее вид плоских прямоугольных листов, толщина которых мала по отношению к длине и ширине.

Стекло твердых размеров - стекло, изготовленное и поставленное по спецификации потребителя.

Стекло свободных размеров - стекло, изготовленное и поставленное в заводском ассортименте размеров.

4 Классификация, основные параметры и размеры

4.1 Стекло должно изготавливаться в соответствии с требованиями настоящего стандарта по технологической документации, утвержденной в установленном порядке.

4.2 Стекло в соответствии с его оптическими искажениями и допускаемыми пороками подразделяют на марки М0, M1, M2, М3, М4, М5, М6, М7.

4.3 Стекло в зависимости от категории размеров подразделяют на:

стекло твердых размеров (ТР);

стекло свободных размеров (СВР).

4.4 Номинальная толщина, предельные отклонения по толщине и разнотолщинность листа стекла должны соответствовать указанным в таблице 1.

Таблица 1

В миллиметрах

Номинальная толщина

Предельные отклонении по толщине

Разнотолщинность, не более

1,0

±0,1

0,05

1,5

2,0

±0,2

0,10

2,5

3,0

3,5

4,0

5,0

±0,3

0,20

6,0

7,0

8,0

±0,4

0,30

10,0

12,0

±0,6

0,40

15,0

19,0

±1,0

0,50

25,0

Примечание - Допускается по согласованию изготовителя с потребителем изготавливать стекло другой толщины, при этом предельные отклонения и разнотолщинность не должны превышать значений, приведенных в таблице для ближайшей меньшей толщины.

Стекло толщиной 2,0 – 7,0 мм марок М4, М5, М6, М7 допускается изготавливать с предельными отклонениями (+0,2/-0,4) мм и разнотолщинностью0,3 мм

Поправка от 31.03.2003 г.

4.5 Предельные отклонения размеров по длине и ширине листа стекла не должны превышать значений, указанных в таблице 2.

Таблица 2

В миллиметрах

Длина и ширина

Предельные отклонения по длине и ширине

ТР

СВР

До 1000 включ.

±1,0

±5,0

Св. 1000       »    3500    »

±2,0

  »  3500

±4,0

Примечание - стекло ТР марок М5, М6, М7 размером св. 1000 до 3500 включительно допускается изготавливать с предельными отклонениями (± 3,0) мм, а размером до 1000 мм - с предельными отклонениями (± 2,0) мм.

Поправка от 31.03.2003 г.

4.6 Разность длин диагоналей листа стекла не должна превышать значений, указанных в таблице 3.

Таблица 3

В миллиметрах

Длина диагоналей

Разность длин диагоналей

ТР

СВР

До 1000 включ.

2

7

Св. 1000       »    3500    »

3

  »  3500

5

Примечание - стекло ТР марок М6, М7 с длиной диагоналей св. 1000 до 3500 включительно допускается изготавливать с разницей длин диагоналей 4 мм.

Поправка от 31.03.2003 г.

4.7 Отклонение от плоскостности листа стекла не должно быть более 0,1 % длины наименьшей стороны. Для стекла марок М5, М6 отклонения от плоскостности устанавливают в технической документации изготовителя, для марки М7 - не нормируют.

Поправка от 31.03.2003 г.

4.8 Требования к отклонению от прямолинейности кромок и прямоугольности углов листа стекла при необходимости устанавливают в договорах на поставку или других документах, согласованных изготовителем и потребителем.

4.9 Условное обозначение стекла должно состоять из обозначения марки, категории размеров, длины, ширины, толщины стекла и обозначения настоящего стандарта.

Пример условного обозначения листового стекла марки М1 твердых размеров длиной 1800 мм, шириной 1200 мм, толщиной 4 мм:

Стекло листовое M1 - TP-1800 ´ 1200 ´ 4 ГОСТ 111-2001.

То же, листового стекла марки M5 свободных размеров длиной 2000 мм, шириной 1500 мм, толщиной 6 мм:

Стекло листовое М5 - СВР-2000 ´ 1500 ´ 6 ГОСТ 111-2001.

Примечание - При экспортно-импортных операциях допускаются другие условные обозначения, содержание которых оговаривают в договорах (контрактах) на поставку.

5 Общие технические требования

5.1 Характеристики

5.1.1 Оптические искажения стекла должны соответствовать требованиям, указанным в таблице 4.

Таблица 4

Наименование показателя

Норма для стекла марок

М0

M1

М2

М3

М4

М5

М6

М7

Оптические искажения, видимые в проходящем свете для стекла толщиной:

Не допускается искажение полос экрана

Не нормируется

«зебра»

«кирпичная стена»

под углом, град.

менее или равным

более или равным

равным

до 2,5 мм

45

40

35

30

45

60

90

св. 2,5 мм

50

45

40

35

Оптические искажения, видимые в отраженном свете

Не допускаются отклонения показателя отраженного растра, мм, более

Не нормируется

3

5

7

9

Поправка от 31.03.2003 г.

5.1.2 По количеству и размерам допускаемых пороков стекло должно соответствовать требованиям, указанным в таблице 5.

Таблица 5

Марка стекла

Общее количество допускаемых пороков размером более 0,5 мм на один лист стекла площадью, м2

Размеры пороков, мм, не более

до 1

св. 1 до 5

св. 5 до 10

св. 10 до 15

св. 15

локальные

линейные

М0

0

0

1

2

3

2

5

M1

1

2

3

4

5

2

10

М2

1

3

4

6

7

3

20

М3

1

4

5

8

12

3

30

М4

1

5

6

10

15

3

30

М5

2

7

10

15

20

3

50

М6

2

10

15

20

30

3

100

М7

Не нормируется

Не нормируются

Примечания

1 Разрушающие пороки не допускаются.

2 Количество пороков размером до 0,5 мм не нормируется, если расстояние между ними не менее 500 мм. Если расстояние менее 500 мм, количество этих пороков включается в общее количество допускаемых пороков.

3 Допускается по согласованию изготовителя с потребителем устанавливать дополнительные требования к порокам в крае стекла.

4 Классификация, термины и определения пороков приведены в приложении А.

Поправка от 31.03.2003 г.

5.1.3 Коэффициент направленного пропускания света стекла должен соответствовать значениям, указанным в таблице 6.

Таблица 6

Толщина стекла, мм

Коэффициент направленного пропускания света, не менее

1,0

0,90

1,5

2,0

0,89

2,5

3,0

3,5

0,88

4,0

5,0

6,0

0,87

7,0

0,85

8,0

0,83

10,0

0,81

12,0

0,79

15,0

0,76

19,0

0,72

25,0

0,67

5.1.4 Величина остаточных внутренних напряжений стекла, характеризуемая разностью хода лучей при двулучепреломлении, не должна быть более 70 нм/см.

5.1.5 Водостойкость стекла не должна быть ниже класса 4/98 по ГОСТ 10134.1.

5.1.6 Справочные значения физико-механических характеристик стекла, требования к которым не предъявляются настоящим стандартом, приведены в приложении Б.

5.2 Маркировка, упаковка

5.2.1 Поверхность листов стекла марок М0, М1, М2, не бывшую в контакте с расплавом олова, по требованию потребителя маркируют любым не повреждающим стекло способом.

Поправка от 31.03.2003 г.

5.2.2 Стекло упаковывают в ящики, пакеты разборные, L-образные пирамиды, специализированные контейнеры для листового стекла или другой вид тары по нормативной документации, утвержденной в установленном порядке.

5.2.3 В каждую единицу тары устанавливают листы стекла одной марки, одного размера и толщины. Допускается по согласованию изготовителя с потребителем устанавливать в одну единицу тары листы стекла разных марок, размеров и толщины.

Стекло устанавливают так, чтобы исключалась возможность смещения листов стекла относительно друг друга.

5.2.4 При упаковывании в тару должны быть приняты меры по обеспечению сохранности стекла от механических повреждений и атмосферных осадков. Листы стекла должны быть переложены прокладочными материалами. В качестве прокладочного материала применяют бумагу по ГОСТ 16711, ГОСТ 8273 (кроме марок Ж и Е) или другой вид бумаги, не содержащей царапающих включений, порошковые материалы, прокладки на основе полимеров и другие материалы, не содержащие царапающих включений.

По согласованию с потребителем допускается применение других способов упаковки.

В качестве упаковочного материала используют бумагу по ГОСТ 515, ГОСТ 8828, полиэтиленовую пленку по ГОСТ 10354 и др., при этом стопу стекла с обеих сторон закрывают упаковочным материалом по всей поверхности стекла, края загибают, образуя пакет.

В качестве уплотняющего материала используют древесную стружку по ГОСТ 5244, древесно-волокнистые плиты по ГОСТ 4598, гофрированный картон по ГОСТ 7376 и др.

Поправка от 31.03.2003 г.

5.2.5 Стекло, отправляемое в районы Крайнего Севера и труднодоступные районы, упаковывают по ГОСТ 15846.

5.2.6 На каждую единицу тары прикрепляют ярлык, в котором указывают:

- наименование и/или товарный знак предприятия-изготовителя;

- условное обозначение стекла;

- количество листов стекла, шт., и общую площадь, м2;

- идентификационный номер продукции, установленной в данную единицу тары, или обозначение упаковщика;

- дату отгрузки.

Допускается в ярлыке указывать дополнительную информацию, расшифровку которой приводят в технической документации изготовителя.

5.2.7 Транспортную маркировку производят по ГОСТ 14192 с нанесением манипуляционных знаков: «Хрупкое. Осторожно», «Верх», «Беречь от влаги».

6 Правила приемки

6.1 Приемку стекла на соответствие требованиям настоящего стандарта производят партиями. Партией считают количество стекла, оформленное одним документом о качестве.

6.2 Стекло подвергают приемосдаточным испытаниям по 4.4 - 4.8, 5.1.1, 5.1.2 и периодическим испытаниям по 5.1.3 - 5.1.5.

6.3 Приемосдаточные испытания

6.3.1 Проверку партии стекла на соответствие требованиям 4.4 - 4.8, 5.1.2 проводят по двухступенчатому плану контроля в соответствии с таблицей 7.

Таблица 7

Объем партии, шт.

Ступень плана контроля

Объем выборки, шт.

Общий объем выборки, шт.

Приемочное число

Браковочное число

До 90 включ.

1

3

3

0

2

2

3

6

1

2

Св. 90      » 150     »

1

5

5

0

2

2

5

10

1

2

» 150       » 280     »

1

8

8

0

2

2

8

16

1

2

» 280       » 500     »

1

13

13

0

3

2

13

26

3

4

Св. 500 до 1200 включ.

1

20

20

1

4

2

20

40

4

5

»    1200 » 3200   »

1

32

32

2

5

2

32

64

6

7

»    3200

1

50

50

3

7

2

50

100

8

9

6.3.2 Партию считают принятой, если количество дефектных листов в выборке меньше или равно приемочному числу, указанному в таблице 7 для первой ступени плана контроля, и бракуют, если количество дефектных листов больше или равно браковочному числу.

Если количество дефектных листов в первой выборке больше приемочного, но меньше браковочного числа, следует отобрать от той же партии выборку объемом, указанным в таблице 7 для второй ступени плана контроля, и повторить испытания по всем контролируемым показателям, указанным в 6.3.1.

После повторной проверки показателей партию листов стекла считают принятой, если суммарное количество дефектных листов в выборках для первой и второй ступеней плана контроля меньше или равно приемочному числу, указанному для второй ступени, и считают не принятой, если суммарное количество дефектных листов в выборках для первой и второй ступеней плана контроля равно или больше браковочного числа, указанного в таблице 7 для второй ступени плана контроля.

6.3.3 Для проверки оптических искажений (п. 5.1.1) составляют выборку из числа листов, принятых по 6.3.1 - 6.3.2, объемом, указанным в таблице 8.

Таблица 8

В штуках

Объем партии

Объем выборки

До 500 включ.

3

Св. 500     »  3200    »

5

»    3200

8

Партию считают принятой, если все листы соответствуют требованиям 5.1.1. При несоответствии хотя бы одного листа требованиям 5.1.1 проводят повторную проверку по этому показателю на удвоенном количестве листов. При получении неудовлетворительных результатов повторной проверки более чем на одном листе партию считают не принятой.

6.4 Периодические испытания

6.4.1 Проверку стекла на соответствие 5.1.3 (коэффициент направленного пропускания света) проводят на трех образцах один раз в три месяца и при изменении технологии производства.

6.4.2 Проверку стекла на соответствие 5.1.4 (величина остаточных внутренних напряжений) проводят на пяти образцах один раз в три месяца и при изменении технологии производства.

6.4.3 Проверку стекла на соответствие 5.1.5 (водостойкость) проводят на трех образцах один раз в год и при изменении технологии производства.

6.4.4 При получении неудовлетворительных результатов периодических испытаний хотя бы на одном образце проводят повторные испытания на удвоенном количестве образцов.

Результаты повторных испытаний распространяют на всю партию.

При получении неудовлетворительных результатов повторных испытаний партию бракуют и переводят испытания по данному показателю в приемосдаточные до получения положительных результатов не менее чем для двух партий подряд.

6.5 Изготовитель имеет право устанавливать в своей технической документации другие планы контроля при условии, что количество испытываемых образцов не менее, а периодичность проведения испытаний не реже установленных настоящим стандартом.

6.6 Каждую партию стекла сопровождают документом о качестве, в котором указывают:

- наименование и/или товарный знак предприятия-изготовителя;

- условное обозначение стекла;

- количество листов стекла, шт., и общую площадь, м2;

- количество контейнеров, ящиков и т.д., шт.;

- сведения о сертификации стекла;

- номер и дату составления документа.

7 Методы контроля

7.1 Определение толщины и разнотолщинности

7.1.1 Сущность метода

Метод основан на измерении линейных размеров и вычислении величины отклонений от заданных значений.

7.1.2 Отбор образцов

Испытания проводят на готовых изделиях, отобранных в соответствии с 6.3.1.

7.1.3 Средство контроля (измерений)

Микрометр по ГОСТ 6507 или другие средства измерения с ценой деления не более 0,01 мм.

Поправка от 31.03.2003 г.

7.1.4 Проведение испытания

Толщину стекла измеряют в четырех точках, расположенных в середине каждой стороны листа стекла на расстоянии от края не менее толщины. Погрешность измерения - 0,01 мм.

7.1.5 Обработка результатов

7.1.5.1 Толщину стекла определяют как среднеарифметическое значение результатов измерений, округленное до 0,01 мм.

7.1.5.2 Отклонение по толщине Ad, мм, определяют по формуле

,                                                       (1)

где di - толщина, измеренная по 7.1.4, мм;

d0 - номинальная толщина, мм.

7.1.5.3 Разнотолщинность стекла определяют как разность между максимальным и минимальным значениями результатов измерений толщины одного и того же листа стекла.

7.1.6 Оценка результатов

Стекло считают выдержавшим испытание, если отклонение по толщине и разнотолщинность соответствуют требованиям 4.4.

7.2 Определение длины и ширины

7.2.1 Сущность метода

Метод основан на измерении линейных размеров и вычислении величины отклонений от заданных значении.

7.2.2 Отбор образцов

Испытания проводят на готовых изделиях, отобранных в соответствии с 6.3.1.

7.2.3 Средство контроля (измерений)

Рулетка по ГОСТ 7502 или другие средства измерений с ценой деления не более 1 мм.

7.2.4 Проведение испытания

Для определения длины проводят два измерения параллельно кромкам листа стекла на расстоянии от края не менее толщины стекла. Погрешность измерения - 1 мм.

Ширину стекла измеряют аналогично.

7.2.5 Обработка результатов

7.2.5.1 Длину (ширину) стекла определяют как среднеарифметическое значение результатов измерений, округленное до 1 мм.

7.2.5.2 Отклонение размеров по длине (ширине) определяют как разность между каждым значением длины (ширины), измеренным по 7.2.4, и номинальным значением длины (ширины) стекла.

7.2.6 Оценка результатов

Стекло считают выдержавшим испытание, если отклонение размеров по длине и ширине соответствует 4.5.

7.3 Определение разности длин диагоналей

7.3.1 Сущность метода

Метод основан на измерении линейных размеров и вычислении величины отклонений от заданных значений.

7.3.2 Отбор образцов

Испытания проводят на готовых изделиях, отобранных в соответствии с 6.3.1.

7.3.3 Средство контроля (измерений)

Рулетка по ГОСТ 7502 или другие средства измерений с ценой деления не более 1 мм.

7.3.4 Проведение испытания

Измеряют длину каждой диагонали. Погрешность измерения - 1 мм.

7.3.5 Обработка результатов

Вычисляют разность длин измеренных диагоналей.

7.3.6 Оценка результатов

Стекло считают выдержавшим испытание, если разность длин диагоналей соответствует требованиям 4.6.

7.4 Определение отклонения от плоскостности

7.4.1 Сущность метода

Метод основан на определении максимальной величины отклонения исследуемой поверхности от эталонной.

7.4.2 Отбор образцов

Испытания проводят на готовых изделиях, отобранных в соответствии с 6.3.1.

7.4.3 Средства контроля (измерений)

Линейка по ГОСТ 427 или уровень строительный по ГОСТ 9416 длиной не менее 300 мм.

Набор щупов класса точности не ниже 2 по нормативной документации, утвержденной в установленном порядке.

7.4.4 Проведение испытания

Лист стекла устанавливают вертикально (угол отклонения от вертикали не должен превышать 15°). Линейку или строительный уровень прикладывают ребром к поверхности стекла таким образом, чтобы середина линейки или уровня совпадала с центром листа стекла.

Расстояние (зазор) между поверхностью стекла и линейкой или уровнем контролируют щупом.

Толщина щупа должна быть равна:

0,001 длины наименьшей стороны листа стекла, если длина линейки или уровня больше длины (ширины) стекла;

0,001 длины линейки или уровня, если их длина меньше или равна длине (ширине) стекла.

Испытание проводят при вертикальном и горизонтальном положении линейки или уровня.

7.4.5 Оценка результатов

Стекло считают выдержавшим испытание, если щуп не входит в зазор.

7.5 Определение отклонения от прямолинейности кромок

7.5.1 Сущность метода

Метод основан на определении максимальной величины отклонения кромки стекла от эталонной прямой.

7.5.2 Отбор образцов

Испытания проводят на готовых изделиях, отобранных в соответствии с 6.3.1.

7.5.3 Средства контроля (измерений)

Линейка по ГОСТ 427 или уровень строительный по ГОСТ 9416 длиной не менее 300 мм.

Набор щупов класса точности не ниже 2 по нормативной документации, утвержденной в установленном порядке.

7.5.4 Проведение испытания

К. каждой кромке примерно посередине листа стекла поочередно прикладывают ребром линейку или строительный уровень и контролируют расстояние (зазор) между кромкой стекла и линейкой или уровнем щупом, толщина которого равна максимальному допускаемому значению отклонения от прямолинейности, установленному в 4.8.

7.5.5 Оценка результатов

Стекло считают выдержавшим испытание, если щуп не входит в зазор.

7.6 Определение отклонения от прямоугольности углов

7.6.1 Сущность метода

Метод основан на определении максимальной величины отклонения угла между сторонами стекла от эталонного значения.

7.6.2 Отбор образцов

Испытания проводят на готовых изделиях, отобранных в соответствии с 6.3.1.

7.6.3 Средства контроля (измерений)

Угольник класса точности не ниже 2 по ГОСТ 3749.

Набор щупов класса точности не ниже 2 по нормативной документации, утвержденной в установленном порядке.

7.6.4 Проведение испытания

На каждый угол листа стекла поочередно накладывают угольник так, чтобы одна измерительная поверхность угольника была прижата к кромке стекла. Расстояние (зазор) между второй измерительной поверхностью угольника и кромкой стекла контролируют щупом, толщина которого равна максимальному допускаемому значению отклонения от прямоугольности, установленному согласно 4.8.

7.6.5 Оценка результатов

Стекло считают выдержавшим испытание, если щуп не входит в зазор.

7.7 Определение оптических искажений, видимых в проходящем свете

7.7.1 Определение оптических искажений стекла марок М0, M1, М2, М3

7.7.1.1 Сущность метода состоит в просмотре сквозь стекло экрана типа «зебра», представляющего собой систему равноотстоящих черно-белых полос, наклоненных под углом 45° к горизонту.

Оптические искажения характеризуют максимальным углом между направлением наблюдения и перпендикуляром к плоскости образца стекла, при котором не наблюдается изменения формы полос экрана и их «размытие».

7.7.1.2 Отбор образцов

Испытания проводят на образцах размером не менее 300´400 мм.

7.7.1.3 Аппаратура

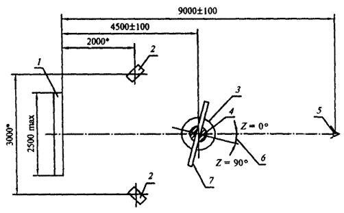
Установка для определения оптических искажений (рисунок 1), состоящая из:

- плоского экрана, на который нанесены под углом (45±1)° черные и белые полосы шириной (25±1) мм;

- держателя с рамкой для установки образцов, снабженной лимбом с ценой деления 1° и способной вращаться вокруг вертикальной оси.

Осветительные приборы (лампы), мощность и расположение которых должны обеспечивать освещенность экрана не менее 1000 лк.

* Уточняют при наладке оборудования.

1 - экран «зебра»; 2 - осветители; 3 - поворотный стол; 4 - лимб; 5 - наблюдатель; 6 - угол просмотра (Z); 7 - образец стекла

Рисунок 1

7.7.1.4 Проведение испытания

Испытания проводят в затемненном помещении. Образец стекла закрепляют в рамке держателя. При этом направление вытягивания стекла должно быть вертикальным. На лимбе держателя устанавливают нормируемый угол в соответствии с 5.1.1.

Наблюдатель занимает место наблюдения (см. рисунок 1) и просматривает экран сквозь образец стекла. Перемещение наблюдателя, образца и экрана друг относительно друга в момент наблюдения не допускается.

7.7.1.5 Оценка результатов

Образец считают выдержавшим испытание, если при просмотре не наблюдается изменения формы полос экрана и их «размытие». Единичные нитевидные искажения с углом ниже нормируемого, если их не более двух на 1 м длины образца, не учитывают.

Погрешность определения - 5°.

7.7.2 Определение оптических искажений стекла марок М4, М5, М6

7.7.2.1 Сущность метода состоит в просмотре сквозь стекло экрана типа «кирпичная стена». Оптические искажения характеризуют минимальным углом между направлением наблюдения и плоскостью листа стекла, при котором не наблюдается искажения формы кирпичей экрана и «размытие» линий, их образующих.

7.7.2.2 Отбор образцов

Испытания проводят на образцах шириной (400±50) мм, длиной от 400 до 1600 мм. Листы стекла больших размеров разрезают на образцы указанных размеров.

7.7.2.3 Аппаратура

Установка для определения оптических искажений (рисунок 2), состоящая из:

- плоского белого экрана размерами [(1030±5)´(665±5)] мм, на который черной матовой краской нанесено изображение кирпичной стены (рисунок 3). Размеры кирпича для изображения экрана должны быть [(250±1)´(65±1)] мм, расстояние между кирпичами и их частями - (10±1) мм, толщина контурных линий изображения - (3±1) мм;

1 - наблюдатель; 2 - лимб; 3 - угол просмотра; 4 - образец; 5 - экран «кирпичная стена»; 6 - поворотный стол; 7 - каретка

Рисунок 2

Рисунок 3

- поворотного стола с кареткой и держателем для крепления и перемещения листа стекла относительно экрана и наблюдателя или регистрирующего устройства. Поворотный стол должен быть снабжен лимбом с ценой деления 1°.

Установка для определения оптических искажений должна находиться в помещении с искусственным освещением, не дающим бликов на экране и поверхности стекла.

Стены и потолок помещения должны иметь светлую матовую поверхность, рассеивающую свет. Одна стена должна служить фоном для экрана.

Освещенность экрана должна быть от 400 до 500 лк.

7.7.2.4 Проведение испытания

Образец стекла закрепляют в рамке держателя. При этом направление вытягивания стекла должно быть вертикальным. На лимбе держателя устанавливают нормируемый угол в соответствии с 5.1.1. Наблюдатель занимает место наблюдения (см. рисунок 2) и просматривает центральную зону экрана шириной не более 700 мм и высотой не более 500 мм. Образец просматривают по всей длине. Перемещение наблюдателя, образца и экрана друг относительно друга в момент наблюдения не допускается.

7.7.2.5 Оценка результатов

Образец считают выдержавшим испытание, если при просмотре не наблюдается изменения формы кирпичей и «размытие» линий, их образующих.

Погрешность определения - 5°.

7.7.3 Для определения оптических искажений, видимых в проходящем свете, может применяться метод, приведенный в приложении В, наряду с указанными в 7.7.1 и 7.7.2.

7.8 Определение оптических искажений, видимых в отраженном свете

7.8.1 Сущность метода

Метод заключается в проецировании на экран картины из равноотстоящих полос после отражения от поверхности контролируемого образца стекла и измерении отклонений полученной картины от установленных показателей.

7.8.2 Отбор образцов

Испытания проводят на образцах стекла размером не менее 300´400 мм.

7.8.3 Аппаратура и приспособления

Установка для определения оптических искажений (рисунок 4), состоящая из:

- диапроектора, дающего изображение растровой решетки на экране;

- диапозитива - линейного растра, изготовленного из прозрачного материала (например, из фотопленки) с нанесенными на него непрозрачными параллельными линиями с шагом растра, равным (0,293±0,005) мм (шаг растра - суммарная ширина темной и светлой полос);

- плоского белого экрана размером не менее 300´600 мм (должен быть жестко закреплен);

- приспособления для установки образца стекла (должно иметь продольный паз для перемещения стекла вдоль экрана).

Образец стекла контрольный размером не менее 300´400 мм.

Линейка по ГОСТ 427.

7.8.4 Подготовка к испытанию

В приспособление для установки стекла помещают контрольный образец.

* Уточняют при наладке оборудования.

1 - диапроектор с диапозитивом; 2 - экран; 3 - контрольный или испытываемый образец; 4 - приспособление для установки образца

Рисунок 4

Диапроектор устанавливают рядом с экраном так, чтобы угол падения светового потока на контрольный образец стекла, закрепленный в приспособлении, составлял не более 10°.

Включают диапроектор и, регулируя расстояние между экраном и контрольным образцом, добиваются того, чтобы шаг отраженного растра на экране В составил (30±1) мм.

При определении шага растра на экране следует измерить суммарную ширину нескольких темных и светлых полос. Например, для пяти темных и светлых полос суммарная ширина должна быть равна 150 мм.

После регулирования расстояний между элементами установки положение диапроектора и приспособления для установки образца строго фиксируют.

7.8.5 Проведение испытания

Испытание проводят в затемненном помещении.

В приспособление для установки образца помещают испытываемый образец стекла так, чтобы направление выработки было параллельно полосам отраженного растра.

Последовательно передвигая стекло вдоль экрана, отмечают участки наибольших искажений, имеющих вид граничащих друг с другом участков расширенных и суженых полос отраженного растра.

Измеряют шаг растра в местах наибольшего расширения Вmax и наибольшего сужения Вmin металлической линейкой. Погрешность измерения - 1 мм.

Если измерение шага отраженного растра затрудняется из-за размытости краев полос и бликов от задней поверхности стекла, оценку производят по наиболее четко выраженным границам черных полос растра.

7.8.6 Обработка результатов

Значение искажений С, мм, вычисляют по формуле

C = Вmax - Вmin.                                                        (2)

Если при просмотре стекла обнаруживаются только расширенные или суженые участки отраженного растра или между границами этих участков имеется более 10 шагов неискаженного растра (В = 30 мм), то значение искажения определяют по формулам:

- для расширенных участков

C = Вmax - 30;                                                          (3)

- для суженных участков

C = 30 - Вmin.                                                          (4)

Допускаемая погрешность определения составляет ±1 мм.

За величину отклонения показателя отраженного растра (оптические искажения, видимые в отраженном свете) принимают наибольшее значение искажения С.

7.8.7 Оценка результатов

Образец стекла считают выдержавшим испытание, если величина отклонения показателя отраженного растра соответствует требованиям 5.1.1.

7.9 Определение количества и размеров пороков

7.9.1 Сущность метода

Метод основан на визуальном осмотре стекла и измерении линейных размеров обнаруженных пороков.

7.9.2 Отбор образцов

Испытания проводят на готовых изделиях, отобранных в соответствии с 6.3.1.

7.9.3 Средства контроля (измерений)

Линейка по ГОСТ 427.

Лупа с ценой деления не более 0,25 мм по ГОСТ 25706.

Угольник класса точности не ниже 2 по ГОСТ 3749.

Рулетка с ценой деления не более 1 мм по ГОСТ 7502.

7.9.4 Проведение испытания

Испытание проводят в проходящем свете при рассеянном дневном освещении или подобном ему искусственном (без прямого освещения).

Лист стекла устанавливают вертикально. Освещенность поверхности листа стекла должна быть не менее 300 лк.

Визуальный осмотр проводит наблюдатель, который должен находиться на расстоянии (0,6±0,1) м от листа стекла.

В случае обнаружения пороков производят подсчет их количества, измерение размеров и, при необходимости, расстояния между ними.

Размеры пороков определяют по наибольшим четко выраженным видимым очертаниям без учета оптических искажений.

Пороки размером менее 1 мм измеряют лупой, размером 1 мм и более - металлической линейкой. Локальные пороки измеряют по двум взаимно перпендикулярным направлениям, за размер порока принимают среднеарифметическое значение двух измерений. Повреждения углов измеряют с помощью угольника и металлической линейки.

Расстояние между пороками измеряют между их центрами линейкой или рулеткой.

7.9.5 Оценка результатов

Стекло считают выдержавшим испытание, если среднее количество и размеры пороков в выборке соответствуют требованиям 5.1.2.

7.10 Определение коэффициента направленного пропускания света

Коэффициент направленного пропускания света определяют по ГОСТ 26302 с погрешностью не более 1 %.

7.11 Определение величины остаточных внутренних напряжений

Величину остаточных внутренних напряжений, характеризуемую разностью хода лучей при двулучепреломлении, определяют по ГОСТ 3519. При проведении испытаний образец стекла устанавливают так, чтобы луч света проходил через прозрачные торцы образца параллельно граням.

Поправка от 31.03.2003 г.

7.12 Определение водостойкости

Водостойкость стекла определяют по ГОСТ 10134.1.

8 Транспортирование и хранение

8.1 Стекло транспортируют любым видом транспорта в соответствии с правилами перевозок грузов, действующими на данном виде транспорта. Размещение и крепление в транспортных средствах - в соответствии с Техническими условиями погрузки и крепления грузов.

8.2 При транспортировании тара со стеклом должна быть размещена так, чтобы торцы листов стекла были расположены по направлению движения транспорта, и закреплена так, чтобы исключалась возможность ее перемещения и качания в процессе транспортирования.

8.3 При хранении, транспортировании, погрузке и выгрузке стекла должны быть приняты меры, обеспечивающие его сохранность от механических повреждений и атмосферных осадков.

Поправка от 31.03.2003 г.

8.4 Стекло рекомендуется хранить в закрытых, сухих, отапливаемых помещениях в распакованном виде, переложенное бумагой или другими прокладочными материалами.

При хранении листы стекла должны быть установлены на стеллажи или пирамиды на резиновые или войлочные подкладки в наклонном положении с углом наклона к вертикали от 5 до 15°.

Допускается хранить стекло в таре (кроме контейнеров) при условии, если тара, прокладочные, уплотняющие и упаковочные материалы не подвергались увлажнению, при выполнении остальных требований данного раздела.

Поправка от 31.03.2003 г.

9 Указания по эксплуатации

9.1 При распаковывании транспортной тары, хранении и эксплуатации стекла не допускаются:

- взаимное касание стекол без прокладки между ними бумаги, а также касание о твердые предметы;

- протирание стекла жесткой тканью и тканью, содержащей царапающие включения;

- удары жесткими предметами;

- очистка сухого стекла жесткими щетками без подачи смывающей жидкости;

- длительное присутствие влаги на поверхности стекла;

- эксплуатация в агрессивной среде.

9.2 При изготовлении из стекла конкретных видов продукции выбор требуемых марок стекла осуществляют по нормативной (проектной, конструкторской) документации на данный вид продукции.

9.3 Правила монтажа стекла в светопрозрачные конструкции устанавливают в нормативной (проектной, конструкторской) документации на эти конструкции.

10 Гарантии изготовителя

10.1 Изготовитель гарантирует соответствие стекла требованиям настоящего стандарта при условии соблюдения правил эксплуатации, упаковки, транспортирования и хранения.

10.2 Гарантийный срок эксплуатации стекла - 20 лет.

ПРИЛОЖЕНИЕ А

(обязательное)

Классификация, термины и определения пороков листового стекла

А.1 По своей природе и причине возникновения пороки делят на включения (пороки стекломассы), пороки формования, пороки, вызванные механическими повреждениями, и прочие пороки.

Термины и определения основных видов видимых пороков листового стекла приведены в таблице А.1.

Таблица А.1

Термин

Определение

1 Включения (пороки стекломассы)

Разрушающее включение

Включение в стекле, сопровождающееся трещинами и (или) посечками

Неразрушающее включение

Включение в стекле, не сопровождающееся трещинами и (или) посечками

1.1 Газообразные включения

Пузырь

Полость в стекле различных размеров и формы

Закрытый пузырь

Пузырь, полость которого находится в толще стекла и не сообщается с внешней средой

Открытый пузырь

Пузырь, полость которого выходит на поверхность стекла и сообщается с внешней средой

Поверхностный пузырь

Пузырь, находящийся в непосредственной близости от поверхности стекла и сопровождающийся деформацией поверхностного слоя стекла

Капиллярный пузырь

Пузырь в виде капилляра, длина которого в десять или более раз превышает диаметр

Мошка

Пузырь, размеры которого не превышают 1 мм

1.2 Кристаллические включения

Камень

Включения в стекле различных размеров, формы и цвета, имеющие кристаллическую структуру: продукт разрушения огнеупоров (огнеупорный камень, черная точка), непровар шихты (шихтный камень, черная точка), продукт кристаллизации стекла (рух), окалина

1.3 Стекловидные включения

Свиль

Включение, имеющее стекловидную структуру, которое по химическому составу и физическим свойствам отличается от основного стекла

Внутренняя свиль

Свиль, находящаяся в толще стекла и не влияющая на качество поверхности

Поверхностная свиль

Свиль, находящаяся в непосредственной близости от поверхности стекла и сопровождающаяся деформацией поверхностного слоя стекла

Грубая свиль

Локальная свиль с выраженной поверхностью раздела, хорошо видимая невооруженным глазом

Нитевидная свиль

Свиль, имеющая форму четкой или нечеткой, резко ограниченной или с постепенным переходом в массу стекла нити или пучка нитей

Узловая свиль

Грубая свиль с отходящими от нее нитевидными свилями

Шлир

Поверхностная свиль в виде капли чужеродного стекла, сохранившей свою форму, бесцветная или слегка окрашенная

2 Пороки формования

Отпечатки валков

Небольшие углубления на поверхности стекла, иногда сопровождающиеся налетом белого или серого цвета

Кованость

Мелкие деформации поверхности стекла в виде выпуклостей и вогнутостей, создающие непрерывный характерный искажающий рисунок в виде пятен, ряби различной интенсивности

Прилипшая крошка

Мелкие частицы стекла, приварившиеся к поверхности листа стекла

3 Пороки, вызванные механическими повреждениями

Царапина

Острое механическое повреждение поверхности стекла в виде черты. В зависимости от ширины различают царапины грубые и волосные

Заполированная царапина

Царапина с размытыми (оплавленными) краями

Потертость

Механическое повреждение поверхности стекла в виде сплошной или прерывистой полосы, вызывающее ухудшение прозрачности

Скол

Нарушение геометрии листа стекла в виде углубления на торцевой поверхности

Выступ

Нарушение геометрии листа стекла в виде выступа на торцевой поверхности

Отбитый угол

Нарушение геометрии угла листа стекла, вызванное откалыванием части стекла

Трещина

Нарушение целостности стекла, проходящее через всю толщину

Посечка

Нарушение целостности стекла, не проходящее через всю толщину стекла и имеющее ограниченную длину

4 Прочие пороки

Выщелачивание

Матовый налет или радужная окраска на поверхности стекла в виде пятен различных размеров и формы

Дросс

Налипание на поверхность стекла частиц оксидов олова

Блюм

Помутнение поверхности стекла голубоватого, серовато-белого, серовато-желтого и других оттенков после вторичной термообработки стекла

А.2 По характеру воздействия на стекло пороки делятся на разрушающие и неразрушающие.

Разрушающие пороки - трещины, посечки, а также другие виды пороков, сопровождающиеся трещинами и (или) посечками.

Неразрушающие пороки - любые виды пороков, не относящиеся к разрушающим.

А.3 По форме и размерам пороки делятся на локальные и линейные.

Локальные - пороки, имеющие примерно одинаковые размеры по разным направлениям.

Линейные - пороки, у которых один из линейных размеров значительно превышает другие.

Примечание - При отнесении пороков к локальным или линейным принимают во внимание только их форму и размеры. Как правило, к локальным порокам относятся включения, сколы, выступы, отбитые углы, к линейным - царапины, потертости, трещины.

ПРИЛОЖЕНИЕ Б

(справочное)

Физико-механические характеристики листового стекла

Таблица Б.1

Наименование показателя

Справочное значение

Плотность (при 18 °С)

2500 кг/м3

Прочность на сжатие

700 - 900 МПа

Прочность на растяжение

30 Мпа

Прочность на изгиб

15 Мпа

Теплопроводность

1,0 Вт/(м´К)

Модуль упругости (модуль Юнга)

7´1010 Па

Коэффициент Пуассона

0,2

Температурный коэффициент линейного расширения (в интервале температур от 20 до 300 °С)

9,0´10-6 K-1

Теплопоглощающая способность

720 Дж/(кг×К)

Температура размягчения

600 °С

Твердость по шкале Муна

6 единиц

Коэффициент теплопередачи

5,8 Вт/(м2×К)

Коэффициент преломления света

1,5

Коэффициент направленного отражения света

0,08

ПРИЛОЖЕНИЕ В

(обязательное)

Метод определения оптических искажений листового стекла

В.1 Сущность метода

Метод определения оптических искажений основан на уменьшении величины импульсов видеосигнала телекамеры, «просматривающей» экран (сетка черных линий на белом фоне) через лист стекла, при наличии в нем дефектов, приводящих к оптическим искажениям.

В.2 Аппаратура

Установка, состоящая из:

- телевизионной установки с разрешением не менее 200 линий;

- частотомера с входным сопротивлением не менее 10 МОм, минимальным значением напряжения регистрируемого сигнала не более 0,2 В и диапазоном измерений от 0 до 1 МГц;

- электронного устройства, выделяющего из телевизионного сигнала импульсы, соответствующие разности между уровнями белого и черного. Сигнал на входе устройства должен иметь положительную полярность и амплитуду не менее 0,3 В;

- экрана размером не менее (600´800) мм. На белом поле экрана должны быть нанесены черной матовой краской клетки, размером [(80´60)±2] мм; линии, их образующие, наклонены под углом (45±1)° к горизонту и имеют толщину (5,0±0,5) мм; освещенность экрана - от 100 до 1000 лк при неравномерности не более 50 лк по полю экрана;

- держателя образцов, снабженного лимбом для отсчета углов между плоскостью образца стекла и направлением наблюдения телекамеры с ценой деления 1°; при совпадении направления наблюдения с плоскостью листа стекла угол равен 0°;

- объектива с фокусным расстоянием (135±5) мм и диафрагменным числом не менее 3,5.

Схема установки представлена на рисунке В.1.

1 - экран; 2 - держатель образцов; 3 - телевизионная установка; 4 - электронное устройство; 5 - частотомер

Рисунок В.1 - Схема установки для определения оптических искажений стекла

Изменяя диафрагменное число, регулируют установку так, чтобы для стекол марок М0, M1, M2, М3 она регистрировала наличие оптических искажений при оптической силе дефектов 0,08 дптр, а для стекол марок М4, М5, М6 - при 0,2 дптр.

В.3 Отбор образцов

Испытания проводят на образцах стекла шириной (200±50) мм вдоль направления вытягивания и длиной от 400 до 1600 мм. Листы стекла больших размеров разрезают на образцы указанных размеров.

В.4 Проведение испытания

Перед установкой образца на дисплее частотомера считывают показания (число N0). Ставят образец в держатель образцов так, чтобы направление вытягивания было вертикальным. Угол на лимбе держателя должен соответствовать 5.1.1 настоящего стандарта. Затем считывают показания частотомера (число Nx). Образец просматривают телекамерой по всей длине, последовательно перемещая каретку.

В.5 Обработка результатов

Образец стекла соответствует заданному показателю качества (на лимбе держателя угол - по 5.1.1), если выполняется условие

.                                                     (В.1)

ПРИЛОЖЕНИЕ Г

(справочное)

Сведения о разработчиках стандарта

Настоящий стандарт разработан рабочей группой в составе:

Чесноков А.Г., канд. техн. наук (руководитель), ОАО «Институт стекла»

Шведов Н.В., Госстрой России

Васильев С.К, ОАО «Институт стекла»

Емельянова О.А., ОАО «Институт стекла»

Куренкова А.Ю., НИУПЦ «Межрегиональный институт окна»

Маневич В.Е., профессор, д-р техн. наук, ОАО «Институт стекла»

Попов Ю.М., ОАО «Борский стекольный завод»

Савич B.C., ФГУП ЦНС

Соловьева И.Н., ОАО «Институт стекла»

Сторонкина Т.П., ОАО «Борский стекольный завод»

Фахретдинова Р.С., ОАО «Институт стекла»

Черемхина Е.А., ОАО «Институт стекла»

Чесноков С.А., МИФИ

Чуплыгин В.Н., ОАО «Борский стекольный завод»

Ключевые слова: стекло листовое, характеристики, упаковка, маркировка, методы контроля

СОДЕРЖАНИЕ

1 Область применения. 1

2 Нормативные ссылки. 2

3 Определения. 2

4 Классификация, основные параметры и размеры.. 2

5 Общие технические требования. 3

5.1 Характеристики. 3

5.2 Маркировка, упаковка. 4

6 Правила приемки. 5

7 Методы контроля. 7

7.1 Определение толщины и разнотолщинности. 7

7.2 Определение длины и ширины.. 7

7.3 Определение разности длин диагоналей. 7

7.4 Определение отклонения от плоскостности. 8

7.5 Определение отклонения от прямолинейности кромок. 8

7.6 Определение отклонения от прямоугольности углов. 8

7.7 Определение оптических искажений, видимых в проходящем свете. 9

7.8 Определение оптических искажений, видимых в отраженном свете. 11

7.9 Определение количества и размеров пороков. 12

7.10 Определение коэффициента направленного пропускания света. 13

7.11 Определение величины остаточных внутренних напряжений. 13

7.12 Определение водостойкости. 13

8 Транспортирование и хранение. 13

9 Указания по эксплуатации. 13

10 Гарантии изготовителя. 14

Приложение А Классификация, термины и определения пороков листового стекла. 14

Приложение Б Физико-механические характеристики листового стекла. 15

Приложение В Метод определения оптических искажений листового стекла. 15

Приложение Г Сведения о разработчиках стандарта. 17

 




Rambler's Top100 Яндекс цитирования
  Copyright © 2008-2026, www.docload.ru