|
|
МЕЖГОСУДАРСТВЕННЫЙ СТАНДАРТ
Дата введения 01.01.93 Настоящий стандарт устанавливает
требования безопасности и методы испытаний, являющиеся общими для всех ручных
электрических машин. Стандарт должен применяться совместно с соответствующими
стандартами на машины конкретных видов. При отсутствии стандарта на конкретный
вид машины допускается распространять действие настоящего стандарта (насколько
это применимо) на этот конкретный вид. По тексту стандарта: методы испытаний
выделены курсивом, требования, учитывающие национальные особенности СССР,
выделены вертикальной линией на полях. Требования всех пунктов настоящего
стандарта являются обязательными. Содержание 1. ОБЛАСТЬ
РАСПРОСТРАНЕНИЯ
1.1. Настоящий стандарт
распространяется на ручные электрические машины с приводом от электрического
или электромагнитного двигателя, предназначенные для использования в помещении
или на открытом воздухе. Под действие настоящего стандарта
подпадают ручные машины с электрическим двигателем, которые можно установить на
опору и использовать как стационарные без каких-либо изменений в самой машине. Машины со встроенными нагревательными
элементами подпадают под действие настоящего стандарта, однако такие машины
должны также соответствовать требованиям ГОСТ
27570.0 в пределах его применимости. На машины с аккумуляторным источником питания распространяются требования разд. 18 настоящего стандарта. Для машин, предназначенных для
использования на судах и самолетах, может возникнуть необходимость в
дополнительных требованиях, а для машин, работающих в опасных условиях,
например, во взрывоопасных местах, могут потребоваться особые конструкции. Для машин, предназначенных для
использования в странах с тропическим климатом, может возникнуть необходимость
в специальных требованиях. 1.2. Настоящий стандарт
касается безопасности и учитывает влияние на безопасность составных частей,
нужных для достижения требуемой степени подавления радио- и телепомех. 2. ТЕРМИНЫ И ОПРЕДЕЛЕНИЯ
2.1. Под терминами «напряжение» и «ток»
понимают их средние квадратические значения, если нет других указаний. В выражениях «с применением инструмента»,
«без применения инструмента» и «требует применения инструмента», используемых в
настоящем стандарте, термин «инструмент» обозначает отвертку, монету или любой
другой предмет, который может быть использован для отвинчивания или
завинчивания винта или другого подобного средства соединения. 2.2. В настоящем стандарте устанавливают
следующие основные термины и их определения. 2.2.1.
Номинальное напряжение -
напряжение (при трехфазном питании - линейное напряжение), указанное для машины
изготовителем. 2.2.2.
Диапазон номинальных напряжений -
диапазон напряжений, указанный для машины изготовителем и выраженный нижним и
верхним пределами. 2.2.3.
Рабочее напряжение - максимальное
напряжение, приложенное к рассматриваемой части, когда машина работает при
номинальном напряжении и в нормальных условиях эксплуатации. Примечания: 1. Нормальные условия эксплуатации - условия, включающие в себя возможные изменения напряжения внутри машины, которые возникают, например, при срабатывании выключателя цепи или повреждения лампы. 2. При определении рабочего напряжения не принимают во внимание величины напряжений, возникающие вследствие переходных процессов в источнике питания. 2.2.4.
Номинальная потребляемая мощность -
потребляемая мощность при номинальном напряжении, указанная для машины
изготовителем. 2.2.5.
Номинальный ток - ток при
номинальном напряжении или нижнем пределе диапазона номинальных напряжений,
указанный для машины изготовителем. Примечание. Если номинальный ток машины не указан, то его определяют расчетным путем по номинальной потребляемой мощности и номинальному напряжению или измерением тока, когда машина работает при номинальном напряжении и нормальной нагрузке. 2.2.6.
Номинальная частота - частота,
указанн ая для машины изготовителем. 2.2.7.
Диапазон номинальных частот -
диапазон частот, указанный для машины изготовителем, выраженный нижним и
верхним пределами. 2.2.8.
Номинальная скорость на холостом ходу - скорость на холостом ходу при номинальном напряжении или при верхнем
пределе диапазона номинальных напряжений, указанная для машины изготовителем. 2.2.9.
Съемный гибкий кабель или шнур -
гибкий кабель или шнур для питания или других целей, предназначенный для
присоединения к машине при помощи штепсельного соединителя. 2.2.10. Шнур питания - гибкий кабель или шнур для питания,
соединенный с машиной одним из следующих способов: соединение типа X - при котором
гибкий кабель или шнур может быть легко заменен без помощи специальных
инструментов другим кабелем или шнуром без особой подготовки; соединение типа М - при котором гибкий
кабель или шнур может быть легко заменен без помощи специальных инструментов
специальным кабелем или шнуром (например, с формованным защитным устройством
кабеля или опрессованными наконечниками); соединение типа У - при котором гибкий
кабель или шнур может быть заменен только с помощью специальных инструментов в
специализированных ремонтных мастерских изготовителя. Примечание. Соединение типа У может использоваться либо с обычными гибкими кабелями или шнурами, либо со специальными кабелями или шнурами. соединение типа Z - при котором
нельзя заменить гибкий кабель или шнур, не повредив части машины. 2.2.11. Основная изоляция - изоляция частей, находящихся под
напряжением, предназначенная для основной защиты от поражения электрическим
током. Примечание. Основная изоляция не обязательно включает изоляцию, применяемую исключительно для функциональных целей. 2.2.12.
Дополнительная изоляция -
независимая изоляция, предусмотренная как дополнение к основной изоляции для
обеспечения защиты от поражения электрическим током в случае повреждения
основной изоляции. 2.2.13.
Двойная изоляция - изоляция,
включающая как основную, так и дополнительную изоляцию. 2.2.14.
Усиленная изоляция - единая
система изоляции частей, находящихся под напряжением, обеспечивающая такую же
степень защиты от поражения электрическим током, как и двойная изоляция, в
условиях, указанных в настоящем стандарте. Примечание. Термин «единая система изоляции» не означает, что изоляция должна обязательно состоять из единственного слоя. Она может охватывать несколько слоев, которые нельзя испытать отдельно как дополнительную или основную изоляцию. 2.2.15. Ручная
электрическая машина -
машина с приводом от электрического или электромагнитного двигателя, являющегося
неотъемлемой частью, предназначенная для выполнения технологических операций. Машина может быть легко перенесена к
месту применения; во время работы ее держат в руках или подвешивают. Примечание. Ручные машины могут быть снабжены гибким валом, а их привод может быть стационарным или переносным. Машины могут быть снабжены также приспособлениями для закрепления на опоре. Ручные машины включают также машины, поддерживаемые руками (например, бетоноломы). 2.2.16.
Машина сменного типа - машина,
которую невозможно ремонтировать вообще или которую ремонтируют только в
ремонтных мастерских изготовителя. 2.2.17.
Машина класса I - машина, в
которой защиту от поражения электрическим током обеспечивают как основной
изоляцией, так и дополнительными мерами безопасности, при которых доступные
токопроводящие части соединены с защитным (заземляющим) проводом сети таким
образом, что не могут оказаться под напряжением в случае повреждения основной
изоляции. Примечания: 1. Для машин, предназначенных для использования с гибким кабелем или шнуром, должен быть предусмотрен защитный провод, являющийся частью гибкого кабеля или шнура. 2. Машины класса I могут иметь части с двойной или усиленной изоляцией либо части, работающие при безопасном сверхнизком напряжении. 2.2.18. Машина класса II - машина, в которой защиту от поражения электрическим
током обеспечивают как основной изоляцией, так и дополнительными мерами
безопасности, такими как двойная и усиленная изоляция, и которая не имеет
защитного провода или защитного контакта заземления. Машина класса II может быть отнесена к одному из следующих типов; 1 - машина, имеющая прочный,
практически сплошной кожух из изоляционного материала, который покрывает все
металлические части, за исключением небольших деталей, таких как щитки, винты и
заклепки, которые изолированы от частей под напряжением изоляцией,
эквивалентной по крайней мере усиленной изоляции; такую машину называют машиной
класса II с изоляционным кожухом; 2 - машина, имеющая
практически сплошной металлический кожух, в которой повсюду применена двойная
изоляция, за исключением деталей, где применена усиленная изоляция, так как
применение двойной изоляции практически невыполнимо; такую машину называют
машиной класса II с металлическим кожухом; 3 - машина, представляющая комбинацию
типов 1 и 2. 2.2.19. Машина класса III - машина, в которой защиту от поражения электрическим
током обеспечивают путем ее питания безопасным сверхнизким напряжением и в
которой не возникают напряжения больше, чем безопасное сверхнизкое напряжение. Примечание. Машины, предназначенные для работы при безопасном сверхнизком напряжении и имеющие внутренние цепи, работающие при напряжении, которое не является безопасным сверхнизким напряжением, не включены в настоящую классификацию и являются предметом дополнительных требований. 2.2.20.
Сверхнизкое напряжение -
напряжение, получаемое от источника, встроенного в машину, и которое при работе
машины на ее номинальном напряжении не превышает 42 B между проводниками и землей или для трехфазного
питания не превышает 24 B между
проводниками и нейтралью; цепь сверхнизкого напряжения изолирована от других
цепей только с помощью основной изоляции. 2.2.21.
Безопасное сверхнизкое напряжение -
номинальное напряжение, не превышающее 42 B между проводниками и между проводниками и землей, или
в случае трехфазного питания, не превышающее 24 B между проводниками и нейтралью; при этом напряжение
холостого хода не превышает соответственно 50 и 29 В. Примечания: 1. Если безопасное сверхнизкое напряжение получают путем преобразования более высокого напряжения, то это следует осуществлять посредством безопасного изолирующего трансформатора или преобразователя с раздельными обмотками. 2. Указанные предельные величины напряжений относятся к работе безопасного изолирующего трансформатора или преобразователя, питаемого номинальным напряжением. 2.2.22.
Безопасный изолирующий трансформатор -
трансформатор, входная обмотка которого электрически отделена от выходных
обмоток с помощью изоляции, эквивалентной по крайней мере двойной или усиленной
изоляции, предназначенный для питания распределительной цепи машины или другого
оборудования безопасным сверхнизким напряжением. 2.2.23.
Нормальная нагрузка - нагрузка,
имитирующая средние нагрузки машины в условиях нормальной эксплуатации с учетом
указаний о кратковременном или повторно-кратковременном режиме работы;
нагревательные элементы (если они имеются) включают как при нормальной
эксплуатации, если нет других указаний в настоящем стандарте или в стандартах
на машины конкретных видов. Примечание. Нормальная нагрузка основана на номинальном напряжении или верхнем пределе диапазона номинальных напряжений. 2.2.24.
Номинальная продолжительность работы -
продолжительность работы, указанная для машины изготовителем. 2.2.25.
Продолжительный режим работы -
работа при нормальной нагрузке в течение неограниченного периода времени. 2.2.26.
Кратковременный режим работы -
работа при нормальной нагрузке в течение определенного периода времени, начиная
с холодного состояния; интервалы между каждым периодом работы являются
достаточно продолжительными, чтобы машина могла охладиться до температуры
окружающего воздуха. 2.2.27. Повторно-кратковременный режим
работы - работа при
последовательном чередовании одинаковых циклов, каждый из которых включает
период работы при нормальной нагрузке, за которым следует период отдыха, при
котором машина функционирует на холостом ходу или выключается. 2.2.28.
Несъемная часть - часть, которая
может быть отделена только при помощи инструмента. 2.2.29.
Съемная часть - часть, которая может
быть отделена без применения инструмента. 2.2.30.
Термовыключатель - устройство,
ограничивающее температуру машины или ее частей при ненормальной работе путем
автоматического размыкания цепи или уменьшения величины тока и которое
сконструировано так, что его уставка не может быть изменена потребителем. 2.2.31.
Термовыключатель без самовозврата -
термовыключатель, который восстанавливает величину тока после ручного
вмешательства или замены детали. 2.2.32.
Путь утечки - наименьшее
расстояние между двумя токопроводящими частями или между токопроводящей частью
и граничной поверхностью машины, измеренное по поверхности изоляционного
материала. Примечание. Граничной поверхностью машины является внешняя поверхность кожуха, которая определяется металлической фольгой, прижимаемой к доступным изоляционным поверхностям. 2.2.33.
Воздушный зазор - наименьшее
расстояние между двумя токопроводящими частями и граничной поверхностью машины,
измеренное по воздуху. 2.2.34.
Полное отключение - отключение
всех питающих проводов (за исключением защитного провода) одним действием. Примечание. Защитный заземляющий провод не считается питающим проводом. 2.2.35.
Доступная часть или доступная поверхность - часть или поверхность, к которой можно прикоснуться стандартным
испытательным пальцем, приведенным на черт. 1. Металлические части, которые
находятся в электрической связи с доступными металлическими частями, считают
тоже доступными. 2.2.36. Термин «корпус»
охватывает все доступные металлические части, оси рукояток, кнопок, ручек и
т.п., а также металлическую фольгу, соприкасающуюся с доступными поверхностями
изоляционного материала, но он не распространяется на недоступные металлические
части. 3. ОБЩИЕ ТРЕБОВАНИЯ
3.1. Машины должны быть сконструированы и
изготовлены таким образом, чтобы при нормальной эксплуатации обеспечивалась их
надежная работа и не создавалась опасность для людей и окружающей среды даже в
случае небрежного обращения с машиной, как это может быть при нормальной
эксплуатации. Проверку проводят с помощью всех указанных
ниже испытаний. 3.2. Правила безопасности при
эксплуатации машин - в соответствии с приложениями 1 и 2. 4. ИСПЫТАНИЯ. ОБЩИЕ
ПОЛОЖЕНИЯ
4.1.
Испытания, проводимые в соответствии с настоящим стандартом, являются общими
для всех машин, входящих в область распространения стандарта. Для машин каждого
конкретного вида следует учитывать указания стандарта на машины этого вида. 4.2.
Если нет других указаний в настоящем стандарте или в стандартах на машины
конкретных видов, испытания проводят на одном образце машины в состоянии
поставки. Образец должен выдержать все испытания. Примечания: 1. Если из конструкции машины очевидно, что какое-либо испытание к ней неприменимо, это испытание не проводят. 2. Если машина рассчитана на различные напряжения питания как переменного, так и постоянного тока, на различные частоты вращения и т. д., может потребоваться более чем один образец. 3. Если требуются испытания по п. 11.6, необходимы дополнительные образцы. 4. Если необходимо провести демонтаж машины класса II для соответствующих испытаний, требуется один образец. 5. При испытании комплектующих изделий может возникнуть необходимость в дополнительных образцах этих изделий. В этом случае они должны поставляться вместе с машиной. 4.3. Если нет других указаний в
стандартах на машины конкретных видов, испытания проводят в порядке,
приведенном в настоящем стандарте. Если необходимо измерить уровень
радиопомех, его измеряют после испытаний по разд. 8. Примечание. Перед началом испытаний машина должна быть подключена к сети при номинальном напряжении или нижнем пределе диапазона номинальных напряжений для установления ее исправности. 4.4.
Машины или их подвижные части испытывают в наиболее неблагоприятных положениях,
которые могут возникнуть при нормальной эксплуатации машины. 4.5.
Если на результаты испытания влияет температура окружающей среды, то ее
поддерживают в пределах (20±5) ˚C. Однако, если температура какой-либо части
ограничивается устройством, чувствительным к температуре, или на нее влияет
температура фазового перехода (например, температура кипящей воды), то
температура окружающей среды в случае сомнения поддерживается в пределах (23±2)
˚С. 4.6.
Машины, предназначенные для работы только на переменном токе, испытывают
переменным током при номинальной частоте, если она указана. Машины,
предназначенные для работы только на постоянном токе, испытывают постоянным
током, а предназначенные для работы как на переменном, так и на постоянном
токах - при наиболее неблагоприятном
роде тока. Машины, предназначенные для работы на
переменном токе, на которых не указана номинальная частота или указан диапазон
частот 50-60 Гц, испытывают при частоте 50 или 60 Гц, в зависимости от того,
при какой частоте создаются наиболее неблагоприятные условия. Машины, на которых указан диапазон
номинальных частот, отличающийся от 50-60 Гц, испытывают при наиболее
неблагоприятной частоте в пределах указанного диапазона. Машины, предназначенные для работы при
более чем одном номинальном напряжении, испытывают при наиболее неблагоприятном
напряжении. Если нет других указаний в настоящем
стандарте или в стандартах на машины конкретных видов, машины, рассчитанные на
один или более диапазонов номинальных напряжений, испытывают при наиболее
неблагоприятном напряжении в пределах соответствующего диапазона. Если указано, что питающее напряжение
равно номинальному, умноженному на коэффициент, то питающее напряжение для
машин, маркированных диапазоном номинальных напряжений, должно равняться: верхнему пределу диапазона номинальных
напряжений, умноженному на коэффициент, если он более 1; нижнему пределу диапазона номинальных
напряжений, умноженному на коэффициент, если он менее 1; Примечание. Максимальная или минимальная номинальная потребляемая мощность - номинальная потребляемая мощность, относящаяся соответственно к верхнему или нижнему пределу диапазона номинальных напряжений. Если испытуемые машины предназначены
только для работы на постоянном токе, принимают во внимание возможное влияние
полярности на работу машины. Примечание. Если машина предназначена более чем для одного номинального напряжения или более чем для одного диапазона номинальных напряжений, может возникнуть необходимость провести некоторые испытания при минимальном, среднем и максимальном значениях номинального напряжения, чтобы установить наиболее неблагоприятное напряжение. 4.8. Если при нормальной эксплуатации нагревательный элемент не
может функционировать при неработающем двигателе, то элемент испытывают при
работающем двигателе. Если нагревательный элемент может функционировать при
неработающем двигателе, то его испытывают при работающем или неработающем
двигателе, в зависимости от того, что является наиболее неблагоприятным.
Нагревательные элементы, встроенные в машину, подключают к отдельному источнику
питания, если нет других указаний, и испытывают по ГОСТ 27570.0. 4.9.
Если нет других указаний в настоящем стандарте или в стандартах на: машины
конкретных видов, машины, снабженные регулирующим или подобным устройством,
испытывают с этими устройствами при самых неблагоприятных уставках, если
уставка может быть изменена потребителем. Примечание. Если средства регулировки работы машины доступны без применения инструмента, указанные требования применяют, когда уставка может быть изменена вручную или с применением инструмента. Если средства регулировки недоступны без применения инструмента, указанные требования применяют только тогда, когда уставка может быть изменена вручную. Соответствующее пломбирование считают достаточным для защиты от изменения уставки потребителем. 4.10. Если условия нормальной
нагрузки указаны в соответствующих стандартах на машины конкретных видов,
машину нагружают в соответствии с этими условиями, независимо от маркировки
кратковременного или повторно-кратковременного режима, за исключением случаев,
когда из конструкции машины очевидно, что эти условия не наступят при
нормальной эксплуатации. Если условия нормальной нагрузки не
указаны в стандартах на машины конкретных видов, машину нагружают в
соответствии с инструкцией изготовителя. При отсутствии такой инструкции машину
нагружают при продолжительном режиме работы нагрузкой, соответствующей
номинальной потребляемой мощности. Испытания с насадками, выполняющими
функции, установленные соответствующими стандартами на машины конкретных видов,
проводят в соответствии с этими стандартами. Остальные принадлежности испытывают в
соответствии с инструкцией изготовителя. При отсутствии такой инструкции машину
испытывают при продолжительном режиме работы с нагрузкой, соответствующей
номинальной потребляемой мощности. Электронные устройства для регулирования
скорости устанавливают на самую высокую скорость. 4.11.
Если нагрузку производят тормозным моментом, его приложение должно
осуществляться таким образом, чтобы на рабочем конце вала не возникало
дополнительных напряжений (например, бокового нажима). Дополнительные нагрузки,
необходимые для нормальной работы машины, должны быть учтены. 4.12.
Машины, предназначенные для работы при безопасном сверхнизком напряжении,
испытывают вместе с питающим трансформатором, если его поставляют вместе с
машиной. 4.13.
При испытаниях по разд. 8, 15, 23 и 25 части, отделенные от токоведущих частей
двойной или усиленной изоляцией, рассматривают как части, которые не могут
оказаться под напряжением в случае повреждения изоляции. Присоединение
доступных металлических частей к защитному зажиму или защитному контакту не устраняет
необходимости в проведении этих испытаний. 4.14.
Если машины класса I имеют
доступные металлические части, которые не присоединены к защитному зажиму или
защитному контакту или не отделены от частей под напряжением промежуточной
металлической частью, присоединенной к защитному зажиму или защитному контакту,
то такие части должны испытываться на соответствие требованиям, установленным
для машин класса II. 4.15.
Если машины класса I или II имеют части, работающие при безопасном сверхнизком
напряжении, то такие части должны испытываться в соответствии с требованиями
для машин класса III. 4.16.
Машины со встроенными электронными схемами испытывают в соответствии с приложением В. 4.17. Приемку машин на
безопасность проводят в соответствии с приложением 3. 5. НОМИНАЛЬНОЕ
НАПРЯЖЕНИЕ
5.1. Максимально допустимыми значениями
номинального напряжения являются: 250 B - для машин постоянного
тока, 440 B - для остальных машин. Рекомендуемыми значениями номинального
напряжения машин класса III являются 24
и 42 В. Проверку проводят осмотром маркировки. Примечание. Требования настоящего стандарта выполняются при условии, что при нормальной эксплуатации напряжение между проводами питающей сети и землей не превышает 254 В. 6. КЛАССИФИКАЦИЯ
Машины подразделяют: 6.1. по типу защиты от
поражения электрическим током на классы I, II и III. 6.2. по степени защиты от
проникновения воды на обычные, брызгозащищенные и водонепроницаемые. Примечания: 1. Номера классов характеризуют не уровень безопасности машин, а только средства обеспечения безопасности. 2. Если машины класса III поставляют с защитным трансформатором для питания от сети, их классификация не изменяется. 7. МАРКИРОВКА
7.1. На каждой машине должны
быть нанесены следующие данные: номинальное (ые) напряжение (я) или
диапазон (ы) номинальных напряжений в вольтах; условное обозначение рода тока, при
необходимости; номинальная частота или диапазон
номинальных частот в герцах, если машина не предназначена только для
постоянного тока или для переменного тока частотой 50 и 60 Гц; номинальная потребляемая мощность в
ваттах или киловаттах, если она превышает 25 Вт, или номинальный ток в амперах; наименование, товарный знак или условное
обозначение изготовителя; обозначение типа или модели машины; номинальный режим работы, при
необходимости; условное обозначение класса II (только для машин класса II); условное обозначение защиты от
проникновения воды, при необходимости. Примечания: 1. На машинах с соединением «звезда-треугольник» должны быть отчетливо обозначены два номинальных напряжения (например, 220∆/380Y). 2. Номинальную потребляемую мощность или номинальный ток, указываемые на машине, определяют как общую потребляемую мощность или общий ток, которые могут потребляться одновременно от сети. 3. Если машина имеет переменно действующие комплектующие изделия, которые могут выбираться устройством управления, номинальная потребляемая мощность должна соответствовать возможно наиболее высокой нагрузке. 4. Допускается дополнительная маркировка при условии, что она не вызовет неправильного понимания. 5. Если двигатель машины маркируют отдельно, то маркировка машины и маркировка двигателя должны исключать сомнения относительно номинальных данных машины и ее изготовителя. 7.2. На машинах,
предназначенных для кратковременного или повторно-кратковременного режима
работы, должна быть указана продолжительность номинального рабочего периода или
продолжительность номинального рабочего периода и номинального периода отдыха,
если продолжительность рабочего периода не ограничена конструкцией машины или
режим работы не соответствует определению нормальной нагрузки, приведенному в
соответствующих стандартах на машины конкретных видов. Маркировка кратковременного или
повторно-кратковременного режима работы должна соответствовать условиям
нормальной эксплуатации. Повторно-кратковременный режим работы
обозначают номинальным рабочим периодом времени, за которым следует номинальный
период отключения или холостого хода. Обозначения должны быть разделены
наклонной чертой. 7.3. На машинах со встроенными
нагревательными элементами должна быть нанесена дополнительно на щитке машины
полная маркировка нагревательных элементов по ГОСТ
27570.0. Требование
не относится к машинам с соединением «звезда - треугольник». Примечание. Для машин, в которых не требуется частых изменений уставки напряжения, это требование считают выполненным, если номинальное напряжение или номинальная потребляемая мощность, на которые установлена машина, могут быть определены из схемы соединений, закрепленной на машине. Схема соединений может находиться на внутренней стороне крышки, которую надо снять, чтобы подсоединить провода питания. Эта схема может быть выполнена на прикрепленной заклепками к крышке пластинке, на бумажной или другой этикетке, приклеенной к крышке. Схему не допускается помещать на свободно прикрепленной к машине бирке. 7.5. Машины, маркированные
более чем на одно номинальное напряжение или более чем на один диапазон
номинальных напряжений, должны маркироваться номинальной потребляемой мощностью
для каждого из этих напряжений или диапазонов, если эта мощность превышает 25
Вт. Верхний и нижний пределы номинальной
потребляемой мощности должны быть обозначены на машине таким образом, чтобы
было видно соотношение между потребляемой мощностью и напряжением, за
исключением случая, при котором разность пределов диапазонов номинальных
напряжений не превышает 10 % среднего значения диапазона. В этом случае
обозначение номинальной потребляемой мощности допускается относить к среднему
значению диапазона. 7.6. Используют следующие
условные обозначения: В - вольт; А - ампер; Гц - герц; Вт - ватт; кВт - киловатт; мкФ - микрофарада; л - литр; кг - килограмм; Н/см2 - ньютон на
квадратный сантиметр; ч - час; мин - минута; с - секунда; Па - паскаль; ~ - переменный ток; 3~ - трехфазный переменный ток; 3N~ - трехфазный переменный ток с нейтралью;
n0 - скорость холостого хода; .../мин - число оборотов или
возвратно-поступательных движений в минуту;
Условное обозначение рода тока
помещают непосредственно за обозначением номинального напряжения. Размеры условного обозначения машин
класса II должны быть такими, чтобы длина стороны внешнего
квадрата приблизительно равнялась двойной длине стороны внутреннего квадрата.
Длина стороны внешнего квадрата должна быть не менее 5 мм, если наибольший
размер машины не превышает 15 см; в этом случае размеры условного обозначения
могут быть уменьшены, но длина сторон внешнего квадрата не должна быть менее 3
мм. Условное обозначение машины класса II должно быть размещено так, чтобы было ясно, что оно
является частью технической информации и чтобы его нельзя было перепутать с
другой маркировкой. 7.7. Зажимы, предназначенные
только для нейтрального провода, должны быть обозначены буквой N. Защитные зажимы заземления должны быть
обозначены знаком Эти обозначения не допускается помещать
на винтах, съемных шайбах и других деталях, которые могут быть сняты при
соединении проводников. 7.8. Машины, предназначенные
для присоединения к более чем двум питающим проводам, должны быть снабжены
схемой соединений, прикрепленной к машине, за исключением случаев, когда
правильный способ присоединения является очевидным. Примечания: 1. Правильный способ присоединения очевиден, если, например, зажимы для присоединения питающих проводов отмечены стрелками, направленными к зажимам. Защитный провод не является питающим проводом. Для машин с соединением «звезда-треугольник» схема соединений должна показывать, каким образом следует соединить обмотки. 2. Схема соединений может совпадать со схемой, указанной в п. 7.4. 7.9. Выключатели должны быть
размещены или обозначены так, чтобы было ясно, к какой части машины они
относятся, за исключением случая, когда это очевидно не является необходимым. Обозначения, применяемые с этой целью,
должны быть такими (если это практически осуществимо), чтобы не требовалось
знания языка, стандартов и т.п. для их понимания. 7.10. Нажимная кнопка должна
быть окрашена в красный цвет только в случае, если она служит для отключения
управляемой ею цепи и не выполняет других функций. Примечание. Требование не распространяется на нажимные кнопки для фиксирования сетевых выключателей. Машины, которые могут вызвать опасность
при неожиданном срабатывании, должны иметь обозначение положения «отключено»
сетевого выключателя, если это положение не очевидно. Обозначение, если это
необходимо, осуществляется цифрой 0. Цифру 0 не следует использовать для
других обозначений. Положение подвижных контактов сетевого
выключателя должно соответствовать обозначениям разных положений управляющего
органа. 7.11. Регулирующие и другие
устройства, предназначенные для регулировки во время работы, должны быть
снабжены обозначениями направления регулировки для увеличения или уменьшения
значения регулируемой величины. Примечание. Обозначения знаками «+» и «-» считают достаточными. Если для обозначения различных положений
используют цифры, то: 1) положение «отключено» должно быть обозначено цифрой
«0»; 2) положения большей мощности, скорости и
т. д. должны быть обозначены большей по значению цифрой. Примечания: 1. Первое требование не распространяется на регулирующие устройства, снабженные управляющим органом, движущимся возвратно-поступательно, если его положение «полностью включенное» противоположно положению «отключено». 2. Обозначения положений управляющего органа допускается не располагать на самом устройстве. 7.12. Машины с электронными
регулирующими устройствами должны иметь специальную маркировку или инструкцию,
содержащую необходимые указания по эксплуатации. 7.13. Инструкция по
эксплуатации должна быть написана на официальном языке (языках) страны, в
которую будет поставлена машина. Проверку требований пп. 7.1-7.13
проводят внешним осмотром. 7.14. Маркировка должна быть легко
различима и долговечна. Маркировка по пп. 7.1-7.12 должна быть
расположена на основной части машины таким образом, чтобы можно было ее ясно
различить, когда машина подготовлена к эксплуатации. Маркировка и обозначения для
выключателей, терморегуляторов, термовыключателей и других устройств управления
должны находиться вблизи этих элементов и не должны помещаться на съемных
частях, если эти части могут быть повторно установлены так, что маркировка
может быть понята неправильно. Проверку проводят осмотром и протиркой
вручную маркировки в течение 15 с куском ткани, смоченной в воде, а затем в
течение 15 с - куском
ткани, смоченной в бензине. После всех испытаний по настоящему
стандарту маркировка должна быть ясно различима; таблички не должны легко
сниматься и деформироваться. 8. ЗАЩИТА ОТ ПОРАЖЕНИЯ
ЭЛЕКТРИЧЕСКИМ ТОКОМ
8.1. Машины
должны быть изготовлены (и защищены) так, чтобы обеспечивалась необходимая
защита от случайного соприкосновения с частями, находящимися под напряжением, а
для машин класса II - с металлическими
частями, отделенными от частей, находящихся под напряжением, только основной
изоляцией, даже после удаления съемных частей. Изолирующие свойства лака, эмали, обычной
бумаги, хлопчатобумажной пряжи или ткани, оксидных покрытий металлических
частей, изоляционных бус, а также заливочной массы не считают обеспечивающими
достаточную защиту от случайного прикосновения к частям под напряжением. Кожух машины не должен иметь отверстий,
через которые возможен доступ к частям под напряжением, а для машин класса II -
также к частям, изолированным от частей под напряжением только основной
изоляцией, за исключением отверстий, необходимых для эксплуатации машины. Примечание. Если нет других указаний, части, работающие при безопасном сверхнизком напряжении до 24 B, считают частями, не находящимися под напряжением. Проверку проводят внешним осмотром и
испытанием стандартным испытательным пальцем, приведенным на черт. 1. Кроме того, отверстия в машинах класса
II, как и отверстия в машинах класса I, за исключением отверстий в металлических частях,
присоединенных к защитному зажиму или защитному контакту, испытывают
испытательным щупом, приведенным на черт. 2. После удаления съемных частей,
испытательные палец и щуп прикладывают во всех возможных положениях;
испытательный палец прикладывают без особого усилия, испытательный щуп - с
усилием 10 Н. Отверстия, в которые испытательный
палец не входит, испытывают затем при помощи прямого монолитного испытательного
пальца тех же размеров, который прикладывают с усилием 50 Н. Если этот палец
входит, повторяют испытание сочлененным испытательным пальцем, приведенным на
черт. 1; при необходимости, палец проталкивают в отверстие. Для обнаружения контакта применяют
электрический индикатор. Не допускается возможность
прикосновения испытательным пальцем к неизолированным частям под напряжением
или частям под напряжением, защищенным лаком, эмалью, обычной бумагой,
хлопчатобумажной пряжей или тканью, оксидным покрытием, изоляционными бусами
или заливочной массой. Кроме того, для машин класса II не допускается возможность прикосновения
испытательным щупом к неизолированным частям под напряжением или испытательным
пальцем к металлическим частям, отделенным от частей под напряжением лишь
основной изоляцией. Примечания: 1. Испытательный палец должен быть сконструирован таким образом, чтобы каждую сочлененную часть можно было повернуть на 90° к оси пальца и только в одном направлении. 2. Для обнаружения прикосновения рекомендуется применять лампу напряжением не ниже 40 В. Вентиляционные отверстия не должны быть
большими. Проверку проводят внешним осмотром, а
затем вводят металлический шарик диаметром 6 мм через входные вентиляционные
отверстия, кроме расположенных рядом с вентилятором. Шарик не должен проходить через
отверстия. Примечания Требование не означает, что через вентиляционные отверстия не должны быть видны части под напряжением. 8.2. Валы и оси управляющих
ручек, кнопок, рычагов и т.п. не должны находиться под напряжением. 8.3. Для машин, за исключением
машин класса III, управляющие ручки или кнопки
выключателей и переключателей, если они сделаны из металла, должны быть либо
покрыты изоляционным материалом, либо их доступные части должны быть отделены
от валов или креплений дополнительной изоляцией. Проверку на соответствие требованиям
пп. 8.2 и 8.3 проводят осмотром. 8.4. В машинах класса II не допускается присоединение конденсаторов к
доступным металлическим частям, а их кожухи, если они выполнены из металла,
должны быть отделены от доступных металлических частей дополнительной
изоляцией. Проверку проводят внешним осмотром и
испытаниями, установленными для дополнительной изоляции. 8.5. Машины, предназначенные
для присоединения к источнику питания с помощью штепсельной вилки, должны быть
сконструированы таким образом, чтобы при нормальной эксплуатации они не
представляли опасности поражения электрическим током от заряженных
конденсаторов в случае прикосновения к штырям вилки. Проверку осуществляют следующим
испытанием, которое проводят 10 раз. Машина работает при номинальном
напряжении или на верхнем пределе диапазона номинальных напряжений. Выключатель машины, если таковой
имеется, ставят затем в положение «отключено» и машину отключают от источника
при помощи штепселя. Через 1 с после отключения напряжение
между штырями вилки измеряют прибором, не оказывающим заметного влияния на
измеряемую величину. Это напряжение не должно превышать 34
В. Примечания. Считают, что конденсаторы с номинальной емкостью, не превышающей 0,1 мкФ, не создают опасности поражения электрическим током. 8.6. Детали, обеспечивающие
защиту от поражения электрическим током, должны быть прочными, а их крепление
не должно ослабляться при нормальной эксплуатации. Крепление этих деталей
должно быть таким, чтобы не было возможным их снятие без применения
инструмента. Проверку проводят внешним осмотром, ручным
опробованием и испытаниями по разд. 16 и 19. 9. ПУСК
9.1. Двигатели должны
запускаться при всех нормальных значениях напряжения, которые могут возникнуть
при эксплуатации. Центробежные выключатели и другие
автоматические пусковые устройства должны работать надежно и без вибрации
контактов. Проверку машины проводят, включая ее
на холостом ходу последовательно 10 раз на напряжение, равное 0,85 номинального
напряжения, при этом регулирующие устройства, если таковые имеются,
устанавливают как при нормальной эксплуатации. Машины с центробежными выключателями
или другими автоматическими пусковыми устройствами включают дополнительно 10
раз на напряжение, равное 1,1 номинального напряжения. Интервалы между
последовательными пусками должны быть достаточными для предотвращения
недопустимого перегрева. Во всех случаях работа машины должна
быть безопасной и нормальной. 9.2. Устройства защиты от
перегрузки не должны срабатывать в условиях нормального пуска. Проверку проводят
испытанием по п.9.1. 10. ПОТРЕБЛЯЕМАЯ
МОЩНОСТЬ И ТОК
10.1. Потребляемая мощность машины при
работе на номинальном напряжении и нормальной нагрузке может превышать
номинальную потребляемую мощность, но не более допустимого отклонения,
указанного в табл. 1. Проверку проводят измерением величины потребляемой мощности машины, работающей при номинальном напряжении или при среднем значении диапазона номинальных напряжений, если он не превышает 10 % своего среднего значения, и при нормальной нагрузке. Таблица
1
Примечания. Для машин, на которых указан диапазон номинальных напряжений с пределами, отличающимися более чем на 10 % от среднего значения диапазона, предельные отклонения потребляемой мощности определяют для каждого из пределов диапазона. 10.2. Если на машине указан номинальный
ток, то измеренный ток при нормальной нагрузке не должен превышать номинального
тока более чем на 15 %. Проверку проводят измерением тока
машины, работающей при нормальной нагрузке и номинальном напряжении или при
среднем значении диапазона номинальных напряжений, если он не превышает 10 %
своего среднего значения. Примечания. Для машин, на которых указан диапазон номинальных напряжений с пределами, отличающимися более чем на 10 % от среднего значения диапазона, предельные отклонения тока определяют для каждого из пределов диапазона. 11. НАГРЕВ
11.1. Машины
не должны чрезмерно нагреваться при нормальной эксплуатации. Проверку проводят путем
определения превышения температуры различных частей машины при следующих
условиях. Тормозной момент поддерживают
постоянным, равным значению, соответствующему работе машины при номинальном
напряжении или при среднем значении диапазона номинальных напряжений, при
наиболее неблагоприятных условиях нагрузки из упомянутых выше, а напряжение
устанавливают на 0,94 или 1,06 номинального напряжения или среднего значения
диапазона номинальных напряжений. В случае прикладывания тормозного
момента, при котором машина работает при номинальной потребляемой мощности,
режим работы должен соответствовать указанному для нормальной нагрузки. Нагревательные элементы, если они
имеются, должны работать, как указано в пп. 4.7
и 4.8
настоящего стандарта. Условия работы должны соответствовать указанным в ГОСТ
27570.0, если машина работает при напряжении, равном 1,06 номинального
напряжения. Если машина работает при напряжении, составляющем 0,94 от
номинального напряжения, потребляемая мощность нагревательных элементов
уменьшается до 0,90 номинальной мощности. Если необходимо провести испытание на
промежуточном напряжении, потребляемая мощность нагревательных элементов
регулируют пропорционально. 11.3. Превышения температуры
обмоток определяют методом сопротивления, за исключением случаев, когда обмотки
неоднородны или затруднительно выполнить соединения, требуемые для измерения
сопротивления. В этом случае измерение проводят при помощи термопар. Превышения температуры измеряют такими
тонкопроволочными термопарами и так выбранными и расположенными, чтобы они
оказывали минимальное воздействие на температуру испытуемой детали. При определении превышения температуры
рукояток, кнопок, ручек и т.п. необходимо учитывать все детали, к которым при
нормальной эксплуатации прикасаются руками, а если они изготовлены из
изоляционных материалов, то и части, которые соприкасаются с горячим металлом. Превышение температуры электрической
изоляции (кроме изоляции обмоток) определяют на поверхности изоляции в местах,
где повреждение может привести к короткому замыканию, контакту между частями
под напряжением и доступными металлическими частями, образованию токопроводящих
мостиков на изоляции или уменьшению путей утечки или воздушных зазоров по
сравнению со значениями, указанными в п. 27.1. в течение номинального периода времени -
для машин с кратковременным режимом работы; при последовательном чередовании
предписанных циклов работы до достижения установившегося теплового режима по ГОСТ
27570.0- для машин с номинальным повторно-кратковременным режимом
работы, причем соблюдают номинальные рабочий период и период отключения или
холостого хода; до достижения установившегося теплового
режима по ГОСТ
27570.0 - для машин с продолжительным режимом работы. 1) определяют превышения температуры обмоток и
магнитопроводов испытанием по п. 11.2; Таблица 2
* Значения, приведенные без скобок,
применяют при использовании метода сопротивлений, а значения, приведенные в
скобках, - при использовании метода термопар. Для обмоток катушек вибраторов и двигателей переменного тока значения
без скобок применяют в обоих случаях. Предпочтительными являются результаты измерений температуры,
полученные методом сопротивления. ** Классы изоляции по ГОСТ
8865. К материалам класса А относятся: пропитанная хлопчатобумажная ткань,
натуральный и искусственный шелк, бумага; эмали на основе масляных или
полиамидных смол. К материалам класса В относятся: асбест, стекловолокно,
меламинформальдегидные и фенолформальдегидные смолы. К материалам класса Е относятся: прессованные материалы с
целлюлозными наполнителями, слоистые материалы из хлопчатобумажной ткани и
бумаги на основе меламинформальдегидной, фенолформальдегидной и
фенолфурфуроловой смолы; полиэфирные смолы сетчатой структуры, пленка из
триацетата целлюлозы, или полиэтилентерефталата; покрытая лаком
полиэтилентерефталатная ткань, пропитанная лаком из алкидной смолы,
модифицированной маслом; эмали на основе поливинилформальдегидных,
полиуретановых или эпоксидных смол. Предельные величины для обмоток, изолированных материалами, не
относящимися к классам изоляции А, Е, В или F, которые должны выдержать испытание по
п. 11.6, не указаны. Эти испытания проводят всегда, если превышение температуры
обмоток и магнитопроводов более 75˚С и возникает сомнение относительно
классификации изоляции обмоток. Двигатели полностью закрытого типа могут иметь превышения
температуры, соответствующие классам А, Е и В, плюс 5 ˚С. Двигатель полностью закрытого типа - это двигатель, у которого
предотвращена циркуляция воздуха между внутренними и внешними частями, при этом
внутренние части не обязательно являются герметичными. ***Буква Т обозначает максимальную рабочую температуру. Для этого испытания выключатели и терморегуляторы, имеющие
индивидуальную маркировку номинальных данных, допускается считать не имеющими
маркировки максимальной рабочей температуры, если на это есть указание
изготовителя машины. *4Резиновая и поливинилхлоридная изоляция по ГОСТ
7399. *5Маркировка относится к шнурам и проводам с
теплостойкой изоляцией. *6Значения в скобках относятся к местам, где рукоятки,
кнопки, ручки и т.п. соприкасаются с горячим металлом. *7Предел для термопластических материалов, которые должны
выдержать испытания по п. 28.1
или 28.2,
не установлен. Для этой цели должно быть определено превышение температуры. *8Повреждение поверхности древесины во внимание не
принимают. При использовании других материалов допускается применять их при
температурах, не превышающих их теплостойкости, определенной опытным путем на
самих материалах. Примечания: 1. Значения, указанные в табл. 2, приведены для температуры окружающей среды, не превышающей 25 ˚С. При эксплуатации допускаются временно более высокие значения температур до 35 ˚С. 2. Значения превышения температуры (∆t) в градусах Цельсия для обмоток рассчитывают по формулам: для медных обмоток
для обмоток из алюминия
где R1 - сопротивление обмотки в начале испытания, Ом; R2 -
сопротивление обмотки в конце испытания, Ом; t1 -
температура воздуха помещения в начале испытания, ˚С; t2 - температура
воздуха помещения в конце испытания, ˚С. В начале испытания температура обмоток
должна быть равна температуре воздуха помещения. 3. Рекомендуется определять сопротивление
обмоток в конце испытания как можно скорее после отключения, а затем через
короткие интервалы таким образом, чтобы можно было построить кривую изменения
сопротивления во времени для определения сопротивления в момент отключения. 2)
испытанные образцы разбирают, насколько это возможно, без повреждения отдельных
частей. Обмотка и магнитопроводы выдерживают в течение 240 ч в камере,
температура которой на (80±1) ˚С выше превышения температуры,
определенного при испытании по п. 11.6,
перечисление 1; 3) образцы собирают и
проверяют на отсутствие межвитковых коротких замыканий, эти замыкания могут
быть обнаружены прибором для испытания обмоток; 4) образцы испытывают по
разд. 15; 5) образцы подвергают
воздействию влаги по п. 14.4;
образцы снова подвергают испытаниям по разд. 15. Считают, что машины не соответствуют
требованиям п. 11.1,
если обнаружатся неисправности более чем в одном образце при одном из испытаний
по пп. 11.6,
перечисления 3-5. Если неисправность обнаружится только у одного образца, при
одном из испытаний, то все испытания по пп. 11.6,
перечисления 1-5 повторяют на другой группе из трех образцов, при этом
повторные испытания должны выдержать все три образца. Примечания. Неисправности, которые могут появиться в изоляции, имеющей превышения температуры не выше допустимых при испытании по п. 11.6, перечисление 1, не учитывают и, в случае необходимости, устраняют для продолжения этого испытания. 12. ТОК УТЕЧКИ
Ток утечки при нормальной эксплуатации не должен быть чрезмерно большим. Проверку проводят непосредственно
после испытания по п. 11.2
измерением тока утечки, который может протекать от любого полюса источника
питания к указанным частям, когда машина работает в условиях по п. 11.2
при напряжении питания, равном 1,06 номинального напряжения. Измеряют ток утечки между любым полюсом
источника питания и: доступными металлическими частями и
металлической фольгой площадью не более 20×10 см, соприкасающейся с
доступными поверхностями изоляционного материала, соединенными между собой; металлическими частями машин класса II, отделенными от токоведущих частей только основной
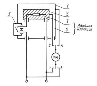
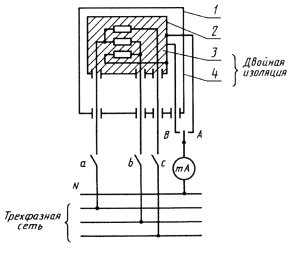
изоляцией. Ток утечки измеряют: для однофазных машин с номинальным
напряжением, не превышающим 250 В: класса II - по
черт. 3, класса I или III - по черт. 4; для трехфазных машин и однофазных
машин с номинальным напряжением, превышающим 250 В: класса II - по
черт. 5, класса I
или III - по
черт. 6. Сопротивление измерительной цепи -
(2000±100) Ом. Если ожидается, что могут возникнуть токи высокой частоты, то
измерительный прибор должен иметь точность не менее 5 % для всех частот в
пределах диапазона от 20 до 5000 Гц, но он не должен быть чувствительным к
более высоким частотам. Для однофазных машин с номинальным
напряжением, не превышающим 250 В, ток утечки измеряют по схемам, приведенным
на черт. 3 и 4 при обоих положениях переключателя (1 и 2). Для других машин ток утечки измеряют
при условии, что выключатели a,
b и с, показанные на черт. 5 и 6, замкнуты. Для
трехфазных машин, не предназначенных для однофазного питания, измерения
повторяют при поочередном отключении одного из выключателей а, b, с и включенном положении двух других выключателей.
Для однофазных машин измерения повторяют с одним из выключателей в разомкнутом
состоянии. После работы машины по п. 11.4 ток утечки не
должен превышать следующих значений: - к доступным металлическим
частям и металлической фольге: для машин класса III -
0,5 мА; » » » Ι
- 0,75 мА; » » » II -
0,25 мА; - к металлическим частям
машин класса II, отделенных от частей
под напряжением только основной изоляцией, в зависимости от степени защиты от
проникновения воды: для обычных машин - 5,0 мА; для брызгозащищенных и
водонепроницаемых машин - 3,5 мА. Если в машину, которая имеет
однополюсный выключатель, встроен один (или более) конденсатор, измерения
повторяют с выключателем, установленным в положение «отключено». Примечания: 1. Предельную частоту 5000 Гц получают, например, посредством присоединения конденсатора емкостью (150±7,5) нФ параллельно активным сопротивлениям измерительной цепи. Измерительная цепь может быть встроена частично или целиком в измерительный прибор. Если применяют прибор с выпрямителем, характеристика выпрямления должна быть линейной от 20 до 10000 Гц при величинах тока св. 0,2 мА, а прибор должен быть калиброван для среднеквадратических значений практически синусоидального тока. Если отсутствуют высокочастотные напряжения, предельная частота измерительного прибора может превышать 5000 Гц. 2. Для машин со встроенными нагревательными элементами общий ток утечки не должен превышать вышеприведенных предельных значений по ГОСТ 27570.0, указанных для нагревательных приборов, в зависимости от того, что больше, но оба предела не должны суммироваться. 3. Рекомендуется подавать питание на машину через разделительный трансформатор, в противном случае машина должна быть изолирована от земли. 4. Металлическая фольга должна занимать возможно большую площадь на испытуемой поверхности без превышения указанных размеров. Если площадь фольги меньше испытуемой поверхности, фольгу передвигают таким образом, чтобы можно было испытать все части поверхности. Металлическая фольга не должна влиять на отвод тепла. 5. Испытание с выключателем в положении «отключено» проводят, чтобы убедиться, что конденсаторы, присоединенные после однополюсного выключателя, не вызовут чрезмерного тока. 13. ПОДАВЛЕНИЕ РАДИО - И
ТЕЛЕПОМЕХ
Элементы помехоподавляющих устройств,
необходимые для обеспечения соответствующей степени подавления радио- и
телепомех, не должны снижать безопасности машины. Проверку проводят испытаниями по
настоящему стандарту. Степень подавления радиопомех считают
достаточной, если их уровень не превышает указанный в нормах СИСПР. 14. ВЛАГОСТОЙКОСТЬ
14.1. Кожух брызгозащищенных и
водонепроницаемых машин должен обеспечивать соответствующую степень защиты от
проникновения воды согласно маркировке машины. Проверку проводят по п. 14.2. Непосредственно после этого испытания
машина должна выдержать испытание на электрическую прочность изоляции по п. 15.3,
а осмотр должен показать, что попавшая внутрь машины вода не может нарушить
соответствия ее требованиям настоящего стандарта и что отсутствуют следы воды
на изоляцию, для которой в п. 27.1
указаны расстояния путей утечки. Машины, у которых при нормальной
эксплуатации не происходит перелива жидкости, должны выдерживаться 24 ч в
нормальной атмосфере испытательного помещения перед испытанием по п. 14.4. 14.2. Электрические элементы,
включая съемные элементы, крышки и другие части, которые могут быть удалены без
применения инструмента, удаляют и, при необходимости, подвергают этому
испытанию вместе с основной частью. Уплотнительные кольца сальников и
другие уплотняющие средства, если таковые имеются, подвергают старению в
атмосфере, имеющей состав и давление окружающего воздуха, путем свободного
подвешивания их в нагревательной камере, вентилируемой естественной
циркуляцией. Они должны находиться в камере при
температуре (70±2) ˚С в течение 240 ч. Непосредственно после этого образцы
вынимают из камеры и оставляют при комнатной температуре, избегая попадания на
них прямого дневного света, в течение не менее 16 ч перед тем, как их снова
вставляют в машину. Сальники и другие уплотняющие устройства затягивают
вращающим моментом, равным 2/3 момента, указанного в п. 26.1. Примечания Рекомендуется использовать камеру с электронагревом. Естественная циркуляция воздуха может быть обеспечена отверстиями в стенах камеры. Испытания проводят следующим образом: 1) брызгозащищенные машины
подвергают в течение 5 мин действию искусственного дождя с интенсивностью 3
мм/мин, падающего вертикально с высоты 2 м, считая от верхней части машины,
причем машину постоянно поворачивают в наиболее неблагоприятные положения. При
проведении испытания используют установку, приведенную на черт. 7; 2) водонепроницаемые машины
погружают на 24 ч в воду температурой (20±5) ˚С таким образом, чтобы
верхняя часть машины находилась на 0,05 м ниже уровня воды. 14.3. Машины, у которых при нормальной
эксплуатации возможен перелив жидкости, должны быть сконструированы таким
образом, чтобы это не оказывало влияния на их электрическую изоляцию. Проверку проводят следующим
испытанием. Машины со штепсельным разъемом
снабжают соответствующим соединителем и гибким кабелем или шнуром, другие
машины с заменимыми шнурами гибким кабелем или шнуром самого легкого типа с
минимальным сечением проводов по п. 24.2. Сосуд для жидкости машины полностью
наполняют водой, затем добавляют постепенно в течение 1 мин воду в количестве,
равном 15 % емкости сосуда. Непосредственно после этого машина
должна быть испытана на электрическую прочность изоляции по п. 15.3. Перед испытанием по п. 14.4
машина должна находиться в течение 24 ч в нормальной атмосфере испытательного
помещения. 14.4.
Машины
должны быть влагостойкими при влажности, которая может иметь место в условиях
нормальной эксплуатации. Проверку проводят влажной обработкой
(за которой сразу же следуют испытания по разд. 15) следующим образом. Отверстия для вводов кабелей, если
таковые имеются, оставляют открытыми. Если имеются заглушённые отверстия, то
одно из них открывают. Электрические элементы, в том числе
съемные нагревательные элементы, крышки и другие части, которые могут быть
удалены без применения инструмента, удаляют и, если необходимо, подвергают
влажной обработке вместе с основной частью. Испытание проводят в камере влажности,
где воздух имеет относительную влажность (93±2) %. Температуру воздуха во всех
местах, где можно поместить образцы, поддерживают в пределах 1 ˚C любого соответствующего значения температуры t между 20 и 30˚С. Перед помещением образца в камеру
влажности его выдерживают при температуре от t до (t+4)
˚C. Образец выдерживают в камере: 48 ч - для обычных машин; 168 ч - для
брызгозащищенных и водонепроницаемых машин. Примечания: 1. В большинстве случаев образец может быть приведен к установленной температуре путем выдерживания его при этой температуре не менее 4 ч перед испытанием на влагостойкость. 2. Относительную влажность (93±2) % можно создать, помещая в камеру насыщенный раствор сернокислого натрия (Na2SO4) или азотнокислого калия (KNO3) в воду с достаточно большой поверхностью соприкосновения с воздухом. 3. Для достижения требуемых условий в камере следует обеспечить постоянную циркуляцию воздуха и использовать камеру с тепловой изоляцией. После этого испытания машина не должна
иметь повреждений, которые приводят к отступлению от требований настоящего
стандарта. 15. СОПРОТИВЛЕНИЕ
ИЗОЛЯЦИИ И ЭЛЕКТРИЧЕСКАЯ ПРОЧНОСТЬ
15.1. Машины должны
иметь достаточное сопротивление изоляции и электрическую прочность. Проверку проводят испытаниями по пп. 15.2
и 15.3, осуществляемыми на холодной машине, непосредственно после испытания по
п. 14.4 в камере влажности или в помещении, в котором образец был доведен до
установленной температуры, после повторной сборки тех частей, которые ранее
были удалены. 15.2. Сопротивление
изоляции измеряют напряжением постоянного тока порядка 500 B через 60 с после
подведения напряжения, при этом нагревательные элементы, если таковые имеются,
должны быть отключены. Сопротивление изоляции должно быть не
менее приведенного в табл. 3. Таблица 3
Таблица 4
Примечания: 1. Если отдельное испытание основной и дополнительной изоляции невозможно без демонтажа машин, используют дополнительный образец, который подвергают испытанию по настоящему пункту после проведения демонтажа. 2. Испытание между частями под напряжением различной полярности проводят только в случае, если можно осуществить необходимые рассоединения без повреждения машины. 3. Испытание не проводят между контактами выключателей с микрозазорами пусковых выключателей, реле, терморегуляторов, термовыключателей и т.п., а также по отношению к изоляции конденсаторов, включенных между частями под напряжением различной полярности. Первоначально подают не более половины заданного напряжения, затем его быстро повышают до полного значения. Во время испытания не должен происходить
пробой или перекрытие по изоляции. Примечания: 1. Необходимо обеспечить такое расположение металлической фольги, чтобы на ее краях не происходило перекрытия. 2. Для машин класса II, имеющих усиленную и двойную изоляцию, необходимо следить за тем, чтобы напряжение, подводимое к усиленной изоляции, не перегружало основную или дополнительную изоляцию. 3. При испытании изоляционных барьеров металлическая фольга может быть прижата к изоляции при помощи мешка с песком, чтобы давление составляло около 5 кПа. Испытание может быть ограничено в местах, в которых предполагается ослабление изоляции (например, где под изоляцией расположены острые металлические кромки). 4. При возможности, изоляционные покрытия испытывают отдельно. 5. Трансформатор высокого напряжения, применяемый при испытании, должен быть таким, чтобы при закороченных выходных зажимах, после регулировки выходного напряжения до достижения соответствующего испытательного значения напряжения, выходной ток составлял не менее 200 мА. Реле максимального тока, включенное в
цепь, не должно срабатывать от выхода тока менее 100 мА. 16. НАДЕЖНОСТЬ
16.1. Машины должны быть
сконструированы таким образом, чтобы при эксплуатации в нормальных условиях не
возникали электрические или механические неисправности, нарушающие соответствие
машины требованиям настоящего стандарта. Изоляция не должна иметь повреждений,
а контакты и соединения не должны ослабляться вследствие нагревания, вибрации и
т. д. Устройства защиты от перегрузок не должны
срабатывать при нормальных условиях эксплуатации. Проверку проводят испытаниями по п.
16.2, а для машин, снабженных центробежным или другим автоматическим пусковым
выключателем, - также испытанием по п. 16.3. Непосредственно после этих испытаний
машина должна выдержать испытание на электрическую прочность изоляции по п. 15.3,
причем испытательные напряжения должны быть снижены до 75 % от указанных
значений. Соединения не должны ослабляться и не
должны появляться повреждения, снижающие безопасность при нормальной
эксплуатации. 16.2. Машина должна
проработать на холостом ходу при повторно-кратковременном режиме работы в
течение 24 ч и напряжении, равном 1,1 номинального напряжения, а затем в
течение 24 ч при напряжении, равном 0,9 номинального напряжения. Каждый рабочий цикл состоит из периода
положения «включено» в течение 100 с и периода положения «отключено» в течение
20 с, причем период положения «отключено» включают в предписанное время работы. Рабочий период для машин с кратковременным
или повторно-кратковременным режимом работы должен равняться продолжительности
работы, ограниченной конструкцией машины. В противном случае он должен
соответствовать значениям, указанным в стандартах на машины конкретных видов
или маркировке, в зависимости от того, что является более неблагоприятным. Во время испытания машину ставят в три
различные положения. Время функционирования при каждом испытательном напряжении
равняется приблизительно 8 ч для каждого положения. Если превышение температуры любой части
машины больше превышения температуры, измеренной во время испытания по п. 11.1,
то предусматривают принудительное охлаждение или периоды отдыха, которые не
включают в указанное время работы. Во время этих испытаний защитные устройства от перегрузок не должны срабатывать. Примечания: 1. Допускается включение и отключение машины проводить другим выключателем, отличным от встроенного в машину. 2. Изменение положения необходимо для предотвращения ненормального накопления угольной пыли в отдельных частях машины. Машину в общем случае устанавливают горизонтально, вертикально вверх и вниз. 3. Во время испытания допускается замена щеток, а смазку производят так же, как и в условиях нормальной эксплуатации. 16.3.
Машину с центробежным или другим
автоматическим пусковым выключателем запускают 10000 раз при нормальной
нагрузке и напряжении, равном 0,9 номинального напряжения; рабочий цикл должен
соответствовать указанному в п. 16.2. 17. НЕНОРМАЛЬНЫЙ РЕЖИМ
РАБОТЫ
17.1. Исполнение машины должно
быть таким, чтобы опасность возникновения пожара, механической травмы или
поражения электрическим током в результате ненормальной работы или небрежного
обращения с машиной были сведены к минимуму. Проверку проводят испытанием, при
котором нагревательные элементы, если они есть, отсоединяют. Машины со встроенными сервисными
электродвигателями должны работать при напряжении, равном 1,3 номинального
напряжения, в течение 1 мин на холостом ходу. После испытания обмотки и соединения
не должны быть ослаблены, а машина должна быть годной для эксплуатации. Примечания. Плавкие предохранители, термовыключатели, реле максимального тока и подобные устройства, встроенные в машину, можно использовать для обеспечения необходимой защиты от пожара. Если такое устройство сработает во время испытания продолжительностью 1 мин, считают, что машина соответствует требованию. 17.2. Машина со встроенными
электронными устройствами должна быть изготовлена таким образом, чтобы в случае
возникновения неисправности, скорость ее не возросла до опасных пределов. Машину проверяют включением в течение
1 мин на напряжение, равное 1,3 номинального напряжения, на холостом ходу. Это испытание повторяют с короткозамкнутым
электронным устройством и еще раз с разомкнутым электронным устройством. Во время испытания в машине не должны
возникать повреждения, которые приводят к отступлению от требований настоящего
стандарта. Примечания Если в машину встроено устройство для ограничения скорости при отказе электронного устройства, то считают результат испытания удовлетворительным, если это устройство сработает во время испытания. 17.3. Переключатели или другие
устройства реверсирования двигателя машины должны выдержать нагрузки,
возникающие при изменении направления вращения на ходу, если такое изменение
является возможным при нормальной эксплуатации. Проверку проводят следующим
испытанием. Машину пускают в ход при напряжении, равном номинальному или верхнему пределу диапазона номинальных напряжений на холостом ходу, при этом устройство реверсирования направления вращения находится в положении, при котором ротор вращается с максимальной скоростью. После этого устройство реверсирования ставят в положение, при котором направление вращения реверсируется без задержки в промежуточном положении «отключено». Эту последовательность срабатывания
повторяют 25 раз. Во время испытания не должны
появляться электрические или механические повреждения устройства, а также
обгорание или точечная эрозия его контактов. После испытания в машине не должны
возникать повреждения, приводящие к отступлению от требований настоящего
стандарта. 18. МЕХАНИЧЕСКАЯ
БЕЗОПАСНОСТЬ
Движущиеся части машины должны быть,
насколько это совместимо с применением и работой машины, расположены или
ограждены так, чтобы при нормальной эксплуатации обеспечивалась соответствующая
защита людей от травм. Защитные оболочки, кожухи и подобные
устройства должны быть прочными. Конструкция этих деталей должна исключать
возможность удаления их без применения инструмента, если это удаление не
является необходимым при нормальной эксплуатации, что должно быть указано в
стандартах на машины конкретных видов. Проверку проводят осмотром,
испытаниями по разд. 19 и стандартным испытательным пальцем по черт. 1, но
имеющим круглую ограничительную пластинку диаметром 50 мм вместо некруглой
пластинки. Не допускаются соприкосновения
испытательного пальца через вентиляционные отверстия с опасными движущимися
частями. 19. МЕХАНИЧЕСКАЯ
ПРОЧНОСТЬ
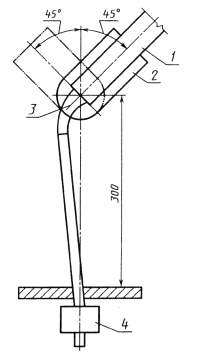
Проверку проводят ударами по образцу
при помощи пружинного ударного устройства, приведенного на черт. 8. Пружинный прибор состоит из трех
частей: корпуса, ударного элемента и подпружиненного спускового конуса. Корпус состоит из кожуха, направляющей
ударного элемента, спускового механизма и всех жестко закрепленных в корпусе
частей. Масса этого узла - 1250 г. Ударный элемент состоит из головки
ударника, стержня ударника и натяжной кнопки. Масса ударного элемента - 250 г. Головка ударника имеет полусферическую
переднюю часть из полиамида с твердостью по Роквеллу R 100 радиусом 10 мм. Она прикреплена к стержню
ударника таким образом, чтобы расстояние между ее лобовой частью и лобовой
плоскостью передней части конуса, когда ударный элемент находится в положении
спутника, было равно значению, указанному в табл. 5, графа «сжатие». Масса конуса - 60 г. Пружина конуса создает усилие 20 Н в
момент, когда зажимы спускового механизма отпускают ударный элемент. Пружины спускового механизма должны
быть отрегулированы на минимальное давление, необходимое лишь для удержания
зажимов спускового механизма в состоянии зацепления. Сила, необходимая для
освобождения ударного элемента, не должна превышать 10 Н. Конфигурация стержня
ударника, ударной головки и средства регулировки ударной пружины должна быть
такой, чтобы ударная пружина могла освободить всю накопленную энергию,
приблизительно 1 мм не доходя лобовой частью ударника (ударной головки) до
плоскости удара. Пружину ударника настраивают таким
образом, чтобы ее сжатие и энергия удара, наносимого ударником, соответствовали
указанным в табл. 5. Таблица 5
Ударный механизм взводят
путем отвода кнопки до тех пор, пока зажимы спускового механизма не войдут в
соответствующий паз стержня ударника. Удары наносят по образцу нажатием
спускового конуса в направлении, перпендикулярном поверхности в испытуемой
точке. Давление постепенно увеличивают так,
чтобы конус перемещался назад до тех пор, пока он не коснется размыкающих стержней
спускового механизма, которые включают спусковой механизм и освобождают ударник
для нанесения удара. Образец закрепляют жестко и наносят по
три удара в каждое место, которое считают наиболее слабым. Если необходимо, удары наносят также по
ручкам, рычагам, кнопкам и т. д. 19.2. Машину подвергают испытанию
на удар о стальную плиту толщиной 5 мм, закрепленную вертикально на твердой
стене, как указано на черт. 9. Машины, снабженные несъемным гибким
кабелем или шнуром, подвешивают за кабель или шнур так, чтобы центр тяжести был
на 1 м ниже точки подвеса. Машину со встроенным штепсельным
разъемом подвешивают с помощью бечевки, закрепленной на рукоятке. Машину отклоняют в вертикальной
плоскости, перпендикулярной стальной плите, до тех пор, пока при натянутом шнуре
или бечевке ее центр тяжести не поднимется на 0,5 м выше начального положения,
измеренного по вертикали. После этого машину отпускают, и она свободно падает
на стальную плиту. Испытание повторяют четыре раза, при
этом каждый раз положение машины меняют. После испытаний по пп. 19.1 и 19.2
образец не должен иметь повреждений, а части под напряжением не должны быть
доступными настолько, чтобы привести к нарушению требований пп. 8.1,
15.1,
15.2
и 27.1.
В случае возникновения сомнений, дополнительную или усиленную изоляцию подвергают
испытанию на электрическую прочность по п. 15.3
(но при 75
% от указанных значений испытательного напряжения). Примечания: 1. Повреждения покрытий, небольшие вдавливания, не вызывающие уменьшения путей утечки и воздушных зазоров ниже значений, указанных в п. 27.1, а также небольшие поломки, не оказывающие неблагоприятного влияния на защиту от поражения электрическим током или проникновения воды, не принимают во внимание. 2. Трещины, не видимые невооруженным глазом, и поверхностные трещины в прессованных материалах, армированных волокнистым материалом, и т.п., не принимают во внимание. 3. Если поверх внутреннего кожуха имеется еще декоративный кожух, то его растрескивание не принимают во внимание, если внутренний кожух выдерживает испытание после снятия декоративного. 19.3.
Щеткодержатели и их колпачки должны обладать достаточной механической
прочностью. Проверку проводят осмотром,
а в сомнительных случаях и посредством снятия и установки щеток десять раз, при
этом приложенный крутящий момент для затягивания колпачков щеткодержателей
должен соответствовать значениям, указанным в табл. 6. Таблица 6
После испытания
щеткодержатель не должен иметь повреждений, мешающих его дальнейшему
применению. Резьба, если таковая имеется, не должна быть повреждена, а на
колпачке не должно быть трещин. Примечания: 1. Ширина лезвия испытательной отвертки может быть большей, но не превышающей длину шлица в колпачке. Если диаметр резьбы меньше длины шлица, ширина лезвия не должна превышать этого диаметра. 2. Крутящий момент прикладывают без рывков. 20. КОНСТРУКЦИЯ
20.1. Машины, которые можно
устанавливать на различные напряжения или скорости вращения, должны иметь такую
конструкцию, чтобы не происходило случайного изменения уставки, если это может
привести к возникновению опасности. Проверку проводят внешним осмотром и
ручным опробованием. 20.2. Машины должны быть
исполнены таким образом, чтобы случайное изменение уставки регулирующих
устройств не было возможным. Проверку проводят ручным опробованием. 20.3. Удаление частей,
обеспечивающих требуемую степень защиты от проникновения воды, должно быть
невозможным без применения инструмента. Проверку проводят ручным опробованием. 20.4. Если рукоятки и ручки
используют для указания положения выключателей или подобных устройств, должна
исключаться возможность установки их в неправильное положение. Проверку проводят внешним осмотром и
ручным опробованием. 20.5. Комплектующие изделия,
замена которых может оказаться необходимой (например, выключатели и
конденсаторы), должны быть закреплены таким способом, чтобы их замена не
вызывала затруднения. Проверку проводят внешним осмотром и,
при необходимости, ручным опробованием. Примечания: 1. Требование считают выполненным, если комплектующие изделия являются частью узла, прикрепленного соответствующим способом. 2. Крепление пайкой или втычное допускается только для небольших резисторов, конденсаторов, катушек индуктивности, если эти детали могут быть соответствующим образом закреплены при помощи собственных средств присоединения. Крепление заклепками не допускается. Допускается крепление скобами или соответствующим оформлением кожуха, создающим углубление, которое фиксирует изделие. 20.6. Если замена гибкого
кабеля или шнура требует временного перемещения выключателя, который содержит
клеммы для наружных проводников, то она должна быть возможной при условии, что
внутренняя проводка не подвергается недопустимому натяжению. После установки
выключателя в начальное положение и перед окончательной сборкой машины следует
обеспечить возможность проверки правильного положения внутренней проводки. Проверку проводят осмотром и ручным
опробованием. 20.7. Древесина,
хлопчатобумажные материалы, шелк, обычная бумага и подобные волокнистые или
гигроскопические материалы могут быть применены в качестве изоляции только в
пропитанном состоянии или если они преобразованы химическим путем как
неволокнистые. Примечания: 1. В данном случае асбест рассматривают как волокнистый материал. 2. Изоляционный материал считают пропитанным, если промежутки между волокнами практически заполнены подходящим изоляционным материалом. Приводные ремни не обеспечивают
электрической изоляции. Проверку проводят внешним осмотром. 20.8. Усиленная изоляция
должна применяться только в случаях, когда отдельное применение основной и
дополнительной изоляций практически невозможно. Проверку проводят внешним осмотром. Примечания. Штепсельные разъемы машин, выключатели, щеткодержатели и обмотки якорей на валах являются примерами, когда можно применить усиленную изоляцию. 20.9. Изоляционные барьеры
машин класса II и части машин этого класса,
которые служат дополнительной или усиленной изоляцией и которые могут быть
опущены во время повторной сборки после текущего обслуживания, должны быть: закреплены так, чтобы не могли быть
удалены без серьезного повреждения; изготовлены так, чтобы не могли быть
установлены в неправильном положении, в противном случае машина будет
неработоспособной или очевидно неукомплектованной. Проверку проводят внешним
осмотром и ручным опробованием Примечания: 1. Текущее обслуживание включает в себя замену несъемных гибких кабелей или шнуров, выключателей, за исключением машин сменного типа. 2. Требование считают выполненным, если барьеры закреплены таким образом, что их можно удалить только разрезанием или разрывом. Крепление заклепками допускается в случаях, если их не снимают при замене щеток, конденсаторов, выключателей, несъемных гибких кабелей или шнуров и подобных частей. Крепление приклеиванием допустимо, если механические свойства соединения эквивалентны барьерам. 3. Внутреннюю облицовку из изоляционного материала или подходящее внутреннее изоляционное покрытие металлических кожухов считают изоляционными барьерами, если они не могут быть легко удалены соскабливанием. Для машин класса II гибкую изоляционную трубку на изолированном проводе
внутренних соединений считают достаточной изоляционной преградой, если ее можно
удалить только разрезанием или разрывом или если она прикреплена с обоих
концов. 20.10. Внутри машины оболочку
гибкого кабеля или шнура следует применять как дополнительную или усиленную
изоляцию только там, где она не подвержена чрезмерным механическим и тепловым
воздействиям. 20.11. Любой монтажный зазор
шириной более 0,3 мм в дополнительной изоляции не должен совпадать с любым
таким зазором в основной изоляции. Любой такой же зазор в усиленной изоляции не
должен открывать прямолинейного доступа к частям, находящимся под напряжением. Проверку проводят внешним осмотром и
измерением. 20.12. Машины класса I должны быть изготовлены так, чтобы в случае
ослабления провода, винта, гайки, шайбы, пружины или подобной детали или
выпадения они не могли занять положения, при котором доступная металлическая
часть попала бы под напряжение. Машины класса II должны быть изготовлены так, чтобы в случае
ослабления или выпадения из занимаемого положения детали, она не могла занять
положения, при котором пути утечки и воздушные зазоры до дополнительной или
усиленной изоляции снизились бы до значения менее 50 % от установленного в п. 27.1.
Машины класса II, за исключением машин с
изоляционным кожухом, должны быть снабжены изоляционным барьером между доступными
металлическими частями, электродвигателем и остальными частями, находящимися
под напряжением. Проверку проводят внешним осмотром,
измерением и ручным опробованием. Примечания: 1. У машин класса I это требование может быть соблюдено при помощи разделительных изоляционных барьеров или соответствующего закрепления деталей и обеспечения достаточных путей утечки и воздушных зазоров. 2. Одновременное ослабление или выпадение двух независимых деталей считают практически невозможным. Для электрических соединений пружинные шайбы не считаются достаточными для предохранения частей от ослабления. Считают вероятным освобождение проводов от зажимов присоединения или пайки, если они не закреплены в месте, близком к зажиму или пайке способом, независимым от присоединения к зажиму или пайки. Считают маловероятным, что короткие жесткие провода могут выпасть из зажима, если они сохраняют свое положение после ослабления зажимного винта. 20.13. Дополнительная и
усиленная изоляция должны быть изготовлены или защищены таким образом, чтобы их
качество не ухудшалось под воздействием загрязнения или пыли, выделяющейся от
частей машины, до такой степени, чтобы пути утечки и воздушные зазоры не
становились ниже указанных в п. 27.1. Детали из натуральной или синтетической
резины, используемые в качестве дополнительной изоляции машин класса II, должны быть устойчивы к старению, расположены таким
образом и иметь такие размеры, чтобы величины путей утечки не становились ниже
указанных в п. 27.1,
даже при появлении трещин. Проверку проводят внешним осмотром и
измерением, а для деталей из натуральной или синтетической резины - следующим
испытанием. Детали из резины подвергают старению в
атмосфере кислорода под давлением. Образцы свободно подвешивают в
кислородном баллоне, причем полезная емкость баллона должна быть равна не менее
чем 10-кратному объему образцов. Баллон заполняют техническим кислородом
чистотой не менее 97 % под давлением (2,1+0,07) МПа, [(210+7) Н/см2]. Образцы выдерживают в баллоне при
температуре (70+1) ˚С в течение 96 ч. После этого их вынимают из баллона и
выдерживают не менее 16 ч при комнатной температуре, не допуская попадания на
них прямого дневного света. После испытания образцы подвергают
внешнему осмотру. На образцах не должно быть трещин, видимых невооруженным
глазом. Примечания: 1. Для материалов, кроме резины, в сомнительных случаях могут быть проведены специальные испытания. 2. При проведении испытаний в кислородном баллоне должны быть приняты меры предосторожности во избежание взрыва. 20.14. Машины должны быть
сконструированы таким образом, чтобы внутренняя проводка, обмотки, коллекторы,
контактные кольца и другие подобные детали, а также изоляция в целом не
подвергались воздействию масла, смазки и других подобных веществ, за
исключением случаев, когда конструкция предполагает воздействие смазки на
изоляцию (например, в редукторах). В этом случае масло или смазки должны
обладать достаточными изоляционными свойствами. Свойства применяемых смазочных
материалов должны быть указаны в инструкции по эксплуатации. Проверку проводят внешним осмотром. Примечания: 1. Доступ масла, смазки и подобных веществ ко внутренней проводке, обмоткам, коллекторам, контактным кольцам, а также к изоляции в целом допускается при условии, что эти вещества не оказывают вредного воздействия на данные части. 2. Изоляционные свойства смазки проверяют испытанием по п. 15.3. 20.15. Доступ к щеткам без
применения инструмента не должен быть возможным. Щеткодержатели, удерживающие щетки в
нужном положении при помощи запирающего устройства, должны быть сконструированы
так, чтобы запирание не зависела от натяжения пружины щетки, если ослабление
запирающего устройства может привести к тому, что доступные металлические части
окажутся под напряжением. Винтовые колпачки щеткодержателей,
доступные с внешней стороны машины, должны быть изготовлены из изоляционного
материала или покрыты изоляционным материалом соответствующей электрической и
механической прочности. Они не должны выступать за наружную поверхность машины. Проверку проводят внешним осмотром и
ручным опробованием, а свойства изоляционных материалов проверяют испытаниями: по пп. 19.1
и 19.3
- для винтовых колпачков щеткодержателей, доступных с внешней стороны машины; указанными для дополнительной изоляции у
машин класса I и III; указанными для усиленной изоляции у машин
класса ΙΙ. 20.16. Устройства для
подавления радио- и телепомех должны быть расположены в машине так, чтобы они
были соответствующим образом защищены от механического повреждения. Проверку проводят внешним осмотром и
испытанием по п. 19.1. Примечания Устройства для подавления радио - и телепомех могут быть встроенными в кожух машины или прочный корпус, жестко прикрепленный к машине. При конструировании машины следует предусмотреть необходимое пространство для расположения этих устройств. В случае необходимости использования машины с более низким уровнем радиопомех, возможно потребуется применение дополнительных устройств для подавления радиопомех. В этом случае допускается встраивание дополнительных устройств для устранения помех в кабель или штепсельную вилку. Рекомендуется при конструировании машин учесть возможную необходимость в дополнительных средствах для подавления помех, предусмотрев подходящее место для их расположения нормальным образом. 20.17. Машины, в конструкции
которых предусмотрен подвод воды, должны быть класса III или исполнены для эксплуатации вместе с разделительным
трансформатором с номинальным вторичным напряжением не более 115 В. Проверку требования проводят внешним
осмотром. 20.18. Выключатели следует
располагать таким образом, чтобы исключалась возможность их случайного
включения. Проверку проводят внешним осмотром и
испытанием, при котором машину ставят в любом возможном положении на
горизонтальную подставку. Выключатель не должен срабатывать случайно. 20.19. Машины, за исключением
машин, имеющих гибкий вал, должны быть снабжены сетевым выключателем, который
потребитель мог бы выключить, не ослабляя захвата машины руками. Проверку проводят внешним осмотром и
ручным опробованием. Примечания. Требование считают выполненным, если у выключателя имеется такое стопорящее устройство (например, фиксирующая кнопка), которое выключается автоматически при нажатии на курок или другую приводную часть выключателя. Если в стандартах на машины конкретных
видов нет других указаний, дистанционное управление не допускается. 20.20. Машины должны быть
изготовлены таким образом, чтобы защита от поражения электрическим током не
ухудшалась, если винты, снимаемые с наружной стороны машины при текущем
обслуживании, заменяются более длинными. Проверку проводят путем вставления
более длинных винтов, которые завинчиваются без значительного усилия. После завинчивания пути утечки и
воздушные зазоры между частями, находящимися под напряжением, и доступными
металлическими частями не должны быть ниже указанных в п. 27.1. 21. ВНУТРЕННЯЯ ПРОВОДКА
21.1. Каналы для проводов
должны быть гладкими, без острых кромок. Провода должны быть защищены таким образом,
чтобы не соприкасались с заусенцами, охладительными ребрами и т.п., которые
могут быть причиной повреждения их изоляции. Отверстия в металле, через которые
проходит изолированный провод, должны иметь или втулку из изоляционного
материала, или гладкую закругленную поверхность. Проводка должна быть надежно защищена от
соприкосновения с движущимися частями эффективным способом. Проверку проводят осмотром. Примечания. Считают, что радиус закругления 1,5 мм обеспечивает гладкую закругленную поверхность. 21.2. Внутренняя проводка и
электрические соединения между различными частями машины должны быть в
достаточной степени защищены или закрыты. Проверку проводят осмотром. 21.3. Внутренняя проводка
должна быть или достаточно жесткой и хорошо закрепленной, или изолированной
таким образом, чтобы при нормальной эксплуатации пути утечки и воздушные зазоры
не становились ниже указанных в п. 27.1. Изоляция, если она имеется, не должна
повреждаться в условиях нормальной эксплуатации. Проверку проводят осмотром, измерением
и ручным опробованием. Примечания. Если изоляция провода электрически не эквивалентна по крайней мере изоляции гибких шнуров и проводов по ГОСТ 7399, то провод считают неизолированным. В сомнительных случаях проводят испытание на электрическую прочность напряжением 2000 В, приложенным между проводом и металлической фольгой, обернутой вокруг изоляции при условиях по ГОСТ 7399. Для машин классов I и II
непосредственный контакт между изоляцией внутренней проводки только с основной
изоляцией и доступными металлическими частями должен быть эффективно
предотвращен. Допускается для машин класса I непосредственный контакт между изоляцией провода и
доступными металлическими частями, если изоляция провода толщиной не менее 0,8
мм. Примечания. Для предотвращения этого контакта допускается применять изоляционные трубки, если они соответствуют требованиям к дополнительной изоляции и не могут быть потеряны при проведении текущего обслуживания. 21.4. Провода, обозначенные
комбинацией желто-зеленого цвета, не должны присоединяться к другим зажимам,
кроме защитных зажимов. Проверку проводят осмотром. 21.5. Изолированные провода,
которые при нормальной эксплуатации подвержены воздействию температуры,
превышающей 50 ˚C, должны иметь
изоляцию из теплостойкого материала, если соответствие настоящему стандарту
может быть нарушено из-за ухудшения качества изоляции. Проверку проводят осмотром. Превышение
температуры определяют испытанием по п. 11.2. 21.6. Алюминиевые провода не
должны использоваться для внутренней проводки. Примечания Обмотки двигателей не считают внутренней проводкой. 22. КОМПЛЕКТУЮЩИЕ
ИЗДЕЛИЯ
22.1. Комплектующие изделия должны соответствовать требованиям по
безопасности соответствующих стандартов, если возможно их целесообразное
применение для данных целей. Если на комплектующих изделиях указаны их
рабочие характеристики, то условия эксплуатации их в машине должны
соответствовать этим данным. На конденсаторах, соединенных последовательно
с обмоткой двигателя, должны быть указаны их номинальное напряжение в вольтах и
номинальная емкость в микрофарадах. Примечания. В случае отсутствия специального стандарта на термовыключатели и устройства защиты от перегрузок, последние должны соответствовать требованиям приложения A к настоящему стандарту. Проверку проводят испытаниями,
предусмотренными стандартом на комплектующее изделие. Сначала проверяют соответствие маркировки
комплектующих изделий, обозначенных номинальными данными, в условиях, которые
могут возникнуть при эксплуатации машины. Затем комплектующие изделия
испытывают в соответствии с их маркировкой, при этом число образцов выбирают по
соответствующим стандартам. Если на комплектующее изделие
отсутствует стандарт или на комплектующем изделии не приведено обозначение, или
условия эксплуатации не соответствуют данному обозначению, то его испытывают в
условиях работы машины, причем число испытуемых образцов выбирают в
соответствии со стандартом на аналогичное изделие. Для конденсаторов, соединенных
последовательно с обмоткой двигателя, проверяют, чтобы напряжение на
конденсаторе не превышало 1,1 номинального напряжения конденсаторов в случае
работы машины при 1,1 номинального напряжения и минимальной нагрузке. Комплектующие изделия, не
маркированные индивидуальными номинальными данными, испытывают в условиях,
возникающих при использовании машины, при этом число образцов выбирают по
соответствующим стандартам. Примечания: 1. Комплектующие изделия, встроенные в машину, подвергают всем испытаниям на соответствие требованиям настоящего стандарта как часть машины. 2. Соответствие требованиям соответствующих стандартов не означает, что обеспечивается выполнение требований настоящего стандарта. 22.2. Сетевые выключатели
должны обладать соответствующей коммутационной способностью и должны быть
рассчитаны на частую коммутацию. Проверку проводят внешним осмотром и
следующим испытанием. Сетевые выключатели испытывают
совместно с машиной при номинальном напряжении или верхнем пределе диапазона
номинальных напряжений машины. Затем электродвигатель застопоривают,
а выключатель включают 50 раз, причем каждый период положения «включено» должен
иметь продолжительность не более 0,5 с, а каждый период положения «отключено» -
продолжительность не менее 10 с. Если при нормальной эксплуатации
электронное регулирующее устройство выключает ток перед размыканием главных
контактов, число циклов уменьшают до 5 при короткозамкнутом электронном регулирующем
устройстве. Во время испытания не должны
возникнуть: продолжительное горение дуги; чрезмерное обгорание; точечная эрозия или сварка контактов; электрические или механические
повреждения. Сетевые выключатели, маркированные
индивидуальными номинальными данными, испытывают по ГОСТ
25516*. Сетевые выключатели, не маркированные
индивидуальными номинальными данными, испытывают по ГОСТ
25516, причем ток Ιм соответствует значению тока машины, когда она работает при нормальной
нагрузке. При этом значение тока при испытаниях
выключателей на разрывную мощность должно приниматься равным 6 Ιм
при включении и 3 Ιм
- при выключении, а для испытаний при
нормальной работе - 5 Ιм - при включении и Ιм - при выключении; коэффициент мощности во всех случаях равен 1. 22.3. Машины не должны иметь сетевых
выключателей с контактным зазором меньше 3 мм, а также выключателей,
установленных на гибком кабеле или шнуре. 22.4. Устройства для защиты от
перегрузок должны быть без самовозврата. Проверку на соответствие
требованиям пп. 22.3 и 22.4 проводят внешним осмотром. 22.5. Штепсельные вилки и
розетки для цепей безопасного сверхнизкого напряжения или для частот св. 60 Гц
не должны быть взаимозаменяемыми со штепсельными вилками и розетками питающей
сети промышленной частоты. *На территории Российской Федерации действует ГОСТ Р МЭК 61058.1-2000 (здесь и далее). 22.6. Штепсельные соединители гибких
кабелей и шнуров для промежуточных соединений различных частей машины не должны
быть взаимозаменяемыми со штепсельными соединителями питающей сети промышленной
частоты, если непосредственное питание этих частей от сети может быть опасным
для людей и окружающей среды или вызывать повреждение машины. Проверку на соответствие требованиям
пп. 22.5 и 22.6 проводят внешним осмотром и ручным опробованием. 22.7. Конденсаторы не должны включаться
между контактами термовыключателей. Проверку проводят осмотром. 22.8. Комплектующие изделия
для основного подавления радиопомех не должны быть встроены в штепсельную
вилку. Штепсельные вилки со встроенными
устройствами для дополнительного подавления радиопомех и устройства для защиты
от перегрузки не должны вызывать слишком большой нагрузки штепсельных розеток. 22.9. Катушки индуктивности
для подавления радиопомех, включенные в защитную цепь, не должны чрезмерно
нагреваться в условиях нормальной эксплуатации и должны выдерживать токи
короткого замыкания, возникающие при повреждении изоляции. Проверку проводят следующим
испытанием. Катушку индуктивности нагружают в
течение 1 ч током 19 A, после
чего перегрев катушки индуктивности и частей вблизи нее не должен превышать
более чем в 1,7раз допустимых значений, указанных в п. 11.5. Катушки индуктивности потом
подсоединяют к источнику переменного тока напряжением 250 B, защищенным предохранителем 10 A, после чего машину коротко замыкают на защитную цепь. После испытания катушка индуктивности
не должна иметь повреждений, отрицательно влияющих на ее дальнейшее применение. 23. ПОДКЛЮЧЕНИЕ К СЕТИ И
ВНЕШНИЕ ГИБКИЕ КАБЕЛИ И ШНУРЫ
23.1. Способы соединения типов
Y и Z не должны
применяться. 23.2. Обычные машины должны
быть снабжены либо несъемным питающим шнуром соединения типа X, либо соединения типа М, либо штепсельным разъемом. Брызгозащищенные машины должны быть
снабжены либо несъемным питающим шнуром соединения типа X или М, либо штепсельным разъемом, если это допускается
соответствующим стандартом для машин конкретных видов. Другие машины должны быть снабжены
несъемным питающим шнуром соединения типа X или М. Не должна быть возможной легкая замена
шнура питания соединения типа М на тип X. При применении штепсельного разъема его
следует располагать таким образом, чтобы присоединение осуществлялось без
затруднений. Штепсельный разъем должен быть расположен
и защищен таким образом, чтобы не было возможности для случайного прикосновения
к частям под напряжением или штырям при сочленении или расчленении штепсельного
разъема. Соответствие проверяют внешним
осмотром и испытанием с помощью стандартного испытательного пальца,
приведенного на черт. 1. 23.3. Тип несъемного кабеля
или шнура должен соответствовать или быть выше качества соединительных проводов
с поливинилхлоридной изоляцией типа ПВС по ГОСТ
7399 или проводов с резиновой
изоляцией типа ПРС по ГОСТ
7399, если в стандартах на машины
конкретных видов нет других требований. Не допускается использование гибких
кабелей или шнуров с изоляцией из поливинилхлорида для машин, имеющих
металлические части, нагрев которых превышает 75 ˚C при испытании по разд. 11, если машина не
сконструирована так, что шнур питания не может при нормальном пользовании
касаться таких металлических частей. Несъемный гибкий кабель или шнур машин класса
I должен быть снабжен проводом желто-зеленого цвета,
присоединяемым к внутреннему защитному зажиму машины и защитному контакту
штепсельной вилки, если она имеется. Корпус штепсельной вилки несъемного
гибкого кабеля или шнура должен быть изготовлен из резины, поливинилхлорида или
другого электроизоляционного материала, обладающего не меньшей механической
прочностью, или покрыт таким материалом. 23.4. Номинальные
сечения гибких кабелей или шнуров должны быть не менее указанных в табл. 7. Таблица 7
Проверку на соответствие
требованиям пп. 23.3 и 23.4 проводят внешним осмотром и измерением. Для гибких кабелей и шнуров соединения
типа X способ разгрузки от натяжения и скручивания должен
быть очевидным, причем не допускаются вспомогательные меры, как, например,
завязывание кабеля или шнура узлом или перевязка бечевкой. Устройства крепления кабеля или шнура
машин класса II должны быть изготовлены из
изоляционного материала или, если они из металла, изолированы от доступных
металлических частей изоляцией, соответствующей требованиям к дополнительной
изоляции. В машинах класса I провода гибкого кабеля или шнура должны быть
расположены таким образом, чтобы при ослаблении устройства крепления кабеля или
шнура заземляющий провод оставался без натягивающих напряжений до тех пор, пока
остальные провода, находящиеся под напряжением, остаются в состоянии контакта со
своими зажимами. Устройства крепления кабеля или шнура
машин, кроме машин класса II, должны быть
изготовлены из изоляционного материала или иметь изоляционную облицовку, если в
результате повреждения кабеля или шнура доступные металлические части могут оказаться
под напряжением. Облицовка должна быть прикреплена к деталям устройства
крепления, кроме втулки, являющейся частью указанного в п. 23.6 защитного
устройства. Устройства крепления кабеля или шнура
соединения типа X должны быть изготовлены так,
чтобы: кабель или шнур не касался зажимных
винтов устройств крепления, если эти винты являются доступными металлическими
частями или находятся в электрической связи с доступными металлическими
частями; кабель или шнур не зажимался
металлическим винтом, который непосредственно касается кабеля или шнура; элементы крепления не могли быть легко
потеряны при замене кабеля или шнура, и хотя бы одна часть их должна быть
надежно закреплена на основной части машины; замена гибкого кабеля или шнура не
требовала применения специального сконструированного для этой цели инструмента; они были пригодны для различных типов
гибкого кабеля или шнура, которые могут быть присоединены, если машина не
рассчитана на кабель или шнур только одного типа. Устройства крепления кабеля или шнура
соединения типа X должны быть сконструированы так,
чтобы обеспечивалась их легкая замена. Примечания. Устройство крепления кабеля или шнура может быть частью сетевого выключателя. Винты устройства крепления кабеля или
шнура (если они имеются), которые завинчивают или отвинчивают при замене кабеля
или шнура, не должны служить для крепления другой детали. Сальники не должны быть использованы как
устройства крепления кабелей или шнуров питания. Машины проверяют внешним осмотром и
следующим испытанием. Машины снабжают гибким кабелем или
шнуром, а концы проводов вводят в соединительные зажимы, причем зажимные винты,
если таковые имеются, затягивают настолько, чтобы провода не могли легко
изменять свое положение. Устройство крепления кабеля или шнура
используют обычным способом, а его винты затягивают крутящим моментом, равным 2/3
момента, указанного в п. 26.1. Испытания проводят сначала с гибким
кабелем или шнуром наиболее легкого типа наименьшего сечения по п. 24.2, а
затем гибким кабелем или шнуром последующего, более тяжелого типа с наибольшим
предписанным сечением, кроме случая, когда машина предназначена для установки
кабеля или шнура только одного типа. После такой подготовки должна быть
исключена возможность проталкивания кабеля или шнура внутрь машины настолько,
чтобы это вызвало повреждение кабеля, шнура или внутренних частей машины. Затем кабель или шнур подвергают
100-кратному натяжению силой, согласно приведенной в табл. 8. Натяжение
прикладывают в точке, расположенной на расстоянии 250 мм от устройства
крепления кабеля или шнура, в наиболее неблагоприятном направлении, без рывков.
Каждое натяжение должно продолжаться 1 с. Непосредственно после этого к кабелю
или шнуру, прикладывают в течение 1 мин крутящий момент по табл. 8. Таблица 8
Во время испытания кабель
или шнур не должны быть повреждены. После испытания кабель или шнур не
должны смещаться продольно более чем на 2 мм, а провода в зажимах - более чем на 1 мм. В местах соединения не
должно быть заметного натяжения. В начале испытания для измерения
продольного смещения на кабеле или шнуре в натянутом состоянии наносят отметку
на расстоянии приблизительно 20 мм от устройства крепления. После испытания замеряют смещение
отметки на кабеле или шнуре по отношению к устройству крепления при их
натянутом состоянии. Затем устройство крепления затягивают
и расслабляют 10 раз, предварительно присоединив гибкий кабель или шнур
наиболее тяжелого типа, который можно ввести в защитное устройство, указанное в
п. 23.6. После проведения испытаний устройство крепления кабеля или шнура не
должно иметь повреждений, нарушающих требования настоящего стандарта. Пути утечки и воздушные зазоры не
должны уменьшаться ниже указанных в разд. 27. 23.6. Гибкие кабели и шнуры
машины должны быть защищены от чрезмерного изгиба в местах, где шнур или кабель
проходит через входное отверстие машины, при помощи защитного устройства из
изоляционного материала. Защитные устройства не должны составлять единое целое
с несъемным кабелем или шнуром соединения типа X. Эти устройства должны быть надежно
закреплены так, чтобы они выступали из входного отверстия машины на расстояние,
равное не менее 5-кратного диаметра кабеля или шнура, поставляемого с машиной. Машины проверяют внешним осмотром,
измерением и следующим испытанием. Машину снабжают защитным устройством
шнура и гибким кабелем или шнуром длиной приблизительно на 100 мм больше длины
устройства. Машину устанавливают так, чтобы ось защитного устройства шнура в
том месте, где от него отходит кабель или шнур, была направлена вверх под углом
45 к горизонтальной плоскости. К свободному концу кабеля или шнура
прикрепляют груз - массой
равной 10 D2 г, (D - предельный
диаметр в миллиметрах гибкого кабеля или шнура, поставляемого вместе с
машиной). Если защитное устройство чувствительно
к температуре, то его испытывают при температуре (23±2) ˚С. Непосредственно после того, как масса
приложена, радиус кривизны кабеля или шнура в любом месте не должен быть менее
1,5 D. 23.7. Защитные устройства
кабеля или шнура должны обладать достаточной механической прочностью и
сохранять эти качества во время продолжительной нормальной эксплуатации. Проверку проводят следующим
испытанием. Часть машины, содержащую ввод кабеля
или шнура, снабжают защитным устройством и гибким кабелем или шнуром,
поставляемым вместе с машиной. Эту часть укрепляют на колеблющейся части прибора
для испытания по черт. 13. Образец укрепляют таким образом, чтобы
ось качания являлась касательной к внешней поверхности участка, где прикрепляют
защитное устройство, и когда колеблющаяся часть прибора находится в среднем
положении, продольная ось шнура или кабеля в местах их выхода из защитного
устройства должна быть вертикальной. Груз с массой, равной массе машины, но
не менее 2 и не более 6 кг прикрепляют к шнуру. Колеблющуюся часть прибора отклоняют
на угол 90˚ (45˚ в каждую сторону от среднего вертикального
положения). Число изгибов должно быть 20000 при 60 изгибах в 1 мин. После
первых 10000 изгибов образец поворачивают на 90˚ около центральной оси
защитного устройства. Примечания. Изгибом считают движение в одну или другую сторону. После испытания защитное устройство
шнура не должно ослабляться. Как защитное устройство, так и гибкий кабель или
шнур не должны иметь повреждений, нарушать требования настоящего стандарта.
Допускается перелом не более 10 % общего числа проволок каждого провода. Непосредственно после этого испытания
устройство крепления шнура и винты зажимов ослабляют, не устраняя при этом
проводов гибкого кабеля или шнура. Если защитное устройство охватывается
устройством крепления шнура, последнее не ослабляют. После этого машину поднимают с помощью
защитного устройства шнура без рывков на высоту приблизительно 0,5 м в течение
1 с и ставят обратно на подставку. Эту операцию повторяют 10 раз. Во время испытания защитное устройство
не должно выскальзывать из своего места. 23.8. Входные отверстия для
внешних кабелей или шнуров должны быть так сконструированы, чтобы защитная
оболочка не подвергалась повреждениям при вводе кабеля или шнура. Входные отверстия гибких кабелей и шнуров
должны быть выполнены из изоляционного материала или иметь втулки из
изоляционного материала, практически не поддающегося процессу старения при
нормальной эксплуатации. Отверстия или втулки должны быть так выполнены, чтобы
защищали от повреждения кабель или шнур. Входные втулки должны быть надежно
закреплены и не должны сниматься без применения инструмента. Для машин класса II с входными отверстиями в металле втулки не должны
быть резиновыми или быть частью защитного устройства шнура. Для остальных машин с входными
отверстиями в металле втулки также не должны быть резиновыми, за исключением
случаев, когда они являются частью защитного устройства кабеля или шнура. Проверку проводят осмотром и ручным
опробованием. Примечания. Синтетическую резину не считают резиной. 23.9. Пространство для гибкого
кабеля или шнура внутри машины должно быть достаточным, чтобы беспрепятственно
вводить и подсоединять провода, а крышка, если такая имеется, должна
устанавливаться так, чтобы была исключена возможность повреждений проводов или
их изоляции. Должна быть обеспечена возможность проверки правильного соединения
и положения проводов до установки крышки. Для снятия крышки, обеспечивающей доступ
к зажимам внешних проводов, не должен применяться специальный инструмент. Машины класса I со шнуром соединения типа X и все машины класса II должны быть сконструированы таким образом, что если
неизолированный конец проводника высвобождается от клеммы, он не должен
соприкасаться с доступными металлическими частями. Проверку проводят внешним осмотром и
присоединением гибких кабелей или шнуров с наибольшим сечением по п. 24.2. Машины со шнуром соединения типа X подвергают следующим дополнительным испытаниям. В случае зажимов колонкового типа,
когда проводники не закреплены при помощи специального устройства на
расстоянии, не превышающем 30 мм от зажима, как и при других клеммах с винтовым
закреплением, прижимающее средство ослабляют. Без удаления провода с места
расположения проводников, силу в 2 Н прикладывают к жиле в каждом возможном
направлении рядом с зажимом, винтом или шпилькой. Неизолированный конец провода не
должен соприкасаться с доступными металлическими частями или с металлическими
частями, присоединенными к ним. Примечания: 1. Для зажимов колонкового типа, когда проводник закреплен отдельно специальным устройством на расстоянии, не превышающем 30 мм от клеммы, считают, что машина соответствует требованиям, если неизолированный конец провода не может прийти в прикосновение с доступными металлическими частями. 2. Специальное устройство для дополнительного закрепления проводов может быть, например, устройством крепления кабеля или шнура. 24. ЗАЖИМЫ ДЛЯ ВНЕШНИХ
ПРОВОДОВ
24.1. Машины, предназначенные
для присоединения к сети посредством несъемного гибкого кабеля или шнура,
должны быть снабжены зажимами, в которых соединения выполняют с помощью винтов,
гаек или других подобных средств. Зажимные винты и гайки должны иметь
метрическую резьбу и не должны служить для крепления других деталей, кроме
внутренних проводов, если они размещены так, что не произойдет их смещение при
присоединении внешних проводов питания. Для машин со шнуром соединения типов X и М номинальной потребляемой мощностью, не
превышающей 100 Вт, могут быть применены паяные соединения для внешних проводов
при условии, что провод расположен или фиксирован так, чтобы закрепление не
осуществлялось только одной пайкой (сваркой), кроме случаев, когда
предусмотрены перегородки, благодаря которым при обрыве или отрыве провода от
паяного соединения пути утечки и воздушные зазоры между частями под напряжением
и другими металлическими частями не уменьшаются до величины, менее 50 %
значений, указанных в п. 27.1. Примечания: 1. Требования к питающим шнурам: 1) не предполагается одновременное ослабление двух независимых креплений; 2) припаянные провода не считают достаточно закрепленными, если они не поддерживаются вблизи своего конца, независимо от пайки. Зацепление их перед местом пайки рассматривают в общем как подходящий метод для укрепления в необходимом положении при условии, что отверстие, через которое введен проводник, не является слишком большим. 2. Зажимы комплектующих изделий (например, выключателя), встроенных в машину, при условии, что они отвечают требованиям настоящего пункта, могут быть использованы как зажимы, предназначенные для внешних проводов. 3. Выключатели с соединительными проводами допускаются, если место подсоединения находится внутри рукоятки или тела и устройство крепления кабеля или шнура соответствует требованиям п. 23.5. 24.2. Зажимы
и паяные соединения для соединения типа X должны обеспечивать
подсоединения проводов номинального сечения жил по табл. 9. Таблица 9
Соответствие
требованиям пп. 24.1 и 24.2 проверяют внешним осмотром, измерением и путем
присоединения кабелей или шнуров с наименьшим и наибольшим из указанных
сечений. 24.3. Зажимы и паяные
соединения для соединения типа М должны быть подходящими для их предназначения. Проверку проводят внешним осмотром и
натяжением с силой 5 Н. 24.4. Зажимы должны быть
закреплены таким образом, чтобы при затягивании или ослаблении зажимных
элементов крепление зажимов не ослаблялось, внутренняя проводка не подвергалась
натяжению, а пути утечки и воздушные зазоры не становились менее указанных в п.
27.1. Проверку проводят внешним осмотром и
измерением после 10-кратного затягивания и ослабления провода с наибольшим
сечением по п. 24.2, причем прикладываемый крутящий момент должен быть равным 2/3 момента по п. 26.1. Примечания. Для предотвращения ослабления зажимов может использоваться закрепление зажима двумя винтами, одним винтом в профильном гнезде (чтобы не было значительных зазоров) или другим подходящим способом. Требование фиксации зажимов не исключает
установки зажимов питания на выключателях или подобных устройствах в гнезде,
если после подсоединения питающего кабеля и обратной установки выключателя или
подобного устройства в гнездо осмотр может подтвердить, что эти комплектующие
изделия и питающий кабель после повторной сборки машины занимают правильное
положение. Покрытие зажима заливочной массой без
других фиксирующих средств считают недостаточной защитой от ослабления
крепления. Допускается использование самотвердеющей
смолы для фиксации зажимов, которые при нормальной эксплуатации не подвергают
кручению. 24.5. Зажимы должны быть
изготовлены таким образом, чтобы они зажимали провод между металлическими
поверхностями с достаточным контактным давлением, но без повреждения провода. 24.6. Зажимы машин с
номинальным током, не превышающим 16 A, не
должны требовать специальной подготовки для правильного соединения, должны быть
изготовлены и расположены таким образом, чтобы проводник не выскальзывал при
завинчивании прижимающих винтов и гаек. Проверку на соответствие требованиям
пп. 24.5 и 24.6 проводят внешним осмотром зажимов и проводов после испытания по
п. 24.4. Примечания «Специальная подготовка провода» - это пайка жил, применение кабельных наконечников, образование петелек и т. п. Допускается придание формы проводу перед его введением в зажим и закручивание многожильного провода для упрочения его конца. Провода считают поврежденными, если на
них обнаружены глубокие и острые вмятины. 24.7. Зажимы колонкового типа
должны иметь размеры, соответствующие
указанным в табл. 10, за исключением длины резьбы в колонке, которая может быть
уменьшена, если механическая прочность достаточна и резьба имеет не менее двух
полных витков в зацеплении при сильно затянутом проводе с минимальным сечением
по п. 24.2. Таблица 10 Размеры,
мм
Длина нарезной части зажимного
винта должна быть не менее суммы размеров диаметра отверстия для провода и
длины резьбы в колонке. Поверхность, к которой прижимают провод, должна быть
без острых вмятин и выступов. Зажимы должны быть изготовлены и
размещены так, чтобы конец введенного в отверстие провода был виден или мог
пройти за резьбовым отверстием на расстоянии, равном не менее половины
номинального диаметра резьбы или 2,5 мм, в зависимости от того, что больше. Примечания: 1. Длину нарезной части в колонке измеряют до точки, где резьба впервые прерывается отверстием для провода. 2. Если резьбовое отверстие раззенковано, то длина винтов с головками должна быть соответственно увеличена. 3. Допускается, чтобы часть, к которой прижимается провод, не составляла единого целого с деталью, в которой установлен зажимной винт. 24.8. Винтовые зажимы должны иметь
размеры не менее приведенных в табл. 11, за исключением длины резьбы, которая
может быть уменьшена, если механическая прочность достаточна и резьба имеет не
менее двух полных витков в зацеплении при слабозатянутом проводнике с
максимальным сечением по п. 24.2. Таблица 11 Размеры, мм
Если требуемая длина резьбы в
резьбовом отверстии зажима получается в результате вытяжки, то край резьбы
должен быть ровным, а длина резьбы должна превышать указанное минимальное
значение не менее чем на 0,5 мм. Длина вытянутой части резьбового
отверстия должна - быть не более 80 % первоначальной
толщины металла, кроме случаев, когда механическая прочность достаточна и при
большей длине. Если между головкой винта и проводом вставлена промежуточная часть (например, прижимная пластина), то длина резьбы на винте должна быть соответственно увеличена, а диаметр головки винта может быть уменьшен на: 1 мм - для номинальных токов
до 16 A; 2 мм » »
св. 16 А. Промежуточная часть должна
быть закреплена от поворота. Если промежуточную часть крепят
несколькими винтами, то допускается применять винты со следующим номинальным
диаметром резьбы: 3,5 мм - для номинальных токов
до 25 А; 4,0 мм » »
св. 25 А. Примечания. Если резьба в резьбовом отверстии или гайка утоплена, длина винтов с головкой должна быть соответственно увеличена. 24.9. Шпильковые зажимы должны иметь
шайбы, а их размеры соответствовать приведенным в табл. 12. Проверку на соответствие требованиям
пп. 24.7-24.9 проводят осмотром, измерением и, если необходимо, испытаниями по
п. 24.10. Таблица 12 Размеры, мм
Допускается отклонение
минус 0,15 мм для номинального диаметра резьбы и номинальной разности между
диаметром головки и хвостовика винта. Примечания. Если один или несколько размеров превышают указанные в пп. 24.6-24.8, то остальные размеры соответственно увеличивать необязательно, однако отклонения от установленных значений не должны ухудшать работу зажима. 24.10. Если
длина резьбы в колонке на винте, в резьбовом отверстии или гайке меньше указанных
в табл. 10-12 или длина вытянутой части резьбового отверстия превышает 80 %
первоначальной толщины металла, то механическую прочность зажима проверяют
следующим образом. Винты и гайки испытывают по п. 26.1
крутящим моментом, увеличенным до 1,2-кратного установленного момента. После этого испытания зажим не должен
иметь повреждений, исключающих его дальнейшее применение. Конец одного провода снова зажимают
способом, указанным в п. 24.4,
и подвергают в течение 1 мин максимальному натяжению без рывков, приведенному в
табл. 13. Таблица 13
Во время испытания провод
не должен заметно сдвигаться в зажиме. 24.11. У машин с соединениями
типов X и М каждый зажим, предназначенный для подсоединения
провода гибкого кабеля или шнура, должен быть расположен вблизи
соответствующего зажима или зажимов различной полярности и защитного зажима,
если он имеется. Проверку проводят осмотром. 24.12. Зажимные устройства не
должны быть доступными без помощи инструмента. Проверку проводят осмотром и
ручным опробованием. 24.13.
Клеммы для припайки должны иметь такую
конструкцию, чтобы провод удерживался на своем месте независимо от пайки, не
мог выскользнуть, если пайка или сварка будет нарушена. Проверку проводят осмотром. 24.14. Зажимы и клеммы для
припайки у машин с соединениями типа X и, если
это применимо, типа М должны быть расположены или закрыты так, чтобы при
введении многожильного провода в зажим, если одна из проволок осталась
свободной, не возникла опасность случайного контакта частей под напряжением с
доступными металлическими частями, а для машин класса II - между частями
под напряжением и металлическими частями, отделенными от доступных
металлических частей только дополнительной изоляцией. Проверку проводят внешним осмотром,
ручным опробованием и следующим испытанием. Конец многожильного провода с
поперечным сечением по п. 23.4
зачищают от изоляции на длине 8 мм. Одну проволоку многожильного провода
оставляют свободной, а остальные проволоки полностью вводят и зажимают в
зажиме. Неприсоединенную проволоку изгибают
без нарушения целостности изоляции во всевозможных направлениях, избегая,
однако, острых изгибов около барьеров. Неприсоединенная проволока провода,
присоединенного к зажиму под напряжением, не должна касаться какой-либо
доступной металлической части и части, соединенной с доступной металлической
частью, а для машины класса II -
металлической части, отделенной от доступных металлических частей только
дополнительной изоляцией. Неприсоединенная проволока провода, присоединенного к
защитному зажиму, не должна прикасаться к частям под напряжением. Если метод присоединения требует
специальной подготовки провода (например, пропайка) или клеммы предусмотрены
для соединения типа М (например, обжатием), эту подготовку проводят, причем
одну проволоку оставляют свободной. 25. ЗАЗЕМЛЕНИЕ
25.1. Доступные металлические части машин
класса I, которые могут оказываться под напряжением в случае
повреждения изоляции, должны быть постоянно и надежно присоединены к защитному
зажиму машины или защитному контакту штепсельного разъема машины. Защитные зажимы и защитные контакты не должны
быть электрически подсоединены к нейтральному зажиму, если он имеется. Машины классов II и III не должны
иметь устройств для защитного заземления. Проверку проводят осмотром. Примечания. 1. Если доступные металлические части отделены от частей, находящихся под напряжением, металлическими частями, которые подсоединены к защитному зажиму или защитному контакту, то в соответствии с требованиями данного пункта их не считают частями, которые могут попасть под напряжение при повреждении изоляции. 2. Доступные металлические части, которые отделены от частей, находящихся под напряжением, двойной или усиленной изоляцией, не считают частями, которые могут попасть под напряжение при повреждении изоляции. 3. Металлические части под декоративным кожухом, не выдерживающие испытания по разд. 19, считают доступными металлическими частями. 25.2. Защитные соединения
нельзя исполнять путем применения безвинтовых зажимов. Прижимающие средства
защитных зажимов должны иметь конструкцию, не позволяющую случайное ослабление. Ослабление этих
средств не должно быть возможным без помощи инструмента. Проверку проводят внешним осмотром,
ручным опробованием и испытаниями по разд. 24. Примечания. Как правило, конструкции, обычно используемые для токоведущих зажимов, кроме некоторых зажимов колонкового типа, обеспечивают достаточную упругость, чтобы отвечать указанному выше требованию. Для остальных конструкций необходимы специальные приспособления (например, применение соответствующих упругих деталей), которые невозможно снять случайно. 25.3. Все части защитного
зажима должны быть такими, чтобы не возникла коррозия из-за контакта между
этими частями и медью заземляющего провода или другими металлическими деталями,
находящимися в контакте с этими частями. Корпус защитного зажима должен быть из
латуни или другого металла, коррозионная стойкость которого не хуже латуни,
кроме случаев, когда он является частью металлической рамы или кожуха. В этом
случае винт или гайка должны быть из латуни или плакированной стали, отвечающей
требованиям разд. 29, или из другого металла, коррозионная стойкость которого
не хуже латуни. Если корпус защитного зажима является
частью рамы или кожуха из алюминия или алюминиевых сплавов, то должны быть
приняты меры, предотвращающие коррозию, которая может возникнуть из-за контакта
между медью и алюминием или его сплавами. Проверку проводят осмотром. Примечания. Требования в отношении предотвращения возможности коррозии не исключают применения гаек или винтов с подходящим покрытием. 25.4. Для машин с сетевыми
шнурами питания расположение зажимов или длина проводов между креплением шнура
и зажимами должны быть такими, чтобы токоведущие провода натянулись раньше, чем
защитный провод, если кабель или шнур выскользнет из своего крепления. 25.5. Соединения между
защитным зажимом или защитным контактом и частями, которые должны быть
присоединены к ним, должны иметь малое сопротивление. Проверку проводят следующим образом.
Катушки индуктивности для подавления радиопомех (если они имеются) оставляют
включенными в цепь защитного заземления. Ток, составляющий 1,5 номинального
тока или 25 А, в зависимости от того, что больше, полученный от источника
переменного тока, напряжение которого без нагрузки не больше 12 В, пропускают
между защитным зажимом или защитным контактом и каждой из доступных
металлических частей по очереди. Измеряют падение напряжения между защитным
зажимом или защитным контактом штепсельного разъема и доступной металлической
частью. Сопротивление, рассчитанное по току и
падению напряжения, не должно превышать 0,1 Ом. Примечания: 1. Сопротивление гибкого кабеля или шнура не учитывают при измерении сопротивления. 2. Обращают внимание на то, чтобы переходное сопротивление между наконечником измерительного щупа и испытуемой металлической частью не оказывало влияния на результаты испытаний. 26. ВИНТЫ И СОЕДИНЕНИЯ
Винты, передающие контактное давление, и
винты, которые могут быть, затянуты потребителем и имеющие номинальный диаметр
менее 3 мм, должны завинчиваться в металл. Винты не должны быть изготовлены из
мягкого металла, склонного к ползучести (например, цинка или алюминия). Винты из изоляционного материала должны
иметь номинальный диаметр не менее 3 мм; они не должны использоваться для
электрических соединений. Винты не должны быть из изоляционного
материала, если их замена металлическими винтами может повредить дополнительную
или усиленную изоляцию. Из изоляционного материала не должны изготавливаться
также винты, которые можно вывинтить при замене несъемного сетевого шнура
питания или проведении текущего ремонта, если их замена металлическими винтами
может повредить электрическую изоляцию. Проверку проводят внешним осмотром, а
для винтов и гаек, передающих контактное давление или предназначенных для
затягивания потребителем, следующим испытанием. Винты и гайки затягивают и ослабляют
по 10 раз для винтов, завинченных в резьбе в изоляционном материале, и по5 раз для
гаек и других винтов. Винты, завинченные в резьбе в
изоляционном материале, каждый раз полностью удаляют и снова ввинчивают. При испытании зажимных винтов и гаек в
зажиме закрепляют гибкий провод с наибольшим сечением по п. 24.2. Испытание проводят посредством
подходящих испытательных отверток и ключей с крутящим моментом по табл. 14: - графа 1 - металлические
винты без головки, если винт после затягивания не выступает из отверстия; - графа 2 - другие
металлические винты и гайки; для винтов из изоляционного материала; имеющих
шестигранную головку с размером «под ключ», превышающим внешний диаметр резьбы;
имеющих цилиндрическую головку и углубление под ключ, причем размер по
диагонали превышает внешний диаметр резьбы; с головкой, имеющей прямой или
крестообразный шлицы, размеры которых превышают в 1,5 раза внешний диаметр
резьбы; - графа 3 - другие винты из
изоляционного материала. Таблица 14
Проводник сдвигают каждый
раз после ослабления винта или гайки. Во время испытания не допускаются
повреждения, ухудшающие дальнейшее использование винтовых соединений. Примечания: 1. В число винтов и гаек, которые могут затягиваться потребителем, входят винты и гайки зажимов, винты для закрепления крышек, если они должны ослабляться для того, чтобы открыть или снять крышки, а также винты для закрепления рукояток ручек. 2. Форма лезвия испытательной отвертки должна соответствовать шлицу испытуемого винта. Крутящий момент должен прикладываться без рывков. 26.2. Винты, завинчиваемые в резьбу в
изоляционном материале, должны иметь длину свинчивания не менее 3 мм плюс треть
номинального диаметра резьбы или 8 мм, в зависимости от того, что меньше. Введение винта в резьбовое отверстие или
гайку без перекоса должно быть обеспечено соответствующим способом. Это требование не относится к винтовым
колпачкам щеткодержателей. Проверку проводят осмотром, измерением
и ручным опробованием. Примечания. Требование считают выполненным, если перекос при завертывании винта предотвращен (например, направлением винта закрепляемой деталью, зенкованием внутренней резьбы или применением винтов с удаленными начальными витками резьбы). 26.3. Электрические соединения
должны быть сконструированы таким образом, чтобы контактное давление не
передавалось через изоляционный материал, склонный к усадке или деформациям, за
исключением случаев, когда используют металлические детали, упругая деформация
которых может компенсировать любую возможную усадочную деформацию изоляционных
материалов. 26.4. Винты с крупной резьбой
(для листового металла) не допускается использовать для соединения токоведущих
частей, кроме случаев, когда они прижимают эти части непосредственно друг к
другу и снабжены средствами, предотвращающими их ослабление. Не допускается использовать
самонарезающие винты для соединения токоведущих частей, если последние не имеют
резьбы, соответствующей стандартной. Такие винты нельзя применять также, если
они будут завинчиваться или отвинчиваться потребителем, кроме случая, когда их
резьба выполнена высадкой в штампе. Самонарезающие винты и винты для
листового металла могут быть использованы для обеспечения непрерывности защитного
соединения при условии, что нет необходимости нарушать данное соединение при
нормальной эксплуатации и для каждого соединения использованы не менее двух
винтов. Проверку на соответствие требованиям
пп. 26.3 и 26.4 проводят осмотром. 26.5. Винты для механических
соединений между различными частями машины не должны допускать ослабления
соединения, если соединение является токопроводящим. Заклепки, используемые для токопроводящих
соединений, следует предохранять от ослабления, если эти соединения подвергают
кручению при нормальной эксплуатации. Проверку проводят осмотром и ручным
опробованием. Примечания: 1. Пружинные шайбы и подобные им детали могут обеспечивать удовлетворительное фиксирование против ослабления. 2. Некруглую форму стержня заклепок или соответствующий паз считают достаточной защитой от ослабления. 3. Заливочный компаунд, который размягчается при нагревании, обеспечивает удовлетворительную фиксацию только тех винтовых соединений, которые не подвергают крутящему моменту при нормальной эксплуатации. 27. ПУТИ УТЕЧКИ,
ВОЗДУШНЫЕ ЗАЗОРЫ И ТОЛЩИНА ИЗОЛЯЦИИ
27.1. Пути утечки,
воздушные зазоры и толщина изоляции не должны быть ниже указанных в табл. 15. Таблица 15
* За рабочее напряжение машин принимают их номинальное напряжение. ** Значения, указанные в табл. 15 для напряжений, равных или меньших чем 50 B, относят к цепям машин класса III, но не относят, например, к печатным платам. *** Первое значение применяют только в случае, когда части жестко расположены в определенных местах посредством запрессовки или другим способом, обеспечивающим невозможность уменьшения расстояния вследствие деформации или перемещения деталей. В остальных случаях применяют второе значение. *4 Это расстояние не относится к изоляции внутренней проводки и внешних гибких кабелей и шнуров. *5 Обмотки считают имеющими основную изоляцию, если они бандажированы лентой и пропитаны или на них нанесено покрытие из самотвердеющей смолы, и после испытания по п. 14.4 они выдерживают испытание на электрическую прочность по п. 15.3, причем испытательное напряжение прикладывают между проводами обмотки и металлической фольгой, контактирующей с поверхностью изоляции. Считают достаточным, если бандажирование и пропитка или покрытие самотвердеющей смолой охватывают обмотки только частично и в местах, где невозможно соблюдение предписанных воздушных зазоров для усиленной изоляции. Примечание. Требование к толщине изоляции между металлическими частями не принимают во внимание, если в качестве изоляции используют тонкие листы, а изоляция образована по крайней мере тремя слоями, при условии, что два слоя, приложенные один к другому, выдерживают испытание на электрическую прочность, установленное для усиленной изоляции; при этом испытательное напряжение прикладывают между внешними поверхностями двух слоев. Проверку проводят измерением. Для машин со штепсельным разъемом
измерения проводят с присоединением соответствующим соединителем, а также без
соединителя. Для машин с соединением типа X измерения проводят с проводами питания наибольшего
сечения по п. 24.2,
а также без проводов. Измерения также проводят с ремнями
(если такие имеются) и устройствами для измерения натяжения ремней в наиболее
неблагоприятном положении в диапазоне их регулировки, а также без ремней. Подвижные части помещают в наиболее
неблагоприятное положение. Считают, что гайки и винты с некруглой головкой
завинчены в наиболее неблагоприятном положении. Воздушные зазоры между зажимами и
доступными металлическими частями измеряют также с винтами и гайками,
отвинченными насколько это возможно, однако в этом случае воздушные зазоры
должны быть не менее 50 % величин приведенных в табл. 15. Расстояние через щели или отверстия в
наружных деталях из изоляционных материалов измеряют до металлической фольги,
соприкасающейся с доступной поверхностью; причем фольгу вдавливают в углы
стандартным испытательным пальцем, приведенным на черт. 1, но не прижимают ее
через отверстия. При необходимости усилие прикладывают
к любой точке неизолированных проводов и к наружной поверхности металлических
кожухов с целью уменьшения путей утечки и воздушных зазоров в ходе измерений. Усилие прикладывают посредством
вершины испытательного пальца, приведенным на черт. 1. Величина усилия: 2 Н - для неизолированных проводов; 30 Н - для кожухов. Примечание: 1. Способы измерения путей утечки и воздушных зазоров описаны в приложении D. 2. При определении путей утечки в канале, ширина которого
менее 1 мм, учитывают только ширину канала. 3. Воздушный зазор шириной менее 1 мм не учитывают при подсчете общего воздушного зазора. 4. Воздушные зазоры между частями, находящимися под напряжением различной полярности, не относят к воздушным зазорам между контактами термовыключателей, устройств защиты от перегрузок, а также к воздушным зазорам между частями, находящимися под напряжением этих устройств, если эти зазоры изменяются при движении контактов. 5. Если внутреннее пространство машины или какой-либо ее части обладает достаточной защитой от проникновения пыли, то, как правило, его считают защищенным от загрязнений при условии, если в том же пространстве не образуется пыль. Герметизация этого пространства не требуется. 6. При определении путей утечки и воздушных зазоров следует учитывать наличие изоляционных облицовок металлических кожухов и крышек. 7. Внутренние провода считают неизолированными, если их изоляция не будет по крайней мере эквивалентной изоляции гибких кабелей или шнуров. 8. Требование, касающееся толщины изоляции, не означает, что указанная толщина должна измеряться только через сплошную изоляцию, она может включать определенную толщину сплошной изоляции плюс один или несколько воздушных промежутков. 9. Для частей, находящихся под напряжением разной полярности, отделенных только основной изоляцией, допускаются меньшие, чем в табл. 15, пути утечки и воздушные зазоры, при условии, что на машине не обнаружено никаких повреждений, определенных настоящим стандартом, и эти пути утечки и воздушные зазоры поочередно перекрываются, а пути утечки находятся на изоляционном материале, выдержавшем испытание по п. 28.3. 28. ТЕПЛОСТОЙКОСТЬ,
ОГНЕСТОЙКОСТЬ И СТОЙКОСТЬ К ОБРАЗОВАНИЮ ТОКОПРОВОДЯЩИХ МОСТИКОВ
Проверку проводят, подвергая кожух и
другие внешние части из изоляционных материалов испытанию металлическим шариком
под давлением, с помощью устройства, показанного на черт. 10. Поверхность испытуемой части
устанавливают в горизонтальном положении и подвергают давлению стальным шариком
диаметром 5 мм с силой 20 Н. Испытание проводят в термостате при
температуре (75±2) ˚С или при температуре, которая на (40±2) ˚С выше
значения превышения температуры соответствующей части, определенного во время
испытания по разд. 11, в зависимости от того, что больше. Через 1 ч шарик удаляют и измеряют
диаметр оставленного шариком отпечатка, который не должен превышать 2 мм. Примечание. Это испытание не проводят на частях машин, изготовленных из керамического материала. Проверку проводят следующим
испытанием. Испытание проводят по п. 28.1, но при температуре (125+2) ˚С
или температуре, которая на (40+2) ˚С выше значения превышения температуры
соответствующей части, определенного во время испытания по разд. 11, в
зависимости от того, что больше. Дополнительно изоляционные части
подвергают также испытанию на огнестойкость горячим коническим сердечником в
приборе, приведенном на черт. 11. Сердечник вставляют в коническое
отверстие, просверленное в испытуемой части, таким образом, чтобы участки
конической части сердечника выступали с обеих сторон на одинаковую длину. Образец прижимают к сердечнику с силой 12
Н. Приспособление, с помощью которого прикладывают силу, фиксируют, чтобы
предотвратить его дальнейшее движение. Однако, если образец начинает
размягчаться или плавиться во время испытания, к образцу прикладывают в
горизонтальном направлении силу, достаточную для сохранения контакта образца с
сердечником. Сердечник нагревают до 300 ˚C приблизительно в течение 3 мин и эту температуру
поддерживают с отклонением ±10 ˚C в
течение 2 мин. Температуру измеряют термопарой, расположенной внутри
сердечника. Во время испытания в течение 5 мин над
верхней поверхностью образца в том месте, где сердечник выступает и соприкасается
с образцом, производят искровые разряды длиной около 6 мм. Искровые разряды производят
высокочастотным генератором, электроды которого продвигают около сердечника,
чтобы охватить всю поверхность образца по соседству с сердечником. Как образец, так и газы, образующиеся во
время испытания, не должны воспламеняться от искры. Примечание Испытание не проводят на частях, изготовленных из керамического материала, изоляционных частях коллектора, на колпачках щеткодержателей и т.п., а также на каркасах катушек, не применяемых в качестве усиленной изоляции. 28.3. Изоляционные части,
предназначенные для крепления деталей под напряжением, как и дополнительная
изоляция машин класса II с
металлическим кожухом должны быть изготовлены из материала, обладающего стойкостью
к образованию токоведущих мостиков, если машину подвергают чрезмерному
воздействию влаги или загрязнению в условиях нормальной эксплуатации. Примечание. Это требование, в общем случае, относится к частям брызгозащищенных и водонепроницаемых машин, а также к частям шлифовальных машин, пилам для резки металлов, которые подвергают загрязнению при нормальной эксплуатации. Для материалов, кроме керамических,
проверку проводят следующим испытанием. Плоскую поверхность испытываемой
детали размером, по возможности, не менее 15×15 мм устанавливают в
горизонтальное положение. Два платиновых электрода или электроды
из другого достаточно стойкого к коррозии материала размерами по черт. 12
помещают на поверхность образца так, чтобы закругленные края электродов
соприкасались с образцом по всей длине. Сила давления каждого электрода на
поверхность должна быть приблизительно 1 H Электроды подсоединяют к источнику
питания частотой 50 Гц практически синусоидальным напряжением 175 В. Общее сопротивление цепи, когда электроды
замкнуты накоротко, регулируют с помощью переменного резистора так, чтобы ток
был равен (1,0+0,1) А при коэффициенте мощности от 0,9 до 1. Реле максимального тока, включенное в
цепь, должно сработать, если ток 0,5 A или более протекает в течение 2 с. Поверхность образца смачивают каплями
раствора хлористого аммония в дистиллированной воде, которые должны падать с
высоты от 30 до 40 мм посередине между электродами. Раствор должен иметь
объемное удельное сопротивление 400 Ом см при 25 ˚C, что соответствует концентрации около 0,1 %. Объем капель должен составлять (20+5)
мм3. Интервал между падением двух капель должен составлять (30+5) с. Поверхностный пробой или пробой через
изоляцию не должен произойти, пока не упадет 50 капель. Испытание проводят в трех местах
образца. Примечание: 1. Перед началом каждого испытания следует проверить чистоту электродов, правильность формы и расположения. 2. В сомнительных случаях испытание повторяют, если необходимо, на новом образце. 3. Это испытание не проводят на изоляционных частях коллекторов или колпачков щеткодержателей. 29. КОРРОЗИОННАЯ
СТОЙКОСТЬ
Части, изготовленные из сплавов со
значительным содержанием железа, коррозия которых может сделать машину опасной
при эксплуатации, должны быть соответствующим образом защищены от коррозии. Проверку проводят следующим
испытанием. С испытываемых частей удаляют смазку
погружением их в четыреххлористый углерод или трихлорэтан на 10 мин. Затем
части погружают на 10 мин в 10 %-ный водный раствор хлористого аммония
температурой (20±5) ˚С. Без высушивания, но после стряхивания
капель, части помещают на 10 мин в камеру, содержащую воздух с насыщенной
влажностью при температуре (20±5) ˚С. После того, как части просушат в
течение 10 мин в сушильном шкафу при температуре (100±5) ˚C, на их поверхности не должно быть следов коррозии. Примечание: 1. При использовании жидкостей, предусмотренных для проведения испытания, необходимо принять соответствующие меры предосторожности, предотвращающие вдыхание их паров. 2. Следы ржавчины на острых краях и желтоватую пленку, которую можно снять протиркой, не принимают во внимание. 3. Для небольших спиральных пружин и для частей, подвергаемых истиранию, слой смазки может обеспечить соответствующую защиту от коррозии. Такие части подвергают испытанию только в случае, если есть сомнение относительно эффективности смазки. Испытание в этом случае проводят без предварительного снятия смазки. Стандартный
испытательный палец
Черт. 1 1 - стопорная пластина; 2 - цилиндрическая часть; 3 - изоляционный материал; 4 - шарик Допуск: на угловые размеры ±5 на линейные размеры: менее 25 мм -0,05 мм более 25 мм ±0,2 мм Испытательный щуп
Черт. 2 Схема измерения тока утечки при рабочей температуре
для однофазных машин класса II
1 - доступная часть; 2 - недоступная металлическая часть; 3 - основная изоляция; 4 - дополнительная изоляция; 5 - усиленная изоляция Черт. 3 Схема измерения тока утечки при рабочей температуре
для однофазных машин классов I
и III
Черт.4 Схема измерения тока утечки при рабочей температуре для
трехфазных машин класса II
1 - доступная часть; 2 - недоступная часть; 3 - основная изоляция; 4 - дополнительная изоляция Черт. 5 Схема измерения тока утечки при рабочей температуре
для трехфазных машин классов I
и III
Черт. 6 Устройство для испытания вертикально падающим дождем
1 - образец; 2 - опора; 3 - слои песка и гравия для регулирования потока воды, причем эти слои должны быть разделены металлической сеткой и промокательной бумагой Черт. 7 Примечание. Опора должна быть меньше образца. Пружинное ударное устройство
1 - спусковой конус; 2 - пружина конуса; 3 - стержень спускового механизма; 4 - пружина спускового механизма; 5 - натяжная кнопка; 6 - спусковой зажим; 7 - стержень ударника; 8 - пружина ударника; 9 - головка ударника Установка для ударных испытаний
Черт. 9 Устройство для вдавливания шарика
1 - сферическая часть; 2 - образец Черт. 10 Устройство
для испытания горячим коническим сердечником
1 - конический сердечник; 2 - испытуемый образец; 3 - зажимы для подвода тока нагрева; 4 - зажимы для термопары; 5 - термопара Черт. 11 Расположение
и размеры электродов для испытаний на стойкость к образованию токоведущих
мостиков
1 - электрод; 2 - образец; 3 - слегка закругленный край Черт. 12 Устройство
для испытания на изгиб
1 - часть машины; 2 - колеблющаяся часть; 3 - ось качания; 4 - груз Черт. 13 ПРИЛОЖЕНИЕ A
| ||||||||||||||||||||||||||||||||||||||||||||||||||||||||||||||||||||||||||||||||||||||||||||||||||||||||||||||||||||||||||||||||||||||||||||||||||||||||||||||||||||||||||||||||||||||||||||||||||||||||||||||||||||||||||||||||||||||||||||||||||||||||||||||||||||||||||||||||||||||||||||||||||||||||||||||||||||||||||||||||||||||||||||||||||||||||||||||||||||||||||||||||||||||||||||||||||||||||||||||||||||||||||||||||||||||||||||||||||||||||||||||||||||||||||||||||||||||||||||||||||||||||||||||||||||||||||||||||||||||||||||||||||||||||||||||||||||||||||||||||||||||||||||||||||||||||||||||||||||||||||||||||||||||||||||||||||||||||||||||||||||||||||||||||||||||||||||||
|
Рабочее напряжение, B |
Минимальные |
||
|
Эффективное значение |
Пиковое значение |
Воздушные мм зазоры, |
Пути утечки, мм |
|
До 12 включ. Св. 12 до 30 » » 30 » 60 » » 60 » 130 » » 130 » 250 » |
До 17 включ. Св. 17 до 43 » » 43 » 85 » » 85 » 184 » » 184 » 354 » |
0,19 0,28 0,38 0,62 1,15 |
0,40 0,55 0,72 1,12 1,95 |
При напряжении св. 42,4 B (пиковое значение для переменного тока или значение
для постоянного тока) изоляция должна выдерживать испытание электрической
прочности по разд. В15 настоящего приложения.
* На территории Российской Федерации действует ГОСТ Р МЭК 60065-2002 (здесь и далее).
В 101. Работа при нарушениях
режима сетевого питания
В 101.1. Электронные устройства
управления и электронные системы управления не должны неправильно работать в
связи с нарушениями сетевого питания, если такая их работа может создать
опасную ситуацию.
Первичная и вторичная обмотки должны быть
разделены изолирующей гильзой, и конструкция должна быть такой, чтобы
исключалась возможность какого-либо соединения между этими обмотками как
непосредственно, так и косвенно через другие металлические части.
В частности, должны быть приняты меры,
предотвращающие:
смещение первичных или вторичных обмоток
или их витков;
смещение внутренних соединений или
проводов для внешних соединений, чрезмерное смещение частей обмоток или
внутренних соединений в случае обрыва проводов рядом с этими соединениями или в
случае ослабления соединений;
шунтирование любой части изоляции между
первичной и вторичной цепями, включая обмотки, в случае ослабления или
выпадения проводов, винтов, шайб и подобных элементов.
Первичная и каждая из вторичных обмоток
должны быть намотаны так, чтобы каждый виток в каждом слое обмотки был
расположен рядом со следующим витком.
Примерами конструкций, которые
удовлетворяют указанным требованиям для обмоток, являются:
а) обмотки, расположенные на
отдельных катушках, выполненных из соответствующего изоляционного материала;
б) обмотки, расположенные на
одной катушке с разделительной перегородкой из соответствующего изоляционного
материала при условии, что катушка и разделительная перегородка спрессованы или
отлиты как единое целое или, в случае вставной перегородки, если имеется
армировка или покрытие, по месту соединения между катушкой и перегородкой;
в) концентрические обмотки при
использовании изоляции, накладываемой в виде тонких слоев на катушку или
железный сердечник трансформатора, а также между первичной обмоткой и каждой из
вторичных обмоток при условии, что применяют не менее трех слоев и что два
соприкасающихся слоя выдерживают испытание на электрическую прочность,
установленное для усиленной изоляции; испытательное напряжение прикладывают
между внешними поверхностями двух слоев.
Все обмотки должны иметь надежно
закрепленные последние витки. Это может быть обеспечено путем использования
слоев изоляции или затвердевающего при сушке материала, который полностью
заполняет промежутки между витками и эффективно скрепляет герметически последние
витки.
Примечание. Считают маловероятным, что два независимых крепления ослабнут одновременно.
В настоящем приложении (см. примеры 1 - 10) указаны
способы измерения путей утечки и воздушных зазоров, которыми следует
руководствоваться при испытании по п. 27.1.
Эти примеры не учитывают различия между
зазорами и пазами или видами изоляции. Предполагаются следующие допущения:
1) паз может иметь
параллельные, сходящиеся или расходящиеся стенки;
2) любой паз с расходящимися
стенками, минимальной шириной более 0,25 мм, глубиной более 1,5 мм и шириной у
дна 1 мм или более, считают воздушным зазором (см. пример 8);
3) любой угол, (внутренний
угол) менее 80˚ считают шунтированным деталью из изоляционного материала
шириной 1 мм (0,25 мм - в местах, защищенных от осаждения грязи), помещенной в
самое неблагоприятное положение (см. пример 3);
4) если расстояние между
верхними кромками паза 1 мм (в местах, защищенных от осаждения грязи - 0,25 мм)
или больше, то расстояние по воздуху между этими кромками не считают путем
утечки (см. пример 2);
5) если воздушный промежуток,
указанный в перечислении 2, превышает 0,25 мм, то его не считают путем утечки;
6) пути утечки и воздушные
зазоры, подлежащие измерению между частями, перемещающимися друг относительно
друга, измеряют, когда эти части находятся в самом неблагоприятном стационарном
положении;
7) рассчитанный путь утечки
никогда не бывает меньше измеренного воздушного зазора;
8) при
расчете суммарного воздушного зазора любой воздушный зазор шириной менее 1 мм
не учитывают.
|
Пример 1 |
|
|
|
Условие. Рассматриваемый путь включает паз с параллельными
или сходящимися боковыми стенками любой глубины, шириной менее 1 мм. Правило. Путь утечки и воздушный зазор измеряют
непосредственно через паз, как указано на чертеже. |
|
Пример 2 |
|
|
|
Условие. Рассматриваемый путь включает паз с параллельными
боковыми стенками любой глубины, шириной 1 мм и более. Правило. Воздушным зазором считают длину «прицельной прямой».
Путь утечки проходит по контуру паза. |
|
Пример 3 |
|
|
|
Условие. Рассматриваемый путь включает V-образный паз с внутренним углом менее 80° и шириной
более 1 мм. Правило. Воздушным зазором считают длину «прицельной прямой».
Путь утечки проходит по контуру паза, однако «шунтируют» дно паза элементом
длиной 1 мм (0,25 мм - в
местах, защищенных от осаждения грязи). |
|
Пример 4 |
|
|
|
Условие. Рассматриваемый путь включает ребро. Правило. Воздушным зазором считают наикратчайшее расстояние
по воздуху. Путь утечки проходит по контуру ребра. |
|
Пример 5 |
|
|
|
Условие. Рассматриваемый путь включает несклеенное соединение
с пазами шириной менее 1 мм (0,25 мм - в местах, защищенных от осаждения
грязи) с каждой стороны. Правило. Путем утечки и воздушным зазором считают длину
«прицельной прямой», как указано на чертеже. |
|
Пример 6 |
|
|
|
Условие. Рассматриваемый путь включает несклеенное соединение
с пазами шириной 1 мм или более на каждой стороне. Правило. Воздушным зазором считают длину «прицельной прямой».
Путь утечки проходит по контурам пазов. |
|
Пример 7 |
|
|
|
Условие. Рассматриваемый путь включает несклеенное соединение
с пазом на одной стороне, который уже 1 мм, и пазом на другой стороне 1 мм и
более. Правило. Воздушный зазор и путь утечки измеряют, как указано
на чертеже. |
|
Пример 8 |
|
|
|
Условие. Рассматриваемый путь включает паз с расходящимися
боковыми стенками глубиной 1,5 мм или более, шириной в самом узком месте
более 0,25 мм и шириной у дна 1 мм или более. Правило. Воздушным зазором считают длину «прицельной прямой».
Путь утечки проходит по контуру паза. |
Пример 9

Зазор между головкой винта и стенкой впадины слишком мал, и его не принимают во внимание.
Пример 10

Зазор между головкой винта и стенкой впадины достаточно велик, и его принимают во внимание.
1. Требования к подготовке
персонала для работы ручными машинами
К работе допускаются лица, прошедшие производственное
обучение и имеющие квалификационную группу по технике безопасности.
2. Допускаемые условия по
эксплуатации машин
2.1. Разрешается
эксплуатировать только машины, которые удовлетворяют требованиям настоящего
стандарта.
2.2. Применять машины
допускается только в соответствии с назначением, указанным в паспорте.
2.3. Каждая машина должна
иметь инвентарный номер.
2.4. Лицо, ответственное за
сохранность и исправность машины, обязано вести журнал регистрации инвентарного
учета, периодической проверки и ремонта.
2.5. Запрещается
эксплуатировать машины во взрывоопасных помещениях или с химически активной
средой, разрушающей металлы и изоляцию.
2.6. Запрещается
эксплуатировать машины, не защищенные от воздействия капель или брызг, не
имеющие отличительных знаков (капля в треугольнике или две капли), в условиях
воздействия капель и брызг, а также на открытых площадках во время снегопада
или дождя.
3. Подготовка машин к
работе
3.1. При каждой выдаче машины следует
проводить:
проверку комплектности и надежности
крепления деталей;
внешний осмотр: исправность кабеля
(шнура); его защитной трубки и штепсельной вилки; целостность изоляционных
деталей корпуса, рукоятки и крышек щеткодержателей, наличие защитных кожухов и
их исправность:
проверку четкости работы выключателя;
проверку работы на холостом ходу.
У машин класса I, кроме того, должна быть проверена исправность цепи
заземления (между корпусом машины и заземляющим контактом штепсельной вилки).
3.2. Запрещается выдавать машину, у
которой обнаружено несоответствие хотя бы по одному из перечисленных
требований, а также с просроченной датой периодической проверки по п. 5.1.
4. Правила работы машинами
4.1. При работе машиной класса
I следует применять индивидуальные средства защиты:
диэлектрические перчатки, галоши, коврики и т.п.), за исключением случаев,
указанных ниже.
Допускается производить работы машиной класса
I, не применяя индивидуальных средств защиты, в
следующих случаях, если:
машина, и при том только одна, получает
питание от разделительного трансформатора;
машина получает питание от автономной
двигатель-генераторной установки или от преобразователя частоты с раздельными
обмотками;
машина получает питание через
защитно-отключающее устройство.
4.2. Машинами классов II и III разрешается производить работы без применения
индивидуальных средств защиты.
4.3. В сосудах, аппаратах и
других металлических сооружениях с ограниченной возможностью перемещения и
выхода оператора разрешается производить работы машинами классов I и II при условии, если машина, и при том только одна,
получает питание от автономной двигатель-генераторной установки, от
разделительного трансформатора или преобразователя с раздельными обмотками, а
также машинами класса III.
Источник питания (трансформатор,
преобразователь и т.п.) должен находиться вне сосуда, а его вторичная цепь не
должна быть заземлена.
4.4. Операции, при выполнении
которых требуется подача на рабочий инструмент воды или другой жидкости,
следует выполнять машинами класса III в брызгозащищенном исполнении.
Допускается работа машинами классов I и II при условии подключения их в соответствии с п. 4.3.
4.5. Запрещается:
заземлять машины классов II и III;
подключать машины класса III к электрической сети общего
пользования через автотрансформатор, сопротивление или потенциометр;
вносить внутрь котлов, резервуаров
трансформаторы и преобразователи частоты.
4.6. Машины, у которых масса,
воспринимаемая руками оператора, превышает 10 кг, должны применяться с
приспособлениями для подвешивания.
4.7. При эксплуатации машин
необходимо соблюдать все требования инструкции по их эксплуатации, бережно
обращаться с ними, не подвергать их ударам, перегрузкам, воздействию грязи,
нефтепродуктов.
Машины, не защищенные от воздействия
влаги, не должны подвергаться воздействию капель и брызг воды или другой
жидкости.
4.8. Кабель (шнур) машины
должен быть защищен от случайного повреждения (например, кабель следует
подвешивать). Непосредственное соприкосновение кабеля (шнура) с горячими и
масляными поверхностями не допускается.
4.9. Подключение
вспомогательного оборудования (трансформаторов, преобразователей частоты,
защитно-отключающих устройств и т.п.) к сети и отсоединение его должны
производиться электротехническим персоналом.
4.10. Машина должна быть
отключена выключателем при внезапной остановке (вследствие исчезновения
напряжения в сети, заклинивания движущихся деталей и т.п.).
4.11. Машина должна быть
отключена от сети штепсельной вилкой: при смене рабочего инструмента, установке
насадок и регулировке; при переносе машины с одного рабочего места на другое;
при перерыве в работе;
по окончании работы или смены.
4.12. По окончании работы или
смены машина должна быть очищена от пыли, грязи и сдана лицу, отвечающему за ее
исправность.
4.13. Сверлить отверстия и
пробивать борозды в стенах, панелях и перекрытиях, в которых может быть
расположена скрытая электропроводка, а также производить другие работы, при
выполнении которых может быть повреждена изоляция электрических проводов и
установок, следует после отключения этих проводов и установок от источников
питания. При этом должны быть приняты меры по предупреждению ошибочного
появления на них напряжения.
4.14. Работы, при выполнении
которых могут быть повреждены скрыто расположенные санитарно-технические
трубопроводы, следует выполнять при перекрытых трубопроводах.
4.15. Работы по п. 4.13 должны
выполняться электротехническим персоналом или под его наблюдением и оформляться
нарядом. В наряде должны быть указаны схемы расположения скрытых
электропроводок, трубопроводов и меры безопасности при выполнении работ.
4.16. Для соблюдения
гигиенических норм уровней шума на рабочем месте организации, эксплуатирующие
машины, должны применять средства строительной и технической акустики, в том
числе боксы, экраны, звукопоглощающие облицовки, штучные звукопоглотители и
т.п.
Если техническими средствами невозможно
обеспечить соблюдение гигиенических норм, работающие в зоне повышенного шума
должны использовать средства индивидуальной защиты.
4.17. Запрещается:
оставлять без надзора машину,
присоединенную к питающей сети;
передавать машину лицам, не имеющим права
пользоваться ею;
работать машинами с приставных лестниц;
натягивать и перекручивать кабель
(шнуры), подвергать их нагрузкам (например, ставить на них груз);
превышать предельно допустимую
продолжительность работы, указанную в паспорте машины;
снимать с машины при эксплуатации
средства виброзащиты и управления рабочим инструментом.
4.18. Запрещается
эксплуатировать машину при возникновении во время работы хотя бы одной из
следующих неисправностей:
повреждения штепсельного соединения,
кабеля (шнура) или его защитной трубки;
повреждения крышки щеткодержателя;
нечеткой работы выключателя;
искрения щеток на коллекторе,
сопровождающегося появлением кругового огня на его поверхности;
вытекания смазки из редуктора или
вентиляционных каналов;
появления дыма или запаха, характерного
для горящей изоляции;
появления стука;
поломки или появления трещин в корпусной
детали, рукоятке, защитном ограждении;
повреждения рабочего инструмента.
5. Периодическая проверка
машины
5.1. Машины и вспомогательное
оборудование к ним (трансформаторы, преобразователи частоты,
защитно-отключающие устройства, кабели-удлинители и т.п.) должны подвергаться
периодической проверке не реже одного раза в 6 мес.
5.2. В объем периодической
проверки машин и вспомогательного оборудования входят: внешний осмотр;
проверка работы на холостом ходу не менее
5 мин;
измерение сопротивления изоляции
(мегаомметром на 500 B постоянного
напряжения при включенном выключателе, сопротивление изоляции должно быть не
менее 0,5 МОм);
проверка исправности цепи заземления
машин класса I и оборудования классов 01 и 1 по
ГОСТ
12.2.007.0.
6. Техническое обслуживание
и ремонт машин
6.1. Предприятие,
эксплуатирующее машины, должно обеспечить техническое обслуживание машин,
контроль за их исправностью и учет работы.
6.2. Техническое обслуживание
машин, вспомогательного оборудования и их проверка должны производиться
специально подготовленным персоналом, имеющим квалификационную группу по
технике безопасности не ниже III.
6.3. Ремонт машин должен производиться
специализированным предприятием (подразделением). Каждая машина после ремонта
должна быть подвергнута приемосдаточным испытаниям в соответствии с п. 2
приложения 3.
7. Требования
к хранению и транспортированию машин
7.1. Машины должны храниться в
сухом помещении. Кроме того, должны выполняться требования к условиям хранения,
указанные в паспорте машин.
7.2. Помещение для хранения
машин должно быть оборудовано специальными стеллажами, полками, ящиками,
обеспечивающими сохранность машин. Запрещается складировать машины без упаковки
в два и более рядов.
7.3. При транспортировании
машин в пределах предприятия (объекта) должны быть приняты меры
предосторожности, исключающие их повреждение.
Запрещается перевозить машины вместе с
металлическими деталями, изделиями и т.п.
1. В бытовых условиях
разрешается эксплуатировать машины в соответствии с назначением и требованиями,
указанными в паспорте машины.
2. Паспорт машины должен
содержать требования пп. 2.6, 3.1, 4.2, 4.5, 4.7, 4.8, 4.10, 4.11, 4.13,4.17 и
4.18 приложения 1.
1. Изготовитель должен
проводить испытания на безопасность при приемосдаточных и периодических
испытаниях машин.
2. Приемосдаточные испытания
должны включать в себя обкатку, проверку правильности сборки, проверку
исправности цепи заземления для машин класса I, испытание электрической прочности изоляции.
2.1. Продолжительность обкатки
машин должна быть не менее 30 мин. Режим обкатки устанавливает изготовитель.
2.2. Проверку правильности
сборки проводят внешним осмотром и трехкратным включением и отключением
выключателя у подключенной на номинальное напряжение машины, при этом не должно
быть отказов пуска и отключения.
2.3. Проверку исправности цепи
заземления машин класса I проводят
устройством на напряжение не более 12 B, один
контакт которого подключают к заземляющему контакту штепсельной вилки, а другой
- к доступной для прикосновения металлической детали машины (например, к
шпинделю). Машину считают исправной, если устройство показывает наличие тока.
2.4. Испытание электрической
прочности изоляции проводят напряжением переменного тока частотой 50 Гц для
машин: класса I - 1000 B, класса II -
2500 B, класса III - 400 B.
Электроды испытательной установки
прикладывают к одному из токоподводящих контактов штепсельной вилки, и к
шпинделю, или металлическому корпусу, или фольге, наложенной на корпус машины,
выполненный из изоляционного материала (выключатель должен быть включен).
Изоляция машины должна выдерживать в
течение 3 с указанные напряжения.
Допускается сокращать время испытания до
1 с при условии повышения испытательного напряжения на 20%.
Примечание. При испытании машин класса I с установленными конденсаторами испытательное напряжение может быть снижено до величины испытательного напряжения конденсаторов, но при этом изоляция деталей, находящихся под напряжением, должна быть испытана напряжением 1500 B в процессе изготовления машины.
3. Периодические испытания
машин следует проводить не реже одного раза в год на соответствие требованиям,
предусмотренным настоящим стандартом.
ИНФОРМАЦИОННЫЕ ДАННЫЕ
1. РАЗРАБОТАН И ВНЕСЕН
Московским научно-производственным объединением по механизированному
строительному инструменту и отделочным машинам
2. УТВЕРЖДЕН И ВВЕДЕН В
ДЕЙСТВИЕ Постановлением Комитета стандартизации и метрологии СССР от 30.09.91 №
1563
Настоящий стандарт разработан методом прямого
применения международного стандарта МЭК 745-1-82 «Безопасность ручных
электрических машин. Часть 1. Общие требования» с датой введения в действие с
01.01.93
3. ВЗАМЕН ГОСТ
12.2.013.0-87
4. ССЫЛОЧНЫЕ
НОРМАТИВНО-ТЕХНИЧЕСКИЕ ДОКУМЕНТЫ
|
Обозначение НТД, на который дана ссылка |
Номер пункта, приложения |
Обозначение НТД, на который дана ссылка |
Номер пункта, приложения |
|
ГОСТ
12.2.006-87 ГОСТ
7399-97 |
Приложение B Приложение 1 11.5; 21.3; 23.3 |
ГОСТ
8865-93 ГОСТ
25516-82 ГОСТ
27570.0-87 |
11.5 22.2 1.1; 4.8; 7.3; 11.2; 11.4; разд. 12 |
5. ПЕРЕИЗДАНИЕ
|
|
|
|