Бесплатная библиотека стандартов и нормативов www.docload.ru

Все документы, размещенные на этом сайте, не являются их официальным изданием и предназначены исключительно для ознакомительных целей.
Электронные копии этих документов могут распространяться без всяких ограничений. Вы можете размещать информацию с этого сайта на любом другом сайте.
Это некоммерческий сайт и здесь не продаются документы. Вы можете скачать их абсолютно бесплатно!
Содержимое сайта не нарушает чьих-либо авторских прав! Человек имеет право на информацию!

 

ИНСТРУКЦИЯ
ПО УСТРОЙСТВУ МОЛНИЕЗАЩИТЫ ЗДАНИЙ И СООРУЖЕНИЙ

РД 34.21.122-87

Москва ГНИЭИ им. Кржижановского, 1987 г.

Москва ГОСЭНЕРГОНАДЗОР 1995 г.

Смотри Разъяснение Управления по надзору в электроэнергетике Ростехнадзора о совместном применении "Инструкции по молниезащите зданий и сооружений" (РД 34.21.122-87) и "Инструкции по молниезащите зданий, сооружений и промышленных коммуникаций" (СО 153-34.21.122-2003)

Содержание

1. ОБЩИЕ ПОЛОЖЕНИЯ

2. ТРЕБОВАНИЯ К ВЫПОЛНЕНИЮ МОЛНИЕЗАЩИТЫ ЗДАНИЙ И СООРУЖЕНИЙ

3. КОНСТРУКЦИИ МОЛНИЕОТВОДОВ

ПРИЛОЖЕНИЕ 1 ОСНОВНЫЕ ТЕРМИНЫ

ПРИЛОЖЕНИЕ 2 ХАРАКТЕРИСТИКИ ИНТЕНСИВНОСТИ ГРОЗОВОЙ ДЕЯТЕЛЬНОСТИ И ГРОЗОПОРАЖАЕМОСТИ ЗДАНИЙ И СООРУЖЕНИЙ

ПРИЛОЖЕНИЕ 3 ЗОНЫ ЗАЩИТЫ МОЛНИЕОТВОДОВ

ПОСОБИЕ К "ИНСТРУКЦИИ ПО УСТРОЙСТВУ МОЛНИЕЗАЩИТЫ ЗДАНИЙ И СООРУЖЕНИЙ"

1. КРАТКИЕ СВЕДЕНИЯ О РАЗРЯДАХ МОЛНИИ И ИХ ПАРАМЕТРАХ

2. ХАРАКТЕРИСТИКИ ГРОЗОВОЙ ДЕЯТЕЛЬНОСТИ

3. КОЛИЧЕСТВО ПОРАЖЕНИЙ МОЛНИЕЙ НАЗЕМНЫХ СООРУЖЕНИЙ

4. ОПАСНЫЕ ВОЗДЕЙСТВИЯ МОЛНИИ

5. КЛАССИФИКАЦИЯ ЗАЩИЩАЕМЫХ ОБЪЕКТОВ

6. СРЕДСТВА И СПОСОБЫ МОЛНИЕЗАЩИТЫ

7. ЗАЩИТНОЕ ДЕЙСТВИЕ И ЗОНЫ ЗАЩИТЫ МОЛНИЕОТВОДОВ

8. ПОДХОД К НОРМИРОВАНИЮ ЗАЗЕМЛИТЕЛЕЙ МОЛНИЕЗАЩИТЫ

9. ПРИМЕРЫ ИСПОЛНЕНИЯ МОЛНИЕЗАЩИТЫ РАЗЛИЧНЫХ ОБЪЕКТОВ

Разработчик Государственный научно-исследовательский энергетический институт им. Г.М. Кржижановского

Инструкция по устройству молниезащиты зданий и сооружений. РД 34.21.122-87

Инструкция устанавливает комплекс мероприятий и устройств для обеспечения безопасности людей (сельскохозяйственных животных), предохранения зданий, сооружений, оборудования и материалов от взрывов, пожаров, разрушений при воздействии молнии. Инструкция обязательна для всех министерств и ведомств.

Предназначена для специалистов, проектирующих здания и сооружения.

ПРЕДИСЛОВИЕ

Требования настоящей Инструкции обязательны для выполнения всеми министерствами и ведомствами.

Инструкция устанавливает необходимый комплекс мероприятий и устройств, предназначенных для обеспечения безопасности людей (сельскохозяйственных животных), предохранения зданий, сооружений, оборудования и материалов от взрывов, пожаров и разрушений, возможных при воздействиях молнии.

Инструкция должна соблюдаться при разработке проектов зданий и сооружений.

Инструкция не распространяется на проектирование и устройство молниезащиты линий электропередачи, электрической части электростанций и подстанций, контактных сетей, радио- и телевизионных антенн, телеграфных, телефонных и радиотрансляционных линий, а также зданий и сооружений, эксплуатация которых связана с применением, производством или хранением пороха и взрывчатых веществ.

Настоящая Инструкция регламентирует мероприятия по молниезащите, выполняемые при строительстве, и не исключает использования дополнительных средств молниезащиты внутри здания и сооружения при проведении реконструкции или установке дополнительного технологического или электрического оборудования.

При разработке проектов зданий и сооружений помимо требований Инструкции должны быть учтены требования к выполнению молниезащиты других действующих норм, правил, инструкций, государственных стандартов.

С введением в действие настоящей Инструкции утрачивает силу "Инструкция по проектированию и устройству молниезащиты зданий и сооружений" СН 305-77.

1. ОБЩИЕ ПОЛОЖЕНИЯ

1.1. В соответствии с назначением зданий и сооружений необходимость выполнения молниезащиты и ее категория, а при использовании стержневых и тросовых молниеотводов - тип зоны защиты определяются по табл. 1 в зависимости от среднегодовой продолжительности гроз в месте нахождения здания или сооружения, а также от ожидаемого количества поражений его молнией в год. Устройство молниезащиты обязательно при одновременном выполнении условий, записанных в графах 3 и 4 табл. 1.

Оценка среднегодовой продолжительности гроз и ожидаемого количества поражений молнией зданий или сооружений производится согласно приложению 2; построение зон защиты различных типов - согласно приложению 3.

___________

1 Настоящая Инструкция разработана Государственным научно-исследовательским энергетическим институтом им. Г.М. Кржижановского Минэнерго СССР, согласована с Госстроем СССР (письмо № АЧ-3945-8 от 30 июля 1987 г.) и утверждена Главтехуправлением Минэнерго СССР. С введением в действие настоящей Инструкции утрачивает силу «Инструкция по проектированию и устройству молниезащиты зданий и сооружений» СН 305-77.

Таблица I

№ пп.

Здания и сооружения

Местоположение

Тип зоны защиты при использовании стержневых и тросовых молниеотводов

Категория молниезащиты

1

2

3

4

5

1

Здания и сооружения или их части, помещения которых согласно ПУЭ относятся к зонам классов В-I и В-II

На всей территории СССР

А

I

2

То же классов В-Iа, В-Iб, В-IIа

В местностях со средней продолжительностью гроз 10 ч в год и более

При ожидаемом количестве поражений молнией в год здания или сооружения N<1-А; N£1 - Б

II

3

Наружные установки, создающие согласно ПУЭ зону класса В-Iг

На всей территории СССР

Б

II

4

Здания и сооружения или их части, помещения которых согласно ПУЭ относятся к зонам классов П-I, П-II, П-IIа

В местностях со средней продолжительностью гроз 20 ч в год и более

Для здания и сооружений I и II степеней огнестойкости при 0,1<N£2 и для III - V степеней огнестойкости при 0,02<N£2 -Б, при N > 2- А

III

5

Расположенные в сельской местности небольшие строения III - V степеней огнестойкости, помещения которых согласно ПУЭ относятся к зонам классов П-I, П-II, П-IIа

В местностях со средней продолжительностью гроз 20 ч в год и более при N<02

III (п. 2.30)

6

Наружные установки и открытые склады, создающие согласно ПУЭ зону классов П-III

В местностях со средней продолжительностью гроз 20 ч в год и более

При 0,1<N£2 - Б, при N>2 - А

III

7

Здания и сооружения III, IIIa, IIIб, IV, V степеней огнестойкости, в которых отсутствуют помещения, относимые по ПУЭ к зонам взрыво- и пожароопасных классов

То же

При 0,1<N£2 - Б, при N>2 - А

 

8

Здания и сооружения из легких металлических конструкций со сгораемым утеплителем (IVa степени огнестойкости), в которых отсутствуют помещения, относимые по ПУЭ к зонам взрыво- и пожароопасных классов

В местностях со средней продолжительностью гроз 10 ч в год и более

При 0,02<N£2 - Б, при N>2 - А

III

9

Небольшие строения III-V степеней огнестойкости, расположенные в сельской местности, в которых отсутствуют помещения, относимые по ПУЭ к зонам взрыво- и пожароопасных классов

В местностях со средней продолжительностью гроз 20 ч в год и более для III, IIIa, IIIб, IV, V степеней огнестойкости при N<0,1, для IVa степени огнестойкости при N<0,02

III (п. 2.30)

10

Здания вычислительных центров, в том числе расположенные в городской застройке

В местностях со средней продолжительностью гроз 20 ч в год и более

Б

II

11

Животноводческие и птицеводческие здания и сооружения III-V степеней огнестойкости: для крупного рогатого скота и свиней на 100 голов и более, для овец на 500 голов и более, для птицы на 1000 голов и более, для лошадей на 40 голов и более

В местностях со средней продолжительностью гроз 40 ч в год и более

Б

III

12

Дымовые и прочие трубы предприятий и котельных, башни и вышки всех назначений высотой 15 м и более

В местностях со средней продолжительностью гроз 10 ч в год и более

Б

III (п. 2.31)

13

Жилые и общественные здания, высота которых более чем на 25 м больше средней высоты окружающих зданий в радиусе 400 м, а также отдельно стоящие здания высотой более 30 м, удаленные от других зданий более чем на 400 м

В местностях со средней продолжительностью гроз 20 ч в год и более

Б

III

14

Отдельно стоящие жилые и общественные здания в сельской местности высотой более 30 м

То же

Б

III

15

Общественные здания III-V степеней огнестойкости следующего назначения: детские дошкольные учреждения, школы и школы-интернаты, стационары лечебных учреждений, спальные корпуса и столовые учреждений здравоохранения и отдыха, культурно-просветительные и зрелищные учреждения, административные здания, вокзалы, гостиницы, мотели и кемпинги

То же

Б

III

16

Открытые зрелищные учреждения (зрительные залы открытых кинотеатров, трибуны открытых стадионов и т.п.)

То же

Б

III

17

Здания и сооружения, являющиеся памятниками истории, архитектуры и культуры (скульптуры, обелиски и т.п.)

То же

Б

III

1.2. Здания и сооружения, отнесенные по устройству молниезащиты к I и II категориям, должны быть защищены от прямых ударов молнии, вторичных ее проявлений и заноса высокого потенциала через наземные (надземные) и подземные металлические коммуникации.

Здания и сооружения, отнесенные по устройству молниезащиты к III категории, должны быть защищены от прямых ударов молнии и заноса высокого потенциала через наземные (надземные) металлические коммуникации.

Наружные установки, отнесенные по устройству молниезащиты ко II категории, должны быть защищены от прямых ударов и вторичных проявлений молнии.

Наружные установки, отнесенные по устройству молниезащиты к III категории, должны быть защищены от прямых ударов молнии.

Внутри зданий большой площади (шириной более 100 м) необходимо выполнять мероприятия по выравниванию потенциалов.

1.3. Для зданий и сооружений с помещениями, требующими устройства молниезащиты I и II или I и III категорий, молниезащиту всего здания или сооружения следует выполнять по I категории.

Если площадь помещений I категории молниезащиты составляет менее 30 % площади всех помещений здания, молниезащиту всего здания, допускается выполнять по II категории независимо от категории остальных помещений. При этом на вводе в помещения I категории должна быть предусмотрена защита от заноса высокого потенциала по подземным и наземным (надземным) коммуникациям, выполняемая согласно пп. 2.8 и 2.9.

1.4. Для зданий и сооружений с помещениями, требующими устройства молниезащиты II и III категорий, молниезащиту всего здания или сооружения следует выполнять по II категории.

Если площадь помещений II категории молниезащиты составляет менее 30 % площади всех помещений здания, молниезащиту всего здания допускается выполнять по III категории. При этом на вводе в помещения II категории должна быть предусмотрена защита от заноса высокого потенциала по подземным и наземным (надземным) коммуникациям, выполняемая согласно пп. 2.22 и 2.23.

1.5. Для зданий и сооружений, не менее 30 % общей площади которых приходится на помещения, требующие устройства молниезащиты по I, II или III категории, молниезащита этой части зданий и сооружений должна быть выполнена в соответствии с п. 1.2.

Для зданий и сооружений, более 70 % общей площади которых составляют помещения, не подлежащие молниезащите согласно табл. 1, а остальную часть здания составляют помещения I, II или III категории молниезащиты, должна быть предусмотрена только защита от заноса высоких потенциалов по коммуникациям, вводимым в помещения, подлежащие молниезащите: по I категории - согласно пп. 2.8, 2.9; по II и III категориям - путем присоединения коммуникаций к заземляющему устройству электроустановок, соответствующему указаниям п. 1.7, или к арматуре железобетонного фундамента здания (с учетом требований п. 1.8). Такое же присоединение должно быть предусмотрено для внутренних коммуникаций (не вводимых извне)

1.6. В целях защиты зданий и сооружений любой категории от прямых ударов молнии следует максимально использовать в качестве естественных молниеотводов существующие высокие сооружения (дымовые трубы, водонапорные башни, прожекторные мачты, воздушные линии электропередачи и т.п.), а также молниеотводы других близрасположенных сооружений.

Если зданию или сооружение частично вписывается в зону защиты естественных молниеотводов или соседних объектов, защита от прямых ударов молнии должна предусматриваться только для остальной, незащищенной его части. Если в ходе эксплуатации здания или сооружения реконструкция или демонтаж соседних объектов приведет к увеличению этой незащищенной части, соответствующие изменения защиты от прямых ударов молнии должны быть выполнены до начала ближайшего грозового сезона; если демонтаж или реконструкция соседних объектов проводятся в течение грозового сезона, на это время должны быть предусмотрены временные мероприятия, обеспечивающие защиту от прямых ударов молнии незащищенной части здания или сооружения.

1.7. В качестве заземлителей молниезащиты допускается использовать все рекомендуемые «Правилами устройства электроустановок» заземлители электроустановки, за исключением нулевых проводов воздушных линий электропередачи напряжением до 1 кВ.

1.8. Железобетонные фундаменты зданий, сооружений, наружных установок, опор молниеотводов следует, как правило, использовать в качестве заземлителей молниезащиты при условии обеспечения непрерывной электрической связи по их арматуре и присоединения ее к закладным деталям с помощью сварки.

Битумные и битумно-латексные покрытия не являются препятствием для такого использования фундаментов. В средне- и сильноагрессивных грунтах, где защита железобетона от коррозии выполняется эпоксидными и другими полимерными покрытиями, а также при влажности грунта менее 3 % использовать железобетонные фундаменты в качестве заземлителей не допускается.

Искусственные заземлители следует располагать под асфальтовым покрытием или в редко посещаемых местах (на газонах, в удалении на 5 м и более от грунтовых проезжих и пешеходных дорог и т.п.).

1.9. Выравнивание потенциалов внутри зданий и сооружений шириной более 100 м должно происходить за счет непрерывной электрической связи между несущими внутрицеховыми конструкциями и железобетонными фундаментами, если последние могут быть использованы в качестве заземлителей согласно п. 1.8.

В противном случае должна быть обеспечена прокладка внутри здания в земле на глубине не менее 0,5 м протяженных горизонтальных электродов сечением не менее 100 мм2. Электроды следует прокладывать не реже чем через 60 м по ширине здания и присоединять по его торцам с двух сторон к наружному контуру заземления.

1.10. На часто посещаемых открытых площадках с повышенной опасностью поражения молнией (вблизи монументов, телебашен и подобных сооружений высотой более 100 м) выравнивание потенциала выполняется присоединением токоотводов или арматуры сооружения к его железобетонному фундаменту не реже чем через 25 м по периметру основания сооружения.

При невозможности использования железобетонных фундаментов в качестве заземлителей под асфальтовым покрытием площадки на глубине не менее 0,5 м через каждые 25 м должны быть проложены радиально расходящиеся горизонтальные электроды сечением не менее 100 мм2, присоединенные к заземлителям защиты сооружения от прямых ударов молнии.

1.11. При возведении в грозовой период высоких зданий и сооружений на них в ходе строительства, начиная с высоты 20 м, необходимо предусматривать следующие временные мероприятия по молниезащите. На верхней отметке строящегося объекта должны быть закреплены молниеприемники, которые через металлические конструкции или свободно спускающиеся вдоль стен токоотводы следует присоединять к заземлителям, указанным в пп. 3.7 и 3.8. В зону защиты типа Б молниеотводов должны входить все наружные площадки, где в ходе строительства могут находиться люди. Соединения элементов молниезащиты могут быть сварными или болтовыми. По мере увеличения высоты строящегося объекта молниеприемники следует переносить выше.

При возведении высоких металлических сооружений их основания в начале строительства должны быть присоединены к заземлителям, указанным в пп.. 3.7 и 3.8.

1.12. Устройства и мероприятия по молниезащите, отвечающие требованиям настоящих норм, должны быть заложены в проект и график строительства или реконструкции здания или сооружения таким образом, чтобы выполнение молниезащиты происходило одновременно с основными строительно-монтажными работами.

1.13. Устройства молниезащиты зданий и сооружений должны быть приняты и введены в эксплуатацию к началу отделочных работ, а при наличии взрывоопасных зон до начала комплексного опробования технологического оборудования.

При этом оформляется и передается заказчику скорректированная при строительстве и монтаже проектная документация по устройству молниезащиты (чертежи и пояснительная записка) и акты приемки устройств молниезащиты, в том числе акты на скрытые работы по присоединению заземлителей к токоотводам и токоотводов к молниеприемникам, за исключением случаев использования стального каркаса здания в качестве токоотводов и молниеприемников, а также результаты замеров сопротивлений току промышленной частоты заземлителей отдельно стоящих молниеотводов.

1.14. Проверка состояния устройств молниезащиты должна производиться для зданий и сооружений I и II категорий I раз в год перед началом грозового сезона, для зданий и сооружений III категории - не реже I раза в 3 года.

Проверке подлежат целость и защищенность от коррозии доступных обзору частей молниеприемников и токоотводов и контактов между ними, а также значение сопротивления току промышленной частоты заземлителей отдельно стоящих молниеотводов. Это значение не должно превышать результаты соответствующих замеров на стадии приемки более чем в 5 раз (п. 1.13). В противном случае следует проводить ревизию заземлителя.

2. ТРЕБОВАНИЯ К ВЫПОЛНЕНИЮ МОЛНИЕЗАЩИТЫ ЗДАНИЙ И СООРУЖЕНИЙ

Молниезащита I категории

2.1. Защита от прямых ударов молнии зданий и сооружений, относимых по устройству молниезащиты к I категории, должна выполняться отдельно стоящими стержневыми (рис. 1) или тросовыми (рис. 2) молниеотводами.

Рис. 1. Отдельно стоящий стержневой молниеотвод: 1 - защищаемый объект; 2 - металлические коммуникации

Рис. 2. Отдельно стоящий тросовый молниеотвод. Обозначения те же, что и на рис. 1

Указанные молниеотводы должны обеспечивать зону защиты типа А в соответствии с требованиями приложения 3. При этом обеспечивается удаление элементов молниеотводов от защищаемого объекта и подземных металлических коммуникаций в соответствии с пп. 2.3, 2.4, 2.5.

2.2. Выбор заземлителя защиты от прямых ударов молнии (естественного или искусственного) определяется требованиями п. 1.8.

При этом для отдельно стоящих молниеотводов приемлемыми являются следующие конструкции заземлителей (табл. 2):

а) один (и более) железобетонный подножник длиной не менее 2 м или одна (и более) железобетонная свая длиной не менее 5 м;

б) одна (и более) заглубленная в землю не менее чем на 5 м стойка железобетонной опоры диаметром не менее 0,25 м;

в) железобетонный фундамент произвольной формы с площадью поверхности контакта с землей не менее 10 м2;

г) искусственный заземлитель, состоящий из трех вертикальных электродов и более длиной не менее 3 м, объединенных горизонтальным электродом, при расстоянии между вертикальными электродами не менее 5 м. Минимальные сечения (диаметры) электродов определяются по табл. 3.

Таблица 2

Заземлитель

Эскиз

Размеры, м

Железобетонный подножник

a ³ 1,8

b ³ 0,4

l ³ 2,2

Железобетонная свая

d = 0,25-0,4

l ³ 5

Стальной двухстержневой:

полоса размером 40´4 мм;

стержни диаметром d=10-20 мм

t ³ 0,5

l = 3-5

c = 3-5

Стальной трехстержисвой:

полоса размером 40´4 мм;

стержни диаметром d= 10-20 мм

t ³ 0,5

l = 3-5

c = 5-6

Таблица 3

Форма токоотвода и заземлителя

Сечение (диаметр) токоотвода и заземлителя, проложенных

снаружи здания на воздухе

в земле

Круглые токоотводы и перемычки диаметром, мм

6

Круглые вертикальные электроды диаметром, мм

10

Круглые горизонтальные* электроды диаметром, мм

10

Прямоугольные электроды:

 

 

сечением, мм2

48

160

толщиной, мм

4

4

* Только для выравнивания потенциалов внутри зданий и для прокладки наружных контуров на дне котлована по периметру здания.

2.3. Наименьшее допустимое расстояние Sв по воздуху от защищаемого объекта до опоры (токоотвода) стержневого или тросового молниеотвода (см. рис. 1 и 2) определяется в зависимости от высоты здания, конструкции заземлителя и эквивалентного удельного электрического сопротивления грунта r, Ом×м.

Для зданий и сооружений высотой не более 30 м наименьшее допустимое расстояние Sв, м, равно:

при r < 100 Ом×м

при 100 < r £ 1000 Ом×м:

для заземлителей, состоящих из одной железобетонной сваи, одного железобетонного подножника или заглубленной стойки железобетонной опоры, длина которых указана в п. 2.2а, б, Sв = 3+ l0-2 (r-100)?;

для заземлителей, состоящих из четырех железобетонных свай либо, подножников, расположенных в углах прямоугольника на расстоянии 3-8 м один от другого, или железобетонного фундамента произвольной формы с площадью поверхности контакта с землей не менее 70 м2 или искусственных заземлителей, указанных в п. 2.2г, Sв = 4 м.

Для зданий и сооружений большей высоты определенное выше значение Sв должно быть увеличено на 1 м в расчете на каждые 10 м высоты объекта сверх 30 м.

2.4. Наименьшее допустимое расстояние Sв от защищаемого объекта до троса в середине пролета (рис. 2) определяется в зависимости от конструкции заземлителя, эквивалентного удельного сопротивления грунта r, Ом×м, и суммарной длины l молниеприемников и токоотводов.

При длине l < 200 м наименьшее допустимое расстояние Sв1, м, равно:

при r £ 100 Ом×м для заземлителя любой конструкции, приведенной в п. 2.2, Sв1 =3,5 м;

при 100 < r £ 1000 Ом×м:

для заземлителей, состоящих из одной железобетонной сваи, одного железобетонного подножника или заглубленной стойки железобетонной опоры, длина которых указана в п. 2.2a, б, Sв1=3,5+3×10-3 (r-100);

для заземлителей, состоящих из четырех железобетонных свай или подножников, расположенных на расстоянии 3-8 м один от другого, или искусственных заземлителей, указанных в п. 2.2г, Sв1=4м.

При суммарной длине молниеприемников и токоотводов l=200-300 м наименьшее допустимое расстояние Sв1 должно быть увеличено на 2 м по сравнению с определенными выше значениями.

2.5. Для исключения заноса высокого потенциала в защищаемое здание или сооружение по подземным металлическим коммуникациям (в том числе по электрическим кабелям любого назначения) заземлители защиты от прямых ударов молнии должны быть по возможности удалены от этих коммуникаций на максимальные расстояния, допустимые по технологическим требованиям. Наименьшие допустимые расстояния Sз, (см. рис. 1 и 2) в земле между заземлителями защиты от прямых ударов молнии и коммуникациями, вводимыми в здания и сооружения 1 категории, должны составлять Sз = Sв + 2 (м), при Sв по п. 2.3.

2.6. При наличии на зданиях и сооружениях прямых газоотводных и дыхательных труб для свободного отвода в атмосферу газов, паров и взвесей взрывоопасной концентрации в зону защиты молниеотводов должно входить пространство над обрезом труб, ограниченное полушарием радиусом 5 м.

Для газоотводных и дыхательных труб, оборудованных колпаками или "гусаками", в зону защиты молниеотводов должно входить пространство над обрезом труб, ограниченное цилиндром высотой Н и радиусом R:

для газов тяжелее воздуха при избыточном давлении внутри установки менее 5,05 кПа (0,05 ат) Н = 1 м, R = 2 м; 5,05-26,25 кПа (0,05 - 0,25 ат) H = 2,5 м, R = 5 м,

для газов легче воздуха при избыточном давлении внутри установки:

до 25,25 кПа H = 2,5 м, R = 5 м;

свыше 25,25 кПа H = 5 м, R = 5 м.

Не требуется включать в зону защиты молниеотводов пространство над обрезом труб: при выбросе газов невзрывоопасной концентрации; наличии азотного дыхания; при постоянно горящих факелах и факелах, поджигаемых в момент выброса газов; для вытяжных вентиляционных шахт, предохранительных и аварийных клапанов, выброс газов взрывоопасной концентрации из которых осуществляется только в аварийных случаях.

2.7. Для защиты от вторичных проявлений молнии должны быть предусмотрены следующие мероприятия:

а) металлические конструкции и корпуса всего оборудования и аппаратов, находящиеся в защищаемом здании, должны быть присоединены к заземляющему устройству электроустановок, указанному в п. 1.7, или к железобетонному фундаменту здания (с учетом требований п. 1.8). Наименьшие допустимые расстояния в земле между этим заземлителем и заземлителями защиты от прямых ударов молнии должны быть в соответствии с п. 2.5;

б) внутри зданий и сооружений между трубопроводами и другими протяженными металлическими конструкциями в местах их взаимного сближения на расстояние менее 10 см через каждые 20 м следует приваривать или припаивать перемычки из стальной проволоки диаметром не менее 5 мм или стальной ленты сечением не менее 24 мм2, для кабелей с металлическими оболочками или броней перемычки должны выполняться из гибкого медного проводника в соответствии с указаниями СНиП 3.05.06-85;

в) в соединениях элементов трубопроводов или других протяженных металлических предметов должны быть обеспечены переходные сопротивления не более 0,03 Ом на каждый контакт. При невозможности обеспечения контакта с указанным переходным сопротивлением с помощью болтовых соединений необходимо устройство стальных перемычек, размеры которых указаны в подпункте "б".

2.8. Защита от заноса высокого потенциала по подземным металлическим коммуникациям (трубопроводам, кабелям в наружных металлических оболочках или трубах) должна осуществляться путем их присоединения на вводе в здание или сооружение к арматуре его железобетонного фундамента, а при невозможности использования последнего в качестве заземлителя - к искусственному заземлителю, указанному в п. 2.2 г.

2.9. Защита от заноса высокого потенциала по внешним наземным (надземным) металлическим коммуникациям должна осуществляться путем их заземления на вводе в здание или сооружение и на двух ближайших к этому вводу опорах коммуникации. В качестве заземлителей следует использовать железобетонные фундаменты здания или сооружения и каждой из опор, а при невозможности такого использования (см. п. 1.8) - искусственные заземлители, согласно п. 2.2г.

2.10. Ввода здания воздушных линий электропередачи напряжением до 1 кВ, сетей телефона, радио, сигнализации должен осуществляться только кабелями длиной не менее 50 м с металлической броней или оболочкой или кабелями, проложенными в металлических трубах.

На вводе в здание металлические трубы, броня и оболочки кабелей, в том числе с изоляционным покрытием металлической оболочки (например, ААШв, ААШп), должны быть присоединены к железобетонному фундаменту здания или (см. п. 1.8) к искусственному заземлителю, указанному в п. 2.2г.

В месте перехода воздушной линии электропередачи в кабель металлические броня и оболочка кабеля, а также штыри или крючья изоляторов воздушной линии должны быть присоединены к заземлителю, указанному в п. 2.2г. К такому же заземлителю должны быть присоединены штыри или крючья изоляторов на опоре воздушной линии электропередачи, ближайшей к месту перехода в кабель.

Кроме того, в месте перехода воздушной линии электропередачи в кабель между каждой жилой кабеля и заземленными элементами должны быть обеспечены закрытые воздушные искровые промежутки длиной 2-3 мм или установлен вентильный разрядник низкого напряжения, например РВН-0,5.

Защита от заноса высоких потенциалов по воздушным линиям электропередачи напряжением выше 1 кВ, вводимым в подстанции, размещенные в защищаемом здании (внутрицеховые или пристроенные), должна выполняться в соответствии с ПУЭ.

Молниезащита II категории

2.11. Защита от прямых ударов молнии зданий и сооружений II категории с неметаллической кровлей должна быть выполнена отдельно стоящими или установленными на защищаемом объекте стержневыми или тросовыми молниеотводами, обеспечивающими зону защиты в соответствии с требованиями табл. 1, п. 2.6 и приложения 3. При установке молниеотводов на объекте от каждого стержневого молниеприемника или каждой стойки тросового молниеприемника должно быть обеспечено не менее двух токоотводов. При уклоне кровли не более 1:8 может быть использована также молниеприемная сетка при обязательном выполнении требований п. 2.6.

Молниеприемная сетка должна быть выполнена из стальной проволоки диаметром не менее 6 мм и уложена на кровлю сверху или под несгораемые или трудносгораемые утеплитель или гидроизоляцию. Шаг ячеек сетки должен быть не более 6×6 м. Узлы сетки должны быть соединены сваркой. Выступающие над крышей металлические элементы (трубы, шахты, вентиляционные устройства) должны быть присоединены к молниеприемной сетке, а выступающие неметаллические элементы - оборудованы дополнительными молниеприемниками, также присоединенными к молниеприемной сетке.

Установка молниеприемников или наложение молниеприемной сетки не требуется для зданий и сооружений с металлическими фермами при условии, что в их кровлях используются несгораемые или трудносгораемые утеплители и гидроизоляция.

На зданиях и сооружениях с металлической кровлей в качестве молниеприемника должна использоваться сама кровля. При этом все выступающие неметаллические элементы должны быть оборудованы молниеприемниками, присоединенными к металлу кровли, в. также соблюдены требования п. 2.6.

Токоотводы от металлической кровли или молниеприемной сетки должны быть проложены к заземлителям не реже чем через 25 м по периметру здания.

2.12. При прокладке молниеприемной сетки и установке молниеотводов на защищаемом объекте всюду, где это возможно, в качестве токоотводов следует использовать металлические конструкции зданий и сооружений (колонны, фермы, рамы, пожарные лестницы и т.п., а также арматуру железобетонных конструкций) при условии обеспечения непрерывной электрической связи в соединениях конструкций и арматуры с молниеприемниками и заземлителями, выполняемых, как правило, сваркой.

Токоотводы, прокладываемые по наружным стенам зданий, следует располагать не ближе чем в 3м от входов или в местах, не доступных для прикосновения людей.

2.13. В качестве заземлителей защиты от прямых ударов молнии во всех возможных случаях (см. п. 1.8) следует использовать железобетонные фундаменты зданий и сооружений.

При невозможности использования фундаментов предусматриваются искусственные заземлители:

при наличии стержневых и тросовых молниеотводов каждый токоотвод присоединяется к заземлителю, отвечающему требованиям п. 2.2г;

при наличии молниеприемной сетки или металлической кровли по периметру здания или сооружения прокладывается наружный контур следующей конструкции:

в грунтах с эквивалентным удельным сопротивлением r £ 500 Ом×м при площади здания более 250 м2 выполняется контур из горизонтальных электродов, уложенных в земле на глубине не менее 0,5 м, а при площади здания менее 250 м2 к этому контуру в местах присоединения токоотводов приваривается по одному вертикальному или горизонтальному лучевому электроду длиной 2-3 м;

в грунтах с удельным сопротивлением 500 < r £ 1000 Ом×м при площади здания более 900 м2 достаточно выполнить контур только из горизонтальных электродов, а при площади здания менее 900 м2 к этому контуру в местах присоединения токоотводов приваривается не менее двух вертикальных или горизонтальных лучевых электродов длиной 2-3 м на расстоянии 3-5 м один от другого.

Минимально допустимые сечения (диаметры) электродов искусственных заземлителей определяются по табл. 3.

В зданиях большой площади наружный контур заземления может также использоваться для выравнивания потенциала внутри здания в соответствии с требованиями п. 1.9.

Во всех возможных случаях заземлитель защиты от прямых ударов молнии должен быть объединен с заземлителем электроустановок в соответствии с указаниями п. 1.7.

2.14. При установке отдельно стоящих молниеотводов расстояние от них по воздуху и в земле до защищаемого объекта и вводимых в него подземных коммуникаций не нормируется.

2.15. Наружные установки, содержащие горючие и сжиженные газы и легковоспламеняющиеся жидкости, следует защищать от прямых ударов молнии следующим образом:

а) корпуса установок из железобетона, металлические корпуса установок и отдельных резервуаров при толщине металла крыши менее 4 мм должны быть оборудованы молниеотводами, установленными на защищаемом объекте или отдельно стоящими;

б) металлические корпуса установок и отдельных резервуаров при толщине металла крыши 4 мм и более, а также отдельные резервуары вместимостью менее 200 м3 независимо от толщины металла крыши, а также металлические кожухи теплоизолированных установок достаточно присоединить к заземлителю.

2.16. Для резервуарных парков, содержащих сжиженные газы, общей вместимостью более 8000 м3, а также для резервуарных парков с корпусами из металла и железобетона, содержащих горючие газы и легковоспламеняющиеся жидкости, при общей вместимости группы резервуаров более 100 тыс. м3 защиту от прямых ударов молнии следует, как правило, выполнять отдельно стоящими молниеотводами.

2.17. Очистные сооружения подлежат защите от прямых ударов молнии, если температура вспышки содержащегося в сточных водах продукта превышает его рабочую температуру менее чем на 10 °С. В зону защиты молниеотводов должно входить пространство, основание которого выходит за пределы очистного сооружения на 5 м в каждую сторону от его стенок, а высота равна высоте сооружения плюс 3 м.

2.18. Если на наружных установках или в резервуарах (наземных или подземных), содержащих горючие газы или легковоспламеняющиеся жидкости, имеются газоотводные или дыхательные трубы, то они и пространство над ними (см. п. 2.6) должны быть защищены от прямых ударов молнии. Такое же пространство защищается над срезом горловины цистерн, в которые происходит открытый налив продукта на сливоналивной эстакаде. Защите от прямых ударов молнии подлежат также дыхательные клапаны и пространство над ними, ограниченное цилиндром высотой 2,5 м с радиусом 5 м.

Для резервуаров с плавающими крышами или понтонами и зону защиты молниеотводов должно входить пространство, ограниченное поверхностью, любая точка которой отстоит на 5 м от легковоспламеняющейся жидкости в кольцевом зазоре.

2.19. Для наружных установок, перечисленных в пп. 2.15 - 2.18, в качестве заземлителей защиты от прямых ударов молнии следует по возможности использовать железобетонные фундаменты этих установок или опор отдельно стоящих молниеотводов либо выполнять искусственные заземлители, состоящие из одного вертикального или горизонтального электрода длиной не менее 5 м.

К этим заземлителям, размещенным не реже чем через 50 м по периметру основания установки, должны быть присоединены корпуса наружных установок или токоотводы установленных на них молниеотводов, число присоединений - не менее двух.

2.20. Для защиты зданий и сооружений от вторичных проявлений молнии должны быть предусмотрены следующие мероприятия:

а) металлические корпуса всего оборудования и аппаратов, установленных в защищаемом здании (сооружении), должны быть присоединены к заземляющему устройству электроустановок, соответствующему указаниям п. 1.7, или к железобетонному фундаменту здания (с учетом требований п. 1.8);

б) внутри здания между трубопроводами и другими протяженными металлическими конструкциями в местах их сближения на расстояние менее 10 см через каждые 30 м должны быть выполнены перемычки в соответствии с указаниями п. 2.76;

в) во фланцевых соединениях трубопроводов внутри здания следует обеспечить нормальную затяжку не менее четырех болтов на каждый фланец.

2.21. Для защиты наружных установок от вторичных проявлений молнии металлические корпуса установленных на них аппаратов должны быть присоединены к заземляющему устройству электрооборудования или к заземлителю защиты от прямых ударов молнии.

На резервуарах с плавающими крышами или понтонами необходимо устанавливать не менее двух гибких стальных перемычек между плавающими крышами или понтонами и металлическим корпусом резервуара или токоотводами установленных на резервуаре молниеотводов.

2.22. Защита от заноса высокого потенциала по подземным коммуникациям осуществляется присоединением их на вводе в здание или сооружение к заземлителю защиты от прямых ударов молнии.

2.23. Защита от заноса высокого потенциала по внешним наземным (надземным) коммуникациям выполняется путем их присоединения на вводе в здание или сооружение к заземлителю защиты от прямых ударов молнии, а на ближайшей к вводу опоре коммуникации - к ее железобетонному фундаменту. При невозможности использования фундамента (см. п. 1.8) должен быть установлен искусственный заземлитель, состоящий из одного вертикального или горизонтального электрода длиной не менее 5 м.

2.24. Защита от заноса высокого потенциала по воздушным линиям электропередачи, сетям телефона, радио и сигнализации должна быть выполнена в соответствии с п. 2.10.

Молниезащита III категории

2.25. Защита от прямых ударов молнии зданий и сооружений, относимых по устройству молниезащиты к III категории, должна выполняться одним из способов, указанных в п. 2.11, с соблюдением требований пп. 2.12 и 2.14.

При этом в случае использования молниеприемной сетки шаг ее ячеек должен быть не более 12´12м.

2.26. Во всех возможных случаях (см. п. 1.7) в качестве заземлителей защиты от прямых ударов молнии следует использовать железобетонные фундаменты зданий и сооружений.

При невозможности их использования выполняют искусственные заземлители:

стоящему из двух вертикальных электродов (и более) длиной не менее 3 м, объединенных горизонтальным электродом длиной не менее 5 м;

при использовании в качестве молниеприемников сетки или металлической кровли по периметру здания в земле на глубине не менее 0,5 м должен быть проложен наружный контур, состоящий из горизонтальных электродов. В грунтах с эквивалентным удельным сопротивлением 500 < r £ 1000 Ом×м и при площади здания менее 900 м2 к этому контуру в местах присоединения токоотводов следует приваривать по одному вертикальному или горизонтальному лучевому электроду длиной 2-3 м.

Минимально допустимые сечения (диаметры) электродов искусственных заземлителей определяются по табл. 3.

В зданиях большой площади (шириной более 100 м) наружный контур заземления может также использоваться для выравнивания потенциалов внутри здания в соответствии с требованиями п. 1.9.

Во всех возможных случаях заземлитель защиты от прямых ударов молнии должен быть объединен с заземлителем электроустановки, указанным в гл. 1.7 ПУЭ.

2.27. При защите строений для крупного рогатого скота и конюшен отдельно стоящими молниеотводами их опоры и заземлители следует располагать не ближе чем в 5 м от входа в строения.

При установке молниеприемников или укладке сетки на защищаемом строении в качестве заземлителей следует использовать железобетонный фундамент (см. п. 1.8) или наружный контур, проложенный по периметру строения под асфальтовой или бетонной отмосткой в соответствии с указаниями п. 2.26.

К заземлителям защиты от прямых ударов молнии должны быть присоединены находящиеся внутри строения металлические конструкции, оборудование и трубопроводы, а также устройства выравнивания электрических потенциалов.

2.28. Защита от прямых ударов молнии металлических скульптур и обелисков, указанных в п. 17 табл. 1, обеспечивается присоединением их к заземлителю любой конструкции, приведенной в п. 2.26.

При наличии часто посещаемых площадок вблизи таких сооружений большой высоты должно быть выполнено выравнивание потенциала в соответствии с п. 1.10.

2.29. Молниезащита наружных установок, содержащих горючие жидкости с температурой вспышки паров выше 61 °С и соответствующих п. 6 табл. 1, должна быть выполнена следующим образом:

а) корпуса установок из железобетона, и корпуса установок и резервуаров из металла при толщине крыши менее 4 мм должны быть оборудованы молниеотводами, установленными на защищаемом сооружении или отдельно стоящими;

б) металлические корпуса установок и резервуаров при толщине крыши 4 мм и более следует присоединять к заземлителю.

Конструкции заземлителей должны отвечать требованиям п. 2.19.

2.30. Расположенные в сельской местности небольшие строения с неметаллической кровлей, соответствующие указанным в пп. 5 и 9 табл. 1, подлежат защите от прямых ударов молнии одним из упрощенных способов:

а) при наличии на расстоянии 3-10 м от строения деревьев, в 2 раза и более превышающих его высоту с учетом всех выступающих на кровле предметов (дымовые трубы, антенны и т.д.), по стволу ближайшего из деревьев должен быть проложен токоотвод, верхний конец которого выступает над кроной дерева не менее чем на 200 мм. У основания дерева токоотвод должен быть присоединен к заземлителю;

б) если конек кровли соответствует наибольшей высоте строения, над ним должен быть подвешен тросовый молниеприемник, возвышающийся над коньком не менее чем на 250 мм. Опорами для молниеприемника могут служить закрепленные на стенах строения деревянные планки. Токоотводы прокладывают с двух сторон по торцевым стенам строения и присоединяют к заземлителям. При длине строения менее 10 м токоотвод и заземлитель могут быть выполнены только с одной стороны;

в) при наличии возвышающейся над всеми элементами кровли дымовой трубы над ней следует установить стержневой молниеприемник высотой не менее 200 мм, проложить по кровле и стене строения токоотвод и присоединить его к заземлителю;

г) при наличии металлической кровли ее следует хотя бы в одной точке присоединить к заземлителю; при этом токоотводами могут служить наружные металлические лестницы, водостоки и т.д. К кровле должны быть присоединены все выступающие на ней металлические предметы.

Во всех случаях следует применять молниеприемники и токоотводы минимальным диаметром 6 мм, а в качестве заземлителя - один вертикальный высотой 2-3 м или горизонтальный электрод длиной 2-3 м минимальным диаметром 10 мм, уложенный на глубине не менее 0,5 м.

Соединения элементов молниеотводов допускаются сварные и болтовые.

2.31. Защита от прямых ударов молнии неметаллических труб, башен, вышек высотой более 15 м должна быть выполнена путем установки на этих сооружениях при их высоте:

до 50 м - одного стержневого молниеприемника высотой не менее 1 м;

от 50 до 150 м - двух стержневых молниеприемников высотой не менее 1 м, соединенных на верхнем торце трубы;

более 150 м - не менее трех стержневых молниеприемников высотой 0,2 - 0,5 м или по верхнему торцу трубы должно быть уложено стальное кольцо сечением не менее 160 мм2.

В качестве молниеприемника может также использоваться защитный колпак, устанавливаемый на дымовой трубе, или металлические конструкции типа антенн, устанавливаемые на телебашнях.

При высоте сооружения до 50 м от молниеприемников должна быть предусмотрена прокладка одного токоотвода; при высоте сооружения более 50 м токоотводы должны быть проложены не реже чем через 25 м по периметру основания сооружения, их минимальное количество два.

Сечения (диаметры) токоотводов должны удовлетворять требованиям табл. 3, а в зонах с высокой загазованностью или агрессивными выбросами в атмосферу диаметры токоотводов должны быть не менее 12 мм.

В качестве токоотводов могут использоваться ходовые металлические лестницы, в том числе с болтовыми соединениями звеньев, и прочие вертикальные металлические конструкции.

На железобетонных трубах в качестве токоотводов следует использовать арматурные стержни, соединенные по высоте трубы сваркой, скруткой или внахлест; при этом прокладка наружных токоотводов не требуется. Соединение молниеприемника с арматурой должно выполняться минимум в двух точках.

Все соединения молниеприемников с токоотводами должны быть выполнены сваркой.

Для металлических труб, башен, вышек установка молниеприемников и прокладка токоотводов не требуется.

В качестве заземлителей защиты от прямых ударов молнии металлических и неметаллических труб, башен, вышек следует использовать их железобетонные фундаменты согласно п. 1.8. При невозможности использования фундаментов на каждый токоотвод должен быть предусмотрен искусственный заземлитель из двух стержней, соединенных горизонтальным электродом (см. п. 3 табл. 2); при периметре основания сооружения не более 25 м искусственный заземлитель может быть выполнен в виде горизонтального контура, проложенного на глубине не менее 0,5 м и выполненного из электрода круглого сечения (см. табл. 3). При использовании в качестве токоотводов арматурных стержней сооружения их соединения с искусственными заземлителями должны выполняться не реже чем через 25 м при минимальном количестве присоединений, равном двум.

При возведении неметаллических труб, башен, вышек металлоконструкции монтажного оборудования (грузопассажирские и шахтные подъемники, кран-укосина и др.) должны быть присоединены к заземлителям. В этом случае временные мероприятия по молниезащите на период строительства могут не выполняться.

2.32. Для защиты от заноса высокого потенциала по внешним наземным (надземным) металлическим коммуникациям их необходимо на вводе в здание или сооружение присоединить к заземлителю защиты от прямых ударов молний.

2.33. Защита от заноса высокого потенциала по воздушным линиям электропередачи напряжением до 1 кВ и линиям связи и сигнализации должна выполняться в соответствии с ПУЭ и ведомственными нормативными документами.

3. КОНСТРУКЦИИ МОЛНИЕОТВОДОВ

3.1. Опоры стержневых молниеотводов должны быть рассчитаны на механическую прочность как свободно стоящие конструкции, а опоры тросовых молниеотводов - с учетом натяжения троса и действия на него ветровой и гололедной нагрузок.

3.2. Опоры отдельно стоящих молниеотводов могут выполняться из стали любой марки, железобетона или дерева.

3.3. Стержневые молниеприемники должны быть изготовлены из стали любой марки сечением не менее 100 мм2 и длиной не менее 200 мм и защищены от коррозии оцинкованием, лужением или окраской.

Тросовые молниеприемники должны быть выполнены из стальных многопроволочных канатов сечением не менее 35 мм2.

3.4. Соединения молниеприемников с токоотводами и токоотводов с заземлителями должны выполняться, как правило, сваркой, а при недопустимости огневых работ разрешается выполнение болтовых соединений с переходным сопротивлением не более 0,05 Ом при обязательном ежегодном контроле последнего перед началом грозового сезона.

3.5. Токоотводы, соединяющие молниеприемники всех видов с заземлителями, следует выполнять из стали размерами не менее указанных в табл. 3.

3.6. При установке молниеотводов на защищаемом объекте и невозможности использования в качестве токоотводов металлических конструкций здания (см. п. 2.12) токоотводы должны быть проложены к заземлителям по наружным стенам здания кратчайшими путями.

3.7. Допускается использование любых конструкций железобетонных фундаментов зданий и сооружений (свайных, ленточных и т.п.) в качестве естественных заземлителей молниезащиты (с учетом требований п. 1.8).

Допустимые размеры одиночных конструкций железобетонных фундаментов, используемых в качестве заземлителей, приведены в табл. 2.

3.8. Рекомендуемые конструкции и размеры сосредоточенных искусственных заземлителей приведены в табл. 2. Минимально допустимые сечения (диаметры) электродов искусственных заземлителей нормированы в табл. 3.

ПРИЛОЖЕНИЕ 1

ОСНОВНЫЕ ТЕРМИНЫ

1. Прямой удар молнии (поражение молнией) - непосредственный контакт канала молнии с зданием или сооружением, сопровождающийся протеканием через него тока молнии.

2. Вторичное проявление молнии - наведение потенциалов на металлических элементах конструкции, оборудования, в незамкнутых металлических контурах, вызванное близкими разрядами молнии и создающее опасность искрения внутри защищаемого объекта.

3. Занос высокого потенциала - перенесение в защищаемое здание или сооружение по протяженным металлическим коммуникациям (подземным и наземным (надземным) трубопроводам, кабелям и т.п.) электрических потенциалов, возникающих при прямых и близких ударах молнии и создающих опасность искрения внутри защищаемого объекта.

4. Молниеотвод - устройство, воспринимающее удар молнии и отводящее ее ток в землю.

В общем случае молниеотвод состоит из опоры; молниеприемника, непосредственно воспринимающего удар молнии; токоотвода, по которому ток молнии передается в землю; заземлителя, обеспечивающего растекание тока молнии в земле.

В некоторых случаях функции опоры, молниеприемника и токоотвода совмещаются, например, при использовании в качестве молниеотвода металлических труб или ферм.

5. Зона защиты молниеотвода - пространство, внутри которого здание или сооружение защищено от прямых ударов молнии с надежностью не ниже определенного значения. Наименьшей и постоянной надежностью обладает поверхность зоны защиты; в глубине зоны защиты надежность выше, чем на ее поверхности.

Зона защиты типа А обладает надежностью 99,5 % и выше, а типа Б - 95 % и выше.

6. Конструктивно молниеотводы разделяются на следующие виды:

стержневые - с вертикальным расположением молниеприемника;

тросовые (протяженные) - с горизонтальным расположением молниеприемника, закрепленного на двух заземленных опорах;

сетки - многократные горизонтальные молниеприемники, пересекающиеся под прямым углом и укладываемые на защищаемое здание.

7. Отдельно стоящие молниеотводы - это те, опоры которых установлены на земле на некотором удалении от защищаемого объекта.

8. Одиночный молниеотвод - это единичная конструкция стержневого или тросового молниеотвода.

9. Двойной (многократный) молниеотвод - это два (или более) стержневых и тросовых молниеотвода, образующих общую зону защиты.

10. Заземлитель молниезащиты - один или несколько проводников, находящихся в соприкосновении с землей и предназначенных для отвода в землю токов молнии или ограничения перенапряжений, возникающих на металлических корпусах, оборудовании, коммуникациях при близких разрядах молнии. Заземлители делятся на естественные и искусственные.

11. Естественные заземлители - заглубленные в землю металлические и железобетонные конструкции зданий и сооружений.

12. Искусственные заземлители - специально проложенные в земле контуры из полосовой или круглой стали; сосредоточенные конструкции, состоящие из вертикальных и горизонтальных проводников.

ПРИЛОЖЕНИЕ 2

ХАРАКТЕРИСТИКИ ИНТЕНСИВНОСТИ ГРОЗОВОЙ ДЕЯТЕЛЬНОСТИ И ГРОЗОПОРАЖАЕМОСТИ ЗДАНИЙ И СООРУЖЕНИЙ

Среднегодовая продолжительность гроз в произвольном пункте на территории СССР определяется по карте (рис. 3), или по утвержденным для некоторых областей СССР региональным картам продолжительности гроз, или по средним многолетним (порядка 10 лет) данным метеостанции, ближайшей от места нахождения здания или сооружения. Подсчет ожидаемого количества N поражений молнией в год производится по формулам:

для сосредоточенных зданий и сооружений (дымовые трубы, вышки, башни)

;

для зданий и сооружений прямоугольной формы

где h - наибольшая высота здания или сооружения, м; S, L - соответственно ширина и длина здания или сооружения, м; n - среднегодовое число ударов молнии в 1 км2 земной поверхности (удельная плотность, ударов молнии в землю) в месте нахождения здания или сооружения.

Для зданий и сооружений сложной конфигурации в качестве S и L рассматриваются ширина и длина наименьшего прямоугольника, в который может быть вписано здание или сооружение в плане.

Для произвольного пункта на территории СССР удельная плотность ударов молнии в землю n определяется исходя из среднегодовой продолжительности гроз в часах следующим образом:

Рис. 3. Карта средней за год продолжительности гроз в часах для территории СССР

Среднегодовая продолжительность гроз, ч

Удельная плотность ударов молнии в землю n, 1/(км2×год)

10 - 20

1

20 - 40

2

40 - 60

4

60 - 80

5,5

80 - 100

7

100 и более

8,5

ПРИЛОЖЕНИЕ 3

ЗОНЫ ЗАЩИТЫ МОЛНИЕОТВОДОВ

1. Одиночный стержневой молниеотвод. Зона защиты одиночного стержневого молниеотвода высотой h представляет собой круговой конус (рис. П3.1), вершина которого находится на высоте h0<h.? На уровне земли зона защиты образует круг радиусом r0. Горизонтальное сечение зоны защиты на высоте защищаемого сооружения hx представляет собой круг радиусом rx.

1.1. Зоны защиты одиночных стержневых молниеотводов высотой h£150 м имеют следующие габаритные размеры.

Зона A: h0 = 0,85h; r0 = (1,1 - 0,002h)h; rx = (1,1 - 0,002h)(h - hx/0,85).

Зона Б: h0 = 0,92h; r0 = 1,5/h; rx =1,5(h - hx/0,92).

Для зоны Б высота h£150 м одиночного стержневого молниеотвода при известных значениях hx и rx может быть определена по формуле h = (rx + 1,63hx)/1,5.

1.2. Зоны защиты одиночных стержневых молниеотводов высотой 150<h<600 м имеют следующие габаритные размеры. Зона А:

;

Зона Б

Рис. П3.1. Зона защиты одиночного стержневого молниеотвода:
I - граница зоны защиты на уровне hx, 2 -то же на уровне земли

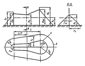
2. Двойной стержневой молниеотвод.

2.1. Зона защиты двойного стержневого молниеотвода высотой h 150 м представлена на рис. П3.2. Торцевые области зоны защиты определяются как зоны одиночных стержневых молниеотводов, габаритные размеры которых h0, r0, rx1, rx2 определяются по формулам п. 1.1 настоящего приложения для обоих типов зон защиты.

Рис. П3.2. Зона защиты двойного стержневого молниеотвода:
1 - граница зоны защиты на уровне hx1; 2 -то же на уровне hx2, 3 -то же на уровне земли

Внутренние области зон защиты двойного стержневого молниеотвода имеют следующие габаритные размеры.

Зона А:

при L £ h

При h<L£2h

;

при 2h < L £ 4h

;

;

;

При расстоянии между стержневыми молниеотводами L>4h для построения зоны А молниеотводы следует рассматривать как одиночные.

Зона Б:

при L £ h

;;

при h < L £ 6h

; ; ;

При расстоянии между стрежневыми молниеотводами L > 6h для построения зоны Б молниеотводы следует рассматривать как одиночные.

При известных значениях hc и L (при rcx = 0) высота молниеотвода для зоны Б определяется по формуле

h = (hc + 0,14L) / l,06.

2.2. Зона защиты двух стержневых молниеотводов разной высоты h1, и h2 150 м приведена на рис. П3.3. Габаритные размеры торцевых областей зон защиты h01, h02, r01, r02, rx1, rx2 определяются по формулам п. 1.1, как для зон защиты обоих типов одиночного стержневого молниеотвода. Габаритные размеры внутренней области зоны защиты определяются по формулам: ;; ; где значения hc1 и hc2 вычисляются по формулам для hc п. 2.1 настоящего приложения.

Для двух молниеотводов разной высоты построение зоны А двойного стержневого молниеотвода выполняется при L £ 4hmin, а зоны Б - при L £ 6hmin. При соответствующих больших расстояниях между молниеотводами они рассматриваются как одиночные.

Рис. П3.3 Зона зашиты двух стержневых молниеотводов разной высоты.
Обозначения те же, что и на рис. П3.1

3. Многократный стержневой молниеотвод.

Зона защиты многократного стержневого молниеотвода (рис. П3.4) определяется как зона защиты попарно взятых соседних стержневых молниеотводов высотой h£150 м (см. пп. 2.1, 2.2 настоящего приложения).

Рис. П3.4. Зона защиты (в плане) многократного стержневого молниеотвода.
Обозначения те же, что и на рис. П3.1

Основным условием защищенности одного или нескольких объектов высотой hx с надежностью, соответствующей надежности зоны А и зоны Б, является выполнение неравенства rcx > 0 для всех попарно взятых молниеотводов. В противном случае построение зон защиты должно быть выполнено для одиночных или двойных стержневых молниеотводов в зависимости от выполнения условий п. 2 настоящего приложения.

4. Одиночный тросовый молниеотвод. Зона защиты одиночного тросового молниеотвода высотой h£150 м приведена на рис. П3.5, где h - высота троса в середине пролета. С учетом стрелы провеса троса сечением 35-50 мм2 при известной высоте опор hоn и длине пролета а высота троса (в метрах) определяется:

h = hоn - 2 при а < 120 м;

h = hоn - 3 при 120 < а < 150 м.

Рис. П3.5. Зона защиты одиночного тросового молниеотвода.
Обозначения те же, что и на рис. П3.1

Зоны защиты одиночного тросового молниеотвода имеют следующие габаритные размеры.

Зона А:

;

.

Зона Б:

  .

Для зоны типа Б высота одиночного тросового молниеотвода при известных значениях hx и rx определяется по формуле

5. Двойной тросовый молниеотвод.

5.1. Зона защиты двойного тросового молниеотвода высотой h£150 м приведена на рис. П3.6. Размеры r0, h0, rx для зон защиты А и Б определяются по соответствующим формулам п. 4 настоящего приложения. Остальные размеры зон определяются следующим образом.

Рис. П3.6. Зона защиты двойного тросового молниеотвода.
Обозначения те же, 410 и на рис. П3.2

Зона А:

при L £ h

;;

при h < L £ 2h

;

при 2h < L £ 4h

;

;

 

При расстоянии между тросовыми молниеотводами L > 4h для построения зоны А молниеотводы следует рассматривать как одиночные.

Зона Б:

при L £ h

;  ;;

при h < L £ 6h

;

;

*,;

При расстоянии между тросовыми молниеотводами L > 6h для построения зоны Б молниеотводы следует рассматривать как одиночные.

При известных значениях hc и L (при rcx = 0) высота тросового молниеотвода для зоны Б определяется по формуле h = (hc + 0,12L)/1,06.

Рис. П3.7. Зона защиты двух тросовых молниеотводов разной высоты

5.2. Зона защиты двух тросов разной высоты h1 и h2 приведена на рис. П3.7. Значения r01, r02, h01, h02, rx1, rx2 определяются по формулам п. 4 настоящего приложения как для одиночного тросового молниеотвода. Для определения размеров rc и hс используются формулы: ; , где hc1 и hc2 вычисляются по формулам для hc п.5.1 настоящего приложения. Далее по формулам того же п. 4 вычисляются , , .

ПОСОБИЕ К "ИНСТРУКЦИИ ПО УСТРОЙСТВУ МОЛНИЕЗАЩИТЫ ЗДАНИЙ И СООРУЖЕНИЙ"

(РД 34.21.122-87)

Настоящее пособие ставит задачей пояснить и конкретизировать основные положения РД 34.21.122-87, а также ознакомить специалистов, занятых разработкой и проектированием молниезащиты различных объектов, с существующими представлениями о развитии молнии и ее параметрах, определяющих опасные воздействия на человека и материальные ценности. Приводятся примеры исполнения молниезащиты зданий и сооружений различных категорий в соответствии с требованиями РД 34.21.122-87.

1. КРАТКИЕ СВЕДЕНИЯ О РАЗРЯДАХ МОЛНИИ И ИХ ПАРАМЕТРАХ

Молния представляет собой электрический разряд длиной в несколько километров, развивающийся между грозовым облаком и землей или каким-либо наземным сооружением.

Разряд молнии начинается с развития лидера - слабо светящегося канала с током в несколько сотен ампер. По направлению движения лидера - от облака вниз или от наземного сооружения вверх - молнии разделяются на нисходящие и восходящие. Данные о нисходящих молниях накапливались продолжительное время в нескольких регионах земного шара. Сведения о восходящих молниях появились лишь в последние десятилетия, когда начались систематические наблюдения за грозопоражаемостью очень высоких сооружений, например Останкинской телевизионной башни.

Лидер нисходящей молнии возникает под действием процессов в грозовом облаке, и его появление не зависит от наличия на поверхности земли каких-либо сооружений. По мере продвижения лидера к земле с наземных объектов могут возбуждаться направленные к облаку встречные лидеры. Соприкосновение одного из них с нисходящим лидером (или касание последнего поверхности земли) определяет место удара молнии в землю или какой-либо объект.

Восходящие лидеры возбуждаются с высоких заземленных сооружений, у вершин которых электрическое поле во время грозы резко усиливается. Сам факт появления и устойчивого развития восходящего лидера определяет место поражения. На равнинной местности восходящие молнии поражают объекты высотой более 150 м, а в горных районах возбуждаются с остроконечных элементов рельефа и сооружений меньшей высоты и потому наблюдаются чаще.

Рассмотрим сначала процесс развития и параметры нисходящей молнии. После установления сквозного лидерного канала следует главная стадия разряда - быстрая нейтрализация зарядов лидера, сопровождающаяся ярким свечением и нарастанием тока от единиц до сотен килоампер. При этом происходит интенсивный разогрев канала (до десятков тысяч кельвин) и его ударное расширение, воспринимаемое на слух как раскат грома. Ток главной стадии состоит из одного или нескольких последовательных импульсов, наложенных на непрерывную составляющую. Большинство импульсов тока имеет отрицательную полярность. Первый импульс при общей длительности в несколько сотен микросекунд имеет длину фронта от 3 до 20 мкс; пиковое значение тока (амплитуда) варьируется в широких пределах: в 50 % случаев (средний ток) превышает 30, а в 1-2 % случаев 100 ка. Примерно в 70 % нисходящих отрицательных молний за первым импульсом наблюдаются последующие с меньшими амплитудами и длиной фронта: средние значения соответственно 12 ка и 0,6 мкс. При этом крутизна (скорость нарастания) тока на фронте последующих импульсов выше, чем для первого импульса.

Ток непрерывной составляющей нисходящей молнии варьируется от единиц до сотен ампер и существует на протяжении всей вспышки, продолжающейся в среднем 0,2 с, а в редких случаях 1-1,5 с.

Заряд, переносимый в течение всей вспышки молнии, колеблется от единиц до сотен кулон, из которых на долю отдельных импульсов приходится 5-15, а на непрерывную составляющую 10-20 Кл.

Нисходящие молнии с положительными импульсами тока наблюдаются примерно в 10 % случаев. Часть из них имеет форму, аналогичную форме отрицательных импульсов. Кроме того, зарегистрированы положительные импульсы с существенно большими параметрами: длительностью около 1000 мкс, длиной фронта около 100 мкс и переносимым зарядом в среднем 35 Кл. Для них характерны вариации амплитуд тока в очень широких пределах: при среднем токе 35 ка в 1-2 % случаев возможно появление амплитуд свыше 500 ка.

Накопленные фактические данные о параметрах нисходящих молний не позволяют судить об их различиях в разных географических регионах. Поэтому для всей территории СССР их вероятностные характеристики приняты одинаковыми.

Восходящая молния развивается следующим образом. После того как восходящий лидер достиг грозового облака, начинается процесс разряда, сопровождающийся примерно в 80 % случаев токами отрицательной полярности. Наблюдаются токи двух типов: первый - непрерывный безымпульсный до нескольких сотен ампер и длительностью в десятые доли секунды, переносящий заряд 2-20 Кл; второй характеризуется наложением на длительную безымпульсную составляющую коротких импульсов, амплитуда которых в среднем составляет 10-12 ка и лишь в 5 % случаев превышает 30 ка, а переносимый заряд достигает 40 Кл. Эти импульсы сходны с последующими импульсами главной стадии нисходящей отрицательной молнии.

В горной местности восходящие молнии характеризуются более длительными непрерывными токами и большими переносимыми зарядами, чем на равнине. В то же время вариации импульсных составляющих тока в горах и на равнине отличаются мало. На сегодняшний день не выявлена связь между токами восходящей молнии и высотой сооружений, с которых они возбуждаются. Поэтому параметры восходящих молний и их вариации оцениваются как одинаковые для любых географических регионов и высот объектов.

В РД 34.21.122-87 данные о параметрах токов молнии учтены в требованиях к конструкциям и размерам средств молниезащиты. Например, минимально допустимые расстояния от молниеотводов и их заземлителей до объектов I категории (пп. 2.3-2.51) определены из условия поражения молниеотводов нисходящими молниями с амплитудой и крутизной фронта тока в пределах соответственно 100 ка и 50 ка/мм. Этому условию соответствует не менее 99 % случаев поражения нисходящими молниями.

__________

1 Здесь и далее пункты РД 34.21.122-87.

2. ХАРАКТЕРИСТИКИ ГРОЗОВОЙ ДЕЯТЕЛЬНОСТИ

Об интенсивности грозовой деятельности в различных географических пунктах можно судить по данным разветвленной сети метеорологических станций о повторяемости и продолжительности гроз, регистрируемых в днях и часах за год по слышимому грому в начале и конце грозы. Однако более важной и информативной характеристикой для оценки возможного числа поражений объектов молнией является плотность ударов нисходящих молний на единицу земной поверхности.

Плотность ударов молнии в землю сильно колеблется по регионам земного шара и зависит от геологических, климатических и других факторов. При общей тенденции роста этого значения от полюсов к экватору оно, например, резко сокращается в пустынях и возрастает в регионах с интенсивными процессами испарения. Особенно велико влияние рельефа в горной местности, где грозовые фронты преимущественно распространяются по узким коридорам, поэтому в пределах небольшой площади возможны резкие колебания плотности разрядов в землю.

В целом по территории земного шара плотность ударов молнии варьируется практически от нуля в приполярных областях до 20-30 разрядов на 1 км2 земли за год во влажных тропических зонах. Для одного и того же региона возможны вариации от года к году, поэтому для достоверной оценки плотности разрядов в землю необходимо многолетнее усреднение.

В настоящее время, ограниченное количество пунктов земного шара оборудовано счетчиками молний, и для небольших территорий возможны непосредственные оценки плотности разрядов в землю. В массовых масштабах (например, для всей территории СССР) регистрация числа ударов молнии в землю пока невыполнима из-за трудоемкости и недостатка надежной аппаратуры.

Однако для географических пунктов, в которых установлены счетчики молний и ведутся метеорологические наблюдения за грозами, обнаружена корреляционная связь между плотностью разрядов в землю и повторяемостью или продолжительностью гроз, хотя каждый из перечисленных параметров подвержен разбросу от года к году или от грозы к грозе. В РД 34.21.122-87 эта корреляционная зависимость, представленная в приложении 2, распространена на всю территорию СССР и связывает чисто ударов нисходящей молнии в 1 км2 земной поверхности с конкретной продолжительностью гроз в часах. Данные метеорологических станций о продолжительности гроз усреднены за период с 1936 по 1978 г. и в виде линий, характеризующихся постоянным числом часов с грозой в год, нанесены на географическую карту СССР (рис. 3 РД 34.21.122-87); при этом продолжительность грозы для любого пункта задается в интервале между двумя ближайшими к нему линиями. Для некоторых областей СССР на базе инструментальных исследований составлены региональные карты продолжительности гроз, эти карты также рекомендованы к использованию (см. приложение 2 РД 34.21.122-87)

Таким косвенным путем (через данные о продолжительности гроз) удается ввести районирование территории СССР по плотности ударов молнии в землю.

3. КОЛИЧЕСТВО ПОРАЖЕНИЙ МОЛНИЕЙ НАЗЕМНЫХ СООРУЖЕНИЙ

Согласно требованиям табл. 1 РД 34.21.122-87 для ряда объектов ожидаемое количество поражений молнией является показателем, определяющим необходимость выполнения молниезащиты и ее надежность. Поэтому нужно располагать способом оценки этого значения еще на стадии проектирования объекта. Желательно, чтобы этот способ учитывал известные характеристики грозовой деятельности и другие сведения о молнии.

При подсчете числа поражений нисходящими молниями используется следующее представление: возвышающийся объект принимает на себя разряды, которые в его отсутствие поразили бы поверхность земли определенной площади (так называемую поверхность стягивания). Эта площадь имеет форму круга для сосредоточенного объекта (вертикальной трубы или башни) и форму прямоугольника для протяженного объекта, например, воздушной линии электропередачи. Число поражений объекта равно произведению площади стягивания на плотность разрядов молнии в месте его расположения. Например, для сосредоточенного объекта

где R0 - радиус стягивания; n - среднегодовое число ударов молнии в 1 км2 земной поверхности. Для протяженного объекта длиной l

Имеющаяся статистика поражений объектов разной высоты в местностях с разной продолжительностью гроз позволила ориентировочно определить связь между радиусом стягивания R0 и высотой объекта h. Несмотря на значительный разброс, в среднем можно принять R0 = 3h.

Приведенные соотношения положены в основу формул расчета ожидаемого количества поражений молнией сосредоточенных объектов и объектов с заданными габаритами в приложении 2 РД 34.21.122-87. Грозопоражаемость объектов ставится в прямую зависимость от плотности разрядов молнии в землю и соответственно от региональной продолжительности гроз в соответствии с данными приложения 2. Можно предположить, что вероятность поражения объекта растет, например, с ростом амплитуды тока молнии, и зависит от других параметров разряда. Однако имеющаяся статистика поражений получена способами (фотографированием ударов молнии, регистрацией специальными счетчиками), не позволяющими выделить влияние других факторов, кроме интенсивности грозовой деятельности.

Оценим теперь по формулам приложения 2, как часто возможны поражения молнией объектов разных размеров и формы. Например, при средней продолжительности гроз 40-60 ч в год в сосредоточенный объект высотой 50 м (например, дымовую трубу) можно ожидать не более одного поражения за 3-4 года, а в здание высотой 20 м и размерами в плане 100×100 м (типичное по габаритам для многих видов производства) - не более одного поражения за 5 лет. Таким образом, при умеренных размерах зданий и сооружений (высоте в пределах 20-50 м, длине и ширине примерно 100 м) поражение молнией является редким событием. Для небольших строений (с габаритами примерно 10 м) ожидаемое количество поражений молнией редко превышает 0,02 за год, а это значит, что за весь срок их службы может произойти не более одного удара молнии. По этой причине согласно РД 34.21.122-87 для некоторых небольших строений (даже при низкой огнестойкости) выполнение молниезащиты вообще не предусматривается или существенно упрощается.

Для сосредоточенных объектов число поражений нисходящими молниями растет в квадратичной зависимости от высоты и в районах с умеренной продолжительностью гроз при высоте объектов около 150 м составляет 1-2 ударов за год. С сосредоточенных объектов большей высоты возбуждаются восходящие молнии, количество которых также пропорционально квадрату высоты. Такое представление о поражаемости высоких объектов подтверждают наблюдения, проводимые на Останкинской телевизионной башне высотой 540 м: ежегодно в нее происходит около 30 ударов молнии и более 90 % из них приходится на восходящие разряды, число поражений нисходящими молниями сохраняется на уровне одного-двух в год. Таким образом, для сосредоточенных объектов высотой более 150 м количество поражений нисходящими молниями мало зависит от высоты.

4. ОПАСНЫЕ ВОЗДЕЙСТВИЯ МОЛНИИ

В перечне основных терминов (приложение 1 РД 34.21.122-87) перечислены возможные виды воздействия молнии на различные наземные объекты. В настоящем параграфе сведения об опасных воздействиях молнии изложены более подробно.

Воздействия молнии принято подразделять на две основные группы: первичные, вызванные прямым ударом молнии, и вторичные, индуцированные близкими ее разрядами или занесенные в объект протяженными металлическими коммуникациями. Опасность прямого удара и вторичных воздействий молнии для зданий и сооружений и находящихся в них людей или животных определяется, с одной стороны, параметрами разряда молнии, а с другой - технологическими и конструктивными характеристиками объекта (наличием вэрыво- или пожароопасных зон, огнестойкостью строительных конструкций, видом вводимых коммуникаций, их расположением внутри объекта и т.д.).

Прямой удар молнии вызывает следующие воздействия на объект:

электрические, связанные с поражением людей или животных электрическим током и появлением перенапряжений на пораженных элементах. Перенапряжение пропорционально амплитуде и крутизне тока молнии, индуктивности конструкций и сопротивлению заземлителей, по которым ток молнии отводится в землю. Даже при выполнении молниезащиты прямые удары молнии с большими токами и крутизной могут привести к перенапряжениям в несколько мегавольт. При отсутствии молниезащиты пути растекания тока молнии неконтролируемы и ее удар может создать опасность поражения током, опасные напряжения шага и прикосновения, перекрытия на другие объекты;

термические, связанные с резким выделением теплоты при прямом контакте канала молнии с содержимым объекта и при протекании через объект тока молнии. Выделяемая в канале молнии энергия определяется переносимым зарядом, длительностью вспышки и амплитудой тока молнии; и 95 % случаев разрядов молнии эта энергия (в расчете на сопротивление 1 Ом) превышает 5,5 Дж, она на два-три порядка превышает минимальную энергию воспламенения большинства газо-, паро- и пылевоздушных смесей, используемых в промышленности. Следовательно, в таких средах контакт с каналом молнии всегда создает опасность воспламенения (а в некоторых случаях взрыва), то же относится к случаям проплавления каналом молнии корпусов взрывоопасных наружных установок. При протекании тока молнии по тонким проводникам создается опасность их расплавления и разрыва;

механические, обусловленные ударной волной, распространяющейся от канала молнии, и электродинамическими силами, действующими на проводники с токами молнии. Это воздействие может быть причиной, например, сплющивания тонких металлических трубок. Контакт с каналом молнии может вызвать резкое паро- или газообразование в некоторых материалах с последующим механическим разрушением, например, расщеплением древесины или образованием трещин в бетоне.

Вторичные проявления молнии связаны с действием на объект электромагнитного поля близких разрядов. Обычно это поле рассматривают в виде двух составляющих: первая обусловлена перемещением зарядов в лидере и канале молнии, вторая - изменением тока молнии во времени. Эти составляющие иногда называют электростатической и электромагнитной индукцией.

Электростатическая индукция проявляется в виде перенапряжения, возникающего на металлических конструкциях объекта и зависящего от тока молнии, расстояния до места удара и сопротивления заземлителя. При отсутствии надлежащего заземлителя перенапряжение может достигать сотен киловольт и создавать опасность поражения людей и перекрытий между разными частями объекта.

Электромагнитная индукция связана с образованием в металлических контурах ЭДС, пропорциональной крутизне тока молнии и площади, охватываемой контуром. Протяженные коммуникации в современных производственных зданиях могут образовывать контуры, охватывающие большую площадь, в которых возможно наведение ЭДС в несколько десятков киловольт. В местах сближения протяженных металлических конструкций, в разрывах незамкнутых контуров создается опасность перекрытий и искрений с возможным рассеянием энергии около десятых долей джоуля.

Еще одним видом опасного воздействия молнии является занос высокого потенциала по вводимым в объект коммуникациям (проводам воздушных линий электропередачи, кабелям, трубопроводам). Он представляет собой перенапряжение, возникающее на коммуникации при прямых и близких ударах молнии и распространяющееся в виде набегающей на объект волны. Опасность создается за счет возможных перекрытий с коммуникации на заземленные части объекта. Подземные коммуникации также представляют опасность, так как могут принять на себя часть растекающихся в земле токов молнии и занести их в объект.

5. КЛАССИФИКАЦИЯ ЗАЩИЩАЕМЫХ ОБЪЕКТОВ

Тяжесть последствий удара молнии зависит прежде всего от взрыво-, пожароопасности здания или сооружения при термических воздействиях молнии, а также искрениях и перекрытиях, вызванных другими видами воздействий. Например, в производствах, постоянно связанных с открытым огнем, процессами горения, применением несгораемых материалов и конструкций, протекание тока молнии не представляет большой опасности. Напротив, наличие внутри объекта взрывоопасной среды создаст угрозу разрушений, человеческих жертв, больших материальных ущербов.

При таком разнообразии технологических условий предъявлять одинаковые требования к молниезащите всех объектов означало бы или вкладывать в ее выполнение чрезмерные ресурсы, или мириться с неизбежностью значительных ущербов, вызванных молнией. Поэтому в РД 34.21.122-87 принят дифференцированный подход к выполнению молниезащиты различных объектов, в связи, с чем в табл. 1 этой Инструкции здания и сооружения разделены на три категории, отличающиеся по тяжести возможных последствий поражения молнией.

К I категории отнесены производственные помещения, в которых в нормальных технологических режимах могут находиться и образовываться взрывоопасные концентрации газов, паров, пылей, волокон. Любое поражение молнией, вызывая взрыв, создает повышенную опасность разрушений и жертв не только для данного объекта, но и для близрасположенных.

Во II категорию попадают производственные здания и сооружения, в которых появление взрывоопасной концентрации происходит в результате нарушения нормального технологического режима, а также наружные установки, содержащие взрывоопасные жидкости и газы. Для этих объектов удар молнии создает опасность взрыва только при совпадении с технологической аварией или срабатыванием дыхательных или аварийных клапанов на наружных установках. Благодаря умеренной продолжительности гроз на территории СССР вероятность совпадения этих событий достаточно мала.

К III категории отнесены объекты, последствия, поражения которых связаны с меньшим материальным ущербом, чем при взрывоопасной среде. Сюда входят здания и сооружения с пожароопасными помещениями или строительными конструкциями низкой огнестойкости, причем для них требования к молниезащите ужесточаются с увеличением вероятности поражения объекта (ожидаемого количества поражений молнией). Кроме того, к III категории отнесены объекты, поражение которых представляет опасность электрического воздействия на людей и животных: большие общественные здания, животноводческие строения, высокие сооружения типа труб, башен, монументов. Наконец, к III категории отнесены мелкие строения в сельской местности, где чаще всего используются сгораемые конструкции. Согласно статистическим данным на эти объекты приходится значительная доля пожаров, вызванных грозой. Из-за небольшой стоимости этих строений их молниезащита выполняется упрощенными способами, не требующими значительных материальных затрат (п. 2.30).

6. СРЕДСТВА И СПОСОБЫ МОЛНИЕЗАЩИТЫ

Требования к выполнению всего комплекса мероприятий по молниезащите объектов I, II и III категорий и конструкциям молниеотводов изложены в 2 и 3 РД 34.21.122-87. Настоящий раздел пособия поясняет основные положения этих требований.

Молниезащита представляет собой комплекс мероприятий, направленных на предотвращение прямого удара молнии в объект или на устранение опасных последствий, связанных с прямым ударом; к этому комплексу относятся также средства защиты, предохраняющие объект от вторичных воздействий молнии и заноса высокого потенциала.

Средством защиты от прямых ударов молнии служит молниеотвод - устройство, рассчитанное на непосредственный контакт с каналом молнии и отводящее ее ток в землю.

Молниеотводы разделяются на отдельно стоящие, обеспечивающие растекание тока молнии, минуя объект, и установленные на самом объекте; растекание тока происходит по контролируемым путям так, что обеспечивается низкая вероятность поражения людей (животных), взрыва или пожара.

Установка отдельно стоящих молниеотводов исключает возможность термического воздействия на объект при поражении молниеотвода; для объектов с постоянной взрывоопасностью, отнесенных к I категории, принят этот способ защиты, обеспечивающий минимальное количество опасных воздействий при грозе. Для объектов II и III категорий, характеризующихся меньшим риском взрыва или пожара, в равной мере допустимо использование отдельно стоящих молниеотводов и установленных на защищаемом объекте.

Молниеотвод состоит из следующих элементов: молниеприемника, опоры, токоотвода и заземлителя. Однако на практике они могут образовывать единую конструкцию, например, металлическая мачта или ферма здания представляет собой молниеприемник, опору и токоотвод одновременно.

По типу молниеприемника молниеотводы разделяются на стержневые (вертикальные), тросовые (горизонтальные протяженные) и сетки, состоящие из продольных и поперечных горизонтальных электродов, соединенных в местах пересечений. Стержневые и тросовые молниеотводы могут быть как отдельно стоящие, так и установленные на объекте; молниеприемные сетки непосредственно укладываются на неметаллическую кровлю защищаемых зданий и сооружений. Однако укладка сеток рациональна лишь на зданиях с горизонтальными крышами, где равновероятно поражение молнией любого их участка. При больших уклонах крыши наиболее вероятны удары молнии вблизи ее конька, и в этих случаях укладка сетки по всей поверхности кровли приведет к неоправданным затратам металла; более экономична установка стержневых или тросовых молниеприемников, в зону защиты которых входит весь объект. По этой причине в п. 2.11 укладка молниеприемной сетки допускается на неметаллических кровлях с уклоном не более 1:8. Иногда укладка сетки поверх кровли неудобна из-за ее конструктивных элементов (например, волнистой поверхности покрытия). В этих случаях допускается укладывать сетку под утеплителем или гидроизоляцией, при условии, что они выполнены из несгораемых или трудносгораемых материалов и их пробой при разряде молнии не приведет к загоранию кровли (п. 2.11).

При выборе средств защиты от прямых ударов молнии, типов молниеотводов необходимо учитывать экономические соображения, технологические и конструктивные особенности объектов. Во всех возможных случаях близрасположенные высокие сооружения необходимо использовать как отдельно стоящие молниеотводы, а конструктивные элементы зданий и сооружений, например металлическую кровлю, фермы, металлические и железобетонные колонны и фундаменты, - как молниеприемники, токоотводы и заземлители. Эти положения учтены в пп. 1.6, 1.8, 2.11, 2.12, 2.25. Защита от термических воздействий прямого удара молний осуществляется путем надлежащего выбора сечений молниеприемников и токоотводов (табл. 3), толщины корпусов наружных установок (п. 2.15), расплавление и проплавление которых не может произойти при указанных выше параметрах тока молнии, переносимого заряда и температуры в канале.

Защита от механических разрушений различных строительных конструкций при прямых ударах молнии осуществляется: бетона - армированием и обеспечением надежных контактов в местах соединения с арматурой (п. 2.12); неметаллических выступающих частей и покрытий зданий - применением материалов, не содержащих влаги или газогенерирующих веществ.

Защита от перекрытий на защищаемый объект при поражении отдельно стоящих молниеотводов достигается надлежащим выбором, конструкций заземлителей и изоляционных расстояний между молниеотводом и объектом (пп. 2.2 - 2.5). Защита от перекрытий внутри здания при протекании по нему тока молнии обеспечивается надлежащим выбором количества токоотводов, проложенных к заземлителям кратчайшими путями (п. 2.11). Защита от напряжений прикосновения и шага (пп. 2.12, 2.13) обеспечивается путем прокладки токоотводов в малодоступных для людей местах и равномерного размещения заземлителей по территории объекта.

Защита от вторичных воздействий молнии обеспечивается следующими мероприятиями. От электростатической индукции и заноса высокого потенциала - ограничением перенапряжений, наведенных на оборудовании, металлических конструкциях и вводимых коммуникациях, путем их присоединения к заземлителям определенных конструкций; от электромагнитной индукции - ограничением площади незамкнутых контуров внутри зданий путем наложения перемычек в местах сближения металлических коммуникаций. Для исключения искрения в местах соединений протяженных металлических коммуникаций обеспечиваются низкие переходные сопротивления - не более 0,03 Ом, например, во фланцевых соединениях трубопроводов этому требованию соответствует затяжка шести болтов на каждый фланец (п. 2.7).

7. ЗАЩИТНОЕ ДЕЙСТВИЕ И ЗОНЫ ЗАЩИТЫ МОЛНИЕОТВОДОВ

Ниже поясняется подход к определению зон защиты молниеотводов, построение которых осуществляется по формулам приложения 3 РД 34.21.122-87.

Защитное действие молниеотвода основано на "свойстве молнии с большей вероятностью поражать более высокие и хорошо заземленные предметы по сравнению с расположенными рядом объектами меньшей высоты. Поэтому на молниеотвод, возвышающийся над защищаемым объектом, возлагается функция перехвата молний, которые в отсутствие молниеотвода поразили бы объект. Количественно защитное действие молниеотвода определяется через вероятность прорыва - отношение числа ударов молнии в защищенный объект (числа прорывов) к общему числу ударов в молниеотвод и объект.

Существует несколько способов оценки вероятности прорыва, основанных на разных физических представлениях о процессах поражения молнией. В РД 34.21.122-87 использованы результаты расчетов по вероятностной методике, связывающей вероятность поражения молниеотвода и объекта с разбросом траекторий нисходящей молнии без учета вариаций ее токов.

Согласно принятой расчетной модели невозможно создать идеальную защиту от прямых ударов молнии, полностью исключающую прорывы на защищаемый объект. Однако на практике осуществимо взаимное расположение объекта и молниеотвода, обеспечивающее низкую вероятность прорыва, например 0,1 и 0,01, что соответствует уменьшению числа поражений объекта примерно в 10 и 100 раз по сравнению с объектом, где отсутствует молниеотвод. Для большинства современных объектов при таких уровнях защиты обеспечивается малое количество прорывов за весь срок их службы.

Выше рассматривалось производственное здание высотой 20 м и размерами в плане 100×100 м, расположенное в местности с продолжительностью гроз 40-60 ч в год; если это здание защищено молниеотводами с вероятностью прорыва 0,1, в него можно ожидать не более одного прорыва за 50 лет. При этом не все прорывы в равной степени опасны для защищаемого объекта, например воспламенения возможны при больших токах или переносимых зарядах, которые встречаются не в каждом разряде молнии. Следовательно, на данный объект можно ожидать одно опасное воздействие за срок, заведомо превышающий 50 лет или для большинства промышленных объектов II и III категорий не более одного опасного воздействия за все время их существования. При вероятности прорыва 0,01 в то же здание можно ожидать не более одного прорыва за 500 лет - период, намного превышающий срок службы любого промышленного объекта. Такой высокий уровень защиты оправдан только для объектов I категории, представляющих постоянную угрозу взрыва.

Выполняя серию расчетов вероятности прорыва в окрестности молниеотвода, можно построить поверхность, являющуюся геометрическим местом положения вершин защищаемых объектов, для которых вероятность прорыва - постоянное значение. Эта поверхность является внешней границей пространства, называемого зоной защиты молниеотвода; для одиночного стрежневого молниеотвода эта граница - боковая поверхность кругового конуса, для одиночного троса - двускатная плоская поверхность.

Обычно зону защиты обозначают по максимальной вероятности прорыва, соответствующей ее внешней границе, хотя в глубине зоны вероятность прорыва существенно уменьшается.

Расчетный метод позволяет построить для стержневых и тросовых молниеотводов зону защиты с произвольным значением вероятности прорыва, т.е. для любого молниеотвода (одиночного или двойного) можно построить произвольное количество зон защиты. Однако для большинства народнохозяйственных зданий достаточный уровень защиты можно обеспечить, пользуясь двумя зонами, с вероятностью прорыва 0,1 и 0,01.

В терминах теории надежности вероятность прорыва - это параметр, характеризующий отказ молниеотвода как защитного устройства. При таком подходе двум принятым зонам защиты соответствует степень надежности 0,9 и 0,99. Такая оценка надежности справедлива при расположении объекта вблизи границы зоны защиты, например объекта в виде кольца, соосного со стержневым молниеотводом. У реальных же объектов (обычных зданий) на границе зоны защиты, как правило, расположены лишь верхние элементы, а большая часть объекта помещается в глубине зоны. Оценка надежности зоны защиты по ее внешней границе приводит к чрезмерно заниженным значениям. Поэтому, чтобы учесть существующее на практике взаимное расположение молниеотводов и объектов, зонам защиты А и Б приписана в РД 34.21.122-87 ориентировочная степень надежности 0,995 и 0,95 соответственно.

Рис. 1. Номограммы для определения высоты одиночных (а) и двойных равной высоты (б) молниеотводов в зоне А

Расчетный метод вероятности прорыва разработан только для нисходящих молний, преимущественно поражающих объекты высотой до 150 м. Поэтому в РД 34.21.122 - 87 формулы для построения зон защиты одиночных и многократных стержневых и тросовых молниеотводов ограничены высотой 150 м. На сегодняшний день объем фактических данных о поражаемости нисходящими молниями объектов большей высоты очень мал и в основном относится к Останкинской телевизионной башне (540 м). На основании фоторегистраций можно утверждать, что нисходящие молнии прорываются более чем на 200 м ниже ее вершины и поражают землю на расстоянии около 200 м от основания башни. Если рассматривать Останкинскую телевизионную башню как стержневой молниеотвод, можно заключить, что относительные размеры зон защиты молниеотводов высотой более 150 м редко сокращаются с увеличением высоты молниеотводов. С учетом ограниченности фактических данных о поражаемости сверхвысоких объектов в РД 34.21.122 - 87 включены формулы для построения зон защиты только для стержневых молниеотводов высотой более 150 м.

Рис. 2. Номограммы для определения высоты одиночных (а) и двойных равной высоты (б) молниеотводов в зоне Б

Метод расчета зон защиты от поражений восходящими молниями пока не разработан. Однако по данным наблюдений известно, что восходящие разряды возбуждаются с остроконечных предметов вблизи вершины высоких сооружений и затрудняют развитие других разрядов с более низких уровней. Поэтому для таких высоких объектов, как железобетонные дымовые трубы или башни, предусматривается, прежде всего, защита от механических разрушений бетона при возбуждении восходящих молний, которая осуществляется путем установки стержневых или кольцевых молниеприемников, обеспечивающих максимально возможное по конструктивным соображениям превышение над вершиной объекта (п. 2.31).

В этом пособии приведены номограммы для определения высот стержневых С и трассовых Т одиночных и двойных молниеотводов, обеспечивающих зоны защиты А и Б (рис. 1 и 2). Использование этих номограмм, построенных в соответствии с расчетными формулами и обозначениями приложения 3 РД 34.21.122-87, позволяет сократить объем вычислений и упростить выбор средств молниезащиты при проектировании.

8. ПОДХОД К НОРМИРОВАНИЮ ЗАЗЕМЛИТЕЛЕЙ МОЛНИЕЗАЩИТЫ

Ниже пояснен принятый в РД 34.21.122-87 подход к выбору заземлителей молниезащиты зданий и сооружений.

Одним из эффективных способов ограничения грозовых перенапряжений в цепи молниеотвода, а также на металлических конструкциях и оборудовании объекта является обеспечение низких сопротивлений заземлителей. Поэтому при выборе молниезащиты нормированию подлежит сопротивление заземлителя или другие его характеристики, связанные с сопротивлением.

До недавнего времени для заземлителей молниезащиты нормировалось импульсное сопротивление растеканию токов молнии: его максимально допустимое значение было принято равным 10 Ом для зданий и сооружений I и II категорий и 20 Ом для зданий и сооружений III категории. При этом допускалось увеличение импульсного сопротивления до 40 Ом в грунтах с удельным сопротивлением более 500 Ом×м при одновременном удалении молниеотводов от объектов I категории на расстояние, гарантирующее от пробоя по воздуху и в земле. Для наружных установок максимально допустимое импульсное сопротивление заземлителей было принято равным 50 Ом.

Импульсное сопротивление заземлителя является количественной характеристикой сложных физических процессов при растекании в земле токов молнии. Его значение отличается от сопротивления заземлителя при растекании токов промышленной частоты и зависит от нескольких параметров тока молнии (амплитуды, крутизны, длины фронта), варьирующихся в широких пределах. С увеличением тока молнии импульсное сопротивление заземлителя падает, причем в возможном интервале распределения токов молнии (от единиц до сотен килоампер) его значение может уменьшаться в 2-5 раз.

При проектировании заземлителя нельзя предсказать значения токов молнии, которые будут через него растекаться, а следовательно, невозможно оценить наперед соответствующие значения импульсных сопротивлений. В этих условиях нормирование заземлителей по их импульсному сопротивлению имеет очевидные неудобства. Разумнее выбрать конкретные конструкции заземлителей по следующему условию. Импульсные сопротивления заземлителей во всем возможном диапазоне токов молнии не должны превышать указанных максимально допустимых значений.

Такое нормирование было принято в пп. 2.2, 2.13, 2.26, табл. 2: для ряда типовых конструкций были подсчитаны импульсные сопротивления при колебаниях токов молнии от 5 до 100 ка и по результатам расчетов проведен отбор заземлителей, удовлетворяющих принятому условию.

В настоящее время распространенными и рекомендуемыми (РД 34.21.122-87, п. 1.8) конструкциями заземлителей являются железобетонные фундаменты. К ним предъявляется дополнительное требование - исключение механических разрушений бетона при растекании через фундамент токов молнии. Железобетонные конструкции выдерживают большие плотности растекающихся по арматуре токов молнии, что связано с кратковременностью этого растекания. Единичные железобетонные фундаменты (сваи длиной не менее 5 или подножники длиной не менее 2 м) способны без разрушения выдерживать токи молнии до 100 ка, по этому условию в табл. 2 РД 34.21.122-87 заданы допустимые размеры единичных железобетонных заземлителей. Для фундаментов больших размеров с соответственно большей поверхностью арматуры опасная для разрушения бетона плотность тока маловероятна при любых возможных токах молнии.

Нормирование параметров заземлителей по их типовым конструкциям имеет ряд достоинств: оно соответствует принятой в строительной практике унификации железобетонных фундаментов с учетом их повсеместного использования в качестве естественных заземлителей при выборе молниезащиты не требуется выполнять расчеты импульсных сопротивлений заземлителей, что сокращает объем проектных работ.

9. ПРИМЕРЫ ИСПОЛНЕНИЯ МОЛНИЕЗАЩИТЫ РАЗЛИЧНЫХ ОБЪЕКТОВ1 (РИС. 3-10)

1 Разработаны ВНИПИ Тяжпромэпсктропроект, институтом Гипротрубопровод и ГИАП.

Рис. 3. Молниезащита здания I категории отдельно стоящим двойным стержневым молниеотводом (r = 300 Ом×м, Sв£4 м, Sз£6 м):
1 - граница зоны защиты; 2 - заземлители-подножники фундамента; 3 - зона защиты на отметке 8,0 м

Рис. 4. Молниезащита здания I категории отдельно стоящим тросовым молниеотводом (& = 300 Ом×м, S0£4 м, Sз£6 м, Sв1³3,5 м):

1 - трос; 2 - граница зоны защиты; 3 - ввод подземного трубопровода; 4 - граница распространения взрывоопасной концентрации; 5 - соединения арматуры, выполняемые сваркой; 6 - железобетонный фундамент; 7 - закладные элементы для присоединения оборудования; 8 - заземляющий проводник из стали 4×40 мм; 9 - заземлители - железобетонные подножники; 10 - граница зоны защиты на отметке 10,8 м

Рис 5. Молниезащита здания II категории сеткой, уложенной на кровлю под изоляцию:
1 - молниеприемная сетка; 2 - гидроизоляция здания; 3 - опора здания; 4 - стальная перемычка; 5 - арматура колонны; 6 – заземлители - железобетонные фундаменты; 7 - закладная деталь; 8 - опора эстакады; 9 - технологическая эстакада

Рис. 6. Молниезащита здания II категории с металлическими фермами (в качестве токоотводов и заземлителей использована арматура железобетонных колонн и фундаментов):

1 - арматура колонны; 2 - арматура фундамента; 3 - заземлитель; 4 - стальная ферма; 5 - железобетонная колонна; 6 - анкерные болты, привариваемые к арматуре; 7 - закладная деталь

Рис. 7. План цеха компрессии азотоводородной смеси (относится к взрывоопасным с зоной класса В-1а):
Условные обозначения:
D - стержневой молниеотвод (№ 1-6); -.-.-.‑ токоотводящая металлическая полоса; О - газоотводные трубы для отвода в атмосферу газов невзрывоопасной концентрации; · - то же взрывоопасной концентрации

Рис. 8. Молниезащита металлического резервуара вместимостью 20 тыс. м3 со сферической крышей:
1 - дыхательный клапан; 2 - область выброса газов взрывоопасной концентрации; 3 - граница зоны защиты; 4 - зона защиты на высоте hx = 23,7м; 5 ‑ то же на высоте hx=22,76 м

Рис. 9. Молниезащита металлического резервуара вместимостью 20 тыс. м3 со сферической крышей и понтоном:

1 - клапан аварийного выброса газов; 2, 3 ‑ то же, что на рис. 8; 4 ‑ понтон; 5 - зона защиты на высоте hх = 23 м; 6 ‑ гибкий кабель

Рис. 10. Молниезащита сельского дома тросовым молниеотводом, установленным на крыше:

1 - тросовый молниеприемник; 2 - ввод воздушной линии электропередачи (ВЛ) и заземление крюков ВЛ на стене; 3 - токоотвод; 4 – заземлитель

Требования настоящей Инструкции обязательны для выполнения всеми министерствами, и ведомствами.

Инструкция устанавливает необходимый комплекс мероприятий и устройств, предназначенных для обеспечения безопасности людей (сельскохозяйственных животных), предохранения зданий, сооружений, оборудования и материалов от взрывов, пожаров и разрушений, возможных при воздействиях молнии. Инструкция должна соблюдаться при разработке проектов зданий и сооружений. Инструкция не распространяется на проектирование и устройство молниезащиты линий электропередачи, электрической части электростанций и подстанций, контактных сетей, радио- и телевизионных антенн, телеграфных, телефонных и радиотрансляционных линий, а также зданий и вооружений, эксплуатация которых связана с применением, производством или хранением пороха и взрывчатых веществ.

Настоящая Инструкция регламентирует мероприятия по молниезащите, выполняемые при строительстве, и не исключает использования дополнительных средств молниезащиты внутри здания и сооружения при проведении реконструкции или установке дополнительного технологического или электрического оборудования

При разработке проектов зданий и сооружений помимо требований Инструкции должны быть учтены требования к выполнению молниезащиты других действующих норм, правил, инструкций и государственных стандартов.

 




Rambler's Top100 Яндекс цитирования
  Copyright © 2008-2026, www.docload.ru