МЕЖГОСУДАРСТВЕННЫЙ СТАНДАРТ
|
ПЛАСТИНЫ
ТВЕРДОСПЛАВНЫЕ НАПАИВАЕМЫЕ
ТИПОВ
07, 67
Конструкция
и размеры
Hard metal brazed tips, types 07, 67. Design and dimensions
|
ГОСТ
25426-90
|
Дата введения 01.07.93
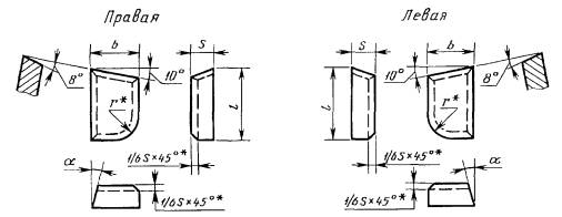
1. Настоящий стандарт распространяется
на пластины для подрезных, проходных, расточных и револьверных резцов.
2. Конструкция и размеры должны
соответствовать указанным на чертеже и в табл. 1.

* Размеры для
пресс-форм.
Таблица 1
Размеры в
мм
|
Обозначение пластин
|
l
|
b
|
s
|
r
|
a, град.
|
Основное применение
|
Дополнительное применение
|
Применение по специальному
заказу
|
|
правых
|
левых
|
|
07350
|
-
|
6
|
4
|
2,0
|
2,5
|
-
|
№ 1, № 7
|
№ 8, № 10
|
№ 2, № 3, № 4, № 5, № 6, № 9, № 11
|
|
07030
|
-
|
8
|
5
|
3,0
|
|
№ 1, № 7
|
№ 8, № 10
|
№ 2, № 3, № 4, № 5, № 6, № 9, № 11
|
|
07010
|
-
|
10
|
6
|
2,5
|
4,0
|
-
|
№ 1, № 7, № 10
|
№ 2, № 8
|
№ 3, № 4, №. 5, № 6, № 9, № 11
|
|
07050
|
07060
|
4,0
|
18
|
№ 1, № 2, № 7, № 10
|
№ 3, № 8, № 9
|
№ 4, №. 5, № 6, № 11
|
|
07370
|
-
|
12
|
8
|
3,0
|
5,0
|
-
|
№ 1, № 2, № 5, № 10
|
№ 1, № 3, № 7, № 8, № 9
|
№ 4, № 6, № 11
|
|
07070
|
07080
|
5,0
|
18
|
№ 2, № 9, № 10
|
№ 1, № 3, № 4, № 5, № 7, № 8
|
№ 6, № 11
|
|
07090
|
07100
|
16
|
10
|
4,0
|
6,0
|
№ 2, № 3, № 5, № 9, № 10
|
№ 4, № 8
|
№ 1, № 6, № 7, № 11
|
|
67390
|
67400
|
5,0
|
8
|
№ 2, № 3, № 9, № 10
|
№ 4, № 5, № 8, № 11
|
№ 1, № 6, № 7
|
|
07110
|
07120
|
6,0
|
18
|
№ 2, № 3, № 9, № 10
|
№ 4, № 5, № 8, № 11
|
№ 1, № 6, № 7
|
|
07130
|
07140
|
20
|
12
|
5,0
|
7,0
|
18
|
№ 2, № 3, № 4, № 9, № 10
|
№ 5, № 8, № 11
|
№ 1, № 6, № 7
|
|
67410
|
67420
|
6,0
|
8
|
№ 2, № 3, № 4, № 9, № 10
|
№ 5, № 8, № 11
|
№ 1, № 6, № 7
|
|
07150
|
07160
|
7,0
|
18
|
№ 2, № 3, № 4, № 5, № 9, № 10
|
№ 8, № 11
|
№ 1, № 6, № 7
|
|
07170
|
07180
|
25
|
14
|
6,0
|
8,0
|
№ 3, № 4, № 9, № 10
|
№ 2, № 5, № 6, № 8, № 11
|
№ 1, № 7
|
|
67330
|
67340
|
8,0
|
8
|
№ 3, № 4, № 9, № 10
|
№ 2, № 5, № 6, № 8, № 11
|
№ 1, № 7
|
|
07330
|
07340
|
18
|
№ 3, № 4, № 5, № 9, № 10
|
№ 2, № 6, № 8, № 11
|
№ 1, № 7
|
3. Условное
обозначение пластин - по ГОСТ
25393.
4. Ориентировочная масса пластин
указана в приложении.
5. Технические требования - по ГОСТ
2209.
6. Применяемые марки сплавов: №
1 - Т30К4; № 2 - Т15К6; № 3 - Т14К8; № 4 - Т5К10; № 5 - ТТ10К8-Б; № 6 -ТТ7К12;
№ 7 - ВК3, ВК3-М; № 8 - ВК6-М; ВК6-ОМ; № 9 - ВК6; № 10 - ВК8; № 11 - ВК10-ХОМ.
ПРИЛОЖЕНИЕ
Справочное
Таблица 2
Ориентировочная масса пластин
|
Обозначение пластин
|
Ориентировочная масса
пластин, г, из твердого сплава марок
|
|
Т30К4
|
Т15К6
|
Т14К8
|
Т5К10
|
ТТ10К8-Б
|
ТТ7К12
|
ВК3-М, ВК3
|
ВК6-ОМ, ВК6-М, ВК6
|
ВК8
|
ВК10-ХОМ
|
|
07350
|
-
|
0,42
|
0,49
|
0,49
|
0,55
|
0,59
|
0,57
|
0,66
|
0,65
|
0,64
|
0,64
|
|
07030
|
-
|
0,67
|
0,79
|
0,79
|
0,89
|
0,95
|
0,92
|
1,05
|
1,03
|
1,02
|
1,03
|
|
07010
|
-
|
1,30
|
1,53
|
1,54
|
1,73
|
1,85
|
1,79
|
2,05
|
2,01
|
2,00
|
2,01
|
|
07050
|
07060
|
1,72
|
2,02
|
2,03
|
2,27
|
2,43
|
2,34
|
2,70
|
2,64
|
2,60
|
2,62
|
|
07370
|
-
|
2,19
|
2,58
|
2,59
|
2,92
|
3,13
|
3,01
|
3,47
|
3,40
|
3,37
|
3,39
|
|
07070
|
07080
|
3,45
|
4,05
|
4,07
|
4,55
|
4,87
|
4,69
|
5,41
|
5,28
|
5,21
|
5,25
|
|
07090
|
07100
|
4,98
|
5,86
|
5,89
|
6,58
|
7,05
|
6,79
|
7,82
|
7,64
|
7,54
|
7,59
|
|
67390
|
67400
|
6,38
|
7,51
|
7,55
|
8,52
|
9,12
|
8,79
|
10,10
|
9,92
|
9,81
|
9,88
|
|
07110
|
07120
|
7,06
|
8,30
|
8,34
|
9,33
|
9,99
|
9,62
|
11,09
|
10,83
|
10,69
|
10,76
|
|
07130
|
07140
|
9,39
|
11,04
|
11,09
|
12,40
|
13,28
|
12,79
|
14,74
|
14,40
|
14,20
|
14,30
|
|
67410
|
67420
|
12,20
|
14,30
|
14,40
|
16,30
|
17,45
|
16,80
|
19,20
|
18,90
|
18,70
|
18,83
|
|
07150
|
07160
|
12,55
|
14,76
|
14,82
|
16,58
|
17,75
|
17,10
|
19,75
|
19,24
|
18,98
|
19,11
|
|
07170
|
07180
|
16,57
|
19,48
|
19,57
|
21,89
|
23,43
|
22,57
|
26,01
|
25,41
|
25,06
|
25,24
|
|
67330
|
67340
|
22,30
|
26,10
|
26,40
|
29,70
|
31,80
|
30,60
|
35,20
|
34,60
|
34,20
|
34,44
|
|
07330
|
07340
|
21,20
|
24,90
|
25,10
|
28,30
|
30,30
|
29,20
|
33,50
|
33,00
|
32,60
|
32,83
|
ИНФОРМАЦИОННЫЕ ДАННЫЕ
1. РАЗРАБОТАН И ВНЕСЕН
Министерством металлургии СССР
2. УТВЕРЖДЕН И ВВЕДЕН В
ДЕЙСТВИЕ Постановлением Государственного комитета СССР по управлению качеством
продукции и стандартам от 31.10.90 № 2761
3. ВЗАМЕН ГОСТ 25426-82
4. Стандарт полностью
соответствует СТ СЭВ 120-74, СТ СЭВ 3310-81
5.
ССЫЛОЧНЫЕ НОРМАТИВНО-ТЕХНИЧЕСКИЕ ДОКУМЕНТЫ
6. ПЕРЕИЗДАНИЕ 2006
г.
|