ГОСТ 8509-93
МЕЖГОСУДАРСТВЕННЫЙ СТАНДАРТ
УГОЛКИ СТАЛЬНЫЕ
ГОРЯЧЕКАТАНЫЕ
РАВНОПОЛОЧНЫЕ
СОРТАМЕНТ
МЕЖГОСУДАРСТВЕННЫЙ СОВЕТ
ПО СТАНДАРТИЗАЦИИ, МЕТРОЛОГИИ И СЕРТИФИКАЦИИ
Минск
Предисловие
1 РАЗРАБОТАН Украинским
научно-исследовательским институтом металлов
ВНЕСЕН
Госстандартом Украины
2 ПРИНЯТ
Межгосударственным Советом по стандартизации, метрологии и сертификации
(протокол № 3от 17.02.93)
За принятие проголосовали:
|
Наименование государства
|
Наименование национального органа по стандартизации
|
|
Республика Армения
|
Армгосстандарт
|
|
Республика Белоруссия
|
Белстандарт
|
|
Республика Казахстан
|
Госстандарт Республики
Казахстан
|
|
Республика Молдова
|
Молдовастандарт
|
|
Российская Федерация
|
Госстандарт России
|
|
Туркменистан
|
Туркменглавгосинспекция
|
|
Республика Узбекистан
|
Узгосстандарт
|
|
Украина
|
Госстандарт Украины
|
3 Постановлением Комитета
Российской Федерации по стандартизации, метрологии и сертификации от 20.02.96 №
85 межгосударственный стандарт ГОСТ 8509-93 введен в действие непосредственно в
качестве государственного стандарта Российской Федерации с 1 января 1997 г.
4 ВЗАМЕН ГОСТ 8509-86
МЕЖГОСУДАРСТВЕННЫЙ
СТАНДАРТ
|
УГОЛКИ
СТАЛЬНЫЕ ГОРЯЧЕКАТАНЫЕ РАВНОПОЛОЧНЫЕ
Сортамент
Hot-rolled steel equal-leg angles.
Dimensions
|
ГОСТ
8509-93
|
Дата введения 1997-01-01
1 Настоящий стандарт распространяется
на уголки стальные горячекатаные равнополочные.
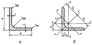
2 Размеры уголков, площадь
поперечного сечения, справочные величины для осей и масса 1 м уголков должны
соответствовать указанным на рисунке 1 и в таблице 1, а при поставках на
экспорт - рекомендуемым приложениям А и Б.

Рисунок 1
Таблица 1
|
Номер уголка
|
b
|
t
|
R
|
r
|
F, см2
|
Справочные значения
величин для осей
|
Масса 1 м, кг
|
|
х - х
|
x0 - x0
|
у0 - у0
|
Ixy, см4
|
x0, см
|
|
мм
|
Ix, см4
|
Wx, см3
|
ix, см
|
Ix0 max, см4
|
iх0 max, см
|
Iy0 min, см4
|
Wy0, см3
|
iy0 min, см
|
|
2
|
20
|
3
|
3,5
|
1,2
|
1,13
|
0,40
|
0,28
|
0,59
|
0,63
|
0,75
|
0,17
|
0,20
|
0,39
|
0,23
|
0,60
|
0,89
|
|
4
|
3,5
|
1,2
|
1,46
|
0,50
|
0,37
|
0,58
|
0,78
|
0,73
|
0,22
|
0,24
|
0,38
|
0,28
|
0,64
|
1,15
|
|
2,5
|
25
|
3
|
3,5
|
1,2
|
1,43
|
0,81
|
0,46
|
0,75
|
1,29
|
0,95
|
0,34
|
0,33
|
0,49
|
0,47
|
0,73
|
1,12
|
|
4
|
3,5
|
1,2
|
1,86
|
1,03
|
0,59
|
0,74
|
1,62
|
0,93
|
0,44
|
0,41
|
0,48
|
0,59
|
0,76
|
1,46
|
|
2,8
|
28
|
3
|
4,0
|
1,3
|
1,62
|
1,16
|
0,58
|
0,85
|
1,84
|
1,07
|
0,48
|
0,42
|
0,55
|
0,68
|
0,80
|
1,27
|
|
3
|
30
|
3
|
4,0
|
1,3
|
1,74
|
1,45
|
0,67
|
0,91
|
2,30
|
1,15
|
0,60
|
0,53
|
0,59
|
0,85
|
0,85
|
1,36
|
|
4
|
4,0
|
1,3
|
2,27
|
1,84
|
0,87
|
0,90
|
2,92
|
1,13
|
0,77
|
0,61
|
0,58
|
1,08
|
0,89
|
1,78
|
|
3,2
|
32
|
3
|
4,5
|
1,5
|
1,86
|
1,77
|
0,77
|
0,97
|
2,80
|
1,23
|
0,74
|
0,59
|
0,63
|
1,03
|
0,89
|
1,46
|
|
4
|
4,5
|
1,5
|
2,43
|
2,26
|
1,00
|
0,96
|
3,58
|
1,21
|
0,94
|
0,71
|
0,62
|
1,32
|
0,94
|
1,91
|
|
3,5
|
35
|
3
|
4,5
|
1,5
|
2,04
|
2,35
|
0,93
|
1,07
|
3,72
|
1,35
|
0,97
|
0,71
|
0,69
|
1,37
|
0,97
|
1,60
|
|
4
|
4,5
|
1,5
|
2,67
|
3,01
|
1,21
|
1,06
|
4,76
|
1,33
|
1,25
|
0,88
|
0,68
|
1,75
|
1,01
|
2,10
|
|
5
|
4,5
|
1,5
|
3,28
|
3,61
|
1,47
|
1,05
|
5,71
|
1,32
|
1,52
|
1,02
|
0,68
|
2,10
|
1,05
|
2,58
|
|
4
|
40
|
3
|
5,0
|
1,7
|
2,35
|
3,55
|
1,22
|
1,23
|
5,63
|
1,55
|
1,47
|
0,95
|
0,79
|
2,08
|
1,09
|
1,85
|
|
4
|
5,0
|
1,7
|
3,08
|
4,58
|
1,60
|
1,22
|
7,26
|
1,53
|
1,90
|
1,19
|
0,78
|
2,68
|
1,13
|
2,42
|
|
5
|
5,0
|
1,7
|
3,79
|
5,53
|
1,95
|
1,21
|
8,75
|
1,52
|
2,30
|
1,39
|
0,78
|
3,22
|
1,17
|
2,98
|
|
4,5
|
45
|
3
|
5,0
|
1,7
|
2,65
|
5,13
|
1,56
|
1,39
|
8,13
|
1,75
|
2,12
|
1,24
|
0,89
|
3,00
|
1,21
|
2,08
|
|
4
|
5,0
|
1,7
|
3,48
|
6,63
|
2,04
|
1,38
|
10,52
|
1,74
|
2,74
|
1,54
|
0,89
|
3,89
|
1,26
|
2,73
|
|
5
|
5,0
|
1,7
|
4,29
|
8,03
|
2,51
|
1,37
|
12,74
|
1,72
|
3,33
|
1,81
|
0,88
|
4,71
|
1,30
|
3,37
|
|
5
|
50
|
3
|
5,5
|
1,8
|
2,96
|
7,11
|
1,94
|
1,55
|
11,27
|
1,95
|
2,95
|
1,57
|
1,00
|
4,16
|
1,33
|
2,32
|
|
4
|
5,5
|
1,8
|
3,89
|
9,21
|
2,54
|
1,54
|
14,63
|
1,94
|
3,80
|
1,95
|
0,99
|
5,42
|
1,38
|
3,05
|
|
5
|
5,5
|
1,8
|
4,80
|
11,20
|
3,13
|
1,53
|
17,77
|
1,92
|
4,63
|
2,30
|
0,98
|
6,57
|
1,42
|
3,77
|
|
6
|
5,5
|
1,8
|
5,69
|
13,07
|
3,69
|
1,52
|
20,72
|
1,91
|
5,43
|
2,63
|
0,98
|
7,65
|
1,46
|
4,47
|
|
5,6
|
56
|
4
|
6,0
|
2,0
|
4,38
|
13,10
|
3,21
|
1,73
|
20,79
|
2,18
|
5,41
|
2,52
|
1,11
|
7,69
|
1,52
|
3,44
|
|
5
|
6,0
|
2,0
|
5,41
|
15,97
|
3,96
|
1,72
|
25,36
|
2,16
|
6,59
|
2,97
|
1,10
|
9,41
|
1,57
|
4,25
|
|
6,3
|
63
|
4
|
7,0
|
2,3
|
4,96
|
18,86
|
4,09
|
1,95
|
29,90
|
2,45
|
7,81
|
3,26
|
1,25
|
11,00
|
1,69
|
3,90
|
|
5
|
7,0
|
2,3
|
6,13
|
23,10
|
5,05
|
1,94
|
36,80
|
2,44
|
9,52
|
3,87
|
1,25
|
13,70
|
1,74
|
4,81
|
|
6
|
7,0
|
2,3
|
7,28
|
27,06
|
5,98
|
1,93
|
42,91
|
2,43
|
11,18
|
4,44
|
1,24
|
15,90
|
1,78
|
5,72
|
|
7
|
70
|
4,5
|
8,0
|
2,7
|
6,20
|
29,04
|
5,67
|
2,16
|
46,03
|
2,72
|
12,04
|
4,53
|
1,39
|
17,00
|
1,88
|
4,87
|
|
5
|
8,0
|
2,7
|
6,86
|
31,94
|
6,27
|
2,16
|
50,67
|
2,72
|
13,22
|
4,92
|
1,39
|
18,70
|
1,90
|
5,38
|
|
6
|
8,0
|
2,7
|
8,15
|
37,58
|
7,43
|
2,15
|
59,64
|
2,71
|
15,52
|
5,66
|
1,38
|
22,10
|
1,94
|
6,39
|
|
7
|
8,0
|
2,7
|
9,42
|
42,98
|
8,57
|
2,14
|
68,19
|
2,69
|
17,77
|
6,31
|
1,37
|
25,20
|
1,99
|
7,39
|
|
8
|
8,0
|
2,7
|
10,67
|
48,16
|
9,68
|
2,12
|
76,35
|
2,68
|
19,97
|
6,99
|
1,37
|
28,20
|
2,02
|
8,37
|
|
7,5
|
75
|
5
|
9,0
|
3,0
|
7,39
|
39,53
|
7,21
|
2,31
|
62,65
|
7,91
|
16,41
|
5,74
|
1,49
|
23,10
|
2,02
|
5,80
|
|
6
|
9,0
|
3,0
|
8,78
|
46,57
|
8,57
|
2,30
|
73,87
|
2,90
|
19,28
|
6,62
|
1,48
|
27,30
|
2,06
|
6,89
|
|
7
|
9,0
|
3,0
|
10,15
|
53,34
|
9,89
|
2,29
|
84,61
|
2,89
|
22,07
|
7,43
|
1,47
|
31,20
|
2,10
|
7,96
|
|
8
|
9,0
|
3,0
|
11,50
|
59,84
|
11,18
|
2,28
|
94,89
|
2,87
|
24,80
|
8,16
|
1,47
|
35,00
|
2,15
|
9,02
|
|
9
|
9,0
|
3,0
|
12,83
|
66,10
|
12,43
|
2,27
|
104,72
|
2,86
|
27,48
|
8,91
|
1,46
|
38,60
|
2,18
|
10,07
|
|
8
|
80
|
5,5
|
9,0
|
3,0
|
8,63
|
52,68
|
9,03
|
2,47
|
83,56
|
3,11
|
21,80
|
7,10
|
1,59
|
30,90
|
2,17
|
6,78
|
|
6
|
9,0
|
3,0
|
9,38
|
56,97
|
9,80
|
2,47
|
90,40
|
3,11
|
23,54
|
7,60
|
1,58
|
33,40
|
2,19
|
7,36
|
|
7
|
9,0
|
3,0
|
10,85
|
65,31
|
11,32
|
2,45
|
103,60
|
3,09
|
26,97
|
8,55
|
1,58
|
38,30
|
2,23
|
8,51
|
|
8
|
9,0
|
3,0
|
12,30
|
73,36
|
12,80
|
2,44
|
116,39
|
3,08
|
30,32
|
9,44
|
1,57
|
43,00
|
2,27
|
9,65
|
|
9
|
90
|
6
|
10,0
|
3,3
|
10,61
|
82,10
|
12,49
|
2,78
|
130,00
|
3,50
|
33,97
|
9,88
|
1,79
|
48,10
|
2,43
|
8,33
|
|
7
|
10,0
|
3,3
|
12,28
|
94,30
|
14,45
|
2,77
|
149,67
|
3,49
|
38,94
|
11,15
|
1,78
|
55,40
|
2,47
|
9,64
|
|
8
|
10,0
|
3,3
|
13,93
|
106,11
|
16,36
|
2,76
|
168,42
|
3,48
|
43,80
|
12,34
|
1,77
|
62,30
|
2,51
|
10,93
|
|
9
|
10,0
|
3,3
|
15,60
|
118,00
|
18,29
|
2,75
|
186,00
|
3,46
|
48,60
|
13,48
|
1,77
|
68,00
|
2,55
|
12,20
|
|
10
|
100
|
6,5
|
12,0
|
4,0
|
12,82
|
122,10
|
16,69
|
3,09
|
193,46
|
3,89
|
50,73
|
13,38
|
1,99
|
71,40
|
2,68
|
10,06
|
|
7
|
12,0
|
4,0
|
13,75
|
130,59
|
17,90
|
3,08
|
207,01
|
3,88
|
54,16
|
14,13
|
1,98
|
76,40
|
2,71
|
10,79
|
|
8
|
12,0
|
4,0
|
15,60
|
147,19
|
20,30
|
3,07
|
233,46
|
3,87
|
60,92
|
15,66
|
1,98
|
86,30
|
2,75
|
12,25
|
|
10
|
12,0
|
4,0
|
19,24
|
178,95
|
24,97
|
3,05
|
283,83
|
3,84
|
74,08
|
18,51
|
1,96
|
110,00
|
2,83
|
15,10
|
|
12
|
12,0
|
4,0
|
22,80
|
208,90
|
29,47
|
3,03
|
330,95
|
3,81
|
86,84
|
21,10
|
1,95
|
122,00
|
2,91
|
17,90
|
|
14
|
12,0
|
4,0
|
26,28
|
237,15
|
33,83
|
3,00
|
374,98
|
3,78
|
99,32
|
23,49
|
1,94
|
138,00
|
2,99
|
20,63
|
|
16
|
12,0
|
4,0
|
29,68
|
263,82
|
38,04
|
2,98
|
416,04
|
3,74
|
111,61
|
25,79
|
1,94
|
152,00
|
3,06
|
23,30
|
|
11
|
110
|
7
|
12,0
|
4,0
|
15,15
|
175,61
|
21,83
|
3,40
|
278,54
|
4,29
|
72,68
|
17,36
|
2,19
|
106,00
|
2,96
|
11,89
|
|
8
|
12,0
|
4,0
|
17,20
|
198,17
|
24,77
|
3,39
|
314,51
|
4,28
|
81,83
|
19,29
|
2,18
|
116,00
|
3,00
|
13,50
|
|
12,5
|
125
|
8
|
14,0
|
4,6
|
19,69
|
294,36
|
32,20
|
3,87
|
466,76
|
4,87
|
121,98
|
25,67
|
2,49
|
172,00
|
3,36
|
15,46
|
|
9
|
14,0
|
4,6
|
22,00
|
327,48
|
36,00
|
3,86
|
520,00
|
4,86
|
135,88
|
28,26
|
2,48
|
192,00
|
3,40
|
17,30
|
|
10
|
14,0
|
4,6
|
24,33
|
359,82
|
39,74
|
3,85
|
571,04
|
4,84
|
148,59
|
30,45
|
2,47
|
211,00
|
3,45
|
19,10
|
|
12
|
14,0
|
4,6
|
28,89
|
422,23
|
47,06
|
3,82
|
670,02
|
4,82
|
174,43
|
34,94
|
2,46
|
248,00
|
3,53
|
22,68
|
|
14
|
14,0
|
4,6
|
33,37
|
481,76
|
54,17
|
3,80
|
763,90
|
4,78
|
199,62
|
39,10
|
2,45
|
282,00
|
3,61
|
26,20
|
|
16
|
14,0
|
4,6
|
37,77
|
538,56
|
61,09
|
3,78
|
852,84
|
4,75
|
224,29
|
43,10
|
2,44
|
315,00
|
3,68
|
29,65
|
|
14
|
140
|
9
|
14,0
|
4,6
|
24,72
|
465,72
|
45,55
|
4,34
|
739,42
|
5,47
|
192,03
|
35,92
|
2,79
|
274,00
|
3,76
|
19,41
|
|
10
|
14,0
|
4,6
|
27,33
|
512,29
|
50,32
|
4,33
|
813,62
|
5,46
|
210,96
|
39,05
|
2,78
|
301,00
|
3,82
|
21,45
|
|
12
|
14,0
|
4,6
|
32,49
|
602,49
|
59,66
|
4,31
|
956,98
|
5,43
|
248,01
|
44,97
|
2,76
|
354,00
|
3,90
|
25,50
|
|
16
|
160
|
10
|
16,0
|
5,3
|
31,43
|
774,24
|
66,19
|
4,96
|
1229,10
|
6,25
|
319,33
|
52,52
|
3,19
|
455,00
|
4,30
|
24,67
|
|
11
|
16,0
|
5,3
|
34,42
|
844,21
|
72,44
|
4,95
|
1340,06
|
6,24
|
347,77
|
56,53
|
3,18
|
496,00
|
4,35
|
27,02
|
|
12
|
16,0
|
5,3
|
37,39
|
912,89
|
78,62
|
4,94
|
1450,00
|
6,23
|
375,78
|
60,53
|
3,17
|
537,00
|
4,39
|
29,35
|
|
14
|
16,0
|
5,3
|
43,57
|
1046,47
|
90,77
|
4,92
|
1662,13
|
6,20
|
430,81
|
68,15
|
3,16
|
615,00
|
4,47
|
34,20
|
|
16
|
16,0
|
5,3
|
49,07
|
1175,19
|
102,64
|
4,89
|
1865,73
|
6,17
|
484,64
|
75,92
|
3,14
|
690,00
|
4,55
|
38,52
|
|
18
|
16,0
|
5,3
|
54,79
|
1290,24
|
114,24
|
4,87
|
2061,03
|
6,13
|
537,46
|
82,08
|
3,13
|
771,00
|
4,63
|
43,01
|
|
20
|
16,0
|
5,3
|
60,40
|
1418,85
|
125,60
|
4,85
|
2248,26
|
6,10
|
589,43
|
90,02
|
3,12
|
830,00
|
4,70
|
47,41
|
|
18
|
180
|
11
|
16,0
|
5,3
|
38,80
|
1216,44
|
92,47
|
5,60
|
1933,10
|
7,06
|
499,78
|
72,86
|
3,59
|
716,00
|
4,85
|
30,47
|
|
12
|
16,0
|
5,3
|
42,19
|
1316,62
|
100,41
|
5,59
|
2092,78
|
7,04
|
540,45
|
78,15
|
3,58
|
776,00
|
4,89
|
33,12
|
|
20
|
200
|
12
|
18,0
|
6,0
|
47,10
|
1822,78
|
124,61
|
6,22
|
2896,16
|
7,84
|
749,40
|
98,68
|
3,99
|
1073,00
|
5,37
|
36,97
|
|
13
|
18,0
|
6,0
|
50,85
|
1960,77
|
134,44
|
6,21
|
3116,18
|
7,83
|
805,35
|
105,07
|
3,98
|
1156,00
|
5,42
|
39,92
|
|
14
|
18,0
|
6,0
|
54,60
|
2097,00
|
144,17
|
6,20
|
3333,00
|
7,81
|
861,00
|
111,50
|
3,97
|
1236,00
|
5,46
|
42,80
|
|
16
|
18,0
|
6,0
|
61,98
|
2362,57
|
163,37
|
6,17
|
3755,39
|
7,78
|
969,74
|
123,77
|
3,96
|
1393,00
|
5,54
|
48,65
|
|
20
|
18,0
|
6,0
|
76,54
|
2871,47
|
200,37
|
6,12
|
4860,42
|
7,72
|
1181,92
|
146,62
|
3,93
|
1689,00
|
5,70
|
60,08
|
|
25
|
18,0
|
6,0
|
94,29
|
3466,21
|
245,59
|
6,06
|
5494,04
|
7,63
|
1438,38
|
172,68
|
3,91
|
2028,00
|
5,89
|
74,02
|
|
30
|
18,0
|
6,0
|
111,54
|
4019,60
|
288,57
|
6,00
|
6351,05
|
7,55
|
1698,16
|
193,06
|
3,89
|
2332,00
|
6,07
|
87,56
|
|
22
|
220
|
14
|
21,0
|
7,0
|
60,38
|
2814,36
|
175,18
|
6,83
|
4470,15
|
8,60
|
1158,56
|
138,62
|
4,38
|
1655,00
|
5,91
|
47,40
|
|
16
|
21,0
|
7,0
|
68,58
|
3175,44
|
198,71
|
6,80
|
5045,37
|
8,58
|
1305,52
|
153,34
|
4,36
|
1869,00
|
6,02
|
53,83
|
|
25
|
250
|
16
|
24,0
|
8,0
|
78,40
|
4717,10
|
258,43
|
7,76
|
7492,10
|
9,78
|
1942,09
|
203,45
|
4,98
|
2775,00
|
6,75
|
61,55
|
|
18
|
24,0
|
8,0
|
87,72
|
5247,24
|
288,82
|
7,73
|
8336,69
|
9,75
|
2157,78
|
223,39
|
4,96
|
3089,00
|
6,83
|
68,86
|
|
20
|
24,0
|
8,0
|
96,96
|
5764,87
|
318,76
|
7,71
|
9159,73
|
9,72
|
2370,01
|
242,52
|
4,94
|
3395,00
|
6,91
|
76,11
|
|
22
|
24,0
|
8,0
|
106,12
|
6270,32
|
348,26
|
7,69
|
9961,30
|
9,69
|
2579,04
|
260,52
|
4,93
|
3691,00
|
7,00
|
83,31
|
|
25
|
24,0
|
8,0
|
119,71
|
7006,39
|
391,72
|
7,65
|
11125,52
|
9,64
|
2887,26
|
287,14
|
4,91
|
4119,00
|
7,11
|
93,97
|
|
28
|
24,0
|
8,0
|
133,12
|
7716,86
|
434,25
|
7,61
|
12243,84
|
9,59
|
3189,89
|
311,98
|
4,90
|
4527,00
|
7,23
|
104,50
|
|
30
|
24,0
|
8,0
|
141,96
|
8176,82
|
462,11
|
7,59
|
12964,66
|
9,56
|
3388,98
|
327,82
|
4,89
|
4788,00
|
7,31
|
111,44
|
|
35
|
24,0
|
8,0
|
163,71
|
9281,05
|
530,11
|
7,53
|
14682,73
|
9,47
|
3879,37
|
366,13
|
4,87
|
5401,68
|
7,53
|
128,51
|
|
|
|
|
|
|
|
|
|
|
|
|
|
|
|
|
|
|
|
|
|
Примечания:
1 Площадь поперечного сечения и справочные величины вычислены по номинальным размерам. Плотность
стали - 7,85 г/см3.
2 Радиусы закругления, указанные на рисунке 1
и в таблице 1,
даны для построения калибра и на профиле не контролируются.
Условные обозначения к рисунку 1 и таблице 1:
b - ширина полки;
t - толщина полки;
R - радиус внутреннего закругления;
r - радиус закругления полок;
F- площадь поперечного сечения;
I - момент инерции;
x0 - расстояние от центра тяжести до
наружной грани полки;
Ixy - центробежный момент
инерции;
i - радиус инерции.
3 По точности прокатки уголки
изготавливают:
А - высокой точности;
В - обычной точности.
4 Предельные отклонения по
размерам уголков не должны превышать указанных в таблице 2.
Таблица 2
|
Номер уголка
|
Предельные отклонения, мм
|
|
по ширине полки
|
по толщине полки
|
|
до 6 включ.
|
от 6,5 до 9 включ.
|
свыше 9
|
|
А
|
В
|
А
|
В
|
А
|
В
|
|
От 2 до 4,5
|
±1,0
|
+0,2
|
+0,3
|
-
|
-
|
-
|
-
|
|
-0,3
|
-0,4
|
|
» 5 » 9
|
±1,5
|
+0,2
|
+0,3
|
+0,2
|
+0,3
|
+0,3
|
+0,4
|
|
-0,4
|
-0,5
|
-0,5
|
-0,6
|
-0,5
|
-0,6
|
|
» 10 » 15
|
±2,0
|
-
|
-
|
+0,3
|
+0,4
|
+0,3
|
+0,4
|
|
-0,5
|
-0,6
|
-0,6
|
-0,7
|
|
» 16 » 20
|
±3,0
|
-
|
-
|
-
|
-
|
+0,4
|
+0,5
|
|
-0,7
|
-0,8
|
|
» 22 » 25
|
±4,0
|
-
|
-
|
-
|
-
|
+0,4
|
+0,5
|
|
-0,8
|
-0,9
|
5 По согласованию изготовителя с
потребителем допускается изготовление уголков со смещением предельных
отклонений по толщине полки в пределах допускаемых отклонений соответствующей
точности.
6 По согласованию с потребителем
отклонения по толщине полки допускается заменять предельными отклонениями по
массе в соответствии с таблицей 3.
Таблица 3
|
Номер уголка
|
Предельные отклонения по
массе, %
|
|
1 класс
|
II класс
|
|
От 2 до 7,5 включ.
|
+3
|
+3
-5
|
|
-5
|
|
Свыше 7,5
|
±2,5
|
7 Отклонение от прямого угла при
вершине не должно превышать 35¢.
По согласованию изготовителя с
потребителем отклонение от прямого угла при вершине не должно превышать:
1,0 мм - для уголков с шириной
полки до 50 мм включительно;
2,0 мм - для уголков с шириной
полки свыше 50 до 100 мм включительно;
3,0 мм - для уголков с шириной
полки свыше 100 до 200 мм.
8 Притупление внешних углов (в
том числе и угла при вершине) не контролируется.
По требованию потребителя
притупление внешних углов (в том числе и угла при вершине) не должно превышать:
0,3 толщины полки - для уголков
толщиной до 10 мм включительно;
3,0 мм - для уголков толщиной
свыше 10 до 16 мм включительно;
5,0 мм - для уголков толщиной
свыше 16 мм.
9 Уголки изготавливают длиной от
4 до 12 м:
мерной длины;
мерной длины с немерной в
количестве не более 5 % массы партии;
кратной мерной длины,
кратной мерной длины с немерной
в количестве не более 5 % массы партии;
немерной длины;
ограниченной длины в пределах
немерной.
9.1 По согласованию изготовителя
с потребителем уголки изготавливают мерной и кратной мерной длины с немерными
длинами более 5 % массы партии.
9.2 Допускается изготовление
уголков длиной не менее 3 м и свыше 12 м.
10 Предельные отклонения по
длине уголков мерной длины или кратной мерной не должны превышать:
+ 30 мм - при длине до 4 м
включительно;
+ 50 мм - при длине свыше 4 до 6
м включительно;
+ 70 мм - при длине свыше 6 м.
По требованию потребителя для
уголков длиной свыше 4 до 7 м предельные отклонения длины не должны превышать +
40 мм, более 7 м - + 5 мм на каждый следующий метр.
11 Кривизна уголков не должна
превышать 0,4 % длины. По требованию потребителя изготавливают уголки, кривизна
которых не превышает 0,2 % длины. Для уголков от № 2 до 4,5 включительно
кривизну проверяют на длине 1 м.
12 Размеры поперечного сечения
уголков, притупление углов измеряют на расстоянии не менее 500 мм от торца
штанги.
ПРИЛОЖЕНИЕ А
(рекомендуемое)
ПРОФИЛИ СТАЛЬНЫЕ ГОРЯЧЕКАТАНЫЕ
ЧАСТЬ 1. УГОЛКИ
РАВНОПОЛОЧНЫЕ. РАЗМЕРЫ
(ИСО 657-1-89)
1 Область распространения
Эта часть ИСО 657 включает размеры горячекатаных равнополочных уголков.
2 Настоящий стандарт содержит условия данной части ИСО 657. По состоянию
на время публикации данное издание являлось действующим.
Все стандарты пересматриваются, поэтому необходимо использовать
стандарты наиболее позднего издания.
Страны-члены МЭК и ИСО должны обеспечиваться действующими международными
стандартами.
ИСО 657-5-76. Горячекатаные стальные профили, часть 5. Равнополочные и
неравнополочные уголки, предельные отклонения в метрической и дюймовой сериях.
3 Размеры
3.1 Предпочтительные размеры выделены полужирным шрифтом.
3.2 Радиусы внутреннего закругления даны для информации и приведены в таблице А.1.
3.3 Радиус закругления полок не определен, но при необходимости может
быть рассчитан.
4 Свойства профиля
Масса, площадь поперечного сечения и справочные значения величин
равнополочных уголков приведены для информации в таблице A.1 и рассчитаны при условии,
что радиус закругления полок имеет 1/2 значения радиуса внутреннего
закругления.
5 Допуски
Допускаемые отклонения на размеры приведены в таблице Б.1 приложения Б.

Таблица
А.1
|
Размер
|
Масса кг/м
|
S, см2
|
Величины
|
Расстояние от центра тяжести
|
Справочные значения величин для осей
|
|
х-х=у-у
|
u-u
|
v-v
|
|
А, мм
|
t, мм
|
rroot, мм
|
Cx=Cy, см
|
Cu, см
|
Cv, см
|
Ix=Iy, см4
|
rx=ry, см3
|
Zx=Zy, см
|
Iu, см4
|
ru, см
|
Iv, см4
|
rv, см
|
Zv, см3
|
|
20´20´3
|
0,88
|
1,12
|
20
|
3
|
3,5
|
0,598
|
1,41
|
0,846
|
0,392
|
0,590
|
0,279
|
0,618
|
0,742
|
0,165
|
0,383
|
0,195
|
|
25´25´3
|
1,12
|
1,42
|
25
|
3
|
3,5
|
0,723
|
1,77
|
1,02
|
0,803
|
0,751
|
0,452
|
1,27
|
0,945
|
0,334
|
0,484
|
0,326
|
|
25´25´4
|
1,45
|
1,85
|
25
|
4
|
3,5
|
0,762
|
1,77
|
1,08
|
1,02
|
0,741
|
0,586
|
1,61
|
0,931
|
0,430
|
0,482
|
0,399
|
|
30´30´3
|
1,36
|
1,74
|
30
|
3
|
5
|
0,835
|
2,12
|
1,18
|
1,40
|
0,899
|
0,649
|
2,22
|
1,13
|
0,585
|
0,581
|
0,496
|
|
30´30´4
|
1,78
|
2,27
|
30
|
4
|
5
|
0,878
|
2,12
|
1,24
|
1,80
|
0,892
|
0,850
|
2,85
|
1,12
|
0,754
|
0,577
|
0,607
|
|
35´35´4
|
2,09
|
2,67
|
35
|
4
|
5
|
1,00
|
2,47
|
1,42
|
2,95
|
1,05
|
1,18
|
4,68
|
1,32
|
1,23
|
0,678
|
0,865
|
|
35´35´5
|
2,57
|
3,28
|
35
|
5
|
5
|
1,04
|
2,47
|
1,48
|
3,56
|
1,04
|
1,45
|
5,64
|
1,31
|
1,49
|
0,675
|
1,01
|
|
40´40´3
|
1,84
|
2,35
|
40
|
3
|
6
|
1,07
|
2,83
|
1,52
|
3,45
|
1,21
|
1,18
|
5,45
|
1,52
|
1,44
|
0,783
|
0,949
|
|
40´40´4
|
2,42
|
3,08
|
40
|
4
|
6
|
1,12
|
2,83
|
1,58
|
4,47
|
1,21
|
1,55
|
7,09
|
1,52
|
1,86
|
0,777
|
1,17
|
|
40´40´5
|
2,97
|
3,79
|
40
|
5
|
6
|
1,16
|
2,83
|
1,64
|
5,43
|
1,20
|
1,91
|
8,60
|
1,51
|
2,26
|
0,773
|
1,38
|
|
45´45´4
|
2,74
|
3,49
|
45
|
4
|
7
|
1,23
|
3,18
|
1,75
|
6,43
|
1,36
|
1,97
|
10,2
|
1,71
|
2,68
|
0,876
|
1,53
|
|
45´45´5
|
3,38
|
4,30
|
45
|
5
|
7
|
1,28
|
3,18
|
1,81
|
7,84
|
1,35
|
2,43
|
12,4
|
1,70
|
3,26
|
0,871
|
1,80
|
|
50´50´4
|
3,06
|
3,89
|
50
|
4
|
7
|
1,36
|
3,54
|
1,92
|
8,97
|
1,52
|
2,46
|
14,2
|
1,91
|
3,73
|
0,979
|
1,94
|
|
50´50´5
|
3,77
|
4,80
|
50
|
5
|
7
|
1,40
|
3,54
|
1,99
|
11,0
|
1,51
|
3,05
|
17,4
|
1,90
|
4,55
|
0,973
|
2,29
|
|
50´50´6
|
4,47
|
5,69
|
50
|
6
|
7
|
1,45
|
3,54
|
2,04
|
12,8
|
1,50
|
3,61
|
20,3
|
1,89
|
5,34
|
0,968
|
2,61
|
|
60´60´5
|
4,57
|
5,82
|
60
|
5
|
8
|
1,64
|
4,24
|
2,32
|
19,4
|
1,82
|
4,45
|
30,7
|
2,30
|
8,03
|
1,17
|
3,46
|
|
60´60´6
|
5,42
|
6,91
|
60
|
6
|
8
|
1,69
|
4,24
|
2,39
|
22,8
|
1,82
|
5,29
|
36,1
|
2,29
|
9,44
|
1,17
|
3,96
|
|
60´60´8
|
7,09
|
9,03
|
60
|
8
|
8
|
1,77
|
4,24
|
2,50
|
29,2
|
1,80
|
6,89
|
46,1
|
2,26
|
12,2
|
1,16
|
4,86
|
|
65´65´6
|
5,91
|
7,53
|
65
|
6
|
9
|
1,80
|
4,60
|
2,55
|
29,2
|
1,97
|
6,21
|
46,3
|
2,48
|
12,1
|
1,27
|
4,74
|
|
65´65´8
|
7,73
|
9,85
|
65
|
8
|
9
|
1,89
|
4,60
|
2,67
|
37,5
|
1,95
|
8,13
|
59,4
|
2,46
|
15,6
|
1,26
|
5,84
|
|
70´70´6
|
6,38
|
8,13
|
70
|
6
|
9
|
1,93
|
4,95
|
2,73
|
36,9
|
2,13
|
7,27
|
58,5
|
2,68
|
15,3
|
1,37
|
5,60
|
|
70´70´7
|
7,38
|
9,40
|
70
|
7
|
9
|
1,97
|
4,95
|
2,79
|
42,3
|
2,12
|
8,41
|
67,1
|
2,67
|
17,5
|
1,36
|
6,28
|
|
75´75´6
|
6,85
|
8,73
|
75
|
6
|
9
|
2,05
|
5,30
|
2,90
|
45,8
|
2,29
|
8,41
|
72,7
|
2,89
|
18,9
|
1,47
|
6,53
|
|
75´75´8
|
8,99
|
11,4
|
75
|
8
|
9
|
2,14
|
5,30
|
3,02
|
59,1
|
2,27
|
11,0
|
93,8
|
2,86
|
24,5
|
1,46
|
8,09
|
|
80´80´6
|
7,34
|
9,35
|
80
|
6
|
10
|
2,17
|
5,66
|
3,07
|
55,8
|
2,44
|
9,57
|
88,5
|
3,08
|
23,1
|
1,57
|
7,55
|
|
80´80´8
|
9,63
|
12,3
|
80
|
8
|
10
|
2,26
|
5,66
|
3,19
|
72,2
|
2,43
|
176
|
115
|
3,06
|
29,9
|
1,56
|
9,37
|
|
80´80´10
|
11,9
|
15,1
|
80
|
10
|
10
|
2,34
|
5,66
|
3,30
|
87,5
|
2,41
|
15,4
|
139
|
3,03
|
36,4
|
1,55
|
11,0
|
|
90´90´7
|
9,61
|
12,2
|
90
|
7
|
11
|
2,45
|
6,36
|
3,47
|
92,5
|
2,75
|
14,1
|
147
|
3,46
|
38,3
|
1,77
|
11,0
|
|
90´90´8
|
10,9
|
13,9
|
90
|
8
|
11
|
2,50
|
6,36
|
3,53
|
104
|
2,74
|
16,1
|
166
|
3,45
|
43,1
|
1,76
|
12,2
|
|
90´90´9
|
12,2
|
15,5
|
90
|
9
|
11
|
2,54
|
6,36
|
3,59
|
116
|
2,73
|
17,9
|
184
|
3,44
|
47,9
|
1,76
|
13,3
|
|
90´90´10
|
15,0
|
17,1
|
90
|
10
|
11
|
2,58
|
6,36
|
3,65
|
127
|
2,72
|
19,8
|
201
|
3,42
|
52,6
|
1,75
|
14,4
|
|
100´100´8
|
12,2
|
15,5
|
100
|
8
|
12
|
2,74
|
7,07
|
3,87
|
145
|
3,06
|
19,9
|
230
|
3,85
|
59,9
|
1,96
|
15,5
|
|
100´100´10
|
15,0
|
19,2
|
100
|
10
|
12
|
2,82
|
7,07
|
3,99
|
177
|
3,04
|
24,6
|
280
|
3,83
|
73,0
|
1,95
|
18,3
|
|
100´100´12
|
17,8
|
22,7
|
100
|
12
|
12
|
2,90
|
7,07
|
4,11
|
207
|
3,02
|
29,1
|
328
|
3,80
|
85,7
|
1,94
|
20,9
|
|
120´120´8
|
14,7
|
18,7
|
120
|
8
|
13
|
3,23
|
8,49
|
4,56
|
255
|
3,69
|
29,1
|
405
|
4,65
|
105
|
2,37
|
23,1
|
|
120´120´10
|
18,2
|
23,2
|
120
|
10
|
13
|
3,31
|
8,49
|
4,69
|
313
|
3,67
|
36,0
|
497
|
4,63
|
129
|
2,36
|
27,5
|
|
120´120´12
|
21,6
|
27,5
|
120
|
12
|
13
|
3,40
|
8,49
|
4,80
|
368
|
3,65
|
42,7
|
584
|
4,60
|
152
|
2,35
|
31,6
|
|
125´125´8
|
15,3
|
19,5
|
125
|
8
|
13
|
3,35
|
8,84
|
4,74
|
290
|
3,85
|
31,7
|
461
|
4,85
|
120
|
2,47
|
25,3
|
|
125´125´10
|
19,0
|
24,2
|
125
|
10
|
13
|
3,44
|
8,84
|
4,86
|
356
|
3,84
|
39,3
|
565
|
4,83
|
146
|
2,46
|
30,1
|
|
125´125´12
|
22,6
|
28,7
|
125
|
12
|
13
|
3,52
|
8,84
|
4,98
|
418
|
3,81
|
46,6
|
664
|
4,81
|
172
|
2,45
|
34,6
|
|
150´150´10
|
23,0
|
29,3
|
150
|
10
|
16
|
4,03
|
10,6
|
5,71
|
624
|
4,62
|
56,9
|
990
|
5,82
|
258
|
2,97
|
45,1
|
|
150´150´12
|
27,3
|
34,8
|
150
|
12
|
16
|
4,12
|
10,6
|
5,83
|
737
|
4,60
|
67,7
|
1170
|
5,80
|
303
|
2,95
|
52,0
|
|
150´150´15
|
33,8
|
43,0
|
150
|
15
|
16
|
4,25
|
10,6
|
6,01
|
898
|
4,57
|
83,5
|
1430
|
5,76
|
370
|
2,93
|
61,6
|
|
180´180´15
|
40,9
|
52,1
|
180
|
15
|
18
|
4,98
|
12,7
|
7,05
|
1590
|
5,52
|
122
|
2520
|
6,96
|
653
|
3,54
|
92,7
|
|
180´180´18
|
48,6
|
61,9
|
180
|
18
|
18
|
5,10
|
17,7
|
7,22
|
1870
|
5,49
|
145
|
2960
|
6,92
|
768
|
3,52
|
106
|
|
200´200´16
|
48,5
|
61,8
|
200
|
16
|
18
|
5,52
|
14,1
|
7,81
|
2340
|
6,16
|
162
|
3720
|
7,76
|
960
|
3,94
|
123
|
|
200´200´20
|
59,9
|
76,3
|
200
|
20
|
18
|
5,68
|
14,1
|
8,04
|
2850
|
6,11
|
199
|
4530
|
7,70
|
1170
|
3,92
|
146
|
|
200´200´24
|
71,1
|
90,6
|
200
|
24
|
18
|
5,84
|
14,1
|
8,26
|
3330
|
6,06
|
235
|
5280
|
7,64
|
1380
|
3,90
|
167
|
|
250´250´28
|
104
|
133
|
250
|
28
|
18
|
7,24
|
17,7
|
10,2
|
7700
|
7,62
|
433
|
1220
|
9,61
|
3170
|
4,89
|
309
|
|
250´250´35
|
128
|
163
|
250
|
35
|
18
|
7,50
|
17,7
|
10,6
|
9260
|
7,54
|
529
|
1470
|
9,48
|
3860
|
4,87
|
364
|
|
|
|
|
|
|
|
|
|
|
|
|
|
|
|
|
|
|
|
Примечания
1 Страны-члены ИСО могут включать в национальные
стандарты требуемые им размеры уголков.
Из приведенного в таблице сортамента на равнополочные
уголки в национальный стандарт могут быть включены те размеры уголков, которые
обеспечиваются на прокатных станах.
2 Площадь поперечного сечения вычисляют по формуле
,
где S - площадь поперечного сечения,
см2;
t - толщина, мм;
rroot - радиус внутреннего
закругления, мм;
rtoс - радиус закругления полок,
мм;
А - ширина полки, мм.
3 При вычислении массы 1 м плотность стали принята
7,85 кг/дм3.
ПРИЛОЖЕНИЕ Б
(рекомендуемое)
ПРОФИЛИ СТАЛЬНЫЕ ГОРЯЧЕКАТАНЫЕ
ЧАСТЬ 5. УГОЛКИ РАВНОПОЛОЧНЫЕ И
НЕРАВНОПОЛОЧНЫЕ В МЕТРИЧЕСКОЙ И ДЮЙМОВОЙ СЕРИЯХ. ДОПУСКИ
(ИСО 657-5-76)
1 Предмет стандарта и область применения
Настоящий международный стандарт регламентирует предельные отклонения
размеров горячекатаных стальных равнополочных и неравнополочных уголков в
метрической и дюймовой сериях. Размеры уголков в метрической серии должны
соответствовать ИСО 657-1 и ИСО 657-2, в дюймовой - ИСО 657-3 и ИСО 657-4.
2 Предельные отклонения по ширине полки
Предельные отклонения по ширине полки должны соответствовать приведенным
в таблице Б.1.
Таблица Б.1 Предельные отклонения по ширине
|
Метрическая серия, мм
|
Дюймовая серия, дюйм
|
|
Ширина полки 1
|
Предельные отклонения
|
Ширина полки 1
|
Предельные отклонения
|
|
Свыше
|
От и до включ.
|
Свыше
|
От и до включ.
|
|
-
|
50
|
±1,0
|
-
|
2
|
±0,04
|
|
50
|
100
|
±1,5
|
2
|
4
|
±0,06
|
|
100
|
150
|
±2,0
|
4
|
6
|
±0,08
|
|
150
|
200
|
±3,0
|
6
|
8
|
±0,12
|
|
1 Для неравнополочных
уголков как базовая берется ширина большей полки.
|
3 Предельные отклонения
по толщине полки
Предельные отклонения по толщине равнополочных и неравнополочных уголков
должны соответствовать приведенным в таблице Б.2.
Таблица Б.2 Предельные отклонения по толщине
|
Метрическая серия, мм
|
Дюймовая серия, дюйм
|
|
Ширина полки 1
|
Предельные отклонения
|
Ширина полки 1
|
Предельные отклонения
|
|
Свыше
|
От и до включ.
|
Свыше
|
От и до включ.
|
|
-
|
50
|
±0,5
|
-
|
2
|
±0,02
|
|
50
|
100
|
±0,8
|
2
|
4
|
±0,03
|
|
100
|
150
|
±1,0
|
4
|
6
|
±0,04
|
|
150
|
200
|
±1,2
|
6
|
8
|
±0,05
|
|
1 Для неравнополочных уголков
как базовая берется ширина большей полки.
|
|
Примечание - Для уголков с длиной полки свыше 75 мм предельные
отклонения по массе составляют ± 2,5 % на единицу длины и могут быть заменены
предельными отклонениями по толщине. Масса единицы длины уголков приведена в
приложении А.
|
4 Предельные отклонения при порезке на длины
Предельные отклонения по длине при порезке на нормальные и точные длины
равнополочных и неравнополочных уголков должны соответствовать приведенным в таблицах Б.3 и Б.4
соответственно.
Таблица Б.3 Предельные отклонения для нормальных длин
|
Метрическая серия
|
Дюймовая серия
|
|
Длина
|
Предельные отклонения
|
Длина
|
Предельные отклонения
|
|
Все длины
|
± 100 мм
|
Все длины
|
± 4 дюйма
|
Таблица Б.4 Предельные отклонения для точных длин
|
Метрическая серия
|
Дюймовая серия
|
|
Длина, м
|
Предельные отклонения, мм
|
Длина, фут
|
Предельные отклонения, дюйм
|
|
Свыше
|
От и до включ.
|
Свыше
|
От и до включ.
|
|
-
|
12
|
+75
|
-
|
40
|
+3
|
|
0
|
0
|
|
12
|
-
|
+100
|
40
|
-
|
+4
|
|
0
|
5 Кривизна
5.1 Максимально допустимая кривизна для равнополочных и неравнополочных уголков
должна соответствовать приведенной в таблице Б.5.
Таблица Б.5
|
Метрическая серия, мм
|
Дюймовая серия, дюйм
|
|
Ширина полки 1
|
Кривизна
|
Ширина полки 1
|
Кривизна
|
|
Свыше
|
От и до включ.
|
Свыше
|
От и до включ.
|
|
50
|
150
|
0,4 % длины
|
2
|
6
|
0,4 % длины
|
|
150
|
200
|
0,25 % длины
|
6
|
8
|
0,25 % длины
|
|
1
Для неравнополочных уголков как базовая берется ширина большей полки.
|
5.2 Кривизна должна быть измерена как показано на рисунке
Б.1.
6 Неперпендикулярность (непараллельность, отклонение от прямого угла)
6.1 Полки должны быть перпендикулярными относительно друг друга в
пределах отклонений концов согласно таблице Б.6.
Таблица Б.6 Отклонение от прямого угла
|
Метрическая серия, мм
|
Дюймовая серия, дюйм
|
|
Ширина полки 1
|
Отклонение
|
Ширина полки 1
|
Отклонение
|
|
Свыше
|
От и до включ.
|
Свыше
|
От и до включ.
|
|
-
|
50
|
1,0
|
-
|
2
|
0,04
|
|
50
|
100
|
2,0
|
2
|
4
|
0,08
|
|
100
|
200
|
3,0
|
4
|
8
|
0,12
|
|
1
Для неравнополочных уголков как базовая берется ширина большей полки.
|

Рисунок Б.1
6.2 Отклонение от прямого угла измеряется на концах полок уголков (рисунок Б.2).

Рисунок Б.2
7 Предельные отклонения по массе
Имеющиеся предельные отклонения по массе на единицу длины являются
контрольными предельными отклонениями и предварительно должны быть включены в
соответствующие национальные стандарты.
|