Бесплатная библиотека стандартов и нормативов www.docload.ru

Все документы, размещенные на этом сайте, не являются их официальным изданием и предназначены исключительно для ознакомительных целей.
Электронные копии этих документов могут распространяться без всяких ограничений. Вы можете размещать информацию с этого сайта на любом другом сайте.
Это некоммерческий сайт и здесь не продаются документы. Вы можете скачать их абсолютно бесплатно!
Содержимое сайта не нарушает чьих-либо авторских прав! Человек имеет право на информацию!

 

ТРУБЫ МЕТАЛЛИЧЕСКИЕ
И СОЕДИНИТЕЛЬНЫЕ ЧАСТИ
К НИМ

Часть 4

ТРУБЫ ИЗ ЧЕРНЫХ МЕТАЛЛОВ И СПЛАВОВ
ЛИТЫЕ И СОЕДИНИТЕЛЬНЫЕ ЧАСТИ К НИМ.
ОСНОВНЫЕ РАЗМЕРЫ.
МЕТОДЫ ТЕХНОЛОГИЧЕСКИХ ИСПЫТАНИЙ
ТРУБ

ГОСТ 8954-75*

Москва

ИПК ИЗДАТЕЛЬСТВО СТАНДАРТОВ

1998

ГОСУДАРСТВЕННЫЙ СТАНДАРТ СОЮЗА ССР

СОЕДИНИТЕЛЬНЫЕ ЧАСТИ ИЗ КОВКОГО ЧУГУНА
С ЦИЛИНДРИЧЕСКОЙ РЕЗЬБОЙ ДЛЯ ТРУБОПРОВОДОВ.
МУФТЫ ПРЯМЫЕ КОРОТКИЕ

Основные размеры

Ductile iron fittings with
parallel thread for pipelines.
Straight short sockets. Basic dimensions

ГОСТ
8954-75*

Взамен
ГОСТ 8954-59

Постановлением Государственного комитета стандартов Совета Министров СССР от 14.11.75 № 2901 дата введения установлена

01.01.77

Ограничение срока действия снято по протоколу Межгосударственного Совета по стандартизации, метрологии и сертификации (ИУС 2-93)

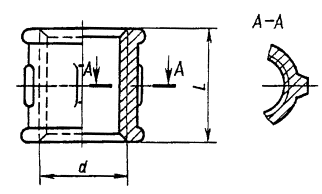
1. Основные размеры муфт должны соответствовать указанным на чертеже и в таблице.

Примечание. Чертеж не определяет конструкцию муфты.

Размеры в мм

Условный проход

Dy

Резьба d

L

Число ребер

Масса без покрытия, кг, не более*

Вариант по ГОСТ 8944-75

1

2

8

G 1/4 - В

22

2

0,031

0,032

10

G 3/8 - В

24

2

0,040

0,042

15

G 1/2 - В

28

2

0,065

0,068

20

G 3/4 - В

31

2

0,096

0,096

25

G 1 - В

35

4

0,155

0,153

32

G 11/4 - В

39

4

0,226

0,216

40

G 11/2 - В

43

4

0,309

0,267

50

G 2 - В

47

6

0,480

0,430

(65)

G 21/2 - В

53

6

0,652

0,580

(80)

G 3 - В

59

6

0,874

0,848

(100)

G 4 - В

84

6

1,930

1,750

* Для справок.

Примечания:

1. Масса оцинкованных соединительных частей не должна превышать массу неоцинкованных более чем на 5 %.

2. Муфты с Dу, указанными в таблице в скобках, применять не рекомендуется.

Примеры условных обозначений

Прямой короткой муфты с D 40мм:

Муфта короткая 40 ГОСТ 8954-75

То же, с цинковым покрытием:

Муфта короткая Ц-40 ГОСТ 8954-75

(Измененная редакция, Изм. № 1).

2. Конструктивные размеры и технические требования - по ГОСТ 8944-75.




Rambler's Top100 Яндекс цитирования
  Copyright © 2008-2026, www.docload.ru