Бесплатная библиотека стандартов и нормативов www.docload.ru

Все документы, размещенные на этом сайте, не являются их официальным изданием и предназначены исключительно для ознакомительных целей.
Электронные копии этих документов могут распространяться без всяких ограничений. Вы можете размещать информацию с этого сайта на любом другом сайте.
Это некоммерческий сайт и здесь не продаются документы. Вы можете скачать их абсолютно бесплатно!
Содержимое сайта не нарушает чьих-либо авторских прав! Человек имеет право на информацию!

 

ГОСУДАРСТВЕННЫЙ СТАНДАРТ СОЮЗА ССР

РЕЛЬСЫ ДЛЯ НАЗЕМНЫХ

И ПОДВЕСНЫХ ПУТЕЙ

СОРТАМЕНТ

ГОСТ 19240-73*

ГОСУДАРСТВЕННЫЙ КОМИТЕТ СССР

ПО УПРАВЛЕНИЮ КАЧЕСТВОМ ПРОДУКЦИИ И СТАНДАРТАМ

Москва

ГОСУДАРСТВЕННЫЙ СТАНДАРТ СОЮЗА ССР

РЕЛЬСЫ ДЛЯ НАЗЕМНЫХ И ПОДВЕСНЫХ ПУТЕЙ

Сортамент

Rails for ground

and suspended tracks

Dimensions

ГОСТ

19240-73*

Взамен

ГОСТ 5157-53 в части

Рельсовых двухголовых,

тавровых и типа Р5

для наземных и подземных

путей

Постановлением Государственного комитета стандартов Совета Министров СССР от 29 ноября 1973г. № 2610 срок введения установлен

с 01.01.75

Постановлением Госстандарта СССР от 28.03.89 № 768               

срок действия продлён                                                                                      до 01.07.95

*Переиздание (январь 1991 г.) с Изменением №1, утвержденным в декабре 1984 г. (ИУС 4-85)

1. Настоящий стандарт распространяется на рельсы двухголовые, тавровые и типа Р5, предназначенные для наземных и подвесных путей.

Установленные настоящим стандартом показатели технического уровня предусмотрены для первой категории качества.

2. Размеры поперечного сечения и предельные отклонения раз­меров рельсов должны соответствовать указанным на черт. 1-3.

Расчетные величины рельсов указаны в приложении.

1, 2 (Измененная редакция, Изм. № 1).

3. Несимметричность поперечного сечения головки и подошвы рельсов относительно вертикальной оси шейки не должна превышать полусуммы отклонений размеров соответствующих элементов профиля.

4. Размеры, па которые не указаны предельные отклонения, даны для построения калибров и на готовом прокате не определяются.

5. Двухголовые и тавровые рельсы изготовляют:

мерной длины;

кратной мерной длины;

немерной длины.

Длина рельсов устанавливается по требованию потребителя, но не должна быть более 8 м для двухголовых рельсов и не более 7 м для тавровых рельсов.

6. Рельсы типа Р5 поставляются длиной 6 м.

Допускается изготовление рельсов немерной длины от 1,5 до 4,6 м не более 5% массы партии и от 4,6 до 8,0 м не более 20 % массы партии.

7. Рельсы изготовляются без фрезеровки торцов.

4-7 (Измененная редакция, Изм. № 1).

8. Предельные отклонения по длине рельсов мерной и кратной мерной длины не должны превышать:

+40 мм-для рельсов длиной до 4 м включительно;

+60 мм-для рельсов длиной свыше 4 до 6 м включительно;

+80 мм-для рельсов длиной свыше 6 м.

9. Кривизна рельсов в горизонтальной и вертикальной плоскостях не должна превышать 0,40% длины.

10. Определение размеров поперечного сечения проводят на расстоянии не менее 500 мм от торца профиля. Измерение толщины шейки проводят у торца рельса.

11. Скручивание рельсов вокруг продольной оси не допускается.

12. Марки стали, из которой изготовляются рельсы, и технические требования по ГОСТ 535-88 и другим действующим стандартам, оговоренным в заказе.

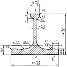
Рельс двухголовый

Черт. 1

Рельс тавровый

Черт. 2

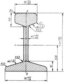
Рельс типа Р5

Черт. 3

ПРИЛОЖЕНИЕ

Справочное

Расчетные величины рельсов

 

Расчетные величины рельсов

Наименования параметров

двухголовых

тавровых

типа Р5

Площадь поперечного сечения, см2

29,10

11,92

5,91

Момент инерции относительно го­ризонтальной оси, см4

913,86

50,38

22,16

Момент инерции относительно вер­тикальной оси, см4

23,03

44,95

2,87

Момент сопротивления относи­тельно горизонтальной оси, см3

114,23

-

-

Момент сопротивления относитель­но горизонтальной оси (верх), см3

-

9,37

7,76

Момент сопротивления относитель­но горизонтальной оси (низ), см3

-

30,98

9,45

Момент сопротивления относитель­но вертикальной оси, см3

11,52

10,96

1,51

Расстояние центра тяжести до подошвы, см

-

1,63

2,34

Масса 1 м, кг

22,84

9,36

4,64

 

Примечание. Площадь поперечного сечения и масса 1 м рельса вы­числены по номинальным размерам, при этом плотность стали принята равной 7,85 г/см3.




Rambler's Top100 Яндекс цитирования
  Copyright © 2008-2026, www.docload.ru