ГОСУДАРСТВЕННЫЙ
СТАНДАРТ СОЮЗА ССР
ПРОФИЛИ
СТАЛЬНЫЕ ГНУТЫЕ
ЗАМКНУТЫЕ СВАРНЫЕ КВАДРАТНЫЕ
И
ПРЯМОУГОЛЬНЫЕ
Технические
условия
ГОСТ
25577-83
ГОСУДАРСТВЕННЫЙ
КОМИТЕТ СССР ПО УПРАВЛЕНИЮ
КАЧЕСТВОМ ПРОДУКЦИИ И
СТАНДАРТАМ
Москва
ГОСУДАРСТВЕННЫЙ
СТАНДАРТ СОЮЗА ССР
|
ПРОФИЛИ СТАЛЬНЫЕ
ГНУТЫЕ ЗАМКНУТЫЕ Технические
условия Steel
bent closed welded square and rectangular sections.
Specifications |
ГОСТ
|
Срок действия с 01.01.84
до
01.01.94
Настоящий стандарт
распространяется на стальные гнутые замкнутые сварные квадратные и прямоугольные
профили, предназначенные для применения в сельскохозяйственном машиностроении,
тракторостроении и других отраслях народного хозяйства.
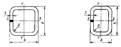
1.1. Поперечное сечение
профилей должно соответствовать указанному на черт. 1 и 2.
Черт.
1
Черт. 2
h - высота профиля; b - ширина профиля; S - толщина профиля; R - радиус кривизны; W - момент сопротивления; I - момент инерции; i - радиус инерции; Sx.y - статический момент полусечения;
F - площадь поперечного
сечения
Таблица 1
|
s |
R, не более |
Площадь поперечного сечения F, см2 |
Справочные значения величин для осей |
Масса 1 м, кг | ||||
|
Х -
Х |
Y - Y | |||||||
|
мм |
Ix, Iу, см4 |
Wx, Wу, см3 |
i x,
iу, см |
Sx, Sу, см3 | ||||
|
150 |
8 |
22 |
41,86 |
1329,97 |
177,23 |
5,64 |
107,63 |
32,86 |
|
140 |
8 |
22 |
38,67 |
1055,26 |
150,75 |
5,22 |
92,08 |
30,36 |
|
140 |
7 |
18 |
34,66 |
974,21 |
139,17 |
5,30 |
83,87 |
27,81 |
|
140 |
6 |
14 |
30,31 |
873,50 |
110,57 |
5,37 |
74,35 |
23,79 |
|
140 |
5 |
12 |
25,76 |
780,54 |
108,62 |
5,43 |
64,01 |
20,22 |
|
120 |
8 |
22 |
32,27 |
624,02 |
84,33 |
4,40 |
64,58 |
25,33 |
|
110 |
6 |
14 |
23,31 |
398,80 |
72,51 |
4,15 |
43,91 |
19,22 |
|
110 |
3 |
7 |
12,40 |
233,59 |
42,47 |
4,33 |
24,70 |
9,79 |
|
100 |
6 |
14 |
20,81 |
290,14 |
58,03 |
3,73 |
35,44 |
16,33 |
|
100 |
5 |
12 |
17,76 |
255,57 |
51,11 |
3,79 |
30,76 |
13,94 |
|
100 |
4 |
10 |
14,70 |
234,09 |
48,90 |
3,87 |
26,00 |
11,50 |
|
100 |
4 |
10 |
14,54 |
215,73 |
43,15 |
3,85 |
25,59 |
11,47 |
|
80 |
6 |
14 |
16,01 |
135,47 |
33,87 |
2,91 |
21,19 |
12,57 |
|
80 |
5 |
12 |
13,76 |
121,46 |
30,36 |
2,97 |
18,69 |
10,80 |
|
80 |
4 |
10 |
11,34 |
104,21 |
26,05 |
3,03 |
15,69 |
8,90 |
Таблица 2
|
b |
s |
R, не более |
Площадь поперечного сечения F, см2 |
Справочные значения величин для осей |
Масса 1 м, кг | ||||||||
|
Х -
Х |
Y - Y | ||||||||||||
|
мм |
Ix, см4 |
Wx, см3 |
ix, см |
Sx, см3 |
Iу, см4 |
Wу, см3 |
iу, см |
Sу, см3 | |||||
|
230 |
100 |
8 |
22 |
46,47 |
2804,05 |
243,83 |
7,75 |
159,76 |
770,24 |
154,05 |
4,06 |
89,73 |
36,64 |
|
220 |
100 |
5 |
12 |
29,71 |
1771,58 |
150,77 |
7,72 |
101,78 |
525,42 |
105,08 |
4,21 |
59,15 |
23,32 |
|
180 |
125 |
5 |
12 |
28,26 |
1265,94 |
140,66 |
6,69 |
85,20 |
726,58 |
116,25 |
5,07 |
66,63 |
22,18 |
|
180 |
125 |
4 |
10 |
22,94 |
601,91 |
87,84 |
5,12 |
54,69 |
1046,92 |
116,32 |
6,76 |
69,87 |
18,00 |
|
180 |
75 |
6 |
14 |
27,31 |
1005,32 |
101,55 |
6,07 |
73,13 |
256,87 |
68,50 |
3,07 |
39,72 |
21,44 |
|
180 |
75 |
5 |
12 |
23,26 |
883,02 |
98,11 |
6,16 |
63,33 |
226,38 |
60,37 |
3,12 |
34,44 |
18,26 |
|
180 |
75 |
4 |
10 |
18,94 |
737,11 |
76,78 |
6,24 |
52,27 |
190,15 |
50,71 |
3,17 |
28,50 |
14,86 |
|
160 |
130 |
7 |
18 |
36,06 |
1263,31 |
157,91 |
5,92 |
96,54 |
921,02 |
141,70 |
5,05 |
83,99 |
28,30 |
|
160 |
120 |
4 |
10 |
20,94 |
765,50 |
89,01 |
6,05 |
57,24 |
494,73 |
82,45 |
4,86 |
47,19 |
16,43 |
|
160 |
80 |
7 |
18 |
29,12 |
857,47 |
94,75 |
5,43 |
70,02 |
292,90 |
73,22 |
3,17 |
43,43 |
22,86 |
|
160 |
80 |
4 |
10 |
17,87 |
579,88 |
69,03 |
5,70 |
45,32 |
199,05 |
49,76 |
3,34 |
28,14 |
14,03 |
|
150 |
100 |
8 |
22 |
34,42 |
959,61 |
127,96 |
5,28 |
81,39 |
513,87 |
102,77 |
3,86 |
61,77 |
27,02 |
|
150 |
100 |
6 |
14 |
26,71 |
780,90 |
92,96 |
5,41 |
64,80 |
420,07 |
84,01 |
3,97 |
49,27 |
20,96 |
|
120 |
80 |
6 |
14 |
20,71 |
341,47 |
53,83 |
4,24 |
32,28 |
199,52 |
49,88 |
3,10 |
29,85 |
16,25 |
|
120 |
80 |
4 |
10 |
14,54 |
279,35 |
42,33 |
4,38 |
28,63 |
150,46 |
37,62 |
3,22 |
21,27 |
11,41 |
|
97 |
80 |
3 |
7 |
9,87 |
134,73 |
27,78 |
3,69 |
21,99 |
100,45 |
25,11 |
3,19 |
14,50 |
7,76 |
Таблица 3
|
s |
R, не более |
Площадь поперечного сечения F, см2 |
Справочные значения величин для осей |
Масса 1 м, кг | ||||
|
Х -
Х |
Y - Y | |||||||
|
мм |
Ix, Iу, см4 |
Wx, Wу, см3 |
ix, iу, см |
Sx, Sу, см3 | ||||
|
140 |
7 |
18 |
34,66 |
974,21 |
239,17 |
5,30 |
83,87 |
27,21 |
|
140 |
6 |
14 |
30,31 |
873,50 |
110,57 |
5,37 |
74,35 |
23,79 |
|
140 |
5 |
10 |
25,93 |
761,14 |
109,88 |
5,45 |
64,63 |
20,35 |
|
110 |
6 |
14 |
23,31 |
398,90 |
72,51 |
4,15 |
43,91 |
18,22 |
|
110 |
3 |
6 |
12,75 |
233,59 |
42,47 |
4,33 |
24,70 |
9,79 |
|
100 |
5 |
12 |
17,76 |
255,57 |
51,11 |
3,79 |
30,76 |
13,94 |
|
100 |
4 |
8 |
14,70 |
234,00 |
48,90 |
3,87 |
26,00 |
11,50 |
Таблица 4
|
b |
s |
R, не более |
Площадь поперечного сечения F, см2 |
Справочные значения величин для осей |
Масса 1 м, кг | ||||||||
|
X-Х |
Y-Y | ||||||||||||
|
мм |
Ix, см4 |
Wx, см3 |
ix, см |
Sx, см3 |
Iу, см4 |
Wу, см3 |
iу, см |
Sу,
см3 | |||||
|
220 |
100 |
5 |
12 |
29,71 |
1771,58 |
150,77 |
7,72 |
101,78 |
525,42 |
105,08 |
4,21 |
59,15 |
23,32 |
|
180 |
125 |
5 |
12 |
28,26 |
1265,94 |
140,66 |
6,69 |
85,20 |
726,58 |
116,25 |
5,07 |
66,63 |
22,18 |
|
180 |
75 |
6 |
14 |
27,31 |
1005,32 |
101,55 |
6,07 |
73,13 |
256,87 |
68,50 |
3,07 |
39,72 |
21,44 |
|
180 |
75 |
5 |
12 |
23,26 |
883,02 |
98,11 |
6,16 |
63,33 |
226,38 |
60,37 |
3,12 |
34,44 |
18,26 |
|
180 |
75 |
4 |
8 |
18,94 |
737,11 |
76,78 |
6,24 |
52,27 |
190,15 |
50,71 |
3,17 |
28,50 |
14,86 |
|
160 |
130 |
7 |
18 |
36,06 |
1263,31 |
157,91 |
5,92 |
96,54 |
921,02 |
141,70 |
5,05 |
83,99 |
28,30 |
|
160 |
120 |
4 |
8 |
20,94 |
765,50 |
89,01 |
6,05 |
57,24 |
494,73 |
82,45 |
4,86 |
47,19 |
14,86 |
|
160 |
120 |
3 |
6 |
16,05 |
601,73 |
75,22 |
6,12 |
44,69 |
388,86 |
64,81 |
4,92 |
36,37 |
12,60 |
|
160 |
80 |
7 |
18 |
29,12 |
857,47 |
94,75 |
5,43 |
70,02 |
292,90 |
73,22 |
3,17 |
43,43 |
22,86 |
|
150 |
100 |
6 |
14 |
26,71 |
780,90 |
92,96 |
5,41 |
64,80 |
420,07 |
84,01 |
3,97 |
49,27 |
20,96 |
|
120 |
80 |
6 |
14 |
20,71 |
371,47 |
53,83 |
4,24 |
39,28 |
199,52 |
49,88 |
3,10 |
29,85 |
16,25 |
|
120 |
80 |
4 |
8 |
14,54 |
279,35 |
42,33 |
4,38 |
28,63 |
150,46 |
37,62 |
3,22 |
21,77 |
11,41 |
|
97 |
80 |
3 |
6 |
9,87 |
134,73 |
27,78 |
3,69 |
21,99 |
100,45 |
25,11 |
3,19 |
14,50 |
7,76 |
Примечание к
табл. 1 - 4.
Приведенные в таблицах площадь поперечного сечения и справочные значения
вычислены по номинальным размерам. При вычислении массы 1 м профиля плотность
стали принята 7,85 г/см3.
1.2. Размеры профилей, площадь
поперечного сечения, справочные величины для осей и масса 1 м профиля должны
соответствовать:
для профилей из углеродистой
спокойной и низколегированной стали - табл. 1 и 2;
для профилей из углеродистой
кипящей и полуспокойной стали - табл. 3 и 4.
1.3. Предельные отклонения по
толщине профилей должны соответствовать предельным отклонениям по толщине
заготовки шириной 1000 - 2000 мм нормальной точности прокатки Б, приведенным в
ГОСТ
19903-74. Предельные отклонения по
толщине не распространяются на места изгиба.
По согласованию изготовителя
с потребителем допускается изготовление профилей из заготовки повышенной
точности прокатки А.
1.4. Предельные отклонения по
высоте и ширине профиля не должны превышать:
при высоте (ширине) профиля
до 100 мм
±1,5 мм,
при высоте (ширине) профиля
более 100 мм
±2 мм.
Предельные отклонения по
высоте (ширине) профиля с толщиной стенки 7 - 8 мм не должны превышать ±2
мм.
1.5. Профили изготовляют длиной
от 9 до 11,8 м:
мерной
длины;
немерной
длины.
Примечание. Допускается по согласованию изготовителя с потребителем изготовление профилей немерной длины с немерными длинами от 3 до 9 м.
1.6. Предельные отклонения по
длине профилей мерной длины, кратной мерной длины должны быть не более +60
мм.
1.5, 1.6. (Измененная редакция, Изм. №
1).
1.7. Предельные отклонения от
угла 90° не должны превышать ± 1°30¢. Предельные отклонения от
угла 90° для профилей с толщиной стенки 7 - 8 мм должны быть не более ±2°.
Пример
условного обозначения гнутого сварного профиля
высотой 180 мм, шириной 75 мм, толщиной стенки 5 мм:
![]()
(Измененная редакция, Изм. №
1).
2.1. Замкнутые сварные профили
изготовляют в соответствии с требованиями настоящего стандарта по
технологическому регламенту, утвержденному в установленном
порядке.
(Измененная редакция, Изм. №
1).
2.1a. Замкнутые сварные профили
изготовляют из горячекатаного проката с обеспечиваемой свариваемостью из
углеродистой стали марок Ст3сп, Ст3пс, Ст3кп по ГОСТ 14637-79 и ГОСТ 16523-70,
марок 20 и 20пс по ГОСТ
1050-88 и низколегированных сталей
марок 09Г2 по ГОСТ
19281-89 и 18ЮТ по ТУ
14-1-4303-87.
(Измененная редакция, Изм. №
2).
2.2. Технические требования
профилей - по ГОСТ
11474-76 с
дополнениями.
2.2.1 Кривизна профилей в
горизонтальной и вертикальной плоскостях не должна превышать 0,1 % измеряемой
длины.
2.2.2. Скручивание профилей
вокруг продольной оси не должно превышать произведения 30¢ на длину профиля в метрах и
должно быть не более 5°.
2.2.3. Выпуклость и вогнутость
стенок профилей не должна превышать 1 мм. Для профиля размером
160´120´3 мм выпуклость или
вогнутость стенки не должна превышать 2 мм.
2.2.4. Неперпендикулярность
плоскости реза к продольной оси профиля не должна превышать
1°30¢. Допускается огневая
обрезка торцов отдельных профилей.
2.2.5. Смещение свариваемых
кромок относительно друг друга не должно
превышать:
0,5 мм - при толщине стенки
профиля до 4 мм;
1 мм - при толщине стенки
профиля свыше 4 мм.
Высота остаточного грата,
выступающая над поверхностью профиля, не должна превышать 1,0 мм. Грат снимается
с наружной стороны.
(Измененная редакция, Изм. №
1).
2.2.6. Непровар отдельного места
сварного соединения не должен превышать 20 мм, общая длина непровара на 1 м
длины при толщине профиля до 6 мм - 50 мм, при толщине 7 - 8 мм - 70
мм.
2.2.7. Прочность сварного
соединения не должна быть ниже прочности основного
металла.
2.2.8. Требования пп.
2.2.5 - 2.2.7 обеспечиваются при
доверительной вероятности 0,95.
3.1. Правила приемки - по
ГОСТ
11474-76.
4.1. Методы испытаний - по
ГОСТ
11474-76 с
дополнениями.
4.1.2. Испытание сварного
соединения на растяжение - по ГОСТ
6996-66.
4.1.3. Размеры поперечного
сечения профилей определяют на расстоянии 100 мм от
торца.
4.1.4. Предельные отклонения
высоты профиля и измерения выпуклости и вогнутости контролируются по несварной
стенке профиля.
(Измененная редакция, Изм. №
1).
4.1.5. Кривизну профилей,
вогнутость и выпуклость определяют металлической линейкой (ГОСТ
427-75).
4.1.6. Скручивание и
неперпендикулярность плоскости реза профилей определяют угломером
(ГОСТ
5378-88).
4.1.7. Смещение кромок и высоту
остаточного грата определяют штангенциркулем (ГОСТ
166-80).
4.1.8. Сплошность сварного
соединения определяют визуально, без применения увеличительных
приборов.
5.1. Упаковка, маркировка и
транспортирование - по ГОСТ
11474-76.
ИНФОРМАЦИОННЫЕ
ДАННЫЕ
1. РАЗРАБОТАН И ВНЕСЕН
Министерством черной металлургии СССР
РАЗРАБОТЧИКИ
И. С.
Тришевский,
д-р техн. наук; В. И. Рыбалка, канд.
техн. наук, В. А. Савченко, канд.
техн. наук; А. Н.
Коновалов
2. УТВЕРЖДЕН И ВВЕДЕН В
ДЕЙСТВИЕ Постановлением Государственного комитета СССР по стандартам от 05.01.83
№ 6
3. ВВЕДЕН
ВПЕРВЫЕ
4. ССЫЛОЧНЫЕ
НОРМАТИВНО-ТЕХНИЧЕСКИЕ ДОКУМЕНТЫ
|
Номер пункта, подпункта | |
|
ГОСТ 166-89 |
4.1.7 |
|
ГОСТ 427-75 |
4.1.5 |
|
ГОСТ 1050-88 |
2.1а |
|
ГОСТ 5378-88 |
4.1.6 |
|
ГОСТ 6996-66 |
4.1.2 |
|
ГОСТ 11474-76 |
2.1а, 2.2, 3.1, 4.1, 5.1 |
|
ГОСТ 14637-89 |
2.1а |
|
ГОСТ 16523-89 |
2.1а |
|
ГОСТ 19281-89 |
2.1а |
|
ГОСТ 19903-74 |
1.3 |
|
ТУ 14-1-4303-87 |
2.1а |
5. Срок действия продлен до
01.01.94 Постановлением Госстандарта СССР от 09.02.88 №
214
6. ПЕРЕИЗДАНИЕ (июль 1991 г.)
с Изменениями № 1, 2, утвержденными в феврале 1988 г., июле 1989 г. (ИУС 5-88,
11-89)
СОДЕРЖАНИЕ
|
1.
Сортамент. 1 2.
Технические требования. 6 3. Правила
приемки. 7 4. Методы
испытаний. 7 5. Упаковка,
маркировка и транспортирование. 7 |