Бесплатная библиотека стандартов и нормативов www.docload.ru

Все документы, размещенные на этом сайте, не являются их официальным изданием и предназначены исключительно для ознакомительных целей.
Электронные копии этих документов могут распространяться без всяких ограничений. Вы можете размещать информацию с этого сайта на любом другом сайте.
Это некоммерческий сайт и здесь не продаются документы. Вы можете скачать их абсолютно бесплатно!
Содержимое сайта не нарушает чьих-либо авторских прав! Человек имеет право на информацию!

 

ГОСТ 2.318-81

МЕЖГОСУДАРСТВЕННЫЙ СТАНДАРТ

ЕДИНАЯ СИСТЕМА КОНСТРУКТОРСКОЙ ДОКУМЕНТАЦИИ

ПРАВИЛА УПРОЩЕННОГО НАНЕСЕНИЯ
РАЗМЕРОВ ОТВЕРСТИЙ

ИПК ИЗДАТЕЛЬСТВО СТАНДАРТОВ
Москва

МЕЖГОСУДАРСТВЕННЫЙ СТАНДАРТ

Единая система конструкторской документации

ПРАВИЛА УПРОЩЕННОГО НАНЕСЕНИЯ РАЗМЕРОВ ОТВЕРСТИЙ

Unified system for design documentation.
Rules of simplified marking of hole dimensions

ГОСТ
2.318-81

Дата введения 01.01.82

1. Настоящий стандарт устанавливает правила упрощенного нанесения размеров отверстий на чертежах всех отраслей промышленности и строительства.

(Измененная редакция, Изм. № 1).

2. Размеры отверстий на чертежах допускается наносить упрощенно в следующих случаях:

диаметр отверстия на изображении - 2 мм и менее;

отсутствует изображение отверстий в разрезе (сечении) вдоль оси;

нанесение размеров отверстий по общим правилам усложняет чтение чертежа.

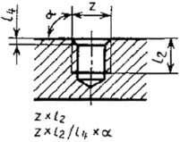
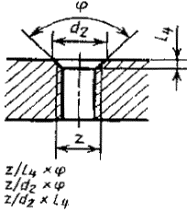
3. Размеры отверстий следует указывать на полке линии-выноски, проведенной от оси отверстия (см. чертеж).

4. Примеры упрощенного нанесения размеров отверстий приведены в таблице.

Тип отверстия

Пример упрощенного нанесения размеров отверстия

Обозначения элементов отверстий, используемые в структуре записей для различных типов отверстий:

d1 - диаметр основного отверстия;

d2 - диаметр зенковки;

l1 - длина цилиндрической части основного отверстия;

l2 - длина резьбы в глухом отверстии;

l3 - глубина зенковки;

l4 - глубина фаски;

z - обозначение резьбы по стандарту;

j - центральный угол зенковки;

a - угол фаски.

(Измененная редакция, Изм. № 1).

ИНФОРМАЦИОННЫЕ ДАННЫЕ

1. РАЗРАБОТАН И ВНЕСЕН Государственным комитетом СССР по стандартам

РАЗРАБОТЧИКИ
В. Ф. Курочкин, Ю. И. Степанов, Б. Я. Кабаков, Н. Н. Баранова

2. УТВЕРЖДЕН И ВВЕДЕН В ДЕЙСТВИЕ Постановлением Государственного комитета СССР по стандартам от 30.10.81 № 4771

3. Стандарт полностью соответствует СТ СЭВ 1977-79

4. ВВЕДЕН ВПЕРВЫЕ

5. ИЗДАНИЕ (март 2000 г.) с Изменением № 1, утвержденным в сентябре 1987 г. (ИУС 12-87)




Rambler's Top100 Яндекс цитирования
  Copyright © 2008-2026, www.docload.ru