Бесплатная библиотека стандартов и нормативов www.docload.ru

Все документы, размещенные на этом сайте, не являются их официальным изданием и предназначены исключительно для ознакомительных целей.
Электронные копии этих документов могут распространяться без всяких ограничений. Вы можете размещать информацию с этого сайта на любом другом сайте.
Это некоммерческий сайт и здесь не продаются документы. Вы можете скачать их абсолютно бесплатно!
Содержимое сайта не нарушает чьих-либо авторских прав! Человек имеет право на информацию!

 

ГОСТ Р 50460-92

ГОСУДАРСТВЕННЫЙ СТАНДАРТ РОССИЙСКОЙ ФЕДЕРАЦИИ

ЗНАК СООТВЕТСТВИЯ ПРИ ОБЯЗАТЕЛЬНОЙ СЕРТИФИКАЦИИ

Форма, размеры и технические требования

ГОССТАНДАРТ РОССИИ

Москва

Предисловие

1. РАЗРАБОТАН Всероссийским научно-исследовательским институтом сертификации (ВНИИС) Госстандарта России и Всероссийским научно-исследовательским институтом комплексной информации по стандартизации и качеству (ВНИИКИ) Госстандарта России

ВНЕСЕН Главным управлением технической политики в области сертификации Госстандарта России

2. УТВЕРЖДЕН И ВВЕДЕН В ДЕЙСТВИЕ Постановлением Госстандарта России от 28 декабря 1992 г. № 1570

3. ВВЕДЕН ВПЕРВЫЕ

4. ИЗДАНИЕ (май 2002 г.) с Изменениями № 1, 2, 3, принятыми в ноябре 1999 г., сентябре 2000 г., июне 2001 г. (ИУС 12-99, 12-2000, 9-2001)

ГОСУДАРСТВЕННЫЙ СТАНДАРТ РОССИЙСКОЙ ФЕДЕРАЦИИ

ЗНАК СООТВЕТСТВИЯ ПРИ ОБЯЗАТЕЛЬНОЙ СЕРТИФИКАЦИИ

Форма, размеры и технические требования

Mark of conformity for mandatory certification. Form, dimensions and technical requirements

Дата введения 1993-07-01

1. Настоящий стандарт устанавливает форму, размеры и технические требования к знаку соответствия (в том числе к знаку соответствия, защищенному от подделок), применяемому в Системе сертификации ГОСТ Р для указания соответствия маркированной им продукции, работ и услуг требованиям, предусмотренным для обязательного подтверждения соответствия (рисунки 1-4).

(Измененная редакция, Изм. № 2).

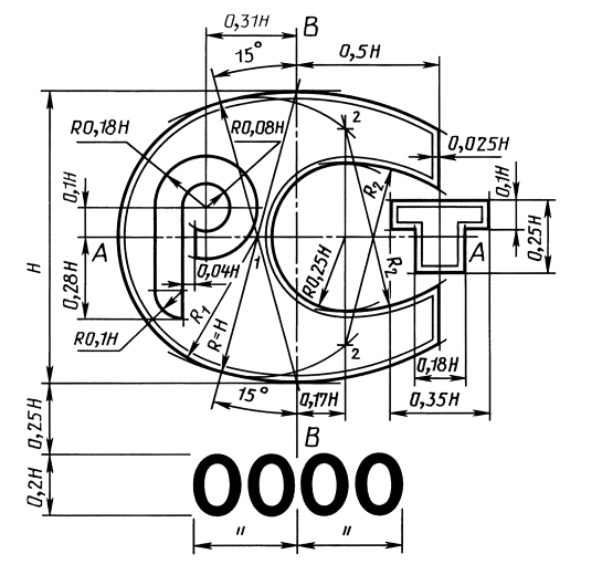
2. Размеры знака соответствия определяет предприятие (организация, учреждение), получившее право на его применение, установлением базового размера Н (рисунок 5). Базовый размер Н должен быть не менее 4 мм.

Размеры знака соответствия должны гарантировать четкость и различимость его элементов невооруженным глазом.

Код органа по сертификации, выдавшего сертификат соответствия, наносят на расстоянии 0,25 Н под графическим изображением знака соответствия по рисунку 5, симметрично относительно вертикальной оси В знака шрифтом, приведенным на рисунке 6, высотой 0,2 Н.

При применении знака соответствия для продукции, соответствие которой подтверждено декларацией о соответствии, код органа по сертификации, зарегистрировавшего декларацию о соответствии, под графическим изображением знака соответствия не наносится.

(Измененная редакция, Изм. № 1).

3. Изображение знака соответствия должно быть четко отличимым от поверхности изделия.

4. Знак соответствия выполняют различными технологическими способами, обеспечивающими его четкое и ясное изображение в течение всего срока службы изделия.

5. Знак соответствия, защищенный от подделок, представляет собой предназначенную для наклейки на поверхность маркирования тонкую многослойную основу, внутри которой находится ограниченный окружностью диаметром 12 мм рельеф, создающий изображение, наблюдаемое визуально.

В центре окружности в зависимости от угла зрения должно просматриваться графическое изображение знака соответствия, выполненное согласно рисункам 1 и 5 без кода органа по сертификации, и меняющий свою форму характерный узор из тонких линий.

В верхней части круга, содержащего знак соответствия, защищенный от подделок, имеется трехразрядное буквенное обозначение серии, а в нижней - шестизначный порядковый номер данного экземпляра знака соответствия.

При попытке термического или механического воздействия на основу знака соответствия, защищенного от подделок, она должна разрушаться.

(Измененная редакция, Изм. № 2, 3).

Рисунок 1

Рисунок 2

Рисунок 3

Рисунок 4

Рисунок 5

Рисунок 6

Ключевые слова: знак соответствия при обязательной сертификации продукции; форма знака соответствия; размеры знака соответствия; технические требования к знаку соответствия

 




Rambler's Top100 Яндекс цитирования
  Copyright © 2008-2026, www.docload.ru