Бесплатная библиотека стандартов и нормативов www.docload.ru

Все документы, размещенные на этом сайте, не являются их официальным изданием и предназначены исключительно для ознакомительных целей.
Электронные копии этих документов могут распространяться без всяких ограничений. Вы можете размещать информацию с этого сайта на любом другом сайте.
Это некоммерческий сайт и здесь не продаются документы. Вы можете скачать их абсолютно бесплатно!
Содержимое сайта не нарушает чьих-либо авторских прав! Человек имеет право на информацию!

 

ГОСУДАРСТВЕННЫЙ СТАНДАРТ СОЮЗА ССР

ШАЙБЫ КЛАССА ТОЧНОСТИ С К ВЫСОКОПРОЧНЫМ БОЛТАМ

Конструкция и размеры

ГОСТ 22355-77

 

ГОСУДАРСТВЕННЫЙ КОМИТЕТ СССР ПО СТАНДАРТАМ

Москва

 

 

ГОСУДАРСТВЕННЫЙ СТАНДАРТ СОЮЗА ССР

ШАЙБЫ КЛАССА ТОЧНОСТИ С                                  ГОСТ

К ВЫСОКОПРОЧНЫМ БОЛТАМ                              22355-77*

Конструкция и размеры

Product grade C washes for hight strength bolts.

Construction and dimensions

Постановлением Государственного комитета стандартов Совета Министров СССР от 7 февраля 1977 г. № 309 срок введения установлен

с 01.01.79

Несоблюдение стандарта преследуется по закону

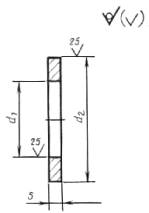
1. Конструкция и размеры шайб должны соответствовать указанным на чертеже и в таблице.

мм

Номинальный диаметр резьбы болта

d1

d2

s

16

18

37

 

(18)

20

39

4

20

22

44

 

(22)

24

50

5; 6*

24

26

56

 

(27)

30

66

 

30

33

66

6

36

39

78

 

42

45

90

8

48

52

100

 

---------------

* Толщина шайб, применяемых в мостостроении.

Примечание. Размеры, заключенные в скобки, применять не рекомендуется.

Пример условного обозначения шайбы для болта диаметром резьбы 20 мм:

Шайба 20 ГОСТ 22355-77

(Измененная редакция, Изм. № 1).

2. Технические требования - по ГОСТ 22356-77

2а. Предельные отклонения размеров и допуски формы и расположения поверхностей - по ГОСТ 18123-82.

2б. Шероховатость и допускаемые дефекты поверхности шайб - по ГОСТ 18123-82.

2а, 2б. (Введены дополнительно, Изм. № 1).

3. Теоретическая масса шайб приведена в справочном приложении.

 

ПРИЛОЖЕНИЕ

Справочное

Теоретическая масса шайб

Номинальный диаметр резьбы болта, мм

Теоретическая масса 1000 шт. шайб, кг»

Номинальный диаметр резьбы болта, мм

Теоретическая масса 1000 шт. шайб, кг»

16

25,8

(27)

127,8

(18)

27,6

30

120,7

20

35,8

36

168,7

(22)

59,3

42

299,5

24

75,8

48

359,7

 

(Измененная редакция, Изм. № 1).




Rambler's Top100 Яндекс цитирования
  Copyright © 2008-2026, www.docload.ru