Бесплатная библиотека стандартов и нормативов www.docload.ru

Все документы, размещенные на этом сайте, не являются их официальным изданием и предназначены исключительно для ознакомительных целей.
Электронные копии этих документов могут распространяться без всяких ограничений. Вы можете размещать информацию с этого сайта на любом другом сайте.
Это некоммерческий сайт и здесь не продаются документы. Вы можете скачать их абсолютно бесплатно!
Содержимое сайта не нарушает чьих-либо авторских прав! Человек имеет право на информацию!

 

ГОСУДАРСТВЕННЫЙ СТАНДАРТ СОЮЗА ССР

ЭЛЕКТРООБОРУДОВАНИЕ ВЗРЫВОЗАЩИЩЕННОЕ С ВИДОМ ВЗРЫВОЗАЩИТЫ «ИСКРОБЕЗОПАСНАЯ ЭЛЕКТРИЧЕСКАЯ ЦЕПЬ»

ТЕХНИЧЕСКИЕ ТРЕБОВАНИЯ И МЕТОДЫ ИСПЫТАНИЙ

ГОСТ 22782.5-78

(СТ СЭВ 3143-81)

ИЗДАТЕЛЬСТВО СТАНДАРТОВ

Москва

ГОСУДАРСТВЕННЫЙ СТАНДАРТ СОЮЗА ССР

ЭЛЕКТРООБОРУДОВАНИЕ ВЗРЫВОЗАЩИЩЕННОЕ С ВИДОМ ВЗРЫВОЗАЩИТЫ «ИСКРОБЕЗОПАСНАЯ ЭЛЕКТРИЧЕСКАЯ ЦЕПЬ»

Технические требования и методы испытаний

Explosionproof electrical apparatus with the type of protection «intrinsically-safe electrical circuit». Technical requirements and test methods

ГОСТ

22782.5-78*

(CT СЭВ 3143-81)

Постановлением Государственного комитета СССР по стандартам от 30 октября 1978 г. № 2819 срок введения установлен

с 01.01.80

 

Настоящий стандарт распространяется на взрывозащищенное электрооборудование (электротехнические устройства) групп I и II по ГОСТ 12.2.020-76 с видом взрывозащиты «искробезопасная электрическая цепь» и электрооборудование с другими видами взрывозащиты, имеющее искробезопасные и связанные с ними искроопасные электрические цепи.

Стандарт распространяется также на электрические цепи невзрывозащищенного электрооборудования, которые гальванически связаны с искробезопасными цепями взрывозащищенного электрооборудования и влияют на их искробезопасность.

Стандарт устанавливает технические требования и методы испытаний по обеспечению искробезопасности электрических цепей.

Стандарт полностью соответствует CT СЭВ 3143-81, публикациям МЭК 79-3 (1972 г.) и МЭК 79-11 (1976 г.) в части основных технических требований и методов испытаний.

(Измененная редакция, Изм. № 1).

1. ТЕХНИЧЕСКИЕ ТРЕБОВАНИЯ

1.1. Общие требования

1.1.1. Искробезопасные электрические цепи разделяются на три уровня, указанные в табл. 1.

Таблица 1

Знак уровня искробезопасной электрической цепи для электрооборудования групп

Наименование уровня взрывозащиты по ГОСТ 12.2.020-76

I

II

Иа

ia

Особовзрывобезопасный

Иb

ib

Взрывобезопасный

Ис

ic

Повышенная надежность против взрыва

1.1.2. Искробезопасные цепи должны иметь коэффициент искробезопасности не ниже 1,5 в нормальном режиме работы электрооборудования, а также в аварийных режимах его при искусственно создаваемых повреждениях элементов и соединений*.

__________

* Определение терминов, применяемых в стандарте, приведено в справочном приложении 4.

Количество повреждений в зависимости от уровня искробезопасной цепи в каждом аварийном режиме выбирается по табл. 2.

Таблица 2

Наличие (отсутствие) открытых нормально искрящих контактов

Количество повреждений в аварийных режимах в зависимости от уровня искробезопасной цепи

Иа

ia

Иb

ib

Ис

ic

Отсутствуют

2

2

Без повреждений

Имеются

Все возможные повреждения

2

2

Без повреждений

Примечание. В электрооборудовании группы I с уровнем взрывозащиты РП искробезопасность должна обеспечиваться только в цепях, содержащих нормально искрящие контакты.

(Измененная редакция, Изм. № 1).

1.1.3. Элементы и соединения искробезопасной и связанной с ней искроопасной цепей должны рассматриваться как повреждаемые, если их электрическая нагрузка (ток, напряжение или мощность) или конструктивное выполнение не удовлетворяют требованиям настоящего стандарта.

1.1.4. В этом случае, если в электрической цепи имеются элементы, нагруженные больше чем на 2/3 номинальных значений тока, напряжения или мощности, или если повреждение одного элемента или соединения может вызвать повышение тока, напряжения или мощности на оставшихся элементах цепи больше указанного значения или вызвать повреждение этих элементов, то первичное и последующие повреждения должны рассматриваться как одно повреждение.

1.1.5. Искробезопасные цепи в зависимости от группы или подгруппы взрывозащищенного электрооборудования должны рассчитываться для использования в соответствующей представительной взрывоопасной смеси, как это указано в табл. 3. Ориентировочные значения искробезопасных токов и напряжений определяются по характеристикам искробезопасности согласно справочному приложению 3.

Таблица 3

Группа и подгруппы взрывозащищенного электрооборудования по ГОСТ 12.2.020-76

Представительная взрывоопасная смесь

Состав смеси с наибольшей воспламеняющей способностью, % объемные

I

Метано-воздушная

8,3 ± 0,3

IIА

Пропано-воздушная

5,3 ± 0,3

 

Пентано-воздушная

4,6 ± 0,3

IIB

Этилено-воздушная

7,3 ± 0,5

IIС

Водородо-воздушная

21,0 ± 2,0

1.1.6. Рассчитанные по п. 1.1.5 значения токов и напряжений уточняются экспериментально на действующих макетах или опытных образцах электрооборудования методами, указанными в разд. 2 настоящего стандарта.

1.1.7. При расчете искробезопасных цепей электрооборудования должно учитываться максимально возможное напряжение их источников питания:

для аккумуляторов и гальванических элементов - Э Д С;

для трансформаторов - наибольшее напряжение сети, оговоренное стандартами или техническими условиями на электрооборудование.

1.1.8. Во внешней искробезопасной цепи должны учитываться емкость, индуктивность и сопротивление соединительных кабелей и проводов.

1.1.9. Конструктивные элементы искробезопасных цепей, расположенные во взрывоопасной зоне, должны быть рассчитаны так, чтобы температура их поверхности в нормальном и аварийных режимах (см. п. 1.1.2) не превышала величин, указанных в ГОСТ 22782.0-81.

(Измененная редакция, Изм. № 1).

1.1.10. Искробезопасные и гальванически связанные с ними искроопасные цепи должны иметь гальваническое разделение от силовой, сигнальной или осветительной сетей переменного тока.

Допускается гальваническое соединение искробезопасных и связанных с ними электрических цепей через искрозащитные элементы с цепями автономных источников питания постоянного тока (аккумуляторной батареи, генератора постоянного тока, преобразователя).

1.1.11. Искробезопасная цепь не должна заземляться, если этого не требуют условия работы электрооборудования.

1.1.12. При заземлении искробезопасных цепей соединение с землей должно выполняться в одной точке.

В случае заземления цепи в двух точках необходимо учитывать возможность наведения опасного напряжения в этой цепи и должны быть предусмотрены дополнительные меры по обеспечению ее взрывозащищенности.

1.1.13. Дополнительная взрывозащищенность не требуется для искробезопасных цепей уровня Иb, Ис электрооборудования I группы, отключаемого от сети в соответствии с требованиями «Правил безопасности в угольных и сланцевых шахтах», утвержденных Министерством угольной промышленности СССР 14 декабря 1972 г. и Госгортехнадзором СССР 26 декабря 1972 г. при загазировании, а также для искробезопасных цепей схем управления, осуществляющих контроль заземления.

1.1.14. Части электрооборудования с видом взрывозащиты «искробезопасная электрическая цепь», расположенные во взрывоопасной зоне, должны соответствовать ГОСТ 22782.0-81 и требованиям настоящего стандарта.

(Введен дополнительно, Изм. № 2).

1.2. Требования к путям утечки, электрическим зазорам и электрической прочности изоляции

1.2.1. Длина пути утечки и электрические зазоры определяются согласно нормативно-технической документации на изоляцию взрывозащищенного электрооборудования.

Таблица 4

Пути утечки и электрические зазоры

Технические требования

1 Между элементами искробезопасной цепи

Не устанавливаются

2. Между искробезопасными цепями, гальванически не связанными между собой

По табл. 5

3. Между искробезопасной цепью и искроопасной частью этой же цепи (до искрозащитных элементов)

По табл. 5

4. Между искробезопасной цепью и заземленными частями электрооборудования, если эта цепь не заземляется

 

5. Между искроопасной цепью, гальванически разделенной от силовых внешних цепей, и искробезопасной цепью, гальванически не связанной с ней

По табл. 5

6. Между искробезопасной цепью и искроопасной силовой внешней цепью

Для электрооборудования группы II - по табл. 5, для электрооборудования группы I - по нормативно-технической документации на изоляцию рудничного электрооборудования

1.2.2. Пути утечки и электрические зазоры между элементами внутреннего монтажа должны удовлетворять требованиям табл. 4, а их значения должны быть не менее указанных в табл. 5. При определении путей утечки и электрических зазоров:

а) между искробезопасными и искроопасными цепями в качестве исходного напряжения должна приниматься сумма амплитудных значений напряжений этих цепей. Если напряжение искробезопасной цепи составляет менее 20 % напряжения искроопасной цепи, то в качестве исходного принимается напряжение искроопасной цепи;

б) между искробезопасными цепями, гальванически не связанными между собой, в качестве исходного должно приниматься наибольшее напряжение одной из цепей.

(Измененная редакция, Изм. № 1).

1.2.3. Если путь утечки меньше, но составляет не менее 1/3 значений, указанных в табл. 4 и 5, при определении количества повреждений по п. 1.1.2 замыкание между цепями по уменьшенному пути утечки должно считаться как одно повреждение. Если путь утечки составляет 1/3 и меньше указанных значений, цепи считаются замкнутыми между собой, и это соединение не входит в учет количеств повреждений.

Таблица 5

Напряжение, В

Пути утечки

Электрические зазоры

Толщина слоя изоляционного компаунда

для незалитых компаундом

для залитых компаундом

для незалитых компаундом

для залитых изоляционным компаундом

мм

До 30

1,5

1,0

1,5

1,0

1,0

Св. 30 до 60

3,0

1,0

3,0

1,0

1,0

» 60 » 90

4,0

1,3

4,0

1,3

1,5

» 90 » 190

8,0

2,6

6,0

2,0

2,0

» 190 » 375

10,0

3,3

6,0

2,0

2,0

» 375 » 550

15,0

5,0

6,0

2,0

2,0

» 550 » 750

18,0

6,0

8,0

3,0

3,0

» 750 » 1000

25,0

8,3

10,0

5,0

5,0

» 1000 » 1300

36,0

12,0

14,0

5,0

5,0

Примечание. Толщина слоя компаунда должна определяться над выступающими токоведущими частями электрооборудования.

1.2.4. Выполнение требований табл. 5 является необязательным, если неизолированные монтажные и конструктивные элементы искробезопасных и искроопасных, а также искробезопасных, не связанных между собой цепей, разделены изоляционной перегородкой, высота которой над наиболее выступающими токоведущими частями составляет не менее половины значения пути утечки, указанного в табл. 4 и табл. 5. Перегородка должна прочно крепиться к основной конструктивной части и удовлетворять требованиям стандартов или технических условий на конкретное электрооборудование. Электрическая прочность изоляции перегородки должна удовлетворять требованиям табл. 6.

(Измененная редакция, Изм. № 1).

1.2.5. Пути утечки и электрические зазоры для токоведущих частей, заключенных в герметичную неразборную оболочку, удовлетворяющую условиям эксплуатации, настоящим стандартом не регламентируются.

1.2.6. Изоляция элементов электрооборудования должна выдерживать испытательные напряжения, указанные в табл. 6.

Таблица 6

Изоляция

Испытательное напряжение (действующее значение), В

1. Между искробезопасными цепями, гальванически не связанными между собой

 

2. Между искробезопасной цепью заземленными частями электрооборудования, если цепь по условиям работы не должна заземляться

 

3. Между искробезопасной цепью и искроопасной, гальванически разделенной от силовой внешней цепи

2 Uном, но не менее 500

4. Между искробезопасной цепью и искроопасной, гальванически связанной с силовой внешней цепью с напряжением до 60 В, для электрооборудования группы I

5. Между искробезопасной и силовой внешней цепью с номинальным напряжением до 280 В

(2 Uном + 1000), но не менее 1500

6. Между искроопасной цепью, гальванически связанной с искробезопасной, и силовой внешней цепью с номинальным напряжением до 250 В

7. Между искробезопасной и силовой внешней цепью с номинальным напряжением свыше 250 В

(2 Uном + 1000), но не менее 2000

8. Между искроопасной, гальванически связанной с искробезопасной, и силовой внешней цепью с номинальным напряжением свыше 250 В

(2 Uном + 1000), но не менее 2000

Примечание. Uном выбирается в соответствии с указаниями п. 1.2.2.

1.3. Требования к монтажу и проводке

1.3.1. Соединения элементов искробезопасной цепи внутри электрооборудования должны выполняться способами, обеспечивающими долговечность в условиях эксплуатации, например, пайкой или сваркой. Крепление элементов должно исключать возможность уменьшения электрических зазоров или замыкания между ними.

1.3.2. Резьбовые соединения элементов электрооборудования должны быть предохранены от самоотвинчивания.

1.3.3. Места сварки и пайки внутри электрооборудования должны покрываться изоляционным лаком.

1.3.4. Для навесного монтажа внутри электрооборудования с искробезопасными цепями должны применяться изолированные медные одножильные провода сечением не менее 0,03 мм2. Применение многожильных проводов допустимо, если сечение и ток, протекающий по ним, соответствует табл. 7. Это требование не распространяется на монтажные провода искробезопасных цепей, расположенных внутри электрооборудования, снабженного другими видами взрывозащиты по ГОСТ 12.2.020-76, или электрооборудования, установленного вне взрывоопасной зоны.

Таблица 7

Сечение провода, мм2, не менее

0,03

0,09

0,19

0,28

0,44

Максимальный ток, А

1,65

3,3

5

6,6

8,3

Диаметр, мм, не менее

0,2

0,35

0,5

0,6

0,75

Примечание. Сечением многожильного проводника считается сумма сечений всех жил.

1.3.5. Изоляция проводов внутреннего монтажа искробезопасных цепей должна быть синего или голубого цвета. В электрооборудовании, содержащем только искробезопасные цепи, отличительный синий цвет не обязателен. Изоляция проводов должна удовлетворять требованиям табл. 6.

1.3.6. Расстояние между изолированными проводами или группами проводов (жгутами) искробезопасных и искроопасных цепей внутри электрооборудования должно удовлетворять требованиям табл. 5 (графа «Электрические зазоры»). Если изолированные провода искробезопасных или искроопасных цепей помещены в заземленный металлический экран или дополнительную изоляционную трубку (чехол), выдерживающую испытательное напряжение, действующее значение которого должно быть равно трехкратному наибольшему напряжению в цепях, но не менее 1500 В, требования табл. 5 могут не выполняться. В одном жгуте могут прокладываться искробезопасные цепи, гальванически не связанные между собой.

(Измененная редакция, Изм. № 1).

1.4. Требования к печатным платам

1.4.1. Пути утечки, электрические зазоры и электрическая прочность изоляции между печатными проводниками и элементами должны удовлетворять требованиям п. 1.2 настоящего стандарта.

1.4.2. (Исключен, Изм. № 1).

1.4.3. Печатные проводники искробезопасных и гальванически связанных с ними искроопасных цепей должны быть отделены от печатных проводников силовых внешних цепей печатным экраном шириной не менее 1,5 мм. Экран должен соединяться либо с общим проводом электрической системы, либо заземляться.

1.4.4. Пути утечки и электрические зазоры между искробезопасными, связанными с ними искроопасными цепями и экраном, должны удовлетворять требованиям табл. 5, а между экраном и силовыми внешними цепями - требованиям нормативно-технической документации на печатные платы. Электрическая прочность изоляции между экраном и силовой цепью должна удовлетворять требованиям пп. 5 и 7 табл. 6.

1.4.5 Печатная плата после монтажа элементов должна покрываться изоляционным лаком, если она не заливается изоляционным компаундом.

(Измененная редакция, Изм. № 1).

1.4.6. Плотность тока в печатном медном проводнике на платах электрооборудования, устанавливаемого во взрывоопасной зоне и не снабженного другими средствами взрывозащиты по ГОСТ 12.2.020-76, не должна превышать 15 А/мм2 для залитых компаундом проводников и 20 А/мм2 для покрытых лаком проводников.

1.5. Требования к искрозащитным элементам (устройствам) и средствам

1.5.1. В качестве шунтов к реактивным элементам и ограничителей тока или напряжения должны применяться:

резисторы линейные и нелинейные;

конденсаторы любых типов, за исключением электролитических и негерметизированных. Герметизацию допускается осуществлять заливкой конденсаторов затвердевающими компаундами;

полупроводниковые приборы;

короткозамкнутые обмотки или витки - в качестве шунтов;

дроссели - в качестве ограничителей;

комбинации из указанных элементов, например, блоки защиты на полупроводниковых приборах.

1.5.2. В качестве искрозащитных могут использоваться элементы схемы электрооборудования, удовлетворяющие требованиям настоящего стандарта.

1.5.3. Искрозащитные элементы вместе с защищаемым элементом и присоединительными проводами должны представлять неразборную конструкцию, например, залиты затвердевающим компаундом, помещены в заваренную, запаянную или заклепанную оболочку, и включены таким образом, чтобы отключение искрозащитных элементов вызвало отключение защищаемых элементов или цепей.

1.5.4. В электрооборудовании, устанавливаемом вне взрывоопасной зоны или снабженном другими средствами взрывозащиты по ГОСТ 12.2.020-76, искрозащитные элементы могут устанавливаться отдельно от защищаемого элемента или цепи. Они должны устанавливаться таким образом, чтобы их повреждение, а также включение защищаемой цепи, минуя искрозащитные элементы, исключалось. Кроме того, должны быть приняты конструктивные меры, предотвращающие возможность повреждения соединительных проводов между искрозащитными и защищаемыми элементами (устройствами) или цепями, например:

1. Соединение искробезопасной цепи, в которую не включены искрозащитные элементы, с металлической оболочкой электрооборудования. Конструкция места соединения должна выдерживать мощность короткого замыкания в этой цепи и возможные механические нагрузки либо выполняться таким образом, чтобы при обрыве соединительного провода прерывалась основная цепь тока.

2. Соединительные изолированные провода между искрозащитными и защищаемыми элементами помещаются в дополнительную изоляционную трубку, концы которой в местах соединения залиты клеем или изоляционным компаундом.

(Измененная редакция, Изм. № 1).

1.5.5. Если цепь между искрозащитным и защищаемым элементом является искроопасной и находится в электрооборудовании, устанавливаемом во взрывоопасной зоне, она должна иметь другие виды взрывозащиты по ГОСТ 12.2.020-76.

1.5.6. Цепь по п. 1.5.5 в электрооборудовании I группы должна помещаться в дополнительную оболочку, выдерживающую избыточное давление 0,05 МПа и заполненную веществом (заполнителем), исключающим возможность проникновения взрывоопасного газа к этой цепи или обеспечивающего взрывонепроницаемость. Заполнитель не должен иметь трещин, пузырьков, отслаиваться, высыпаться, растрескиваться с течением времени и не терять своих свойств во время эксплуатации.

В качестве заполнителя должны применяться эпоксидные компаунды, герметики на основе каучуков, толщина заливки которых должна быть не менее 5 мм, кварцевый песок по ГОСТ 22782.2-77. Конструкция узла должна быть неразборной.

1.5.7. Искрозащитные элементы, а также элементы, которые используются в качестве искрозащитных, должны быть нагружены не более чем на 2/3 допустимых значений тока, напряжения или мощности в нормальном или аварийных режимах работы электрооборудования для условий эксплуатации элементов, указываемых в стандартах или технических условиях на электрооборудование.

1.5.8. Шунтирующие элементы должны быть дублированы. Искробезопасность цепи не должна нарушаться при отключении одного из шунтирующих элементов. Допускается не дублировать, если шунтирующий элемент подключен таким образом, что при обрыве любой из его цепей, кроме непроволочных соединительных выводов самого шунта, происходит отключение шунтируемого элемента, как это показано на черт. 1 и 2.

1.5.9. Диоды (управляемые и неуправляемые) стабилитроны должны нагружаться не более чем на 2/3 их номинального рабочего тока, а диоды, кроме того, - на 2/3 обратного напряжения. Допускается последовательное включение двух диодов, при этом падение напряжения на каждом из них не должно превышать 2/3 обратного рабочего напряжения. Диоды выпрямительного устройства, используемые в качестве искрозащитных, должны рассчитываться на ток короткого замыкания на выходных зажимах выпрямительного устройства.

Диоды, включенные по мостовой схеме, следует считать дублированным шунтом.

1.5.10. Транзисторы должны нагружаться не более чем на 2/3 предельно допустимых эксплуатационных данных: коллекторного и базового токов, рассеиваемой мощности, напряжения между коллектором и эмиттером и обратного напряжения между эмиттером и базой.

1.5.11. Однопереходные транзисторы должны нагружаться не более чем на 2/3 напряжения между базами и на 2/3 эмиттерного тока.

1.5.12. В транзисторах, применяемых в качестве ограничительных, эмиттер и база должны быть соединены через шунтирующий резистор. Шунтирующий резистор должен быть дублирован. Допускается не дублировать, если резистор выполнен по требованиям п. 1.5.8. Величина сопротивления шунтирующего резистора выбирается по тепловому току при отключенной базе транзистора.

1.5.13. Транзисторы, применяемые в качестве шунтирующих, должны быть дублированы. Допускается не дублировать, если эмиттерная, коллекторная и базовая цепи выполнены по п. 1.5.8.

1.5.14. Ограничительный резистор должен выбираться с предельным рабочим напряжением, в полтора раза превышающим напряжение в наиболее опасном аварийном режиме.

1.5.15. В дросселях, применяемых в качестве ограничительных, намотка должна быть рядовой, виток к витку, с изолированными прокладками между слоями.

1.5.16. Междувитковая изоляция обмоточного провода должна быть рассчитана на напряжение, равное утроенному падению напряжения на дросселе в нормальном и аварийном режимах.

1.5.17. В конструкции ограничительного проволочного резистора и дросселя должны быть приняты меры против разматывания и закорачивания витков, например, пропитка обмоток изоляционным лаком.

1.5.18. Короткозамкнутая обмотка должна выполняться либо в виде бесшовной трубки, либо в виде неизолированной обмотки, замкнутой сваркой или другими равноценными способами.

1.5.19. Искрозащитные элементы могут быть объединены в устройства (блоки) представляющие законченную конструкцию.

Примером такого решения являются блоки искрозащитные на стабилитронах, схемы и расчет к которым приведен в приложении 1 и приложении 5.

1.5.20. Крепление искрозащитных элементов к теплоотводящим радиаторам должно удовлетворять требованиям п. 1.5.3.

(Измененная редакция, Изм. № 1).

1.5.21. Для защиты искрозащитных элементов от перегрузок должны использоваться предохранители и предохранительные устройства, которые должны выполняться таким образом, чтобы при эксплуатации и хранении электрооборудования исключалась возможность их закорачивания, например выполнены с учетом требований пп. 1.5.3, 1.5.4.

1.5.22. Предохранители и предохранительные устройства не являются искрозащитными элементами.

1.5.23. Время-токовые характеристики предохранителей и предохранительных устройств должны быть такими, чтобы гарантировалось, что рассеиваемая мощность на искрозащитных элементах в установившемся и переходном режимах не превышает 2/3 предписанных значений при температуре окружающей среды в нормальном и аварийном режимах электрооборудования.

1.6. Требования к разделительным элементам

1.6.1. В качестве разделительных элементов, обеспечивающих гальваническую развязку между искробезопасными и искроопасными цепями, разными группами искробезопасных цепей, а также между искроопасными гальванически связанными с искробезопасными, и силовыми электрическими цепями, должны применяться:

реле и электромагнитные контакторы;

разделительные трансформаторы;

электрооптронные и аналогичные им устройства, конструкция которых удовлетворяет требованиям настоящего стандарта.

1.6.2. Требования к разделительным реле

1.6.2.1. Пути утечки и электрические зазоры между контактами, коммутирующими искробезопасные и искроопасные цепи, искробезопасные цепи, не связанные между собой, а также между контактами и выводами обмотки, подключенными к разным цепям, должны удовлетворять требованиям п. 1.2. Это требование может не выполняться, если выводы обмоток и контактов реле разделены изоляционной перегородкой, удовлетворяющей требованиям п. 1.2.4.

1.6.2.2. Если выводы обмоток и контактов реле залиты изоляционным затвердевающим компаундом или защищены изоляционными трубками, одетыми на клею, как это показано на черт. 3, пути утечки и электрические зазоры между выводами должны удовлетворять требованиям табл. 4 и табл. 5 (графа «Для залитых изоляционным компаундом»).

1.6.2.3. Требования к путям утечки и электрическим зазорам внутри оболочки герметизированных реле не регламентируются.

(Измененная редакция, Изм. № 2).

1.6.2.4. Использование контактов одной и той же контактной группы на переключение для коммутации искробезопасных и искроопасных цепей, а также не связанных между собой искробезопасных цепей, допускается только в том случае, если конструкция контактов и (или) контактной группы исключает возможность одновременного замыкания трех контактов и выполнены требования пп. 1.6.2.2, 1.6.2.3.

1.6.2.5. Токи и напряжения, коммутируемые контактами реле в искроопасных цепях, не должны превышать 5А и 250 В, но их произведение не должно превышать 100 В×А.

Контакты и контактные группы реле, включенные в электрические цепи мощностью более 100 В×А, должны быть отделены друг от друга заземленной металлической перегородкой (экраном).

1.7. Требования к электрооптронным разделительным устройствам

1.7.1. Пути утечки, электрические зазоры, электрическая прочность изоляции между искробезопасными и искроопасными цепями оптрона должны удовлетворять требованиям п. 1.2.

1.7.2. Требования к путям утечки и электрическим зазорам внутри оптрона не предъявляются, если оптрон имеет неразборную герметичную конструкцию.

1.8. Требования к трансформаторам, питающим искробезопасные цепи

1.8.1. Сетевая (первичная) обмотка трансформатора должна, как правило, снабжаться токовой защитой, например, плавкими предохранителями.

В системах электроснабжения с заземленной нейтралью токовая защита должна устанавливаться в каждый провод сетевой обмотки. В системах с изолированной нейтралью предохранители должны устанавливаться в трехфазных трансформаторах - в две фазы, в однофазных трансформаторах - в одну фазу.

Для достижения требуемой разрывной мощности допускается включать последовательно два и более предохранителя.

(Измененная редакция, Изм. № 1).

1.8.2. Разрывная мощность предохранителя или токовой защиты, установленных внутри электрооборудования или в распределительном устройстве, от которого питается трансформатор, должна соответствовать мощности короткого замыкания на входных зажимах трансформатора. Номинальный ток защиты не должен превышать номинальный ток первичной обмотки нагруженного трансформатора более чем в три раза.

(Измененная редакция, Изм. № 1).

1.8.3. Трансформатор, кроме обмоток, питающих искробезопасные и гальванически связанные с ними цепи, может содержать обмотки, питающие искроопасные цепи, не связанные с искробезопасными.

1.8.4. Конструкция трансформатора должна быть такой, чтобы обмотка, питающая искробезопасные и гальванически связанные с ними искроопасные цепи, была надежно изолирована от остальных обмоток.

1.8.5. Трансформаторы должны быть стойкими или условно стойкими при коротком замыкании вторичной обмотки и по способу расположения обмоток могут разделяться на два типа.

1.8.5.1. Конструкция первого типа

Обмотка, указанная в п. 1.8.4, намотанная на отдельной катушке, располагается:

а) на одном стержне с остальными обмотками;

б) на отдельном стержне сердечника.

1.8.5.2. Конструкция второго типа.

Обмотка, указанная в п. 1.8.4, располагается на одной катушке с остальными обмотками, при этом:

а) либо указанная обмотка должна быть отделена от остальных обмоток заземленным экраном;

б) либо обмотки трансформатора должны иметь усиленную изоляцию, удовлетворяющую условиям испытаний по пункту 2.6.2.

(Измененная редакция, Изм. № 1).

1.8.6. Экран должен изготавливаться из медной фольги или проволочной обмотки (намотка виток к витку) по ширине равным или больше ширины вторичной обмотки. В качестве экрана допускается использовать заземленную обмотку для питания искроопасной цепи, гальванически не связанную с искробезопасной цепью, конструкция которой соответствует требованиям настоящего раздела. Нагрузка обмотки не должна содержать других источников питания.

Толщина фольги или диаметр провода в зависимости от номинального тока токовой защиты (предохранителя) в сетевой обмотке должны выбираться по табл. 8.

(Измененная редакция, Изм. № 2).

1.8.7. Диаметр провода, которым экран подключается к заземляющему зажиму, должен быть не меньше соответствующего диаметра, указанного в табл. 8.

1.8.8. Допускаемые превышения температуры обмоток стойкого и условно стойкого трансформаторов при коротком замыкании вторичной обмотки (обмоток), как это указано в п. 2.6, для принятого класса нагревостойкости изоляции должны соответствовать указанным в табл. 9.

1.8.9. Выводы (внешняя часть) искробезопасных и искроопасных обмоток конструкции второго типа по п. 1.8.5.2 должны располагаться на противоположных сторонах каркаса катушки. Выводы (зажимы) должны быть четко обозначены.

(Измененная редакция, Изм. № 1).

Таблица 8

Номинальный ток предохранителя, А, не более

0,1

0,5

1,0

2,0

3,0

5,0

Толщина фольги, мм, не менее

0,05

0,05

0,075

0,15

0,25

0,3

Диаметр провода, мм, не менее

0,2

0,45

0,63

0,9

1,2

1,4

Таблица 9

Класс нагревостойкости по ГОСТ 8865-70

Допустимое среднее превышение температуры, яС

У

90

А

110*

Е

135**

В

145

F

170

Н

200

___________

* 60 °С в случае использования ацетилцеллюлозных пленок и масс литья под давлением на основе полиолефинов (термореактивные).

** 100 °C для пленок из триацетата и триацетобутирата.

Примечание. Превышение температуры относится к эффективной температуре окружающего воздуха 40 °С по ГОСТ 15543-70, ГОСТ 15543.1-89.

1.8.10. Обмотки трансформаторов независимо от конструктивного исполнения должны пропитываться изоляционным лаком или компаундом.

1.8.11. Пути утечки и электрические зазоры между зажимами должны удовлетворять указаниям п. 1.2. Для уменьшения расстояний утечки зажимы могут быть разделены изоляционной перегородкой, удовлетворяющей требованиям п. 1.2.4.

1.8.12. Изоляция между обмотками трансформатора должна выдерживать испытательные напряжения промышленной частоты, указанные в табл. 10.

Таблица 10

Изоляция

Испытательное напряжение, действующее значение, В

1. Между сетевой и вторичными обмотками для питания искробезопасных и связанных с ними искроопасных цепей

4 Uном, но не менее 2500

2. Между вторичными обмотками для искробезопасных гальванически не связанных между собой цепей

2 Uном, но не менее 1000

3. Между всеми обмотками, сердечником и экраном

4. Между вторичной обмоткой для питания только искроопасных цепей и обмоткой для питания искробезопасных и связанных с ними цепей

2 Uном, но не менее 1500

5. Между сетевой и вторичной обмоткой для питания только искроопасных цепей

По нормам для электрооборудования общего назначения

Примечание. Uном - номинальное напряжение обмотки с наибольшим напряжением.

1.8.13. Ток холостого трансформатора, режим коммутации сетевой обмотки которого определяет искробезопасность электрической цепи, не должен превышать более чем на 30 % ток холостого хода трансформатора, прошедшего контрольные испытания на искробезопасность.

1.8.14. В рабочих чертежах на трансформатор должны указываться максимальный ток холостого хода трансформатора, материал и тип сердечника, обмоточные данные (число витков, диаметр провода, напряжение, сопротивление), номера обмоток и их выводов. Перечисленные данные целесообразно, если позволяю габариты, помещать в виде таблички на трансформаторе.

1.8.15. Трансформатор должен быть маркирован клеймом органа технического контроля завода-изготовителя, проводившего испытания.

1.9. Требования к разделительным трансформаторам и трансформаторам преобразователей

1.9.1. Конструкция трансформаторов должна удовлетворять требованиям п. 1.8 и учитывать особенности их работы.

1.9.2. Изоляция между первичной и вторичными обмотками трансформаторов должна выдерживать испытательное напряжение, равное трехкратному номинальному напряжению обмотки с наибольшим напряжением, но не менее 1500 В, если они подключены к обмотке другого трансформатора, удовлетворяющего требованиям п. 1.8, или к автономному источнику постоянного тока.

Допускается испытательное напряжение, равное трехкратному номинальному напряжению обмотки с наибольшим напряжением, но не менее 500 В, если трансформатор разделяет две искробезопасных цепи или искробезопасную цепь от искроопасной части другой искробезопасной цепи.

(Измененная редакция, Изм. № 1).

1.9.3. Разделительные трансформаторы, подключенные к внешней силовой цепи, должны учитывать возможность попадания на них максимального напряжения питания, например, сетевого напряжения.

1.10. Требования к химическим источникам тока

1.10.1. Химические источники тока, в дальнейшем источники тока, должны удовлетворять требованиям ГОСТ 12.2.007.12-88 и устанавливаться в отдельной оболочке или в отдельном отсеке общей оболочки электрооборудования. Размеры оболочки (отсека) должны соответствовать размерам источника тока.

1.10.2. Оболочка (отсек) источника тока должна закрываться с помощью специального инструмента или пломбироваться. Оболочка, снабженная средствами взрывозащиты или устанавливаемая внутри взрывозащищенного электрооборудования по ГОСТ 12.2.020-76, должна снабжаться соответствующей предупредительной надписью, например, «Во взрывоопасных помещениях (зонах) открывать запрещается!».

1.10.3. Источники тока с искрозащитными элементами, предназначенные для питания рудничных переносных приборов индивидуального пользования, закрепленных за лицами, несущими за них ответственность (например, газоанализатора), должны удовлетворять требованиям п. 1.5.6.

1.10.4. Конструкция искрозащитных элементов, устанавливаемых в оболочке источника тока, должна удовлетворять требованиям п. 1.5.

1.10.5. На оболочке или корпусе источника тока должны быть указаны тип источника тока, выходное напряжение, ток короткого замыкания и клеймо органа технического контроля предприятия-изготовителя.

1.10.3-1.10.4. (Измененная редакция, Изм. № 1).

1.11. Требования к внутренним штепсельным разъемам, монтаж которых производится при изготовлении электрооборудования

1.11.1. Пути утечки и электрические зазоры между токоведущими частями разъема, к которым подключены искробезопасные и искроопасные, в том числе силовые цепи, должны удовлетворять требованиям табл. 4 и табл. 5.

1.11.2. В штепсельном разъеме, не содержащем силовых цепей, допускается предусматривать заземленные штифты и гнезда для разделения токоведущих частей, к которым подключены искробезопасные и искроопасные, а также искробезопасные цепи, не связанные между собой. Пути утечки и электрические зазоры между заземленными и токоведущими частями разъема, к которым подключены искроопасные цепи, в этом случае настоящим стандартом не регламентируются, между остальными цепями должны удовлетворять требованиям табл. 5.

1.11.3. Места присоединения монтажных проводов к разъемам по пп. 1.11.1-1.11.2 должны защищаться плотно натянутыми или посаженными на клее изоляционными трубками. Пример посадки на клей изоляционной трубки указан на черт. 3.

1.11.4. В штепсельных разъемах, у которых пути утечки и электрические зазоры не удовлетворяют требованиям табл. 5, могут размещаться только искробезопасные цепи. При этом места присоединения проводов искробезопасных не связанных между собой цепей должны заливаться изоляционным затвердевающим компаундом или защищаться изоляционными трубками, посаженными на клей (черт. 3). Толщину заливки компаундом необходимо выбирать по табл. 5 (графа «Толщина слоя изоляционного компаунда»).

1.12. Требования к штепсельным разъемам, монтаж которых производится в условиях эксплуатации

1.12.1. Штепсельные разъемы, предназначенные для подключения внешних искробезопасных цепей, должны отличаться от других штепсельных разъемов и быть невзаимозаменяемыми с ними.

1.12.2. В штепсельных разъемах, предназначенных для подключения внешних искробезопасных, не связанных между собой цепей, пути утечки и электрические зазоры между токоведущими частями, к которым подключены разные цепи, должны удовлетворять требованиям табл. 5.

Места присоединения проводов должны быть защищены изоляционными трубками, как это указано в п. 1.11.3.

1.12.3. Для подключения внешних искробезопасных и искроопасных цепей, в том числе и сетевых, должны применяться штепсельные разъемы, в которых пути утечки и электрические зазоры между токоведущими частями (штифтами или гнездами) удовлетворяют требованиям табл. 5, а электрические зазоры между зажимами для присоединения кабелей или проводов указанных цепей, а также между неизолированными участками присоединительных проводов должны составлять не менее 50 мм. Если эти зажимы разделены изоляционной или заземленной металлической перегородкой, то кратчайшее расстояние между неизолированными соединительными проводами, с учетом высоты перегородки, должно составлять не менее 50 мм.

Электрические зазоры между зажимами для присоединения искробезопасной цепи и заземленными частями должны удовлетворять требованиям табл. 5.

Примечание. Перегородка должна доходить до изоляционной колодки штепсельного разъема, на которой установлены зажимы для присоединения проводов. Допускается зазор между перегородкой и колодкой, определяемый шероховатостью поверхности.

1.12.4. Конструкция штепсельных разъемов по пп. 1.11 и 1.12 должна исключать возможность неправильного соединения. Для этой цели могут применяться направляющие штифты.

1.12.5. Внешние разъемы должны снабжаться устройством для пломбирования или закрываться специальным инструментом.

1.13. Требования к зажимам вводных устройств

1.13.1. Зажимы для присоединения внешних искробезопасных и искроопасных цепей должны располагаться в разных вводных устройствах. Допускается размещение таких зажимов в одном вводном устройстве, если напряжение искроопасной (силовой) цепи не превышает 1200 В для электрооборудования группы I и 1000 В для электрооборудования группы II. При этом зажимы искробезопасных и искроопасных цепей должны быть разделены изоляционной либо заземленной металлической перегородкой, удовлетворяющей требованиям п. 1.2.4, либо электрические зазоры между зажимами и неизолированными частями присоединяемых проводов должны составлять не менее 50 мм.

1.13.2. Электрические зазоры между зажимами искробезопасной цепи, которая по условиям работы не должна заземляться, и заземленными частями вводного устройства должны удовлетворять требованиям табл. 5.

1.13.3. Зажимы для присоединения внешних искробезопасных цепей должны закрываться крышкой, запираемой специальным инструментом, или опломбироваться. Это требование не относится к электрооборудованию, устанавливаемому в оболочках или шкафах, снабженных специальными зажимами, или опломбированных.

1.13.4. Винтовые (болтовые) зажимы должны быть предохранены от самоотвинчивания. Кабели и провода должны быть предохранены от выдергивания.

1.14. Требования к оболочкам

1.14.1. Наружные оболочки должны обеспечивать защиту внутренних элементов электрооборудования, устанавливаемого во взрывоопасной зоне, со степенью защиты по ГОСТ 14254-80 в соответствии с условиями эксплуатации.

(Измененная редакция, Изм. № 1).

1.14.2. (Исключен, Изм. № 2).

1.14.3. Крышки оболочек, защищенные от проворачивания, должны иметь не менее одного запорного устройства; крышки, не защищенные от проворачивания, должны иметь не менее двух запорных устройств. Допускается крышки оболочек пломбировать без применения запорных устройств.

(Измененная редакция, Изм. № 2).

1.15. Требования к внешним искробезопасным цепям

1.15.1. Внешние искробезопасные и искроопасные цепи должны прокладываться раздельными кабелями или проводами.

1.15.2. Для электрооборудования группы I допускается совмещение искроопасных и искробезопасных цепей в шахтном гибком экранированном кабеле при условии автоматического контроля состояния изоляции между силовыми и заземленной жилами и экраном (токопроводящей резиной).

(Измененная редакция, Изм. № 1).

1.15.3. Допускается совмещение в одном кабеле разных искробезопасных цепей, гальванически не связанных между собой.

1.16. 1.16.1, 1.16.2. (Исключены, Изм. № 2).

1.17. Требования к маркировке

1.17.1. Маркировка электрооборудования, устанавливаемого во взрывоопасных условиях, в дополнение к ГОСТ 12.2.020-76, должна содержать обозначения уровня искробезопасной цепи согласно п. 1.1.1 и надпись «В комплекте ... (указывается сокращенное наименование комплекта электрооборудования или системы)».

Примечания:

1. На электрооборудовании, входящем в комплект нескольких электротехнических устройств, в надписи «В комплекте...» может указываться сокращенное наименование одного устройства. Об остальных устройствах указывается в стандартах или технических условиях на электрооборудование

2. На малогабаритном (миниатюрном) электрооборудовании надпись «В комплекте ...» может не ставиться.

Примеры маркировок

Электрооборудование группы I         Электрооборудование группы II

РО Иа В комплекте …                        OExiaIICT6 В комплекте …

РВ Ib, Иа, Иb В комплекте …             IExibIIT6 В комплекте ...

1.17.2. В электрооборудовании группы II, рассчитанном для применения в индивидуальном горючем газе или паре, вместо обозначения подгруппы и температурного класса по ГОСТ 12.2 020-75 указывается наименование этого газа или пара.

Пример: OExia аммиак В комплекте ...

1.17.3. В электрооборудовании группы II, предназначенном для установки вне взрывоопасной зоны и имеющем искробезопасные цепи, в маркировке по ГОСТ 12.2.020-76 должны быть исключены знаки уровня взрывозащиты и температурного класса.

Пример маркировки ExiaIIC или ExibIIA В комплекте ...

1.17.1, 1.17.2, 1.17.3. (Измененная редакция, Изм. № 2).

1.17.4. Электрооборудование общего назначения, не имеющее искробезопасных цепей, но входящее в комплект системы электрооборудования группы II, как правило, должно снабжаться табличкой с надписью «В комплекте _______________________

(указывается сокращенное

_____________________________

наименование комплекта)

1.17.5. Электрооборудование должно снабжаться достаточным количеством поясняющих надписей и указаний, упрощающих эксплуатацию такого оборудования.

1.17.6. Таблички должны удовлетворять требованиям ГОСТ 18620-86.

1.17.7. В электрооборудовании, содержащем как искробезопасные, так и искроопасные цепи, табличка с надписью «искробезопасные цепи» должна устанавливаться:

около штепсельных разъемов, на крышках зажимов или около зажимов, предназначенных для присоединения внешних искробезопасных цепей;

на крышках, коробках или кожухах, закрывающих элементы искробезопасных цепей, внутри электрооборудования;

на корпусе или крышке вводного устройства электрооборудования, объединенного в систему при помощи искробезопасных цепей.

(Измененная редакция, Изм. № 1).

1.17.8. На паспортной или отдельной табличке должны указываться:

а) максимально допустимое значение емкости Сдоп = …), индуктивности (Lдоп = ...) и сопротивления (Rдоп = ...) во внешней искробезопасной цепи, включая емкость и индуктивность присоединительных кабелей или проводов. Вместо емкости и индуктивности допускается указывать тип и максимальную длину внешних соединительных кабелей или проводов;

б) допустимый ток короткого замыкания (Iвнеш = ...) и напряжение холостого хода (Uвнеш = ...) на внешних зажимах искробезопасной цепи, если это необходимо для контроля в процессе эксплуатации электрооборудования.

Для малогабаритного электрооборудования указанные в настоящем пункте сведения допускается помещать только в эксплуатационной документации*.

____________

* Дополнительные требования к технической документации электрооборудования приведены в справочном приложении 8.

1.17.9. На каждом отдельно устанавливаемом электрооборудовании (внутри или снаружи) должна устанавливаться табличка с блок-схемой электрооборудования, на которой обозначены присоединительные зажимы.

2. МЕТОДЫ ИСПЫТАНИЯ

2.1. Электрооборудование должно подвергаться испытаниям на взрывозащищенность согласно ГОСТ 12.2.021-76 в испытательной организации.

2.2. Испытания электрооборудования на соответствие требованиям настоящего стандарта проводят по программе, указанной в табл. 11.

Таблица 11

Вид испытаний и проверок

Технические требования

Методы испытай

1. Осмотр, проверка соответствия чертежам и электрическим схемам

По пп. 1.1.10-1.1.12, 1.2-1.5, 1.6.2, 1.7-1.15, 1.17

По п. 2.4

2. Измерения параметров электрических цепей искрозащитных элементов и элементов, влияющих на искробезопасность цепи

По пп. 1.1.2, 1.1.4, 1.4.6, 1.5.7, 1.5.9- 1.5.12, 1.5.16, 1.5.19, 1.5.23, 1.6.2.5

По п. 2.5

3, Испытание электрической прочности изоляции

По пп. 1.2.6, 1.8.12

По ГОСТ 2933-83

4. Испытание оболочки на прочность

По п. 1.5.6

По ГОСТ 22782.2-77

5. Испытание трансформаторов на устойчивость к коротким замыканиям

По п. 1.8.8

По п. 2.6

6. Испытания на нагрев элементов и соединений

По п. 1.1.9

По п. 2.7

7. Испытания цепей на искробезопасность

По пп. 1.1.2

По п. 2.8

2.3. Испытания и проверки по пп. 2, 3, 4, 5 и 6 табл. 11 проводят на предприятии-изготовителе электрооборудования. В испытательную организацию представляют протокол проведенных испытаний.

2.4. Соответствие электрооборудования требованиям пп. 1.1.10-1.1.12, 1.2-1.5, 1.6.2, 1.7-1.15, 1.17 проверяют осмотром с использованием стандартного мерительного инструмента, обеспечивающего измерение линейных размеров с точностью, указанной в чертежах на электрооборудование, и проверкой на соответствие чертежам, электрическим схемам и эксплуатационной документации. Примерная форма протокола проведенных осмотров приведена в справочном приложении 9.

2.5. Измерение электрических параметров

2.5.1. Измерение электрических параметров проводят в искробезопасных цепях, а также в цепях, влияющих на искробезопасность в нормальных и аварийных режимах работы электрооборудования, как это указано в п. 1.1.2

 настоящего стандарта.

2.5.2. При искусственных повреждениях элементов, не удовлетворяющих требованиям настоящего стандарта, проверяют соответствие нагрузок на искрозащитных элементах (тока, напряжения или мощности) или элементах, которые могут служить в качестве искрозащитных, требованиям пп. 1.1.4, 1.4.6, 1.5.7, 1.5.9- 1.5.12, 1.5.16, 1.5.19, 1.5.23, 1.6.2.5. Измерения проводят стандартными методами, принятыми для конкретных видов элементов.

2.5.3. Измерение электрических параметров цепей и элементов, если это не оговаривается особо в стандартах или технических условиях на конкретные виды электрооборудования, проводят электроизмерительными приборами класса точности не ниже 2,5.

(Измененная редакция, Изм. № 2).

2.6. Испытание трансформаторов на устойчивость к коротким замыканиям

2.6.1. Соответствие условно-стойкого к короткому замыканию трансформатора, т. е. снабженного токовой защитой в первичной обмотке, требованиям п. 1.8.8 проверяют следующим образом. Вторичную обмотку закорачивают. Если в трансформаторе несколько вторичных обмоток, закорачивают поочередно каждую обмотку, а остальные обмотки нагружают номинальным током. К первичной обмотке прикладывают номинальное напряжение (с учетом допустимых по техническим условиям на электрооборудование повышений напряжения). При этом превышение температуры за время срабатывания токовой защиты (предохранителя) не должно превышать значений, указанных в табл. 9. Определение температуры обмоток производят по ГОСТ 3484.1-88 непосредственно после срабатывания токовой защиты.

Допускается повышение температуры нагрева обмоток у трансформаторов конструкции второго типа по п. 1.8.5.2а, если искробезопасная цепь по условиям работы должна заземляться. Если обмотки трансформатора снабжены токоограничительными резисторами, исключающими возможность закорачивания обмоток без них, испытания проводят с учетом резисторов.

2.6.2. Соответствие стойкого к короткому замыканию трансформатора требованиям п. 1.8.8 проверяют следующим образом.

Вторичные обмотки закорачивают и нагружают номинальным током, как указано в п. 2.6.1. Токовую защиту закорачивают. К первичной обмотке прикладывают номинальное напряжение, как и в п. 2.6.1. При этом превышение температур не должно быть больше значений, указанных в табл. 9, в течение 6 ч или за время выхода из строя (обрыва или короткого замыкания) первичной или закороченной вторичной обмоток. В процессе испытаний трансформатор не должен воспламеняться, но допускается замыкание первичной или вторичной обмоток с сердечником. После испытания изоляции между первичной и вторичной обмоткой, питающей искробезопасную цепь, должна выдерживать испытательное напряжение, действующее значение которого должно быть не менее двойного номинального напряжения первичной обмотки плюс 1000 В, для трансформаторов с усиленной изоляцией (см. п. 1.8.5.2) не менее 2500 В.

Если в конструкции токовой защиты приняты дополнительные конструктивные меры, снижающие вероятность изменения неконтролируемым образом установки токовой защиты, стойкость к короткому замыканию проверяют с учетом времени срабатывания токовой защиты, как указано в п. 2.6.1.

(Измененная редакция, Изм. № 1).

2.6.3. Испытания по пп. 2.6.1 и 2.6.2 проводят непосредственно после испытаний трансформатора на нагрев при номинальных условиях работы по ГОСТ 3484.2-88.

2.7. Испытания на нагрев элементов и соединений

2.7.1. Соответствие электрооборудования требованиям п. 1.1.9 проверяют согласно ГОСТ 22782.0-81.

(Измененная редакция, Изм. № 1).

2.7.2 Провода и соединения, удовлетворяющие требованиям пп. 1.3.4 и 1.4.6, на нагрев не проверяют.

2.8. Испытания цепей на искробезопасность

2.8.1. Соответствие электрооборудования требованиям п. 1.1.9 проверяют с помощью искрообразующего механизма, помещенного во взрывную камеру, заполняемую контрольной смесью горючих газов или паров. Составы контрольных смесей выбирают в соответствии с указаниями пп. 2.8.2.1 и 2.8.9.

2.8.2. Искрообразующий механизм включают в разрыв испытуемой электрической цепи. В зависимости от электрических параметров цепи используют унифицированный искрообразующий механизм (I типа), описанный в приложении 2, или дополнительные искрообразующие механизмы (II или III типа), описанные в приложении 6.

2.8.2.1. Настройку и проверку правильности работы искрообразующего механизма осуществляют посредством включения его в контрольную электрическую цепь постоянного тока через каждые 4000 замыканий и размыканий испытуемой цепи. Электрические схемы контрольных цепей приведены на черт. 1 приложения 3. Параметры контрольных цепей выбирают с точностью ± 30 % от значений, указанных в табл. 12, в зависимости от характера испытуемой электрической цепи. Искрообразующий механизм считается настроенным правильно, если происходит воспламенение контрольной смеси не более чем за 400 оборотов держателя вольфрамовых проволочек искрообразующего механизма I типа (при этом держатель подключается к положительному полюсу источника питания контрольной цепи) или с вероятностью не менее 0,05 для искрообразующих механизмов II и III типов:

Таблица 12

Группа, подгруппа электрооборудования

Контрольная смесь (концентрация горючего газа или пара), % объемные

Ток контрольной цепи при напряжении 24 В, А

Емкость контрольной цепи при напряжении 70 В***, мкф

индуктивной*

омической**

I

Метано-воздушная смесь (8,3 ± 0,3)

0,11

1,5

6,0

IIА

Пентано-воздушная смесь (3,12 ± 0,3) или пропано-воздушная смесь (5,3 ± 0,3)

0,1

1,0

3,0

IIВ

Этилено-воздушная смесь (7,3 ± 0,5)

0,065

0,7

1,0

IIC

Водородо-воздушная смесь (21 ± 2)

0,03

0,3

0,3

_________

* Индуктивность 95-100 мГ.

** Индуктивность не более 10 мкГ.

*** Ток заряда не более 2 мА.

Примечание. Давление контрольной смеси газа с воздухом во взрывной камере должно быть 0,1 МПа (760 ± 20 мм рт.ст.) при температуре 20¸30 °С.

При заполнении взрывной камеры паровоздушной смесью, камера должна нагреваться до температуры, необходимой для интенсивного испарения жидкости (обычно 40¸60 °С).

(Измененная редакция, Изм. № 1).

2.8.3. При испытании электрических цепей, питающихся от трансформаторов на первичную обмотку подают напряжение, равное максимальному напряжению питающей сети, указанному в стандартах или технических условиях на электрооборудование.

2.8.4. При испытании цепей, питающихся от химических источников тока, напряжение питания используемой цепи повышается до максимальной Э Д С источника.

2.8.5. При испытании в нормальном и аварийных режимах работы электрооборудования в омической и индуктивной цепях в 1,5 раза должен быть увеличен ток, в емкостной цепи в 1,5 раза должно быть увеличено напряжение по сравнению с измеренными значениями по п. 2.5 с учетом пп. 2.8.3, 2.8.4. Испытания в этом случае проводят в контрольных смесях, указанных в табл. 12.

2.8.6. Аварийные режимы цепи при испытаниях создают искусственно путем закорачивания или отключения элементов или узлов электрооборудования, не удовлетворяющих требованиям настоящего стандарта.

В каждом аварийном режиме суммарное количество повреждений элементов и соединений в испытуемой цепи, а также в цепях (в том числе и искроопасных), влияющих на искробезопасность испытуемой, определяют по табл. 2.

2.8.7. Для сложных реактивных цепей, испытуемых в контрольных смесях по табл. 12, вначале в 1,5 раза увеличивается действующий в цепи ток, определяется его минимальное воспламеняющее значение и соответствующая ему индуктивность. Затем в 1,5 раза увеличивается действующее напряжение, а ток в цепи устанавливается равным искробезопасному значению для найденной индуктивности и увеличенного напряжения.

2.8.8. Испытания цепей переменного тока с частотой 10-150 кГц проводят в соответствии с методикой, изложенной в разд. 6 приложения 3.

2.8.9. Допускается проводить испытания цепей в смесях, активность которых не менее чем в 1,5 раза выше контрольных, указанных в табл. 12.

Составы активизированных контрольных смесей приведены в табл. 13 и приложении 7. При настройке искрообразующего механизма токи или напряжения для контрольных цепей в этом случае должны быть уменьшены в 1,5 раза по сравнению со значениями, указанными в табл. 12.

2.8.10. При использовании искрообразующих механизмов II и III типов коэффициент искробезопасности принимают равным 2,0. Соответствующие активизированные контрольные смеси принимают по табл. 13.

2.8.11. Испытания сложных электрических систем проводят на моделях, если система не допускает повышения тока или напряжения в цепи.

Моделирование электрической цепи считается выполненным правильно, если частота, индуктивность и емкость, а также способ сборки магнитопровода воспроизведены полностью, а все активные сопротивления выполнены регулируемыми. Если диапазон регулировки тока или напряжения источника в испытуемой цепи недостаточен, источник заменяется другим, с меньшим внутренним сопротивлением, с большей Э Д С, при условии сохранения всех других параметров источника.

Таблица 13

Группа, подгруппа электрооборудования

Испытуемая электрическая цепь

Состав активизированной смеси, % объемные

кислородно-водородно-воздушной

кислородно-водородной

Водород

Воздух

Кислород

Водород

Кислород

I

Омическая и индуктивная

47

35

53

65

-

85

81

15

19

Емкостная

60

50

40

50

-

87,5

86

12,5

14

IIА

Омическая и индуктивная

44

20

56

80

-

81

70

19

30

Емкостная

50

50

50

50

-

85

83

15

17

IIВ

Омическая и индуктивная

35

65

-

75

60

25

40

Емкостная

44

56

-

80

77

20

23

IIС

Омическая и индуктивная

30

30

53

40

17

30

60

50

40

50

Емкостная

30

30

59

57,5

11

12,5

70

60

30

40

Примечания:

1. В знаменателе указаны составы смесей для искрообразующих механизмов II и III типов.

2. Для получения необходимого качества настройки искрообразующего механизма составы смесей могут изменяться в пределах ± 2 %.

(Измененная редакция, Изм. № 1).

2.8.12. При проведении испытаний электрооборудования в нормальных режимах работы дополнительно коммутируют следующие цепи:

а) первичную обмотку трансформатора, питающего искробезопасные цепи;

б) первичную обмотку разделительного трансформатора;

в) первичную (вторичную) обмотку выходного трансформатора усилителя, генератора, преобразователя;

г) цепи питания выходного каскада усилителя, генератора, преобразователя, содержащие трансформаторы.

(Измененная редакция, Изм. № 1).

2.8.13. Коммутацию производят специальным устройством. Частота коммутации подбирается экспериментально по наибольшей вероятности воспламенения взрывоопасной смеси от испытуемой цепи.

2.8.14. В электрооборудовании с уровнем взрывозащиты РП (Ис), 2 (ic) дополнительную коммутацию в нормальном режиме проводят только при наличии в искробезопасных цепях нормально искрящих контактов.

2.8.15. Элементы электрооборудования, в том числе и неудовлетворяющие требованиям настоящего стандарта, при испытаниях по п. 2.8.12 не повреждаются.

2.8.16. При испытании цепи заземления искрообразующий механизм включают между общей точкой заземления электрооборудования и общим заземляющим контуром испытательной установки. При этом все части электрооборудования надежно изолируются от земли.

2.8.17. В испытуемую цепь включают допустимые индуктивность и емкость внешней искробезопасной цепи, внешние присоединительные кабели (провода) максимально допустимой длины или их эквиваленты.

2.8.18. В каждом испытательном режиме проводят не менее 16000 замыканий и размыканий цепи. Цепь считают искробезопасной, если после 16000 замыканий и размыканий не получено ни одного воспламенения контрольной смеси либо вероятность воспламенения не превышает 10-3.

При испытаниях цепей постоянного (выпрямленного) тока полярность источника питания на контактах искрообразующего механизма должна изменяться через каждые 8000 размыканий и замыканий цепи.

Примерная форма протокола испытаний приведена в приложении 10.

(Измененная редакция, Изм. № 1).

2.8.19. Допускается производить оценку искробезопасности цепей по характеристикам искробезопасности, приведенным в справочном приложении 3 без испытаний во взрывной камере. Действующие в цепях токи и напряжения в этом случае уменьшают на 30 % по сравнению с их искробезопасными значениями, полученными по характеристикам.

2.8.20. В соответствии с конструкцией и назначением электрооборудования испытательная организация может производить по отдельным методикам и другие необходимые виды испытаний.

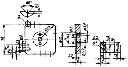
Пример выполнения искрозащитного блока на диодах с проволочными выводами

а - электрическая схема; б - навесной монтаж; в - печатный монтаж; V - шунтирующий диод; R - ограничительный резистор; е-е - к искробезопасной цепи (шунтирующему элементу); 1 - панель; 2 - провод; 3 - печатный проводник

Черт. 1

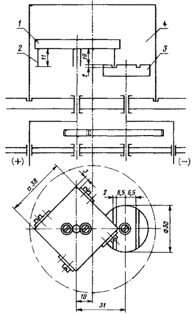
Пример выполнения искрозащитного тиристорного блока

а - электрическая схема; б - навесной монтаж; в - печатный монтаж; V - шунтирующий диод; R - ограничительный резистор; е-е- к искробезопасной цепи (шунтирующему элементу); 1 – панель; 2 – провод; 3 – лепесток; 4 - печатный проводник

Черт. 2

Пример посадки на клей изоляционной трубки

1 - место присоединения провода; 2 - изоляция провода; 3 - изоляционная трубка; 4 - места заполнения изоляционным клеем; 5 - основание штепсельного разъема

Черт. 3

ПРИЛОЖЕНИЕ 1
Обязательное

БЛОК ИСКРОЗАЩИТЫ НА СТАБИЛИТРОНАХ

1. Блок искрозащиты на стабилитронах (БИС) представляет собой узел законченной конструкции, удовлетворяющей требованиям настоящего стандарта. Он служит в качестве разделительного элемента между искробезопасными и искроопасными цепями. БИС состоит из шунтирующих стабилитронов и последовательно включенных резисторов или резисторов и предохранителей (черт. 1). Все элементы БИС должны представлять собой единый неразборный блок, залитый компаундом, устойчивым в условиях эксплуатации.

2. На переменном токе применяется схема БИС со встречно включенными стабилитронами (черт. 1б).

3. В частном случае в БИС может отсутствовать балластный резистор R2 (черт. 1в).

4. Мощность, рассеиваемая резистором R1, определяется исходя из режима с закороченными стабилитронами. Мощность, рассеиваемая резистором R2, определяется по формуле

,

где U - напряжение на стабилитроне V1, В.

(Измененная редакция, Изм. № 1).

5. Цепь БИС, не содержащая предохранителя или резистора, должна заземляться.

6. Допускается не заземлять цепь блока искрозащиты при условии, что пути утечки и электрические зазоры между связанными с ним искроопасными цепями и землей не ниже значений, указанных в табл. 6 настоящего стандарта.

7. Искробезопасность электрических цепей с уровнем взрывозащиты ib, ic обеспечивается БИС (черт. 1а, б, в), имеющими гальваническую связь точек 1, 2 с сетевыми трансформаторами общего назначения, удовлетворяющими условиям эксплуатации.

8. Искробезопасность электрических цепей с уровнем взрывозащиты ia обеспечивается БИС (черт. 1г, д), устанавливаемыми вне взрывоопасных помещений, имеющими связь точек 1, 2 с сетевыми трансформаторами общего назначения, конструкция и электрические параметры которых удовлетворяют условиям эксплуатации.

9. Устройство для присоединения БИС (по п. 8) к заземлению должно дублироваться и, совместно с заземляющим проводом, рассчитываться на 10-кратный номинальный ток предохранителей, установленных в БИС. Они должны выдерживать механические нагрузки, возможные в условиях эксплуатации.

10. В БИС (черт. 1д) напряжение срабатывания стабилитронов V1, V2 должно быть выше, чем стабилитронов V3, V4, а мощность, рассеиваемая резисторами R1, R3, рассчитывается по формуле

,

где DU2 - разность напряжений срабатывания стабилитронов V1, V2 и V3, V4, В;

R - сопротивление резисторов R1, R3, Ом.

(Измененная редакция, Изм. № 1).

11. BИC по п. 7 и п. 8 должны быть рассчитаны на попадание в точки 1, 2 напряжения сети. Расчетная оценка искробезопасности выходных цепей БИС приведена в справочном приложении 5.

Принципиальные электрические схемы блоков искрозащиты на стабилитронах

а - схема блока с балластным резистором; б - схема блока с балластным резистором для переменного тока; в - схема блока без балластного резистора; г - схема блока для переменного тока с балластными резисторами и заземленной средней точкой стабилитронов; д - схема блока для переменного тока с балластными резисторами с дублированием стабилитронов и заземленной их средней точкой; 1-2 к искроопасной цепи; 3-4 к искробезопасной цепи; V1, V2, V3, V4 - шунтирующие стабилитроны; F1, F2 предохранители; R1, R3 - ограничительные резисторы; R2, R4 - балластные резисторы

Черт. 1

ПРИЛОЖЕНИЕ 2
Обязательное

УНИФИЦИРОВАННЫЙ ИСКРООБРАЗУЮЩИЙ МЕХАНИЗМ

Кинематическая схема и конструкция элементов унифицированного искрообразующего механизма (I тип) показаны на черт 1, 2 и 3.

Искрообразующий механизм состоит из кадмиевого диска с двумя пазами, используемого в качестве первого электрода. В качестве второго электрода применяется 4 вольфрамовых проволоки диаметром 0,2 мм, закрепленные в держателе проволок. Длина проволок вне держателя составляет 11 мм. Расстояние кадмиевого диска от держателя проволок составляет 10 мм. Диск для крепления подвижных контактов должен иметь номинальное число оборотов 80 об/мин. Кадмиевый диск вращается в обратном направлении через зубчатую передачу в соотношении 50 : 12.

Собственная емкость испытательной аппаратуры, измеренная на клеммах контактного устройства при разомкнутых контактах, не должна превышать 30 пф, а индуктивность при замкнутых контактах должна быть не более 3 мкГ.

Унифицированный искрообразующий механизм предназначен для испытания омических, индуктивных и емкостных цепей со следующими предельными параметрами (при номинальной частоте вращения):

ток через контакты - 2А;

индуктивность - 1 Г;

напряжение- 1000 В.

Расширение диапазона индуктивностей свыше 1 Г возможно путем уменьшения частоты вращения до 1/3 установленного значения. При этом необходимо следить за тем, чтобы ток во время замкнутого состояния контактов принимал установившееся значение. В случае применения искрообразующих механизмов в емкостных цепях, следует обращать внимание на то, чтобы за промежуток между двумя искрениями происходила полная зарядка емкости. Частота искрений может быть уменьшена путем снятия двух проволок или уменьшения частоты вращения.

При учете количества искрений необходимо считать, что за один поворот держателя вольфрамовых проволочек образуется следующее количество искрений (при частоте вращения 80 об/мин), указанных в табл. 1.

Таблица 1

Вид цепей

Группы и подгруппы взрывозащищенного электрооборудования по ГОСТ 12.2.020-76

Диапазон параметров цепей

Количество искрений за один оборот держателя проволочек

Индуктивные

I, IIА

От 10-4 до 1 Г

8

 

» 7,5 » 140 В

 

 

» 1 » 5 Г

6-7

IIB, IIС

» 7,5 » 30 В

 

 

» 10-4 » 10 Г

8

 

» 10 » 140 В

 

Омические

I, IIA, IIB, IIС

L £ 10-4 Г

8

Емкостные (Iзар £ 2мА)

I, IIA, IIB, IIС

От 10-6 до 10-1 мкФ

» 10-6 » 1 мкФ

4

Концы вольфрамовых проволок для исключения расщепления предварительно оплавляются. Перед установкой проволок в держатель шарики, образовавшиеся в результате оплавления, удаляют с помощью пинцета.

Для подготовки вольфрамовых проволок может быть использовано следующее автоматическое устройство. На валу электродвигателя, частота вращения которого до 9 об/мин, установлен специальный барабан с пружинными захватами, которые захватывают проволоку и плотно наматывают ее на секторные контакты, установленные на барабане. При этом через проволоку на участке 2-3 мм протекает электрический ток, величиной около 25 А при напряжении 72 В, который расплавляет проволоку. Для подвода тока к вольфрамовой проволоке служат специальные подвижные контакты, которые прижимают ее к секторным контактам. За один оборот барабана образуется 12 проволок длиной 15-20 мм с шариками на концах. Для удаления проволок из захватов в устройстве предусмотрен клиновидный выступ, который входит в зажим, раздвигает пластинчатые пружины и проволока выпадает.

Кинематическая схема унифицированного искрообразующего механизма

1 - диск для крепления подвижных контактов; 2 - вольфрамовая проволочка 3 - кадмиевый диск; 4 - взрывная камера

Черт. 1

Кадмиевый диск

Черт. 2

Диск для крепления подвижных контактов

Черт. 3

ПРИЛОЖЕНИЕ 3
Справочное

МЕТОДИКА ОПРЕДЕЛЕНИЯ ВОСПЛАМЕНЯЮЩИХ ТОКА И НАПРЯЖЕНИЯ ПОСТРОЕНИЯ ХАРАКТЕРИСТИК ИСКРОБЕЗОПАСНОСТИ

Определение воспламеняющего тока (для омической или индуктивной цепи) или воспламеняющего напряжения (для емкостной цепи) производится с помощью установок для проведения контрольных испытаний электрических цепей на искробезопасность, указанных в разд. 2 настоящего стандарта.

1. Определение воспламеняющего тока

1.1. В исследуемой цепи постоянного или переменного тока при заданном постоянном напряжении (для омической цепи) или при постоянном напряжении и индуктивности (для индуктивной цепи) определяется ток, вызывающий воспламенение смеси с вероятностью (2¸5) 10-1 (1-я точка); 10-2¸10-1 (2-я точка) и 10-3¸10-2 (3-я точка).

1.2. По полученным 3 экспериментальным точкам в прямоугольной системе координат с равным логарифмическим масштабом по оси абсцисс и ординат строится зависимость P = f (I). По оси ординат откладывается полученная вероятность воспламенения, а по оси абсцисс - соответствующий ей ток. В случае, когда по 3 точкам построение прямой линии затруднено, в промежутке между имеющимися находят еще несколько точек (1-2 шт.) тем же способом.

1.3. Прямую линию зависимости Р = f(I) продолжают до пересечения с осью абсцисс при вероятности 10-3. Ток, соответствующий точке пересечения, принимается в качестве воспламеняющего.

1.4. Для расчета вероятности воспламенения в каждой экспериментальной точке должно быть получено не менее 16-20 воспламенений смеси. Вероятность воспламенения определяется по формуле

,                                                                        (1)

где m - количество воспламенений смеси;

п - общее количество произведенных искрений.

2. Определение воспламеняющего напряжения

2.1. В исследуемой цепи постоянного или переменного тока при заданном постоянном значении емкости и постоянном сопротивлении разрядного резистора устанавливаются такие напряжения, которые вызывают воспламенение смеси с вероятностями (2¸5)×10-1; 10-2¸10-1 и 10-3¸10-2, аналогично тому, как это указано в пп. 1.1-1.3 настоящего приложения.

2.2. По полученным данным строится зависимость P = f(U) аналогично п. 1.2 настоящего приложения. Но при этом по оси абсцисс откладываются напряжения.

2.3. Точка пересечения полученной прямой линии с осью абсцисс при вероятности 10-3 принимается за воспламеняющее напряжение. Расчет вероятностей производится аналогично п. 1.4.

2.4. При определении воспламеняющих напряжений без отключения емкости от источника заряда, ток в зарядной цепи должен быть не более 2 мА. При определении воспламеняющего напряжения с отключением емкости от источника заряда, необходимо следить за тем, чтобы подключение заряженной емкости происходило в момент разомкнутого состояния контактов искрообразующего механизма.

2.5. Графики получаемых зависимостей P = f(I) или P = f(U), а также электрические схемы, используемые для их получения, показаны на черт. 1.

Угол наклона прямой P = f (I) или P = f (U) к оси абсцисс вычисляется по формуле

,                                                       (2)

где P2, P1 - полученные вероятности воспламенения;

I2, I1 - соответствующие им токи (напряжения) поджигания.

3. Упрощенный метод определения воспламеняющих параметров

3.1. Если характер исследуемой цепи известен, а также известен угол наклона (tgj) для данного искрообразующего механизма и аналогичной цепи, определение воспламеняющих параметров (тока или напряжения) может быть произведено по одной экспериментальной точке. Производится это следующим образом.

Таблица 1

Угол наклона вероятностной кривой

Пересчетный коэффициент К при Р = А×10-3, для А*, равного

1,5

2

3

4

5

6

7

8

9

77°

0,91

0,85

0,784

0,728

0,69

0,66

0,626

0,608

0,605

77°30¢

0,914

0,857

0,785

0,725

0,698

0,67

0,628

0,619

0,61

78°

0,916

0,862

0,788

0,736

0,698

0,68

0,656

0,636

0,625

78°30¢

0,918

0,87

0,8

0,759

0,72

0,69

0,672

0,654

0,64

79°

0,924

0,874

0,806

0,774

0,731

0,698

0,684

0,669

0,663

79°30¢

0,927

0,88

0,815

0,779

0,74

0,71

0,695

0,68

0,67

80°

0,93

0,89

0,885

0,824

0,784

0,752

0,709

0,69

0,678

80°30¢

0,932

0,89

0,832

0,804

0,763

0,735

0,721

0,705

0,681

81°

0,934

0,895

0,841

0,824

0,774

0,749

0,733

0,72

0,705

81°30¢

0,939

0,901

0,85

0,824

0,784

0,761

0,744

0,73

0,72

82°

0,944

0,908

0,859

0,824

0,799

0,774

0,76

0,74

0,735

82°30¢

0,947

0,913

0,865

0,834

0,798

0,784

0,757

0,745

0,74

83°

0,951

0,918

0,872

0,845

0,798

0,785

0,758

0,75

0,745

83°30¢

0,953

0,923

0,881

0,858

0,82

0,804

0,786

0,773

0,767

84°

0,956

0928

0,89

0,862

0,842

0,824

0,814

0,796

0,79

84°30¢

0,959

0,933

0,90

0,874

0,856

0,837

0,827

0,813

0,807

85°

0,962

0,938

0,91

0,880

0,87

0,85

0,84

0,83

0,824

85°30¢

0,966

0,94

0,918

0,897

0,88

0,864

0,85

0,846

0,839

86°

0,97

0,95

0,926

0,908

0,89

0,879

0,87

0,862

0,854

86°30¢

0,975

0,957

0,934

0,919

0,9

0,893

0,888

0,874

0,872

87°

0,98

0,964

0,942

0,930

0,91

0,908

0,900

0,896

0,89

87°30

0,982

0,967

0,951

0,94

0,927

0,921

0,918

0,912

0,906

88°

0,984

0,972

0,96

0,95

0,944

0,935

0,93

0,928

0,922

__________

* Значащая цифра в обозначении полученной вероятности.

3.2. В исследуемой цепи устанавливается такой ток (I) (для омической или индуктивной цепи) или напряжение (U) (для емкостной цепи), которые вызывают воспламенение с вероятностью (1,5¸9) 10-3.

3.3. По табл. 1 находится пересчетный коэффициент К для соответствующего угла наклона вероятностей кривой (j) и полученного значения вероятности воспламенения.

Воспламеняющий параметр определяется по формуле:

Iв = KI;

Uв = KU,                                                                (3)

где Iв, Uв - воспламеняющие токи или напряжения, соответствующие вероятности 10-3;

I, U - токи или напряжения по п. 4.2.

Пример. В результате эксперимента было установлено, что в исследуемой электрической цепи при токе (I), равном 100 мА, получается вероятность воспламенения P = 4×10-3. Предыдущими экспериментами установлено, что используемый искрообразующий механизм для аналогичной цепи дает угол наклона вероятностей кривой, равный 85°30¢. (j = 85°30¢). По таблице для этого угла находим К = 0,897. Отсюда воспламеняющий ток, соответствующий вероятности 10-3, равен

Iв = 0,897×100 = 89,7 » 90 мА

(Измененная редакция, Изм. № 1).

4. Характеристики искробезопасности

4.1. Характеристики искробезопасности строятся в прямоугольной системе координат с логарифмическим масштабом. Экспериментальные точки (воспламеняющие параметры) определяются для цепей с индуктивностью: 1, 10, 100 мкГ; 1, 10, 100 мГ; 1, 10 Г и т. д. или с емкостью 100, 1000, 10000, 100000 пФ; 1, 10, 100 мкФ и т. д.; с разрядными резисторами 1, 10, 100, 1000 Ом и т. д. Величины напряжения принимаются исходя из удобств их дальнейшего использования. Обычно это 7,5; 15; 24; 30; 45; 70; 120 В.

4.2. На черт. 2-15 приведены зависимости минимальных воспламеняющих токов и напряжений для всех представительных взрывоопасных смесей оптимального состава, полученные с помощью унифицированного искрообразующего механизма (см. приложение 2 обязательное).

Характеристики приведены к вероятности Р = 10-3.

Для определения по характеристикам искробезопасного значения тока (напряжения) необходимо для заданных электрических параметров цепи определить минимальный воспламеняющий ток (напряжение) для заданной взрывоопасной смеси и затем разделить его на коэффициент искробезопасности, т.е. на 1,5.

При расчете цепей переменного тока необходимо принимать амплитудные значения тока и напряжения.

5. Методика определения оптимального состава смеси, наиболее легко воспламеняемой электрическими разрядами (Со)

5.1. Для определения используется указанная в разделе 2 настоящего стандарта установка для проведения контрольных испытаний электрических цепей на искробезопасность.

Порядок определения Со следующий.

Предварительно по реакции полного сгорания исследуемого вещества определяется стехиометрический состав смеси. Концентрация газа или пара в воздухе, соответствующая стехиометрической (Сстех), вычисляется по формуле

, % (объемных),                                   (1)

где А, Б - стехиометрические коэффициенты реакции горения;

А - число молекул горючего;

Б - число молекул кислорода, необходимого для полного сгорания горючего в воздухе.

5.2. В контрольной цепи постоянного тока при напряжении 24 В, содержащей индуктивность 0,1 Г, устанавливается ток, который вызывает воспламенение смеси стехиометрического состава с вероятностью (3¸5) 10-2.

5.3. Концентрация смеси изменяется в большую или меньшую сторону от Сстех (шаг измерения 1-5 % объемных). При каждом новом значении концентрации определяется ток, вызывающий воспламенение с вероятностью (3¸5)×10-2. По полученным значениям строится зависимость Iв = f(СГ), где Iв - ток, вызывающий воспламенение с вероятностью (3¸5) 10-2; СГ - концентрация горючего в смеси. Количество точек (исследуемых концентраций) принимается таким, чтобы указанная зависимость имела явно выраженный минимум. Концентрация, соответствующая наименьшему значению Iв принимается в качестве оптимальной Со.

5.4. Полученное значение оптимального состава смеси уточняется с помощью аналогичной п. 5.2 цепи с индуктивностью 0,01 Г. Для нее находится ток, вызывающий воспламенение с вероятностью (3¸5)×10-2 смеси оптимального состава (Со), определенной по п. 5.3. Затем концентрация смеси изменяется в большую или меньшую сторону от Со и для каждого значения концентраций находится воспламеняющий ток при вероятности (3¸5) 10-2. Количество точек должно быть не менее 5. Дальнейшая обработка результатов проводится аналогично п. 1.4. Шаг концентраций в области Со должен быть, по возможности, минимальным.

5.5. Значение Со может дополнительно уточняться с помощью контрольной емкостной цепи. Для Со находится напряжение (при емкости цепи - 0,3¸0,5 мкФ), вызывающее воспламенение с вероятностью (3¸5)×10-2. Дальнейший порядок исследования аналогичен п. 1.4. По полученным значениям строится зависимость Iв = f(С).

5.6. Вероятность воспламенений для каждой экспериментальной точки определяется как указано в п. 1.4 настоящего приложения.

Количество воспламенений для каждой экспериментальной точки должно быть не менее 16.

Оптимальные концентрации некоторых газов или паров в газопаровоздушных смесях приведены в табл. 2.

6. Выбор искробезопасных параметров и методика испытаний цепей переменного тока с частотой 10-150 кГц электрооборудования I группы

6.1. Допустимые искробезопасные токи выбираются по графику зависимости воспламеняющего тока от частоты (черт. 15).

6.2. Для систем, в которых имеет место последовательный резонанс или такой резонанс может возникнуть за счет емкости присоединяемых устройств, проводов или кабелей, допустимые искробезопасные токи при резонансе и при емкости, большей резонансной, выбираются по графику (черт. 15), а при емкости, меньшей резонансной, - с учетом графика снижения воспламеняющего тока относительно воспламеняющего тока при резонансе от емкости (черт. 16). Зависимости снижения воспламеняющего тока строятся для постоянных индуктивностей и частот параллельно приведенной на графике зависимости.

6.3. Испытания на искробезопасность ведутся только в метано-воздушной смеси с повышением тока в 1,5 раза.

Испытания с применением более легко воспламеняемой испытательной смеси допускаются при условии, если для данной частоты и параметров цепи известен коэффициент перехода к такой смеси.

6.4. Испытания ведутся на искрообразующем механизме III типа.

6.5. Системы, в которых может иметь место повышение тока за счет резонанса, испытываются при резонансе и при снижении емкости ниже резонансной.

Таблица 2

Группы взрывоопасных смесей

Газ или пар

Оптимальная концентрация горючего (Со), *

I

Метан

8¸8,6 %

IIА

Метан (промышленный)

8¸8,6 %

Пентан

4,3¸4,9 %

Хлористый этил

6,7¸7,7 %

Гексан, изогексан

122 Мг/л

Циклогексан

143 мг/л

Бутан

4,2 %

Ацетон

7,0 %

Метилацетат

315 мг/л (10,2 %)

Метанол

15,0¸17,3 %

Бензол

158 мг/л

Ацетальдегид

7,9¸9,8 %

Пропан

5,0¸6,0 %

h-пропиловый спирт

7,8¸9,0 %

Хлористый винил

8,0¸9,0 %

(хлористый этилен)

8,0¸9,0 %

Циклопропан

5,2¸6,2 %

Циклогексин

128 мг/л

IIВ

Этилен

7,8 %

Диэтиловый эфир

5,5 %

Окись этилена

11,5 %

Окись пропилена

7,0 %

IIC

Водород

19,0¸22,0 %

Ацетилен

9,0 %

Сероуглерод

252 мг/л

Каменноугольный газ

7,7 %

__________

* Остальное воздух.

График зависимости вероятности воспламенения от величины воспламеняющего тока или напряжения. Электрические схемы контрольных цепей

1 - омическая цепь; 2 - индуктивная цепь; 3 - емкостная цепь без отключения емкости; 4 - емкостная цепь с отключением емкости; Rрег - резистор для регулировки тока в цепи; Rзар - резистор для заряда емкости; Rразр - разрядный резистор; ИМ - искрообразующий механизм; I - воспламеняющий ток; U - воспламеняющее напряжение

Черт. 1

Зависимость минимального воспламеняющего тока от напряжения источника для омической цепи (индуктивность менее 10-4 Г

1 - группа I (метано-воздушная смесь); 2 - подгруппа IIА (пентано-воздушная смесь; 3 - подгруппа IIВ (этилено-воздушная смесь); 4 - подгруппа IIО (водородо-воздушная смесь)

Черт. 2

Зависимость минимального воспламеняющего тока от индуктивности цепи напряжения источника для метано-воздушной смеси (группа I)

Напряжение источника: 1 - 12 В; 2 - 24 В; 3 - 70 В

Черт. 3

Зависимость минимального воспламеняющего тока от индуктивности цепи и напряжений источника для пентано-воздушной смеси (подгруппа IIА)

Напряжение источника: 1 – 7,5 В; 2 - 15 В; 3 - 30 В; 4 - 45 В; 5 - 72 В; 6 - 120 В

Черт. 4

Зависимость минимального воспламеняющего тока от индуктивности цепи и напряжения источника для этилено-воздушной смеси (подгруппа IIВ)

Напряжение источника: 1 - 7,5 В; 2 - 15 В; 3 - 30 В; 4 - 45 В; 5 - 72 В; 6 - 120 В

Черт. 5

Зависимость воспламеняющего тока от индуктивности цепи и напряжения источника для водородо-воздушной смеси (подгруппа IIС)

Напряжение источника: 1 - 7,5 В; 2 - 15 В; 3 - 30 В; 4 - 45 В; 5 - 72 В; 6 - 120 В

Черт. 6

Зависимость минимального воспламеняющего напряжения от емкости цепи

1 - группа I (метано-воздушная смесь); 2 - подгруппа IIА (пентано-воздушная смесь); 3 - подгруппа IIВ (этилено-воздушная смесь); 4 - подгруппа IIC (водородо-воздушная смесь)

Черт. 7

Зависимость минимального воспламеняющего напряжения от емкости цепи и сопротивления ограничительного резистора для пентано-воздушной смеси

Сопротивление ограничительного резистора (кОм);

1 - R = 10; 2 - R = 1,0; 3 - R = 0,1; 4 - R = 0,01; 5 - R = 0

Черт. 8

Зависимость минимального воспламеняющего напряжения от емкости цепи и сопротивления ограничительного резистора для этилено-воздушной смеси

Сопротивление ограничительного резистора (кОм): 1 - R = 10; 2 - R = 0,1; 3 - R = 0

Черт. 9

Зависимость величины минимального воспламеняющего напряжения от емкости цепи и сопротивления ограничительного резистора для водородо-воздушной смеси

Сопротивление ограничительного резистора (кОм); 1 - R = 10; 2 - R = 6; 3 - R = 4; 4 - R = 2; 5 - R = 1,0; 6 - R = 0,4; 7 - R = 0,2; 8 - R = 0,1; 9 - R = 0,05; 10 - R = 0,01; 11 - R = 0

Черт. 10

Зависимость минимального воспламеняющего тока от длительности электрического разряда и индуктивности, установленной до устройства сокращения длительности электрических разрядов (УСДР) для водородо-воздушной смеси

Индуктивность цепи, Г: 1 - меньше 10-5; 2 - 10-4; 3 - 10-3; 4 - 10-2; 5 - 10-1

Черт. 11

Зависимость минимального воспламеняющего тока от длительности электрического разряда и индуктивности, установленной до УСДР для водородо-воздушной смеси

Индуктивность цепи, Г: 1 - меньше 10-5; 2 - 10-4; 3 - 10-3; 4 - 10-2; 5 - 10-1

Черт. 12

Зависимость минимального воспламеняющего тока от длительности электрического разряда и индуктивности, установленной после УСДР для водородо-воздушной смеси

2, 3 - индуктивность 10-4 Г, э.д.с. источника - 30, 45, 72 В соответственно; 5, 6 - индуктивность 10-3 Г, э.д.с. источника - 45, 72, 140 В соответственно; 7 - индуктивность 10-2 Г, э.д.с. источника - 72 В

Черт. 13

Зависимость индуктивности, установленной после УСДР и соответствующей границе области их рационального использования, от э. д. с. источника питания

Черт. 14

Зависимость воспламеняющего тока от частоты, индуктивности и напряжения источника для метано-воздушной смеси

1 - 120В, 0,08 мГ; 2 - 170 В; 0,08 мГ; 3 - 120 В; 0,18 мГ; 4 - 170 В; 0,18 мГ; 5 - 120 В; 0,28 мГ; 6 - 170 В; 0,28 мГ; 7 - 120 В; 0,58 мГ; 8 - 220 B; 0,28 мГ; 9 - 170 В; 0,58 мГ; 10 - 220 В; 0,58 мГ; 11 - 300 В; 0,28 мГ; 12 - 300 В; 0,58 мГ; 13 - 170 В, 1,58 мГ, 14 - 220 В; 1,58 мГ; 15 - 300 В; 1,58 мГ

Черт. 15

Зависимость снижения воспламеняющего тока (I) относительно воспламеняющего тока при резонансе (Iрез) от емкости при постоянных индуктивностях и частотах

1 - значение емкости, соответствующей резонансу

Черт. 16

ПРИЛОЖЕНИЕ 4
Справочное

Определение терминов, применяемых в стандарте

Термин

Определение

1. Искрообразующий механизм

Контактное устройство, предназначенное для получения разрядов в испытуемой электрической цепи

2. Минимальный, воспламеняющий ток (напряжение, мощность или энергия)

Ток, напряжение, мощность или энергия в электрической цепи, вызывающие воспламенение взрывоопасной смеси с вероятностью 10-3

3. Искробезопасный ток (напряжение, мощность или энергия)

Наибольший ток (напряжение, мощность или энергия) в электрической цепи, образующей разряды, который не вызывает воспламенения взрывоопасной смеси в предписанных настоящим стандартом условиях испытаний

4. Коэффициент искробезопасности

Отношение минимальных воспламеняющих параметров к соответствующим искробезопасным

5. Характеристика искробезопасности

Зависимость минимального воспламеняющего или искробезопасного тока (напряжения, мощности или энергии) от остальных параметров электрической цепи

6. Обеспечение искробезопасности цепи

Создание искробезопасного тока (напряжения, мощности или энергии) в электрической цепи

7. Нормальный режим

Нормальный режим электротехнического устройства по ГОСТ 18311-80

Примечание. К нормальному режиму относятся искрения, которые могут возникнуть при разрыве, коротком замыкании или замыкании на землю внешних искробезопасных цепей. Включение искрообразующего механизма в испытуемую электрическую цепь считается нормальным режимом

8. Аварийный режим

Режим электрооборудования, при котором произошли изменения электрических и конструктивных параметров элементов (узлов, блоков), оказывающих влияние на искробезопасность цепи

9. Неповреждаемый элемент (узел)

Элемент (узел) электрической цепи, не повреждаемый при проведении испытаний на искробезопасность.

Примечание. К неповреждаемым относятся элементы и соединения между ними, удовлетворяющие требованиям настоящего стандарта, а также требованиям стандартов или технических условий на конкретные виды электрооборудования

10. Искрозащитные элементы (устройства)

Специальные элементы, обеспечивающие искробезопасность электрической цепи

Примечание. К ним относятся ограничительные (ограничители), шунтирующие (шунты) и разделительные элементы (пп. 1.5, 1.6 настоящего стандарта)

11. Защитные средства

Специальные конструктивные элементы и средства, которые снижают вероятность случайного (непреднамеренного) повреждения искрозащитных элементов и сохраняют свои защитные свойства в условиях эксплуатации электрооборудования

Примечание. К ним относятся заливка элементов и узлов электрооборудования затвердевающими изоляционными компаундами; разделение цепей перегородками, экранами, стенками оболочек; размещение элементов и узлов электрооборудования в неразборных оболочках (заваренных, запаянных или заклепанных); различные комбинации из указанных средств. Защитные средства не являются средствами взрывозащиты по ГОСТ 12.2.020-76

12. Защищаемый элемент или цепь

Элемент, цепь или ее часть, к которым подключаются искрозащитные элементы. Как правило, в защищаемых элементах протекают искроопасные токи и напряжения

13. Открытые нормально искрящие контакты искробезопасной цепи

Контакты коммутационных устройств (ключей, кнопок, переключателей, выключателей), включенных в искробезопасную цепь, не снабженные дополнительными средствами взрывозащиты по ГОСТ 12.2.020-76

Примечание. К нормально искрящим относятся также штепсельные разъемы и зажимы, предназначенные для кратковременного, например, на период контроля состояния электрооборудования, подключения переносных измерительных приборов и устройств, а также штепсельные разъемы, предназначенные для подключения внешних искробезопасных цепей

14. Искробезопасная внешняя цепь

Искробезопасная электрическая цепь, проложенная вне оболочек электрооборудования

15. Силовая внешняя цепь

Силовая цепь управления или сигнализации по ГОСТ 18311-80, питание которых производится от трансформаторов общего назначения мощностью не менее 0,5 кВ.А

16. Искробезопасное электрооборудование

Электрооборудование, у которого внешние и внутренние электрические цепи искробезопасны

17. Связанное электрооборудование. Связанные электрические цепи

Электрооборудование или его цепи, которые при нормальном или аварийном режиме работы не отделены гальванически от искробезопасных цепей

(Измененная редакция, Изм. № 1).

ПРИЛОЖЕНИЕ 5
Справочное

РАСЧЕТНАЯ ОЦЕНКА ИСКРОБЕЗОПАСНОСТИ ВЫХОДНЫХ ЦЕПЕЙ БЛОКОВ ИСКРОЗАЩИТЫ НА СТАБИЛИТРОНАХ (БИС)

Приведенная оценка искробезопасности применима для безреактивных и индуктивных цепей с блоками БИС.

Условные обозначения, применяемые при расчетной оценке искробезопасности;

R1 - сопротивление ограничительного резистора, установленного до стабилитрона, Ом;

R2 - сопротивление балластного резистора, установленного после стабилитрона, Ом;

 - кратность напряжения - отношение максимально возможной при аварийном режиме электрооборудования ЭДС (Е), попадающей на вход блока защиты, к порогу его срабатывания (Uст). Для цепей выпрямленного тока Е равно амплитудному значению ЭДС источника тока;

 - кратность сопротивлений - отношение сопротивления балластного резистора к сумме сопротивлений ограничительного и балластного резистора;

L - индуктивность элементов искроопасной цепи, устанавливаемых до БИС, Г;

Lэкв - индуктивность цепи без защиты - эквивалентной по воспламеняющей способности цепи БИС, Г;

 - кратность индуктивностей - отношение индуктивностей эквивалентной и испытуемой цепей;

I - воспламеняющий ток для рассчитываемой цепи БИС, А;

Iо, I*о - воспламеняющий ток безреактивной и индуктивной цепи без БИС, с Э Д С источника, равной напряжению на разрядном промежутке цепи, зашунтированной стабилитроном (эквивалентная цепь), А;

 - кратность токов - отношение воспламеняющего тока эквивалентной цепи (безреактивной цепи Э Д С источника E = Uст) к воспламеняющему току цепи с блоком защиты. Применение БИС наиболее эффективно при К ³ 2.

Для определения воспламеняющих токов на выходе БИС необходимо знать:

значение максимально возможной Э Д С, попадающей на блок защиты;

значение напряжения стабилизации (порога срабатывания) блока защиты;

значения воспламеняющих токов эквивалентных цепей согласно характеристикам искробезопасности (см. приложение 3);

для схемы БИС, приведенной на черт. 1а в обязательном приложении 1 (с резисторами R1 и R2), дополнительно необходимо определить кратность сопротивлений;

для индуктивных цепей значение индуктивности элементов, установленных до БИС.

(Измененная редакция, Изм. № 1).

1. Для блока искрозащиты без балластного резистора R2 = 0 (черт. 1в приложения 1) при безреактивном характере цепи расчет сопротивления R1 производится следующим образом:

определяется Е на входе БИС;

выбирается напряжение срабатывания стабилитрона Uст;

определяется кратность напряжений К;

задается значение безразмерного коэффициента а = 1, вычисляется значение К×а;

по черт. 1 определяется кратность токов ;

по характеристикам искробезопасности, приведенным в справочном приложении 3, для напряжения, равного порогу стабилизации Uст, определяется значение тока Iо;

сопротивление резистора R1 определяется по формуле

,

где Кi - коэффициент искробезопасности.

Полученное значение R1 проверяется по допустимой нагрузке стабилитрона

,

где Iст.доп - допустимый ток через стабилитрон с учетом коэффициента нагрузки, А.

Зависимость кратности токов от К и К×а

Черт. 1

1.1. Для определения воспламеняющего тока безреактивных цепей находят кратность напряжений К, соответствующую ей кратность токов по черт. 1. Затем по характеристикам искробезопасности для безреактивных цепей при напряжении, равном порогу стабилизации, определяют значение тока Io. Зная последнее и кратность токов, рассчитывают искомый воспламеняющий ток для цепи с защитой. Поделив значение воспламеняющего тока на Кi, определяют искробезопасный ток.

2. Расчет сопротивления резистора R1 при включении индуктивности в искроопасную цепь и R2 = 0 производится в следующем порядке:

определяются значения Е, Uст, К;

задаются три произвольных значения безразмерного коэффициента а;

при помощи зависимостей кратности индуктивностей и токов от величины коэффициента а черт. 2 для данного значения К находят соответствующую кратность эквивалентной и действительной индуктивности В, а по кривой 19 черт. 2 для выбранных значений а определяют кратность токов

;

по характеристике искробезопасности для безреактивной цепи для значения E = Uст находят величину тока Iо;

зная Iо и кратность токов, находят значение Iо* для каждого из выбранных значений а по формуле

;

определяют значение эквивалентной индуктивности для каждого из выбранных значений а по формуле

Lэкв = BL;

используя характеристики искробезопасности для индуктивной цепи, строят графики Iо* = f(Lэкв); точка пересечения графика с зависимостью I = f(L) при Е = Uст равна току Iо*;

по зависимости 19 черт. 2 для найденных значений Iо и Iо* определяют окончательное значение величины а.

Находят произведение К×а и по черт. 1 определяют кратность токов , а следовательно и искомый воспламеняющий ток;

сопротивление ограничительного резистора определяют по формуле:

, Ом,

где RL - активное сопротивление индуктивного элемента, Ом; полученное значение R1 проверяют по допустимой нагрузке стабилитрона

, Ом.

Зависимость кратности индуктивностей (1-18) м токов (19) от величины коэффициента а

1 - К = 0,58; 2 - К = 0,73; 3 - К = 0,87; 4 - К = 1,18; 5 - К = 1,39; 6 - К = 1,5; 7 - К = 1,9; 8 - К = 2,25; 9 - К = 3,08; 10 - К = 3,6; 11 - К = 4,5; 12 - К = 4,8; 13 - К = 6,55; 14 - К = = 8; 15 - К = 10,7; 16 - К = 12,5; 17 - К = 16,7; 18 - К = 25; 19 - Iо/Iо* = (а).

Черт. 2

(Измененная редакция, Изм. № 1).

3. Расчет сопротивлений R1 и R2 независимо от величины индуктивности, включенной в искроопасной цепи, производится в следующем порядке (при условии ):

определяют Е, Uст, К;

по характеристикам искробезопасности определяется искробезопасный ток Iо при Е = Ucт;

определяется сопротивление

, Ом.

Максимум выделяемой на нагрузке мощности обеспечивается при

R1 ³ R2(K - 1), Ом.

3.1. При включении индуктивных элементов после БИС, рассчитанного приведенным выше способом, значения воспламеняющих токов определяются по характеристикам искробезопасности для соответствующего напряжения и индуктивности.

4. Искробезопасный ток безреактивной цепи при заданных (выбранных) значениях R1 и R2 при выполнении условия  определяется в следующем порядке:

определяют значения В и К;

определяют величину вспомогательного параметра

;

по величине Х (черт. 3) определяют кратности токов  (зависимость I) и напряжений  (зависимость 2);

по величине Е и кратности напряжений определяют Up;

по характеристикам искробезопасности I - Е определяют ток эквивалентной цепи Iо при Е = Up;

по кратности токов и величине Iо определяют воспламеняющий ток I в цепи БИС, деление которого на коэффициент искробезопасности Кi дает искробезопасный ток.

Зависимость кратности токов (1) и напряжений (2) от параметра

Черт. 3

(Измененная редакция, Изм. № 1).

4.1. Для цепи, рассчитанной таким образом, при включении индуктивных элементов в искроопасную цепь, искробезопасный ток уменьшается на 30 % от рассчитанного независимо от величины индуктивности.

(Введен дополнительно, Изм. № 1).

ПРИЛОЖЕНИЕ 6
Рекомендуемое

Дополнительные искрообразующие механизмы

Для испытания искробезопасных цепей, параметры которых находятся вне области применения унифицированного искрообразующего механизма, рекомендуются к применению дополнительные искрообразующие механизмы прерывистого контактирования (II типа) и механизм с разрывом проволоки (III типа).

Предельные параметры испытуемых цепей в зависимости от типа искрообразующего механизма приводятся в табл. 1.

Таблица 1

Параметры испытуемой цепи

Типы искрообразующихся механизмов

II

III

Ток через контакты, А

Св. 2,0 до 5,0

Св. 5,0

Индуктивность, Г

» 1,0

» 1,0

Напряжение, В

» 1000

» 1000

Искрообразующий механизм прерывистого контактирования (черт. 1) состоит из вращающегося металлического диска, по окружности которого расположены 10 оцинкованных стальных проволочек диаметром 0,4 мм. В качестве неподвижного электрода служит стальная пилочка толщиной 0,25-0,3 мм с высотой зуба 0,4-0,5 мм. Свободная длина оцинкованной стальной проволочки составляет примерно 25 мм. Пилочка жестко закреплена в двух точках на специальной скобе. Расстояние между точками закрепления составляет примерно 70 мм, радиус закругления пилочки - примерно 100 мм. При подсчете числа искрений каждое контактирование с пилочкой учитывается как одно искрение. Частота вращения подвижных контактов - около 40¸60 об/мин. В случае использования данного механизма для испытаний емкостных цепей должно быть исключено постоянное соприкосновение нескольких стальных проволок с диском пилы. Например, можно установить определенное число стальных проволок для того, чтобы достичь полной зарядки емкости в интервалах между отдельными сериями искр. При оценке емкостных цепей регистрируется каждое соприкосновение стальной проволоки с диском пилы как одно искрение.

Искрообразующий механизм с разрывом проволоки состоит из двух пар роликов (черт. 2). Ролики каждой пары прижимаются друг к другу. Скорость вращения верхней пары роликов в 4 раза меньше скорости вращения нижней пары.

Медная луженая проволока диаметром 0,26 мм с барабана и верхней пары роликов подается на нижнюю пару роликов через стеклянную колбочку, промываемую взрывчатой газовой смесью. Проволока после выхода из колбочки захватывается нижней парой роликов и, вследствие разности скоростей вращения верхних и нижних роликов, рвется в колбочке.

Исследуемая цепь подключается к нижней и верхней паре роликов. Замыкание цепи происходит вне колбочки в момент соприкосновения с нижней парой роликов. Размыкание цепи происходит во взрывчатой смеси в момент разрыва проволоки в колбочке. Скорость размыкания контактов - от 0,2 до 3,0 м/с. Материал контактов - медная луженая проволока диаметром 0,26 мм.

Частота искрений - от 1 до 30 в секунду.

При скорости размыканий контактов 0,6 м/с:

время замкнутого состояния цепи - около 10 мс,

время разомкнутого состояния цепи - около 114 мс.

Сопротивление двух пар роликов и зажатой между ними медной луженой проволоки диаметром 0,26 мм перед ее разрывом - не более 0,03 Ом. Расход взрывоопасной смеси регулируется от 2 до 15 см3/c.

Кинематическая схема искрообразующего механизма прерывистого контактирования

1 - подвижный контакт; 2 - неподвижный контакт; 3 - диск подвижного контакта; 4 - пластина неподвижного контакта; 5 - крепежный болт подвижного контакта; 6 - вращающийся вал подвижного контакта; 7 - крепежная стойка неподвижного контакта

Черт. 1

Кинематическая схема устройства искрообразующего механизма с разрывом проволоки

К испытуемой цепи

1 - барабан с проволокой; 2 - ролики подающие диаметром 50 мм; 3 - индикатор взрывов смеси; 4 - взрывная колбочка и проволока; 5 - ролики принимающие; 6 - короб для проволочек

Черт. 2

ПРИЛОЖЕНИЕ 7
Справочное

АКТИВИЗАЦИЯ КОНТРОЛЬНЫХ ГАЗОВЫХ СМЕСЕЙ ПОВЫШЕНИЕМ ДАВЛЕНИЯ

В качестве контрольных могут использоваться водородо-кислородные смеси, состав которых устанавливается в соответствии с таблицей. При этом в случае использования искрообразующего механизма 1-го типа давление смеси во взрывной камере устанавливается 0,22 МПа, а для искрообразующего механизма 2 или 3-го типов - 0,3 Мпа.

Параметры контрольных цепей выбираются в соответствии с п. 2.8.

Группа или подгруппа электрооборудования

Вид испытуемой электрической цепи

Состав водородо-кислородной смеси, % объемные

Водород

Кислород

I

Омическая

Индуктивная

Емкостная

87,5

 

89

12,5

 

11

IIА

Омическая

Индуктивная

Емкостная

84

 

87

16

 

13

IIВ

Омическая

Индуктивная

Емкостная

80

 

84,5

20

 

15,5

IIС

Омическая

Индуктивная

Емкостная

70

 

80

30

 

20

ПРИЛОЖЕНИЕ 8
Справочное

Дополнительные данные в техдокументации электрооборудования

1. Техдокументация, представляемая вместе с электрооборудованием, в дополнение к ГОСТ 12.2.021-76, разд. 2 должна содержать:

а) в стандартах и технических условиях на электрооборудование - требования к искрозащитным элементам и средствам и указания о маркировке согласно настоящему стандарту;

б) в эксплуатационных документах - разделы с описанием искрозащитных элементов и средств и указаниями о сохранении искробезопасных параметров электрических цепей при монтаже, эксплуатации и ремонте электрооборудования.

2. В электрических принципиальных схемах электрооборудования, а также в инструкции по монтажу и эксплуатации, элементы, используемые в качестве искрозащитных, должны маркироваться в соответствии с ГОСТ 2.710-81. При этом после буквы F должен ставиться знак уровня взрывозащиты цепи ia (Иа), ibb) или ic (Ис).

Если в качестве искрозащитных используется группа элементов, допускается каждый элемент не маркировать, а их все вместе обвести штриховой линией и около нее поставить один знак Fia, Fib или Fiс (FИа, FИb, FИс).

ПРИЛОЖЕНИЕ 9
Справочное

Примерная форма

ПРОТОКОЛ №_______

проведения осмотр на соответствие требованиям ГОСТ _____ конструкции образца электрооборудования _____________________________________________________

(наименование изделия)

типа ___________________________, заводской № ____________________________,

представленного _________________________________________________________

(наименование завода, город, страна)

_______________ 19 ___ г.

Наименование испытательной организации         Адрес испытательной организации

Цель осмотра

Целью осмотра образца типа ______________________________________________,

выполненного по техническим требованиям _________________________________,

являлась проверка соответствия его конструкции требованиям ГОСТ ____ и технической документации (_____________ ТУ).

Результаты осмотра

В результате осмотра выяснилось, что в конструкции изделия имеются следующие отступления от ГОСТ ____________________________________

_______________________ 4 _________________

2 ______________________ 5 _________________

3 ______________________ 6 _________________

ЗАКЛЮЧЕНИЕ

Дается вывод о замеченных отступлениях и о возможности проведения дальнейших испытаний.

ПРИЛОЖЕНИЕ 10
Справочное

Примерная форма

ПРОТОКОЛ ______

проведения испытаний на искробезопасность образца электрооборудования

_________________________________ , типа_______ , заводской _______________

(наименование изделия)

№ _______________, представленного ______________________________________

(наименование завода, город, страна)

___________ 19 ___ г.

Наименование испытательной организации         Адрес испытательной организации

Условия испытаний

Искробезопасные цепи образца _______________типа ________________________

испытывались во взрывной камере, заполненной легковоспламеняющейся смесью:

_______________________________, при температуре камеры _______________ °С

(состав контрольной смеси)

давление внутри камеры _____________________________________ мм рт. ст.

Искрообразующий механизм __________________________________ типа

Контрольная цепь: ______________________________________________________

(параметры контрольной цепи)

Наименование испытательных режимов

Параметры испытуемой цепи

Фиксация контрольного взрыва

Примечание

 

Ток цепи, мА

Напряжение цепи, В

Прочие параметры цепи

Число искрений

Произошел ли взрыв

 

 

 

 

 

 

 

 

 

ЗАКЛЮЧЕНИЕ

Проведение испытаний цепей образца электрооборудования типа _______________

показали, что они являются искробезопасными с уровнем взрывозащиты ______. Прибор удовлетворяет требованиям настоящего стандарта.

СОДЕРЖАНИЕ

1. Технические требования. 1

2. Методы испытания. 13

Приложение 1 обязательное Блок искрозащиты на стабилитронах. 19

Приложение 2 обязательное Унифицированный искрообразующий механизм.. 20

Приложение 3 справочное Методика определения воспламеняющих тока и напряжения построения характеристик искробезопасности. 22

Приложение 4 справочное Определение терминов, применяемых в стандарте. 32

Приложение 5 справочное Расчетная оценка искробезопасности выходных цепей блоков искрозащиты на стабилитронах (бис) 33

Приложение 6 рекомендуемое Дополнительные искрообразующие механизмы.. 37

Приложение 7 справочное Активизация контрольных газовых смесей повышением давления. 38

Приложение 8 справочное Дополнительные данные в техдокументации электрооборудования. 39

Приложение 9 справочное 39

Приложение 10 справочное. 39

 




Rambler's Top100 Яндекс цитирования
  Copyright © 2008-2026, www.docload.ru