Бесплатная библиотека стандартов и нормативов www.docload.ru

Все документы, размещенные на этом сайте, не являются их официальным изданием и предназначены исключительно для ознакомительных целей.
Электронные копии этих документов могут распространяться без всяких ограничений. Вы можете размещать информацию с этого сайта на любом другом сайте.
Это некоммерческий сайт и здесь не продаются документы. Вы можете скачать их абсолютно бесплатно!
Содержимое сайта не нарушает чьих-либо авторских прав! Человек имеет право на информацию!

 

ГОСУДАРСТВЕННЫЙ СТАНДАРТ СОЮЗА ССР

СОЕДИНЕНИЯ КОНТАКТНЫЕ
ЭЛЕКТРИЧЕСКИЕ

КЛАССИФИКАЦИЯ. ОБЩИЕ ТЕХНИЧЕСКИЕ ТРЕБОВАНИЯ

ГОСТ 10434-82

 

Москва

ГОСУДАРСТВЕННЫЙ СТАНДАРТ СОЮЗА ССР

СОЕДИНЕНИЯ КОНТАКТНЫЕ ЭЛЕКТРИЧЕСКИЕ

Классификация. Общие технические требования

Electric contact connections. Classification.
General technical requirements

ГОСТ
10434-82

Дата ведения 01.01.83

Настоящий стандарт распространяется на разборные и неразборные электрические контактные соединения шин, проводов или кабелей (далее - проводников) из меди, алюминия и его сплавов, стали, алюмомедных проводов с выводами электротехнических устройств, а также на контактные соединения проводников между собой на токи от 2,5 А. Для контактных соединений электротехнических устройств на токи менее 2,5 А требования стандарта являются рекомендуемыми. Требования стандарта в части допустимого значения электрического сопротивления и стойкости контактных соединений при сквозных токах распространяются также на контактные соединения в цепях заземляющих и защитных проводников из стали.

Стандарт не распространяется на электрические контактные соединения электротехнических устройств специального назначения.

Термины, применяемые в стандарте, соответствуют ГОСТ 14312-79, ГОСТ 18311-80.

(Измененная редакция, Изм. № 1, 2, 3).

1. КЛАССИФИКАЦИЯ

1.1. В зависимости от области применения электрические контактные соединения (далее - контактные соединения) подразделяются на классы в соответствии с табл. 1.

Таблица 1

Область применения контактного соединения

Класс контактного соединения

1. Контактные соединения цепей, сечения проводников которых выбраны по допустимым длительным токовым нагрузкам (силовые электрические цепи, линии электропередачи и т.п.)

1

2. Контактные соединения цепей, сечения проводников которых выбраны по стойкости к сквозным токам, потере и отклонению напряжения, механической прочности, защите от перегрузки. Контактные соединения в цепях заземляющих и защитных проводников из стали

2

3. Контактные соединения цепей с электротехническими устройствами, работа которых связана с выделением большого количества тепла (нагревательные элементы, резисторы и т.п.)

3

Примечание. В стандартах и технических условиях на конкретные виды электротехнических устройств должны указываться классы 2 и 3, класс 1 не указывается.

1.2. В зависимости от климатического исполнения и категории размещения электротехнических устройств по ГОСТ 15150-69 контактные соединения подразделяются на группы в соответствии с табл. 2.

1.3. По конструктивному исполнению контактные соединения подразделяются на неразборные и разборные.

1.4. В зависимости от материала соединяемых проводников и группы контактных соединений по п. 1.2 разборные контактные соединения подразделяются на:

не требующие применения средств стабилизации электрического сопротивления - см. пп. 2.1.6 и 2.1.8;

требующие применения средств стабилизации электрического сопротивления - см. пп. 2.1.7 и 2.1.8.

Таблица 2

Климатическое исполнение и категория размещения электротехнического устройства

Группа контактного соединения

1. Все климатические исполнения для категории размещения 4.1 при атмосфере типов II и I.

Климатические исполнения У, УХЛ, ТС для категории размещения 3 и климатические исполнения УХЛ, ТС для категории размещения 4 при атмосфере типов II и I

А

2. Любые сочетания климатического исполнения и категории размещения, кроме указанных выше, при атмосфере типов II и I.

Любые сочетания климатического исполнения и категории размещения при атмосфере типов III и IV

Б

2. ТЕХНИЧЕСКИЕ ТРЕБОВАНИЯ

2.1. Требования к конструкции

2.1.1. Контактные соединения должны выполняться в соответствии с требованиями настоящего стандарта, стандартов и технических условий на конкретные виды электротехнических устройств по рабочим чертежам, утвержденным в установленном порядке.

2.1.2. Выводы электротехнических устройств должны соответствовать требованиям ГОСТ 24753-81.

2.1.3. Контактные винтовые зажимы должны соответствовать требованиям ГОСТ 25034-85, наборные зажимы должны соответствовать требованиям ГОСТ 19132-86.

2.1.4. Линейная арматура должна соответствовать требованиям ГОСТ 13276-79.

2.1.5. Неразборные контактные соединения должны выполняться сваркой, пайкой или опрессовкой. Допускается применение других методов, указанных в стандартах или технических условиях на конкретные виды электротехнических устройств.

Примеры выполнения неразборных контактных соединений приведены в приложении 1.

2.1.6. Разборные контактные соединения, не требующие применения средств стабилизации электрического сопротивления, должны выполняться при помощи стальных крепежных изделий, защищенных от коррозии в соответствии с требованиями ГОСТ 9.303-84, ГОСТ 9.005-72.

(Измененная редакция, Изм. № 2).

2.1.7. Разборные контактные соединения, требующие применения средств стабилизации электрического сопротивления, должны выполняться с использованием как по отдельности, так и в сочетании следующих средств:

1) крепежных изделий из цветных металлов с коэффициентом линейного расширения от 18×10-6 до 21×10-6 1/°С;

2) тарельчатых пружин по ГОСТ 3057-90 или техническим условиям на конкретные виды пружин;

3) защитных металлических покрытий рабочих поверхностей, выбранных по ГОСТ 9.303-84 с учетом требований ГОСТ 9.005-72.

Допускается применение других видов защитных покрытий, указанных в стандартах или технических условиях на конкретные виды электротехнических устройств;

4) переходных деталей в виде медно-алюминиевых пластин по ГОСТ 19357-81, медно-алюминиевых наконечников по ГОСТ 9581-80 и аппаратных зажимов из плакированного алюминия по ТУ 34-13-11438-89;

5) переходных деталей в виде пластин и наконечников из алюминиевого сплава с временным сопротивлением разрыву не менее 130 МПа (далее - твердый алюминиевый сплав);

6) штифтовых наконечников по ГОСТ 23598-79 из твердого алюминиевого сплава;

7) штифтовых наконечников по ГОСТ 23598-79, медно-алюминиевых;

8) электропроводящих смазок или других электропроводящих материалов, если возможность их применения подтверждена результатами испытаний по ГОСТ 17441-84 и указана в стандартах или технических условиях на конкретные виды электротехнических устройств.

При применении средств 2)-8) контактные соединения, как правило, должны выполняться при помощи, стальных крепежных деталей, защищенных от коррозии в соответствии с требованиями ГОСТ 9.303-84, ГОСТ 9.005-72.

Примечание. Необходимость нанесения защитного металлического покрытия на рабочие поверхности медных проводников должна быть указана в стандартах или технических условиях на конкретные виды электротехнических устройств.

(Измененная редакция, Изм. № 1, 2, 3).

2.1.8. Разборные контактные соединения в зависимости от группы по п. 1.2 и материала соединяемых проводников и выводов электротехнических устройств должны выполняться в соответствии с требованиями стандарта, указанными:

для контактных соединений проводников с плоскими выводами, а также контактных соединений проводников между собой - в табл. 3;

для контактных соединений проводников со штыревыми выводами - в табл. 4;

для контактных соединений проводников с гнездовыми выводами - в табл. 5.

Таблица 3

Группа контактного соединения

Материал проводника

Номер пункта стандарта в зависимости от материала вывода или второго проводника

медь и ее сплавы

твердый алюминиевый сплав

алюминий

сталь

А

Медь, алюмомедь

2.1.6

2.1.7 1) или 2), или 3), или 4), или 5), или 8)

2.1.6

Твердый алюминиевый сплав

Алюминий

2.1.7 1) или 2), или 3), или 4), или 5), или 8)

Б

Медь, алюмомедь

2.1.6

2.1.7* 3) или 4), или 5) и 3)

2.1.7 4) или 5) и 3), или 1) и 3), или 2) и 3)

2.1.6

Твердый алюминиевый сплав

2.1.7* 3) или 4), или 5) и 3)

2.1.6

2.1.7 1) или 2), или 3), или 4), или 5)

2.1.7 4) или 5) и 3)

Алюминий

2.1.7 4) или 5) и 3), или 1) и 3), или 2) и 3)

2.1.7 1) или 2), или 3), или 4), или 5)

* Контактные соединения электротехнических устройств климатических исполнений У, УХЛ категорий размещения 1 и 2 допускается изготовлять по п. 2.1.6.

Контактные соединения в соответствии с климатическим исполнением и категорией размещения электротехнических устройств, определяемыми по ГОСТ 15150-69 и ГОСТ 15543-70, должны выдерживать воздействие климатических факторов внешней среды, указанных в ГОСТ 15150-69, ГОСТ 15543-70, ГОСТ 15963-79, ГОСТ 16350-80, ГОСТ 17412-72 или в стандартах и технических условиях на конкретные виды электротехнических устройств.

Таблица 4

Группа контактного соединения

Материал проводника

Номер пункта стандарта в зависимости от материала штыревого вывода

медь или латунь на номинальный ток

сталь на номинальный ток до 40 А

до 630 А

выше 630 А

А

Медь, алюмомедь

2.1.6

Твердый алюминиевый сплав

Алюминий

2.1.7 1)

2.1.7 3) или 4), или 5)

2.1.7 2) или 3), или 4), или 5)

Б

Медь, алюмомедь

2.1.6

Твердый алюминиевый сплав

2.1.7 4) или 5) и 3)

2.1.7* 4) или 5) и 3)

2.1.7 4) или 5) и 3)

Алюминий

2.1.7 4) или 5) и 3)

* Контактные соединения электротехнических устройств климатических исполнений У, УХЛ категорий размещения 1 и 2 допускается изготовлять по п. 2.1.6.

Примечание. Во всех случаях для штыревых выводов на номинальный ток выше 40 А должны применяться упорные гайки из меди или латуни.

Таблица 5

Группа контактного соединения

Материал проводника

Номер пункта стандарта в зависимости от типа жилы

однопроволочная

многопроволочная

А

Медь

Непосредственное соединение

Непосредственное соединение* или 2.1.6***

Алюмомедь

-

Алюминий

Непосредственное соединение* или 2.1.7 6) или 7)**

Непосредственное соединение* или 2.1.7 6) или 7)**

Б

Медь

Непосредственное соединение* или 2.1.6***

2.1.6***

Алюмомедь

-

Алюминий

2.1.7 7) или 6) и 3)

* Возможность непосредственного соединения должна быть указана в стандартах или технических условиях на конкретный вид электротехнического устройства.

** Допускается соединение алюминиевых жил, сплавленных в монолит с добавкой легирующих присадок из твердого алюминиевого сплава.

*** Контактное соединение выполняется путем оконцевания медными штифтовыми наконечниками по ГОСТ 22002.5-76, ГОСТ 22002.12-76, ГОСТ 22002.13-76, ГОСТ 23598-79 или путем облуживания жил оловянно-свинцовыми припоями по ГОСТ 21931-76.

Допускается по согласованию с потребителем применять контактные соединения, отличающиеся от указанных в табл. 3-5.

Примеры выполнения разборных контактных соединений приведены в приложении 2.

(Измененная редакция, Изм. № 1, 3).

2.1.9. Контактные соединения пластин из твердого алюминиевого сплава и алюминиевой части медно-алюминиевых пластин с алюминиевыми проводниками (выводами) должны выполняться сваркой или пайкой, а соединения наконечников из твердого алюминиевого сплава и алюминиевой части медно-алюминиевых наконечников с алюминиевыми жилами проводов и кабелей должны выполняться сваркой или опрессовкой.

2.1.10. Разборные контактные соединения однопроволочных жил проводов и кабелей с плоскими или штыревыми выводами должны выполняться:

жил сечением до 16 мм2 - после оконцевания наконечниками по ГОСТ 7386-80 или непосредственно: путем формирования в кольцо или без него с предохранением в обоих случаях от выдавливания фасонными шайбами или другими способами;

жил сечением 25 мм2 и более - после оконцевания наконечниками по ГОСТ 7386-80, ГОСТ 7387-82, ГОСТ 9581-80 или путем формирования конца жилы в плоскую зажимную часть с отверстием под болт.

2.1.11. Разборные контактные соединения многопроволочных жил проводов и кабелей с плоскими или штыревыми выводами должны выполняться:

жил сечением до 10 мм2 - после оконцевания наконечниками по ГОСТ 7386-80, ГОСТ 9688-82, ГОСТ 22002.1-82, ГОСТ 22002.2-76 - ГОСТ 22002.4-76, ГОСТ 22002.6-82, ГОСТ 22002.7-76 - ГОСТ 22002.11-76, ГОСТ 22002.14-76 или непосредственно: путем формирования в кольцо или без него с предохранением в обоих случаях от выдавливания фасонными шайбами, или другими способами;

жил сечением 16 мм2 и более - после оконцевания наконечниками по ГОСТ 7386-80, ГОСТ 7387-82, ГОСТ 9581-80, ГОСТ 22002.1-82, ГОСТ 22002.2-76, ГОСТ 22002.6-82, ГОСТ 22002.7-76.

(Измененная редакция, Изм. № 1, 2).

2.1.12. К каждому болту (винту) плоского вывода или к штыревому выводу рекомендуется присоединять не более двух проводников, если иное не указано в стандартах или технических условиях на конкретные виды электротехнических устройств.

2.1.13. В разборных контактных соединениях должны использоваться крепежные детали классов прочности по ГОСТ 1759.4-87 и ГОСТ 1759.5-87, указанных в табл. 6. Винты в контактных соединениях рекомендуется применять с цилиндрической или шестигранной головкой.

Таблица 6

Наименование детали и ее материал

Класс или группа прочности, не ниже

Болты, винты, шпильки из углеродистых или легированных сталей

5.8

Гайки из углеродистых или легированных сталей

5

Болты, винты, шпильки и гайки из цветных металлов

32

2.1.14. Требования к подготовке рабочих поверхностей контактных деталей приведены в приложении 3.

2.2. Требования к электрическим параметрам

2.2.1. Отношение начального электрического сопротивления контактных соединений (кроме контактных соединений со штыревыми выводами) к электрическому сопротивлению участка соединяемых проводников, длина которого равна длине контактного соединения, не должно превышать:

для класса 1 - 1, если иное не указано в стандартах или технических условиях на конкретные виды электротехнических устройств;

для класса 2 - 2;

для класса 3 - 6.

В контактных соединениях проводников с различным электрическим сопротивлением сравнение производится с контакт-деталью с бόльшим электрическим сопротивлением.

2.2.2. Начальное электрическое сопротивление контактных соединений класса 1 проводников со штыревыми выводами не должно превышать значений, указанных в табл. 7.

Таблица 7

Диаметр штыря, мм

3

4

5

6

8

10

12

16

20

24

30

33

36

42

48

56

Начальное электрическое сопротивление контактных соединений с медными и латунными выводами по ГОСТ 21242-75, мкОм

80

50

30

26

16

14

12

10

8

8

6

6

5

5

5

4

Требования к контактным соединениям классов 2 и 3, при необходимости, указываются в стандартах или технических условиях на конкретные виды электротехнических устройств.

2.2.3. Электрическое сопротивление контактных соединений (кроме сварных и паяных), прошедших испытание на соответствие требованиям стандартов и другой технической документации по методике, указанной в ГОСТ 17441-84, не должно превышать начальное значение более чем в 1,5 раза. Электрическое сопротивление сварных и паяных контактных соединений должно оставаться неизменным. Необходимость обязательного применения моментных индикаторных ключей должна быть указана в стандартах или технических условиях на конкретные виды электротехнических устройств.

(Измененная редакция, Изм. № 3).

2.2.4. При протекании номинального (длительно допустимого) тока наибольшая допустимая температура контактных соединений классов 1 и 2 не должна превышать значений, указанных в табл. 8. Токовые нагрузки проводников при этом принимают по «Правилам устройства электроустановок», утвержденным Госэнергонадзором 12.04.69, по стандартам или техническим условиям на конкретные виды электротехнических устройств.

Таблица 8

Характеристика соединяемых проводников

Наибольшая допустимая температура нагрева, °С в установках

до 1000 В

св. 1000 В

1. Проводники из меди, алюмомеди, алюминия и его сплавов без защитных покрытий рабочих поверхностей

95

По ГОСТ 8024-90

2. Проводники из меди, алюмомеди, алюминия и его сплавов с защитными покрытиями рабочих поверхностей неблагородными металлами

110*

3. Проводники из меди и ее сплавов без изоляции или с изоляцией классов В, F и Н по ГОСТ 8865-87 с защитным покрытием рабочих поверхностей серебром

135

* Допускается для проводников из меди без изоляции или с изоляцией классов В, F и Н по ГОСТ 8865-87 повышать температуру до 135 °С, если возможность этого подтверждена результатами испытаний по ГОСТ 17441-84 и указана в стандартах или технических условиях на конкретные виды электротехнических устройств.

Температура контактных соединений класса 3 устанавливается в стандартах или технических условиях на конкретные виды электротехнических устройств в зависимости от применяемых материалов, покрытий, класса изоляции присоединяемых проводников и условий эксплуатации.

(Измененная редакция, Изм. № 1, 2, 3).

2.2.5. (Исключен, Изм. № 1).

2.2.6. После режима сквозного тока контактные соединения не должны иметь механических повреждений, препятствующих их дальнейшей эксплуатации. Температура контактных соединений в режиме сквозного тока не должна быть более 200 °С у соединений проводников из алюмомеди, алюминия и его сплавов, а также у соединений этих проводников с медными, 300 °С - у соединений медных проводников и 400 °С - у соединений стальных проводников.

2.2.7. Значение допустимого сквозного тока контактных соединений должно быть не менее допустимых сквозных токов конкретных видов электротехнических устройств, указанных в стандартах или технических условиях на эти устройства.

При отсутствии этих данных значение плотности односекундного тока должно соответствовать 165 А/мм2 - для медных проводников, 105 А/мм2 - для алюминиевых и алюмомедных, 90 А/мм2 - для проводников из алюминиевого сплава и 20 А/мм2 - для стальных проводников.

(Измененная редакция, Изм. №.1).

2.3. Требования по устойчивости к механическим факторам

2.3.1. Контактные соединения должны выдерживать воздействие механических факторов внешней среды по группе условий эксплуатации согласно ГОСТ 17516-72, которая должна указываться в стандартах или технических условиях на конкретные виды электротехнических устройств.

При отсутствии таких указаний контактные соединения, подверженные вибрации, должны выдерживать вибрацию в течение 1 ч с постоянной частотой от 40 до 50 Гц и амплитудой 1 мм.

2.3.2. Контактные соединения должны выдерживать воздействия статических осевых нагрузок на растяжение, вызывающие напряжения, не менее:

90 % временного сопротивления разрыву целого проводника - для контактных соединений проводов линии электропередачи, работающих на растяжение;

30 % временного сопротивления разрыву целого проводника - для неразборных контактных соединений, не работающих на растяжение, а также для соединений проводников с гнездовыми выводами, соединений неоконцованных проводов и кабелей с плоскими выводами, укомплектованными фасонными шайбами.

2.3.3. Затяжку болтов рекомендуется производить моментными индикаторными ключами, например ДК-25, винтов - тарированными отвертками. Крутящие моменты указаны в приложении 4.

Для проводников сечением до 1,5 мм2 не допускается применять винтовой зажим, конец винта которого проворачивается по жиле.

2.3.1.-2.3.3. (Измененная редакция, Изм. № 1).

2.3.4. Разборные контактные соединения проводников с выводами, одноболтовые контактные соединения, которые могут подвергаться воздействию сквозных токов короткого замыкания, а также разборные контактные соединения, подверженные вибрации или находящиеся во взрывоопасных помещениях, должны быть предохранены от самоотвинчивания контргайками, пружинными шайбами, тарельчатыми пружинами или другими способами.

(Измененная редакция, Изм. № 2).

2.4. Требования к надежности

2.4.1. Для оценки надежности контактных соединений устанавливается гамма-процентный ресурс, если иное не установлено в стандартах или технических условиях на электротехнические устройства конкретных видов.

Нижнее значение гамма-процентного ресурса должно обеспечивать работу электротехнических устройств в соответствии с требованиями к надежности, установленными в стандартах или технических условиях на эти электротехнические устройства.

(Измененная редакция, Изм. № 1).

2.5. Требования безопасности

2.5.1. Контактные соединения в части требований безопасности должны соответствовать ГОСТ 12.2.007.0-75 и обеспечивать условия эксплуатации, установленные «Правилами технической эксплуатации установок потребителей» и «Правилами техники безопасности при эксплуатации электроустановок потребителей», утвержденными Госэнергонадзором 12 апреля 1969 г.

2.5.2. Контактные соединения в части требований пожарной безопасности должны соответствовать ГОСТ 12.1.004-91, что обеспечивается выполнением требований ГОСТ 10434-82.

(Введен дополнительно, Изм. № 3).

ПРИЛОЖЕНИЕ 1

Справочное

НЕРАЗБОРНЫЕ КОНТАКТНЫЕ СОЕДИНЕНИЯ

а - сваркой или пайкой; б - со штыревым выводом сваркой; в - сваркой через переходную медно-алюминиевую пластину; г - соединение жил проводов (кабелей) через соединительную гильзу опрессовкой; д - соединение жилы провода (кабеля) с кабельным наконечником опрессовкой (сваркой, пайкой); е - соединение жил проводов в овальных соединителях

1 - плоский вывод (шина); 2 - шина; 3 - штыревой вывод; 4 - медно-алюминиевая пластина; 5 - провод (кабель); 6 - соединительная гильза; 7 - кабельный наконечник; 8 - овальный соединитель

ПРИЛОЖЕНИЕ 2

Справочное

РАЗБОРНЫЕ КОНТАКТНЫЕ СОЕДИНЕНИЯ

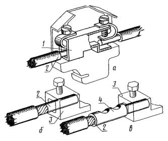
Разборные контактные соединения проводников с плоскими выводами без средств стабилизации электрического сопротивления

а - с контргайкой; б - с пружинной шайбой; в - однопроволочная (многопроволочная) жила провода (кабеля) сеч. до 10 мм2 с изгибанием в кольцо; г - однопроволочная (многопроволочная) жила провода (кабеля) сеч. до 10 мм2 без изгибания в кольцо.

1 - плоский вывод (шина); 2 - шина (кабельный наконечник); 3, 4, 5 - шайба, болт и гайка стальные; 6 - пружинная шайба; 7 - винт; 8 - фасонная шайба (шайба-звездочка); 9 - провод (кабель); 10 - фасонная шайба (арочная шайба)

Черт. 1

Разборные контактные соединения проводников с плоскими выводами со средствами стабилизации электрического сопротивления

а - крепежом из цветного металла с контргайкой; б - крепежом из цветного металла с пружинной шайбой; в - стальным крепежом с тарельчатой пружиной; г - стальным крепежом с защитными металлическими покрытиями рабочих поверхностей с контргайкой (пружинной шайбой); д - стальным крепежом через переходную медно-алюминиевую пластину с контргайкой (пружинной шайбой); е - стальным крепежом через переходную пластину из твердого алюминиевого сплава с контргайкой (пружинной шайбой).

1 - плоский вывод (шина); 2 - шина (кабельный наконечник); 3 - 5 - шайба, болт, гайка из цветного металла; 6 - пружинная шайба; 7 - стальная гайка; 8 - стальной болт; 9 - тарельчатая пружина; 10 - стальная шайба (шайба увеличенная); 11 - стальная шайба; 12 - плоский вывод (шина) с защитным металлическим покрытием рабочей поверхности; 13 - шина (кабельный наконечник) с защитным металлическим покрытием рабочей поверхности; 14 - медно-алюминиевая пластина; 15 - пластина из твердого алюминиевого сплава

Черт. 2

Разборные контактные соединения проводников со штыревыми выводами без средств и со средствами стабилизации электрического сопротивления

а - проводник из меди, твердого алюминиевого сплава или алюминия с защитным металлическим покрытием рабочей поверхности; б, в, г - алюминиевый проводник; д - алюминиевый проводник через переходную медно-алюминиевую пластину; е - однопроволочная (многопроволочная) жила провода кабеля сеч. 10 мм2 с изгибанием в кольцо.

1-штыревой вывод из меди или латуни; 2 - гайка из меди или латуни; 3 - шина (кабельный наконечник) из меди, твердого алюминиевого сплава или алюминия с защитным металлическим покрытием рабочих поверхностей; 4 - стальная гайка; 5 - штыревой медный вывод; 6 - стальная шайба; 7 - алюминиевая шина (кабельный наконечник); 8 - штыревой латунный вывод; 9 - штыревой стальной вывод; 10 - тарельчатая пружина; 11 - медно-алюминиевая пластина; 12 - провод (кабель); 13 - пружинная шайба; 14 - фасонная шайба (шайба-звездочка)

Черт. 3

Разборные контактные соединения проводников с гнездовыми выводами

а, б - однопроволочная (многопроволочная, сплавленная в монолит) жила; в - многопроволочная жила, оконцованная кабельным наконечником.

1 - наборный зажим; 2 - провод (кабель); 3 - гнездовой вывод; 4 - кабельный наконечник штифтовой

Черт. 4

ПРИЛОЖЕНИЕ 3

Рекомендуемое

ТРЕБОВАНИЯ К ПОДГОТОВКЕ РАБОЧИХ ПОВЕРХНОСТЕЙ КОНТАКТ-ДЕТАЛЕЙ

1. Контакт-детали, имеющие два и более отверстий под болты в поперечном ряду, рекомендуется выполнять с продольными разрезами, как показано на чертеже.

2. Рабочие поверхности контакт-деталей разборных контактных соединений и неразборных контактных соединений с линейной арматурой непосредственно перед сборкой должны быть подготовлены:

медные без покрытия и алюмомедные - зачищены.

При зачистке алюмомедных проводов не должна быть повреждена медная оболочка;

алюминиевые и из алюминиевых сплавов - зачищены и смазаны нейтральной смазкой (вазелин КВЗ по ГОСТ 15975-70, ЦИАТИМ-221 по ГОСТ 9433-80 или другими смазками с аналогичными свойствами).

Рекомендуемое время между зачисткой и смазкой не более 1 ч;

рабочие поверхности, имеющие защитные металлические покрытия, - промыты органическим растворителем.

(Измененная редакция, Изм. № 3).

3. Рабочие поверхности медных контакт-деталей, соединяемых способом опрессовки, должны быть зачищены, если иное не указано в стандартах или технических условиях на конкретные виды электротехнических устройств.

Рабочие поверхности алюминиевых контакт-деталей должны быть зачищены и смазаны кварцевазелиновой пастой или другими смазками, пастами и компаундами с аналогичными свойствами.

4. Поверхности контакт-деталей, соединяемых сваркой или пайкой, должны быть предварительно зачищены, обезжирены или протравлены.

5. Расположение и размер отверстий под болты в контакт-деталях разборных контактных соединений рекомендуется принимать в соответствии с ГОСТ 21242-75.

По согласованию с потребителем допускается выполнение овальных отверстий.

(Введен дополнительно, Изм. № 2).

ПРИЛОЖЕНИЕ 4

Рекомендуемое

КРУТЯЩИЕ МОМЕНТЫ

Таблица 9

Диаметр резьбы, мм

Крутящий момент, Н×м, для болтового соединения

с шлицевой головкой (винты)

с шестигранной головкой

М3

0,5+0,1

-

М3,5

0,8±0,2

М4

1,2±0,2

М5

2,0±0,4

7,5±1,0

М6

2,5±0,5

10,5±1,0

М8

-

22,0±1,5

M10

30,0±1,5

М12

40,0±2,0

М16

60,0±3,0

М20

90,0±4,0

М24

130,0±5,0

М30

200,0±7,0

М36

240,0±10,0

Примечание. Для болтовых соединений проводников из меди и твердого алюминиевого сплава рекомендуется применять крутящие моменты, значения которых в 1,5 - 1,7 раза превышают установленные в таблице.

(Измененная редакция, Изм. № 3).

ИНФОРМАЦИОННЫЕ ДАННЫЕ

1.  РАЗРАБОТАН И ВНЕСЕН Министерством монтажных и специальных строительных работ СССР

РАЗРАБОТЧИКИ

Н. Н. Дзекцер, канд. техн. наук (руководитель темы); В. Л. Фукс; О. В. Фесенко, канд. техн. наук

2.  УТВЕРЖДЕН И ВВЕДЕН В ДЕЙСТВИЕ Постановлением Государственного комитета СССР по управлению качеством продукции и стандартам от 03.02.82 № 450

3. ВЗАМЕН ГОСТ 10434-76

4. ССЫЛОЧНЫЕ НОРМАТИВНО ТЕХНИЧЕСКИЕ ДОКУМЕНТЫ

Обозначение НТД, на который дана ссылка

Номер пункта, перечисления, приложения

ГОСТ 9.005-72

2.1.6; 2.1.7, перечисления 3, 8

ГОСТ 9.303-84

2.1.6; 2.1.7, перечисления 3, 8

ГОСТ 12.1.004-91

2.5.2

ГОСТ 12.2.007.0-75

2.5.1

ГОСТ 1759.4-87

2.1.13

ГОСТ 1759.5-87

2.1.13.

ГОСТ 3057-90

2.1.7, перечисление 2

ГОСТ 7386-80

2.1.10; 2.l.11

ГОСТ 7387-82

2.1.10; 2.1.11

ГОСТ 8024-90

2.2.4

ГОСТ 8865-87

2.2.4

ГОСТ 9433-80

Приложение 3

ГОСТ 9581-80

2.1.7, перечисление 4; 2.1.10; 2.1.10; 2.1.11

ГОСТ 9688-82

2.1.11

ГОСТ 13276-79

2.1.4; 2.1.7

ГОСТ 14312-79

Вводная часть

ГОСТ 15150-69

1.2; 2.1.8

ГОСТ 15543-70

2.1.8

ГОСТ 15963-79

2.1.8

ГОСТ 15975-70

Приложение 3

ГОСТ 16350-80

2.1.8

ГОСТ 17412-72

2.1.8

ГОСТ 17441-84

2.1.7, перечисление 8; 2.2.3; 2.2.4

ГОСТ 17516-72

2.3.1

ГОСТ 18311-80

Вводная часть

ГОСТ 19132-86

2.1.3

ГОСТ 19357-81

2.1.7, перечисление 4

ГОСТ 21242-75

Приложение 3

ГОСТ 21931-76

2.1.8

ГОСТ 22002.1-82

2.1.11

ГОСТ 22002.2-76 - ГОСТ 22002.4-76

2.1.11

ГОСТ 22002.5-76

2.1.8

ГОСТ 22002.6-82

2.1.11

ГОСТ 22002.7-76 - ГОСТ 22002.11-76

2.1.11

ГОСТ 22002.12-76

2.1.8

ГОСТ 22002.13-76

2.1.8

ГОСТ 22002.14-76

2.1.11

ГОСТ 23598-79

2.1.7, перечисление 6, 7; 2.1.8

ГОСТ 24753-81

2.1.2

ГОСТ 25034-85

2.1.3

ГОСТ 34-13-11438-89

2.1.7, перечисление 4

5. Срок действия продлен до 01.01.96 Постановлением Государственного комитета СССР по управлению качеством продукции и стандартам от 25.05.90 № 1309

6. ПЕРЕИЗДАНИЕ (октябрь 1993 г.) с Изменениями № 1, 2, 3, утвержденными в апреле 1985 г., июне 1987 г., мае 1990 г. (ИУС 7-85, 10-87, 8-90)

СОДЕРЖАНИЕ

 




Rambler's Top100 Яндекс цитирования
  Copyright © 2008-2026, www.docload.ru