Бесплатная библиотека стандартов и нормативов www.docload.ru

Все документы, размещенные на этом сайте, не являются их официальным изданием и предназначены исключительно для ознакомительных целей.
Электронные копии этих документов могут распространяться без всяких ограничений. Вы можете размещать информацию с этого сайта на любом другом сайте.
Это некоммерческий сайт и здесь не продаются документы. Вы можете скачать их абсолютно бесплатно!
Содержимое сайта не нарушает чьих-либо авторских прав! Человек имеет право на информацию!

 

РЕСПУБЛИКАНСКИЕ СТРОИТЕЛЬНЫЕ НОРМЫ

ИНЖЕНЕРНЫЕ ИЗЫСКАНИЯ ДЛЯ СТРОИТЕЛЬСТВА.

СОСТАВЛЕНИЕ ПРОГНОЗА ИЗМЕРЕНИЙ

ТЕМПЕРАТУРНОГО РЕЖИМА ВЕЧНОМЕРЗЛЫХ

ГРУНТОВ ЧИСЛЕННЫМИ МЕТОДАМИ

РСН 67-87

Госстрой РСФСР

ГОСУДАРСТВЕННЫЙ КОМИТЕТ РСФСР

ПО ДЕЛАМ СТРОИТЕЛЬСТВА

СОДЕРЖАНИЕ

1. ОБЩИЕ ПОЛОЖЕНИЯ.. 2

2. АЛГОРИТМ И СТРУКТУРА ПРОГРАММЫ... 3

2.1. Математическая постановка задачи. 3

2.2. Алгоритм решения задачи. 4

2.3. Структура программы.. 6

3. ПОДГОТОВКА ИСХОДНЫХ ДАННЫХ ДЛЯ РАСЧЕТА.. 8

3.1. Расчетная область. 8

3.2. Разбивка области исследования. 8

3.3. Начальные условия. 9

3.4. Граничные условия. 10

3.5. Физические и теплофизические свойства. 11

3.6. Дополнительные данные, необходимые для проведения расчета  13

4. ПРОВЕДЕНИЕ РАСЧЕТА.. 14

4.1. Вызов и загрузка программы в ЭВМ... 14

4.2. Составление программы MAIN и подпрограммы BLOCK DATA   14

4.3. Подготовка к вводу группы данных с перфокарт. 16

4.4. Выходные данные. 17

4.5. Подготовка данных для расчета по программе PROGNOZ-2S  17

4.6. Подготовка данных для расчета по программе PROGNOZ-3N   17

4.7. Подготовка данных для расчета по программе PROGNOZ-2N   19

4.8. Подготовка данных для расчета по программе PROGNOZ-L  19

Приложение 1. 20

Пример расчета. 20

Приложение 2. 25

Приложение 3. 25

Обязательное. 25

Текст программы PROGNOZ-3S с результатами расчета контрольного примера приложения 1. 25

 

РАЗРАБОТАНЫ производственным объединением «Стройизыскания» Госстроя РСФСР совместно с институтом Фундаментпроект Минмонтажспецстроя СССР.

Исполнители: канд. геол.-мин. наук А.И. Левкович («Стройизыскания»), канд. геол.-мин. наук М.А. Минкин, инж. С.П. Дмитриева (Фундаментпроект), Ю.А. Попов («Стройизыскания»).

ВНЕСЕНЫ И ПОДГОТОВЛЕНЫ К УТВЕРЖДЕНИЮ производственным объединением по инженерно-строительным изысканиям («Стройизыскания») Госстроя РСФСР.

Вводятся впервые.

Государственный комитет РСФСР

по делам строительства (Госстрой РСФСР)

Республиканские строительные нормы

РСН 67-87

Госстрой РСФСР

Инженерные изыскания для строительства. Составление прогноза измерений температурного режима вечномерзлых грунтов численными методами

Вводятся впервые

Настоящие Нормы устанавливают технические требования к производству работ по составлению прогноза измерений температурного режима грунтов для инженерно-геологического обоснования строительства новых, реконструкции и расширения действующих промышленных предприятий, зданий и сооружений, объектов сельскохозяйственного назначения, а также городов, поселков и сельских населенных пунктов на вечномерзлых грунтах.

Требования Норм не распространяются на составление прогноза для обоснования строительства гидротехнических, магистральных линейных и подземных сооружений, а также мостовых переходов.

Требованиями Норм следует руководствоваться при инженерно-геологическом обосновании строительства на участках талых грунтов, расположенных в пределах районов распространения вечномерзлых грунтов, а также при необходимости оценки динамики сезоннопромерзающего слоя в районах с сезонным промерзанием.

Составление прогноза изменения температурного режима грунтов необходимо производить в соответствии с требованиями к порядку составления прогноза мерзлотных инженерно-геологических условий, регламентированному РСН 31-83, а также с общими требованиями к прогнозу изменения инженерно-геологических условий, установленными действующими нормативными документами по изысканиям и проектированию оснований и фундаментов.

Внесены ПО «Стройизыскания» Госстроя РСФСР

Утверждены постановлением Государственного комитета РСФСР по делам строительства от 20 августа 1987 г. № 152

Срок введения в действие 1 января 1988 г.

1. ОБЩИЕ ПОЛОЖЕНИЯ

1.1. Составление прогноза изменений температурного режима грунтов является необходимым элементом инженерно-геологического обоснования строительства (реконструкции, расширения) объектов народного хозяйства в районах распространения вечномерзлых грунтов.

Составление прогноза измерения температурного режима грунтов производится изыскательской организацией при участии проектной организации-заказчика.

Участие проектной организации заключается:

в совместном с изыскательской организацией определении конкретных задач и вариантов прогноза;

в представлении необходимых исходных данных для каждого варианта прогноза;

в совместном с изыскательской организацией обсуждении результатов прогноза.

1.2. Составление прогноза изменений температурного режима грунтов производится для ограниченного определенным образом грунтового массива путем последовательного расчета температурных полей в этом массиве, соответствующих любым заданным моментам времени от начала расчета. Температурный режим (совокупность последовательных температурных полей в этом массиве, соответствующих любым заданным моментам времени от начала расчета. Температурный режим (совокупность последовательных температурных полей) в грунтовом массиве рассчитывается как результат задаваемых на весь период расчета прогноза тепловых воздействий на верхней, боковых и нижней границах грунтового массива.

1.3. Расчет температурного режима грунтов производится для конкретных инженерно-геологических разрезов с учетом естественных изменений температурного режима воздуха и радиационного баланса дневной поверхности, естественных и техногенных условий теплообмена на поверхности грунтов (снежный и растительных покровы, насыпи, асфальтовые покрытия и т.п.) и техногенных источников и стоков тепла (здания и сооружения).

Расчет температурного режима грунтов производится на основе следующих данных:

материалов инженерно-геологических изысканий (инженерно-геологические разрезы с выделением классификационных разновидностей грунтов, физические и теплофизические свойства последних, естественные температуры грунтов и др.);

технического задания (пространственное размещение проектируемых объектов и проектный температурный режим в них, в том числе температурный режим в проветриваемых подпольях, вентилируемых насыпях и подвалах; при необходимости - вертикальная планировка территории; данные о заглублении проектируемых объектов, физические и теплофизические характеристики материала фундаментов, насыпей, полов и других теплоизоляционных покрытий и др.);

справочных материалов (температурный режим воздуха, радиационный баланс дневной поверхности, мощность и плотность снежного покрова и др.).

1.4. Расчетный срок (время) прогноза определяется расчетным сроком эксплуатации проектируемых объектов, для инженерно-геологического обоснования строительства, которых составляется прогноз и указывается в техническом задании.

Расчет прогноза может быть прекращен ранее в случаях стабилизации температурного режима грунтов в исследуемом грунтовом массиве. Под стабилизацией температурного режима в данном случае понимается наступление динамического равновесия температур в исследуемом массиве с учетом характера изменений тепловых воздействий на верхней границе массива.

1.5. Настоящие Нормы устанавливают правила расчета изменений температурного режима грунтов численным методом решения уравнения нестационарной теплопроводности с фазовыми переходами грунтовой влаги.

Прогноз составляется без учета миграции влаги, конвективного и лучистого теплообмена в грунтах.

При составлении прогноза учитываются:

неоднородность состава, свойств и состояния грунтов в исследуемой грунтовой области;

изменение соотносительных количеств льда и незамерзшей воды в диапазоне температур, принимаемых грунтами;

изменение граничных тепловых условий во времени и пространство;

локальные источники и стоки тепла, расположенные внутри исследуемой грунтовой области.

1.6. Программа PROGNOZ имеет 5 модификаций, изложенных в п. 2.3., составлена на языке «ФОРТРАН-IV» и предназначена для использования на ЕС ЭВМ с операционной системой ОС ЕС MVT 6.1 и с памятью не менее 300 килобайт.

1.7. Пакет программ поставляется на магнитной ленте пользователя. Организация-держатель подлинника - институт «Фундаментпроект».

2. АЛГОРИТМ И СТРУКТУРА ПРОГРАММЫ

2.1. Математическая постановка задачи

Процесс распространения тепла в грунте в трехмерном пространстве описывается уравнением

где - температура грунта в точкев момент t;

- энтальпия (теплосодержание), отнесенная к единице объема грунта;

- коэффициент теплопроводности грунта;

- плотность тепловых внутренних источников и стоков в единице объема.

Энтальпия является функцией температуры, времени и координат. Так как рассмотренные ниже выводы верны для всех точек пространства, то будем рассматривать энтальпию только как функцию температуры. С учетом теплоты фазовых переходов в грунте, энтальпия равна:

где- дельта-функция Дирака

(объемная теплоемкость талого грунта)

(эффективная теплоемкость мерзлого грунта);

- удельная теплоемкость сухого грунта;

- плотность сухого грунта;

- удельная теплоемкость воды;

- удельная теплоемкость льда;

- теплота фазовых переходов;

- суммарная влажность грунта в долях к весу абсолютно сухого грунта;

- незамерзшая вода при температуре x, принимается в виде

- коэффициенты, задающие кривую незамерзшей воды при

Задача рассматривается в параллелепипеде(т.е. ), на гранях которого задаются краевые условия:

на верхней границе                                                                                (2)

а) температура окружающей среды:

или

б) теплопоток

или

в) теплообмен по закону Ньютона

на нижней границе                                                                                      (3)

температура окружающей среды

на боковых границах                                                                              (4)

постоянный теплопоток

                                     

                                 

Начальная температура грунта известна по всем параллелепипеде D:

                                                                                           (5)

Требуется найти температуру грунта (функция U) непрерывную в D, удовлетворяющую уравнению (1), краевым условиям (2)-(4) и начальному условию (5).

2.2. Алгоритм решения задачи

Предлагаемым алгоритмом решения задача (1)-(5) решается энтальпийным конечно-разностным методом по явной

В прямоугольнике D вводится произвольная прямоугольная неравномерная разностная сетка с шагамии временная сетка с шагами:

                                          

                           (6)

                                        

                                                                                                  

Применяя интегро-интерполяционный метод (метод баланса) построения однородных разностных схем, разностное уравнение, аппроксимирующее уравнение (1) по явной схеме на сетке (6) будет иметь вид

            (7)

   (8)

где - теплосодержание элемента  в момент времени;

- теплопоток соответственно через верхнюю, нижнюю и четыре боковые грани каждого элемента;

- изменение энергии внутренних источников в объеме  за время .

Для краевых условий I рода соответствующееграничных элементов равны:

где ;

для краевых условий II рода

где заданная величина теплового потока;

для краевых условий III рода

,где- температура внешней среды;

- термическое сопротивление;

- коэффициент конвективного теплообмена.

При решении задачи на шагепо известной температуре и энтальпии  в каждом элементе определяются энтальпия на шаге  по формуле (8). Так как существует взаимно однозначное соответствие между энтальпией и температурой, то находим температуру каждого элемента на слое . Затем определяем энтальпию и т.д.

Расчетные формулы для определения энтальпии и температуры по известной энтальпии следующие:

По определению полная энтальпия

где- теплоемкость грунта (рис. 1)

Рис. 1. График изменения теплоемкости по температуре

-----------------   без учета фазовых переходов в спектре отрицательных температур

_________________           то же с учетом фазовых переходов в спектре отрицательных температур

Все дальнейшие расчеты проводятся с учетом фазовых переходов в спектре отрицательных температур. Незамерзшая вода учитывается в виде .

Критические значения энтальпии:

.Здесь и далее- условная температура в градусах Цельсия, при которой теплосодержание (энтальпия) принимается равной нулю. (Абсолютный нуль К=-273°С.

.

Энтальпия определяется по следующим формулам (рис. 2):

если, то

если, то

Рис. 2. График изменения энтальпии по температуре

По известной энтальпии температура определяется:

если, то

;

если, то

;

если, тоопределяется линейной интерполяцией по значениям табличной функции энтальпии, составляемой для каждого слоя грунта.

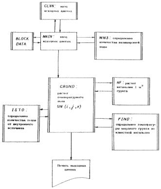
2.3. Структура программы

Алгоритм, описанный выше, реализован в программе PROGNOZ. Связь между частями программы представлена на рис. 3.

Рис. 3. Межмодульные связи в программе PROGNOZ

Программа PROGNOZ имеет 5 модификаций:

1. PROGNOZ-3S

Решается задача по трехмерной расчетной схеме. Главная (управляющая) программа MAIN составляется для каждого варианта прогноза. В программе MAIN вводятся исходные массивы начальной температуры и некоторые другие исходные данные. Размерности массива, индивидуальные для каждого варианта прогноза, задаются в операторах описания.

Из программы MAIN происходит обращение к подпрограмме WNS. В ней определяются коэффициенты А, В, и С для вычисления количества незамерзшей воды в каждом слое грунта, по формуле где- температура грунта. Для контроля выдается на печать таблица получаемых значенийотпри.

Из подпрограммы WNS получены массивы А (N), В (N), С (N) передаются в MAIN.

В подпрограмме GRUND определяются одно-, двух- или трехмерные температурные поля в заданном массиве грунтов. Здесь используются подпрограмма-функция HF и подпрограмма FIND. HF (N,U1) вычисляет энтальпию 1 м3 грунта в N-ом слое при температуре (критическая температура фазовых переходов). Для расчета функция HF использует физико-механические и теплофизические свойства грунтов, введенные подпрограммой BLOCK DATA.

Подпрограмма FIND (HN1, N1, UL1) определяет температурув слое грунта с номеромпо энтальпии , если, т.е. если соответствует энтальпии мерзлого грунта. FIND использует общую область TABL, в которой содержатся таблицы значений энтальпии по температуре от 0 до -50°С по всем грунтовым слоям, вычисленным с помощью функции HF.

Подпрограмма ISTO (i,j, K, T, F) учитывает влияние источников тепла и охлаждающих установок, находящихся внутри массива грунта. Результат работы подпрограммы присваивается простой переменной, где- тепло, выделяемое внутренними источниками (стоками) в единицу времени (час) в фиксированном элементе (i,j,K) грунтового массива в момент времени T.

Алгоритм подпрограммы может быть составлен, как по экспериментальным данным, так и по теоретическим расчетам применительно к конкретному случаю.

Для обращения к подпрограмме ISTO в подпрограмме GRUND (рекомендуемое приложение 2) следует заменить оператор А=0.0 с номером 0000399 на обращение к подпрограмме ISTO:

CALL ISTO (i,j,K,T,F).

В подпрограмме GRUND выводятся на печать значения рассчитанного температурного поля.

Пример текста подпрограммы ISTO приведен в рекомендуемом приложении 2.

2. PROGNOZ-3N

Задача решается по трехмерной расчетной схеме. Отличие от PROGNOZ-3S в том, что вся исходная информация вводится только с перфокарт, изменений текста не требуется. Максимальное количество элементов в расчетной области - 3000. Ввод данных осуществляется в управляющей программе MAIN3N и подпрограмме GLVN3N.

Подпрограмма BLOCK DATA отсутствует.

3. PROGNOZ-2S

Эта подпрограмма отличается от PROGNOZ-3S тем, что рассчитывает только двух- и одномерные температурные поля. Программы MAIN и BLOCK DATA составляются для каждого варианта прогноза. Расчет двухмерных задач по модификации PROGNOZ-2S сокращает время расчета по отношению к PROGNOZ-3S приблизительно 1,5 раза.

4. PROGNOZ-2N

Аналогично PROGNOZ-2S рассчитывается только двух- и одномерные температурные поля. Вся исходная информация вводится только с перфокарт. Ввод данных осуществляется в подпрограмме MAIN2N и подпрограмме GLVN2N. Подпрограмма BLOCK DATA отсутствует. Максимальное количество элементов в расчетной области - 3000.

5. PROGNOZ-L

Решается двухмерная задача. Верхняя граница области исследования может быть задана ступенчатой линией.

Ввод данных аналогичен PROGNOZ-2N. Максимальное количество элементов (с учетом фиктивных) в расчетной области - 3000.

3. ПОДГОТОВКА ИСХОДНЫХ ДАННЫХ ДЛЯ РАСЧЕТА

3.1. Расчетная область

Расчетная область исследования может быть задана трехмерной, двухмерной или одномерной. Так как в грунтах теплообмен всегда пространствен, т.е. трехмерен, то в трехмерной расчетной области может решаться любая задача прогнозирования. В этом случае любая точка М грунта определяется координатами (x, y, z) в прямоугольной системе координат. В ряде случаев задача может быть сведена к двухмерной и даже одномерной, что более выгодно и удобно при расчете на ЭВМ.

Алгоритм составлен и может быть применен для расчетных областей, ограниченных прямоугольной верхней границей, в контурах которой фиксированы в плане тепловыделяющие объекты. В трехмерном случае область исследования параллелепипед, в двухмерном - прямоугольник и в одномерном - прямая. Для создания объема в двухмерной и одномерной областях задаются по направлениям, в которых размеры не определяются, единичные размеры, равные 1 м.

Область исследования фиксируется прямоугольной системой координат, с центром 0 в одной из вершин параллелепипеда и направлениями осей: z - в вертикальном направлении, x и y в горизонтальных. Направление горизонтальных осей x и y совпадает с осевыми линиями тепловыделяющих объектов. Величина ребер параллелепипеда определяет размеры области исследования. Его грани являются границами области исследования.

Различаются верхняя, нижняя и четыре боковые границы (соответственно верхняя, нижняя и четыре боковых грани параллелепипеда).

Теплопоток через боковые границы области исследования должен быть построен во времени и по всей плоскости грани. Исходя из этого, определяются размеры области исследования.

На практике чаще применяется условие отсутствия теплопотока через боковые границы. Тогда для тепловыделяющих сооружений расстояние от их контура в плане до боковой границы области исследования должно быть в 2,5-3 раза больше, чем размеры самого здания в том же направлении.

Положение нижней границы (глубина области исследования) выбирается ниже глубины распространения годовых колебаний температуры в грунтах и зависит от интенсивности тепловыделения на верхней границе, а также срока прогнозного расчета.

При естественных условиях теплообмена на верхней границе, или без наличия тепловыделяющих сооружений эта глубина должна быть не менее 15-20 м. В остальных случаях она должна быть на 10 м больше максимальной глубины чаши оттаивания, определенной расчетом по СНиП II-18-76.

При определении области исследования следует исходить также из экономии времени счета на ЭВМ. Для этого следует использовать возможную симметричность задачи, а также возможность сведения трехмерной области с двухмерной или одномерной.

Если задача симметрична, или может быть сведена к симметричной, то в трехмерной задаче плоскость (или плоскости) симметрии, а в двухмерной ось (или оси) симметрии должны быть границами области исследования с условием отсутствия теплообмена на них.

3.2. Разбивка области исследования

Область исследования разбивается на прямоугольные элементы произвольных размеров (рис. 4).

Рис. 4. Пример разбивки области исследования

Разбивка производится горизонтальными и вертикальными плоскостями (разбивочными плоскостями), параллельными соответствующим границам области в следующем порядке:

на верхней и нижней границах области исследования выделяются зоны с различным режимом теплообмена грунта с окружающей средой. На каждом из этих границ может быть выделено до 9 таких зон;

границы выделенных зон с различным режимом теплообмена должны быть параллельны боковым границам области исследования. Если граница выделенной зоны не отвечает этому требованию, то она заменяется ступенчатой линией со «ступеньками», аппроксимирующими ее контур и удовлетворяющими указанному требованию;

после построения границ зон через каждую прямую, образующую «ступеньки», как на верхней, так и на нижней границах области исследования проводятся разбивочные плоскости;

криволинейные границы литологических разностей заменяются ступенчатыми, с плоскостями образующих их «ступенек», параллельными границам области исследования;

проводятся разбивочные плоскости через плоскости полученных «ступенек»;

проводятся остальные разбивочные плоскости так, чтобы в зоне возможных фазовых переходов грунтовой влаги размеры ребер получаемых прямоугольных элементов в направлении теплообмена составляли от 0,5 до 2 м. Размер ребер тех же элементов в перпендикулярных направлениях может быть соответственно в 2-3 раза больше. Вне зоны возможных фазовых переходов и влияния тепловыделяющих объектов размер элементов в направлении теплообмена может быть постепенно увеличен до 6-8 м.

По каждому направлению число элементов не должно превышать 100.

В результате проведенного разбиения область исследования состоит из прямоугольных элементов разных размеров. Каждая выделенная литологическая разность представлена целым числом элементов. В контурах зон с различным режимом теплообмена на верхней и нижней границах содержится целое число элементов (в плане).

Полученное разбиение остается постоянным на все время проведения расчета.

За каждым элементом закрепляется трехзначный индекс (i, j, к), где i определяет номер элемента по направлению оси z, j - по направлению оси х и к - по направлению оси у.

Фиксируется число расчетных элементов по направлению осей.

Обозначим их соответственно NI, NJ, NK. Произведение  определяет число расчетных элементов во всей области исследования.

При решении двухмерной задачи NK =1. При решении одномерной NK =1 и NJ =1/

3.3. Начальные условия

В каждом полученном элементе области исследования задаются начальные условия, т.е. температуры грунта, соответствующие времени начала расчета. Эти температуры назначаются в геометрических центрах элементов и считывается, что каждый элемент характеризуется температурой его центра. Последнее положение также относится к любым температурным полям, полученным в процессе расчета задачи.

Начальное распределение температур в области исследований назначается по данным термокаротажных работ. Время проведения этих работ считается моментом начала расчета.

Начальная температура ни в одном из элементов не может назначаться равной температуре начала фазовых переходов . В этом случае задается температура , где°С.

Начальная температура грунтазаписывается в табл. 1 по «разрезам», сделанным параллельно оси j в области исследования для каждого фиксированного значения , где.

Таблица 1

K=1

j

j =1

j =2

· · · · · · · · · · · · · · · · ·

j =NJ

i

i=1

U (1, 1, 1)

U (1, 2, 1)

· · · · · · · · · · · · · · · · ·

U (1, NJ, 1)

i=2

U (2, 1, 1)

U (2, 2, 1)

· · · · · · · · · · · · · · · · ·

U (2, NJ, 1)

i=3

U (3, 1, 1)

U (3, 2, 1)

· · · · · · · · · · · · · · · · ·

U (3, NJ, 1)

·

·

·

·

·

·

·

·

·

 

·

·

·

i =Ni

U (Ni, 1, 1)

U (1, 2, 1)

· · · · · · · · · · · · · · · · ·

U (Ni, NJ, 1)

K=2

j

j =1

j =2

 

j =NJ

i

i=1

U (1, 1, 2)

U (1, 2, 2)

· · · · · · · · · · · · · · · · ·

U (1, NJ, 2)

i=2

U (2, 1, 2)

U (2, 2, 2)

· · · · · · · · · · · · · · · · ·

U (2, NJ, 2)

i=3

U (3, 1, 2)

U (3, 2, 2)

· · · · · · · · · · · · · · · · ·

U (3, NJ, 2)

·

·

·

·

·

·

·

·

·

 

·

·

·

i =Ni

U (Ni, 1, 2)

U (Ni, 2, 2)

· · · · · · · · · · · · · · · · ·

U (Ni, NJ, 2)

и т.д.

K=NK

j

j =1

j =2

 

j =NJ

i

i=1

U (1, 1, NK)

U (1, 2, NK)

· · · · · · · · · · · · · · · · ·

U (1, NJ, NK)

i=2

U (2, 1, NK)

U (2, 2, NK)

· · · · · · · · · · · · · · · · ·

U (2, NJ, NK)

i=3

U (3, 1, NK)

U (3, 2, NK)

· · · · · · · · · · · · · · · · ·

U (3, NJ, NK)

·

·

·

·

·

·

·

·

·

 

·

·

·

i =Ni

U (Ni, 1, NK)

U (Ni, 2, NK)

· · · · · · · · · · · · · · · · ·

U (Ni, NJ, NK)

3.4. Граничные условия

Граничные условия задаются на каждое границе области исследований на все время расчета температурного режима.

На верхней границе области исследования задаются независимые друг от друга граничные условия в каждой выделенной зоне с различным режимом теплообмена грунта с внешней средой.

Количество граничных условий на нижней границе определяется количеством выделенных на границе зон с различным режимом теплообмена. В одномерных задачах на верхней и нижней границах задается только одно граничное условие.

На каждой из боковых границ области исследования задается по одному граничному условию.

Различают граничные условия I, II и III рода.

Условие I рода - известна температура грунта на поверхности границы;

Условие II рода - известен теплопоток через поверхность границы.

Условие III рода - теплообмен через границу области исследования определяется температурой окружающей среды и коэффициентом теплообмена, т.е. происходит по закону Ньютона.

,

где - количество приходящего к поверхности грунта или уходящего от него тепла, кДж (ккал);

*     - коэффициент теплоотдачи с поверхности грунта,

Вт/(м2·°С), ккал/ /(м2·°С·ч);

- температура поверхности грунта, °С;

- температура окружающей среды, °С.

Граничные условия верхней границы изменяются с периодом повторения Тпер, назначаемым в исходных данных расчета. На практике наиболее часто употребляется Тпер=1 год=8760 часов.

Период счета разбит на интервалы. Если период год, то интервалов 12 (12 месяцев) или 36 (36 декад). Количество интервалов задается в исходных данных переменной Li. На верхней границе области исследования, в каждой выделенной зоне с различным режимом теплообмена грунта с внешней средой, для каждого интервала периода счета задаются следующие средние значения за этот интервал величин, определяющих теплообмен в зависимости от рода краевых условий в зоне:

для условий I рода задается температура поверхности грунта, °С;

для условий II рода задается величина теплопотока; кДж (ккал);

для условий III рода задаются:

- температура окружающей среды, °С;

*          - термическое сопротивление поверхности грунта,

*          м2·°С/Вт, м2·ч·°С/ккал;

- коэффициент теплообмена, Вт/(м2··°С), ккал/(м2·ч·°С).

На любой момент времени от начала счета значения этих величин определяются линейной интерполяцией между значениями их в соседних интервалах.

На нижней границе задаются условия теплообмена I рода. При этом в каждой выделенной зоне значения температуры могут быть только постоянными на все время проведения расчета.

На каждой их четырех боковых границ задаются условия II рода. Теплопоток на каждой границе постоянен на все время проведения расчета и по всей плоскости грани. Для граничных условий верхней границы заполняется табл. 2. При этом каждой выделенной зоне присваивается постоянный номер от 1 до М, где М £ 9.

Таблица 2

Номер

зоны

Год краевых

условий в зоне

Месяц (или декада)

I II III IV· · · ·XII

Характеристики

1

III

Температура окружающей среды t, °С

 

Термическое сопротивление R, м2·°С/Вт (м2·ч·°С/ /ккал)

Коэффициент теплообмена a, Вт/(м2·°С), ккал/(м2· ч·°С)

2

I

Температура на поверхности грунта t, °С

 

3

II

Теплопоток Q, кДж (ккал)

 

4

III

Температура окружающей среды t, °С

Термическое сопротивление R, м2·°С/Вт (м2·ч·°С/ /ккал)

Коэффициент теплообмена a, Вт/(м2·°С), ккал/(м2· ·ч·°С)

 

и т.д. для каждой выделенной зоны

После закрепления номеров за каждой зоной краевых условий верхней границы заполняется табл. 3. Каждое значениеэтой таблицы имеет вид:

,

где

- номер типа источника,. Если источник отсутствует ;

- номер зоны краевых условий верхней границы, в которой находится элементобласти исследования;

*       - номер зоны краевых условий нижней границы для соответствующего элементаобласти исследования.

Для двухмерной задачи табл. 3 состоит из одного столбца для, для одномерной из одного числа.

Таблица 3

K

K=1

K=2

· · ·· ·· ·· ·· ·· ·· ·· ····

K =NK

j

j=1

KL (1, 1)

KL (1, 2)

· · ·· ·· ·· ·· ·· ·· ·· ····

KL (1, NK)

j=2

KL (2, 1)

KL (2, 2)

· · ·· ·· ·· ·· ·· ·· ·· ····

KL (2, NK)

·

·

·

·

·

·

·

·

·

 

·

·

·

j=NJ

KL (NJ, 1)

KL (NJ, 2)

· · ·· ·· ·· ·· ·· ·· ·· ····

KL (NJ, NK)

3.5. Физические и теплофизические свойства

Расчетная область может содержать до 10 литологических разностей, характеризующихся следующими свойствами, учитывающимися алгоритмом:

- плотность сухого грунта кг/м3;

- весовая влажность грунта, доли единицы;

- удельная теплоемкость скелета, кДж/(кг·°С), ккал/(кг·°С);

- коэффициент теплопроводности грунта в талом состоянии Вт/(м´ ´°С), ккал/(м·ч·°С);

- температура начала фазовых переходов, °С;

- количество незамерзшей воды в диапазоне отрицательных температур, доли, задаваемой кривой

,

где- коэффициенты, определяющие количество незамерзшей воды в данной литологической разности.

Все вышеуказанные свойства должны быть определены для каждой литологической разности по лабораторным данным, справочным или нормативным документам. Они остаются неизменными для всего времени счета.

Составляется табл. 4. При этом каждой литологической разности присваивается постоянный номер от 1 до, где.

Таблица 4

Номер литологической разности

,

кг/м3

,

ккал/(кг·°С)

,

доли

,

Вт/(м·°С),

ккал/(м·ч·°С)

,

Вт/(м·°С),

ккал/(м·ч·°С)

, °С

,

доли

1

 

 

 

 

 

 

 

2

 

 

 

 

 

 

 

и т.д.

до

 

 

 

 

 

 

 

В графе  помещается информация о незамерзшей воде в данном слое. Если известна кривая, то есть уже известны коэффициенты ее задающие, то записываются значения коэффициентов. Если известны лабораторные данные, то приводятся они. Например, и так далее не менее трех значений. Если в расчете, то коэффициенты, задающие кривую незамерзшей воды в данном слое,будут равны:.

После закрепления номеров за каждой литологической разностью заполняется табл. 5, структура которой повторяет табл. 1. Таблицей 5 за каждым элементом,, полученным при разбивке области исследования, закрепляется номер той литологической разности, которой он принадлежит.

Каждое значениев табл. 5 может быть только целым числом от 1 до, где- число выделенных литологических разностей.

Таблица 5

K=1

j

j =1

j =2

 · · · · · · · · · · · · · · · ·

j =NJ

i

i=1

N (1, 1, 1)

N (1, 2, 1)

· · · · · · · · · · · · · · · · ·

N (1, NJ, 1)

i=2

N (2, 1, 1)

N (2, 2, 1)

 · · · · · · · · · · · · · · · ·

N (2, NJ, 1)

·

·

·

·

·

·

·

·

·

 

·

·

·

i =Ni

N (Ni, 1, 1)

N (Ni, 2, 1)

· · · · · · · · · · · · · · · ·

N (Ni, NJ, 1)

K=2

j

j =1

j =2

· · · · · · · · · · · · · · · ·

j =NJ

i

i=1

N (1, 1, 2)

N (1, 2, 2)

· · · · · · · · · · · · · · · ·

N (1, NJ, 2)

i=2

N (2, 1, 2)

N (2, 2, 2)

· · · · · · · · · · · · · · · ··

N (2, NJ, 2)

·

·

·

·

·

·

·

·

·

 

·

·

·

i =Ni

N (Ni, 1, 2)

N (Ni, 2, 2)

· · · · · · · · · · · · · · · ·

N (Ni, NJ, 2)

и т.д.

K=NK

j

j =1

j =2

· · · · · · · · · · · · · · · ·

j =NJ

i

i=1

N (1, 1, K)

N (1, 2, K)

· · · · · · · · · · · · · · · ··

N (1, NJ, NK)

i=2

N (2, 1, K)

N (2, 2, K)

· · · · · · · · · · · · · · · ·

N (2, NJ, NK)

·

·

·

·

·

·

·

·

·

 

·

·

·

i =Ni

N (Ni, 1, K)

N (Ni, 2, K)

· · · · · · · · · · · · · · · ·

N (Ni, NJ, NK)

3.6. Дополнительные данные, необходимые для проведения расчета

Для проведения расчета необходимо также определить значение следующих величин, задействованных алгоритмом.

Шаг по времени. Размеры элементов и шаг по времени связаны между собой следующим соотношением:

где- шаг по времени, ч;

- номер грунтовой разности;

- число выделенных грунтовых разностей;

- теплоемкость мерзлого грунта-го слоя при , кДж/(м3·°С), ккал/(м3·°С);

- количество незамерзшей воды, доли;

- удельная теплоемкость сухого грунта, кДж/(кг·°С), ккал/(кг·°С);

- удельная теплоемкость льда, кДж/(кг·°С), ккал/(кг·°С);

- коэффициент объемного расширения,;

- весовая влажность грунта, доли;

- коэффициент теплопроводности мерзлого грунта, Вт/(м·°С), ккал/ /(м·ч·°С);

- мерность области исследования,;

- размер ребра элемента.

Шаг по времени может быть изменен в процессе счета раз, где .

Время измерения расчетного шага от начала расчета задается одномерным массивомразмерностью.

где- время измерения шага от начала счета в часах.

Отсчет происходит от моментов начала счета, т.е. от 0.

Определяется Ткон (час) - время окончания решения задачи. Задаются- время выдачи результатов расчета на печать (в часах). Время последней выдачи результатаобязательно меньшена один шаг по времени. В противном случае счет может прекратиться раньше, чем будет получен последний результат.

Определяются интервалы, через которые происходит очередная выдача результатов на печать.

и т.д.

Для последующего ввода в ЭВМ формируется одновременный массив HPRI размерностью INT. Размерность INT массива зависит от того, с постоянным шагом выдаются результаты расчета или нет.

- выдача производится с постоянным шагом;

- выдача производится с переменным шагом.

Еслито

Еслито

и т.д.

Задание печати распределения температур

Для удобства обработки информации, получаемой в результате расчета, фиксируются необходимые для анализа температурного режима «линии резервов», по которым выдается на печать распределение температур.

Положение «разрезов», параллельных плоскости , задается координатой  элементов, составляющих этот разрез.

Формируется массив целых чисел  размерностью  , где  - число выдаваемых на печать «разрезов» по направлению. Если по этому направлению ни одного разреза выдавать на печать не надо, то  В противном случае  и т.д. , где

Положение «разрезов», параллельных плоскости , задается координатой  элементов, составляющих этот разрез.

Формируется массив целых чисел  размерностью , где - число выдаваемых на печать «разрезов» по направлению . Если по этому направлению ни одного разреза выдавать на печать не надо, то  и В противном случае  и т.д.  где

Положение «разрезов», параллельных плоскости, задается координатойэлементов, составляющих этот разрез.

Формируется массив целых чисел  размерностью  , где - число выдаваемых на печать «разрезов» по направлению .

Если по этому направлению ни одного разреза выдавать на печать не надо, то  и . В противном случае  и т.д. , где .

4. ПРОВЕДЕНИЕ РАСЧЕТА

4.1. Вызов и загрузка программы в ЭВМ

Каждая из модификаций программы PROGNOZ состоит из нескольких модулей, объединенных главной программой MAIN. Подпрограммы-модули GRUND, WNS, HF, FIND содержатся в личной библиотеке исходных модулей (или библиотеке загрузочных модулей).

Ниже приводится пример пакета вызова программы PROGNOZ-3S из библиотеки исходных модулей. Задание требует не менее 300 килобайт памяти и использует оптимизирующий транслятор (ФОРТРАН-ОП) системы ОС ЕС.

Здесь:

имя - биб - имя личной библиотеки исходных модулей;

имя - тома - имя тома, на которой размещена библиотека.

// JOB

// EXEC FORTHCLG

// FORT. SYSIN DD DDNAME=PKAR

//            DD DSN=<ИМЯ - БИБ>(GRUND),DISP=SHR,

//                      VOL=SER=<ИМЯ-ТОМА>,UNIT=SYSDA

//            DD DSN=<ИМЯ - БИБ>(WNS),DISP=SHR,

//                      VOL=SER=<ИМЯ-ТОМА>,UNIT=SYSDA

////          DD DSN=<ИМЯ - БИБ>(HF),DISP=SHR,

//                      VOL=SER=<ИМЯ-ТОМА>,UNIT=SYSDA

//            DD DSN=<ИМЯ - БИБ>(FIND),DISP=SHR,

//                      VOL=SER=<ИМЯ-ТОМА>,UNIT=SYSDA

// PKAP DD*

<текст программы MAIN на перфокартах>

<текст подпрограммы BLOCK DATA на перфокартах>

// GO. SYSIN DD*

<исходные данные>

/*

//

Текст подпрограммы для модификации PROGNOZ-3S приведен в обязательном приложении 3.

4.2. Составление программы MAIN и подпрограммы BLOCK DATA

Программа MAIN в модификациях PROGNOZ-3S и PROGNOZ-2S составляется для каждого варианта расчета. Пример программы MAIN для расчета контрольного примера (приложение 1) приведен в обязательном приложении 3.

Программа MAIN содержит обращение к основной подпрограмме GRUND алгоритма. Перед обращением к подпрограмме GRUND в MAIN должны быть определены все формальные аргументы подпрограммы, приведенные в табл. 6.

Таблица 6

Идентификатор

Фактическое значение

NSL

Число выделенных литологических разностей (NSL£10)

NI

Число элементов по направлению i, (NI£100)

NJ

Число элементов по направлению j, (NJ£100)

NK

Число элементов по направлению K, (NK£100)

NT

Число изменений шага по времени (NT£10)

LI

Число интервалов времени в периоде, во время которых задаются средние значения характеристик внешней среды на верхней границе (Li£36)

M

Число зон с различными краевыми условиями на верхней границе (M£9)

M1

Число зон с различными краевыми условиями на нижней границе (M1£9)

TKON

Время окончания счета (в часах)

A1(NSL), B1(NSL)

Одномерные массивы размерностью NSL

C1(NSL)

Коэффициенты, задающие кривую незамерзшей воды по слоям

N(NI,NJ,NK)

Трехмерный массив размерностью NI´NJ´NK

Номера слоев грунта в соответствующих элементах (см. табл. 5)

KL(NJ,NK)

Двухмерный массив размерностью NJ´NK

Массив номеров зон краевых условий по элементам верхней и нижней границ (см. табл. 3)

U(NI,NJ,NK)

Трехмерный массив размерностью NI´NJ´NK

Начальная температура грунта по элементам (см. табл. 1)

IW

Число выдаваемых на печать «разрезов» по направлению i (см. п.3.6)

JW

Число выдаваемых на печать «разрезов» по направлению j (см. п.3.6)

KW

Число выдаваемых на печать «разрезов» по направлению K (см. п. 3.6)

INT

Размер массива HPRI (см. п. 3.6.)

HPRI (INT)

Одномерный массив размерности INT

Задает интервалы выдачи на печать температуры грунта (час) (см. п. 3.6.)

H (NI,NG,NK)

Трехмерный массив размерностью NI´NJ´NK

Значение энтальпии по элементам на текущем временном слое

UN (NI,NG,NK)

Трехмерный массив размерностью NI´NJ´NK

Температура грунта по элементам на следующем временном слое

HNDV(NI,NG,NK)

Трехмерный массив размерностью NI´NJ´NK

Значение энтальпии по элементам на следующем временном слое

Nsi

Nsi =1, если единица измерения количества теплоты - кДж

 

Nsi#1, если единица измерения количества теплоты - ккал

Оператором DIMENSION определяется размерность массивов H, UN, HNDV, U, A1, B1, C1. Ввод массивов N, KL, U, HPRI осуществляется операторами описания типа (INTEGER, REAL), а также операторами присваивания.

Применение операторов описания типа для ввода указанных массивов, в подавляющем большинстве проводимых на практике расчетов, уменьшает количество информации, вводимой с перфокарт.

Обращение к подпрограммам WNS (NSL, A1, B1, C1) присутствует в том случае, если коэффициенты A1, B1, C1, определяющие кривую незамерзшей воды по грунтовым разностям, неизвестны. В противном случае эти коэффициенты вводятся операторами присваивания или операторами описания типа.

Обращение к подпрограмме GRUND присутствует обязательно и имеет вид:

CALL GRUND (NSL, NI, NJ, NK, NT, LI, M, M1, TKON, A1, B1, C1, N, KL, U, IW, JW, KW, INT, HPRI, H, UN, HNOV, NSI).

Простые переменные NSL, NI, NJ, NK, NT, LI, M, M1, TKON, IW, JW, KW, INT, NSI при обращении к подпрограмме заменяются своими фактическими значениями (см. табл. 6).

Массивы H, UN, HNOV определяются только размерностью в операторе DIMENSION.

В подпрограмме BLOCK DATA (см. приложение 3) оператором DATA вводятся значения по слоям следующих физических и теплофизических характеристик грунта соответствующими идентификаторами:

ВСК (10) - плотность сухого грунта, кг/м3;

ССК (10) - удельная теплоемкость сухого грунта, кДж/(кг·°С), ккал/(кг·°С);

WC (10) - суммарная влажность грунта в долях к весу абсолютно сухого грунта (доли);

UKR (10) - температура начала фазовых переходов.

Значения характеристик берутся из табл. 4.

Текст программы MAIN и подпрограммы BLOCK DATA записывается на стандартных бланках для записи текста на FORTRANe с последующей набивкой на перфокарты.

4.3. Подготовка к вводу группы данных с перфокарт

Начальные данные, вводимые с перфокарт описаны в порядке ввода в табл. 7 и 8.

По табл. 7 вводятся данные, необходимые для расчета коэффициентов кривой незамерзшей воды подпрограммой WNS, для каждой выделенной грунтовой разности. Если в программе MAIN обращения к подпрограмме WNS нет, то числовые данные для ввода готовятся только по табл. 8.

Таблица 7

Порядковый номер оператора ввода

Идентификатор

Формат

Единица измерения

Значение

1

T (3,NSL)

1256.2

°C

По три значения температуры, для которых известно количество незамерзшей воды, для каждой грунтовой разности в порядке их нумерации (см. табл. 4)

2

W (3,NSL)

1256.2

доли ед.

Соответствующие указанным выше температурам количество незамерзшей воды

Таблица 8

Порядковый номер оператора ввода

Идентификатор

Формат

Единица измерения

Значение

3

TLM (NSL)

1356.2

Вт/(м·°С),

ккал/(м·ч·°С)

Одномерный массив размерностью NSL. Теплопроводность мерзлого грунта по слоям в порядке их нумерации (см. табл. 4)

 

TLT (NSL)

 

Вт/(м·°С),

ккал/(м·ч·°С)

Одномерный массив размерностью NSL. Теплопроводность талого грунта по слоям в порядке их нумерации (см. табл. 4)

 

WI (N)

 

м

Одномерный массив размерностью NI. Размер элементов по направлению I

 

NJ (NJ)

 

м

Одномерный массив размерностью NJ. Размер элементов по направлению J

 

HK (NK)

 

м

Одномерный массив размерностью NK. Размер элементов по направлению K

 

SHT (NT)

 

ч

Одномерный массив размерностью NT. Размер шага по времени (см. п. 3.6)

4

TR (NT)

6F12.2

ч

Одномерный массив размерностью NT. Граница (время) измерения шага по времени (см. п. 3.6)

5

TB (LI, M)

12F6.2

°С

Двухмерный массив размерностью LI´M.

Температура внешней среды на верхней границе области исследования при периодическом ее изменении по времени и зонам краевых условий в порядке их нумерации (см. табл. 2)

 

RB (LI, M)

 

м2·°С/Вт,

м2·ч·°С/ккал

Двухмерный массив размерностью LI´M.

Термическое сопротивление поверхности на верхней границе при периодическом изменении по времени и зонам краевых условий в порядке их нумерации (см. табл. 2)

 

AB (LI, M)

 

Вт/(м2·°С),

ккал/(м2·ч·°С)

Двухмерный массив размерностью LI´M.

Коэффициент конвективного теплообмена на верхней границе при периодическом изменении по времени и зонам краевых условий в порядке их нумерации (см. табл. 2)

 

TBIK (M1)

 

°С

Одномерный массив размерностью M1.

Температура внешней среды по зонам нижней границы в порядке их нумерации

 

TBJ

 

Вт/(м2·°С),

ккал/(м2·ч·°С)

Простая переменная. Теплопоток на левой боковой границе области исследования

 

TBJK

 

Вт/(м2·°С),

ккал/(м2·ч·°С)

Простая переменная. Теплопоток на правой боковой границе области исследования

 

TBK

 

Вт/(м2·°С),

ккал/(м2·ч·°С)

Простая переменная. Теплопоток на ближней боковой границе области исследования

 

TBKK

 

Вт/(м2·°С),

ккал/(м2·ч·°С)

Простая переменная. Теплопоток на дальней боковой границе области исследования

6

MR (M)

2713

б/р

Одномерный массив размерностью M.

Род краевых условий по зонам верхней границы в порядке их нумерации (см. табл. 2)

 

MK (5)

 

б/р

Одномерный массив размерностью 5.

Род краевых условий соответственно по нижней, ближней, дальней, левой и правой границам

 

JP (JW)

 

б/р

Одномерный массив размерностью JW.

Номера элементов по направлению J, задающие «разрезы», для которых выводится на печать распределение температур (см. п. 3.6). Если печать не нужна, то JP(1)=0

 

KP (KW)

 

б/р

Одномерный массив размерностью KW.

Номера элементов по направлению K, задающие «разрезы», для которых выводится на печать распределение температур (см. п. 3.6). Если печать не нужна, то KP(1)=0

 

IP (IW)

 

б/р

Одномерный массив размерностью IW.

Номера элементов по направлению I, задающие «разрезы», для которых выводится на печать распределение температур (см. п. 3.6). Если печать не нужна, то IP(1)=0

Все переменные, соответствующие одному порядковому номеру оператора ввода, вводятся по единому формату.

4.4. Выходные данные

При работе программы за каждый шаг расчета по времени обновляется трехмерный массив температур UN(i,j,K), содержащий значения температур в центрах элементов исследуемого массива грунта. На заданный в исходных данных (п. 3.6) момент времени может быть выведено на печать двухмерное температурное поле, представляющее собой разрез массива U, определенный исходными параметрами (см. п. 3.6). Если в некотором элементе происходят фазовые переходы, то есть температура грунта равна температуре начала фазовых переходов (U*), то для этого элемента печатается число, показывающее, какая его часть находится в талом состоянии, по формату: 7ХХ.ХХ, где 7 - условная цифра, а ХХ.ХХ - процентное содержание талого грунта в элементе.

Кроме того, на печать выводятся номер элемента, через который проведен разрез, расстояние от его центра до начала координат и время на моменты печати. Для идентификации точек температурного поля двухмерная матрица окаймляется номерами элементов и значениями расстояния от их центров до начала координат.

Пример печати выходных данных приведен на рис. 5.

Рис. 5. Пример печати выходных данных

4.5. Подготовка данных для расчета по программе PROGNOZ-2S

Исходные данные готовятся согласно пп. 4.2-4.3 настоящего раздела, но следующие переменные имеют постоянные значения:

NK=1

iW=1

jW=1

KW=1

HK (1)=1

Ввод массивов jP, KP, iP отсутствует.

4.6. Подготовка данных для расчета по программе PROGNOZ-3N

Вся исходная информация вводится с перфокарт. Данные готовятся согласно табл. 9. Все переменные, соответствующие одному порядковому номеру оператора ввода, вводятся по единому формату. Максимальное число расчетных элементов 3000, то есть (Ni´Nj´NK £ 3000).

Таблица 9

Порядковый номер оператора ввода

Формат

Идентификатор

Единица измерения

Значение

1

3I5

Ni

б/р

Число элементов по направлению i

 

 

Nj

б/р

Число элементов по направлению j

 

 

NK

б/р

Число элементов по направлению K

2

16I5

NSL

б/р

Число выделенных литологических разностей (NSL£10)

 

 

NT

б/р

Число изменений шага по времени (NT£10)

 

 

Li

б/р

Число интервалов времени в периоде, во время которых задаются средние значения характеристик внешней среды на верхней границе (Li£36)

 

 

M

б/р

Число зон с различными краевыми условиями на верхней границе (М£9)

 

 

M1

б/р

Число зон с различными краевыми условиями на нижней границе (М£9)

 

 

iW

б/р

Число выдаваемых на печать «разрезов» по направлению i (см. п.3.6)

 

 

jW

б/р

Число выдаваемых на печать «разрезов» по направлению j (см. п.3.6)

 

 

KW

б/р

Число выдаваемых на печать «разрезов» по направлению К (см. п.3.6)

 

 

iNT

б/р

Размер массива (см. п.3.6)

 

 

NSi

б/р

=1, если количество теплоты измеряется в кДж

 

 

 

 

¹1, если количество теплоты измеряется в ккал

 

 

NGR

б/р

Число элементов, задающих «ступеньки» на верхней границе области исследования. Примечание. Присутствует только в алгоритме PROGNOZ-L

3

12F6.2

T (3,NSL)

°C

По три значения температуры, для которых задается количество незамерзшей воды, для каждой грунтовой разности в порядке их нумерации (см. табл. 4)

4

12F6.2

W (3,NSL)

доли ед.

Соответствующее указанным выше температурам количество незамерзшей воды

5

13F6.2

Hi (Ni)

м

Одномерный массив размерностью Ni.

Размер элементов по направлению i

6

13F6.2

Hj(Nj)

м

Одномерный массив размерностью Nj.

Размер элементов по направлению j

7

13F6.2

HK (NK)

м

Одномерный массив размерностью NK.

Размер элементов по направлению K

8

13F6.2

U (Ni,Nj,NK)

°С

Трехмерный массив размерностью Ni´ ´Nj´NK.

Начальная температура грунта по элементам (см. табл. 1).

Каждый столбец таблицы набивать на новой перфокарте

9

16I5

N (Ni,Nj,NK)

б/р

Трехмерный массив размерностью Ni´ ´Nj´NK.

Номера слоев грунта в соответствующих элементах (см. табл. 5).

Каждый столбец таблицы набивать на новой перфокарте

10

12F6.2

TB(Li,M)

°С

Двухмерный массив размерностью Li´ ´M.

Температура внешней среды на верхней границе области исследования при периодическом ее изменении по времени и зонам краевых условий в порядке их нумерации (см. табл. 2)

 

 

RB(Li,M)

м2·°С/Вт,

м2·ч·°С/ккал

Двухмерный массив размерностью Li´ ´M.

Термическое сопротивление поверхности на верхней границе при периодическом ее изменении по времени и зонам краевых условий в порядке их нумерации (см. табл. 2)

 

 

AB(Li,M)

Вт/(м2·°С),

ккал/(м2´

´ч·°С)

Двухмерный массив размерностью Li´ ´M.

Коэффициент конвективного теплообмена на верхней границе при периодическом изменении по времени и зонам краевых условий в порядке их нумерации (см. табл. 2)

11

16I5

KL(Nj,NK)

б/р

Двухмерный массив размерностью Nj´ ´NK.

Массив номеров зон краевых условий по элементам верхней и нижней границ (см. табл. 3)

Примечание. В алгоритме PROGNOZ-L в массиве KL номер зоны краевых условий по элементам верхней границы задается равным 1.

11a

615

S(NGR,6)

б/р

Двухмерный массив размерностью NGR´6.

Задает номер зоны краевых условий по верхней границе по граням граничных элементов образующих «ступеньку» (см. п. 4.8).

Примечание. Массив S присутствует только в алгоритме PROGNOZ-L

12

F6.1,

5F6.2

G (NSL, 6)

 

Значение теплофизических характеристик грунта по выделенным слоям. Двухмерный массив размерностью NSL´6 (см. табл. 4).

 

 

G (i, 1)

кг/м3

Плотность сухого грунта i-го слоя

 

 

G (i, 2)

кДж/(кг·°С)

Удельная теплоемкость сухого грунта i-го слоя

 

 

G (i, 3)

доли

Суммарная влажность грунта i-го слоя в долях к весу абсолютно сухого грунта

 

 

G (i, 4)

Вт/(м·°С)

Теплопроводность мерзлого грунта i-го слоя

 

 

G (i, 5)

Вт/(м·°С),

ккал/(м2´

´ч·°С)

Теплопроводность талого грунта i-го слоя

 

 

G (i, 6)

°С

Температура начала фазовых переходов i-го слоя

13

6F12.2

SHT (t)

ч

Размер шага по времени с границей

 

 

TR (i)

ч

времени его изменения 1£ t £NT

 

 

TKON

ч

Время окончания счета

14

6F12.2

HPRi (iNT)

ч

Одномерный массив размерностью iNT £ 50.

Задает интервалы выдачи на печать температуры грунта (час) (см. п. 3.6)

15

13F6.2

TbiK (M1)

°С

Одномерный массив размерностью MI.

Температура внешней среды по зонам нижней границы в порядке их нумерации

 

 

TBj

Вт/(м2·°С),

ккал/(м2·ч)

Простая переменная. Величина теплопотока на левой боковой границе области исследования

 

 

TBjK

Вт/(м2·°С),

ккал/(м2·ч)

Простая переменная. Величина теплопотока на правой боковой границе области исследования

 

 

TBK

Вт/(м2·°С),

ккал/(м2·ч)

Простая переменная. Величина теплопотока на ближней боковой границе области исследования

 

 

TBKK

Вт/(м2·°С),

ккал/(м2·ч)

Простая переменная. Величина теплопотока на дальней боковой границе области исследования

16

16I5

MR (M)

б/р

Одномерный массив размерностью М.

Род краевых условий по зонам верхней границы в порядке их нумерации (см. табл. 2)

17

16I5

MK5

б/р

Одномерный массив размерностью 5.

Род краевых условий соответственно на нижней , ближней, дальней, левой и правой границах

18

16I5

jP(jW)

б/р

Одномерный массив размерностью jW.

Номера элементов по направлению j, задающие «разрезы», для которых выводится на печать температурное поле (см. п. 3.6).

Если печать не нужна то JP(1)=0

19

16I5

KP (KW)

б/р

Одномерный массив размерностью KW.

Номера элементов по направлению K, задающие «разрезы», для которых выводится на печать температурное поле (см. п. 3.6).).

Если печать не нужна то KP(1)=0

20

16I5

iP (iW)

б/р

Одномерный массив размерностью iW.

Номера элементов по направлению i, задающие «разрезы», для которых выводится на печать температурное поле (см. п. 3.6).).

Если печать не нужна то iP(1)=0

4.7. Подготовка данных для расчета по программе PROGNOZ-2N

Исходные данные готовятся по табл. 9. Следующие переменные имеют постоянные значения:

NK=1

iW=1

jW=1

KW=1

HK (1)=1

TBK=0

TBKK=0

Операторы ввода с порядковыми номерами 18, 19, 20 отсутствуют. Максимальное число расчетных элементов 3000, т.е. (Nj´NK £ 3000).

4.8. Подготовка данных для расчета по программе PROGNOZ-L

Данные готовятся согласно п. 4.7 настоящего раздела. Значение начальной температуры в фиктивных элементах (элементах, дополняющих область исследования до прямоугольной) задаются равными условному числу 99.99.

Краевые условия на верхней ступенчатой границе определяются номером зоны краевых условий на левой, верхней и правой гранях граничных элементов, формирующих верхнюю границу области исследования, и задаются массивом S размерностью (NGR´6) где NGR - число граничных элементов (рис. 6).

0

1

2

3

4

5

6

7

8

9

j

1

 

 

 

 

5

6

 

 

15

 

2

 

 

3

4

 

7

 

 

14

 

3

1

2

 

 

 

8

 

 

13

 

4

 

 

 

 

 

9

 

 

12

 

5

 

 

 

 

 

 

10

11

 

 

6

 

 

 

 

 

 

 

 

 

 

 

 

 

 

 

 

 

 

 

 

 

 

i

 

 

 

 

 

 

 

 

 

Рис. 6. Пример задания ступенчатой области исследования

 

- фиктивные элементы

 

4

- граничные элементы, 4 - порядковый номер элемента

S (d,1) - порядковый номер элемента, S (d,1)=d;

S (d,2) - координата элемента по направлению i 1£ S (d,2) £ Ni;

S (d,3) - координата элемента по направлению j 1£ S (d,3) £ Nj;

S (d,4) - номер зоны краевых условий на левой грани элемента, 0£ S (d,4)£ £ 9. S (d,4)=0, если эта грань не является поверхностью теплообмена с внешней средой;

S (d,5) - номер зоны краевых условий на верхней грани элемента, 0£ S (d,5) £ 9. S (d,5)=0, если эта грань не является поверхностью теплообмена с внешней средой;

S (d,6) - номер зоны краевых условий на правой грани элемента, 0£ S (d,6)£ £ 9. S (d,6)=0, если эта грань не является поверхностью теплообмена с внешней средой;

По предлагаемому алгоритму не могут рассматриваться случаи, когда нижняя грань элементов, формирующих верхнюю границу области исследования, является поверхностью теплообмена с внешней средой.

Ввод двухмерного массива S осуществляется по строкам оператором ввода 11-а (см. табл. 9).

Например, на верхней границе ступенчатой области (см. рис. 6) выделено 3 зоны с различными условиями теплообмена:

I зона - верхние грани 1, 2, 3, 10, 11 элементов;

II зона - верхние грани 5, 6, 15 элементов;

III зона левые грани 3, 5, 12, 13, 14, 15 и правые грани 6, 7, 9 элементов.

Тогда массив S имеет вид:

S (d,1)

S (d,2)

S (d,3)

S (d,4)

S (d,5)

S (d,6)

1

3

1

0

1

0

2

3

2

0

1

0

3

2

3

3

1

0

4

2

4

0

1

0

5

1

5

3

2

0

6

1

6

0

2

3

7

2

6

0

0

3

8

3

6

0

0

3

9

4

6

0

0

3

10

5

7

0

1

0

11

5

8

0

1

0

12

4

9

3

0

0

13

3

9

3

0

0

14

2

9

3

0

0

15

1

9

3

2

0

Приложение 1

Рекомендуемое

Пример расчета

Требуется определить температурный режим, сформировавшийся в грунте в контуре отапливаемого производственного здания размером 20´12 м без проветриваемого подполья через 10 лет после начала эксплуатации.

В процессе эксплуатации здания с одной из его сторон на части прилегающей территории в зимнее время будут образовываться снежные надувы (увеличение максимальной мощности снега на 0,4 м по сравнению с естественным).

Рассматривался режим теплообмена на прилегающей территории, наименее благоприятный для эксплуатации здания. Предполагалось, что снежные надувы образовывались симметрично со всех сторон здания. В результате определялся температурный режим под 1/4 частью здания (угол 6´10 метров), образованной осями симметрии.

Область исследования представляет собой прямоугольный массив грунта, ограниченный глубиной 17 м и прямоугольной областью 21´15 м на верхней и нижней границах.

Размер элементов в метрах по направлению осей выбран для расчета следующий:

по оси z: 2, 2, 2, 2, 3, 3, 3;

по оси x: 3, 3, 2, 2, 2, 3, 3, 3;

по оси y: 3, 3, 3, 2, 2, 2.

Всего расчетных элементов: 7´8´6=336.

Шаг по времени 121,67 часа.

На верхней границе выделено три зоны с различными краевыми условиями. На нижней границе, на глубине 17 м температура принята постоянной, равной - 1,4 °С. На боковых границах - условие теплоизоляции, теплопоток равный 0.

Расположение зон краевых условий на верхней границе приведено на рис. 1 настоящего приложения.

Рис. 1. Разбивка верхней границы области исследования

на элементы z зоны краевых условий

Условия теплообмена по месяцам и по зонам верхней границы приведены в табл. 1 приложения.

Таблица 1

Номер

зоны

Род краевых

условий

Характеристика

Месяц

I

II

III

IV

V

VI

VII

VIII

IX

X

XI

XII

1

III

Температура

tn =t+Dt (°C)

-24,6

-23,2

-19,2

-9,5

3,7

13,1

18,0

12,4

4,6

-4,6

-16,4

-22,4

 

 

Термическое сопротивление

R, м2·ч·°С/ккал

2,6

2,7

2,8

3,0

1,7

-

-

-

-

1,3

2,1

2,3

 

 

Коэффициент теплообмена a, ккал/(м2·ч·°С)

13,8

12,3

12,3

12,0

12,1

12,6

13,4

14,0

14,3

13,4

13,5

12,7

2

III

Температура t (°C)

t=20°C= Const

 

 

Термическое сопротивление R, м2·ч·°С/ккал

R=1,8= Const

 

 

Коэффициент теплообмена

a, ккал/(м2·ч·°С)

a=20.0= Const

3

III

Температура

tn =t+Dt (°C)

-24,6

-23,2

-19,2

-9,5

3,7

13,1

18,0

12,4

4,6

-4,6

-16,4

-22,4

 

 

Термическое сопротивление

R, м2·ч·°С/ккал

4,4

4,4

4,7

5,0

2,8

-

-

-

-

2,1

3,5

3,9

 

 

Коэффициент теплообмена

a, ккал/(м2·ч·°С)

13,8

12,3

12,3

12,0

12,1

12,6

13,4

14,0

14,3

13,4

13,5

12,7

Начальное распределение температуры для всей области исследования меняется только по глубине.

Глубина, м

1

3

5

7

9,5

12,5

15,5

°С

-0,1

-0,4

-1,0

-1,2

-1,4

-1,4

-1,4

Начальные условия приведены на январь месяц.

Рис. 2. Разрез грунта с выделенными литологическими разностями

На рис. 2 приложения изображен схематический разрез грунта, в котором выделены три различные грунтовые разности, физические и теплофизические свойства которых приведены в табл. 2. Каждая грунтовая разность по всем трем направлениям содержит целое число элементов.

Таблица 2

Номер слоя

Описание грунта

Характеристика

rd, кг/м3

Cd, ккал/(м·ч·°С)

Wtot, доли

lM, ккал/(м·ч·°С)

lT, ккал/(м·ч·°С)

WW, доли

1

Суглинок бурооричневый,

ожелезненный, с включением

гравия и кальки

1390

0,22

0,25

1,3

1,15

WW (-0,3)=0,14

 

 

 

 

 

WW (-1,0)=0,12

 

 

 

 

 

WW (-10,0)=0,08

2

Супесь буровато-коричневая,

сильно ожелезненная с прослоями суглинка и песка

 

 

 

 

 

WW (-0,3)=0,12

 

 

 

 

 

WW (-1,0)=0,08

1520

0,24

0,22

1,55

1,55

WW (-10,0)=0,05

3

Песок пылеватый, желтоко-коричневый, буро-серый,

ожелезненный, оторфован

1500

0,23

0,27

2,35

2,15

WW (0)=0,0

Распределение температур требуется выдавать на печать на каждый год от начала эксплуатации по разрезам: АА¢, ВВ¢, СС¢, ДД¢, ЕЕ¢, FF¢, KK¢ (см. рис. 1).

Для поставленной задачи прогноза текст программы MAIN и BLOCK DATA для расчета по программе PROGNOZ-3S, числовая информация на бланках, заполняемая по табл. 7 и 8 раздела 4 даны в соответственно в обязательном приложении 3 и в настоящем.

Пример обработки полученных результатов приведен на рис. 3 (вклейка).

 

Рис 3 Результаты расчета температурного режима грунта по программе PROGNOZ

Продолжение вклейки 1(рис. 3)

 

Исходные данные для расчета контрольного примера приложения 1 по программе PROGNOZ-3S

Перфорировал _______  __                                                                                                          Проверил_____________

                                                                                                                                                                                                                                             перфорацию

Перфорировал _______  __                                                                                                          Проверил_____________

                                                                                                                                                                                                                                   перфорацию

Перфорировал _______  __                                                                                                          Проверил_____

                                                                                                                                                                                                                                   перфорацию

Выдача на печать для контроля ввода начальных данных,

подготовленных для расчета по программе PROGNOZ-3S

контрольного примера приложения 1

-0.3

-1.0

-10.0

-0.3

-1.0

-10.0

0.0

0.0

0.0

 

 

 

 

0.14

0.12

0.08

0.12

0.08

0.05

0.0

0.0

0.0

 

 

 

 

1.30

1.55

2.35

1.15

1.45

2.15

2.0

2.0

2.0

2.0

3.0

3.0

3.0

3.0

3.0

2.0

2.0

2.0

3.0

3.0

3.0

3.0

3.0

3.0

2.0

2.0

2.0

121.67

 

 

 

 

 

 

 

 

 

 

 

876000.0

 

 

 

 

 

 

 

 

 

 

 

-24.6

-23.2

-19.2

-9.5

3.7

13.1

18.0

12.4

4.6

-4.6

-16.4

-22.4

 

20.0

20.0

20.0

20.0

20.0

20.0

20.0

20.0

20.0

20.0

20.0

20.0

 

-24.6

-23.2

-19.2

-9.5

3.7

13.1

18.0

12.4

4.6

-4.6

-16.4

-22.4

 

2.6

2.7

2.8

3.0

1.7

0.0

0.0

0.0

0.0

1.3

2.1

2.3

 

1.8

1.8

1.8

1.8

1.8

1.8

1.8

1.8

1.8

1.8

1.8

1.8

 

4.4

4.4

4.7

5.0

2.82

0.0

0.0

0.0

0.0

2.14

3.57

3.3

 

13.8

12.3

12.3

12.0

12.1

12.6

13.4

13.0

14.3

13.4

13.5

12.7

 

20.0

20.0

20.0

20.0

20.0

20.0

20.0

20.0

3.0

20.0

20.0

20.0

 

13.8

12.3

12.3

12.0

12.1

12.6

13.4

13.0

14.3

13.4

13.5

12.7

 

-1.4

0.0

0.0

0.0

0.0

 

 

 

 

 

 

 

 

3

3

3

1

2

2

2

2

1

4

6

8

1

4

6

0

 

 

 

 

 

/*

 

 

 

 

 

 

 

 

 

 

 

 

//

 

 

 

 

 

 

 

 

 

 

 

 

Приложение 2

Рекомендуемое

Пример текста подпрограммы ISTO

С            ПОДПРОГРАММА ISTO

С            Определяет количество выделенной или поглощенной источником теплоты F в ккал (или КДЖ)  в единицу времени (час( в фиксированном элементе с координатами (I, J, K)

С  Т – текущее время от начала расчета

SUBROUTINE ISTO (I, J, K, T, F)

IF (T.Gf 15260) ANС (T. (T.154.0)) GO TO 10

OG TO 11

10 IF ((((K.EQ.3). AND. ((J.EQ.3.). OR. (JEQ.5))). OR ((JEQ.4. AND.

# (K.EQ.5))). AND. (I.LE.7)) GO TO 12

GO TO 11

12 IF (I.LE.6) F=16666.6

IF (I.EQ.7) F=25000.0

11 OCNTINUE

RETURN

END

Приложение 3

Обязательное

Текст программы PROGNOZ-3S с результатами расчета контрольного примера приложения 1

Раздел MAIN3S содержит подпрограммы MAIN и BLOCK DATA, составленные для решения контрольного примера приложения 1.

Вызов программы на счет из библиотеки исходных модулей имеет вид:

Здесь : BIBL4,S - имя библиотеки исходных модулей;

DTNO3-имя тома.

Результаты расчета контрольного примера представлены на 1-й и 5-й расчетный год.

 

Решается задача в 3 измерениях направление осей К

0----J

/

/

/

/

I

Шаг по времени в часах            121.67+

 

 

Граница измерений                  876000.00

Число блоков по I   7

Номер блока

1

2

3

4

5

6

7

Размер блока

2.00

2.00

2.00

2.00

3.00

3.00

3.00

Коорд. Центра

1.00

3.00

5.00

7.00

9.50

12.50

15.50

Число блоков по J  8

Номер блока

1

2

3

4

5

6

7

8

Размер блока

3.00

3.00

2.00

2.00

2.00

3.00

3.00

3.00

Коорд. центра

1.50

4.50

7.00

9.00

11.00

13.50

16.50

19.50

Число блоков по K 6

Номер блока

1

2

3

4

5

6

Размер блока

3.00

3.00

3.00

2.00

2.00

2.00

Коорд. центра

1.50

4.50

7.50

10.00

12.00

14.00

Условия на границах

K/J

1

2

3

4

5

6

7

8

6

121

121

121

121

111

111

111

111

5

121

121

121

121

131

111

111

111

4

131

131

131

131

131

131

111

111

3

111

111

131

131

131

131

131

131

2

111

111

111

111

111

111

131

131

1

111

111

111

111

111

111

111

111

Шифр XYZW если хода нет источника

Y - номер типа источника

Z - номер зоны краевых условий на верхней границе

W - тоже на нижней

На верхней границе

Номер зоны / месяц

1

2

3

4

5

6

7

8

9

10

11

12

1

темп. возд.

-4.00

-23.20

-19.20

 -9.50

  3.70

13.10

10.00

12.40

  4.60

 -4.60

 16.40

-22.40

 

сопротивл.

  2.00

   2.70

   2.80

  3.00

  1.70

  0.0

  0.0

  0.0

  0.0

  1.30

   2.10

   2.30

 

теплоотд.

13.80

 12.30

 12.30

12.30

12.10

12.40

13.40

13.00

14.30

13.40

 13.50

 12.70

Номер зоны / месяц

1

2

3

4

5

6

7

8

9

10

11

12

2

темп. возд.

20.00

 20.00

 20.00

20.00

20.00

20.00

20.00

20.00

20.00

20.00

 20.00

 20.00

 

сопротивл.

  1.00

   1.00

   1.00

  1.00

  1.00

  1.00

  1.00

  1.00

  1.00

  1.00

   1.00

   1.00

 

теплоотд.

20.00

 20.00

 20.00

20.00

20.00

20.00

20.00

20.00

20.00

20.00

 20.00

 20.00

Номер зоны / месяц

1

2

3

4

5

6

7

8

9

10

11

12

2

темп. возд.

-24.60

-23.20

-19.20

 -9.50

  3.70

13.10

10.00

12.40

  4.60

 -4.00

-16.40

-22.40

 

сопротивл.

    4.40

   4.40

   4.70

  5.00

  2.07

  0.0

  0.0

  0.0

  0.0

  2.14

   3.57

   3.09

 

теплоотд.

  13.80

 12.30

 12.30

12.00

12.10

12.40

13.40

13.00

14.30

13.00

 13.50

 12.70

Продолжительность месяца       730.00

Периодичность измерения                8760.00

     Температура на нижней границе

Номер зоны             1

Температура            -1.40

     На боковых

TBJ=0.0 TBJK=0.0   TBKH=0.0 TBKK=0.0

Номер слоя

ОБ   ВЕС   СК

С    УД

W   C

T   WJ

ТЕПЛ   М

ТЕПЛ   Т

A

B

C

1

1390.00

0.22

0.25

0.0

1.30

1.15

0.127

1.487

0.069

2

1520.00

0.24

0.22

0.0

1.55

1.45

0.045

0.301

0.046

3

1500.00

0.23

0.27

0.0

2.35

2.15

0.0

1.00

0.0

              Начальная температура грунта

     К=1            1.50 м

Блоки по J

1

2

3

4

5

6

7

8

По I / метры

1.50

4.50

7.00

9.00

11.00

13.50

16.50

19.50

1

1.00

-0.10

-0.10

-0.10

-0.10

-0.10

-0.10

-0.10

-0.10

 

 

1

1

1

1

1

1

1

1

2

3.00

-0.40

-0.40

-0.40

-0.40

-0.40

-0.40

-0.40

-0.40

 

 

3

3

2

2

2

2

2

2

3

5.00

-1.00

-1.00

-1.00

-1.00

-1.00

-1.00

-1.00

-1.00

 

 

3

3

2

2

2

2

2

2

4

7.00

-1.20

-1.20

-1.20

-1.20

-1.20

-1.20

-1.20

-1.20

 

 

3

3

2

2

2

2

2

2

5

9.50

-1.40

-1.40

-1.40

-1.40

-1.40

-1.40

-1.40

-1.40

 

 

3

3

2

2

2

2

2

2

6

12.50

-1.40

-1.40

-1.40

-1.40

-1.40

-1.40

-1.40

-1.40

 

 

3

3

3

3

3

3

3

3

7

15.50

-1.40

-1.40

-1.40

-1.40

-1.40

-1.40

-1.40

-1.40

 

 

3

3

3

3

3

3

3

3

     К=4            10.00 м

Блоки по J

1

2

3

4

5

6

7

8

По I / метры

1.50

4.50

7.00

9.00

11.00

13.50

16.50

19.50

1

1.00

-0.10

-0.10

-0.10

-0.10

-0.10

-0.10

-0.10

-0.10

 

 

1

1

1

1

1

1

1

1

2

3.00

-0.40

-0.40

-0.40

-0.40

-0.40

-0.40

-0.40

-0.40

 

 

3

3

2

2

2

2

2

2

3

5.00

-1.00

-1.00

-1.00

-1.00

-1.00

-1.00

-1.00

-1.00

 

 

3

3

2

2

2

2

2

2

4

7.00

-1.20

-1.20

-1.20

-1.20

-1.20

-1.20

-1.20

-1.20

 

 

3

3

2

2

2

2

2

2

5

9.50

-1.40

-1.40

-1.40

-1.40

-1.40

-1.40

-1.40

-1.40

 

 

3

3

2

2

2

2

2

2

6

12.50

-1.40

-1.40

-1.40

-1.40

-1.40

-1.40

-1.40

-1.40

 

 

3

3

3

3

3

3

3

3

7

15.50

-1.40

-1.40

-1.40

-1.40

-1.40

-1.40

-1.40

-1.40

 

 

3

3

3

3

3

3

3

3

     К=6            14.00 м

Блоки по J

1

2

3

4

5

6

7

8

По I / метры

1.50

4.50

7.00

9.00

11.00

13.50

16.50

19.50

1

1.00

-0.10

-0.10

-0.10

-0.10

-0.10

-0.10

-0.10

-0.10

 

 

1

1

1

1

1

1

1

1

2

3.00

-0.40

-0.40

-0.40

-0.40

-0.40

-0.40

-0.40

-0.40

 

 

3

3

2

2

2

2

2

2

3

5.00

-1.00

-1.00

-1.00

-1.00

-1.00

-1.00

-1.00

-1.00

 

 

3

3

2

2

2

2

2

2

4

7.00

-1.20

-1.20

-1.20

-1.20

-1.20

-1.20

-1.20

-1.20

 

 

3

3

2

2

2

2

2

2

5

9.50

-1.40

-1.40

-1.40

-1.40

-1.40

-1.40

-1.40

-1.40

 

 

3

3

2

2

2

2

2

2

6

12.50

-1.40

-1.40

-1.40

-1.40

-1.40

-1.40

-1.40

-1.40

 

 

3

3

3

3

3

3

3

3

7

15.50

-1.40

-1.40

-1.40

-1.40

-1.40

-1.40

-1.40

-1.40

 

 

3

3

3

3

3

3

3

3

     J=1             1.50 м

Блоки по K

1

2

3

4

5

6

По I / метры

1.50

4.50

7.00

10.00

12.00

14.00

1

1.00

-0.10

-0.10

-0.10

-0.10

-0.10

-0.10

 

 

1

1

1

1

1

1

2

3.00

-0.40

-0.40

-0.40

-0.40

-0.40

-0.40

 

 

3

3

3

3

3

3

3

5.00

-1.00

-1.00

-1.00

-1.00

-1.00

-1.00

 

 

3

3

3

3

3

3

4

7.00

-1.20

-1.20

-1.20

-1.20

-1.20

-1.20

 

 

3

3

3

3

3

3

5

9.50

-1.40

-1.40

-1.40

-1.40

-1.40

-1.40

 

 

3

3

3

3

3

3

6

12.50

-1.40

-1.40

-1.40

-1.40

-1.40

-1.40

 

 

3

3

3

3

3

3

7

15.50

-1.40

-1.40

-1.40

-1.40

-1.40

-1.40

 

 

3

3

3

3

3

3

     J=4             9.00 м

Блоки по K

1

2

3

4

5

6

По I / метры

1.50

4.50

7.00

10.00

12.00

14.00

1

1.00

-0.10

-0.10

-0.10

-0.10

-0.10

-0.10

 

 

1

1

1

1

1

1

2

3.00

-0.40

-0.40

-0.40

-0.40

-0.40

-0.40

 

 

2

2

2

2

2

2

3

5.00

-1.00

-1.00

-1.00

-1.00

-1.00

-1.00

 

 

2

2

2

2

2

2

4

7.00

-1.20

-1.20

-1.20

-1.20

-1.20

-1.20

 

 

2

2

2

2

2

2

5

9.50

-1.40

-1.40

-1.40

-1.40

-1.40

-1.40

 

 

2

2

2

2

2

2

6

12.50

-1.40

-1.40

-1.40

-1.40

-1.40

-1.40

 

 

3

3

3

3

3

3

7

15.50

-1.40

-1.40

-1.40

-1.40

-1.40

-1.40

 

 

3

3

3

3

3

3

     J=6             13.50 м

Блоки по K

1

2

3

4

5

6

По I / метры

1.50

4.50

7.00

10.00

12.00

14.00

1

1.00

-0.10

-0.10

-0.10

-0.10

-0.10

-0.10

 

 

1

1

1

1

1

1

2

3.00

-0.40

-0.40

-0.40

-0.40

-0.40

-0.40

 

 

2

2

2

2

2

2

3

5.00

-1.00

-1.00

-1.00

-1.00

-1.00

-1.00

 

 

2

2

2

2

2

2

4

7.00

-1.20

-1.20

-1.20

-1.20

-1.20

-1.20

 

 

2

2

2

2

2

2

5

9.50

-1.40

-1.40

-1.40

-1.40

-1.40

-1.40

 

 

2

2

2

2

2

2

6

12.50

-1.40

-1.40

-1.40

-1.40

-1.40

-1.40

 

 

3

3

3

3

3

3

7

15.50

-1.40

-1.40

-1.40

-1.40

-1.40

-1.40

 

 

3

3

3

3

3

3

     J=8             19.50 м

Блоки по K

1

2

3

4

5

6

По I / метры

1.50

4.50

7.00

10.00

12.00

14.00

1

1.00

-0.10

-0.10

-0.10

-0.10

-0.10

-0.10

 

 

1

1

1

1

1

1

2

3.00

-0.40

-0.40

-0.40

-0.40

-0.40

-0.40

 

 

2

2

2

2

2

2

3

5.00

-1.00

-1.00

-1.00

-1.00

-1.00

-1.00

 

 

2

2

2

2

2

2

4

7.00

-1.20

-1.20

-1.20

-1.20

-1.20

-1.20

 

 

2

2

2

2

2

2

5

9.50

-1.40

-1.40

-1.40

-1.40

-1.40

-1.40

 

 

2

2

2

2

2

2

6

12.50

-1.40

-1.40

-1.40

-1.40

-1.40

-1.40

 

 

3

3

3

3

3

3

7

15.50

-1.40

-1.40

-1.40

-1.40

-1.40

-1.40

 

 

3

3

3

3

3

3

Шаг печати результата час       8760.00

К=1       1.50 м                  Время Т=8760.16 часов        1 Периода  0 Интервала                 0.16 часа

Блоки по J

1

2

3

4

5

6

7

8

По I / метры

1.50

4.50

7.00

9.00

11.0

13.50

16.50

19.50

1

1.00

761.25

761.55

761.91

762.71

763.01

733.20

763.53

763.66

2

3.00

-0.38

-0.44

-0.62

-0.59

-0.57

-0.57

-0.55

-0.55

3

5.00

-0.66

-0.73

-0.92

-0.91

-0.90

-0.59

-0.89

-0.89

4

7.00

-0.90

-0.96

-1.11

-1.12

-1.11

-1.11

-1.11

-1.11

5

9.50

-1,13

-1.17

-1.27

-1.28

-1.29

-1.29

-1.29

-1.29

6

12.50

-1,28

-1.30

-1.33

-1.34

-1.34

-1.35

-1.35

-1.35

7

15.50

-1,37

-1.37

-1.38

-1.38

-1.38

-1.38

-1.38

-1.38

К=4       10.00 м       Время Т=8760.16 часов        1 Периода  0 Интервала                 0.16 часа

Блоки по J

1

2

3

4

5

6

7

8

По I / метры

1.50

4.50

7.00

9.00

11.0

13.50

16.50

19.50

1

1.00

796.28

796.39

795.93

793.60

783.28

776.98

764.07

763.82

2

3.00

702.42

701.25

-3.35

-0.38

-0.45

-0.50

-0.54

-0.54

3

5.00

-0.43

-0.50

-0.78

-0.83

-0.86

-0.87

-0.88

-0.89

4

7.00

-0.74

-0.82

-1.23

-1.09

-1.10

-1.11

-1.11

-1.11

5

9.50

-1,04

-1.09

-1.23

-1.27

-1.29

-1.29

-1.29

-1.29

6

12.50

-1,24

-1.25

-1.31

-1.33

-1.34

-1.35

-1.35

-1.35

7

15.50

-1,35

-1.36

-1.37

-1.38

-1.38

-1.38

-1.38

-1.38

К=6       14.00 м       Время Т=8760.16 часов        1 Периода  0 Интервала                 0.16 часа

Блоки по J

1

2

3

4

5

6

7

8

По I / метры

1.50

4.50

7.00

9.00

11.0

13.50

16.50

19.50

1

1.00

5.62

5.66

5.85

4.78

786.13

765.26

763.34

763.06

2

3.00

727.45

726.35

-0.06

-0.11

-0.40

-0.54

-0.57

-0.57

3

5.00

-0.39

-0.45

-0.69

-0.77

-0.84

-0.88

-0.89

-0.90

4

7.00

-0.70

-0.78

-3.99

-1.07

-1.10

-1.11

-1.11

-1.11

5

9.50

-1,01

-1.07

-1.21

-1.26

-1.28

-1.29

-1.29

-1.29

6

12.50

-1,22

-1.28

-1.30

-1.32

-1.34

-1.35

-1.35

-1.35

7

15.50

-1,35

-1.36

-1.37

-1.38

-1.38

-1.38

-1.38

-1.38

J=1         1.50 м                  Время Т=8760.16 часов        1 Периода  0 Интервала                 0.16 часа

Блоки по K

1

2

3

4

5

6

По I / метры

1.50

4.50

7.50

10.00

12.0

14.00

1

1.00

761.25

762.36

766.28

796.28

4.54

5.62

2

3.00

-0.38

-0.35

-0.26

702.42

719.71

727.45

3

5.00

-0.66

-0.62

-0.54

-0.43

-0.40

-0.39

4

7.00

-0.90

-0.56

-0.88

-0.74

-0.72

-0.78

5

9.50

-1,13

-1.11

-1.67

-1.64

-1.62

-1.01

6

12.50

-1,28

-1.27

-1.23

-1.24

-1.23

-1.22

7

15.50

-1,37

-1.36

-1.36

-1.33

-1.35

-1.35

J=4         9.00 м                  Время Т=8760.16 часов        1 Периода  0 Интервала                 0.16 часа

Блоки по K

1

2

3

4

5

6

По I / метры

1.50

4.50

7.50

10.00

12.0

14.00

1

1.00

762.71

763.37

778.01

793.60

3.83

4.70

2

3.00

-0.59

-0.57

-0.49

-0.38

-0.15

-0.11

3

5.00

-0.91

-0.90

-0.87

-0.83

-0.79

-0.77

4

7.00

-1.12

-1.11

-1.10

-1.09

-1.07

-1.07

5

9.50

-1,28

-1.28

-1.28

-1.27

-1.27

-1.26

6

12.50

-1,34

-1.34

-1.33

-1.33

-1.32

-1.32

7

15.50

-1,38

-1.38

-1.38

-1.38

-1.38

-1.38

J=6         13.50 м       Время Т=8760.16 часов        1 Периода  0 Интервала                 0.16 часа

Блоки по K

1

2

3

4

5

6

По I / метры

1.50

4.50

7.50

10.00

12.0

14.00

1

1.00

763.20

763.88

776.87

776.98

765.60

765.26

2

3.00

-0.57

-0.54

-0.49

-0.50

-0.52

-0.54

3

5.00

-0.89

-0.89

-0.87

-0.87

-0.88

-0.88

4

7.00

-1.11

-1.11

-1.11

-1.11

-1.11

-1.11

5

9.50

-1,29

-1.29

-1.29

-1.29

-1.29

-1.29

6

12.50

-1,35

-1.35

-1.35

-1.35

-1.35

-1.35

7

15.50

-1,38

-1.38

-1.38

-1.38

-1.38

-1.38

J=8         19.50 м       Время Т=8760.16 часов        1 Периода  0 Интервала                 0.16 часа

Блоки по K

1

2

3

4

5

6

По I / метры

1.50

4.50

7.50

10.00

12.0

14.00

1

1.00

763.66

776.71

776.73

763.82

763.27

763.86

2

3.00

-0.55

-0.49

-0.49

-0.54

-0.57

-0.57

3

5.00

-0.89

-0.87

-0.87

-0.89

-0.89

-0.90

4

7.00

-1.11

-1.11

-1.11

-1.11

-1.11

-1.11

5

9.50

-1,29

-1.29

-1.29

-1.29

-1.29

-1.29

6

12.50

-1,35

-1.35

-1.35

-1.35

-1.35

-1.35

7

15.50

-1,38

-1.38

-1.38

-1.38

-1.38

-1.38

К=1       1.50 м                  Время Т=43800.54 часов      5 Периода  0 Интервала                 0.54 часа

Блоки по J

1

2

3

4

5

6

7

8

По I / метры

1.50

4.50

7.00

9.00

11.0

13.50

16.50

19.50

1

1.00

770.37

770.57

771.16

771.22

771.20

771.28

771.83

772.03

2

3.00

714.69

709.65

-0.08

-0.12

-0.13

-0.13

-0.12

-0.11

3

5.00

-0.25

-0.29

-0.42

-0.58

-0.53

-0.55

-0.54

-0.54

4

7.00

-0.48

-0.53

-0.66

-0.74

-0.78

-0.81

-0.81

-0.82

5

9.50

-0,75

-0.89

-0.90

-0.97

-1.01

-1.04

-1.06

-1.06

6

12.50

-1,03

-1.26

-1.11

-1.15

-1.17

-1.20

-1.21

-1.21

7

15.50

-1,28

-1.29

-1.30

-1.31

-1.32

-1.33

-1.34

-1.34

К=4       10.00 м       Время Т=43800.54 часов      5 Периода  0 Интервала                 0.54 часа

Блоки по J

1

2

3

4

5

6

7

8

По I / метры

1.50

4.50

7.00

11.00

11.0

13.50

16.50

19.50

1

1.00

0.69

0.76

0.85

0,46

794.41

785.72

772.91

772.38

2

3.00

1.01

1.06

1.20

0.95

0.59

-0.01

-0.09

-0.10

3

5.00

710.10

708.61

-0.28

-0.16

-0.29

-0.48

-0.52

-0.54

4

7.00

-0.33

-0.37

-0.51

-0.60

-0.69

-0.77

-0.80

-0.81

5

9.50

-0,67

-0.71

-0.83

-0.92

-0.97

-1.02

-1.05

-1.06

6

12.50

-0,99

-1.02

-1.08

-1.12

-1.16

-1.19

-1.20

-1.21

7

15.50

-1,27

-1.28

-1.30

-1.31

-1.32

-1.33

-1.33

-1.34

К=6       14.00 м       Время Т=43800.54 часов      5 Периода  0 Интервала                 0.54 часа

Блоки по J

1

2

3

4

5

6

7

8

По I / метры

1.50

4.50

7.00

9.00

11.0

13.50

16.50

19.50

1

1.00

7.92

8.02

8.25

6.67

799.62

775.78

771.71

771.12

2

3.00

3.17

3.26

3.63

2.92

1.00

701.03

-0.12

-0.14

3

5.00

793.32

796.56

0.87

0.63

-0.14

-0.45

-0.54

-0.56

4

7.00

-0.50

-0.32

-0.35

-0.40

-0.62

-0.75

-0.80

-0.82

5

9.50

-0,64

-0.63

-0.79

-0.88

-0.95

-1.01

-1.05

-1.06

6

12.50

-0,98

-1.01

-1.07

-1.11

-1.15

-1.18

-1.20

-1.21

7

15.50

-1,26

-1.27

-1.29

-1.30

-1.32

-1.33

-1.33

-1.34

J=1         1.50 м                   Время Т=43800.54 часов      5 Периода  0 Интервала                 0.54 часа

Блоки по K

1

2

3

4

5

6

По I / метры

1.50

4.50

7.50

10.00

12.0

14.00

1

1.00

770.37

770.71

775.00

0.69

6.47

7.92

2

3.00

714.69

716.33

736.25

1.01

2.53

3.17

3

5.00

-0.25

-0.23

-0.18

710.18

760.45

793.32

4

7.00

-0.48

-0.46

-0.41

-0.33

-0.31

-0.30

5

9.50

-0,75

-0.73

-0.70

-0.67

-0.65

-0.64

6

12.50

-1,03

-1.02

-1.01

-0.99

-0.98

-0.98

7

15.50

-1,28

-1.28

-1.27

-1.27

-1.27

-1.26

J=4         9.00 м                  Время Т=43800.54 часов      5 Периода  0 Интервала                 0.54 часа

Блоки по K

1

2

3

4

5

6

По I / метры

1.50

4.50

7.50

10.00

12.0

14.00

1

1.00

771.22

772.42

788.84

0.46

5.55

6.67

2

3.00

-0.12

-0.09

0.11

0.95

2.30

2.92

3

5.00

-0.50

-0.48

-0.40

-0.163

701.66

0.63

4

7.00

-0.74

-0.73

-0.68

-0.60

-0.54

-0.48

5

9.50

-0,97

-0.96

-0.94

-0.92

-0.90

-0.88

6

12.50

-1,15

-1.14

-1.13

-1.12

-1.12

-1.11

7

15.50

-1,31

-1.31

-1.31

-1.31

-1.31

-1.30

J=6         13.50 м       Время Т=438000.54 часов    5 Периода  0 Интервала                 0.54 часа

Блоки по K

1

2

3

4

5

6

По I / метры

1.50

4.50

7.50

10.00

12.0

14.00

1

1.00

771.28

772.50

785.02

785.72

776.63

775.78

2

3.00

-0.13

-0.10

-0.03

-0.01

-0.00

701.03

3

5.00

-0.55

-0.53

-0.49

-0.48

-0.46

-0.45

4

7.00

-0.81

-0.80

-0.78

-0.77

-0.76

-0.75

5

9.50

-1,04

-1.04

-1.03

-1.02

-1.02

-1.01

6

12.50

-1,20

-1.19

-1.19

-1.19

-1.18

-1.18

7

15.50

-1,33

-1.33

-1.33

-1.33

-1.33

-1.33

J=8         19.50 м       Время Т=438000.54 часов    5 Периода  0 Интервала                 0.54 часа

Блоки по K

1

2

3

4

5

6

По I / метры

1.50

4.50

7.50

10.00

12.0

14.00

1

1.00

772.03

784.57

784.59

772.38

771.40

771.12

2

3.00

-0.11

-0.04

-0.04

-0.10

-0.13

-0.14

3

5.00

-0.54

-0.51

-0.51

-0.54

-0.55

-0.56

4

7.00

-0.82

-0.80

-0.80

-0.81

-0.82

-0.82

5

9.50

-1,06

-1.06

-1.06

-1.06

-1.06

-1.06

6

12.50

-1,21

-1.21

-1.21

-1.21

-1.21

-1.21

7

15.50

-1,34

-1.34

-1.348

-1.34

-1.34

-1.34

 




Rambler's Top100 Яндекс цитирования
  Copyright © 2008-2025, www.docload.ru