Бесплатная библиотека стандартов и нормативов www.docload.ru

Все документы, размещенные на этом сайте, не являются их официальным изданием и предназначены исключительно для ознакомительных целей.
Электронные копии этих документов могут распространяться без всяких ограничений. Вы можете размещать информацию с этого сайта на любом другом сайте.
Это некоммерческий сайт и здесь не продаются документы. Вы можете скачать их абсолютно бесплатно!
Содержимое сайта не нарушает чьих-либо авторских прав! Человек имеет право на информацию!

 

РЕСПУБЛИКАНСКИЕ СТРОИТЕЛЬНЫЕ НОРМЫ

ИНЖЕНЕРНЫЕ ИЗЫСКАНИЯ ДЛЯ СТРОИТЕЛЬСТВА.

ТЕХНИЧЕСКИЕ ТРЕБОВАНИЯ К ПРОИЗВОДСТВУ СЪЕМОК

ПОДЗЕМНЫХ (НАДЗЕМНЫХ) КОММУНИКАЦИЙ.

РСН 72-88

Госстрой РСФСР

ГОСУДАРСТВЕННЫЙ КОМИТЕТ РСФСР ПО ДЕЛАМ СТРОИТЕЛЬСТВА

РАЗРАБОТАНЫ научно-производственным объединением по инженерно-строительным изысканиям (НПО «Стройизыскания») Госстроя РСФСР.

Руководитель темы И.И. Либман.

Исполнители: канд. техн. наук Л.Я. Кельман инж. Т.Н. Кукушкина.

ВНЕСЕНЫ НПО «Стройизыскания» Госстроя РСФСР.

ПОДГОТОВЛЕНЫ К УТВЕРЖДЕНИЮ Управлением новой техники технического нормирования и типового проектирования Госстроя РСФСР (исполнитель - инж. С.П. Климова).

Вводятся впервые.

СОДЕРЖАНИЕ

1. ОБЩИЕ ПОЛОЖЕНИЯ.. 2

2. НАЗНАЧЕНИЕ ПЛАНОВ ИНЖЕНЕРНЫХ КОММУНИКАЦИЙ.. 2

3. ТРЕБОВАНИЯ К СОДЕРЖАНИЮ ПЛАНОВ ИНЖЕНЕРНЫХ КОММУНИКАЦИЙ.. 2

4. СЪЕМКА ИНЖЕНЕРНЫХ КОММУНИКАЦИЙ. ТРЕБОВАНИЯ К ТОЧНОСТИ СЪЕМКИ.. 3

5. СОСТАВЛЕНИЕ ПЛАНОВ ИНЖЕНЕРНЫХ КОММУНИКАЦИЙ.. 5

Приложение 1. 6

Рекомендуемое. 6

Приложение 2. 8

Рекомендуемое. 8

Приложение 3. 9

Рекомендуемое. 9

Приложение 4. 9

Рекомендуемое. 9

Приложение 5. 10

рекомендуемое. 10

Приложение 6. 10

рекомендуемое. 10

Объект: водопровод производственный. 10

Приложение 7. 11

рекомендуемое. 11

Приложение 8. 12

Рекомендуемое. 13

Назначение. 15

Приложение 9. 49

Рекомендуемое. 50

 

Государственный комитет

РСФСР по делам

строительства

(Госстрой РСФСР)

Республиканские строительные нормы

РСН 72-88

Госстрой РСФСР

Инженерные изыскания для строительства. Технические требования к производству съемок подземных (надземных) коммуникаций

Вводятся впервые

Настоящие Нормы устанавливают технические требования к производству съемок существующих подземных (надземных) коммуникаций и сооружений (инженерных коммуникаций) при инженерно-геодезических изысканиях, выполняемых для строительства новых зданий и сооружений городов, поселков и сельских населенных пунктов, производственных объектов сельскохозяйственного назначения, а также строительства, реконструкции и технического перевооружения промышленных предприятий на территории РСФСР.

Требования настоящих Норм не распространяются на съемки инженерных коммуникаций, выполняемые при инженерно-геодезических изысканиях для гидротехнического, энергетического, транспортного, нефтехимического и других специальных видов строительства.

Исполнительные съемки законченных строительством подземных инженерных коммуникаций в открытых траншеях входят в комплекс геодезических работ, выполняемых в процессе строительства, и осуществляются в соответствии с требованиями раздела 4 настоящих РСН.

Внесены НПО «Стройизыскания» Госстроя РСФСР

Утверждены постановлением Государственного комитета РСФСР по делам строительства

от 5 августа 1988 г. № 73

Срок

введения в действие

1 января 1989 г.

1. ОБЩИЕ ПОЛОЖЕНИЯ

1.1. Подземные и надземные коммуникации и сооружения, относящиеся к ним, являются одним из основных элементов содержания инженерно-топографических планов, а также специальных планов инженерных коммуникаций масштабов 1:5000-1:500, используемых для проектирования объектов промышленного, жилищно-гражданского и сельскохозяйственного назначения. Специальные планы создаются по дополнительному требованию заказчика при большой насыщенности инженерно-топографического плана элементами подземных (надземных) коммуникаций и их характеристиками.

1.2. К подземным коммуникациям и сооружениям относятся: трубопроводы, кабельные сети различного назначения, общие коллекторы, тоннели, подземные переходы и другие сооружения, расположенные ниже поверхности земли.

1.3. К надземным коммуникациям и сооружениям относятся коммуникации, расположенные на земле и над поверхностью земли и предназначенные для транспортировки и хранения материалов, жидкостей, газов, энергии: трубопроводы на опорах, воздушные линии электропередач и связи, эстакады, транспортные сооружения промышленных предприятий, станции перекачки, насосные станции, резервуары, фильтры, газгольдеры, водонапорные башни и т.п.

1.4. Инженерно-топографические и специальные планы, отображающие инженерные коммуникации, должны создаваться согласно требованиям действующих нормативных документов, утвержденных или согласованных Госстроем СССР, а также настоящих РСН.

1.5. Степень детализации съемки инженерных коммуникаций определяется стадией и видом проектирования и отражается в техническом задании, которое составляется в соответствии с требованиями СНиП 1.02.07-87 на съемку подземных (надземных) сооружений.

1.6. До производства съемки подземных (надземных) коммуникаций территории населенного пункта или промышленного предприятия на основе технического задания необходимо разработать программу, составляемую в соответствии с требованиями п.2.5 СНиП 1.02.07-87.

2. НАЗНАЧЕНИЕ ПЛАНОВ ИНЖЕНЕРНЫХ КОММУНИКАЦИЙ

2.1. Для комплексного проектирования подземных (надземных) сетей и сооружений при разработке генпланов на этапе ТЭО (ТЭР) служат инженерно-топографические и специальные планы инженерных коммуникаций масштабов 1:10000, 1:5000 на площадках нового строительства и масштабов 1:5000, 1:2000 при реконструкции предприятий.

При выборе масштаба плана следует руководствоваться указаниями п.2.24 СНиП 1.02.07-87.

Примечания: 1. Планы масштаба 1:10000 используют для территорий с редкой застройкой и малым количеством инженерных коммуникаций.

2 Планы масштаба 1:2000 используют при густой сети инженерных коммуникаций в большом количестве выходов коммуникаций (колодцев) на единицу площади.

3. Масштабы планов для разработки проектов планировки населенных пунктов устанавливаются в соответствии с требованиями ведомственных строительных норм, утвержденных Госгражданстроем.

3.2. Для проектирования инженерных коммуникаций на стадии проекта (рабочего проекта) и стадии рабочей документации при реконструкции и техническом перевооружении промышленных предприятий и при разработке проектов застройки населенных пунктов служат инженерно-топографические и специальные планы масштабов 1:1000 и 1:500 (1:200).

Примечание. Для проектирования отдельных участков промышленных предприятий и улиц (проездов, переходов) городов с густой сетью подземных (надземных) коммуникаций допускается составление инженерно-топографических планов в масштабе 1:200, что должно быть указано в техническом задании заказчика и обосновано в программе работ.

3. ТРЕБОВАНИЯ К СОДЕРЖАНИЮ ПЛАНОВ ИНЖЕНЕРНЫХ КОММУНИКАЦИЙ

3.1. Инженерно-топографические планы масштабов 1:5000 (1:10000) и 1:2000 в части отображения на них подземных (надземных) коммуникаций носят учетно-справочный характер и дают общее представление о наличии подземных (надземных) коммуникаций, их взаимном расположении, назначении, назначении и основных характеристиках.

На планах масштабов 1:1000, 1:500 отражается точное плановое положение и глубина заложения подземных сетей, а также данные, характеризующие подземные (надземные) сооружения.

3.2. На планах масштаба 1:5000 (1:10000) показывают магистральные и распределительные трубные прокладки (с указанием внутреннего диаметра и материала труб), кабельные и воздушные ЛЭП и ЛЭС:

по водопроводу - водоводы магистральные диаметром 300 мм и более, водоводы транзитные диаметром 200 мм и более, водоводы технические без ограничений;

по канализации - трубопроводы напорные диаметром 200 мм и более, трубопроводы самотечные диаметром 300 мм и более;

по водостоку - ливневая канализация без ограничений;

по теплосети - магистральные теплопроводы диаметром 100 мм и более (до всех ЦТП);

по газовым сетям - газопроводы высокого, среднего и низкого давлений диаметром 100 мм и более, без внутриквартальной разводки;

по кабельным линиям - междугородные кабели связи (в том числе транзитные), межстанционные, магистральные радио фидеры, кабельные сети напряжением 1 кв. и более;

по воздушным ЛЭП - линии напряжением 35 кВ и более;

по тоннелям (общим коллекторам) - все коллекторы с указанием их назначения и сечения (в виде произведения ширины тоннеля на всю его высоту, мм)

На планах масштаба 1:5000 показывают опоры линий высокого напряжения, а на незастроенных территориях - поворотные столбы низкого напряжения и связи без указания количества проводов, напряжения и вводов в отдельные здания.

Выходы подземных коммуникаций (колодцы, камеры, коверы) показывают только на незастроенных территориях, на углах поворота сетей.

На планы масштаба 1:5000 наносят все здания и сооружения, относящиеся к подземным коммуникациям: водозаборные узлы и сооружения, технические водозаборы, очистные сооружения хозяйственно-фекальных стоков и ливневой канализации, котельные, электроподстанции, площадки ГРС, ГРП, ЦТП, АТС, РУС и др.

Высоты инженерных сооружений на планы масштаба 1:5000 не наносятся.

3.3. На планах масштаба 1:2000 показывают следующие трубные (с указанием внутреннего диаметра и материала труб), кабельные и воздушные прокладки:

по водопроводу - все коммуникации без вводов в отдельные здания;

по канализации - все коммуникации без выпусков из зданий;

по водостоку и дренажу - все коммуникации без разводки на водоприемные сооружения;

по газопроводу - все трубопроводы без вводов в отдельные здания;

по теплосети - все коммуникации, идущие от ТЭЦ или котельных, без вводов в здания;

по кабельным и воздушным сетям - все сети, все опоры (столбы) линий высокого и низкого напряжения и связи без вводов в отдельные здания. Напряжение в сетях, количество прокладок и число прокладок указывают на планах по дополнительным требованиям.

На планах показывают все коллекторы (с указанием сечения), в которых размещены сети разного назначения, выходы подземных коммуникаций.

Вводы коммуникаций в здания, высоты люков колодцев, эстакад наносят только по дополнительным требованиям.

3.4. На планах масштабов 1:1000, 1:500 (1:200) обязательному отображению подлежат:

плановое положение всех трубопроводов и сооружений с указанием назначения, внутреннего диаметра и материала всех труб;

высоты кольца люка колодцев (или его выступающей вверх части при наклонном положении кольца), поверхности земли или покрытия у колодца, верха труб, лотка, верха и низа каналов теплотрасс, траверсов эстакад и опор надземных трубопроводов;

кабельные линии;

для воздушных ЛЭП и ЛЭС - направления к соседним опорам и зданиям;

габариты колодцев и камер, если их размеры в натуре не менее 9 м2 при съемке в масштабе 1:1000, 4 м2 - в масштабе 1:500 и 1 м2 - в масштабе 1:200;

внецентренность прокладок в колодцах (камерах) при расстоянии между центром люка и осью прокладки, равном или более 1 мм плана.

По дополнительному заданию заказчика на планах указываются:

высоты дна колодца, высоты верха и низа блока телефонной канализации, высоты провеса проводов ЛЭП и ЛЭС и др.;

диаметр и материал труб вводов в здания, количество проводов ЛЭП и ЛЭС, число кабелей в пучке или канале, марка проводов кабелей, габариты и номера опор и т.п..

Дополнительно, могут быть, указаны и другие характеристики. Методика их определения при необходимости указывается в программе работ.

Технические характеристики при большой нагрузке плана разрешается давать с показом на плане номера сооружения в виде ведомостей, экспликаций и т.п.

4. СЪЕМКА ИНЖЕНЕРНЫХ КОММУНИКАЦИЙ. ТРЕБОВАНИЯ К ТОЧНОСТИ СЪЕМКИ

4.1. В комплекс работ по съемке существующих подземных (надземных) коммуникаций и сооружений входят:

сбор и анализ имеющихся материалов по подземным (надземным) сетям и сооружениям;

составление общей схемы расположения инженерных коммуникаций;

рекогносцировка;

обследование инженерных коммуникаций и сооружений;

создание или развитие (при недостаточной полноте) планово-высотной геодезической основы;

планово-высотная съемка инженерных коммуникаций;

поиск и съемка подземных коммуникаций, не имеющих выхода на поверхность земли.

4.2. На подготовительной стадии, до начала полевых работ по съемке инженерных коммуникаций, на объект должны быть собраны:

инженерно-топографические планы с данными о технических характеристиках и планово-высотном положении инженерных коммуникаций и сооружений;

материалы по съемке и обмеру инженерных сооружений, составленные ранее;

общие схемы подземных (надземных) коммуникаций на отрабатываемый объект.

4.3. На основе анализа и изучения собранных материалов устанавливается возможность их использования в намечаемых работах и составляется общая схема (или по отдельным видам) расположения подземных (надземных) коммуникаций на копии плана масштабов 1:500 - 1:2000. Составленная схема уточняется в геослужбе отдела (управления) главного архитектора или, по ее указанию, в эксплуатирующих организациях.

4.4. Рекогносцировка производится для проверки соответствия составленной схемы с расположением сетей в натуре, отыскания на местности выходов подземных сетей, определения участков трубопроводов и кабелей, подлежащих отыскиванию с помощью приборов поиска, выбора мест заложения шурфов, уточнения объемов предстоящих работ по обследованию и съемке инженерных сооружений.

4.5. Все колодцы (камеры), как правило, нумеруются в целях идентификации их в натуре, на плане, в эскизах, каталогах. Маркировка в натуре выполняется эксплуатирующими службами на стенах зданий или путем установки опознавательных сторожков (трафаретов).

Существующая ранее или новая нумерация колодцев должна быть согласована с отделами (управлениями) по делам строительства и архитектуры, а на территории промышленных предприятий - с эксплуатационными службами.

4.6. При обследовании колодцев подземных сетей определяют:

назначение, габариты колодцев, каналов, камер и других сооружений (если их размеры не менее указанных в п.3.4);

материал и внутренние диаметры труб, их количество, места их вводов, присоединений, выпусков относительно проекции центра люка колодца;

направление стока.

При съемках в масштабах 1:5000 и 1:200 обмер габаритов колодцев (камер), а также привязка размещенных в них прокладок не производятся.

Результаты обследования заносят в журналы (приложение 1) или в абрисы.

4.7. По дополнительным требованиям выполняют детальное обследование колодцев (камер), которое включает:

обмеры габаритов и определение материалов колодцев (камер) и каналов (габариты типовых колодцев и камер обмеру не подлежат);

обмеры конструктивных элементов трубопроводов и их фасонных частей;

определение взаимного положения вводов, выпусков, присоединений.

Эскизы (схематические чертежи) колодцев и сооружений, составляются по основным сечениям. Зарисовка всех фасонных частей и арматуры выполняется в принятых условных знаках. При составлении эскизов в плане все линейные промеры следует относить к проекции центра люка колодца. В вертикальном разрезе колодца или сооружения необходимо показывать все детали устройства и высоты расположения трубопроводов (приложение 2).

4.8. Для обеспечения проведения работ по рекогносцировке и обследованию подземных сетей заказчик совместно с эксплуатирующими службами обязан освободить крышки колодцев от мусора, снега, льда, откачать воду из залитых колодцев, проверить колодцы и камеры. При отказе от выполнения данных требований на планах указывается фактическое состояние колодца (засыпан, залит, заасфальтирован и т.п.).

4.9. При обследовании надземных сооружений устанавливается назначение сооружений, направление прокладок к смежным опорам и зданиям, материал опор, диаметр, материал и количество трубопроводов.

В результате обследования составляют эскизы, на которых показывают конструкцию опоры, материал опоры и фундамента, основные промеры самой опоры, высоту траверсов над фундаментом, взаимное положение прокладок на траверсах (приложение 3).

По дополнительным требованиям определяют напряжение и количество проводов в линиях электропередач и связи, марку кабелей, число кабелей, принадлежность коммуникации, габариты и номера опор, точное расположение прокладок на опорах и эстакадах.

4.10. Плановое положение выходов подземных коммуникаций (центров люков, коверов) и точек надземных сооружений определяется от пунктов опорной геодезической сети и съемочного обоснования, а на застроенных территориях - от углов капитальных зданий (сооружений) способами: полярным, перпендикуляров, засечек, створов в соответствии с требованиями, изложенными в п.п. 2.166-2.172 СНиП 1.02.07-87.

Средние погрешности в положении на инженерно-топографических планах выходов подземных и точек надземных сооружений относительно ближайших точек съемочного обоснования не должны превышать 0,5 мм плана.

4.11. Координирование центров люков колодцев подземных коммуникаций, центров угловых и узловых опор (эстакад) надземных коммуникаций производится по специальному заданию, преимущественно полярным способом, с соблюдением требований п.2.111 СНиП 1.02.07-87 и обеспечением контрольных промеров между координируемыми точками.

4.12. Высоты люков колодцев (обечаек) подземных сооружений и верха труб-переездов на дорогах, а также верха фундаментов опор должны определяться техническим нивелированием по двум сторонам рейки. Расхождения между превышениями не должны быть более 2 см.

Нивелирование колодцев включает определение высот земли или мощения у колодцев, а также высот расположенных в колодцах труб, кабелей, каналов (путем промеров от обечайки или дна с отсчетом до 1 см).

Высота траверсов эстакад определяется промерами от фундамента опоры.

В особо сложных условиях для всех видов коммуникаций допускается применение тригонометрического нивелирования с соблюдением требований пп. 2.183, 2.187 СНиП 1.02.07-87. Высоты подвеса проводов и кабелей между опорами также определяются тригонометрическим нивелированием.

4.13. Положение бесколодезных подземных прокладок (трубопроводов, кабелей, контуров электрокоррозионной защиты и других скрытых точек подземных сооружений) должны определяться с помощью трубокабелеискателя с привязкой точек к пунктам опорной геодезической сети съемочного обоснования или к ближайшим капитальным зданиям (сооружениям).

4.14. Определение планового положения точек подземных коммуникаций трубокабелеискателем на прямолинейных участках должно производиться, как правило, через 20, 30, 50 м соответственно при съемках в масштабах 1:500, 1:1000 и 1:2000.

4.15. Средняя погрешность положения скрытых точек подземных сооружений, определенных с помощью трубокабелеискателя, относительно точек съемочного обоснования и ближайших капитальных зданий (сооружений), не должна превышать 0,7 мм на плане.

4.16. Средняя величина расхождений между результатами измерения планового положения скрытых точек подземных сооружений, дважды определенного с помощью трубокабелеискателя - при съемке и при контроле - не должна превышать: для масштаба 1:500 - 1 мм, масштаба 1:1000 - 0,8 мм, масштаба 1:2000 - 0,6 мм.

4.17. Глубина заложения бесколодезных прокладок определяется по требованию заказчика в местах, с ним согласованных.

Определение глубины заложения прокладок трубокабелеискателем должно выполняться дважды. Расхождения между результатами измерений не должны превышать 15% глубины заложения.

4.18. В исключительных случаях в местах, где определение планового положения и глубины заложения подземных сооружений с помощью приборов поиска невозможно, допускается применять шурфование. Проходка шурфов производится эксплуатирующей организацией.

При обследовании шурфа фиксируют повороты, вводы, пересечения подземных сетей, выявляют их основные технические характеристики.

Плановое положение трубопроводов в шурфе определяют способами, изложенными в п. 4.10. Верх труб, кабелей, коробов нивелируют.

4.19. Съемка тоннелей (пешеходных, транспортных, общих коллекторов) состоит из определения планового и высотного положения элементов тоннеля, обследования и обмеров, находящихся в тоннеле коммуникаций.

4.20. В качестве съемочной сети в тоннеле прокладывают теодолитные ходы и ходы технического нивелирования. Передача с поверхности ориентирных направлений осуществляется одним из известных геодезических способов, обеспечивающих необходимую точность.

4.21. При съемке тоннелей необходимо определять координаты точек пересечения осей поворота, точек осей на входах в камеры, а также других характерных точек. Тоннели и камеры обмеряют в плане и по высоте.

В характерных местах тоннеля (изменение сечения, вход или выход коммуникаций и др.) выполняют съемку по сечению тоннеля.

4.22. Нивелирование тоннеля (пола и кровли) на прямых участках следует выполнять через 30 м, во всех местах изменения уклона и профиля тоннеля, на поворотах, в камерах.

Высоты коммуникаций следует вычислять по вертикальным промерам от пола тоннеля.

Эскизы камер составляют в плане и по сечениям стен.

4.23. По результатам съемки составляется масштабированная схема или план тоннеля с выпиской координат по осям тоннеля, а также с указанием основных размеров и расположения сечений.

5. СОСТАВЛЕНИЕ ПЛАНОВ ИНЖЕНЕРНЫХ КОММУНИКАЦИЙ

5.1. Исходными для составления планов инженерных коммуникаций служат:

материалы съемки существующих инженерных коммуникаций;

материалы инженерно-топографических съемок прежних лет;

материалы исполнительных съемок;

каталоги и профили инженерных коммуникаций;

данные эксплуатирующих организаций и служб промышленных предприятий;

архивные материалы учетно-справочного характера.

5.2. В общем случае результаты съемки подземных (надземных) коммуникаций и сооружений со всеми техническими характеристиками должны быть нанесены на инженерно-топографический план. Полученный инженерно-топографический план содержит необходимую для проектирования полную информацию о контурах, рельефе и инженерных коммуникациях местности.

Фрагмент инженерно-топографического плана дан в приложении 4.

5.3. При очень большой насыщенности инженерно-топографического плана контурами, ситуацией, элементами рельефа, инженерными коммуникациями с их характеристиками и при невозможности обеспечить удовлетворительную читаемость плана составляют специальные планы инженерных коммуникаций, а на инженерно-топографических планах показывают все линейные прокладки и выборочные характеристики, но обязательно с указанием номера колодца (опоры) и высоты обечайки.

Специальные планы составляют также по заданию заказчика.

5.4. Специальные планы инженерных коммуникаций создают на разгруженных от второстепенных деталей местности и элементов рельефа дубликатах (копиях) топографических планов, а также на прозрачной пластиковой основе.

На специальные планы инженерных коммуникаций наносят либо все прокладки, либо несколько видов (групп) прокладок, либо одну прокладку в зависимости от густоты подземных (надземных) коммуникаций и назначения специального плана (например, все виды сетей водопровода или канализации, тепловые или газовые сети, кабельные линии электропередач или линий связи, надземные материалопроводы и т.п..).

Фрагмент специального плана дан в приложении 5.

5.5. Элементы подземных (надземных) коммуникаций и сооружений отображаются на планах в соответствии с действующими «Условными знаками для топографических планов масштабов 1:5000, 1:2000, 1:1000, 1:500».., Недра, 1973 и «Правилами начертания условных знаков на топографических планах подземных коммуникаций масштабов 1:5000, 1:2000, 1:1000, 1:500». - М., 1981.

Для специальных планов по согласованию с заказчиком допускается применение специальных условных знаков.

Примечание. В связи с тем, что по многим населенным пунктам подземные коммуникации на планшетах отображены в ранее принятых условных знаках, допускается продолжать изображение прокладки подземных коммуникаций первоначально принятыми условными знаками.

5.6. Данные, дополнительно характеризующие инженерные коммуникации и сооружения, приводятся обычно в приложениях, к которым относятся:

каталоги координат и высот колодцев и бесколодезных углов поворота (приложение 6);

каталоги координат центров опор (эстакад);

альбомы эскизов колодцев;

альбомы эскизов опор (эстакад);

альбом разрезов опор;

технологическая схема трубопроводов (приложение 7);

экспликация надземных трубопроводов (приложение 8).

5.7. Полнота составленного плана и технических характеристик инженерных сооружений должна быть подтверждена геослужбой отдела (управления) по делам строительства и архитектуры исполкомов советов народных депутатов или, по ее указанию, соответствующими эксплуатационными службами города, поселка, промышленного предприятия,, о чем производятся соответствующие записи в Ведомости согласований подземных (надземных) коммуникаций (приложение 9).

5.8. Планы подземных (надземных) сооружений размножаются в соответствии с требованиями п. 2.358 СНиП 1.02.07-87.

Оригиналы планов подземных (надземных) сооружений при необходимости вычерчиваются в туши. При размножении планов типографским способом следует руководствоваться требованиями Инструкции по оперативному размножению планов и карт с многоцветной штриховой нагрузкой (ИП-16, ЦНИИГАиК ГУГК СССР).

Приложение 1

Рекомендуемое

Образец журнала обследования колодцев подземных коммуникаций

Сеть:   канализация бытовая

Схема

Обозначение трубы по схеме

Диаметр трубы, мм

Глубина от обечайки, м

Отметка лотка, м

1

2

3

4

5

колодец  № 114

 

1

2

300

300

1,81

1,80

147,92

Материал труб керам.

Отметка обечайки, м 149,73

месторасположение

колодец  № 115

1

2

3

300

150

300

1,86

1,85

1,85

147,96

 

Материал труб керам.

Отметка обечайки, м 149,82

 

месторасположение

Сеть: телефонная канализация

Схема

Обозначение трубы по схеме

Диаметр трубы, мм

Глубина от обечайки, м

Отметка

в.канала

н.канала

1

2

3

4

5

колодец  № 876

1

2

100

100

1,24

0,73

148,72

148,62

149,23

149,13

 

Материал труб асбест.

Отметка обечайки, м 149,96

 

месторасположение

колодец  № 877

1

2

100

100

0,90

0,95

149,00

148,90

148,95

148,85

месторасположение

Материал труб асбест.

Отметка обечайки, м 149,90

Сеть: тепловая канальная

Схема

Обозначения по схеме

Диаметр трубы, мм

Промеры от дна (м)

в.короба 

н.короба

Отметка (м)

в.короба 

н.короба

1

2

3

4

5

колодец  № 43

 

1-2

2´150

0,65

0,35

119,83

119,53

Материал труб сталь

Отметка обечайки, м 120,98

Глубина колодца, м 1,80

Отметка дна, м 119,18

месторасположение

 

 

колодец  № 44

1-2

3

2´150

2´100

0,65

0,35

0,65

0,40

116,97

116,67

116,97

116,72

месторасположение

Материал труб сталь

Отметка обечайки, м 118,12

Глубина колодца, м 1,80

Отметка дна, м 116,32

Приложение 2

Рекомендуемое

Образец журнала детального обследования колодцев (камер) подземных оммуникаций

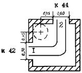
Сеть:  водопровод                                                                                                     колодец  № 73

Разрез по В-Г

План по А-Б

      

№ трубы

Диаметр, мм

Глубина от обечайки, м

Отметка верха трубы, м

1

300

1,87

148,11

2

300

1,87

148,11

3

100

1,97

148,01

4

100

1,27

148,73

Материал:

труб чугун

стен колодца кирпич

крышки колодца чугун

Отметка обечайки, м 149,99

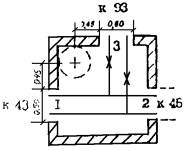
Приложение 3

Рекомендуемое

Образец журнала детального обследования опор (эстакад)

Опора 204

№ по эскизу

Назначение

Диаметр, мм

63

прямая вода

100

51

воздух КИП

50

67

газ

50

55

пар

100

66

сброс конденсата

50

64

обратная вода

100

Материал:  труб – сталь

                   опоры - сталь

Приложение 4

Рекомендуемое

Вклейка 1

Вклейка 2

Приложение 5

рекомендуемое

 Вклейка 3

Приложение 6

рекомендуемое

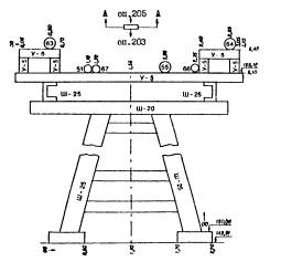
КАТАЛОГ СМОТРОВЫХ КОЛОДЦЕВ ПОДЗЕМНЫХ  КОММУНИКАЦИЙ

Объект: водопровод производственный

 

колодца

№ листа

(номенклатура планшета)

Координаты

центра люка

Отметка, м

Трубы

Схема

колодца

Примечания

 

земли (мощенья)

обечайки

лотка

верха трубы (верха канала)

дна (низа канала)

№ трубы

материал (марка кабеля

диаметр, мм

1

2

3

4

5

6

7

8

9

10

11

12

13

14

 

7

б

766,05

510,54

149,92

149,92

 

147,42

 

1,2

ЧУГ.

300

колодец кирпичный 1,6X1,2

 

8

6

765,51 536,34

149,90

149,90

 

147,95

 

1.2

3

ЧУГ.

ЧУГ.

300

100

колодец железобетонный Æ1,2

 

9

6

766,56 571,13

149,98

149,98

 

148,11

 

1.2

3

ЧУГ.

ЧУГ.

300

100

колодец железобетонный Æ1,2

Вклейка 4

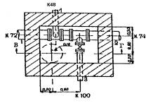
Приложение 7

рекомендуемое

Приложение 8

Рекомендуемое

Экспликация трубопроводов

№ по схеме

Назначение

Диаметр, мм

1

Конденсат

50

2

Обратная вода

100

3

Прямая вода

100

4

Пар

100

5

Диэтиламин

75

6

Диметиламин

50

7

Азот

50

8

Пар

50

9

Изопропиловый спирт

50

10

Воздух КИП

50

 

. . . . . . . . . . . .

 

12

Высшие спирты

75

13

Сточные воды

75

 

. . . . . . . . . . . .

 

22

Ксинол (нед)

75

 

. . . . . . . . . . . .

 

36

Конденсат

50

 

. . . . . . . . . . . .

 

51

Воздух КИП

50

52

Обратная вода

350

53

Прямая вода

350

54

Пар

200

55

Пар

100

 

. . . . . . . . . . . .

 

59

Раствор хлорист. Кальция (рассол)

150

60

Углекислый газ СО2 (нед)

50

 

. . . . . . . . . . . .

 

63

Прямая вода

100

64

Обратная вода

100

 

. . . . . . . . . . . .

 

66

Сброс конденсата

50

67

Газ

50

 

Приложение 9

Рекомендуемое

ВЕДОМОСТЬ

согласований полноты и правильности нанесения подземных (надземных) коомуникаций на инженерно-топографических планах

Заказ № ________             Объект _______________________

________________________________________________________

Краткое описание расположения участка согласований: ___________

________________________________________________________

________________________________________________________

Номенклатура планшетов: ___________________________________

 

№ п/п

Название служб (организаций)

Дата, штамп (печать) согласования, пояснительный текст

1

2

3

 

 

 

 

 

 

 

 

 

 

 

 

 

 

 

 

 

 

 

 

 

 

 

 

 

 

 

 

 

 

Согласование производил: _______________________________

________________________________________________________

 




Rambler's Top100 Яндекс цитирования
  Copyright © 2008-2026, www.docload.ru