Бесплатная библиотека стандартов и нормативов www.docload.ru

Все документы, размещенные на этом сайте, не являются их официальным изданием и предназначены исключительно для ознакомительных целей.
Электронные копии этих документов могут распространяться без всяких ограничений. Вы можете размещать информацию с этого сайта на любом другом сайте.
Это некоммерческий сайт и здесь не продаются документы. Вы можете скачать их абсолютно бесплатно!
Содержимое сайта не нарушает чьих-либо авторских прав! Человек имеет право на информацию!

 

МИНИСТЕРСТВО НЕФТЯНОЙ ПРОМЫШЛЕННОСТИ

СИБИРСКИЙ НАУЧНО-ИССЛЕДОВАТЕЛЬСКИЙ ИНСТИТУТ НЕФТЯНОЙ
ПРОМЫШЛЕННОСТИ (СИБНИИНП)

СОГЛАСОВАНО

Начальник Управления

нефтегазодобычи Миннефтепрома

_______________ В.В. ГНАТЧЕНКО

"___" ______________ 1980 г.

УТВЕРЖДАЮ

Начальник Технического

управления Миннефтепрома

_____________ Г.И. ГРИГОРАЩЕНКО

"12" ноября 1980 г.

Заместитель директора

в области добычи нефти

и газа ВНИИ

_____________ В.П. МАКСИМОВ

"18" __09__ 1980 г.

 

РУКОВОДСТВО
ПО ВЫРАВНИВАНИЮ ФРОНТА НАГНЕТАЕМОЙ ВОДЫ
И РЕГУЛИРОВАНИЮ ВЫРАБОТКИ ПЛАСТОВ
ЗА СЧЕТ ПРИМЕНЕНИЯ ЦИКЛИЧЕСКОГО ЗАВОДНЕНИЯ
И ПЕРЕМЕНЫ НАПРАВЛЕНИЯ ФИЛЬТРАЦИОННЫХ ПОТОКОВ

РД 39-3-507-80

1980

В руководстве изложены возможные способы регулирования выработки пластов при блоковой системе разработки и физические основы нестационарного заводнения, выделены этапы выравнивания фронта нагнетаемой воды на определенных стадиях разработки. Приведены методы расчета режимов работы нагнетательных скважин, технологические схемы по обеспечению их и основные показатели эффективности процесса вытеснения нефти.

Работа предназначена для работников научно-исследовательских институтов, инженеров нефтедобывающих предприятий Западной Сибири.

Руководство разработано в Сибниинп. Составители: А.И. Вашуркин, Ю.И. Демушкин, В.С. Евченко, Е.Л. Кисарев, Л.А. Пермякова, Б.Е. Теребин, В.У. Литваков, Н.Я. Медведев, Р.Н. Мухаметзянов.

Вводится впервые

Приказом Главтюменнефтегаза № ___336___ от ___11.06.______1981 г.

Срок введения установлен с 1.07.1981 г. Срок действия до 1.07.1986 г.

Настоящее руководство устанавливает основные положения по определению параметров и практическому осуществлению технологического процесса выравнивания фронта нагнетаемой воды и регулирования выработки пластов в результате применения циклического заводнения и перемены направления фильтрационных потоков (нестационарного заводнения).

1. ОБЩАЯ ЧАСТЬ

1.1. Многолетняя практика разработки нефтяных месторождений с применением внутриконтурного и законтурного заводнения свидетельствует о неравномерности продвижения фронта закачиваемой воды как по толщине пласта, так и по площади залежи. Следствием этого является малый безводный период эксплуатации скважин, добыча больших объемов попутной воды, а это, в свою очередь, требует увеличенных мощностей по закачке воды и подготовке нефти.

1.2. Циклическое заводнение с переменой направления фильтрационных потоков (нестационарное заводнение) является одним из наиболее доступных и эффективных методов разработки нефтяных месторождений.

Поэтому назначение технологического процесса - регулирование выработки нефтяных залежей путем установлении такого режима работы нагнетательных скважин, при котором перемещение водонефтяных и газонефтяных контактов обеспечивает повышение нефтеотдачи пластов и снижение объема добычи попутной воды.

1.3. Область применения его - нефтяные месторождения, разрабатываемые с поддержанием пластового давления путем разрезания залежей на блоки.

1.4. Новизна технологического процесса заключается в этапах, схемах, технических средствах и методах определения вариантов нестационарного заводнения, учитывающих текущее состояние разработки и обустройства месторождений при интенсификации освоения их.

2. ПРИЧИНЫ НЕРАВНОМЕРНОСТИ ПРОДВИЖЕНИЯ ФРОНТА ЗАВОДНЕНИЯ И МЕТОДЫ ЕГО ВЫРАВНИВАНИЯ

2.1. Фронтом нагнетаемой воды (фронтом заводнения, фронтом вытеснения) считают границу вода-нефть, на которой нефтенасыщенность пласта равна первоначальной.

2.2. Неравномерность продвижения вытесняющей воды по толщине пласта обусловливается в основном слоистой неоднородностью продуктивных пластов. Неравномерность же фронта продвижения воды по площади вызвана неблагоприятной геометрией потоков, характерной для точечного (в плане) расположения нагнетательных и добывающих скважин, зональной неоднородностью строения пласта. Неблагоприятное соотношение подвижностей нефти и воды усугубляет неравномерность фронта вытесняющей воды как по толщине, так и по площади.

2.3. Опережающий прорыв нагнетаемой жидкости к забоям добывающих скважин (языки обводнения) происходит по высокопроницаемым зонам и по кратчайшему пути от близрасположенных нагнетательных скважин, так как именно здесь градиенты гидродинамического давления максимальны. Выработка же малопроницаемых участков пласта, промежуточных зон в районе нагнетательного и стягивающего добывающего рядов отстает, образуются целики нефти, что ведет к быстрой обводненности добываемой продукции и снижению коэффициента нефтеотдачи, поэтому в процессе разработки залежи необходимо регулировать фронт продвижения закачиваемой воды.

2.4. Для регулирования фронта продвижения закачиваемой воды применяются различные способы:

разрезание залежи посредством освоения скважин под закачку в нагнетательном ряду через одну; промежуточные скважины эксплуатируются на нефть и переводятся под нагнетание воды только после их обводнения;

разобщение объекта разработки бурением новых сеток скважин на малопродуктивные пласты и интенсификация их разработки;

проведение изоляционных работ в нагнетательных и добывающих скважинах с целью исключения из эксплуатации наиболее обводнившихся пропластков.

бурение уплотняющих скважин в недренируемых застойных зонах и в районе стягивающего добывающего ряда;

изменение режима работы нагнетательных и нефтяных скважин;

добавка в закачиваемую воду различных загустителей с целью улучшения соотношений подвижностей и т.д.

2.5. Перечисленные способы регулирования, за исключением изменения режима работы скважин, очень трудоемки и требуют значительных дополнительных экономических затрат. Направлены они на выравнивание фронта вытеснения, главным образом, по толщине пласта.

2.6. Все нефтяные месторождения Западной Сибири разрабатываются с поддержанием пластового давления путем заводнения. Применяется в основном внутриконтурное заводнение с разрезанием залежей на блоки. Как показал опыт, для регулирования процесса заводнения эффективно и применение нестационарного заводнения (циклической закачки воды в сочетании с переменой направления фильтрационных потоков). Выбор технологии нестационарного заводнения для выравнивания фронта нагнетаемой воды должен учитывать конкретные условия разработка месторождения (залежи), стадию выработки запасов нефти.

2.7. Механизм действия циклического заводнения состоит в следующем. При периодическом изменении режимов работы скважин между пропластками возникает перепад давления, вследствие которого происходят перетоки жидкостей из одних слоев в другие, способствуя внедрению воды в малопроницаемые пропластки.

2.8. Физические основы изменения фильтрационных потоков заключаются в том, что на неравномерно заводненной залежи или ее части по площади создается такое новое направление вытеснения нефти водой, в результате которого в разработку вовлекаются пассивные, слабодренируемые нефтенасыщенные зоны. Из перечисленных методов регулирования фронта вытеснения изменение направления фильтрации может достигаться созданием новых линий нагнетания, перераспределением закачиваемой воды или отбора жидкости по отдельным участкам, периодической работой групп нагнетательных и нефтяных скважин при блоковых системах разработки.

2.9. При нестационарном заводнении одновременно протекают два процесса вытеснения нефти из пласта, характерные для методов циклического заводнения и изменения направления фильтрационных потоков. Сочетание их для блоковых систем разработки создается строго регламентированным порядком изменения режима работы нагнетательных скважин.

3. ТРЕБОВАНИЯ К ТЕХНОЛОГИЧЕСКОМУ ПРОЦЕССУ ВЫРАВНИВАНИЯ ФРОНТА ЗАВОДНЕНИЯ И РАЗРАБОТКА МЕРОПРИЯТИЙ ПО ЕГО ОСУЩЕСТВЛЕНИЮ. ПАРАМЕТРЫ НАЗНАЧЕНИЯ И ОЦЕНКИ ЭФФЕКТИВНОСТИ ПРОЦЕССА

3.1. Анализ имеющихся данных по опытно-промышленному применению нестационарного заводнения позволил определить основные требования к технологическому процессу выравнивания фронта нагнетаемой воды и регулирования выработки пластов.

Требования к технологическому процессу

3.2. Технологический процесс выравнивания фронта нагнетаемой воды и регулирования выработки пластов вследствие циклического заводнения и перемены направления фильтрационных потоков должен обеспечить заданные объемы добычи нефти; выравнивание фронта нагнетаемой воды; дополнительную закачку воды по сравнению с существующей технологией проведения нестационарного заводнения; уменьшение обводненности или темпа обводнения нефтяных скважин на заданный период времени.

3.3. Разрабатываемый технологический процесс должен включать

определение изменения положения фронта нагнетаемой воды;

определение режимов работы нагнетательных скважин;

обеспечение заданных режимов работы нагнетательных скважин;

определение показателей эффективности технологического процесса.

Определение изменения положений фронта нагнетаемой воды

3.4. Для практической оценки начального и текущего положения фронта вытеснения при внутриконтурном заводнении наиболее доступным является метод изохрон обводнения (линий одновременного появления воды).

3.5. Первая или внешняя зона строится на дату появления воды в скважинах первого нефтяного ряда. Для каждой скважины определяется скорость продвижения J закачиваемой воды по выражению

,                                                                 (1)

где L - расстояние между нагнетательным и первым нефтяным рядом;

T - время, прошедшее с момента начала закачки до прорыва воды в скважины первого нефтяного ряда.

3.6. Текущие положения фронта заводнения определяются по мере обводнения скважин следующих рядов. Для этого с использованием найденных значений скорости продвижения закачиваемой воды определяются точки нахождение фронта вытеснения через заданные промежутки времени (0,5 - 1,5 года). Соединив точки положения фронта заводнения, соответствующие равным промежуткам времени, получим карту изохрон обводнения закачиваемыми водами.

3.7. Неравномерность перемещения фронта вытеснения оценивается статистическими методами по следующей схеме:

D - нагнетательные скважины;

- добывающие скважины;

~ - положение фронта вытеснения;

у - значение абсциссы фронта вытеснения.

Определяется среднее арифметическое значение абсциссы фронта вытеснений на определенную дату по выражению

,                                                           (2)

где n - число суммируемых значений абсцисс.

Затем определяется среднее линейное d и стандартное S отклонение абсциссы фронта вытеснения по формулам:

,                                                       (3)

,                                                  (4)

Если для ряда последовательных положений фронта вытеснения значения d и S уменьшаются, то происходит его выравнивание.

Положение фронта вытеснения уточняется по данным геофизических исследований работающих и специальных скважин.

Определение режимов работы нагнетательных скважин

3.8. Изменение направления фильтрации является методом регулирования заводнения по площади, а циклическое заводнение - по толщине пласта. Нестационарное заводнение - метод регулирования заводнения и по площади, и по толщине пласта. В соответствии с конкретной задачей при регулировании и выбираются параметры нестационарного заводнения.

3.9. Основными параметрами нестационарного заводнения являются последовательность, периодичность (частота) и амплитуда изменения режима работы нагнетательных скважин. Количественная характеристика этих параметров должна учитывать текущее положение фронта нагнетаемой воды, степень выработки пластов и возможность замерзания воды в водоводах при минусовых температурах воздуха.

3.10. Основываясь на общих принципах разработки нефтяных месторождений, можно выделять три этапа проведения нестационарного заводнения, отличающихся по своим параметрам.

3.11. В практике разработки месторождений нагнетательные скважины разрезающих рядов осваиваются под закачку через одну, а из промежуточных форсированно отбирается нефть. После перевода под нагнетание скважины, временно эксплуатировавшейся на нефть, из-за разной продолжительности работы ее с ранее переведенной под закачку ближайшей скважины фронт заводнения в зоне этих скважин неодинаков. Уменьшение степени неравномерности закачки на этой стадии осуществляется путем

изменения режимов работы нагнетательных скважин по принципу не ближе чем через одну;

увеличения продолжительности полуцикла закачки в сравнении с полуциклом остановки (ограничения) для скважин, позднее переведенных под закачку;

остановка скважин, накопленные объемы закачки в которых больше, и постоянной закачки в скважины с малыми накопленными объемами, приходящимися на метр нефтенасыщенной толщины.

3.12. По мере выравнивания фронта закачиваемой воды начинается второй этап нестационарного заводнения. Его цель заключается в одновременном подходе закачиваемой воды к стягивающему ряду с разных сторон. Отличие от предыдущего состоит в том, что продолжительность полуцикла остановки (ограничения) и закачки одинаковая. При этом, как и на первом этапе, предпочтительно одновременно останавливать нагнетательные скважины через одну.

3.13. На третьем этапе, на основе дифференцированного анализа выработки запасов по зонам и участкам пласта, варианты нестационарного заводнения должны дать возможность изменять направления фильтрационных потоков обойденных водой участков. На этом этапе в одну группу могут быть включены две и более рядом расположенные нагнетательные скважины.

3.14. Продолжительность полуциклов t работы скважины на заданном режиме находится из выражения

,                                                             (5)

где r - расстояние от возмущающей скважины до точки воздействия;

x - пьезопроводность пласта.

Следует иметь в виду, что при r > 3sн (sн - половина расстояния между нагнетательными скважинами) изменения направления фильтрации в результате изменения режимов работы скважин разрезающего ряда незначительны, а необходимые для увеличения охвата пласта заводнением по толщине амплитуды изменения давления достигаются лишь при достаточно большой величине полуциклов (). Теоретическое обоснование основных параметров нестационарного заводнения приведено в приложении 1.

3.15. Расчеты и практический опыт осуществления нестационарного заводнения показывают, что при переводе со стационарного на нестационарное заводнение производительность КНС уменьшается на 35 - 45 % в случае остановки нагнетательных скважин и на 20 - 30 % в случае ограничения расхода в них воды. Эффект от нестационарной закачки воды отсутствует при потерях в производительности КНС более 40 %. Поэтому для компенсации потерь в закачке воды приемистость нагнетательных скважин, работающих в режиме повышенной закачки, должна быть на 20 - 40 % выше, чем при стационарном заводнении (см. прил. 1). Приемистость скважин, находящихся в полуцикле ограничения расхода, при минусовых температурах воздуха должна быть выше той, при которой происходит замерзание воды в водоводах.

3.16. В табл. 1 приведены удельные минимальные расходы воды, предотвращающие замерзание ее в водоводах при различных природно-климатических и технико-технологических условиях. Методика расчетов их приведена в приложении 2. Выбор минимального удельного расхода воды производится по таблице для заглубленной, обвалованной и оголенной частей водовода, а также устьевой арматуры. В последнем случае следует учитывать разделение потока на устье скважины по каналам закачки (НКТ и затрубье) с тем, чтобы исключить замерзание манифольдной линии. Выбранное значение удельного минимального расхода умножается на соответствующую длину водовода, за окончательное значение расхода принимается наибольший из минимальных расходов, определенных для водовода и устьевой арматуры скважин.

Таблица 1

Удельный минимальный расход, предотвращающий замерзание водовода

Условия прокладки водовода

Диаметр водовода, мм

Минимальный расход (qmin), м3/сут., на 1 м длины водовода при температуре воздуха в)

-20 °С

-30 °С

-40 °С

-50 °С

Заглублен на 1,0 м

100

0,28

0,42

0,56

0,71

150

0,32

0,47

0,63

0,79

200

0,35

0,52

0,69

0,87

250

0,38

0,56

0,75

0,94

Заглублен на 0,5 м

100

0,34

0,52

0,69

0,86

150

0,40

0,60

0,79

0,99

200

0,44

0,67

0,89

1,12

250

0,49

0,74

0,98

1,23

Обвалован на 0,5 м

100

0,44

0,66

0,88

1,10

150

0,53

0,79

1,06

1,32

200

0,62

0,93

1,24

1,55

250

0,71

1,07

1,42

1,78

Оголен

100

5,70

8,60

11,20

14,10

150

8,50

12,90

16,80

21,10

200

11,40

17,10

22,40

28,20

250

14,30

21,50

28,10

35,30

Защищен слоем стекловаты толщиной 3 см

100

0,24

0,37

0,48

0,60

150

0,37

0,55

0,72

0,90

200

0,49

0,73

0,96

1,20

250

0,61

0,92

1,21

1,57

Примечание. Минимальный расход воды по водоводу находится умножением удельных величин на длину водовода в метрах.

Таким образом, по данным об условиях проложения водоводов и устьевой обвязки скважин об их диаметрах и длинах найдем минимальные расходы по вoдoвoдy (Qвнmin) и по скважинам (Qiнmin), работающим в полуцикле ограничения расхода воды.

3.17. Учитывая, что производительность КНС при нестационарном заводнении должна оставаться на уровне стационарного, напишем следующие очевидные соотношения

,                                                    (6)

, ,                                          (7)

,                                                          (8)

,                                                           (9)

,                                               (10)

,                                                  (11)

где Р - коэффициент нестационарности технологического процесса;

N1 - количество скважин, работающих с ограничением приемистости при нестационарном заводнении;

N2 - количество скважин, работающих при нестационарном заводнении с повышением приемистости по сравнению с приемистостью ее при стационарном заводнении;

N - общее количество скважин на КНС;

Qкс, Qкн - производительность КНС при стационарном и нестационарном заводнении соответственно, м3/сут.

Приемистость скважин из группы N2 находится с использованием среднего превышения производительности скважин N2 над производительностью скважин N1, т.е.

,                                                                           (12)

где Qiнmax - приемистость i-ой скважины при нестационарном заводнении, работающей в режиме повышенной закачки воды, м3/сут.

К одному водоводу могут быть подключены скважины с расходами Qiнmin и Qiнmax. Суммарный (Qвн) расход по нему будет равен

,                                                           (13)

При этом должно соблюдаться соотношение

Qвн ³ Qвнmin                                                                                                      (14)

3.18. Для получения минимальных расходов воды при нестационарном заводнении в технологическую линию этих скважин вводится добавочное гидравлическое сопротивление, регулятор давления, штуцер, керамическая насадка и т.д., т.е. репрессия на пласт уменьшается вследствие увеличения потерь напора в водоводах. При этом перепад давлений на добавочном сопротивлении определяется из следующих выражений

,                           (15)

,                   (16)

где DРос и DРон - сумма потерь давления в технологической линии КНС-водовод-скважина-пласт соответственно при стационарном и нестационарном заводнении, МПа;

Нс - глубина скважины до верхних перфорационных отверстий, м;

r - плотность воды, кг/м3;

g - ускорение силы тяжести, м/с2;

Рп - пластовое давление, МПа;

DРш - потери напора воды на добавочном гидравлическом сопротивлении, МПа;

10-6 - переводной коэффициент.

Из выражения (16) перепад давления на добавочном гидравлическом сопротивлении равен

,                              (17)

Давление нагнетания воды на гребенке КНС при нестационарном заводнении (Рг.н.) принимается равным аналогичному показателю при стационарном (Рг.с.).

Перепад давления в водоводах и скважинах при нестационарном заводнении может быть определен из соотношений:

,                                                 (18)

,                                                 (19)

где DРвн, DРвс - гидравлические потери напора в водоводах, соответственно, при нестационарном и стационарном режимах закачки воды, МПа;

DРсн, DРсс - то же для нагнетательных скважин, МПа;

DРпн, DРпс - то же для пласта, МПа;

Qвн, Qвс - расход воды по водоводу при нестационарном и стационарном режимах закачки воды, м3/сут;

Qiн, Qiс - то же для ствола нагнетательной скважины, м3/сут;

Ргн, Ргс - давление нагнетания воды на гребенке КНС при нестационарном и стационарном режимах закачки воды, МПа.

Значение забойного давления в нагнетательных скважинах и, соответственно, гидравлические потери напора в пласте (DРпн = Рзн - Рп) найдем из формулы А.Т. Горбунова - Н.А. Карташева для приемистости скважины

,                                                  (20)

,                                                  (21)

,                                                          (22)

где PT - критическое давление раскрытия трещин, МПа;

Pзн, Рзс - забойное давление в скважине соответственно при нестационарном и стационарном режимах закачки воды, МПа;

 - гидропроводность в пласте без раскрытия трещин, т.е. при давлениях до РТ;

a - коэффициент изменения гидропроводности пласта (a = 0 - 0,61/МПа);

К - коэффициент приемистости скважин до раскрытия трещин, м3/(сут×МПа);

Rк, Rc - радиус контура влияния закачки и радиус скважины соответственно, м.

В формуле (20) значения К, a и РТ находятся по данным о работе скважины на стационарном режиме закачки воды.

Потери напора на добавочном гидравлическом сопротивлении находятся из уравнения (17) путем подстановки величин, определенных из выражений (18) - (22). Если регулятор расхода штуцерный с известной гидравлической характеристикой Рш = f (Q), то по ней определяется диаметр керамической насадки.

Обеспечение заданных режимов работы нагнетательных скважин

3.19. В соответствии с тремя этапами выравнивания фронта вытеснения в результате применения нестационарного заводнения возможны разнообразные варианты изменения режимов (расхода и давления) работы нагнетательных скважин. Поэтому технологические схемы закачки воды в пласт должны быть гибкими, т.е. обеспечивать заданные режимы работы скважин на каждом этапе осуществления нестационарного заводнения.

3.20. Ограничение приемистости скважин производится регуляторами расхода. Методика расчета перепада давления на нем приведена в п. 3.17. Регулятор расхода может устанавливаться на каждую скважину и группу скважин. Место установки его - устье скважины, гребенка куста скважин и гребенка КНС.

3.21. Для увеличения объемов закачки воды в группу скважин N2, работающих на повышенной приемистости, необходимо повысить давление нагнетания воды (репрессию на пласт) путем

установки высоконапорных насосов;

прокладки дополнительных линий водоводов при наличии значительных гидравлических потерь в проложенных;

улучшения энергетического баланса системы КНС-скважина.

Наиболее полно установленные мощности КНС используются при последних двух способах.

В условиях Самотлорского месторождения требуемый режим работы КНС может быть обеспечен следующими мероприятиями:

увеличением количества работающих насосов для смещения рабочей точки к верхней (по давлению) границе рабочей зоны характеристики насосов;

добавлением к семи установленным восьмой снятой ступени;

снятием штуцера на выкиде насосов (на тех КНС, где он установлен);

увеличением давления на приеме насосов (давления подпора) в пределах допустимого;

установкой дополнительных насосов (расширением КНС);

заменой установленных насосов на другие с более высоким напором (полной реконструкцией КНС);

в результате улучшения энергетического баланса системы КНС-скважина путем разделения скважин (для многопластовых месторождений), работающих от единой системы водоводов на группы по пластам и поочередной их остановки (ограничения расхода воды);

разделением нагнетательных скважин, пробуренных на один пласт и имеющих общие участки водоводов, на группы, предназначенные к поочередной их остановке (ограничению расхода воды);

прокладкой перемычек между водоводами для введения в работу той части их, которая простаивает или работает на режиме ограничения закачки воды;

переобвязкой водоводов с целью обеспечения подачи воды под одинаковым для всех скважин куста давлением и создания единой системы водоводов, позволяющей в последующем проводить поочередное переключение скважин по группам;

прокладной перемычек между водораспределительными пунктами и напорными водоводами соседних кустовых насосных станций, с целью эффективного использования резерва мощностей КНС.

Методики определения технологических показателей системы поддержания пластового давления (ППД), мероприятий и объема работ для обеспечения их при повышении давления нагнетания воды на устье нагнетательных скважин приведены в "Руководстве по разработке мероприятий для повышения давления нагнетания воды на устье нагнетательных скважин Самотлорского месторождения" (РД 39-1-41-80).

Схемы реализации нестационарного заводнения

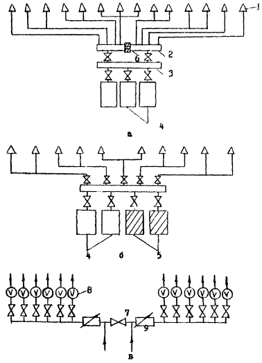
3.22. На схеме (рис. 1 а), которая предусматривает установку на КНС высоконапорных насосов, показан один из вариантов штуцерного способа перераспределения объемов закачиваемой воды (схема ВНИИ). Применение ее наиболее эффективно при работе двух групп, скважин от одной КНС, т.е. на третьем этапе нестационарного заводнения.

3.23. По схеме (рис. 1б), по которой закачка воды производится двумя группами насосов (высоконапорными и низконапорными) установленными на КНС (схема ВНИИ), нестационарное заводнение можно осуществлять круглогодично. Максимальные и минимальные объемы закачки по скважинам можно распределять регуляторами расхода, устанавливаемыми на устьях скважин, кустовых гребенках и гребенках КНС.

3.24. На рис. 1в показан один из вариантов установки перемычек на кустовых водораспределительных гребенках. При осуществлении этого способа перераспределения объемов закачиваемой воды необходимо предотвращать возможность образования застойных зон, в большинстве случаев он применим летом.

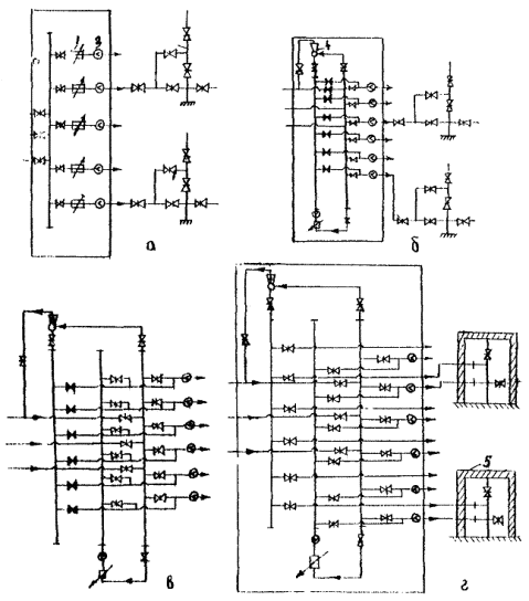
3.25. Схемы (рис. 2) предусматривают использование подпорных (а), напорных (б), дожимных (в) и автономных, последовательно соединенных погружных центробежных насосов типа УЭЦП-3000-1000 установленных в скважинах-шурфах. Они могут применяться в качестве основных и вспомогательных. Например, при низкой прочности напорных водоводов дожимной погружной электронасос устанавливается на кусте скважин и обвязывается с его гребенкой. Перераспределяются объемы закачиваемой воды регуляторами расхода.

3.26. Схемы (рис. 3) предусматривают применение водораспределительных гребенок специальной конструкции, при этом на КНС может быть две группы насосов с отличающимися напорами, в том числе установленные в скважинах-шурфах.

3.27. На схемах водораспределительных гребенок два-три коллектора с отводами и задвижками объединены в один узел. Назначение первого основного коллектора состоит в распределении воды по скважинам без ограничения расхода ее (рис. 3a). Второй коллектор служит для ограничения расхода воды в группу скважин через общий регулятор расхода, индивидуального замера расхода воды контрольным расходомером и дренирования скважины через один из напорных водоводов (рис. 3б). Для повышения эффективности дренирования скважины и подачи этой воды в емкости КНС на отводе этого коллектора устанавливается струйный насос. Недостаток этой гребенки - невозможность одновременного осуществления всех перечисленных операций.

3.28. Этот недостаток устраняется в третьей схеме (рис. 3в). На четвертой схеме от водораспределительного пункта к скважине прокладывается два водовода. Это позволяет перенести затрубную, манифольдную и центральную задвижки на водораспределительный пункт. При этом становится возможным проведение большинства работ (глушение, промывка и т.д.) не с устья скважины, а с водораспределительного пункта или КНС, соблюдая при этом требования охраны окружающей среды. Кроме того, существенно упрощается обвязка скважин, уменьшается их высота, что упрощает установку устьевых утеплительных кожухов или коробов.

Определение технологической эффективности процесса

3.29. Количественными показателями, характеризующими технологическую эффективность выравнивания фронта нагнетаемой воды, являются объем дополнительно добытой нефти (DQн); снижение в потребном объеме закачки воды при нестационарном заводнении по сравнению со стационарным (DQз); уменьшение объемов добычи попутной воды (DQв) и уменьшение обводненности продукции добывающих скважин (Dfв) за рассматриваемый период времени, коэффициент относительного увеличения эффективности закачки воды при нестационарном заводнении (Кэ.з) и др.

Принципиальные схемы нестационарного заводнения

а - схема с установкой дополнительного коллектора и штуцера;

б - схема с использованием высоконапорных и низконапорных насосов;

в - схема установки перемычки на кустовых водораспределительных гребенках

1 - нагнетательные скважины; 2 - водораспределительная гребенка; 3 - дополнительный водораспределительный коллектор; 4 - высоконапорные насосы; 5 - низконапорные насосы; 6 - штуцер; 7 - перемычки; 8 - расходомер; 9 - регулятор расхода.

Рис. 1

Технологические схемы закачки воды с подпорными, напорными и дожимными погружными центробежными электронасосами

а - с подпорными электронасосам; б - с напорными электронасосами, расположенными на КНС; в - с дожимными электронасосами, расположенными на кустах скважин; г - с последовательно соединенными электронасосами;

1 - кустовая насосная станция; 2 - погружной электронасос в скважине-шурфе; 3 - нагнетательная скважина.

Рис. 2

Принципиальные схемы нестационарного заводнения

а - без ограничения расхода воды; б - с раздельным ограничением расхода воды и дренированием скважины; в - с одновременным ограничением расхода воды и дренированием скважины; г - с упрощенной обвязкой скважин;

1 - регулятор расхода; 2 - расходомер; 3 - нагнетательная скважина; 4 - струйный насос; 5 - утеплительный короб.

Рис. 3

3.30. Для количественной оценки технологической эффективности рекомендован следующий общий принцип: прогнозирование показателей разработки при стационарном режиме и сопоставление их с фактической динамикой добычи продукции скважин в период внедрения мероприятий по выравниванию фронта нагнетаемой воды.

3.31. Технологическая эффективность от внедрения мероприятий, когда выравнивание фронта нагнетаемой воды начало проводиться до прорыва воды в скважинах первых нефтяных рядов, оценивается либо теоретическим способом, посредством проведения соответствующих гидродинамических расчетов по формулам, используемым при проектировании разработки, и сопоставлением с фактическими показателями, либо путем сопоставления последних с показателями процесса стационарного заводнения на других залежах (участках), имеющих идентичную геологопромысловую характеристику и систему разработки.

3.32. Технологическая эффективность от внедрения мероприятий, когда выравнивание фронта начало осуществляться после обводнения скважин первых эксплуатационных рядов, оценивается посредством предварительного нахождения по фактическим промысловым данным фоновой зависимости в период стационарного заводнения и сопоставления экстраполированной ее величины с фактическими показателями в период внедрения.

Фоновая зависимость в период стационарного заводнения определяется двумя способами. Первый способ, эмпирический-статистический, использует фактическую зависимость добычи нефти и воды в следующих модификациях, называемых характеристиками вытеснения:

f(Qн) = j(Qв) = y(Qж),                                                 (23)

где f, j, y - функциональные зависимости;

Qн, Qв, Qж - отбор нефти, воды, жидкости из скважин, участка, залежи.

Второй способ разработан в Сибниинп и использует гидродинамические формулы, описывающие стационарный процесс вытеснения нефти водой к скважинам.

Формализуя процесс вытеснения нефти в трубке тока произвольной формы на область дренирования к скважине (нефтяному ряду) в неоднородном пласте, по обычной промысловой информации о добыче нефти и воды из обводнившихся скважин путем решения обратной задачи определяют фильтрационные параметры l, c, Vn по следующим формулам:

, при ,                           (24)

,                                                (25)

,                                        (26)

где l, с - фильтрационные параметры, отражающие условия процесса вытеснения;

Vn - дренированный объем порового пространства;

 - коэффициент вытеснения нефти, отнесенный к объему пор;

rов, rон - остаточные водо- и нефтенасыщенности, определяемые по образцам керна в лаборатории или геофизическими методами;

Qнi, Qi - три точки на кривой зависимости накопленной добычи нефти Qн от отобранной жидкости и после прорыва воды.

Тогда фоновая зависимость определяется по следующим формулам:

в момент прорыва в скважину

,                                                 (27)

,                                                          (28)

в водный период эксплуатации

,                                                      (29)

,                                                          (30)

,                                                           (31)

где Zф, Z - насыщенность подвижной нефтью за фронтом вытеснения;

Qн.s - безводный отбор нефти;

fн - доля нефти в продукции скважин.

3.33. Объем дополнительно добытой нефти определяется:

,                                                           (32)

где индексы Ф, Р - расчетные и фактические накопленные отборы нефти.

3.34. Уменьшение объемов добычи попутной воды определяется по формулам:

,                                                     (33)

,                                                            (34)

.                                                        (35)

3.35. Снижение в потребном объеме закачки воды DQз для получения DQн находится из

DQз = DQн /i,                                                              (36)

где i < 1 - коэффициент использования воды, учитывающий потерю нагнетаемой воды в другие пласты, за контур нефтеносности и т.д.

3.36. Уменьшение обводненности продукции определится из

.                                                        (37)

3.37. Коэффициент относительного увеличения эффективности закачки

,                                                           (38)

где Qз.ф - фактическая закачка.

Экономическая оценка эффективности выравнивания фронта заводнения

3.38. Экономический эффект от внедрения рекомендаций по выравниванию фронта нагнетаемой воды может быть определен по двум направлениям:

за счет увеличения объема добычи нефти;

за счет увеличения объема закачки воды (сравнение предлагаемого процесса с ранее применяемым на участке вариантом).

3.39. Годовой экономический эффект от применения новой технологии, обеспечивающей увеличение добычи нефти определяется по формуле:

Э = С1А1 + НDА - С2А2 - ЕнDК,                                          (39)

где С1 и С2 - себестоимость добычи одной тонны нефти до и после применения метода, р/т;

А1 и А2 - объем добычи нефти до и после применения метода, тыс. т;

DА - дополнительная годовая добыча нефти за счет применения новой технологии, тыс. т;

Н - специальный норматив удельных приведенных затрат на одну тонну прироста добычи нефти (для мероприятий по увеличению текущих темпов отбора нефти принимается в размере 25 р/т);

DК - дополнительные капитальные вложения, связанные с внедрением новой технологии, тыс. р.

Объем добычи нефти до применения мероприятия (А1) рассчитывается по формуле

A1 = A2 - DA,                                                          (40)

Себестоимость добычи одной тонны нефти до внедрения метода определяется по формуле

,                                                           (41)

где Зд - дополнительные эксплуатационные расходы, связанные с приростом добычи нефти в результате применения новой технологии, р.

3.40. Годовой экономический эффект за счет увеличения объема закачки определяется по формуле

Э = (С1 - С2) (Q + DQ),                                                    (42)

где С1 и С2 - себестоимость закачки воды до и после внедрения мероприятия, р;

Q1 - объем закачки воды в пласт до мероприятия, тыс. м3;

DQ - дополнительный объем закачки, тыс. м3

DQ = Q2 - Q1,                                                          (43)

где Q2 - объем закачки воды в пласт по рекомендуемой технологии, тыс. м3.

3.41. Себестоимость закачки воды в пласт после проведения мероприятия определяется по формуле:

,                                                  (44)

где DЗ - переменная часть затрат на закачку 1 м3 воды, р.

4. ПРИМЕР РАСЧЕТА ТЕХНИЧЕСКОЙ И ЭКОНОМИЧЕСКОЙ ЭФФЕКТИВНОСТИ ПО III БЛОКУ САМОТЛОРСКОГО МЕСТОРОЖДЕНИЯ

4.1. Анализ разработки пласта БВ8 Самотлорского месторождения показал, что в результате разновременного ввода под закачку нагнетательных скважин третьего и четвертого разрезающих рядов накопленная закачка воды по третьему разрезающему ряду значительно превышает этот показатель четвертого разрезающего ряда. В результате этого продвижение фронта нагнетаемой воды (рис. 4) к стягивающему ряду добывающих скважин со стороны третьего разрезающего ряда нагнетательных скважин происходит активнее.

Динамика изохрон обводнения

 - нагнетательные скважины;

 - добывающие скважины;

 - положение фронта вытеснения на 1977 г.;

 - участок с начальной нефтенасыщенностью на 1977 г.;

 - то же на 1979 г.

4.2. С целью обеспечения улучшения выработки пласта необходимо увеличить (относительно третьего разрезающего ряда) закачку в скважины противоположного ряда.

4.3. Относительное увеличение в закачке можно достигнуть увеличением объема закачки по четвертому разрезающему ряду и уменьшением объема закачки по третьему разрезающему ряду.

4.4. Анализ систем поддержания пластового давления показал, что, несмотря на существующие резервные мощности по кустовым насосным станциям, увеличение закачки в скважины четвертого разрезающего ряда не представляется возможным ввиду недостаточной прочности напорных водоводов. Поэтому для увеличения объемов закачки воды в скважины, работающие на увеличенной приемистости, применен вариант улучшения энергетического баланса водоводов (рис. 5). Расчеты показали, что за счет этого мероприятия за один цикл (два месяца) дополнительная закачка воды составила 144,8 тыс. м3 (табл. 2)

4.5. Режим работы нагнетательных скважин четвертого разрезающего ряда оставлен без изменения (нестационарное заводнение с остановкой на три месяца по принципу через одну). При определении технологического режима работы скважин третьего разрезающего ряда использован параметр - накопленный объем закачки воды, приходящийся на один метр эффективной мощности (удельный объем закачки). В группу остановленных включены скважины с большим значением этого параметра.

4.6. На рис. 4 показана динамика изохрон обводнения, полученная при осуществлении нестационарного заводнения. Показатели неравномерности фронта вытеснения определены по выражениям (3) - (4) и равны d1 = 4,6; d2 = 3,6; S1 = 4,95; S2 = 4,60. Видно, что со временем d и S уменьшаются. Следовательно, происходит выравнивание фронта вытеснения.

4.7. Характеристика вытеснения, построенная по скв. 321, 322, 480, 481 рассматриваемого участка, приведена на рис. 6.


Характеристики насосов КНС-5

Давление на приеме Рпр. = 3 кгс/см2; Потери в обвязке Ргр. = 5 кгс/см2.

1, 2, 3, 4, 5 ... 8 - паспортные характеристики насосов ЦНС 500´1900 соответственно для 1, 2, 3, 4, 5 ... 8 насосов, приведенные к давлению на гребенке; 9 - характеристика фактически работающих насосов (построенные по имеющейся точке М) для 6-ти насосов (9 - характеристика тех же насосов без штуцеров на выкиде); 10 - характеристика для 6-ти насосов с 8-ю ступенями (при существующей степени износа); 11 - характеристика для 5-ти насосов с 8-ю ступенями (при существующей степени износа); 12 - диаграмма средних потерь напора насоса в водоводах (В), скважинах (С) и пласте (П) (а - при стационарном, б - нестационарном режимах)

Рис. 5


Таблица 2

Прирост закачки воды по БКНС-4 Самотлорского месторождения в 1980 г.

Номер куста

Номер скважины

Прирост закачки в I полуцикл, м3/мес

Прирост закачки во II полуцикл, м3/мес

Прирост закачки за весь цикл м3/цикл

Условия получения прироста

Номер ограниченных скв.

33

191

-

1020

1020

193, 1496, 1497, 1498

192

-

930

930

193, 1496, 1497, 1498

193

1050

-

1050

191, 192, 1500

1496

720

-

720

191, 192, 1500

1497

750

-

750

191, 192, 1500

1498

1200

-

1200

191, 192, 1500

1500

-

780

780

193, 1496, 1497, 1498

 

3720

2730

6450

 

35

196

13500

-

13500

1501, 1502, 1503

197

15000

-

15000

1501, 1502, 1503

198

19200

-

19200

1501, 1502, 1503

199

0

0

0

Постоянный режим

1501

-

12480

12480

196, 197, 198

1502

-

19890

19890

196, 197, 198

1503

-

12870

12870

196, 197, 198

 

47700

45240

92940

 

67

187

4200

-

4200

189, 190, 1493, 1494

188

6630

-

6630

189, 190, 1493, 1494

189

-

2340

2340

187, 188

190

-

2910

2910

187, 188

1493

-

2010

2010

187, 188

1494

-

2160

2160

187, 188

 

10830

9426

20256

 

78

534

-

3591

3591

535

535

4752

-

4752

534

1559

0

0

0

Постоянный режим

 

4752

3591

8343

 

79

539

5580

-

5580

1623

1623

-

2322

2322

539

 

5580

2322

7902

 

510

185

2670

-

2670

1492

186

3120

-

3120

1492

1492

-

3150

3150

185, 186

 

5790

3150

8960

 

Итого

 

78372

66459

144831

 

Зависимость накопленной добычи нефти SQн от логарифма отобранной воды lgSQв на скв. 321, 322, 480, 481

III - месяцы; ≡ - дополнительная добыча нефти;

1 - фактическая линия; 2 - прогнозная.

Рис. 6

Из него видно, что с началом внедрения нестационарного заводнения и при изменении вариантов осуществления его линейность характеристики нарушается в сторону снижения отбора попутной воды и увеличения текущей нефтеотдачи. При этом DQн = 5 тыс. т, Df = 6¸7 %; Кэ = 28 %; DQз = 34 тыс. м3, т.е. процесс эффективен.

4.8. В 1979 г. технологическая эффективность от процесса выравнивания фронта нагнетаемой воды определялась по трем добывающим скважинам стягивающего ряда 370, 371, 372. Режимы работы отмеченных скважин за анализируемой период не изменялись. Дополнительная добыча нефти за период с 06.79 г. по 01.80 г. составила 50 тыс. т нефти (рис. 7). Значительная разница в дополнительной добыче нефти (по сравнению с 1978 г.) закономернее по той причине, что обводненность добывающих скважин первых рядов на 30 - 40 % превышает этот показатель скважин стягивающего ряда.

4.9. Динамика изохрон обводнения (рис. 4) показывает, что на III квартал 1979 г. вытеснение нефти происходит в основном по всему блоку равномерно. Некоторое отставание выработки части блока объясняется сравнительно поздним вводом под закачку нагнетательных скважин 526, 527, 528, 529, 530 (с 05.1974 г. по 12.1975 г.), тогда как остальные скважины этого же ряда введены за период с 10.1973 по 10.1974 гг. Кроме того, полный режим работы скважин, необходимый для регулирования выработки пласта, не был реализован из-за проведения буровых работ в районе расположения четвертого разрезающего ряда.

4.10. Исходные данные для примера расчета экономической эффективности выравнивания фронта вытеснения по дополнительной добытой нефти приведены в таблице 3.

Зависимость накопленной добычи нефти SQн от логарифма отобранной воды lgSQв на скв. №№ 370, 371, 372

º - дополнительная добыча нефти

Рис. 7

Таблица 3

Исходные данные

Показатель

Значение

Цель воздействия на пласт

Увеличение нефтеотдачи пластов; выравнивание фронта заводнения.

Вид воздействия на пласт

Перемена направления фильтрационных потоков

Себестоимость добычи одной тонны нефти после применения мероприятия, р.

4,20

Дополнительная добыча нефти (DА), тыс. т

50

Объем добычи нефти (А2) по НГДУ Нижневартовскнефть, тыс. т

84786

Дополнительные эксплуатационные расходы (Зд), тыс. р.

145,4

4.11. Объем добычи нефти до применения метода определяется по формуле (40)

А1 = 84786 - 50 = 84736 тыс. т

4.12. Себестоимость добычи нефти до применения мероприятия равна

 р.

4.13. Годовой экономический эффект по формуле (39) равен

Э = 4,20×84736 + 25×50 - 4,20×84786 = 713,2 тыс. р.

4.14. Исходные данные для расчета экономической эффективности выравнивания фронта вытеснения по объему дополнительной закачки приведены в таблице 4.

Таблица 4

Исходные данные

Показатель

Значение

Цель воздействия на пласт

Увеличение нефтеотдачи пластов; выравнивание фронта заводнения

Вид воздействия на пласт

Перемена направления фильтрационных потоков

Себестоимость закачки одного м3 воды, фактическая, р.

0,223

Переменная часть затрат на закачку одного м3 воды, р.

0,066

Объем закачки воды в пласт до применения мероприятия (Q1), тыс. м3

135244,0

Прирост закачки воды (DQ) тыс. м3

3500,0

4.15. Себестоимость закачки воды в пласт после проведения мероприятия по выравниванию определяется по выражению (44), при этом С2 = 0,219 р.

4.16. Экономический эффект от внедрения мероприятия, рассчитанный по формуле (42), равен 554,9 тыс. р.

Директор Сибниинп                                             Н.К. Праведников

Ответственный исполнитель                               Е.Л. Кисарев

Нормоконтролер                                                   Л.В. Наумова

Приложение 1

Справочное

ТЕОРЕТИЧЕСКОЕ ОБОСНОВАНИЕ ОСНОВНЫХ ПАРАМЕТРОВ НЕСТАЦИОНАРНОГО ЗАВОДНЕНИЯ

1. Основными параметрами нестационарного заводнения являются последовательность, периодичность (частота или продолжительность) изменения режима работы нагнетательных скважин и амплитуда изменения давления в пласте.

2. Известно, что опережающий прорыв закачиваемой воды к забоям нефтяных скважин (языки обводнения) происходит по узкой полосе от нагнетательных к добывающим скважинам, так как именно здесь градиенты давления максимальны. Поэтому решение задачи равномерного вытеснения нефти и увеличения периода безводной добычи сводится к увеличению потока закачиваемой воды в направлении, параллельном нагнетательному ряду, а не добывающим скважинам. Показателем интенсивности поступления закачиваемой воды в направлении, параллельном разрезающему ряду, является соответствующая скорость фильтрации. Этот параметр можно использовать для сравнительной оценки различных вариантов нестационарного заводнения, при которых эффект капиллярной пропитки дополняется эффектом изменения направления фильтрации жидкости. Чем больше составляющая скорости фильтрации по линии, параллельной разрезающему ряду, тем более равномерно будет проходить вытеснение нефти.

3. Для теоретического исследования влияния основных параметров нестационарного заводнения на его эффективность выведем соответствующие зависимости.

На рис. 1 данного приложения приведен участок залежи со скважинами нагнетательного и добывающих рядов. Система координат выбрана таким образом, чтобы одна из осей совпадала с линией расположения нагнетательных скважин. Для точки М с координатой X и абсциссой выбранной системы координат составляющие скорости фильтрации по осям равны Vх и Vу.

Расчетная схема

D - нагнетательные скважины; о - нефтяные скважины.

Рис. 1

Значение проекции скорости фильтрации на ось ординат (Vх) аналитически определяется выражением

,                                                              (1)

где К - проницаемость пласта;

m - вязкость жидкости;

 - градиент давления.

Распределение давления в точке (DР(r, t)), находящейся на расстоянии r от источника возмущения, определяется интегрально-показательной функцией.

,                                     (2)

где Q - приемистость скважины, cм3/c;

m - вязкость жидкости, Па×с;

R - проницаемость пласта, м2;

h - толщина пласта, см;

r - расстояние, см;

х - пьезопроводность пласта, см2/c;

t - время, с.

Принимая во внимание, что  и, следовательно, , найдем

.                                                    (3)

Для практического пользования удобно представить формулу (3) в функции отношения значения ординаты (Х) к половине расстояния между нагнетательными скважинами (sн). В итоге получим

                                                 (4)

Используя формулы (2) и (3), для безразмерного изменения фильтрации по оси ординат (Vx*) и безразмерной амплитуды изменения давления, можно написать

;                                                           (5)

.                                                        (6)

4. Поскольку направление составляющей скорости фильтрации Vx совпадает с линией расположения нагнетательных скважин, эффективность нестационарного заводнения будет определяться величиной прироста от изменения режима работа нагнетательных скважин. Требуемый уровень изменения составляющей скорости фильтрации Vx может быть достигнут как при остановке нагнетательных скважин подряд, так и через одну, если увеличить продолжительность их остановки. Поэтому проследим связь между количеством и продолжительностью одновременной остановки подряд нагнетательных скважин.

На рис. 2 представлены результаты расчетов изменения составляющей скорости фильтрации, параллельной разрезающему ряду, в зависимости от количества одновременно останавливаемых подряд нагнетательных скважин для точек внешней зоны с ординатой х = sн (отсчет ординаты также от ближайшей нагнетательной скважины) в сечениях у = 0; у = sн; у = 3sн; у = 5sн

Условие X = sн является в определенной мере экстремальным, поскольку при X > sн может быть подобрана другая группа возмущающих скважин (путем перемещения их на расстояние, кратное 2sн) из расчета, чтобы ближайшая из них не была удалена по ординате от точки воздействия далее sн.

Представленные на графике данные позволяют сделать ряд практических выводов.

Во-первых, увеличение количества одновременно останавливаемых подряд нагнетательных скважин имеет смысл только при длительной остановке, когда  > 0,01 (при х = 104 см2/с и sн = 250 м это соответствует 72 суткам). Кроме того, из формулы (3) видно, что максимальное изменение составлявшей скорости фильтрации, параллельной разрезающему ряду, при » 1,0. Для этого продолжительность изменения режимов работы должна находиться в пределах .

Bo-вторых, чем более удалены от разрезающего ряда зоны воздействия, тем меньше эффект от увеличения количества одновременно останавливаемых скважин. В этом случае абсолютное изменение составляющей скорости фильтрации, параллельной нагнетательному ряду, незначительно и, видимо, поэтому целесообразно для таких зон периодически вовлекать в нестационарный процесс и нефтяные скважины.

Используя формулу (6), рассчитали безразмерные амплитуды изменения давления при одновременной остановке подряд и через одну четырех возмущающихся скважин, находящихся по одну сторону от точки воздействия для  = 0,1; 0,02; 0,01; 0,001 в зависимости от удаления ближайшей возмущающей скважины ряда от точки воздействия в пределах  = 0,1 + 6 т в сечении пласта у = 0 (рис. 3). Принятое условие у = 0 и расположение возмущающих скважин по одну сторону от точки воздействия позволяет оценить максимальное занижение амплитуды изменения давления при остановке нагнетательных скважин через одну в сравнении с остановкой их подряд.

Зависимость  от  и количества одновременно останавливаемых нагнетательных скважин (n)

I - для у = 0; II - для у = sн; III - для у = 3sн; IV - для у = 5sн

Рис. 2

Анализ проведенных расчетов показывает, что максимальное относительное занижение амплитуды изменения давления при остановке возмущающих скважин через одну не превышает 25 - 30 % и увеличение количества одновременно останавливаемых скважин целесообразно лишь при достаточной длительности полуциклов . Увеличение продолжительности полуциклов позволяет и при остановке возмущающих скважин через одну получить необходимую по абсолютной величине амплитуду изменения давления.

Сопоставление амплитуды изменения давления при остановке нагнетательных скважин

_____ - подряд; _ _ _ _ - через одну;

1 - для  = 0,1; 2 - для  = 0,02; 3 -  = 0,01; 4 - для  = 0,001

Рис. 3

Приложение 2

Справочное

МЕТОДИКА ОПРЕДЕЛЕНИЯ МИНИМАЛЬНЫХ РАСХОДОВ ВОДЫ ПРИ ПРОВЕДЕНИИ НЕСТАЦИОНАРНОГО ЗАВОДНЕНИЯ В ЗИМНИЙ ПЕРИОД ВРЕМЕНИ

1. Расчет минимального массового расхода воды (qmin), предотвращающего замерзание водовода, рекомендуется осуществлять по формуле [1].

,                                                (1)

где К - коэффициент теплопередачи Вт/(м2×К);

Ср - теплоемкость воды, Дж/(кг×К);

r - плотность воды, кг/м3;

d - внутренний диаметр труб, м;

l - длина водовода, м;

lм, lт - теплопроводность соответственно мерзлого и талого грунтов, Вт/(м×К);

Тв - температура воздуха, К;

Тн - температура воды в начале водовода, К.

Для песчаной засыпки, как наиболее неблагоприятной [2]

,                                                 (2)

2. Коэффициент теплопередачи заглубленного водовода определяется из следующей зависимости:

,                                                   (3)

где lгр - теплопроводность грунта, Вт/(м×К);

h - глубина заложения от поверхности до оси водовода, м;

aн - коэффициент наружной теплоотдачи, Вт/(м2×К).

Максимальное значение aн и l в зимний период составляет [1].

aн = 6,9480 Вт/(м2×К)

lгр = 0,2895 Вт/(м×К)

3. Для обвалованного водовода с радиусом обваловки коэффициент теплоотдачи рассчитывается:

;                                              (4)

4. При определении минимального расхода воды, необходимо учитывать также вероятность замерзания устьевой арматуры и манифольдной линии, которые обычно не утепляются, и поэтому в расчетной схеме их можно уподобить водоводу.

Исходя из формулы Шухова [1]

Т = Tв + (Тн - Tв) exp(- Ш),                                        (5)

где Т - текущая температура воды по длине водовода, К;

Ш - параметр Шухова.

Параметр Шухова представляет в рассматриваемом случае выражение

                                                          (6)

При То = 273 К (температура замерзания воды) найдем:

;                                                (7)

в которой коэффициент теплопередачи определяется формулой:

,                                                 (8)

где a1 - коэффициент внутренней теплоотдачи от жидкости к внутренним стенкам труб;

a2 - коэффициент наружной теплоотдачи от наружной стенки в воздух;

si, li - толщина и коэффициент теплопроводности стенок труб и изоляции;

n - число границ раздела.

Для определения a2 используется эмпирическая формула:

;                                                          (9)

где w - скорость ветра, м/с;

Для w = 20 м/с при температуре Тв = 223 К (наихудшие условия). a2 = 42,846 Вт/(м2×К). Для воды a1 = 231,6 Вт/(м2×К).

На основании фактических замеров при проведении расчетов принимать Тн = 274 К.

Литература

1. Горецкий А.Б. Диссертация на соискание ученой степени кандидата технических наук. Тюмень, 1973.

2. Горецкий А.Б. Медведский Р.И. Метод расчета минимального расхода воды, предупреждающего замерзания водоводов. - Труды Гипротюменнефтегаза, Тюмень, 1972, вып. 28, с. 152 - 167.

СОДЕРЖАНИЕ

1. Общая часть. 1

2. Причины неравномерности продвижения фронта заводнения и методы его выравнивания. 2

3. Требования к технологическому процессу выравнивания фронта заводнения и разработка мероприятий по его осуществлению. параметры назначения и оценки эффективности процесса. 3

4. Пример расчета технической и экономической эффективности по III блоку Самотлорского месторождения. 13

Приложение 1 Теоретическое обоснование основных параметров нестационарного заводнения. 18

Приложение 2 Методика определения минимальных расходов воды при проведении нестационарного заводнения в зимний период времени. 22

 




Rambler's Top100 Яндекс цитирования
  Copyright © 2008-2026, www.docload.ru