Бесплатная библиотека стандартов и нормативов www.docload.ru

Все документы, размещенные на этом сайте, не являются их официальным изданием и предназначены исключительно для ознакомительных целей.
Электронные копии этих документов могут распространяться без всяких ограничений. Вы можете размещать информацию с этого сайта на любом другом сайте.
Это некоммерческий сайт и здесь не продаются документы. Вы можете скачать их абсолютно бесплатно!
Содержимое сайта не нарушает чьих-либо авторских прав! Человек имеет право на информацию!

 

ГОСТ Р 51982-2002

ГОСУДАРСТВЕННЫЙ СТАНДАРТ РОССИЙСКОЙ ФЕДЕРАЦИИ

РЕГУЛЯТОРЫ ДАВЛЕНИЯ
ДЛЯ ГАЗОВЫХ АППАРАТОВ
С ДАВЛЕНИЕМ НА ВХОДЕ
ДО 20 кПа

ОБЩИЕ ТЕХНИЧЕСКИЕ ТРЕБОВАНИЯ
И МЕТОДЫ ИСПЫТАНИЙ

ГОССТАНДАРТ РОССИИ

Москва

Предисловие

1 РАЗРАБОТАН И ВНЕСЕН Техническим комитетом по стандартизации ТК 345 «Аппаратура бытовая, работающая на жидком, твердом и газообразном видах топлива»

2 ПРИНЯТ И ВВЕДЕН В ДЕЙСТВИЕ Постановлением Госстандарта России от 15 декабря 2002 г. № 474-ст

3 Настоящий стандарт представляет собой аутентичный текст европейского стандарта ЕН 88-91 «Регуляторы давления для газовых аппаратов с давлением на входе до 20 кПа» с изменением EH 88-91/A1-96

4 ВВЕДЕН ВПЕРВЫЕ

СОДЕРЖАНИЕ

1 Область применения. 1

2 Нормативные ссылки. 2

3 Определения. 2

4 Классификация. 3

5 Единицы измерения. 4

6 Требования к конструкции. 4

7 Технические требования. 6

8 Методы испытаний. 9

9 Маркировка, инструкции по монтажу и эксплуатации. 17

Приложение А Типы регуляторов и их части. 17

Приложение Б Испытание на герметичность (волюметрический метод) 18

Приложение В Испытание на герметичность (метод падения давления) 19

Приложение Г Преобразование падения давления в утечки. 19

Приложение Д Суммарные требования и условия испытаний. 20

ГОСУДАРСТВЕННЫЙ СТАНДАРТ РОССИЙСКОЙ ФЕДЕРАЦИИ

РЕГУЛЯТОРЫ ДАВЛЕНИЯ ДЛЯ ГАЗОВЫХ АППАРАТОВ
С ДАВЛЕНИЕМ НА ВХОДЕ ДО 20 кПа

Общие технические требования и методы испытаний

Gas appliances pressure governors for inlet pressure up to 20 kPa.

General technical requirements and test methods

Дата введения 2004-01-01

1 Область применения

Настоящий стандарт устанавливает требования к безопасности, конструкции и рабочим характеристикам регуляторов давления (далее - регуляторы) для их использования с газовыми горелками и газовыми аппаратами.

Стандарт определяет методы испытаний для проверки соответствия этим требованиям.

Настоящий стандарт распространяется на регуляторы давления газа с номинальными присоединительными размерами (условным проходом) до 50 мм включительно, предназначенные для работы с аппаратами, сжигающими газ, которые могут быть использованы и проверены независимо от этих аппаратов. Регуляторы пригодны для работы на природном газе по ГОСТ 5542 или сжиженном углеводородном газе по ГОСТ 20448 с давлением на входном отверстии до 20 кПа включительно.

Стандарт не распространяется на:

- регуляторы, подсоединенные непосредственно к магистральному трубопроводу или резервуару, для поддержания постоянного давления распределения;

- регуляторы, предназначенные для газовых аппаратов, установленных на открытом воздухе, подвергающихся воздействию окружающей среды;

- регуляторы, которые используют электрическую вспомогательную энергию.

2 Нормативные ссылки

В настоящем стандарте использованы ссылки на следующие стандарты:

ГОСТ 9.030-74 Временная противокоррозионная защита изделий. Резины. Метод испытаний на стойкость в ненапряженном состоянии к воздействию жидких агрессивных сред

ГОСТ 617-90 Трубы медные. Технические условия

ГОСТ МЭК 730-1-95/ГОСТ Р МЭК 730-1-94 Автоматические, электрические управляющие устройства бытового и аналогичного назначения. Общие требования и методы испытаний

ГОСТ 3262-75 Трубы стальные водогазопроводные. Технические условия

ГОСТ 5542-87 Газы горючие природные для промышленного и коммунального бытового назначения. Технические условия

ГОСТ 6357-81 Основные нормы взаимозаменяемости. Резьба трубная цилиндрическая

ГОСТ 12815-80 Фланцы арматуры, соединительных частей и трубопроводов на Ру от 0,1 до 20 МПа (от 1 до 200 кгс/см2). Типы. Присоединительные размеры уплотнительных поверхностей

ГОСТ 12969-67 Таблички для машин и приборов. Технические требования

ГОСТ 16093-81 Основные нормы взаимозаменяемости. Резьба метрическая. Допуски. Посадки с зазором

ГОСТ 20448-90 Газы углеводородные сжиженные топливные для коммунально-бытового потребления. Технические условия

ГОСТ 24705-81 Основные нормы взаимозаменяемости. Резьба метрическая. Основные размеры

3 Определения

В настоящем стандарте применяют следующие термины с соответствующими определениями:

3.1 Регуляторы

3.1.1 регулятор (регулятор давления): Устройство, которое поддерживает давление на выходе, постоянное в заданных пределах независимо от изменения давления на входе и (или) значения расхода газа (см. приложение А).

3.1.2 настраиваемый регулятор: Регулятор, в котором предусмотрены средства для изменения настраиваемого давления на выходе.

3.2 Давления

3.2.1 Общие положения

3.2.1.1 давление на входе: Давление на входе в регулятор.

3.2.1.2 давление на выходе: Давление на выходе из регулятора.

3.2.1.3 испытательное давление: Давление, применяемое при испытании.

3.2.1.4 перепад давлений: Разница между давлением на входе и выходе.

3.2.1.5 падение давления: Перепад давления при полном открытии клапана.

3.2.2 Регулятор давлений

3.2.2.1 максимальное давление на входе P1max: Максимальное давление на входе, установленное изготовителем.

3.2.2.2 минимальное давление на входе Р1min: Минимальное давление на входе, установленное изготовителем.

3.2.2.3 диапазон давления на входе: Изменение давления на входе от максимального до минимального значения.

3.2.2.4 максимальное давление на выходе P2mах: Максимальное давление на выходе, установленное изготовителем.

3.2.2.5 минимальное давление на выходе P2min: Минимальное давление на выходе, установленное изготовителем.

3.2.2.6 диапазон давления на выходе: Изменение давления на выходе от максимального до минимального значения.

3.2.2.7 точка настройки: Этот термин относится к давлению на входе и выходе, установленному изготовителем, при котором регулятор первоначально настраивается для испытательных целей, для указанного значения расхода газа. Соответствующие термины давления и значения расхода газа - «Давление настройки на входе», «Давление настройки на выходе» и «Настроенное значение расхода газа».

3.2.2.8 давление настройки на входе: См. 3.2.2.7.

3.2.2.9 давление настройки на выходе: См. 3.2.2.7.

3.3 Расходы газа

3.3.1 расход газа: Объем газа, текущий через регулятор в единицу времени.

Примечание - Номинальный присоединительный размер регулятора необязательно определяет диапазон расхода газа.

3.3.2 максимальный расход qтaх: Максимальный расход воздуха через регулятор, измеряемый при стандартных условиях в кубических метрах в час, определяемый как функция от давления на входе и выходе, заявленных производителем. Для ненастраиваемого регулятора имеется только одно значение максимального расхода.

3.3.3 минимальный расход qmin: Минимальный расход воздуха через регулятор, измеряемый при стандартных условиях в кубических метрах в час, определяемый как функция от давления на входе и выходе, заявленных производителем. Для ненастраиваемого регулятора имеется только одно значение минимального расхода.

3.3.4 диапазон значений расхода газа: разность между максимальным и минимальным расходами.

3.3.5 настроечное значение расхода: См. 3.2.2.7.

3.4 Компоненты регулятора

3.4.1 сапун: Отверстие, обеспечивающее поддержание атмосферного давления в полости корпуса с изменяемым объемом.

3.4.2 мембрана: Гибкий элемент конструкции, который под воздействием усилий от нагрузки и давления газа приводит в движение клапан.

3.4.3 мембранная пластина: Жесткая пластина, установленная на мембране.

3.4.4 клапан: Устройство, которое непосредственно изменяет расход газа.

3.5 Эксплуатационные характеристики

3.5.1 внешняя герметичность: Герметичность внутренних полостей регулятора, по которым проходит газ, относительно атмосферы.

3.5.2 давление закрытия, кПа (%): Давление на выходе, при котором регулятор закрывается, при этом выход регулятора герметичен.

3.5.3 выключение регулятора из работы: Аннулирование действия регулятора и опломбирование его в этом положении.

3.6 Разное

3.6.1 условный проход DN: Размер, который является одинаковым для всех компонентов системы трубопровода или других компонентов, отличающийся от обозначений наружных диаметров или размеров резьбы.

3.6.2 максимальная окружающая температура: Максимальная температура окружающего воздуха (установленная изготовителем), при которой регулятор работоспособен.

3.6.3 минимальная окружающая температура: Минимальная температура окружающего воздуха (установленная изготовителем), при которой регулятор работоспособен.

3.6.4 монтажное положение: Положение (установленное изготовителем) для монтажа регулятора.

4 Классификация

4.1 Классы регуляторов

Регуляторы подразделяют на классы А, В и С в зависимости от давления на входе и диапазона расхода.

4.2 Группы регуляторов

Регуляторы подразделяют на группы 1 и 2 в зависимости от изгибающих напряжений, которые они должны выдерживать при монтаже и эксплуатации.

Регуляторы группы 1. Регуляторы, предназначенные для использования в аппаратах и (или) установках, где изгибающие напряжения, возникающие при монтаже системы трубопроводов, не воздействуют на регулятор (например при использовании жестких опор).

Регулятор группы 2. Регуляторы, предназначенные для использования в любом месте, внутри или снаружи аппарата, как правило без поддержки.

Примечание - Регулятор, отвечающий требованиям группы 2, отвечает требованиям регуляторов группы 1.

4.3 Обозначение

Для регулятора в обозначении указывается класс и группа.

Например А2 - регулятор класса А, группы 2.

5 Единицы измерения

5.1 Все размеры в миллиметрах.

5.2 Все давления - статические, выше атмосферного, приведены в паскалях (Па) или килопаскалях (кПа).

5.3 Изгибающие моменты и моменты кручения приводятся в ньютонах на метр.

6 Требования к конструкции

6.1 Общие требования

6.1.1 Конструкция, изготовление и сборка регуляторов должны обеспечивать их правильное функционирование при условии их монтажа и эксплуатации в соответствии с инструкциями изготовителя.

6.1.2 Регуляторы не должны иметь острых кромок и ребер, которые могли бы стать причиной повреждений, травм или неправильной работы.

Внутренние и внешние поверхности деталей должны быть чистыми.

6.1.3 Отверстия для винтов, болтов и т.д., которые используются при сборке узлов регулятора или монтаже, не должны проходить через газовые каналы.

Толщина стенки между этими отверстиями и газовыми каналами должна быть не менее 1 мм.

6.1.4 Технологические отверстия, необходимые при изготовлении корпуса регулятора, соединяющие газовые каналы с атмосферой, но не влияющие на работу регулятора, должны быть постоянно закрыты металлическими заглушками. В этом случае допускается дополнительно использовать соединительные составы.

6.1.5 Конструкция заглушек, в том числе для точек измерений и испытаний, которые могут быть демонтированы при обслуживании, регулировании или переоборудовании, должна быть такой, чтобы герметичность по 7.3 достигалась механически (например металл по металлу, резиновые кольца) без использования жидких соединительных составов, паст или лент.

Соединительные составы, использующиеся при окончательной сборке, должны оставаться эффективными при заявленных изготовителем условиях эксплуатации.

Заглушки, не предназначенные для демонтажа в течение сервисного обслуживания, регулирования или переоборудования, должны быть законтрены таким способом, чтобы увидеть несанкционированное вмешательство (например лаком).

6.1.6 Детали, которые требуют демонтажа (например при сервисном обслуживании), должны быть демонтированы и повторно собраны с использованием обычных инструментов. Они должны быть сконструированы или маркированы таким образом, чтобы при сборке по инструкции изготовителя была невозможна неправильная установка.

Крепежные детали, которые могут быть сняты во время сервисного обслуживания, должны иметь метрические резьбы в соответствии с ГОСТ 24705, допуски на резьбу - ГОСТ 16093.

Винты-саморезы, которые нарезают резьбу и при этом образуют мелкую стружку, не должны использоваться для соединения деталей, несущих газ, или деталей, которые могут быть демонтированы во время сервисного обслуживания.

Винты-саморезы, которые нарезают резьбу и при этом не образуют мелкую стружку, допускается использовать при условии, что они могут быть заменены винтами с метрической резьбой по ГОСТ 24705.

6.1.7 Работе перемещающихся деталей (например мембран) не должны препятствовать другие детали регулятора.

6.1.8 Использование пайки или других процессов, где применяют соединительные материалы с точкой плавления ниже 450 °С, для соединения частей регулятора, по которым проходит газ, не допускается, кроме случаев, когда есть дополнительное уплотнение.

6.1.9 Отверстия сапунов должны быть сконструированы таким образом, чтобы при повреждении мембраны:

а) расход воздуха через отверстие не превышал 70 дм3/ч при максимальном давлении на входе или

б) они должны иметь место соединения с подходящей вентиляционной трубкой, в этом случае инструкции по монтажу и эксплуатации должны содержать информацию о том, что вентиляционная трубка должна быть выведена в безопасное место.

Конструкция сапуна отвечает требованию а), если диаметр его отверстия не превышает 0,7 мм при максимальном давлении на входе до 3 кПа.

Если для обеспечения требования а) применяется ограничитель утечки, он должен выдерживать давление, превышающее в три раза максимальное давление на входе. Если в качестве ограничителя утечки применяется мембрана безопасности, то она не должна заменять рабочую мембрану в случае ее повреждения.

Отверстия сапуна должны быть защищены от засорения и расположены так, чтобы их легко можно было прочистить и чтобы мембрана не могла быть повреждена при чистке отверстия сапуна острым приспособлением.

6.1.10 Уплотняющие заглушки должны удаляться и заменяться с использованием стандартного инструмента, при этом должен быть предусмотрен способ их контровки (например лаком). Заглушки не должны препятствовать регулированию в диапазоне расхода, установленного изготовителем.

6.1.11 Регулировочные элементы для изменения давления на выходе должны быть легко доступны для обслуживающего персонала, иметь условия для герметизации при изменении регулировки.

Регулировочные элементы должны быть законтрены, чтобы препятствовать неправомочному вмешательству.

Должны быть предусмотрены средства, обеспечивающие выключение регулятора из работы.

6.2 Материалы

6.2.1 Общие требования

Качество материалов, размеры и методы сборки различных узлов регулятора должны гарантировать его надежную работу. Рабочие характеристики регулятора не должны существенно изменяться в течение срока службы, если он смонтирован и эксплуатируется согласно инструкциям изготовителя. Компоненты регулятора должны быть устойчивы к любым механическим, химическим и тепловым нагрузкам в течение всего срока службы регулятора.

6.2.2 Корпус

Детали корпуса, непосредственно отделяющие полости регулятора, проводящие газ от атмосферы, должны быть только металлическими.

Эти требования также распространяются на детали корпуса, которые отделены мембраной от полости, проводящей газ.

Допускается изготавливать детали корпуса из неметаллических материалов при условии, что после удаления или разрушения этих деталей (кроме резиновых колец, прокладок, уплотнителей и диафрагм) утечка воздуха не превысит 30 дм3/ч при максимальном давлении на входе.

6.2.3 Сопротивление к коррозии

Детали регулятора, контактирующие с газом или атмосферой, в том числе пружины, должны быть изготовлены из коррозионно-стойких материалов или иметь защитное покрытие.

Защитное покрытие от коррозии пружин и других перемещающихся деталей не должно повреждаться при движении.

6.2.4 Пропитывание

Пропитывание, являющееся частью производственного процесса, выполняют с использованием специальных процедур (например в вакууме или под давлением с использованием специальных уплотняющих материалов).

6.3 Соединения

6.3.1 Размеры соединений

Эквивалентные размеры соединений - по таблице 1.

Таблица 1 - Размеры соединений

Условный проход DN, мм

Обозначение резьбы по ГОСТ 6357, дюймы

Условный проход фланцевого соединения по ГОСТ 12815, мм

Диапазон внешних диаметров труб для компрессионных фитингов, мм

6

6

2 5

8

¼

8

6 8

10

10

10 12

15

½

15

14 16

20

¾

20

18 22

25

1

25

25 28

32

1 1/4

32

30 32

40

1 1/2

40

35 40

50

2

50

42 50

6.3.2 Резьбы

6.3.2.1 Газовые соединения выполняют, удерживая регулятор за грани на корпусе, прикладывая необходимые усилия с использованием обычных инструментов, например гаечного ключа.

6.3.2.2 Резьбы соединений на входе и выходе регулятора по ГОСТ 6357 и выбирают из ряда, приведенного в таблице 1.

6.3.2.3 Если соединение выполняют при помощи муфт, то муфты должны быть изготовлены вместе с регулятором или должны поставляться с полным комплектом деталей, если резьбы не соответствуют ГОСТ 6357.

6.3.3 Фланцы

Если в регуляторах используют фланцы, то они должны обеспечивать соединение с фланцами по ГОСТ 12815 для номинального давления 600 или 1600 кПа или должны быть снабжены подходящими адаптерами, чтобы гарантировать подсоединение к стандартным фланцам и резьбам, или по запросу должны поставляться с полным комплектом деталей для выполнения соединений.

6.3.4 Компрессионные фитинги

Компрессионные фитинги должны быть пригодны для использования с трубами внешним диаметром по ГОСТ 617.

Не допускается изменять форму трубы перед выполнением соединений.

Вкладыши должны соответствовать размерам труб, для которых они предназначены.

Допускается использовать несимметричные вкладыши, если невозможна их неправильная установка.

6.4 Сальниковые уплотнения для движущихся деталей

Регулируемые вручную набивные сальники не должны использоваться для уплотнения движущихся деталей.

Сальник, установленный и отрегулированный изготовителем и защищенный от дальнейшего регулирования, рассматривается как нерегулируемый сальник.

6.5 Штуцеры измерения давления

Внешний диаметр штуцера измерения давления - 9-0,5 мм, полезная длина для подсоединения шланга - не менее 10 мм, эквивалентный диаметр отверстия - не более 1 мм.

7 Технические требования

7.1 Общие положения

7.1.1 Монтажное положение

Регуляторы должны быть работоспособны во всех монтажных положениях, указанных изготовителем.

7.1.2 Температура окружающей среды

Регулятор должен правильно работать в пределах температур окружающей среды, установленных изготовителем. Максимальная температура (3.6.2), по крайней мере, - плюс 60 °С, минимальная температура (3.6.3) в большинстве случаев - 0 °С.

7.2 Выключение регулятора из работы

Если это требуется, регулятор может быть выключен из работы (например для газов 3-го семейства), метод выключения должен быть описан в инструкции изготовителя. В результате выключения клапан регулятора должен быть зафиксирован в полностью открытом положении.

После включения регулятора в работу он должен отвечать требованиям настоящего стандарта.

7.3 Внешняя герметичность

7.3.1 Полностью собранный регулятор

Регулятор должен быть герметичен.

Регулятор считают герметичным, если при испытании по 8.3.2 и 8.3.3 измеренные значения утечек не превышают значений, указанных в таблице 2 или в 7.3.2.

Таблица 2 - Максимальные значения внешних утечек

Номинальный размер (входного отверстия) DN, мм

Максимальное значение утечек, (см3/ч воздуха)

DN < 10

20

10 DN 25

40

25 < DN 50

60

7.3.2 Внешние утечки регулятора после удаления неметаллических частей

После демонтажа неметаллических деталей корпуса регулятора внешние утечки воздуха должны быть не более 30 дм3/ч при испытании по 8.3.3. Это требование не относится к мембранам, кольцам круглого сечения, прокладкам и заглушкам.

7.4 Кручение и изгиб

7.4.1 Общие требования

Конструкция регуляторов должна предусматривать достаточный запас прочности, чтобы выдерживать механические нагрузки, которые могут возникнуть при монтаже и сервисном обслуживании.

После испытаний регулятора не должно быть остаточной деформации, и любые утечки не должны превышать значений, указанных в таблице 2.

7.4.2 Крутящий момент для регуляторов групп 1 и 2 с резьбовыми соединениями

Значение крутящего момента, которым нагружают регулятор, при испытании по 8.4.2 - согласно таблице 3.

Таблица 3 - Крутящий и изгибающий моменты

Условный проход

DN1), мм

Крутящий момент, Н∙м

Изгибающий момент, Н∙м

Группы 1 и 2

Группа 1

Группа 2

10 с2)

10 с2)

900 с2)

10 с2)

6

15

5

7

25

8

20

20

10

35

10

35

35

20

70

15

50

70

40

105

20

85

90

50

225

25

125

160

80

340

32

160

260

130

475

40

200

350

175

610

50

250

520

260

1100

1) Эквивалентные размеры соединений приведены в таблице 1.

2) Время проведения испытания.

7.4.3 Крутящий момент для регуляторов групп 1 и 2 с компрессионными фитингами Значение крутящего момента, которым нагружают регулятор, при испытании по 8.4.3 - согласно таблице 3.

7.4.4 Изгибающий момент для регуляторов групп 1 и 2

Значение крутящего момента, которым нагружают регулятор, при испытании по 8.4.2 - согласно таблице 3.

Регуляторы группы 1 дополнительно испытывают по 8.4.2.

7.5 Продолжительность службы

7.5.1 Эластичные материалы

7.5.1.1 Общие требования

Эластичные материалы, контактирующие с газом (например уплотнения клапана, резиновые кольца, мембраны и прокладки, используемые в регуляторе), должны быть однородными, непористыми, не должны содержать включений, песка, пузырьков и других дефектов поверхности, видимых невооруженным глазом.

7.5.1.2 Стойкость к смазочным материалам

Стойкость эластичных материалов к смазкам проверяют по 8.5.1.2 погружением испытуемого образца в испытательное масло СЖР-2 по ГОСТ 9.030.

После испытания изменение массы испытуемого образца должно быть в пределах ±10 %.

7.5.1.3 Стойкость к газу

Стойкость эластичных материалов к газу проверяют по 8.5.1.3 погружением испытуемого образца в жидкий n-пентан (n-пентан минимум 98 % массы жидкого газа, оценивается газовым хромотографом).

После испытания изменение массы испытуемого образца должно быть в пределах от минус 15 % до плюс 5 %.

7.5.2 Маркировка

Маркировка должна быть стойкой к трению, влажности и температуре и не должна обесцвечиваться.

Стойкость маркировки проверяют испытанием по 8.5.2.

7.5.3 Стойкость к царапанью (прочность покрытия)

Поверхности, защищенные исключительно окрашиванием, должны выдерживать испытание царапаньем по 8.5.3 до и после испытания на влагостойкость по 8.5.4 без проникновения шарика сквозь защитный слой краски до обнаженного металла.

7.5.4 Влагостойкость

Все детали регулятора, в том числе с защищенными поверхностями (например окрашенные краской или с гальваническим покрытием), должны выдерживать испытание на влагостойкость по 8.5.4, при этом любые признаки коррозии, отслоения или вспучивания не должны быть видны невооруженным глазом.

7.6 Требования к характеристикам

7.6.1 Общие положения

Регуляторы должны быть испытаны по 8.6 во всем диапазоне давлений на входе от Р1min до P1mах и (или) во всем диапазоне расходов от qmin до qmax для определения отклонения давления на выходе.

Если диапазон давления на входе включает два согласованных значения для минимального и максимального давления, как дано в таблице 4, то устанавливаемое давление на входе должно соответствовать номинальному давлению. В противном случае устанавливаемое давление и диапазон давления на входе указываются изготовителем.

Таблица 4 - Давление газа на входе в регулятор

Тип газа

Давление газа на входе в регулятор, кПа

номинальное

минимальное

максимальное

Газы 1-го семейства

0,8

0,6

1,5

Газы 2-го семейства. Группа 2Н

2,0

1,7

2,5

Газы 2-го семейства. Группа 2L

2,5

2,0

3,0

Газы 2-го семейства. Группа 2Е

2,0

1,7

2,5

Газы 3-го семейства

2,9

2,0

3,5

2,9

2,5

3,5

3,7

2,5

4,5

5,0

4,25

5,75

6,7

5,0

8,0

11,2

6,0

14,0

14,8

10,0

18,0

Отклонение давления на выходе от отрегулированного давления на выходе не должно превышать значений, приведенных в таблице 5, или ±0,1 кПа (какое из них больше).

Таблица 5 - Отклонение давления на выходе от отрегулированного давления на выходе

Класс регулятора

Максимальное отклонение давления воздуха на выходе, %

1-го семейства

2-го семейства

3-го семейства

Класс А: qтах до qmin и P1max до P1min

±15

±15

±15

Класс В: изменение давления на входе в зависимости от расхода потока

+ 15

- 20

+ 10

- 15

±10

Изменение расхода потока от qmax до qmin (при постоянном давлении на входе) для каждого из давлений на входе

+40

+ 40

+ 40

Класс С: постоянный расход q (в пределах диапазона расхода потока)

+ 15

- 20

+ 10

- 15

±10

7.6.2 Падение давления

Падение давления, измеренное методом по 8.6.4, не должно превышать значения, установленного изготовителем, больше чем на 10 %.

7.6.3 Регуляторы класса А

Для любого изменения давления на входе от P1min до P1max и при любом расходе газа от qmin до qmax отклонение давления на выходе от отрегулированного давления не должно превышать значений, приведенных в таблице 5, или ±0,1 кПа (какое из них больше). Заявленный минимальный расход qmin не должен превышать 10 % от qmax.

7.6.4 Регуляторы класса В

Для любого изменения давления на входе от P1min до P1max и при любом расходе газа от qmin до qmax отклонение давления на выходе от отрегулированного давления не должно превышать значений, приведенных в таблице 5, или ±0,1 кПа (какое из них больше).

Для любого изменения расхода газа в пределах заявленного диапазона от qmin до qmax при любом давлении газа на входе от P1min до P1max отклонение давления на выходе от отрегулированного давления не должно превышать значений, приведенных в таблице 5, или ±0,1 кПа (какое из них больше).

7.6.5 Регуляторы класса С

Для любого изменения давления на входе от P1min до P1max и при любом расходе газа от qmin до qmax отклонение давления на выходе от отрегулированного давления не должно превышать значений, приведенных в таблице 5, или ±0,1 кПа (какое из них больше).

7.7 Устойчивость характеристик

После проведения испытаний по 8.8 герметичность и характеристики регулятора должны остаться в пределах значений, указанных соответственно в 7.3 и 7.6, 7.8.

7.8 Давление закрытия

Если изготовитель заявляет, что регулятор способен запирать выход, то запирающее давление на выходе не должно превышать давление на выходе при расходе, равном 5 % qтах, более чем на 15 % или 0,75 кПа (какое из них больше). В этом случае регулятор дополнительно испытывают по 8.9.

8 Методы испытаний

8.1 Общие положения

8.1.1 Условия испытаний

Если изготовителем не заданы специальные условия для испытания регуляторов, то испытания регуляторов проводят сухим воздухом температурой (20±5) °С при температуре окружающей среды (20±5) °С.

Все измеренные значения расходов должны быть приведены к стандартным условиям испытаний: температура 15 °С, давление 101,325 кПа, воздух - сухой.

При проверке характеристик регулятора при отдельных настройках минимальное давление на входе должно быть, по крайней мере, на 0,2 кПа выше давления на выходе.

8.1.2 Монтажное положение

Испытания регуляторов проводят в монтажном положении, указанном изготовителем. Если указано несколько монтажных положений, то испытания проводят в наименее благоприятном положении согласно требованиям 7.1.1.

8.1.3 Последовательность испытаний

Регулятор должен быть испытан в последовательности, указанной в таблице 6.

Таблица 6 - Последовательность испытаний

Номер пункта

Испытания

8.2

Выключение регулятора из работы

8.3.2

Внешняя герметичность собранного регулятора

8.6

Характеристики регулятора

8.8

Долговечность

8.9

Давление закрытия

8.4

Кручение и изгиб

8.5.2

Стойкость маркировки

8.5.3

Стойкость к царапанью

8.5.4

Влагостойкость

8.3.3

Внешняя герметичность регулятора с удаленными неметаллическими деталями

8.5.1

Стойкость эластомеров

Раздел 6

Требования к конструкции

Если применяются клеящиеся этикетки, необходимо предусмотреть два дополнительных места для их наклейки.

Регуляторы, переводимые на газ другого класса путем замены деталей, должны поставляться с этими деталями.

Примечание - Специальное оборудование, необходимое для испытаний, должно поставляться с образцами.

8.2 Выключение регулятора из работы

Регулятор должен выключаться из работы способом, указанным в инструкции изготовителя. После подтверждения, что клапан зафиксирован в полностью открытом положении, проверяется герметичность по 8.3.2.

После включения регулятора в работу он испытывается методами, приведенными в настоящем стандарте.

8.3 Внешняя герметичность

8.3.1 Общие положения

Используют следующие методы, дающие воспроизводимые результаты:

- волюметрический метод (приложение Б) для испытательных давлений до 15 кПа включительно;

- метод падения давления (приложение В) для испытательных давлений свыше 15 кПа.

Пределы погрешности используемых приборов - ± 1 см3 и ± 0,01 кПа.

Точность измерения значения утечек - ±5 см3/ч.

Первоначально испытание должно быть выполнено испытательным давлением 0,6 кПа, затем повторить испытания при давлении, превышающем максимальное рабочее давление в 1,5, или при давлении, равном 15 кПа, в зависимости от того, какое выше.

Если регулятор используют для работы с газами 3-го семейства с номинальным давлением 11,2 или 14,8 кПа, то испытательное давление должно быть не менее 22 кПа.

Результаты, полученные методом падения давления, преобразуют в утечки по формуле, приведенной в приложении Г.

8.3.2 Полностью собранный регулятор

Регулятор монтируют на испытательном стенде. Подают на вход и выход регулятора испытательное давление по 8.3.1, закрывают вентили, установленные на входе испытательного стенда и за образцом (приложения Б и В).

В случае негерметичности образца измеряют значение утечки.

Применяя стандартные инструменты по инструкции изготовителя, пять раз демонтируют и заново устанавливают заглушки, после чего следует проверить значение утечки.

8.3.3 Регуляторы после удаления неметаллических частей

Демонтируют все неметаллические части корпуса, отделяющие проводящие газ полости от атмосферы, за исключением колец круглого сечения, сальников, прокладок и мембран. Подают на вход и на выход регулятора максимальное рабочее давление и проверяют значение утечки, которое не должно превышать 30 дм3/ч.

8.4 Крутящий и изгибающий моменты

8.4.1 Общие требования

Используют трубы обыкновенной серии по ГОСТ 3262 длиной не менее 1000 мм включительно.

В соединениях используют только незатвердевающие уплотняющие пасты.

Если входное и выходное соединения не находятся на одной оси, повторяют испытания на перевернутых соединениях.

По таблице 7 определяют момент затяжки фланцевых болтов по ГОСТ 12815.

Таблица 7 - Момент затяжки фланцевых болтов по ГОСТ 12815

Проход условный DN, мм

6

8

10

15

20

25

32

40

50

Момент затяжки, Н∙м

20

20

30

30

30

30

50

50

50

Регуляторы с компрессионными фитингами испытывают изгибающим моментом через переходную деталь, ввернутую в соединение.

8.4.2 Испытание регуляторов групп 1 и 2 с резьбовыми соединениями кутящим моментом в течение 10 с.

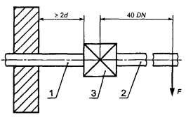
Сборочный узел для испытаний крутящим моментом - в соответствии с рисунком 1.

d - внешний диаметр трубы; 1 - труба 1; 2 - труба 2; 3 - испытуемый регулятор

Рисунок 1 - Сборочный узел для испытаний крутящим моментом

Испытания проводить в следующей последовательности:

а) трубу 1 заворачивают в регулятор крутящим моментом, не превышающим значений, приведенных в таблице 3. Трубу 1 закрепляют на расстоянии не менее 2d от регулятора (рисунок 1);

б) трубу 2 заворачивают в регулятор крутящим моментом, не превышающим значений, приведенных в таблице 7. Соединения должны быть герметичны;

в) опору трубы 2 выполняют так, чтобы изгибающий момент не передавался на регулятор;

г) к трубе 2 прикладывают крутящий момент в течение 10 с, постепенно повышая его, не превышая значений, приведенных в таблице 3. Последние 10 % крутящего момента прикладывают в течение 1 мин;

д) снимают крутящий момент и визуально проверяют собранный монтажный узел на наличие деформации, затем испытывают собранный узел на внешнюю герметичность по 8.3.2;

е) если оси входного и выходного отверстий не совпадают, испытания повторяют с перевернутыми соединениями.

8.4.3 Испытание регуляторов групп 1 и 2 с компрессионными соединениями, крутящим моментом в течение 10 с.

8.4.3.1 Компрессионные соединения с овальными вкладышами

Для испытания используют стальную трубу с новым медным вкладышем, соответствующим размеру трубы.

Испытания проводят в следующей последовательности:

а) корпус регулятора закрепляют неподвижно и к каждой гайке трубопровода прикладывают в течение 10 с испытательный крутящий момент по таблице 3;

б) эту же процедуру повторяют для всех соединений;

в) проверяют регулятор на наличие деформации, не принимая во внимание деформацию места установки вкладыша или сопряженных с ним поверхностей от приложенного крутящего момента, затем испытывают регулятор на внешнюю герметичность по 8.3.2.

8.4.3.2 Компрессионные соединения с коническими вкладышами

Испытания проводят по 8.4.3.1, используя короткую стальную трубу с коническим концом. Деформацию места установки конического вкладыша или сопряженных с ним поверхностей от приложенного крутящего момента не учитывают.

8.4.4 Испытания изгибающим моментом

8.4.4.1 Испытания регуляторов групп 1 и 2 изгибающим моментом в течение 10 с

Испытания проводят на том же регуляторе, что и испытания крутящим моментом, сборочный узел - в соответствии с рисунком 2.

Испытания проводят в следующей последовательности:

а) на расстоянии 40 DN от центра регулятора в течение 10 с прилагают силу, необходимую для получения изгибающего момента для регуляторов групп 1 или 2 и приведенную в таблице 3, учитывая при этом массу трубы;

б) снимают приложенную нагрузку и визуально проверяют сборочный узел на наличие остаточной деформации, затем испытывают сборочный узел на внешнюю герметичность по 8.3.2, утечки не должны превышать значений, приведенных в таблице 2;

в) если оси входного и выходного отверстий не совпадают, испытания должны быть повторены с перевернутыми соединениями.

8.4.4.2 Испытания регуляторов группы 1 изгибающим моментом в течение 900 с

Испытания проводят в следующей последовательности:

d - внешний диаметр трубы; 1 - труба 1; 2 - труба 2; 3 - испытуемый регулятор

Рисунок 2 - Сборочный узел для испытаний изгибающим моментом

а) испытания проводят на том же регуляторе, что и для испытания крутящим моментом, сборочный узел - в соответствии с рисунком 2;

б) на расстоянии 40 DN от центра регулятора (как показано на рисунке 2) в течение 900 с к трубе 2 прилагают силу, необходимую для создания требуемого изгибающего момента для регуляторов группы 1 и приведенную в таблице 3, учитывая при этом массу трубы;

в) с приложенной силой необходимо проверить сборочный узел на внешнюю герметичность по 8.3.2, утечки не должны превышать значений, приведенных в таблице 2.

8.5 Продолжительность службы

8.5.1 Эластичные материалы

8.5.1.1 Общие требования

Испытывают законченные узлы или детали законченного узла.

8.5.1.2 Стойкость к смазочным материалам

Испытание проводят по ГОСТ 9.030 (метод А) путем определения изменения массы испытуемого образца после погружения предварительно взвешенных деталей на (168 ± 2) ч в масло СЖР-2 при максимальной рабочей температуре.

Относительное изменение массы испытуемого образца ∆m, %, вычисляют по формуле

где т1      - начальная масса испытуемого образца в воздухе, г;

m3      - масса испытуемого образца в воздухе после погружения, г.

8.5.1.3 Стойкость к газу

Испытания проводят в соответствии с ГОСТ 9.030, используя гравиметрический метод и метод определения массы испытуемых образцов после воздействия жидких углеводородных газов. Испытания проводят в следующей последовательности:

а) взвешенные испытуемые образцы деталей из неметаллических материалов погрузить в сосуд с жидким пентаном на (72 ± 2) ч при температуре (23 ± 2) °С, так чтобы они полностью были покрыты пентаном, не касались друг друга и стенок сосуда;

б) извлечь испытуемые образцы деталей и поместить их в сушильный шкаф, выдержать (168 ± 2) ч при температуре (40 ± 2) °С и атмосферном давлении, затем образцы взвешивают;

в) относительное изменение массы ∆m, %, вычисляют по формуле

где т1    - масса испытуемого образца в воздухе до погружения в пентан, г;

m5   - масса испытуемого образца в воздухе после сушки, г.

8.5.2 Маркировка

Стойкость маркировки (5.1) испытывают по ГОСТ МЭК 730-1, приложение А.

8.5.3 Испытания царапанием

Поверхность Б устройства для испытания царапаньем (рисунок 3) плотно прижать к окрашенной поверхности.

Провести зафиксированным стальным шариком диаметром 1 мм по поверхности со скоростью от 30 до 40 мм/с, с усилием контакта 10 Н.

Повторить испытание царапанием после испытания на влагостойкость.

8.5.4 Испытание на влагостойкость

Регулятор помещают в климатическую камеру при температуре (40 ± 2) °С и относительной влажности более 95 % на 48 ч.

Удалить регулятор из климатической камеры и осмотреть его невооруженным глазом на наличие признаков коррозии. Отслоения или вспучивания покрытия на поверхности не допускаются.

Регулятор выдержать в течение 24 ч при окружающей температуре по 8.1.1, затем повторить осмотр.

Б - поверхность испытуемого устройства; 1 - пружина с усилием нагрузки 10 Н; 2 - наконечник, которым проводится царапанье (стальная сфера диаметром 1 мм);

Рисунок 3 - Устройство для испытания царапаньем

8.6 Характеристики регулятора

8.6.1 Аппаратура

Испытания должны быть выполнены на стенде, оборудованном аппаратурой в соответствии с рисунком 4.

1, 6 - ручные регулирующие краны; 2 - регулятор давления на входе; 3 - манометр для измерения давления на входе; 4 - испытуемый образец; 5 - манометр для измерения давления на выходе; 7 - расходомер; 8 - дифференциальный манометр; 9 - прибор для измерения температуры в точке

Условный проход трубопровода, мм

6

8

10

15

20

25

32

40

50

d, мм

6

9

13

16

22

28

35

41

52

Рисунок 4 - Схема стенда для измерения характеристик регулятора

Точность измерения давления, температуры и расхода воздуха должна быть, по крайней мере, ±2 %.

8.6.2 Приведение расхода воздуха к нормальным условиям

Для приведения расхода воздуха к нормальным условиям должна быть использована следующая формула

где qn - откорректированное значение расхода воздуха при нормальных условиях, м3/ч;

q - измеренное значение расхода воздуха, м3/ч;

Р - испытательное давление, кПа;

Pа - атмосферное давление, кПа;

t - температура воздуха, °С.

Характеристики должны быть выражены в кубических метрах в час воздуха при стандартных условиях.

8.6.3 Испытательные процедуры

8.6.3.1 Общие условия

Регуляторы классов А, В и С должны быть испытаны в соответствии с 8.6.3.2 - 8.6.3.4 в последовательности, приведенной в приложении Д.

Прежде чем измерить характеристики регулятор должен достигнуть теплового равновесия с окружающей средой.

Примеры характеристик кривых с Р2 (как ордината) и Р1 (как абсцисса) с переменным давлением на входе показаны на рисунке 5 и с переменным расходом потока воздуха - на рисунке 6.

Рисунок 5 - График зависимости давления на выходе от давления на входе

Рисунок 6 - График зависимости давления на выходе от расхода воздуха

8.6.3.2 Регуляторы класса А

Изменения давления на входе Р1 и расхода q выполнить следующим образом:

а) настроить давление на выходе из регулятора: Краном на выходе регулятора установить расход воздуха, равным 0,5 qmax (или любой другой расход, указанный изготовителем). Для настраиваемых регуляторов отрегулировать давление на выходе, равное максимальному значению Рax, давление на входе P1 должно быть номинальным (или любым другим значением, указанным изготовителем).

Отрегулированное давление на выходе агрегата не должно изменяться при дальнейшем изменении настроек регулятора;

б) изменить давление на входе Р1 от минимума Р1min до максимума P1max и назад к минимуму Р1min при этом записывать давление на выходе Р2, по крайней мере, для пяти значений P1 в каждом направлении, без повторной регулировки расходы воздуха;

в) при постоянном давлении на входе Р1min уменьшить расход воздуха от qmax до qmin и затем увеличить до qтах, используя для этого кран на выходе регулятора. Записать давление на выходе Р2, по крайней мере, для пяти значений расхода воздуха q в каждом направлении. Необходимо удостовериться, что во время испытаний давление воздуха на входе не изменяется;

г) изменить давление на входе от Р1min до P1max при изменении расхода от qmax до qmin, повторить испытания по перечислению в);

д) для настраиваемых регуляторов установить давление на выходе Р2min расходе воздуха согласно перечислению а). Повторить испытания по перечислениям б) - г).

8.6.3.3 Регуляторы класса В

Изменение давления на входе Р1 и расхода q выполняется следующим образом:

а) краном на выходе регулятора установить расхода воздуха qmax. Для настраиваемых регуляторов отрегулировать максимальное значение давления на выходе Р2mах, при этом давление на входе P1 должно равняться номинальному значению давления (или другому значению, заявленному изготовителем).

Отрегулированное давление на выходе из регулятора не должно изменяться при дальнейшей настройке регулятора;

б) изменить давление на входе Р1 от минимума Р1min до максимума P1max и назад к минимуму Р1min, при этом записывать давление на выходе Р2, по крайней мере, для пяти значений Р1 в каждом направлении, без повторной регулировки расхода воздуха;

в) краном на выходе регулятора установить расход воздуха, равный максимальному значению qmax, при постоянном давлении на входе P1min без регулировки давления на выходе при qmin;

г) повторить испытания по перечислению б);

д) для настраиваемых регуляторов установить давление на выходе, равное минимальному значению Р2min, при расходе воздуха по перечислению а). Повторить испытания по перечислению б) - г).

8.6.3.4 Регуляторы класса С

Изменение давления на входе P1 выполняется следующим образом:

а) краном на выходе регулятора установить расход воздуха qmax. Для настраиваемых регуляторов отрегулировать максимальное значение давления на выходе Р2mах, при этом давление на входе Р1 должно равняться номинальному значению давления (или другому значению, заявленному изготовителем).

Отрегулированное давление на выходе из регулятора не должно изменяться при дальнейшей настройке регулятора;

б) изменить давление на входе Р1 от минимума Р1min до максимума P1max и назад к минимуму Р1min при этом записывать давление на выходе Р2, по крайней мере, для пяти значений Р1 в каждом направлении, без повторной регулировки расхода воздуха;

в) краном на выходе регулятора установить расход воздуха, равный максимальному значению qmin и повторно отрегулировать давление воздуха на выходе по перечислению а);

г) повторить испытания по перечислению б);

д) для настраиваемых регуляторов установить давление на выходе, равное минимальному значению P2min, при расходе воздуха по перечислению а). Повторить испытания по перечислениям б) - г).

8.6.4 Падение давления

Устанавливают давление на входе Р1 на 0,1 кПа меньше, чем значение давления на выходе, полученного при минимальном давлении на входе и максимальном расходе.

Клапан регулятора должен быть полностью открыт.

При этих условиях измеряют разницу давлений между входным и выходным давлениями.

Для регулятора, настраиваемого в широком диапазоне, разность давлений измеряют для самой низкой настройки давления.

8.7 Устойчивость характеристик

Размещают регулятор в управляемой климатической камере с подводом воздуха при окружающей температуре, с максимальным давлением на входе, заявленным изготовителем. Два быстродействующих клапана, установленных до и после регулятора, как показано на рисунке 4, соединяют с реле времени так, чтобы при открытии одного клапана другой закрывался, время одного цикла 10 с.

Испытание состоит из 50000 циклов, в каждом из которых диафрагма полностью перемещается из одного положения в другое и удерживается в этом положении не менее 5 с.

Из 50000 циклов 25000 циклов должны быть выполнены регулятором при максимальной температуре окружающей среды, заявленной изготовителем, но, по крайней мере, не ниже чем плюс 60 °С, и 25000 циклов должны быть выполнены регулятором при минимальной температуре окружающей среды, заявленной изготовителем, но не выше 0 °С.

После окончания циклических испытаний регулятор испытывают по 8.3 и 8.6 без дополнительной регулировки точки настройки регулятора.

8.8 Запирающее давление

Испытания проводят в следующей последовательности:

а) установить регулятор на стенде, показанном на рисунке 4;

б) отрегулировать давление на входе, равным Р1mах, и настроить регулирующим краном 6 расход qmax/20;

в) измерить давление воздуха на выходе;

г) медленно закрыть регулирующий кран 6 за время не менее 5 с;

д) через 30 с после закрытия регулирующего крана 6 измерить давление на выходе.

9 Маркировка, инструкции по монтажу и эксплуатации

9.1 Маркировка

На видном месте каждого регулятора прикрепляют табличку по ГОСТ 12969 или наносят долговечную маркировку, содержащую:

а) наименование предприятия-изготовителя и (или) торговую марку;

б) обозначение изделия;

в) класс и группу изделия;

г) дату или год изготовления (допускается указывать в коде изделия);

д) направление потока газа (литьем или рельефной стрелкой);

е) максимальное давление на входе, Па/кПа.

9.2 Монтаж, инструкции по монтажу и эксплуатации

С каждой партией изделий поставляют набор инструкций на языке(ах) страны, в которую поставляются регуляторы.

Инструкции должны содержать необходимую информацию, касающуюся использования, монтажа, эксплуатации и сервисного обслуживания, в частности:

а) класс и группу регулятора;

б) семейство газов, для которых предназначен регулятор;

в) рабочие характеристики, включая диапазон давления на входе и на выходе и расход газа (см. рисунки 5 и 6) согласно объявленной классификации;

г) точку настройки (давление входного отверстия, давление выхода и расход газа);

д) температуру окружающей среды, °С;

е) монтажное(ые) положение(я);

ж) инструкции по переводу регулятора с одного семейства газа на другое (например замена пружины, установленной в регуляторе);

и) давление закрытия, если применяется.

9.3 Предупредительное уведомление

Предупредительное уведомление прилагают к каждой партии устройств управления. Уведомление должно содержать текст: «Прочитайте инструкции перед использованием. Устройство управления должно быть установлено в соответствии с действующими правилами».

ПРИЛОЖЕНИЕ А

(справочное)

Типы регуляторов и их части

Эти схемы представлены для информации; регуляторы могут иметь другие принципы работы и сочетание компонентов.

1 - всасывающая трубка (сапун); 2 - нагрузка; 3 - главная мембрана; 4 - седло клапана; 5 - шток клапана; 6 - хвостовик клапана; 7 - компенсационная мембрана; 8 - пружина; 9 - пластина мембраны

Рисунок А.1 - Типы регуляторов постоянного давления (схематические)

ПРИЛОЖЕНИЕ Б

(рекомендуемое)

Испытание на герметичность (волюметрический метод)

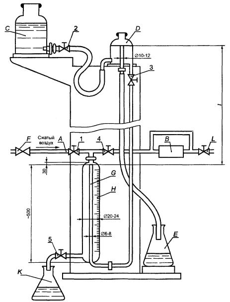
Б.1 Аппаратура

Схема аппарата для испытания на герметичность, приведена на рисунке Б.1

А - вход; В - испытуемый образец; С - емкость с водой; D - сосуд с постоянным уровнем воды; Е, К - переливной сосуд; F - регулятор; G - трубка; Н - измерительная бюретка; L - клапан выхода; 1 - 5 ручные краны

Рисунок Б.1 - Аппаратура для испытания на герметичность (волюметрическим методом)

Аппаратура должна быть выполнена из стекла. Краны 1-5 выполняют из стекла, они должны быть нагружены пружиной. В качестве рабочей жидкости используется вода.

Расстояние l между уровнем воды в сосуде с постоянным уровнем и концом измерительной трубки G регулируют так, чтобы эта высота столба воды колонки соответствовала испытательному давлению.

Испытательную аппаратуру устанавливают в помещение.

Б.2 Проведение испытаний

Давление сжатого воздуха на входе перед краном 1 регулируют до испытательного давления посредством регулятора давления F.

Краны 1 - 5 закрывают. Подсоединяют испытуемый образец В к испытательной аппаратуре. Закрывают клапан на выходе L.

Открывают кран 2 и снова закрывают его, когда вода в сосуде с постоянным уровнем D начнет переливаться в сосуд Е.

Открывают краны 1 и 4. Закрывают кран 1, когда измерительная бюретка H и клапан в испытуемом образце В находятся под давлением.

Открывают кран 3. Ждут приблизительно 15 мин, чтобы воздух в испытательной аппаратуре и испытуемом образце достиг теплового равновесия.

Любую утечку определяют количеством воды, перетекающей из трубки G в измерительную бюретку Н.

ПРИЛОЖЕНИЕ В

(рекомендуемое)

Испытание на герметичность (метод падения давления)

В.1 Аппаратура для испытаний на герметичность

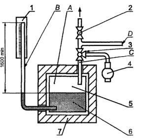
Аппарат показан схематично на рисунке В.1.

А - теплоизолированный сосуд давления; В - измерительная трубка; С - трубка под давлением; D - соединение с испытываемым клапаном; 1 - шкала; 2 - вентиль; 3 - трехходовой кран; 4 - компрессор; 5 - воздушная полость объемом 1 дм3; 6 - вода; 7 - теплоизоляция

Рисунок В.1 - Аппаратура для испытания на герметичность методом падения давления

Аппарат состоит из теплоизолированного сосуда давления А, заполненного водой так, чтобы объем воздуха над водой составлял 1 дм3. Стеклянную трубку В внутреннего диаметра 5 мм, открытую сверху одним концом, помещают в воду в сосуде А. Эта трубка служит для измерения падения давления.

Испытательное давление подводят ко второй трубке С, соединенной с воздушной полостью сосуда давления А, с которым испытуемый образец соединен через отвод D посредством гибкого шланга длиной 1 м, внутренним диаметром 5 мм.

В.2 Метод испытаний

Регулятором устанавливают значение давления воздуха в сосуде давления А через трехходовой кран 1 до испытательного. Повышение уровня воды в измерительной трубке В соответствует испытательному давлению.

Открывают трехходовой кран 3 для соединения испытуемого регулятора через соединение D с сосудом давления А.

Ждут 10 мин, чтобы установилось тепловое равновесие. Затем ждут еще 5 мин и снимают показания падения давления непосредственно в измеряющей трубке В.

ПРИЛОЖЕНИЕ Г

(обязательное)

Преобразование падения давления в утечки

Объем утечек qL, (см3), по падению давления вычисляют по формуле

где Vg - суммарный внутренний объем испытуемого клапана и испытательной аппаратуры, см3;

 - абсолютное давление в начале испытаний, кПа;

 - абсолютное давление в конце испытаний, кПа;

Падение давления измеряют в течение 5 мин, утечки приводятся ко времени 1 ч.

ПРИЛОЖЕНИЕ Д

(справочное)

Суммарные требования и условия испытаний

Д.1 Требования

Таблица Д.1

Класс регулятора

А

В

С

Семейство газа

1-е

2-е

3-е

1-е

2-е

3-е

1-е

2-е

3-е

Допуск давления на выходе P2 (в процентах от отрегулированного давления на выходе)

при изменении давления на входе от P1min до P1max

±15

±15

±15

+ 15

-20

+ 10

-15

±10

+ 15

-20

+ 10

-15

+ 10

или ±100 Па

или ±100 Па

или ±100 Па

при изменении значения расхода газа от qmax до qmin

-

+40

+40

+40

-

Отрегулированное давление

Номинальное давление по таблице 5 или как заявлено изготовителем

Диапазон давления

Согласно таблице 5 или как заявлено изготовителем

Максимальное давление на входе

Как заявлено изготовителем

Д.2 Испытательные процедуры

Таблица Д.2

Класс регулятора

А

В

С

1 Регулировка

Отрегулировать давление на выходе Р2, равное:

P2maх

P2maх

P2maх

при давлении на входе Р1

Номинальному давлению по таблице 4 или как объявлено изготовителем

при расходе газа q

0,5 qmax

qmax

 

Как только давление на выходе отрегулировано, не должно быть никаких дальнейших регулировок

2 Испытание:

После каждого изменения Р1 или q1 записывать давление на выходе Р2

изменить давление Р1

до P1min

изменить расход q от - до

0,5 qmax - qmin - qmax

He изменять

изменить давление Р1

 

до P1max

 

изменить расход q от - до

qmax - qmin - qmax

He изменять

изменить давление Р1

-

до P1min

-

изменить расход q от - до

-

qmax - qmin

-

3 Регулировка:

отрегулировать давление на выходе P2, равным

-

-

P2maх

при давлении на входе Р1, равном

-

-

номинальному давлению по таблице 4 или заявленному изготовителем

при расходе q, равном

-

-

qmin

 

После регулировки давления на выходе не должно быть дополнительных регулировок

4 Испытание:

После каждого изменения р1 или q1 записывать давление на выходе P2

изменить давление Р1

-

до P1min

изменить расход q от - до

-

не изменять

изменить давление Р1

-

до P1max

изменить расход q от - до

-

не изменять

изменить давление Р1

-

до P1min

Все регуляторы, независимо от их класса, испытывают согласно пунктам 1-4, при этом давление на выходе устанавливают равным P2min.

Ключевые слова: регуляторы давления, газовые соединения, герметичность, требования безопасности, условия испытаний, методы испытаний, условия эксплуатации




Rambler's Top100 Яндекс цитирования
  Copyright © 2008-2025, www.docload.ru