Бесплатная библиотека стандартов и нормативов www.docload.ru

Все документы, размещенные на этом сайте, не являются их официальным изданием и предназначены исключительно для ознакомительных целей.
Электронные копии этих документов могут распространяться без всяких ограничений. Вы можете размещать информацию с этого сайта на любом другом сайте.
Это некоммерческий сайт и здесь не продаются документы. Вы можете скачать их абсолютно бесплатно!
Содержимое сайта не нарушает чьих-либо авторских прав! Человек имеет право на информацию!

 

ГОСУДАРСТВЕННЫЙ СТАНДАРТ СОЮЗА ССР

ИЗДЕЛИЯ ТВЕРДОСПЛАВНЫЕ
ДЛЯ ГОРНОГО ИНСТРУМЕНТА

ФОРМЫ И РАЗМЕРЫ

ГОСТ 880-75

ИПК ИЗДАТЕЛЬСТВО СТАНДАРТОВ

Москва

ГОСУДАРСТВЕННЫЙ СТАНДАРТ СОЮЗА ССР

ИЗДЕЛИЯ ТВЕРДОСПЛАВНЫЕ
ДЛЯ ГОРНОГО ИНСТРУМЕНТА

Формы и размеры

Articles made of metal-ceramic hard alloys for mining
tools Shapes and dimensions

ГОСТ
880-75

Взамен
ГОСТ 880-67

Постановлением Государственного комитета стандартов Совета Министров СССР от 9 июля 1975 г. № 1744 срок введения установлен

с 01.07.76

Требования настоящего стандарта являются обязательными.

(Измененная редакция, Изм. № 4).

1. Твердосплавные изделия для горного инструмента должны изготовляться форм, указанных в табл. 1.

Таблица 1

Обозначение формы

Область применения

Эскиз

Г11

Для оснащения долотчатых коронок перфораторного бурения

Г12

Для оснащения крестовых коронок перфораторного и пневмоударного бурения

Г13

Для оснащения буровых коронок к погружным пневмоударникам

Г14

Для оснащения буровых коронок с прерывистым лезвием

Г22

Для армирования угольных резцов

Г23

Для армирования зубков угольных комбайнов и одношарошечных долот

Г24

Для армирования резцов врубовых машин и угольных комбайнов

Г24а

Для армирования резцов врубовых машин и угольных комбайнов

Г25

Для армирования шарошечных долот

Г26

Для армирования шарошечных долот

Г32

Для армирования резцов вращательного бурения

Г33

Для армирования резцов вращательного бурения

Г34

Для армирования резцов вращательного бурения по углю и мягким породам

Г34а

Для армирования резцов вращательного бурения по углю и мягким породам

Г36

Для армирования резцов вращательного бурения по углю

Г37

Для армирования резцов вращательного бурения по углю и мягким породам

Г38

Для армирования резцов вращательного бурения

Г40

Для армирования резцов вращательного бурения шпуров по вязким горючим сланцам и породам в сланцевых шахтах

Г41

Для армирования коронок вращательного бурения геологоразведочных скважин и лопастных долот нефтяного бурения

Г51

Для армирования коронок вращательного бурения геологоразведочных скважин

Г53

Для армирования коронок вращательного бурения геологоразведочных скважин

Г54

Для армирования шарошечных долот

Г55

Для армирования коронок гидроударного бурения геологоразведочных скважин

Г57

Для армирования коронок гидроударного бурения геологоразведочных скважин

Г60

Для армирования буровых сверл

Г61

Для армирования тангенциальных резцов

Г63

Для армирования резцов вращательного бурения по породам средней крепости и крепким

Г64

Для армирования резцов горнодобывающих комбайнов по углю

Г65

Для армирования резцов соледобывающих комбайнов

Г66

Для армирования строительных инструментов

Г67

Для армирования породных и угольных резцов

(Измененная редакция, Изм. № 1, 2).

2. Размеры изделий должны соответствовать указанным на черт. 1 - 35 и в табл. 2 - 20.

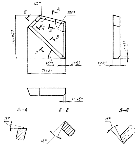
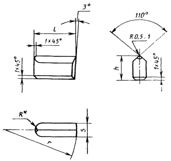
Форма Г11

Черт. 1

Таблица 2

мм

Номер изделия

l
(пред. откл. + 1)

h
(пред. откл. - 0,8)

s
(пред. откл. + 0,5)

r
(пред. откл. ± 1,0)

Г1101

28

16

7,5

14,0

Г1102

32

16,0

Г1103

36

18,0

Г1104

9,5

Г1105

40

7,5

20,0

Г1106

18

9,5

Г1107

43

21,5

Г1108

46

23,0

Г1109

52

26,0

Г1110

49

24,5

Примечание. По заказу потребителя изделия изготовляют с R = 120 ± 5 мм.

Форма Г12

Черт. 2

Таблица 3

мм

Номер изделия

l
(пред. откл. ± 0,5)

h
(пред. откл. - 0,8)

s
(пред. откл. + 0,5)

r
(пред. откл. ± 1,0)

c
(пред. откл. ± 0,5)

Г1201

12

16

7,5

16

1,0

Г1202

13

Г1203

14

9,5

20

Г1204

15

7,5

18

Г1205

9,5

21

Г1206

16

18

20

Г1207

17

7,5

Г1208

18

9,5

21

1,5

Г1209

12

16

18

1,0

Примечание. Изделия с фасками c × 45° изготовляют по заказу потребителя.

Форма Г13

Черт. 3

Таблица 4

мм

Номер изделия

l
(пред. откл. ± 0,5)

h
(пред. откл. - 0,8)

s
(пред. откл. + 0,5)

R*

r
(пред. откл. ± 1,0)

Г1301

28

18

9,5

5

52

Г1302

32

78

Г1303

49

Г1304

36

Г1305

40

64

Г1306

14

11,5

6

30

Г1307

16

Г1308

16

20

Г1309

20

Г1310

24

Г1311

23

24

13,5

7

62

Г1312

37

Г1313

26

20

11,5

6

30

* Размеры для справок.

Форма Г14

Черт. 4

Таблица 5

мм

Номер изделия

d

h
(пред. откл. ± 0,4)

Номин.

Пред. откл.

Г1401

8

-0,35

16

Г1402

10

-0,45

Г1403

12

-0,60

Г1404

14

20

Г1405

15

Г1406

16

Г1407

22

Г1408

17

20

Г1409

18

Г1410

20

Примечание. (Исключено, Изм. № 2).

Форма Г22

Черт. 6 (Черт. 5 исключен)

Форма Г23

Черт. 7

Таблица 6

мм

Номер изделия

d

h

r
(пред. откл. ± 0,25)

Номин.

Пред. откл.

Номин.

Пред. откл.

Г2301

8,2

+ 0,3

14

± 0,35

4,5

Г2302

12

Г2303*

10,0

16

5,5

Г2307

12,2

20

± 0,40

6,5

* Изготовляют по заказу потребителя.

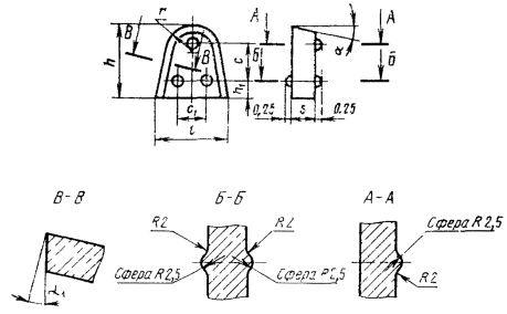
Форма Г24

Черт. 8

Таблица 7

Размеры в мм

Номер изделия

h

l

s

r

h1

c

c1

a

a1

Номин.

Пред. откл.

Номин.

Пред. откл.

Номин.

Пред. откл.

Г2401

15

± 0,4

12

± 0,35

40

± 0,20

4,5

2,5

8,0

6,5

10°

Г2402

55

± 0,25

Г2403

21

± 0,5

18

± 0,45

70

± 0,25

5,5

4,0

11,5

8,0

15°

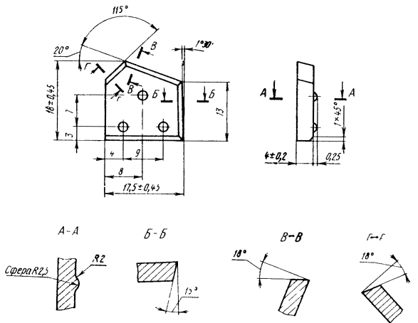
Форма Г24а

Черт. 9

Таблица 8

Размеры в мм

Номер изделия

h

l

s

r

h1

c

c1

a

a1

Номин.

Пред. откл.

Номин.

Пред. откл.

Номин.

Пред. откл.

Г24а-02

16

± 0,40

13

± 0,35

4

± 0,20

4,5

3

9,0

6

10°

Г24а-03

22

± 0,50

16

± 0,40

7

± 0,25

5,6

13,5

8

15°

Г24а-05

27

20

± 0,45

8

7,0

4

17,5

10

Г24а-06

6

Форма Г25

Черт. 10

Таблица 9

мм

Номер изделия

d

h

r

r1

c

Номин.

Пред. откл.

Номин.

Пред. откл.

Номин.

Пред. откл.

Г2501

3,2

+ 0,3

5

± 0,20

8

± 0,15

0,5

0,5

Г2502

4,2

7

± 0,25

Г2503

6

± 0,20

Г2504

5,2

9

± 0,25

10

Г2505

8

Г2506

7

Г2507

6,2

10

12

Г2508

9

Г2509

8

Г2510

7,2

12

± 0,30

14

Г2511

10

Г2512

8,2

13

16

Г2513

12

Г2514

11

Г2515

10

± 0,25

Г2516

9,2

14

18

Г2517

13

Г2518

12

Г2519

11

± 0,30

Г2520

10,2

16

20

± 0,20

1,0

1,0

Г2521

15

Г2522

14

Г2523

13

Г2524

12

Г2525

11,2

16

± 0,30

22

Г2526

15

Г2527

14

Г2528

13

Г2529

12

Г2530

11

Г2531

10

Г2532

12,3

18

± 0,40

24

Г2533

17

Г2534

16

± 0,30

Г2535

15

Г2536

14

Г2537

13,3

19

± 0,40

26

Г2538

18

Г2539

17

± 0,30

Г2540

16

Г2541

15

Г2542

14,3

+ 0,4

21

± 0,40

28

Г2543

20

Г2544

18

± 0,30

Г2545

17

Г2546

16

Г2547

15,3

22

30

Г2548

21

Г2549

20

Г2550

19

Г2551

18

Г2552

16,3

24

32

Г2553

22

Г2554

20

Г2555

19

Г2556

18

Форма Г26

Черт. 11

Таблица 10

мм

Номер изделия

d

h

r

Номин.

Пред. откл.

Номин.

Пред. откл.

Номин.

Пред. откл.

Г2601

5,2

+ 0,3

5

± 0,20

1,8

± 0,20

Г2602

4,2

6

2,3

Г2603

5

Г2604

5,2

8

± 0,26

2,8

Г2605

7

Г2606

6

± 0,20

Г2607

6,2

9

± 0,25

3,4

Г2608

8

Г2609

7

Г2610

6

± 0,20

Г2611

7,2

11

± 0,30

3,9

Г2612

10

± 0,25

Г2613

9

Г2614

8

Г2615

7

Г2616

6

± 0,20

Г2617

8,2

13

± 0,30

4,5

Г2618

12

Г2619

11

Г2620

8,2

10

± 0,25

4,5

± 0,20

Г2621

9

Г2622

8

Г2623

7

Г2624

9,2

14

± 0,30

5,0

± 0,25

Г2625

13

Г2626

12

Г2627

11

Г2628

10

± 0,25

Г2629

9

Г2630

8

Г2631

10,2

16

± 0,30

5,5

Г2632

15

Г2633

14

Г2634

13

Г2635

12

Г2636

11

Г2637

10

± 0,25

Г2638

9

Г2639

11,2

16

± 0,30

6,0

Г2640

15

Г2641

14

Г2642

13

Г2643

12

Г2644

11

Г2645

10

± 0,25

Г2646

12,5

18

± 0,30

6,5

Г2647

17

Г2648

16

Г2649

15

Г2650

14

Г2651

15

Г2652

12

Г2653

11

Г2654

13,3

19

7,0

Г2655

18

Г2656

17

Г2657

16

Г2658

15

Г2659

14

± 0,40

Г2660

13

Г2661

12

Г2662

14,3

+ 0,4

21

7,5

Г2663

20

Г2664

18

Г2665

17

Г2666

16

Г2667

15

Г2668

14

Г2669

13

Г2670

15,3

22

8,0

Г2671

21

Г2672

20

Г2673

15,5

19

Г2674

18

Г2675

17

Г2676

16

Г2677

15

Г2678

16,5

24

8,5

Г2679

22

Г2680

20

Г2681

19

Г2682

18

Г2683

17

Г2684

16

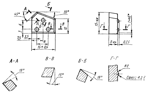
Форма Г32

Черт. 12

Форма Г33

Черт. 13

Форма Г34

Черт. 14

Форма Г34а

Черт. 15

Форма Г36

Черт. 16

Форма Г37

Черт. 17

Форма Г38

Черт. 18

Форма Г40

Черт. 20*

* Черт. 19 исключен.

Форма Г41

Черт. 21

Таблица 11

мм

Номер изделия

b

h

s

Номин.

Пред. откл.

Номин.

Пред. откл.

Номин.

Пред. откл.

Г4101

3,0

± 0,20

15

± 0,40

1,5

± 0,15

Г4102

6,0

± 0,25

20

± 0,45

4,0

± 0,20

Г4103

8,0

6,0

± 0,25

Г4104

7,5

± 0,20

15

± 0,25

0,7

± 0,15

Г4105

8,5

Г4106

9,5

Г4107

1,8

± 0,15

10

± 0,25

1,8

± 0,15

Г4108

3,0

± 0,20

1,5

(Измененная редакция, Изм. № 3).

Форма Г51

Черт. 22

Таблица 12

мм

Номер изделия

b

h

s
(пред. откл. ± 0,2)

Номин.

Пред. откл.

Номин.

Пред. откл.

Г5101

5,0

± 0,20

7

± 0,25

3

Г5102

7,5

± 0,35

10

± 0,30

Г5103

8,5

± 0,30

8

± 0,35

Г5104

10

± 0,30

Г5105

10,0

14

± 0,40

4

Г5106

1,5

± 0,10

12

± 0,35

3

Г5107

4,0

± 0,2,0

10

± 0,30

4

Г5108

3,0

8

± 0,25

3

Г5109

2,5

± 0,15

12

± 0,35

Г5110

2,0

Г5111

3,0

20

± 0,50

4

Примечание. По заказу потребителя допускается изготовление изделий с одной или двумя фасками 1 × 45° у основания, а изделий Г5110 и Г5111 - с задним углом 25°.

Форма Г53

Черт. 23

Таблица 13

Номер изделия

d
(пред. откл. ± 0,2)

h

Номин.

Пред. откл.

Г5301

5

5

± 0,20

Г5302

8

± 0,25

Г5303

10

± 0,30

Г5304

7

15

Г5305

20

± 0,40

Примечание. По заказу потребителя допускается изготовление изделий Г5301 - Г5303 без угла 25°.

Форма Г54

Черт. 24

Таблица 14

мм

Номер изделия

d
(пред. откл. ± 0,3)

h

Номер изделия

d
(пред. откл. ± 0,3)

h

Номин.

Пред откл.

Номин.

Пред откл.

Г5401

3,2

3

± 0,15

Г5408

7,2

5

± 0,20

Г5402

4,2

4

Г5409

8,2

8

± 0,25

Г5403

5,2

5

± 0,20

Г5410

7

Г5404

4

± 0,15

Г5411

6

± 0,20

Г5405

6,2

6

± 0,25

Г5412

10,2

8

± 0,25

Г5406

5

± 0,20

Г5413

12,2

10

± 0,30

Г5407

7,2

6

± 0,25

Г5414

8

± 0,25

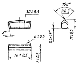
Форма Г55

Черт. 25

Таблица 15

мм

Номер изделия

s
(пред. откл. ± 0,35)

r

r1

Пред. откл. ± 1

Г5501

10,7

29,5

19,5

Г5502

17,7

38,0

21,0

Форма Г57

* Размер для справок.

Черт. 26

Таблица 16

Размеры в мм

Номер изделия

s
(пред. откл. ± 0,35)

b
(пред. откл. ± 0,4)

r

r1

r2

a

Пред. откл. ± 1

Г5701

10,7

9

4,5

19,5

29,5

Г5702

12,7

10

5,0

26,0

38,0

Г5703

14,7

11

5,5

43,0

57,5

Форма Г60

Черт. 29*

* Черт. 27, 28 исключены.

Форма Г61

Черт. 30

Форма Г63

Черт. 32*

Таблица 19**

мм

Номер изделия

s
(пред. откл. ± 0,4)

Г6301

6

Г6302

8

Г6303

10

* Черт 31 исключен.

** Табл. 17, 18 исключены.

Форма Г64

Черт. 33

Форма Г65

Черт. 34

Форма Г66

Черт. 35

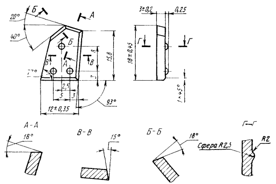
Форма Г67

Черт. 36

Таблица 21*

мм

Номер изделия

d

h

R1

Номин.

Пред. откл.

Номин.

Пред. откл.

Г6701

7

± 0,3

15

± 0,45

3,5

Г6702

9

± 0,3

17

± 0,45

4,5

Г6703

12

± 0,3

20

± 0,60

6,0

Г6704

16

± 0,3

24

± 0,60

8,0

* Табл. 20 исключена.

Условное обозначение изделий для горного инструмента при заказе составляется с учетом Общесоюзного классификатора продукции (ОКП). Полный код ОКП изделий для горного инструмента состоит из 15 (16) знаков: первые десять знаков приведены в приложении 2, последние 5 (6) знаков - номер изделия для горного инструмента - приведены в табл. 2 - 21.

Пример условного обозначения изделия формы Г11 из твердого сплава марки ВК8-В, размерами l = 28 мм, h = 16 мм, s = 7,5 мм, r = 14 мм при заказе:

19 6533 2852 Г1101 ГОСТ 880-75

в технической документации:

Изделие формы Г1101 ВК8-В ГОСТ 880-75.

То же, для изделия формы Г24а с размерами h = 16 мм, l = 13 мм, s = 4 мм, r = 4,5 мм, h1 = 3 мм, С = 9 мм, С1 = 6 мм, a = 10°, a1 = 3° при заказе:

19 6533 2859 Г24а-02 ГОСТ 880-75

в технической документации:

Изделие формы Г24а: Г24а-02 ВК8-В ГОСТ 880-75.

(Измененная редакция, Изм. № 1, 2, 4).

3. Неуказанные предельные отклонения линейных размеров - по .

(Измененная редакция, Изм. № 1).

4. Неуказанные предельные отклонения углов изделий не должны превышать для углов:

до 5°                                                                                  + 1°;

св. 5° до 15°                                                                      ± 1°;

св. 15°                                                                               ± 2°.

5. Углы, радиусы, фаски и неоговоренные допусками размеры изделий форм Г24, Г24а, Г25, Г26 и Г67 даны для построения прессового инструмента и на готовых изделиях не контролируются.

(Измененная редакция, Изм. № 2).

6. По заказу потребителя изделия форм Г23, Г25, Г26 и Г54 должны изготовляться в шлифованном виде по нормативно-технической документации.

7. По заказу потребителя допускается изготовление изделий форм Г34, Г34а, Г36, Г37 задними углами 25°.

(Измененная редакция, Изм. № 2).

8. На изделиях Г2601 - Г2605 допускается наличие заусенцев до 0,3 мм.

9. Если изделия форм Г11, Г12, Г13, Г14, Г23, Г24 и Г65 поставляются потребителям партией 30 - 50 тыс. шт., то отклонение размеров по толщине или диаметру в пределах поставляемой партии не должно превышать 0,1 мм.

На изделии формы Г65 размер Æ 14+0,3 мм контролируют на цилиндрической части изделия от его основания до начала клиновой поверхности.

(Измененная редакция, Изм. № 1).

10. Изделия должны изготовляться из твердого сплава по ГОСТ 3882-74.

По заказу потребителя допускается изготовлять изделия форм Г11, Г12, Г13, Г14 из твердого сплава марки ВК10-КС по ТУ 48-19-367-83.

(Измененная редакция, Изм. № 4).

11. Технические требования - по ГОСТ 4411-79.

12. Ориентировочная масса изделий приведена в приложении 1.

ПРИЛОЖЕНИЕ 1
Справочное

ОРИЕНТИРОВОЧНАЯ МАССА ИЗДЕЛИЙ

Форма изделия

Номер изделия

Марка твердого сплава

Ориентировочная масса изделия, г

Г11

Г1101

ВК15

43,5

Г1102

50,9

Г1103

56,9

Г1104

70,1

Г1105

58,7

Г1106

82,5

Г1107

89,1

Г1108

97,3

Г1109

106,3

Г1110

106,0

Г1101

ВК11В;

ВК10-КС

44,6

Г1102

52,2

Г1103

58,3

Г1104

71,8

Г1105

60,1

Г1106

84,5

Г1107

91,3

Г1108

99,7

Г1109

108,4

Г1110

108,0

Г1101

ВК8В

45,7

Г1102

53,5

Г1103

59,8

Г1104

73,6

Г1105

61,6

Г1106

86,6

Г1107

93,5

Г1108

102,1

Г1109

111,6

Г1110

110,3

Г1101

ВК6В

46,3

Г1102

54,2

Г1103

60,6

Г1104

74,6

Г1105

62,5

Г1106

87,7

Г1107

94,8

Г1108

103,5

Г1109

113,1

Г1110

111,6

Г12

Г1201

ВК15

18,5

Г1202

20,2

Г1203

26,6

Г1204

23,4

Г1205

29,0

Г1206

34,8

Г1207

30,3

Г1208

39,4

Г1201

ВК11В; ВК10-КС

18,9

Г1202

20,7

Г1203

27,3

Г1204

24,0

Г1205

29,7

Г1206

35,6

Г1207

31,0

Г1208

40,4

Г1201

ВК8В

19,4

Г1202

21,2

Г1203

27,9

Г1204

24,6

Г1205

30,5

Г1206

36,5

Г1207

31,8

Г1208

41,3

Г1201

ВК6В

19,7

Г1202

21,5

Г1203

28,3

Г1204

24,9

Г1205

ВК6В

30,9

Г1206

ВК6В

37,0

Г1207

ВК6В

32,2

Г1208

ВК6В

41,9

Г1209

ВК15

23,2

Г1209

ВК11В; ВК10-КС

23,8

Г1209

ВК8В

24,4

Г1209

ВК6В

24,7

Г13

Г1301

ВК15

54,0

Г1302

63,3

Г1303

102,0

Г1304

72,3

Г1305

81,9

Г1306

39,6

Г1307

40,3

Г1308

45,3

Г1309

57,3

Г1310

69,2

Г1311

93,7

Г1312

162,9

Г1301

ВК11В; ВК10-КС

55,7

Г1302

65,3

Г1303

105,2

Г1304

74,2

Г1305

83,9

Г1306

40,2

Г1307

40,9

Г1308

46,0

Г1309

58,1

Г1310

70,2

Г1311

95,2

Г1312

165,3

Г1313

74,4

Г1301

ВК8В

57,5

Г1302

67,3

Г1303

108,5

Г1304

76,5

Г1305

86,0

Г1306

41,3

Г1307

42,0

Г1308

47,2

Г1309

59,8

Г1310

72,2

Г1311

97,8

Г1312

169,9

Г14

Г1401

ВК15

10,0

Г1402

15,0

Г1403

22,0

Г1404

39,0

Г1405

42,0

Г1406

48,0

Г1407

54,0

Г1408

48,0

Г1409

49,0

Г1410

58,5

Г1401

ВК11В; ВК10-КС

10,3

Г1402

15,5

Г1403

22,7

Г1404

40,7

Г1405

43,4

Г1406

49,1

Г1407

56,7

Г1408

49,6

Г1409

50,1

Г1410

59,4

Г22

-

ВК6В

33,0

Г23

Г2301

ВК8

9,2

Г2302

7,7

Г2303

16,2

Г2307

26,1

Г2301

BК11BК

8,8

Г2302

7,4

Г2303

15,6

Г2307

25,0

Г24

Г2401

ВК8В

9,0

Г2402

12,0

Г2403

25,0

Г24а

Г24а-02

ВК8В

8,9

Г24а-03

26,1

Г24а-05

46,8

Г24а-06

35,3

Г25

Г2501

ВК15, ВК11ВК

0,6

Г2502

1,2

Г2503

1,0

Г2504

2,4

Г2505

2,1

Г2506

1,8

Г2507

3,8

Г2508

3,1

Г2509

2,9

Г2510

6,7

Г2511

4,4

Г2512

9,0

Г2513

7,7

Г2514

7,0

Г2515

6,2

Г2516

11,0

Г2517

10,0

Г2518

9,0

Г2519

8,1

Г2520

16,2

Г2521

15,0

Г2522

13,9

Г2523

12,8

Г2524

11,6

Г2525

17,7

Г2526

16,4

Г2527

15,5

Г2528

14,0

Г2529

12,7

Г2530

11,6

Г2531

10,5

Г2532

24,8

Г2533

24,6

Г2534

23,0

Г2535

19,8

Г2536

18,2

Г2537

30,5

Г2538

27,7

Г2539

26,2

Г2540

24,6

Г2541

23,1

Г2542

39,2

Г2543

38,9

Г2544

33,9

Г2545

30,2

Г2546

26,9

Г2547

46,8

Г2548

44,2

Г2549

41,6

Г2550

39,1

Г2551

36,5

Г2552

58,2

Г2553

52,4

Г2554

46,5

Г2555

43,6

Г2556

40,7

Г26

Г2601

ВК8В; ВК8ВК

0,5

Г2602

1,0

Г2603

0,8

Г2604

2,2

Г2605

1,9

Г2606

1,7

Г2607

4,1

Г2608

3,0

Г2609

2,5

Г2610

2,2

Г2611

5,9

Г2612

5,3

Г2613

4,7

Г2614

4,1

Г2615

3,5

Г2616

2,9

Г2617

9,1

Г2618

8,4

Г2619

7,6

Г2620

6,8

Г2621

6,0

Г2622

5,2

Г2623

4,4

Г2624

12,3

Г2625

11,3

Г2626

10,3

Г2627

9,3

Г2628

8,4

Г2829

7,4

Г2630

6,4

Г2631

17,3

Г2632

16,0

Г2633

14,9

Г2634

13,7

Г2635

13,2

Г2636

11,2

Г2637

10,0

Г2638

8,8

Г2639

20,5

Г2640

19,1

Г2641

17,6

Г2642

16,2

Г2643

14,7

Г2644

13,3

Г2645

11,8

Г2646

27,8

Г2647

26,1

Г2648

24,2

Г2649

22,5

Г2650

20,7

Г2651

18,9

Г2652

17,2

Г2653

15,5

Г2654

34,1

Г2655

32,0

Г2656

29,9

Г2657

27,9

Г2658

25,9

Г2659

23,8

Г2660

21,8

Г2661

19,7

Г2662

43,7

Г2663

41,3

Г2664

36,5

Г2665

34,2

Г2666

31,8

Г2667

29,4

Г2668

27,0

Г2669

24,7

Г2670

52,1

Г2671

49,4

Г2672

46,7

Г2673

44,0

Г2674

41,2

Г2675

38,5

Г2676

36,8

Г2677

35,8

Г2678

64,7

Г2679

58,5

Г2680

52,3

Г2681

49,2

Г2682

46,1

Г2683

43,0

Г2684

40,0

Г32

-

ВК8

30,0

Г33

-

14,0

Г34

-

11,8

Г34а

-

11,8

Г36

-

ВК8

10,0

Г37

-

8,0

Г38

-

14,0

Г40

-

14,9

Г41

Г4101

ВК6

1,0

Г4102

7,1

Г4103

14,2

Г4104

1,2

Г4105

1,3

Г4106

1,5

Г4101

ВК8

0,9

Г4102

7,0

Г4103

14,0

Г4104

1,1

Г4105

1,2

Г4106

1,4

Г4107

ВК6

0,5

Г4108

ВК8

0,7

Г51

Г5101

ВК6

1,5

Г5102

3,2

Г5103

2,9

Г5104

3,6

Г5105

7,8

Г5106

0,8

Г5107

2,3

Г5108

1,1

Г5109

1,4

Г5110

1,0

Г5111

3,5

Г5101

ВК8

1,4

Г5102

3,1

Г5103

2,8

Г5104

3,5

Г5105

7,7

Г5106

0,8

Г5107

2,2

Г5108

1,0

Г5109

1,3

Г5110

1,0

Г5111

3,4

Г53

Г5301

ВК8

1,6

Г5302

2,2

Г5303

2,3

Г5304

7,5

Г5305

10,0

Г54

Г5401

ВК6В; ВК4В

0,3

Г5402

0,8

Г5403

1,5

Г5404

1,0

Г5405

2,6

Г5406

1,8

Г5407

3,6

Г5408

3,4

Г5409

6,2

Г5410

5,9

Г5411

5,0

Г5412

9,8

Г5413

16,7

Г5414

13,3

Г55

Г5501

ВК15

22,0

Г5502

36,5

Г57

Г5701

20,0

Г5702

26,3

Г5703

30,8

Г60

Г6010

ВК6

492,0

Г61

-

ВК8В

30,0

Г63

Г6301

ВК8

17,4

Г6302

22,0

Г6303

27,4

Г64

-

39,5

Г65

-

41,5

Г66

Г6601

ВК6В

20,0

Г6602

ВК15

22,0

Г6603

38,0

Г6604

44,0

Г6602

ВК8В

23,0

Г67

Г6701

ВК8В

8,8

Г6702

14,4

Г6703

28,8

Г6704

58,7

(Измененная редакция, Изм. № 1,2, 3, 4).

ПРИЛОЖЕНИЕ 2
Обязательное

Коды ОКП изделий для горного инструмента

Форма изделия

Марка сплава

Код ОКП

Г11

ВК15

19 6527 2852

ВК11В

19 6534 2852

ВК8-В

19 6533 2852

ВК6-В

19 6532 2852

ВК10-КС

19 6536 2852

Г12

ВК15

19 6527 2853

ВК11-В

19 6534 2853

ВК8-В

19 6533 2853

ВК6-В

19 6532 2853

ВК10-КС

19 6536 2853

Г13

ВК15

19 6527 2854

ВК11-В

19 6534 2854

ВК8-В

19 6533 2854

ВК10-КС

19 6536 2854

Г14

ВК15

19 6527 2855

ВК11-В

19 6534 2855

ВК10-КС

19 6536 2855

Г22

ВК6-В

19 6532 2856

Г23

ВК8

19 6525 2857

ВК11-ВК

19 6537 2857

Г24

ВК8-В

19 6533 2858

Г24а

ВК8-В

19 6533 2859

Г25

ВК15

19 6527 2860

ВК11-ВК

19 6537 2860

Г26

ВК8-В

19 6533 2861

ВК8-ВК

19 6535 2861

Г32

ВК8

19 6525 2862

Г33

ВК8

19 6525 2863

Г34

ВК8

19 6525 2864

Г34а

ВК8

19 6525 2865

Г36

ВК8

19 6525 2866

Г37

ВК8

19 6525 2867

Г38

ВК8

19 6525 2868

Г40

ВК8

19 6525 2877

Г41

ВК6

19 6524 2870

ВК8

19 6525 2870

Г51

ВК6

19 6524 2871

ВК8

19 6525 2871

Г53

ВК8

19 6525 2872

Г54

ВК6-В

19 6532 2873

ВК4-В

19 6531 2873

Г55

ВК15

19 6527 2874

Г57

ВК15

19 6527 2878

Г60

В Кб

19 6524 2880

Г61

ВК8-В

19 6533 2881

Г63

ВК8

19 6525 2883

Г64

ВК8

19 6525 2884

Г65

ВК8

19 6525 2885

Г66

ВК6-В

19 6532 2886

ВК15

19 6527 2886

ВК8-В

19 6533 2886

Г67

ВК8-В

19 6533 2887

(Измененная редакция, Изм. № 4).

ИНФОРМАЦИОННЫЕ ДАННЫЕ

1. РАЗРАБОТАН И ВНЕСЕН Министерством цветной металлурги СССР

РАЗРАБОТЧИКИ

Н. А. Кудря, А. А. Залужный, А. М. Чувилин, Е. Г. Степанов, Н. Г. Топорцев, Л. В. Мытарева

2. УТВЕРЖДЕН И ВВЕДЕН В ДЕЙСТВИЕ Постановлением Государственного комитета стандартов Совета Министров СССР от 09.07.75 № 1744

3. Срок проверки - 1993 г., периодичность - 5 лет

4. ВЗАМЕН ГОСТ 880-67

5. ССЫЛОЧНЫЕ НОРМАТИВНО-ТЕХНИЧЕСКИЕ ДОКУМЕНТЫ

Обозначение НТД, на который дана ссылка

Номер пункта

ГОСТ 3882-74

10

ГОСТ 4411-79

11

6. Ограничение срока действия снято постановлением Госстандарта СССР от 20.12.85 № 4642

7. ПЕРЕИЗДАНИЕ (июнь 1996 г.) с Изменениями № 1, 2, 3, 4, утвержденными в мае 1979 г., декабре 1985 г., январе 1989 г., октябре 1991 г. (ИУС 6-79, 4-86, 4-89, 1-92)




Rambler's Top100 Яндекс цитирования
  Copyright © 2008-2026, www.docload.ru