|
МЕЖГОСУДАРСТВЕННЫЙ СТАНДАРТ
|
|
ВИНТЫ С ЦИЛИНДРИЧЕСКОЙ ГОЛОВКОЙ
И ШЕСТИГРАННЫМ УГЛУБЛЕНИЕМ «ПОД КЛЮЧ» НЕВЫПАДАЮЩИЕ КЛАССА ТОЧНОСТИ В
Конструкция и размеры
Cheese-head
non-falling-out screws with hexagon socket
for «width across flats», product grade В.
Design and dimensions
|
ГОСТ
10342-80
Взамен
ГОСТ 10342-63
|
Постановлением Государственного комитета СССР по
стандартам от 7 июля 1980 г.
№ 3429 дата введения установлена
01.01.82
Ограничение срока действия снято по протоколу № 7-95
Межгосударственного совета по стандартизации, метрологии и сертификации (ИУС
11-95)
Издание с Изменением № I, утвержденным в декабре 1986
г. (ИУС 2-87) и Поправкой (ИУС 4-90).
Настоящий стандарт распространяется на
винты с цилиндрической головкой и шестигранным углублением «под ключ»
невыпадающие класса точности В с номинальным диаметром резьбы от 6 до 16
мм.
(Введено
дополнительно, Изм. № 1).
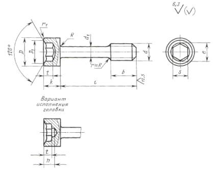
1. Размеры винтов должны соответствовать
указанным на чертеже и в табл. 1 и 2.

Таблица 1
мм
|
Номинальный диаметр резьбы d
|
6
|
8
|
10
|
12
|
16
|
|
Диаметр стержня d1 (пред. откл. h13)
|
4,0
|
5,5
|
7,0
|
9,0
|
11,0
|
|
Длина резьбы b
|
8
|
10
|
12
|
16
|
20
|
|
Диаметр головки D (пред. откл. h13)
|
10,0
|
13,0
|
16,0
|
18,0
|
24,0
|
|
Высота головки k
|
6
|
8
|
10
|
12
|
16
|
|
Размер «под ключ» S
|
5
|
6
|
8
|
10
|
14
|
|
Диаметр описанной окружности l, не менее
|
5,8
|
6,9
|
9,2
|
11,5
|
16,2
|
|
Диаметр фаски D1
|
6,1
|
7,2
|
9,7
|
12,0
|
16,7
|
|
Величина шестигранного углубления
t
|
3,4
|
4,4
|
5,5
|
6,5
|
8,5
|
|
Глубина сверления h, не более
|
3,7
|
4,7
|
6,0
|
7,2
|
9,2
|
|
Радиус под головкой R, не более
|
0,4
|
0,5
|
0,6
|
0,8
|
|
Радиус r1
или фаска С1, не более
|
0,5
|
0,8
|
1,0
|
Таблица 2
|
Длина
винта l,
мм
|
Диаметр
резьбы d, мм
|
|
6
|
8
|
10
|
12
|
16
|
|
(18)
|
|
-
|
-
|
-
|
-
|
|
20
|
|
-
|
-
|
-
|
-
|
|
(22)
|
|
|
|
-
|
-
|
|
25
|
|
|
|
-
|
-
|
|
(28)
|
|
|
|
|
-
|
|
32
|
|
Стандартные
длины
|
|
-
|
|
(36)
|
|
|
-
|
|
40
|
|
|
-
|
|
(45)
|
|
|
|
|
-
|
|
50
|
|
|
|
|
|
|
(55)
|
|
|
|
|
|
|
60
|
|
|
|
|
|
|
(70)
|
-
|
|
|
|
|
|
80
|
-
|
|
|
|
|
Примечание. Длины винтов, заключенные в
скобки, применять не рекомендуется.
Пример условного
обозначения винта диаметром резьбы d = 8 мм, с полем допуска 6g длиной l = 25
мм, класса прочности 5.8, без покрытия:
Винт MS-6g× 25.58 ГОСТ 10342-80
То же, класса прочности 8.8, из стали
марки 35Х, с цинковым покрытием толщиной 9 мкм, хроматированным:
Винт M8-6g×25.88.35X.019 ГОСТ 10342-80
2. Резьба - по ГОСТ
24705-2004, шаг резьбы - крупный. Сбег резьбы - по ГОСТ 10549-80.
1, 2. (Измененная редакция, Изм. № 1).
2а. Допуски и методы контроля размеров и
отклонений формы и расположения поверхностей - по ГОСТ
1759.1-82.
2б. Дефекты поверхности и методы контроля
- по ГОСТ
1759.2-82.
2а, 2б. (Введены дополнительно, Изм. № 1).
3. Технические требования - по ГОСТ
1759.0-87.
4. Теоретическая масса винтов указана в
приложении 1.
5. (Исключен,
Изм. № 1).
ПРИЛОЖЕНИЕ 1
Справочное
|
Длина
винта l,
мм
|
Теоретическая
масса 1000 шт. стальных винтов, кг, при номинальном диаметре резьбы d, мм
|
|
6
|
8
|
10
|
12
|
16
|
|
(18)
|
5,238
|
-
|
-
|
-
|
-
|
|
20
|
5,435
|
-
|
-
|
-
|
-
|
|
(22)
|
5,633
|
11,25
|
19,80
|
-
|
-
|
|
25
|
5,929
|
11,81
|
20,70
|
-
|
-
|
|
(28)
|
6,225
|
12,36
|
21,60
|
34,72
|
-
|
|
32
|
6,620
|
13,12
|
22,82
|
36,72
|
-
|
|
(36)
|
7,015
|
13,87
|
24,03
|
38,72
|
-
|
|
40
|
7,409
|
14,62
|
25,24
|
40,72
|
-
|
|
(45)
|
7,903
|
15,55
|
26,75
|
43,20
|
-
|
|
50
|
8,396
|
16,49
|
28,26
|
45,70
|
92,52
|
|
(55)
|
8,890
|
17,42
|
29,77
|
48,19
|
96,25
|
|
60
|
9,393
|
18,36
|
31,28
|
50,19
|
99,98
|
|
(70)
|
-
|
20,23
|
34,30
|
55,68
|
107,40
|
|
80
|
-
|
22,10
|
37,32
|
60,67
|
114,80
|
Примечание. Для определения массы винтов из
латуни массы, указанные в таблице, следует умножить на коэффициент 1,08.
ПРИЛОЖЕНИЕ 2. (Исключено,
Изм. № 1).
|