Бесплатная библиотека стандартов и нормативов www.docload.ru

Все документы, размещенные на этом сайте, не являются их официальным изданием и предназначены исключительно для ознакомительных целей.
Электронные копии этих документов могут распространяться без всяких ограничений. Вы можете размещать информацию с этого сайта на любом другом сайте.
Это некоммерческий сайт и здесь не продаются документы. Вы можете скачать их абсолютно бесплатно!
Содержимое сайта не нарушает чьих-либо авторских прав! Человек имеет право на информацию!

 

ГОСУДАРСТВЕННЫЙ СТАНДАРТ СОЮЗА ССР

ВИНТЫ
конструкция и размеры

ВИНТЫ С ЦИЛИНДРИЧЕСКОЙ СКРУГЛЕННОЙ ГОЛОВКОЙ
КЛАССОВ ТОЧНОСТИ А И В

ГОСТ 11644-75*

ГОСУДарственный комитет ссср по стандартам

москва

ГОСУДАРСТВЕННЫЙ СТАНДАРТ СОЮЗА ССР

ВИНТЫ С ЦИЛИНДРИЧЕСКОЙ СКРУГЛЕННОЙ ГОЛОВКОЙ КЛАССОВ ТОЧНОСТИ А И В

Конструкция и размеры

Rounded-off pan-head screws product grades A and B.

Construction and dimensions

ГОСТ

11644-75*

(СТ СЭВ 2654-80)

Взамен

ГОСТ 11644-75

Постановлением Государственного комитета стандартов Совета Министров СССР от 12 сентября 1975 г. № 2397 срок введения установлен

с 01.01.77

Проверен в 1981 г. Пост. Госстандарта от 29.12.81 № 5742 срок действия продлен

до 01.01.92

Несоблюдение стандарта преследуется по закону

1. Настоящий стандарт распространяется на винты с цилиндрической скругленной головкой классов точности А и В с номинальным диаметром резьбы от 2 до 10 мм.

Стандарт полностью соответствует СТ СЭВ 2654-80.

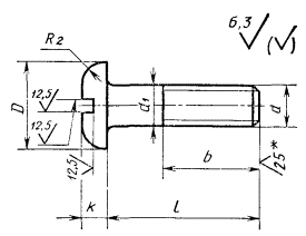
2. Конструкция и размеры винтов должны соответствовать указанным в табл. 1, 2 и на чертеже.

Таблица 1

мм

Номинальный диаметр резьбы d

2

2,5

3

3,5

4

5

6

8

10

Шаг резьбы Р

крупный

0,4

0,45

0,5

0,6

0,7

0,8

1

1,25

1,5

мелкий

-

-

-

-

-

-

-

1

1,25

Диаметр головки D

4

5

6

7

8

10

12

16

20

Высота головки r

1,2

1,5

1,8

2,1

2,4

3,0

3,6

4,8

6,0

Радиус скругления головки R2, не более

0,8

1,0

1,2

1,4

1,6

2,0

2,5

3,2

4,0

Длина резьбы b

удлиненная

-

18

19

20

22

25

28

34

40

нормальная

10

11

12

13

14

16

18

22

26

Таблица 2

мм

Длина винта l

Номинальный диаметр резьбы d

2

2,5

3

3,5

4

5

6

8

10

3

 

 

 

-

-

-

-

-

-

4

 

 

 

 

 

-

-

-

-

5

 

 

 

 

 

-

-

-

-

6

 

 

 

 

 

 

-

-

-

8

 

 

 

 

 

 

 

-

-

10

 

 

 

 

 

 

 

 

-

12

 

 

 

 

 

 

 

 

 

14

 

 

 

 

 

 

 

 

 

16

 

 

 

 

 

 

 

 

 

(18)

 

 

 

Стандартные длины

 

 

 

20

-

 

 

 

 

 

(22)

-

 

 

 

 

 

 

 

 

25

-

 

 

 

 

 

 

 

 

(28)

-

-

 

 

 

 

 

 

 

30

-

-

 

 

 

 

 

 

 

35

-

-

 

 

 

 

 

 

 

40

-

-

 

 

 

 

 

 

 

45

-

-

 

 

 

 

 

 

 

50

-

-

 

 

 

 

 

 

 

55

-

-

 

 

 

 

 

 

 

60

-

-

 

 

 

 

 

 

 

65

-

-

 

 

 

 

 

 

 

70

-

-

 

 

 

 

 

 

 

Примечания:

1. Длины винтов, заключенные в скобки, применять не рекомендуется.

2. Удлиненная длина резьбы предпочтительна.

3. Винты со стержнем длиной менее длины резьбы с учетом недореза изготовляют с резьбой по всей длине стержня.

* Для винтов, обработанных резанием, в остальных случаях не нормируют.

Пример условного обозначения винта с цилиндрической скругленной головкой класса точности А, диаметром резьбы d = 8 мм, с крупным шагом резьбы, с полем допуска резьбы 6g, длиной l = 50 мм, нормальной длиной резьбы b = 22 мм, класса прочности 4,8, без покрытия:

Винт A.M8 - 6g´50.48 ГОСТ 11644-75

То же, класса точности В, с мелким шагом резьбы, удлиненной длиной резьбы b = 34 мм:

Винт B.M8´1 - 6g´50 - 34.48 ГОСТ 11644-75

1, 2. (Измененная редакция, Изм № 1, 2).

3. Резьба - по ГОСТ 24705-81. Сбег и недорез резьбы - по ГОСТ 10549-80.

(Измененная редакция, Изм. № 2).

3а. Шлицы - по ГОСТ 24669-81.

3б. Радиус под головкой - по ГОСТ 24670-81.

3в. Допуски, методы контроля размеров и отклонений формы и расположения поверхностей - по ГОСТ 1759.1-82.

3г. Дефекты поверхности и методы контроля - по ГОСТ 1759.2-82.

3а - 3г. (Введены дополнительно, Изм. № 2).

4. (Исключен, Изм. № 2).

5. Диаметр гладкой части d1 должен быть равен наружному диаметру резьбы или равен диаметру стержня под накатывание метрической резьбы по ГОСТ 19256-73

(Измененная редакция, Изм. № 1).

5а. (Исключен, Изм. № 2).

6. (Исключен, Изм. № 1).

7. Технические требования - по ГОСТ 1759.0-87.

8. Теоретическая масса винтов дана в приложении.

ПРИЛОЖЕНИЕ

Справочное

Теоретическая масса винтов

Длина винта l, мм

Масса 1000 шт. стальных винтов с крупным шагом резьбы, кг ≈ при номинальном диаметре резьбы d, мм

2

2,5

3

3,5

4

5

6

8

10

3

0,134

0,250

0,415

-

-

-

-

-

-

4

0,152

0,280

0,459

0,671

1,004

-

-

-

-

5

0,171

0,310

0,503

0,730

1,081

-

-

-

-

6

0,190

0,340

0,547

0,790

1,159

2,131

-

-

-

8

0,227

0,400

0,635

0,909

1,314

2,378

3,764

-

-

10

0,264

0,460

0,723

1,029

1,469

2,625

4,117

8,996

-

12

0,302

0,520

0,811

1,148

1,624

2,873

4,470

9,633

17,50

14

0,351

0,595

0,900

1,267

1,779

3,120

4,822

10,27

18,50

16

0,395

0,665

1,016

1,385

1,934

3,367

5,175

10,91

19,50

18

0,439

0,735

1,118

1,506

2,144

3,615

5,528

11,54

20,49

20

-

0,805

1,220

1,625

2,327

3,947

5,881

12,18

21,50

22

-

0,874

1,322

1,744

2,509

4,237

6,233

12,82

22,50

25

-

0,979

1,476

1,923

2,783

4,672

7,004

13,77

24,01

28

-

-

1,630

2,102

3,057

5,107

7,775

14,72

25,52

30

-

-

1,731

2,221

3,240

5,397

8,059

15,83

26,52

35

-

-

1,987

2,520

3,697

6,121

9,113

17,72

29,84

40

-

-

2,242

2,818

4,153

6,846

10,17

19,60

32,80

45

-

-

2,498

3,116

4,610

7,571

11,22

21,48

35,75

50

-

-

2,754

3,414

5,067

8,296

12,28

23,37

38,71

55

-

-

3,009

3,712

5,523

9,020

13,33

25,25

41,67

60

-

-

3,265

4,011

5,980

9,745

14,39

27,14

44,63

65

-

-

3,520

4,309

6,437

10,47

15,44

29,02

47,59

70

-

-

3,776

4,607

6,894

11,19

16,49

30,90

50,55

Примечание. Для определения массы винтов из других материалов величины масс, указанные в таблице, следует умножить на коэффициент: 0,356 - для алюминиевого сплава; 1,08 - для латуни.

(Измененная редакция, Изм. № 1, 2).




Rambler's Top100 Яндекс цитирования
  Copyright © 2008-2026, www.docload.ru