Бесплатная библиотека стандартов и нормативов www.docload.ru

Все документы, размещенные на этом сайте, не являются их официальным изданием и предназначены исключительно для ознакомительных целей.
Электронные копии этих документов могут распространяться без всяких ограничений. Вы можете размещать информацию с этого сайта на любом другом сайте.
Это некоммерческий сайт и здесь не продаются документы. Вы можете скачать их абсолютно бесплатно!
Содержимое сайта не нарушает чьих-либо авторских прав! Человек имеет право на информацию!

 

ГОСТ 12467-67

МЕЖГОСУДАРСТВЕННЫЙ СТАНДАРТ

ПРИХВАТЫ ДЛЯ КРЕПЛЕНИЯ ПРИСПОСОБЛЕНИЙ

КОНСТРУКЦИЯ

ИПК ИЗДАТЕЛЬСТВО СТАНДАРТОВ

Москва

МЕЖГОСУДАРСТВЕННЫЙ СТАНДАРТ

ПРИХВАТЫ ДЛЯ КРЕПЛЕНИЯ ПРИСПОСОБЛЕНИЙ

Конструкция

Clamps for fixing devices. Design

ГОСТ

12467-67*

Взамен

MH 5437-64

Утвержден Комитетом стандартов, мер и измерительных приборов при Совете Министров СССР 3 января 1967г.

Срок введения установлен

с 01.07.67

Постановлением Госстандарта СССР от 17.03.88 № 568 снято ограничение срока действия

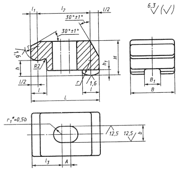
1. Конструкция и размеры прихватов для крепления приспособлений должны соответствовать чертежу и таблице.

*Размер для справок

Размеры в мм

Обозначения прихватов

Применяемость

Под стержень диаметром

h

Н

В

В1

L

А

b

hl

l

l1

l2

l3

r

Масса, кг

7011-0421

 

8

10

20

25

10

40

4

10

3

10

6

28

18

10

0,099

0422

 

12

22

0,108

0423

 

10

25

32

12

50

6

12

4

12

38

22

12

0,206

0424

 

16

28

0,227

0425

 

12

 

32

36

14

60

15

16

8

44

28

16

0,351

0426

 

20

36

0,403

0427

 

16

40

40

16

75

8

19

5

20

10

55

34

20

0,588

0428

 

22

42

0,622

0429

 

25

45

0,657

0430

 

20

28

50

50

20

95

10

24

6

25

12

70

43

25

1,141

0431

 

24

36

60

60

28

100

28

75

45

1,770

7011-0432

 

30

40

70

70

36

125

12

35

8

32

16

92

58

32

2,960

Пример условного обозначения прихвата для крепления приспособлений под стержень диаметром 8 мм, h = 10 мм:

Прихват 7011-0421 ГОСТ 12467-67

(Измененная редакция, Изм. № 2).

2. Материал - сталь марки 45 по ГОСТ 1050-88. Допускается замена на стали других марок с механическими свойствами не ниже, чем у стали марки 45.

3. Прихваты для крепления приспособлений изготавливать методом прецизионного литья.

4. Литейные радиусы - 3мм.

5. Твердость - 36,5...41,5 HRCэ.

6. Неуказанные предельные отклонения размеров: Н14,

5, 6. (Измененная редакция, Изм. № 2).

7. (Исключен, Изм. 1).

8. Покрытие Хим. Окс. прм (обозначение покрытия – по ГОСТ 9.306-85).

9. Маркировать партию деталей одного типоразмера на таре или упаковке с указанием условного обозначения.

8, 9. (Измененная редакция, Изм. № 2).

10. Пример применения прихватов указан в приложении.

(Введен дополнительно, Изм. 2).

ПРИЛОЖЕНИЕ
Справочное

ПРИМЕР ПРИМЕНЕНИЯ ПРИХВАТОВ




Rambler's Top100 Яндекс цитирования
  Copyright © 2008-2026, www.docload.ru