Бесплатная библиотека стандартов и нормативов www.docload.ru

Все документы, размещенные на этом сайте, не являются их официальным изданием и предназначены исключительно для ознакомительных целей.
Электронные копии этих документов могут распространяться без всяких ограничений. Вы можете размещать информацию с этого сайта на любом другом сайте.
Это некоммерческий сайт и здесь не продаются документы. Вы можете скачать их абсолютно бесплатно!
Содержимое сайта не нарушает чьих-либо авторских прав! Человек имеет право на информацию!

 

ГОСТ 12469-67

МЕЖГОСУДАРСТВЕННЫЙ СТАНДАРТ

ОСИ ПОТАЙНЫЕ

конструкция

ИПК ИЗДАТЕЛЬСТВО СТАНДАРТОВ

Москва

МЕЖГОСУДАРСТВЕННЫЙ СТАНДАРТ

ОСИ ПОТАЙНЫЕ

Конструкция

Countersunk axles. Design

ГОСТ

12469-67*

Взамен

МН 5428-64

Утвержден Комитетом стандартов, мер и измерительных приборов при Совете Министров СССР 3 января 1967г.

Срок введения установлен

с 01.07.67

Постановлением Госстандарта СССР от 17.03.88 № 568 снято ограничение срока действия

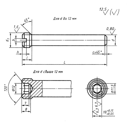
1. Конструкция и размеры потайных осей должны соответствовать чертежу и таблице.

Размеры в мм

Обозначения осей

Применяемость

d (поле допуска f9 или h6)

L

d1

l

b

h

с

Масса, кг

7018-0281

 

4

20

М6

5

1,2

1,6

0,6

0,002

0282

 

25

0,003

0283

 

28

0,003

0284

 

32

0,004

7018-0285

 

6

25

М8 × 1

6

1,2

1,6

0,6

0,006

0286

 

28

0,007

0287

 

32

0,008

0288

 

36

0,009

0289

 

8

32

M10 × l

2,0

2,5

0,013

0290

 

36

0,014

0291

 

40

0,016

0292

 

45

0,018

0293

 

50

0,020

0294

 

55

0,022

0295

 

10

45

М12 × 1,25

8

2,5

3,0

0,028

0296

 

50

0,031

0297

 

55

0,036

0298

 

60

0,038

0299

 

70

0,044

0300

 

80

0,050

0301

 

12

45

M14 × l,5

3,0

3,5

1,0

0,039

0302

 

50

0,044

0303

 

55

0,048

0304

 

60

0,053

0305

 

70

0,062

0306

 

80

0,071

0307

 

90

0,080

0308

 

16

50

М18 × 1,5

10

-

-

0,074

0309

 

55

0,082

0310

 

60

0,090

0311

 

70

0,106

0312

 

80

0,121

0313

 

90

0,137

0314

 

100

0,153

0315

 

110

0,169

0316

 

20

60

М22 × 1,5

0,144

0317

 

70

0,168

0318

 

80

0,193

0319

 

90

0,218

0320

 

100

0,242

0321

 

110

0,267

0322

 

125

0,304

7018-0323

 

140

0,340

Пример условного обозначения потайной оси размерами d = 4мм, L = 20мм, с полем допуска диаметра d - f9:

Ось 7018-0281 f9 ГОСТ 12469-67

То же, с полем допуска диаметра d - h6:

Ось 7018-0281 h6 ГОСТ 12469-67

(Измененная редакция, Изм. 1, 2).

2. Материал - сталь марки 45 по ГОСТ 1050-88. Допускается замена на стали других марок с механическими свойствами не ниже, чем у стали марки 45.

3. Твердость - 35,0 . . . 39,5 HRCэ.

4. Неуказанные предельные отклонения размеров: Н14,

3, 4. (Измененная редакция, Изм. 2).

5. Резьба метрическая - по ГОСТ 24705-81. Поле допуска резьбы - 6g по ГОСТ 16093-81.

(Измененная редакция, Изм. № 1).

6. (Исключен, Изм. 2).

7. Размеры фасок для резьбы - по ГОСТ 10549-80.

(Измененная редакция, Изм. № 1).

8. Покрытие - Хим. Окс. прм (обозначение покрытия - по ГОСТ 9.306-85).

(Измененная редакция, Изм. 2).

9. Маркировать партию деталей одного типоразмера на таре или упаковке с указанием условного обозначения.

(Измененная редакция, Изм. 1, 2).

10. Пример применения потайных осей указан в приложении.

(Введен дополнительно, Изм. № 2).

ПРИЛОЖЕНИЕ
Справочное
ПРИМЕР ПРИМЕНЕНИЯ ПОТАЙНЫХ ОСЕЙ




Rambler's Top100 Яндекс цитирования
  Copyright © 2008-2026, www.docload.ru