Бесплатная библиотека стандартов и нормативов www.docload.ru

Все документы, размещенные на этом сайте, не являются их официальным изданием и предназначены исключительно для ознакомительных целей.
Электронные копии этих документов могут распространяться без всяких ограничений. Вы можете размещать информацию с этого сайта на любом другом сайте.
Это некоммерческий сайт и здесь не продаются документы. Вы можете скачать их абсолютно бесплатно!
Содержимое сайта не нарушает чьих-либо авторских прав! Человек имеет право на информацию!

 

МЕЖГОСУДАРСТВЕННЫЙ СТАНДАРТ

СЕРЬГИ ДВУХПАЗОВЫЕ

Конструкция

Two-slot shackles. Design

ГОСТ

12478-67

Дата введения 01.07.67

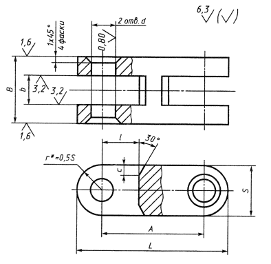
1. Конструкция и размеры двухпазовых серег должны соответствовать чертежу и таблице.

* Размер для справок.

Размеры, мм

Обозначения серег

Применяемость

А

b

Н11

d*

Н7 или Н11

b

b11

S

l

с

L

Масса, кг

7018-0551

 

32

10

8

20

16

12

2,5

48

0,057

7018-0552

 

40

56

0,077

7018-0553

 

50

66

0,102

7018-0554

 

40

12

10

25

20

16

3,0

60

0,112

7018-0555

 

50

70

0,151

7018-0556

 

60

80

0,190

7018-0557

 

16

12

32

25

20

4,0

85

0,283

7018-0558

 

80

105

0,409

7018-0559

 

100

125

0,534

7018-0560

 

80

20

16

40

32

25

5,0

112

0,613

7018-0561

 

100

132

0,814

7018-0562

 

125

157

1,065

7018-0563

 

100

25

20

50

40

30

6,0

140

1,218

7018-0564

 

125

165

1,611

7018-0565

 

160

200

2,160

* В случае применения штифтов типа 1 по ГОСТ 3128 - поле допуска отверстия d - К7. Соответственно в условном обозначении указывать поле допуска К7.

Пример условного обозначения двухпазовой серьги размерами А = 32 мм, b = 10 мм, с полем допуска диаметра d - Н7:

Серьга 7018-0551 Н7 ГОСТ 12478-67

(Измененная редакция, Изм. 1, 2).

2. Материал - сталь марки 45 по ГОСТ 1050. Допускается замена на стали других марок с механическими свойствами не ниже, чем у стали марки 45.

3. Твердость - 36,5 ... 41,5 HRCэ.

4. Неуказанные предельные отклонения размеров: h14, ±

(Измененная редакция, Изм. № 2).

5. (Исключен, Изм. 1).

6. Покрытие - Хим. Окс. прм (обозначение покрытия - по ГОСТ 9.306).

7. Маркировать партию деталей одного типоразмера на таре или упаковке с указанием условного обозначения.

6, 7. (Измененная редакция, Изм. 2).

8. Пример применения двухпазовых серег указан в приложении.

(Введен дополнительно, Изм. № 2).

ПРИЛОЖЕНИЕ
Справочное
ПРИМЕР ПРИМЕНЕНИЯ ДВУХПАЗОВЫХ СЕРЕГ

ИНФОРМАЦИОННЫЕ ДАННЫЕ

1. РАЗРАБОТАН И ВНЕСЕН Министерством тяжелого, энергетического и транспортного машиностроения СССР

Министерством станкостроительной и инструментальной промышленности СССР

РАЗРАБОТЧИКИ

В.В. Андреев; В.Н. Дзегиленок, канд. техн. наук; В.А. Петрова; К.И. Сокольский; А.З. Старосельский (руководитель темы); А.В. Хренова; Т.А. Шестакова

2. УТВЕРЖДЕН И ВВЕДЕН В ДЕЙСТВИЕ Постановлением Комитета стандартов, мер и измерительных приборов при Совете Министров СССР от 03.01.67 № 45

3. ВЗАМЕН МН 5426-64

4. ССЫЛОЧНЫЕ НОРМАТИВНО-ТЕХНИЧЕСКИЕ ДОКУМЕНТЫ

Обозначение НТД, на который дана ссылка

Номер пункта

ГОСТ 9.306-85

ГОСТ 1050-88

ГОСТ 3128-70

6

2

1

5. Постановлением Госстандарта СССР от 17.03.88 № 569 снято ограничение срока действия

6. ПЕРЕИЗДАНИЕ (ноябрь 1999 г.) с Изменениями № 1 и 2, утвержденными в июне 1980 г., марте 1988 г. (ИУС 9-80, 6-88)




Rambler's Top100 Яндекс цитирования
  Copyright © 2008-2026, www.docload.ru