Бесплатная библиотека стандартов и нормативов www.docload.ru

Все документы, размещенные на этом сайте, не являются их официальным изданием и предназначены исключительно для ознакомительных целей.
Электронные копии этих документов могут распространяться без всяких ограничений. Вы можете размещать информацию с этого сайта на любом другом сайте.
Это некоммерческий сайт и здесь не продаются документы. Вы можете скачать их абсолютно бесплатно!
Содержимое сайта не нарушает чьих-либо авторских прав! Человек имеет право на информацию!

 

ГОСУДАРСТВЕННЫЙ КОМИТЕТ СССР

ПО ДЕЛАМ СТРОИТЕЛЬСТВА

(ГОССТРОЙ СССР)

 

 

ИНСТРУКЦИЯ

 

ПО ПРОЕКТИРОВАНИЮ И МОНТАЖУ СЕТЕЙ

ВОДОСНАБЖЕНИЯ И КАНАЛИЗАЦИИ

ИЗ ПЛАСТМАССОВЫХ ТРУБ

 

СН 478-80

(с изменениями от 26 июня 1985 г.)

 

 

 

Утверждена

постановлением

Государственного комитета СССР

 по делам строительства

от 31 июля 1980 г. № 117

 

 

Разработана СКТБ Энергопромполимер Минэнерго СССР, Союзводоканалпроектом Госстроя СССР, НИИ Мосстроя Главмосстроя при Мосгорисполкоме, Бальнеотехнической партией конторы Геоминвод Института курортологии и физиотерапии Минздрава СССР при участии НИИ санитарной техники Минстройматериалов СССР и ВНИИСТ Миннефтегазстроя. Отражает последние достижения отечественного и зарубежного опыта строительства и эксплуатации сетей из пластмассовых труб, а также данные научно-исследовательских институтов по гидравлическим исследованиям трубопроводов и фасонных частей. С вводом в действие настоящей Инструкции утрачивает силу «Инструкция по проектированию и монтажу водопроводных и канализационных сетей из пластмассовых труб» (СН 478-75).

Для инженеров и техников, работающих в области водоснабжения и канализации.

 

Табл. 35, ил. 23.

 

 

В разработке Инструкции принимали участие: кандидаты техн. наук А. Я. Добромыслов, А. Л. Глезер, В. И. Гольдин (СКТБ Энергопромполимер); инж. И. Б. Монастырский (Союзводоканал-проект); кандидаты техн. наук Я. Б. Алескер, А. В. Сладков; инж. А. А. Отставнов (НИИ Мосстроя); канд. техн. Наук В. П. Евстафьев; инж. Л. Д. Павлов, (Геоминвод); канд. техн. наук К. И. Зайцев (ВНИИСТ); канд. техн. наук С. В. Ехлаков (НИИСТ).

 

Редакторы инженеры Б. В. Тамбовцев, Н. А. Шишов (Госстрой СССР), кандидаты техн. наук А. Я. Добромыслов (СКТБ Энергопромполимер), Я. Б. Алескер, А. В. Сладков (НИИ Мосстрой), Л. Г. Слёз (МакИСИ).

Опечатки в Инструкции СН 478-80

 

При издании Инструкции по проектированию и монтажу сетей водоснабжения и канализации из пластмассовых труб (СН 478-80) допущены следующие опечатки.

1. п. 1.8. Ссылку на п. 6.3 следует заменить на п. 6.5.

2. Табл. 4. В абзацах с двенадцатого по шестнадцатый области применения типов соединения пластмассовых труб следует читать:

 

способ соединения                                      области применения

 

на свободных фланцах и                             то же, от 235 мм и выше

приваренных сегментных

упорах

 

на приварных фланцах                                напорные до давления 0,25

Мпа (2,5 кгс/см2) и безнапорные трубопроводы для присоединения к арматуре, металлическим фасонным частям и трубам диаметром от 50 мм и выше

 

на свободном фланце с                              напорные и безнапорные

конусной отбуртовкой                                     трубопроводы для присоеди-

нения к арматуре, металлическим фасонным частям и трубам диаметром от 50 мм и выше

                                                               

на накидной гайке с                                     напорные и безнапорные

конусной отбуртовкой                                     трубопроводы для присоеди-

нения к резьбовым частям арматуры, металлическим резьбовым деталям и санитарно-техническим приборам диаметром до 50 мм

 

на накидной гайке с                                     то же

формованным буртом

 

3. п. 11.14. После слов «Значения продольных усилий» дополнить словами «в тс».

4. Приложение 4. Под рядами I, II, III, IV и V следует читать соответственно «тип Л, тип СЛ, тип С, тип Т и тип ОТ».

5. Приложение 9.

первый абзац следует читать:

ПНП 160 Л             

                 СЛ  ¸       ¸       ¸

 седьмой абзац следует читать:

ПВП 280 Л                               в глинах, суглинках и супесях

                СЛ  ¸   до 4,5                                    трубы укладывать при усло-

                С     ¸         до 1,5                              вии уплотнения грунта

восьмой абзац следует читать:

ПВП 315 Л                               в глинах, суглинках и супесях

                СЛ  ¸   до 4,5                    трубы укладывать при усло-

                С     ¸       ¸       ¸                   вии уплотнения грунта

 

ПВП 355 Л                               в песках трубы укладывать

                СЛ до 6  до 6  до 5,5                            при условии простого уплот-

нения грунта; в суглинках, супесях и глинах укладывать только на спрофилированное основание при условии тщательного уплотнения грунта

 

                С    ¸      ¸       ¸                                     в глинах трубы укладывать

при условии уплотнения грунта

 

ПВП 400 Л                               то же

                СЛ до 6  до 6  до 5

                С     ¸       ¸       ¸

 

ПВП 450 Л                               то же

                СЛ до 6  до 6  до 4

 

Постановлением Госстроя СССР от 25 мая 1990 г. № 51 утверждено и с 1 июля 1990 г. Введено в действие разработанное ВНИИ ВОДГЕО Госстроя СССР с участием ЦНИИЭП инженерного оборудования Госкомархитектуры при Госстрое СССР публикуемое ниже изменение № 1 СНиП 3.05.04—85 «Наружные сети и сооружения водоснабжения и канализации», утвержденного постановлением  Госстроя СССР от 31 мая 1985 г. № 73.

Этим же постановлением признаны утратившими силу с 1 июля 1990 г.:

раздел 11 Инструкции по проектированию и монтажу сетей водоснабжения и канализации из пластмассовых труб (СН 478-80), утвержденной постановлением   Госстроя   СССР  от 31 июля 1980 г. № 117;

разделы 16, 17 и 18 приложения к постановлению Госстроя СССР от 11 мая 1983 г. № 92 «Об изменении Инструкции по проектированию и монтажу сетей водоснабжения и канализации   из   пластмассовых   труб СН 478-80».

 

 

 

Государственный комитет СССР

 

Строительные нормы

 

 

СН 478-80

по делам

строительства

(Госстрой СССР)

 

Инструкция

по проектированию

и монтажу сетей водоснабжения

и канализации

из пластмассовых труб

 

 

Взамен

СН 478-75

 

Требования настоящей Инструкции должны выполняться при проектировании и монтаже наружных и внутренних сетей водоснабжения и канализации, прокладываемых с применением пластмассовых труб наружным диаметром до 630 мм из полиэтилена низкой плотности (ПНП), полиэтилена высокой плотности (ПВП), поливинилхлорида (ПВХ) полипропилена (ПП).

Настоящая Инструкция не распространяется на проектирование внутреннего противопожарного водопровода и трубопроводов, транспортирующих абразивные сре­ды (песок, золу, шлак).

В Инструкции приведены особенности проектирования и монтажа водопроводных и канализационных сетен из указанных пластмассовых труб, обладающих специфиче­скими свойствами.

 

А. ПРОЕКТИРОВАНИЕ ВОДОПРОВОДНЫХ

И КАНАЛИЗАЦИОННЫХ СЕТЕЙ

 

1. Общие указания

 

1.1. При проектировании сетей водопровода и кана­лизации следует принимать пластмассовые трубы, изготовленные методом непрерывной шнековой экструзии, и фасонные части к ним, изготовленные из того же материа­ла по соответствую­щим   техническим условиям.

 

 

Внесены

СКТБ

Энергопромполимер Минэнерго СССР

 

Утверждены постановлением

Государственного комитета СССР

по делам строительства от 31 июля 1980 г. № 117

 

 

Срок введения

в действие

1 июля 1981 г.


Таблица   1

 

Показатели

Единица

Материал труб

 

измерения

ПВП

ПНП

ПВХ-100

ПП

 

Плотность

 

г/см3

 

0,94—0,96

 

 

0,91—0,93

 

1,38—1,4

 

0,9—0,91

Начальный модуль упру­гости

МПа

(кгс/см2)

 

500—900

(5000—9000)

100—250

(1000—2500)

1500—3000

(15 000—30 000)

800—1080

(8000—10 800)

Предел текучести при рас­тяжении

 

МПа

(кгс/см2)

 

20—21

(200—210)

9,5—10

(95—100)

45

(450)

28—35

(280—350)

Относительное удлинение при разрыве

 

%

200—350

250—300

10—50

700

Температура хрупкости

 

°С

—30

—60

—18

От —15 до —8

Температура плавления

 

°С

125¸135

110¸120

Выше 75

154¸170

Теплопроводность

Вт/(м ×°С)

(ккал/ч × м × град)

 

0,42

(0,36)

0,35

(0,30)

0,15

(0,13)

0,1

(0,088)

Коэффициент линейного расширения

 

1/°С

0,00022

0,00022

0,00008

0,00011


 

1.2.    Основные физико-механиче­ские свойства пласт­массовых труб при температуре +20° С приведены в табл. 1, а химическая стойкость —  в табл. 2.

При замерзании жидкости в поли­этиленовых трубах они не разрушаются, а увеличиваются в диаметре. При от­таивании жидкости трубы вновь приоб­ретают  прежний размер.

1.3. Для сетей водопровода, водо­стоков и наружных сетей  канализации следует применять напорные трубы и фасонные части из ПВП, ПНП,  ПП и непластифицированного ПВХ. Сор­таменты  напорных труб и литых фасон­ных частей приведе­ны в прил. 1—7.

Для внутренних безнапорных   тру­бопроводов следует применять канали­зационные трубы и фасонные части из

 

Таблица  2

 

 

Материал труб

 

Реагент

ПП

ПВХ

ПВП, ПНП

 

Температура реагента, °С, до

 

20

40

60

20

40

60

20

40

 

Алюминия сернокис­лого раствор, %, до:

    10

 

 

 

С

 

 

 

С

 

 

 

С

 

 

 

С

 

 

 

С

 

 

 

УС

 

 

 

С

 

 

 

С

    60

С

С

С

С

С

С

С

С

Аммиачная вода

С

С

С

С

С

УС

С

С

Аммония сернокис­лого раствор (до 10 %)

С

С

С

С

С

УС

С

С

Вода морская

С

С

С

С

С

С

С

С

Вода хлорная, г/л, до:

    2

 

С

 

С

 

С

 

С

 

С

 

С

 

С

 

С

    10

УС

УС

УС

НС

НС

УС

УС

Глинозема сернокис­лого раствор

С

С

С

С

С

С

С

С

Железа сернокислого окисного раствор

С

С

С

С

С

С

С

С

Железа хлорного раствор (до 10 %)

С

С

С

С

С

УС

С

С

Калия марганцовисто­го раствор (до 11 % )

С

С

С

С

С

С

С

С

Кальция гипохлорида раствор (двухосновная соль)

С

С

УС

С

С

Кислота серная, %, до:

    30

 

 

 

 

С

 

С

 

УС

 

С

 

С

    60

С

С

С

С

С

С

УС

    96

С

С

УС

УС

УС

НС

Кислота соляная

С

С

С

С

С

УС

С

С

Кремнекислота активированная

С

С

С

С

С

С

С

С

Купорос железный (до 10 %)

С

С

С

С

С

С

С

С

Купорос медный (до 10 %)

С

С

С

С

С

УС

С

С

Натрия гексаметафосфат раствор

С

С

С

С

С

С

С

С

Натрия триполифосфат раствор

С

С

С

С

С

С

С

С

Натрия кремнефтористого раствор

С

С

С

С

С

С

С

С

Натра едкого раствор (до 40%)

С

С

С

УС

УС

С

С

Натр фтористый раствор

С

С

С

С

С

С

С

С

Молоко известковое

С

С

С

С

С

С

С

С

Озон

С

С

УС

С

С

УС

УС

УС

Сернистый ангидрид (жидкий)

УС

УС

УС

С

С

Сероводород

С

С

УС

С

С

Фтор

УС

НС

НС

УС

НС

НС

НС

НС

Хлор газообразный

НС

НС

НС

НС

НС

НС

НС

НС

Хлор жидкий, %:

    до 100

 

НС

 

НС

 

НС

 

НС

 

НС

 

НС

 

НС

 

НСс

    0,5

 

С

УС

НС

С

С

С

С

УС

 

Условные обозначения: С— стоек, УС — условно-стоек, НС — не стоек.

 

ПВП, ПНП, ПВХ. Сортаменты канализационных труб и фасонных частей приведены в прил. 8.

 

Примечания: 1. При выборе труб и фасонных частей по сортаментам, приведенным в прил. 1—8, необходимо также исполь­зовать данные заводов-изготовителей о номенклатуре изделий, вы­пускаемых в данное время.

2. Для пластмассовых трубопроводов допускается применение фасонных частей, изготовляемых из пластмассовых труб методами сварки и формования, а также металлических фасонных частей и переходных элементов

3. Пластмассовые сварные фасонные части для напорных трубопроводов, прокладываемых из труб типов Л, СЛ, С, должны изго­товляться из труб на один тип выше, а для труб типа Т — из ме­талла или труб типа Т с последующим усилением сварных швов.

 

1.4. Для сетей водопровода и канализации допуска­ется применение других видов пластмассовых труб и фа­сонных частей, в том числе зарубежного производства; при этом при подаче по ним воды на хозяйственно-пить­евые нужды требуется дополнительное согласование с органами санитарно-эпидемиологической службы. При­менение указанных труб должно осуществляться с учетом рекомендаций поставщиков.

1.5. Для выполнения неразъемных соединений не­обходимо применять трубы и фасонные части из одно­родного полимерного материала. Применение труб и фа­сонных частей из разнородных материалов для выполне­ния неразъемных соединений не допускается.

1.6. При транспортировке по трубам воды и нетоксич­ных жидкостей (к которым материал труб химически стоек), имеющих температуру до 20° С, давление в трубо­проводе нс должно превышать: для труб типа Л (лег­кий) — 0,25 МПа (2,5 кгс/см2); СЛ (среднелегкий) — 0,4 МПа (4 кгс/см2); С (средний) — 0,6 МПа (6 кгс/см2); Т (тяжелый) — 1 МПа (10 кгс/см2).

1.7. Выбор материала и типа труб следует произво­дить с учетом условий работы трубопроводов, температуры и агрессивности транспортируемых жидкостей, а также срока службы трубопроводов по графикам на рис. 1—4.

При транспортировке жидкостей с токсичными свой­ствами, к которым материал труб химически стоек, и не­токсичных сред, к которым материал труб условно сто­ек, рабочее давление следует определять по графикам на рис. 14, с учетом коэффициентов, приведенных в табл. 3. Изменение срока службы трубопровода не влияет на величину коэффициента.

В системах безнапорной канализации для труб из ПВП и ПНП допускается (при залповых расходах жид­кости) кратковременное повышение температуры транс­портируемой среды до 100° С, в трубах из ПВХ-100 —  до 65° С.

1.8. При подземной прокладке пластмассовых трубо­проводов в обычных и особых природных и климатиче­ских условиях (сейсмические районы, просадочные грунты, подрабатываемые территории, вечномерзлые грунты) должны соблюдаться требования по транспортировке, разгрузке, хранению, монтажу и сварке труб, приведенные в пп. 6.1, 6.3, 6,6, 8.19, 10.15 и 11.4 настоящей Инструкции. При этом при температуре на­ружного воздуха ниже минус 10°С рекомендуется при­менять трубы из ПВП и ПНП. Пластмассовые трубы ти­па Л при минусовой температуре наружного воздуха для напорных трубопроводов применять не рекомендуется.

1.9. Основным расчетом пластмассовых труб при действии внешних нагрузок является расчет на дефор­мацию поперечного сечения труб (укорочение верти­кального диаметра) с учетом отпора грунта.

 

Рис. 1. Номограмма для определения рабочего давления в трубопроводе из ПНП в зависимости от срока службы трубопровода и температуры транспортируемой среды

 

Л, СЛ, С, Т — типы труб;  Р — величина допустимого рабочего давления в трубе, МПа (кгс/см2); Т — температура транспортируемой среды, °С; s — величина напряжений в теле трубы, МПа (кгс/см2). Срок службы трубопровода: 1 — 11,4 года; 2 — 15 лет; 3 — 25 лет; 4 — 50 лет.

 

Допустимые значения относительного укорочения вертикального диаметра сечения трубы при расчете на деформацию должны составлять для труб из ПВП и ПНП 5%, ПП 4%, ПВХ 3,5%.

 

Рис. 2.   Номограмма для определения рабочего давления в трубопроводе  из ПВП в зависимости от сро­ка службы трубопровода и температуры   транспортируемой среды

 

Л, СЛ, С, Т — типы труб; Р — величина допустимого рабочего давления   в   трубе,   МПа (кгс/см2);  Т — температура транспортируемой  среды, °С; s — величина напряжений в те­ле трубы, МПа (кгс/см2). Срок  службы трубопровода: 1 — 11,4 года; 2 — 15 лет; 3 — 25 лет; 4 — 50 лет.

 

Рис. 3. Номограмма для опреде­ления рабочего давления в тру­бопроводе из ПП в зависимости от срока службы трубопровода и температуры   транспортируемой среды

 

Л, С, Т — типы труб; Р — величина допустимого рабочего давления в трубе, МПа (кгс/см2); Т — температура транспортируемой среды, °С; s — величина напряжений в теле трубы, МПа (кгс/см2). Срок службы трубопровода: 1 — 50 лет; 2 — 25 лет; 3 — 11,4 года.

 

 

Рис. 4. Номограмма для определения рабочего давления в трубо­проводе из ПВХ-100 в зависимости от срока службы трубопровода

 

СЛ, С, Т, ОТ — типы труб; Р — величина допустимого рабочего давления в трубе, МПа (кгс/см2); Т — температура транспортируемой среды, °С; s —ве­личина напряжений в теле трубы, МПа (кгс/см2). Срок службы трубопровода: 1 — 11,4 года; 2 — 30 лет; 3 — 50 лет.

 


Таблица 3

 

 

Темпера-

тура

Коэффициенты для определения допустимого рабочего давления в трубах из материалов

 

Транспортируемые жидкости

жидкости,

ПНП

ПВП

ПВХ-100

 

°С

Тип труб

 

 

Л

СЛ

С

Т

Л

СЛ

С

Т

Л

С

Т

 

Жидкости, содержащие продукты с токсич-

 

20

 

0,4

 

0,25

 

0,42

 

0,6

 

0,4

 

0,4

 

0,42

 

0,6

 

0,62

 

0,62

 

0,75

ными свойствами, к которым материал труб

30

0,24

0,25

0,33

0,4

0,2

0,2

0,17

0,25

0,5

0,5

0,5

химически стоек

 

40

0,25

0,33

0,4

0,5

0,4

0,5

0,4

0,42

 

Нетоксичные жидкости, содержащие про-

 

20

 

0,33

 

0,25

 

0,42

 

0,6

 

0,4

 

0,4

 

0,42

 

0,6

 

0,62

 

0,62

 

0,75

дукты, к которым материал химически

30

0,2

0,25

0,33

0,4

0,2

0,2

0,17

0,25

0,5

0,5

0,5

условно-стоек

 

40

0,1

0,4

0,5

0,4

0,42


 

1.10. Максимальная глубина заложения пластмассо­вых труб при укладке сетей канализации не должна пре­вышать величин, указанных в прил. 9; для сетей водо­провода из труб типа С и Т — не более 3,5 м.

При необходимости укладки труб на большей глуби­не или труб другого типа следует производить их рас­чет па прочность.                 

1.11. Глубина заложения сетей водопровода из пластмассовых труб должна быть на 0,5 м больше рас­четной глубины проникания в грунт нулевой темпера­туры. Минимальная глубина заложения должна быть не менее 1 м до верха трубы, проложенной под поверх­ностью с интенсивным движением транспорта, и до 0,7 м — под поверхностью с незначительным движени­ем транспорта.

 

Примечание. При соответствующем обосновании теплотехническими расчетами и расчетами на прочность минимальная глубина заложения может быть уменьшена, но должна быть не менее 0,5 м.

 

1.12. Для устройства канализационных стояков в жи­лых зданиях следует применять канализационные трубы и фасонные части диаметрами 50, 90 и 110 мм.

1.13. Для устранения передачи усилий на пластмас­совые трубопроводы от установленной арматуры надле­жит предусматривать ее самостоятельное крепление к строительным конструкциям или санитарно-техническим приборам.

1.14. Выбор типа соединений труб следует произво­дить в зависимости от конкретных условий работы и прокладки трубопроводов, а также материала труб и ви­да фасонных частей.

Неразъемные соединения труб из ПВП, ПНП, ПП должны выполняться при помощи сварки контактным нагревом; труб из ПВХ — склеиванием или газовой прутковой сваркой.

Фланцевые соединения и соединения с накидной гайкой должны предусматриваться, как правило, толь­ко в местах установки на трубопроводе арматуры или присоединения к оборудованию. Эти соединения долж­ны быть расположены в местах, доступных Для осмотра и ремонта.

Типы соединений пластмассовых труб приведены в табл. 4.

 


Таблица 4

 

Способ соединения

 

Схема соединения

Материал труб

Область применения

 

Контактная сварка в раструб с литыми фасонными частями

 

 

 

ПНП, ПВП, ПП

 

Напорные и безнапорные тру­бопроводы диаметром до 140 мм

Контактная сварка в формо­ванный раструб

 

То же

То же, до 160 мм

Контактная стыковая сварка

«

То же, 50 мм и более с толщи­ной стенки более 4 мм

 

Склейка в формованный раст­руб

 

ПВХ

То же, до 225 мм

Раструбное соединение с про­фильным резиновым кольцом

 

ПВХ

Напорные трубопроводы диа­метром 110—315 мм

Раструбный (с формованным или литым раструбом) с резиновым уплотнительным коль­цом

 

ПНП, ПВП, ПП, ПВХ

Безнапорные трубопроводы ди­аметром до 160 мм

Раструбный (с формованным или литым раструбом), компенсационный с резиновым уплотнительным кольцом

 

То же

То же, от 160 до 315 мм

На свободных фланцах с при­варенными буртовыми втул­ками

ПНП, ПВП, ПП

Напорные трубопроводы для присоединения к арматуре, металлическим фасонным ча­стям и трубам диаметром до 160 мм

 

На свободных фланцах с фор­мованным утолщенным буртом

 

То же

То же

На свободных фланцах с отбуртовкой

ПНП, ПВП, ПП, ПВХ

Напорные [до давления 0,25 МПа (2,5 кгс/см2)] и без­напорные трубопроводы для присоединения к арматуре, ме­таллическим частям и трубам диаметром до 630 мм

 

На свободных фланцах с при­варенными (для ПВХ — кле­еными) кольцами

 

То же

То же, до 160 мм

На свободных фланцах и при­варенных сегментных упорах

 

ПВП

То же, от 225 мм и выше

На приварных фланцах

ПВХ

То же, всех диаметров

 

На свободном фланце с конус­ной отбуртовкой

 

ПНП, ПВП, ПП

Напорные [до давления 0,25 МПа (2,5 кгс/см2)] и безна­порные трубопроводы для при­соединения к арматуре, метал­лическим фасонным частям и трубам диаметром от 50 мм и выше

 

На накидной гайке с конусной отбуртовкой

ПНП, ПВП, ПП

Напорные и безнапорные тру­бопроводы для присоединения к арматуре, металлическим фасонным частям

 

На накидной гайке с формо­ванным буртом

 

ПНП, ПВП, ПП, ПВХ

Напорные и безнапорные тру­бопроводы для присоединения к резьбовым частям арматуры, металлическим резьбовым деталям в санитарно-техническим приборам диаметром до 50 мм

 


 

1.15. Величину температурного удлинения трубопро­вода Dl следует определять по формуле

 

                                         (1)

 

где a — коэффициент линейного расширения, принимаемый для: ПВП и ПНП — 2,2×10-4; ПВХ — 0,8×10-4; ПП — 1,1×10-4, °С-1;

Dt — максимальная разность температур во время монтажа трубопровода и в период его эксплуатации, °С;

l первоначальная длина трубопровода в момент укладки, м.

 

2. Гидравлический расчет напорных и безнапорных трубопроводов

 

2.1. Определение потерь напора i по длине напорных трубопроводов следует производить по формулам:

 

                                         (2)

 

                        (3)

 

                                (4)

 

где  lн — коэффициент сопротивления трения по длине напорного трубопровода;

vср — средняя скорость течения жидкости, м/с;

g ускорение свободного падения, м2/с;

Dp расчетный диаметр трубопровода, м, равный:

Dp = 0,5 (2Dн + DDн 4S 2DS);

Dн — наружный диаметр трубопровода, м;

DDн — допуск на наружный диаметр трубопровода, м;

S —толщина стенки трубы, м;

DS — допуск на толщину стенки трубы, м;

bн число подобия режимов течения жидкости;

  число Рейнольдса;

vt коэффициент кинематической вязкости жидкости при температуре t °С, м2/с.

 

Примечания: 1. При bн £ 1 (ламинарный режим течении) формулы (2) — (4) недействительны; при bн > 2 (квадратичная об­ласть гидравлических сопротивлений турбулентного режима течения жидкости) следует принимать bн = 2.

2. Допускается производить гидравлический расчет напорных пластмассовых трубопроводов по номограмме (рис. 5).

Правила пользования номограммой следующие.

Для решения системы уравнений

 

  

 

постросна номограмма из выровненных точек. Она состоит из семейства дуг Dp и параллельных шкал q, t, v, 1000it и 1000i10, где i10 и it значения i при t = 10° С и некотором значении t, отличном от 10° С. На номограмме приведен ключ пользования.

Пусть по заданным значениям Dp и q требуется найти значение v и значения i при t = 10° С и некотором значении t, отличном от 10° С. Перемещая линейку по номограмме, находим такое положение линейки, при котором край ее касается заданной дуги Dp и прохо­дит через заданную точку шкалы q. В пересечении края линейки со шкалами v и 1000i10 читаем ответы v и 1000i10. Далее вращаем край линейки около найденной точки шкалы 1000i10 до тех пор, пока

 

 

Рис. 5. Номограмма для гидравлического расчета напорных трубопроводов из пластмассовых труб

 

он не пройдет через заданную точку шкалы t. Ответ 1000it читаем в точке пересечения края линейки со шкалой 1000it.

Пример. Определить по номограмме значения v и i при t = 10° С и i при t = 40° С в трубе из полиэтилена высокой плотности типа СЛ с наружным диаметром Dн = 50 мм (внутренний диаметр Dp = 46 мм), если труба пропускает расход q = 3,5 л/с. По номограмме с помощью двух наложений линейки находим v = 2,1 м/с, 1000i10 = 110 и 1000i40 = 100. Следовательно, i = 110 при t = 10° С и i = 100 при t = 40° С.

При расчете напорных канализационных трубопроводов, транспортирующих бытовые стоки, следует учитывать вязкость v = 1,41×10-6 м2/с, что соответствует температуре воды 7° С.

3. Коэффициент кинематической вязкости воды в зависимости от температуры следует принимать по табл. 5.

 

Таблица 5

 

Температура воды, °С

Коэффициент кинематической вязкости воды vt, м2

Температура воды, °С

Коэффициент кинематической вязкости воды vt, м2

 

0

 

1,79 × 10-6

 

35

 

0,73 × 10-6

5

1,52 × 10-6

40

0,66 × 10-6

10

1,31 × 10-6

45

0,6 × 10-6

15

1,14 × 10-6

50

0,55 × 10-6

20

1,01 × 10-6

55

0,51 × 10-6

25

0,9 × 10-6

60

0,47 × 10-6

30

 

0,81 × 10-6

 

 

 

2.2. Величину коэффициента сопротивления стыко­вого соединения, выполненного сваркой встык, следует определять по формуле

 

                                         (5)

 

где А — коэффициент, равный 0,25 Dp при  < 0,1 и 0,35 Dp

при  ³ 0,1;

Dгрвысота грата, определяемая в соответствии с п. 8.6, мм;

 

Re’ = Re × 10-4;                                                      (5)

 

В — коэффициент, равный 1,6 для труб диаметром до 50 мм и 1,3 — больше 50 мм.

 

Примечание. Допускается суммарные потери напора в прямолинейном трубопроводе, с учетом сварных стыковых соедине­ний hпр, определять по формуле

 

hпр = Kil,                                                                 (6)

 

где К — коэффициент, определяемый по графику (рис. 6);

l — длина расчетного участка, м.

 

 

Рис. 6. Значение коэффициента К в зависимости от наружного диамет­ра трубопровода

 

Для всех осталь­ных типов стыковых соединений   коэф­фициент К в форму­ле (6) следует при­нимать равным 1.1.

2.3. Величину ко­эффициента сопро­тивления   односегментных колен, из­готовленных   контактной    сваркой встык, следует оп­ределять по фор­муле

 

                                   (7)

 

где A’ — коэффициент, равный 11 при  £ 0,15 и равный 20

при  > 0,15;

т показатель степени, равный:

 

                          при Dр £ 50 мм  

                          при Dр > 50 мм  

 

Примечания: 1. Допускается потери напора h1 в односегментном колене определять в зависимости от скорости движения жидкости по графику (рис. 7).

2. Суммарные потери напора в отводах, установленных на рас­четном участке, следует определять по формуле

 

h0 = h1 n,                                                 (8)

 

где п — количество отводов.

 

2.4. Суммарные потери напора па расчетном участ­ке сети следует определять по формуле

 

h = Kil + h1 n.                                        (9)

 

2.5. Гидравлический расчет безнапорных канализационных трубопроводов следует производить по фор­муле

 

                                         (10)

 

где  i — уклон трубопровода;

lб — коэффициент сопротивления трения по длине безнапорно­го трубопровода, равный:

 

                                       (11)

 

где vср — средняя скорость течения жидкости, м/с;

Вб параметр, равный:

 

                      (12)

 

R — гидравлический радиус, соответствующий расчетному наполнению трубопровода, м;

v20 — коэффициент кинематической вязкости воды при темпера­туре +20° С, принимаемый по табл. 5;

vtкоэффициент кинематической вязкости воды при темпера­туре t°С.

 

Примечания: 1. При половинном и полном наполнениях трубопровода, а также при приближенных расчетах допускается определять параметр Вб по формуле

 

                                                      (12)

 

2. При Вб £ 1 (ламинарный режим течения) формулы (10) (12) недействительны: при Вб > 2 (квадратичная область гидравли­ческих сопротивлений турбулентного течения жидкости) следует принимать

Вб = 2.

3. При расчетном наполнении трубопровода, равном или более 0,3 его диаметра, допускается пользоваться таблицами, приведен­ными в «Методике гидравлического расчета самотечных канализа­ционных трубопроводов из пластмасс. Расчетные таблицы» (М., ЦИНИС Госстроя СССР, 1976), а также номограммой рис. 8, со­ставленной для бытовых сточных вод с кинематической вязкостью vt = 1,4 × 10-6 м2.

4. Правила пользования номограммой следующие. Линейку накладывают на номограмму таким образом, чтобы расчетное значе­ние уклона трубопровода (шкала уклонов — нижняя шкала линей­ки) совпало с линией вязкости на номограмме. Далее перемещают линейку вверх или вниз по номограмме (расчетное значение уклона трубопровода все время остается на линии вязкости) до совпадения расчетных значений расхода жидкости (шкала расходов верхняя шкала линейки) и наполнения (наклонные линии  для Q на номограмме). При совпадении указанных величин верхняя грань линейки должна совпадать или близко подходить к одной из горизон­тальных линий на номограмме, обозначающей вид материала, тип труб и их диаметр. Значения средней скорости потока считают по скорости (шкала скоростей совмещена со шкалой расходов жидко­сти — верхняя шкала линейки) в месте ее пересечения с расчетным значением наполнения трубопровода (наклонные линии  для vср ).

2.6. При определении проектного уклона безнапорного трубопровода рас­четное значение i следу­ет умножить на коэффи­циент потерь напора в стыковых   соединениях канализационных труб, равный: для сварных со­единений пластмассовых труб диам. 50—63 мм — 1,1; диам. 75—90 мм — 1,08; диам. 110—160 мм — 1,07; диам. 225—630 мм — 1,06; для раструбных со­единений пластмассовых труб диам. 50—110 мм — 1,017;    диам. 110—225 мм —1,015;  диам. 225—630 мм 1,01.

 

 

Рис. 7. Потери напора в односег­ментном колене

 

 

3. Проектирование наружных трубопроводов

 

3.1. Способ прокладки трубопроводов из пластмас­совых труб, как правило, следует предусматривать под­земный.

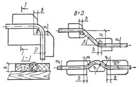
Допускается параллельная прокладка пластмассо­вых водопроводов без теплоизоляции при совмещенной прокладке с трубопроводами горячего водоснабжения и теплоснабжения, укладываемых в земле или канале (рис. 9). При этом расстояние r между осями пластмас­сового водопровода и ближайшего теплопровода и мини­мальную глубину заложения водопровода hмин следует принимать по табл. 6.

Допускается также подземная прокладка пластмас­совых водопроводов без теплоизоляции в каналах или туннелях отдельно или совместно с другими инженерными

 

 

Рис. 8. Номограммы для гидравлического расчета пластмассовых канализационных труб

 

 

Таблица 6

 

Наружный диаметр труб водопровода, мм

r, мм

hмин

 

75

 

890

 

1400

160

970

1550

250

1060

1880

630

 

1350

2400

 

Примечания: 1. При укладке трубопроводов горячего водо­снабжения или теплоснабжения в канале (рис. 9) расстояние в све­ту между наружной поверхностью труб водопровода и стенкой ка­нала надлежит принимать 600 мм.

2. При соответствующем теплотехническом расчете допускается совмещенная прокладка в земле или канале и по другим проектным вариантам. При этом температура на наружной поверхности пластмассового трубопровода в период эксплуатации не должна превышать максимальной температуры транспортируемой среды.

 

Рис. 9. Схемы совме­щенной прокладки пла­стмассовых трубопрово­дов:

 

а — в земле; б — в канале; Ц и Г — циркуляционный и подающий трубопроводы го­рячего водоснабжения; То и Тп обратный и подающий трубопроводы тепло­снабжения Х1 и Х2 — первая и вторая труби холодного водопровода.

 

коммуникациями (рис. 10). При этом температура воздуха в каналах или туннелях в период эксплуатации не должна бить ниже 5° С и выше 35° С.

При максимальной температуре воздуха в канале или туннеле температура питьевой воды в пластмассовом трубопроводе не должна повышаться более чем на 2° С.

3.2. Для напорных пластмассовых трубопроводов с неразъемными соединениями (сварными, клеевыми), укладываемых в грунт, линейная компенсация, как пра­вило, не предусматривается.

 

Примечания: 1. Для снижения температурных напряжений в трубопроводе при прокладке в летнее время следует предусматри­вать укладку трубопроводов в траншею «змейкой». 2. Для напор­ных пластмассовых трубопроводов, соединяемых в раструб, уплот­няемых резиновым кольцом, линейная компенсация не учитывается.

 

Рис. 10. Схема разме­щения трубопроводов водоснабжения из пластмассовых труб в тунне­ле

 

1 — газопровод; 2 — трубо­провод горячего водоснаб­жения циркуляционный; 3трубопровод горячего водо­снабжения подающий; 4 — трубопровод холодного во­доснабжения из труб ПВХ; 5 — силовой кабель; 6 — те­лефонные кабели; 7 — тру­бопровод отопления обрат­ный; 8 — трубопровод отоп­ления подающий

 

3.3. Для трубопроводов с неразъемными соединения­ми, прокладываемых в ка­налах или туннелях, а так­же наземно или надземно на опорах, линейная компенса­ция производится с помощью расстановки креплений и специальных компенсирую­щих деталей, предусмотрен­ных в пп. 4.9—4.11.

 

Примечание. При проклад­ке пластмассовых трубопроводов в каналах через 18—20 м следует устанавливать неподвижные креп­ления.

 

3.4. Расстояние между опорами при открытой про­кладке     горизонтальных пластмассовых труб с неразъемными соединениями, а также при прокладке в каналах или туннелях сле­дует принимать по табл. 7. При прокладке труб с рас­трубными соединениями на резиновых кольцах расстояния между креплениями принимаются по этой же таблице, если соединения расположены на опорах, а при расположении раструбных соединений между опо­рами, расстояния, приведенные в таблице, следует уменьшить на 30%.

 

Примечание. Для труб из ПВХ типов Л, СЛ и С расстоя­ния между опорами следует принимать такими же, как для труб из ПВП и ПП соответственно типов СЛ, С и Т.

 

3.5. Расстояния между креплениями при прокладке вертикальных пластмассовых труб с неразъемными со­единениями следует определять по табл. 8.

 


Таблица 7

 

 

Расстояние между опорами горизонтально прокладываемого трубопровода, мм, из материала

 

 

ПВП, ПП

Dн, мм

Л

СЛ

С

Т

 

Температура транспортируемой жидкости, °С

 

20

30

40

20

30

40

20

30

40

20

30

40

 

10

 

 

 

 

 

 

 

 

 

 

400

 

350

 

300

12

 

 

 

 

 

 

 

 

 

420

400

350

16

 

 

 

 

 

 

 

 

 

500

450

400

20

 

 

 

 

 

 

 

 

 

550

500

450

25

 

 

 

 

 

 

600

550

500

650

550

500

32

 

 

 

 

 

 

650

600

550

750

650

600

40

 

 

 

700

700

600

800

700

600

850

800

700

50

 

 

 

800

750

650

1000

900

800

1000

900

800

63

850

800

700

900

800

700

1150

1050

900

1150

1050

800

75

900

800

750

1100

950

800

1250

1150

1000

1300

1200

1000

90

1000

900

800

1200

1100

900

1400

1250

1100

1500

1350

1200

110

1100

1000

900

1400

1200

1100

1500

1400

1200

1700

1500

1300

125

1300

1150

1000

1500

1300

1200

1600

1500

1300

1800

1700

1450

140

1400

1300

1100

1600

1400

1200

1750

1600

1400

1950

1700

1550

160

1550

1400

1250

1700

1500

1350

1900

1750

1500

2150

1950

1700

180

1600

1500

1300

1850

1650

1400

2000

1900

1600

2300

2100

1850

200

1700

1600

1400

2000

1800

1500

2200

2000

1750

2500

2250

2000

225

1850

1700

1400

2100

1900

1700

2350

2150

1900

2700

2450

2150

250

2000

1800

1600

2300

2100

1800

2500

2200

2000

2900

2600

2300

290

2200

2000

1700

2500

2250

2000

2700

2500

2200

3100

2850

2500

315

2300

2100

1800

2700

2400

2000

2950

2700

2350

 

 

 

355

2500

2300

2000

2900

2600

2300

3200

2900

2550

 

 

 

400

2700

2500

2150

3100

2800

2500

3500

3150

2700

 

 

 

450

2950

2700

2400

3400

3100

2700

3800

3450

3000

 

 

 

500

3100

2850

2500

3650

3300

2900

 

 

 

 

 

 

560

3400

3100

2700

3900

3600

3100

 

 

 

 

 

 

630

 

3700

3400

2900

4200

3900

3400

 

 

 

 

 

 

 

 

Продолжение табл. 7

 

 

Расстояние между опорами горизонтально прокладываемого трубопровода, мм, из материала

 

 

ПНП

ПВХ

Dн, мм

Л

СЛ

С

Т

Т

 

Температура транспортируемой жидкости, °С

 

 

20

30

40

20

30

40

20

30

40

20

30

40

20

30

40

 

10

 

 

 

 

 

 

 

 

 

 

 

250

 

200

 

200

 

 

 

12

 

 

 

 

 

 

 

 

 

300

250

250

 

 

 

16

 

 

 

 

 

 

300

300

300

350

300

300

500

450

400

20

 

 

 

 

 

 

400

350

300

400

350

350

550

500

450

25

 

 

 

400

350

300

400

400

350

450

450

400

650

550

500

32

400

400

400

450

400

350

500

450

400

550

500

450

850

750

700

40

500

450

400

550

500

450

600

550

500

650

600

550

1000

950

1000

50

550

500

500

650

600

500

700

600

550

750

700

600

1200

1100

1000

63

600

600

550

750

700

600

800

700

650

850

800

700

1350

1250

1100

75

700

650

600

800

750

700

900

800

750

1000

900

800

1600

1500

1300

90

800

700

700

900

850

800

1000

950

850

1100

1000

900

1800

1650

1500

110

900

900

800

1000

1000

900

1150

1100

950

1250

1150

1000

2000

1800

1600

125

1000

950

850

1100

1100

950

1200

1200

1000

1350

1250

1100

2100

2000

1750

140

1100

1000

900

1200

1150

1000

 

 

 

 

 

 

2250

2000

1850

160

1200

1100

1000

1300

1250

1100

 

 

 

 

 

 

2450

2250

2000

180

 

 

 

 

 

 

 

 

 

 

 

 

 

 

 

200

 

 

 

 

 

 

 

 

 

 

 

 

 

 

 

225

 

 

 

 

 

 

 

 

 

 

 

 

3000

2750

2450

250

 

 

 

 

 

 

 

 

 

 

 

 

 

 

 

290

 

 

 

 

 

 

 

 

 

 

 

 

 

 

 

315

 

 

 

 

 

 

 

 

 

 

 

 

 

 

 

355

 

 

 

 

 

 

 

 

 

 

 

 

 

 

 

400

 

 

 

 

 

 

 

 

 

 

 

 

 

 

 

450

 

 

 

 

 

 

 

 

 

 

 

 

 

 

 

500

 

 

 

 

 

 

 

 

 

 

 

 

 

 

 

560

 

 

 

 

 

 

 

 

 

 

 

 

 

 

 

630

 

 

 

 

 

 

 

 

 

 

 

 

 

 

 

 

 

Примечание. При расчете принималось gтр = gс = 0,96 г/см3 и j = 0,005.


 

Таблица 8

 

 

Расстояние между опорами вертикально прокладываемого трубопровода, мм, из материала

 

Dн, мм

ПВП, ПВХ, ПП

ПНП

 

Температура транспортируемой жидкости, °С

 

 

20

30

40

20

30

40

 

32

 

1200

 

1000

 

800

 

1000

 

900

 

850

40

1500

1200

1000

1300

1100

1000

50

1800

1500

1200

1800

1400

1200

63

2400

2000

1800

2100

1700

1400

75

2900

2500

2200

2500

2000

1800

90

3200

2900

2600

3100

2600

2300

110

3900

3500

3300

3600

2900

2500

125

4500

3800

3600

3900

3200

3000

140

4900

4200

4000

4100

3500

3200

160

5500

5000

4800

4600

4000

3800

225

6800

5900

5300

 

 

 

315

9200

8200

7200

 

 

 

400

 

13000

10600

9200

 

 

 

 

3.6. Для канализационных трубопроводов с неразъем­ными соединениями при расстоянии между смотровыми колодцами до 25 м компенсация достигается за счет пе­ремещения концов труб в колодцах; при расстоянии 25—40 м необходимо предусматривать на трубопроводе рас­трубное соединение, уплотняемое резиновым кольцом и выполняющее функции компенсатора. При больших рас­стояниях между колодцами необходимо предусматри­вать несколько раструбных соединений.

3.7. При параллельной прокладке участки водопро­водных линий из пластмассовых труб следует проектиро­вать выше канализационных трубопроводов. При не­возможности обеспечить прокладку выше канализаци­онного трубопровода, транспортирующего агрессивные, токсичные, пахучие жидкости, водопровод следует про­ектировать из стальных труб.

3.8. При пересечении с канализацией па расстоянии, меньшем 0,4 м (по вертикали в свету), водопроводы из пластмассовых труб должны проектироваться в футля­рах из стальных труб. Расстояние от обреза футляра до пересекаемого трубопровода должно быть не менее 5 м в каждую сторону в глинистых грунтах и 10 м в крупнообломочных и песчаных грунтах.

3.9. При пересечении водопроводов из пластмассовых труб с теплопроводами и кабелями пластмассовые тру­бы следует заключать в футляры из асбестоцементных или металлических труб.

Расстояние от стенок футляра до кабеля пли стенки основания перекрытия канала теплосети должно быть не менее 0,5 м.

3.10. Водопроводы из пластмассовых труб при пере­сечении с железными и автомобильными дорогами, а также с трамвайными путями следует прокладывать в футлярах в соответствии с указаниями глав СНиП по проектированию наружных сетей и сооружений водоснабжения и канализации. Длина концов футляра, вы­ступающих за пределы пересекаемого сооружения, должна быть не менее 1,5 м. Внутренний диаметр фут­ляра должен быть больше наружного диаметра трубы на 200 мм.

3.11. Ширина траншеи по дну при прокладке водо­провода и канализации должна приниматься в соответ­ствии с требованиями главы СНиП по производству ра­бот по возведению земляных сооружений. При этом не­обходимо предусматривать уплотнение грунта пазух траншеи.

3.12. На поворотах прокладку полиэтиленовых тру­бопроводов по пологой кривой следует принимать в со­ответствии с требованиями главы СНиП по производст­ву работ наружных сетей и сооружений водоснабжения, канализации и теплоснабжения. При этом рекомендуется принимать радиус кривизны; 30D для труб из ПНП, 120D — для труб из ПВП, 200D — для труб из ПП, 300D для труб из ПВХ.

3.13. При конструировании водопроводов и напорной канализации с раструбными соединениями на резиновых кольцах в местах поворота, ответвлений и тупиковых участков должно предусматриваться устройство упоров.

3.14. Крепление арматуры к стенкам и днищу колод­ца, туннеля или канала следует производить при помощи анкерных болтов и полухомутов или замоноличиванием бетоном не подлежащих замене деталей, например по­жарных подставок или металлических трубных вставок, с помощью которых осуществляется присоединение пластмассового трубопровода к задвижкам, вантузам, клапанам и т. д.

3.15. Соединение пластмассовых труб с трубами из других материалов (стальными, чугунными, асбестоцементными и т. д.) следует выполнять на фланцах. В ка­честве уплотняющего материала фланцевых соединений следует применять мягкую эластичную резину толщиной 4—6 мм.

 

Примечание. Фланцевые соединения, как правило, следует устанавливать в колодцах. При соответствующем обосновании допускается установка фланцевых соединений непосредственно в грун­те с обеспечением мер по защите их от коррозии (например, путем заливки соединения битумно-резиновой холодной мастикой).

 

3.16. Пересечение  пластмассовым  трубопроводом стенок водопроводного колодца или фундамента зданий следует предусматривать с помощью стального или пластмассового футляра. Зазор между футляром и тру­бопроводом заделывается белым канатом, пропитанным раствором низкомолекулярного полиизобутилена в бензине в соотношении 1 : 1. Этот же тип заделки следует применять и для концов футляров.

 

Примечания: 1. В случае применения для заделки зазора просмоленного каната или пряди пластмассовую трубу следует об­мотать полихлорвиниловой или полиэтиленовой пленкой в 2— 5 слоев.

2. Допускается производить заделку асбестовым материалом (тканью, шнуром) с герметизацией концов футляра гернитом.

 

3.17. Пластмассовые трубопроводы должны быть за­щищены от попадания прямых солнечных лучей.

 

4. Проектирование внутренних трубопроводов

 

4.1. Применение пластмассовых трубопроводов для внутренних сетей определяется проектом. Для систем внутренней бытовой канализации пластмассовые трубо­проводы следует применять преимущественно в домах с санитарно-техническими кабинами или блоками, достав­ляемыми на строительную площадку в готовом для монтажа виде.  

4.2. Для обеспечения пожарной безопасности многоэтажных зданий различного назначения при применении пластмассовых труб для систем внутренней канализации и водостоков необходимо соблюдать следующие условия:

а) прокладку канализационных и водосточных стояков следует осуществлять скрыто в монтажных коммуникационных шахтах, штрабах, каналах и коробах, ограждающие конструкции которых, за исключением лицевой панели, обеспечивающей доступ в шахту, короб и т. п., должны быть выполнены из несгораемых материалов;

б) лицевую панель следует изготовлять в виде открывающейся двери из сгораемого материала при применении труб из поливинилхлорида и из трудносгораемого материала - при применении труб из полиэтилена.

Примечание. Допускается применение сгораемого материала для лицевой панели при полиэтиленовых трубах, но при этом дверь должна быть неоткрывающейся. Для доступа к арматуре и ревизиям в этом случае должно предусматриваться устройство открывающихся люков площадью не более 0,1 м2 с крышками;

в) в подвалах зданий при отсутствии в них производственных складских и служебных помещении, а также на чердаках и в помещениях санузлов жилых зданий прокладку канализационных и водосточных пластмассовых трубопроводов допускается предусматривать открыто;

г) места прохода стояков через перекрытия должны быть заделаны цементным раствором на всю толщину перекрытия;

д) участок стояка выше перекрытия на 8-10 см (до горизонтального отводного трубопровода) следует защищать цементным раствором толщиной 2-3 см;

е) перед заделкой стояка раствором трубы должны обертываться без зазора рулонным гидроизоляционным материалом

(Измененная редакция. Изм. № 1).

4.3. К местам прокладки пластмассовых трубопрово­дов должен быть обеспечен легкий доступ посредством установки дверок, съемных щитов, решеток и т.п.

4.4. Трубопроводы не должны примыкать вплотную к поверхности строительных конструкций. Расстояние в свету между трубами и строительными конструкциями должно быть не менее 20 мм.

4.5. Расстояние в свету между пластмассовыми тру­бами и параллельно проложенными стальными трубами отопления и горячего водоснабжения должно быть не менее 100 мм. Пластмассовые трубы должны проходить,

 

 

Рис. 11. Устройство а, размеры П-образного компенсатора для труб диам, до 50 мм б; и лирообразного компенсатора в

 

1— пластмассовый трубопровод; 2 — жесткий каркас; 3 — опора; 4 — направляющие хомуты; 5 — компенсационный хомут

 

как правило, ниже труб отопления и горячего водоснаб­жения.

Расстояние в свету между пересекающимися пласт­массовыми трубами и стальными трубами отопления и горячего водоснабжения должно быть не менее 50 мм.

4.6. В местах прохода через строительные конструк­ции пластмассовые трубы необходимо прокладывать в футлярах. Длина футляра должна на 30—50 мм превы­шать толщину строительной конструкции. Расположение стыков в футлярах не допускается.

4.7. Расстояние между креплениями на горизонталь­ных и вертикальных участках напорного трубопровода следует принимать в соответствии с табл. 7 и 8.

4.8. Конструкцию П-образных и лирообразных ком­пенсаторов для труб из ПВХ следует принимать в соот­ветствии с рис. 11.

4.9. Для труб наружным диаметром до 50 мм при расстоянии между неподвижными креплениями менее 12 м размеры П-образного компенсатора допускается принимать в соответствии с рис. 11.

4.10. Размеры лирообразного компенсатора для тру­бопровода длиной до 12 м следует принимать по рис. 11, при этом: R1 = 5D, R2 = 3,5D;  b =3D; h = 15D, где D — наружный диаметр трубы.

 

Рис. 12. Соединение труб из ПВХ с резиновыми кольцами (а) и клеевые (б и в)

 

1 — гладкий конец трубы; 2 — конец трубы с раструбом; 3 — резиновое уплотнительное кольцо; 4 — монтажная метка; 5 — клеевой шов; 6 — зазор для ком­пенсации температурных удлинений

 

4.11. На канализационных трубопроводах, соединяе­мых при помощи раструбов с резиновыми уплотнительными кольцами, воспринимающими температурные уд­линения, установку компенсаторов предусматривать не следует.     

4.12. Компенсация температурных удлинений при ис­пользовании сварных и клеевых соединений должна обеспечиваться с помощью соединений с резиновыми уплотнительными кольцами, вставляемыми в обычный или компенсационный (удлиненный) раструб.

4.13. При скрытой прокладке канализационных тру­бопроводов в местах установки на трубопроводе реви­зий и прочисток следует предусматривать смотровые люки с дверцами.

4.14. Вытяжную часть стояка канализации рекомен­дуется выполнять из пластмассовых труб.

4.15. Следует предусматривать жесткое и прочное крепление санитарных приборов, приемников бытовых сточных вод, а также водосточных воронок к строитель­ным конструкциям.

4.16. Склеивание гладких концов труб из ПВХ (рис. 12) с раструбами, имеющими желобки под резино­вые кольца, допускается только при использовании зазорозаполняющих клеев (на поверхность желобка клеи не наносится). Склеивание концов труб с гладкими раструбами следует производить с помощью клеев, запол­няющих и не заполняющих зазоры между поверхностями

 

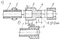
Рис. 13. Узел соединений раструбного конца детали из ПВХ с глад­ким концом полиэтиленовой трубы

 

1 — раструбный конец с желобком детали из ПВХ; 2 — клеевой шов; 3 — переходной патрубок из ПВХ; 4 — гладкий конец полиэтиленовой трубы; 5 —  уплотнительное кольцо из резины марки 3311

 

соединяемых элементов, при этом зазоры следует при­нимать в соответствии с указаниями п. 10.2 настоящей Инструкции.

4.17. Для соединения гладких концов деталей из ПВП наружными диаметрами 107,5—108,3 и 48,6—49,2 мм с раструбами труб из ПВХ наружными диаметрами соот­ветственно 110—110,6 и 50—50,4 мм следует использо­вать переходные патрубки, на которых формуется раструб (рис. 13).

4.18. Для соединения гладких концов деталей наруж­ными диаметрами 110—110,6 и 50—50,4 мм из ПНП, ПВП, ПП и ПВХ с раструбами деталей из ПВП наруж­ными диаметрами 107,5—108,3 и 48,6—49,2 мм следует предусматривать калибровку гладких концов на разме­ры соответственно 107,5—108,3 и 48,6—49,2 мм. Соеди­нение уплотняется резиновыми уплотнительными коль­цами.

4.19. Соединение сварных разводок с канализационными стояками, а также соединение разводок между собой в условиях строящегося объекта надлежит производить на раструбе с резиновым уплотнительным кольцом. При соединении разводок между собой допускается применение двухраструбных муфт, .при этом муфты необходимо закреплять.

4.20. Выпуски унитазов следует соединять с пласт­массовыми канализационными трубами соединительны­ми патрубками с резиновыми манжетами.

4.21. Гладкие концы чугунных деталей (выпуски тра­пов, водосточные воронки и т. п.) следует соединять с пластмассовыми трубами соединительными раструбны­ми патрубками с резиновыми кольцами с последующим заполнением зазора раствором на расширяющемся цементе.

4.22. Гладкие концы труб из ПНП, ПВП, ПП, ПВХ с раструбом чугунной канализационной трубы того же диаметра следует соединять круглым резиновым коль­цом с последующим заполнением раструба раствором расширяющегося цемента.

При отсутствии колец допускается применение соеди­нений с заделкой раструба просмоленной прядью и рас­твором расширяющегося цемента, при этом внутрь кон­ца пластмассовой детали следует запрессовать в нагре­том состоянии отрезок стальной трубы.

Поверхность труб из ПВХ на длине раструба надле­жит очищать растворителем, покрывать слоем клея и обсыпать песком, а поверхность деталей из ПНП, ПВП и ПП следует оплавлять, после чего также покрывать пес­ком.

4.23. Пластмассовую трубу с керамической канализа­ционной трубой того же диаметра надлежит соединять раструбной вставкой с отбуртованным гладким концом. Раструбную щель следует заделывать льняной прядью, пропитанной раствором полиизобутилена в бензине (соотношение 1:1) с последующим заполнением зазора раствором на расширяющемся цементе.

4.24. Пластмассовые отводные трубы наружным диа­метром 40 мм от сифонов умывальников, моек и ванн к сети внутренней канализации диаметром 50 мм следу­ет присоединять с помощью перехода 50х40 мм или пе­реходной резиновой детали.

4.25. Канализационные стояки, смонтированные в са­нитарно-технических кабинах, следует соединять между­этажной вставкой, выполненной в виде отрезка пласт­массовой канализационной трубы.

4.26. Соединение пластмассового водосточного стояка с чугунной водосточной воронкой следует предусматри­вать на пластмассовых или стальных переходных дета­лях.

Соединение стального патрубка с пластмассовой тру­бой следует выполнять с помощью компенсационных па­трубков, уплотняемых резиновыми кольцами, а также на фланцах с использованием полиэтиленовых втулок под фланцы или патрубков с утолщенным буртом.

В зависимости от вида соединения воронки со стоя­ками (прямого или с отступом) стальные переходные де­тали следует предусматривать прямыми или изогнутыми с устройством для прочистки стояка.

4.27. Соединение водосточных стояков со стальными отводными трубопроводами, прокладываемыми в подва­лах зданий для открытого выпуска дождевых вод на отмостку здания, следует производить, используя фланце­вые соединения или переходные детали.

4.28. Для водосточных стояков необходимо применять пластмассовые   канализационные трубы но ГОСТ 22689—77 или напорные трубы из ПВП, ПНП и ПВХ типов, указанных в табл. 9.

 

Таблица  9

 

 

Число этажей здания

Тип пластмассовых труб для водосточных стояков из материала

 

ПНП

ПВП, ПВХ

 

9

 

Легкий

 

Легкий

16

 

Среденелегкий

«

 

4.29. Максимальную водосборную площадь F, м2, приходящуюся на один водосточный стояк, выполненный из ПВП, ПНП и ПВХ диаметром 75—125 мм типа Л, СЛ и С, следует определять по графикам на рис. 14 в зависимости от интенсивности дождя в л/с с 1 га для данной местности продолжительностью 20 мин при пе­риоде однократного превышения расчетной интенсивно­сти, равной одному году (q20).

4.30. Для прокладки водосточных стояков из ПВП следует предусматривать соединения с резиновыми уплотнительными кольцами, из ПВХ — клеевые и соедине­ния с резиновыми уплотнительными кольцами.

Трубы из ПНП в системах внутренних водостоков следует применять в виде бухт-стояков полной заводской готовности. Допускается сварная конструкция бухт-стоя­ков из труб диаметром 75 и 90 мм типа СЛ.

4.31. Для компенсации температурных удлинении во­досточных стояков из ПВХ с клеевыми соединениями не­обходимо предусматривать одно компенсационное соеди­нение с резиновым уплотнительным кольцом на пять­восемь этажей.

Компенсацию температурных удлинении стояков из ПНП следует предусматривать за счет укладки труб «змейкой» в штробах и шахтах.

 

Рис. 14. График для определения водосборной площади F в зависимости от типоразмера пластмассовых водосточных стояков

 

5. Крепление пластмассовых трубопроводов

 

5.1. Для пластмассовых трубопроводов следует при­менять подвижные крепления, допускающие их перемещения в осевом направлении, и неподвижные крепления, не допускающие таких перемещений.

Неподвижные крепления должны направлять удлине­ния трубопроводов в сторону компенсаторов (для ПВХ) и гнутых деталей, обеспечивая минимальное силовое воздействие на узлы пересечения и другие элементы тру­бопроводов.

Неподвижные крепления на трубах из ПВП, ПНП, ПП и ПВХ следует выполнять с помощью приваренных (для ПВП, ПНП и ПП) или приклеенных (для ПВХ) к телу трубы упорных колец — для труб диаметром до 160 мм, сегментов — для труб диаметром больше 160 мм. Если необходимо обеспечить перемещение трубопровода только в одном направлении, достаточно наличия коль­ца (сегментов) с одной стороны.

Неподвижное крепление трубопровода на опоре пу­тем сжатия трубы не допускается.

В качестве подвижных креплений следует применять хомуты, внутренний диаметр которых должен быть на 1—3 мм больше наружного диаметра монтируемого тру­бопровода.

5.2. Расстановку неподвижных креплений следует принимать из условия, чтобы температурные изменения участков трубопроводов не превышали их компенсирую­щую способность.

Расстояния от осей тройников до креплений на трубо­проводе из ПВХ следует принимать не менее 12 D, для труб из ПВП и ПП — 6 D, из ПНП — 3 D.

Расстояние от концов отводов до креплений следует принимать равным

 

                                                   (13)

 

где К — коэффициент, принимаемый равным: для труб из ПВХ — 30, из ПВП и ПП — 10, из ПНП — 5;

Dl — удлинение, которое необходимо компенсировать;

Dн наружный диаметр трубы.

 

5.3. Расстояние между неподвижными креплениями следует принимать не более 400 D.

5.4. Для восприятия линейной компенсации трубо­проводов значительной протяженности, не имеющих по­воротов, на трубах из ПВХ с неразъемными соединения­ми следует предусматривать установку П- и лирообразных компенсаторов. Компенсация линейных удлинений труб из ПВП, ПНП, ПП обеспечивается продольным изгибом при прокладке их на сплошной опоре, ширина которой должна допускать возможность изгиба трубопровода при перепаде температур.

Использовать компенсирующую способность фасон­ных деталей, сваренных из труб, не допускается.

5.5. Трубопроводы диаметром до 110 мм включитель­но допускается прокладывать на сплошном основании, делая разрывы в местах установки разъемных соеди­нений.

5.6. При переходе горизонтального трубопровода в вертикальный расстояние от поворота до первого креп­ления на горизонтальном участке следует устанавливать в соответствии с табл. 10. При прокладке труб диаметром

 

Таблица 10

 

 

Расстояние lK, мм, от поворота полиэтиленового трубопровода

до первого крепления на горизонтальном участке

 

Наружный

ПВП

ПНП

диаметр тру­бопровода, мм

Максимальная разность температуры трубы в условиях монтажа

в эксплуатации, Dt, °С

 

 

20

30

40

20

30

40

 

63

 

255

 

275

 

300

 

130

 

145

 

155

110

455

500

540

230

255

275

160

670

740

785

 

 

 

225

810

890

960

 

 

 

315

1135

1245

1350

 

 

 

400

 

1440

1595

1715

 

 

 

 

до 110 мм включительно на сплошном основании та­кое же расстояние следует принимать от основания до вертикального трубопровода. У конца основания между ним и трубой следует предусматривать резиновую про­кладку.

5.7. Горизонтальные участки трубопроводов следует крепить к сплошному основанию с помощью хомутов че­рез каждые 2 м.

5.8. Вертикальные участки трубопроводов, как пра­вило, следует закреплять с помощью крепления, устанав­ливаемого под раструбом фасонной детали или фланце­вого соединения. При отсутствии их крепления следует устанавливать под приваренными к трубе кольцами или сегментами, выполненными из трубы того же типа и ди­аметра.

5.9. Длина незакрепленных на сплошном основании участков горизонтальных трубопроводов в местах пово­ротов и присоединения их к аппаратам, оборудованию, фланцам не должна превышать 0,5 м.

5.10. Между трубопроводом и хомутом или подвеской следует помещать прокладку из мягкого материала (ре­зина), приклеиваемую к креплению клеем 88Н (ТУ 38-105-540-73). Ширина прокладки должна превышать ширину хомута или подвески не менее чем на 10 мм.

5.11. Расстановку креплений на трубопроводе систе­мы внутренней бытовой канализации следует предусмат­ривать из условия:

крепления должны направлять удлинения трубопро­вода в сторону соединений; используемых в качестве компенсаторов (рис. 15)

 

 

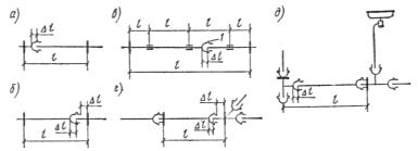
Рис. 15. Варианты расстановки креплений на канализационном тру­бопроводе

 

а — неподвижное крепление; б — подвижное крепление, в — зазор для компен­сации температурных удлинений; г и д — расстояния  между креплениями; 1 — компенсационный (удлиненный) раструб

 

крепление, устанавливаемое на гладком конце трубы или фасонной части, должно располагаться от раструба на расстоянии, допускающем температурные удлинения трубопровода;

на патрубках, используемых для присоединения к се­ти унитазов и трапов, а также на отводных трубах от пластмассовых сифонов установку креплений предусмат­ривать не следует;

на трубопроводах рекомендуется установка одного разъемного соединения с резиновым уплотнительным кольцом между двумя неподвижными креплениями. При этом удлинение трубопровода не должно превышать ком­пенсирующей способности соединения.

5.12. Расстояние между креплениями на горизон­тальных трубопроводах внутренней бытовой канализа­ции и внутренних водостоков должно быть не более 10 D, на вертикальных — 20 D, где Dнаружный диаметр трубы.

5.13. Трубопроводная арматура и металлические фа­сонные части, находящиеся на трубопроводе, должны иметь самостоятельное крепление, предотвращающее передачу веса на трубопровод. Усилия, возникающие при пользовании арматурой в процессе ее эксплуатации, не должны передаваться на трубопровод.

5.14. Крепление трубопроводов следует покрывать антикоррозионным покрытием.

 

Б. МОНТАЖ ВОДОПРОВОДНЫХ

И КАНАЛИЗАЦИОННЫХ СЕТЕЙ

 

6. Общие указания

 

6.1. Пластмассовые трубы должны храниться на стел­лажах в закрытых помещениях или под навесами, а в условиях строительной площадки — в тени или под на­весом в горизонтальном положении или укладываться в штабеля. Высота штабеля не должна превышать: для труб из ПНП типов Т, С и СЛ — 2,3 м; из ПВП и ПН — 2,8 м; из ПВХ — 2,6 м; для труб из ПНП типа Л — 1,5 м; из ПВП и ПП — 2 м; из ПВХ — 1,7 м.

Хранить пластмассовые трубы и фасонные части в закрытом помещении следует не ближе 1 м от нагревательных приборов.

6.2. Пластмассовые трубы и фасонные части необхо­димо оберегать от механических нагрузок и ударов. По­верхности пластмассовых труб необходимо оберегать от нанесения царапин.

При перевозке пластмассовые трубы необходимо ук­ладывать на ровную поверхность транспортных средств, предохраняя от острых металлических углов и ребер.

6.3. При перевозке труб длиной более 8 м длина све­шивающихся с кузова машины или прицепа концов труб не должна превышать 1,5 м.

6.4. Узлы трубопровода надлежит доставлять на объекты строительства, как правило, в контейнерах, в которых детали трубопроводов должны быть закрепле­ны. На контейнерах должна быть надпись «Не бросать».

6.5. Транспортировка, погрузка и разгрузка пласт­массовых труб из ПВП, как правило, производится при температуре наружного воздуха не ниже минус 20° С; ПНП минус 30° С, а ПВХ и ПП минус 10° С. Так как трубы из ПВХ и ПП имеют повышенную хрупкость при отрицательных температурах, их транспортирование при температуре до минус 20° С допускается при использо­вании пакетов или других устройств, обеспечивающих фиксацию труб, а также при принятии особых мер пред­осторожности.

6.6 Пластмассовые трубы и трубозаготовки, достав­ляемые на объект в зимнее время, перед их применением в зданиях должны быть предварительно выдержаны при положительной температуре не менее 2 ч.

 

7. Трубозаготовительные работы

 

Организация трубозаготовительных работ

 

7.1. Изготовление деталей и отдельных узлов трубо­проводов должно производиться на заводах монтажных заготовок или трубозаготовительных мастерских с уче­том их транспортабельности и сохранности при перевоз­ках, а на монтажной площадке должны осуществляться сборка и сварка (склеивание) трубопроводов из готовых узлов с минимальным числом соединений.

7.2. Сборку элементов узлов следует производить в кондукторах, обеспечивающих фиксацию положения от­дельных элементов узлов трубопроводов и облегчающих сборку.

7.3. При сборке фланцевых соединений следует при­менять мягкие эластичные прокладки из резины.

Сборку резьбовых соединений рекомендуется выпол­нять специализированным монтажным инструментом, конструкция которого должна исключать механическое повреждение деталей.

7.4. Соединения должны испытываться гидравли­ческим способом на герметичность:

безнапорные трубопроводы — на давление 0,2 кгс/см2;

напорные трубопроводы — на давление, в 1,5 раза большее максимального рабочего, но не менее 2 кгс/см2;

продолжительность испытания 2 мин.

7.5. Отклонения габаритов заготовительных деталей трубопроводов от заданных не должны превышать ±2 мм, узлов — ±5 мм.

Перед отправкой на монтаж узлы следует маркиро­вать путем нанесения маркировки на конец узла цветной водостойкой краской на расстоянии 200—300 мм от края.

 

Механическая обработка пластмассовых труб

 

7.6. Разметку пластмассовых труб следует произво­дить на специальном стеллаже или в желобе.

7.7 Резку пластмассовых труб следует выполнять:

на станках с дисковыми пилами толщиной 1,5—2 мм с шагом зубьев 3—4 мм и разводкой зубьев 0,5—0,6 мм на сторону; частота вращения диска для ПВП, ПНП, ПП должна быть 2000¸3000 об/мин; ПВХ — 600¸800 об/мни, для чистого обреза торца необходимо применять пилы бсз развода зубьев с равномерно уменьшающейся к цен­тру диска толщиной;

на разметочно-отрезных станках;

на станках гильотинного типа для тонкостенных труб;

электроприводными ножовками (длина полотна но­жовки должна быть 450—500 мм, толщина 1,5 мм, высо­та зубьев 1,5—2 мм, развод зубьев 0,5—0,7 мм);

труборезом с пневматическим приводом, у которого в качестве режущего инструмента применяется отрезной резец;

вручную ножовками для резки металлов, мелкозубы­ми плотницкими пилами и столярными ножовками.

7.8. Отклонение от угла реза не должно превышать 0,5 мм — для труб с наружными диаметрами до 50 мм, 1 мм — для труб наружным диаметром 50—160 мм и 2 мм — для труб наружным диаметром более 160 мм.

7.9. Сверление отверстий диаметром до 50 мм в пласт­массовых трубах надлежит производить на сверлильных станках перовыми и спиральными сверлами, циркульны­ми резцами и специальными трубными сверлами. Свер­ление отверстий диаметром свыше 50 мм — циркульными резцами или трубными сверлами.

В процессе сверления сверло необходимо периодически выводить из отверстия для его охлаждения и уда­ления стружки.

7.10. Для снятия фасок на концах труб надлежит применять механизированные и ручные приспособления, режущим инструментом которых являются специальные фрезы, резцовые головки с несколькими ножами или резцы.

 

Формование пластмассовых труб

 

7.11. В результате формования труб осуществляются отбортовка, калибровка, а также получаются утолщен­ные бурты, гладкие и с желобками под резиновые коль­ца раструбы и вытяжка отростков на трубах для трой­ников и крестовин.

7.12. Нагрев и размягчение пластмассовых труб сле­дует производить в ваннах с глицерином, гликолем, трансформаторным маслом (последнее — только для ПВХ) и т. п., нагревателях с инфракрасными излучате­лями или в воздушных печах. Температура нагрева дол­жна устанавливаться в заданных режимах с помощью терморегулятора.

7.13. Температуру теплоносителя (глицерина или воздуха) внутри нагревательного устройства следует вы­бирать в соответствии с данными, приведенными в табл. 11.

 

Таблица 11

 

 

Материал

труб

Температура при отбортовке, раструбливании и калибровке, °С

Температура воздуха при изготовлении утолщенных

 

глицерина

 

воздуха

буртов, °С

 

ПВП

 

135±5

 

150±10

 

240±10

ПНП

105±5

135±10

220±10

ПП

165±5

185±10

280±10

ПВХ

135±5

160±10

 

 

7.14. Ванны с нагревательной жидкостью должны иметь устройства (типа подвижной решетки), регулиру­емые по высоте ванны, для установки и поддержки труб на требуемую длину нагреваемого участка. Для умень­шения испарения нагретой жидкости ванна должна снаб­жаться съемной крышкой.

7.15. В качестве инфракрасных излучателей для на­грева труб следует использовать стержневые, U-образные и другие электрические нагреватели (ТЭНы).

 

Примечание. Допускается применение нагревательных уст­ройств с навивкой спирали.

 

7.16. Для получения направленного лучистого пото­ка инфракрасные излучатели надлежит помещать в реф­лектирующие устройства.

7.17. Односторонний нагрев допускается для труб с толщиной стенки до 3—3,5 мм. При большей толщине стенки излучатели следует устанавливать как снаружи, так и внутри трубы.

7.18. Теплоотдача установки с инфракрасным нагре­вом должна регулироваться изменением расстояния меж­ду излучателями или уменьшением подаваемого на ТЭНы напряжения. Для равномерного нагрева инфракрасны­ми излучателями трубы в поле облучения нужно вра­щать со скоростью 3—4 об/мин.

 

 

Рис. 16. Схема формования отбортовки

 

а — положение до формования; б поло­жение по окончании формования; 1 — дорн; 2 — прижимной фланец; 3 — труба; 4 — труба с отбортовкой

 

 

 

 

Рис. 17. Схема формования утол­щенною бурта на конце трубы

 

а — положение до начала формования; б — положение по окончании формования; 1 — труба; 2 — верхняя полуматрица; 3 — нижняя полуматрица; 4 — пуансон; 5 — труба с отформованным утолщенным бур­том

 

7.19. Для поточной обработки труб следует применять конвейерную установку, в которой вращение труб при их поступательном движении вдоль излучателей осуществ­ляется за счет прижимного элемента.

7.20. Нагрев концов труб в воздушных печах следует производить путем подачи потока горячего воздуха на наружную и внутреннюю поверхности труб.

7.21. Отбортовку на трубе следует формовать вдви­гаемым внутрь пуансоном и прижимным фланцем, оформляющим   наружную  поверхность отбортовки (рис. 16).

7.22. Для формования утолщенных буртов следует использовать разъемную пресс-форму (рис.17).

7.23. Гладкий раструб на трубе следует формовать дорном, вдвигаемым в нагретую размягченную трубу. Станки для формования должны иметь упорные кольца для снятия охлажденной трубы с дорна. Калибровку кон­цов труб следует выполнять в цилиндрической гильзе с прижатием стенок труб к гильзе с помощью расположен­ной в ней надуваемой резиновой камеры.

 

Примечание. Допускается формование раструба непосредст­венно трубой со снятой фаской на конце, при этом (для труб из ПВХ) необходимо фиксировать взаимное положение раструба и трубы для сохранения одинакового зазора по периметру склейки.

 

7.24. Для формования раструбов с желобком под ре­зиновое кольцо следует применять механический дорн — подвижной конус, в пазах которого находятся специаль­ные клинья с выступами для формования желобка.

7.25. Вытяжку отростков на трубах надлежит про­изводить в нагретом состоянии при помощи тянущего механизма и пуансона.

7.26. Размеры всех формующих элементов следует назначать с учетом усадки отформованного изделия пос­ле охлаждения.

Рабочие поверхности всех формовочных инструмен­тов должны быть отполированы.

7.27. Поверхность готового изделия должна быть ровной и гладкой. Допускаются незначительные следы от формующего и калибрующего инструмента. На поверх­ности и по торцу трещины и раковины не допускаются.

Разная толщина на раструбах, должна находиться в пределах допусков на толщину стенки грубы.

 

Гнутье труб

 

7.28. Гнутые детали пластмассовых (преимуществен­но из ПВХ) трубопроводов (отводы, утки, скобы, компен­саторы и др.) надлежит изготавливать из труб тех же типов, методом гнутья, в размягченном состоянии на трубогибочных станках или в шаблонах.

7.29. Гнутье труб без наполнителя допускается при отношении толщины стенки к наружному диаметру тру­бы s/Dн не менее 0,06 при радиусе гнутья по оси трубы, равном или более 3,5—4 Dн .

7.30. Температура жидкости в нагревательной ванне для гнутья должна составлять: для труб из ПНП 105±5°С; из ПВП 125±5°С; из ПП 170±5°С; из ПВХ 125±5°С.

При нагреве труб в термошкафах температура возду­ха должна составлять: для труб из ПНП — 135±10°С; из ПВП 150±10°С; из ПП 185±10°С; из ПВХ 160±10°С.

7.31. Время нагрева пластмассовых труб при гнутье приведено в табл. 12.

 

Таблица 12

 

Теплоно-ситель

Мате­риал

Время нагрева труб при гнутье (мин) при толщине стенки труб, мм

 

труб

4

 

6

8

10

12

14

16

18

 

 

ПНП

 

35

 

50

 

70

 

90

 

110

 

130

 

150

 

175

Воздух

ПВП

55

80

105

135

165

195

 

ПП

55

80

105

135

165

 

ПВХ

 

20

25

30

40

 

 

ПНП

 

5

 

7

 

9

 

11

 

13

 

15

 

17

 

19

Глицерин

ПВП

6

8

11

14

17

20

 

ПП

6

8

11

14

17

20

 

ПВХ

 

4

5

6

8

 

7.32. При гнутье на трубогибочных станках зазор между обкатывающим роликом и трубой должен быть не более 10% размера наружного диаметра трубы.

Скорость гнутья должна составлять 2—4 об/мин. При гнутье труб по шаблону (рис. 18) следует принимать: Н ³ 0,7D; b ³ D; R ³ 4D.

7.33. При угле изгиба 90° трубы следует перегибать на 6° для ПНП и на 10° для ПВП и ПП. При других углах изгиба следует рассчитать величину перегиба исходя из указанных выше значений.

Отклонение угла изгиба от заданного не должно пре­вышать ±3°.

 

Рис. 18. Шаблоны для получении гнутых деталей

 

7.34. Охлаждение согнутых труб следует производить сжатым воздухом или водой в фиксированном положе­нии до температуры плюс 28—30° С.

7.35. В качестве наполнителей при гнутье труб следу­ет использовать резиновый жгут, гибкий металлический или резиновый шланг, набитый песком или раздуваемый сжатым воздухом. В отдельных случаях в качестве напол­нителя допускается применять чистый речной песок, нагретый до температуры 100°С. Концы труб после запол­нения песком должны заглушаться пробками.

 

8. Сварка пластмассовых труб

 

8.1. Соединения труб из ПВП, ПНП и ПП должны выполняться при помощи сварки контактным нагревом (стыковой, раструбной).

Стыковая сварка рекомендуется для соединения меж­ду собой труб и фасонных частей наружным диаметром более 50 мм и толщине стенки более 4 мм, раструбная сварка — для труб наружным диаметром до 160 мм и стенками любой толщины.

8.2. При сварке необходимо подбирать трубы и фа­сонные части по партиям поставки. Необходимо обращать основное внимание на размер наружного диаметра трубы и ее эллипсность. При стыковой сварке макси­мальная величина несовпадения кромок не должна пре­вышать 10% номинальной толщины стенки трубы; на­ружный диаметр (или периметр) трубы не должен быть ниже номинального.

Внутренний диаметр раструба фасонных частей дол­жен быть меньше номинального наружного диаметра сва­риваемой трубы в пределах допуска по ОСТ 6-05-367-74.

8.3. При стыковой сварке непосредственно перед на­гревом свариваемые поверхности торцов труб должны подвергаться механической обработке для снятия воз­можных загрязнений и окисной пленки, образовавшейся от воздействия кислорода воздуха и солнечной радиа­ции. После механической обработки между торцами труб, приведенными в соприкосновение с помощью центрирующего приспособления, не должно быть за­зоров, превышающих 0,5 мм для труб диаметром до 110 мм и 0,7 мм — для больших диаметров.

Концы труб при раструбной сварке должны иметь наружную фаску под углом 45° на 1/3 толщины стенки трубы.

8.4. Сварку пластмассовых труб встык в монтажных условиях следует производить, как правило, на свароч­ных установках, обеспечивающих механизацию основ­ных процессов сварки и контроль технологического ре­жима.

Допускается применение ручной сварки в мало-удобных местах (траншеи, туннели, каналы, колодцы, штробы внутри зданий и т.д.) с использованием уст­ройств для торцовки и центровки, а также нагревательных элементов. Нагревательные элементы для сты­ковой сварки должны быть, как правило, электрически­ми. Постоянная температура на рабочей поверхности нагревателя должна поддерживаться терморегулятором или автотрансформатором.

 

Примечание. Для предотвращения налипания расплавленно­го материала при сварке труб из ПВП, ПНП и ПП нагреватель сле­дует покрывать чехлом из теплостойкого антиадгезионного покрытия (стеклоткани, предварительно пропитанной политетрафторэтиленом), пленкой из этого материала или кремнийорганического лака.

 

8.5. При контактной стыковой сварке с применением монтажных  приспособлений подлежат выполнению следующие операции:

установка и центровка труб в зажимном центри­рующем приспособлении;

торцовка труб и обезжиривание торцов;

нагрев и оплавление свариваемых поверхностен;

удаление сварочного нагревателя;

сопряжение разогретых свариваемых поверхностен под давлением (осадка);

охлаждение сварного шва под осевой нагрузкой.

8.6. Основными параметрами процесса стыковой сварки являются: температура рабочих поверхностей нагревателя, продолжительность нагрева, глубина оплавления, величина контактных давлений при оплавленни и осадке (табл. 13). Высота внутреннего и наружного

 

Таблица 13

 

 

Параметр

 

Единица измерения

Величина параметра стыковой сварки пластмассовых труб из

 

 

 

ПНП

 

ПВП

ПП

 

Температура сварки

 

°С

 

190±10

 

220± 10

 

240±10

Давление при нагреве тор­цов труб

кгс/см2

0,5

0,60,8

1

Глубина проплавления кро­мки труб

 

мм

12

1—2

1,5—2

Примерное время нагрева при толщине стенок труб, мм (Твозд = =20°С):

      4

с

 

 

 

35

 

 

 

50

 

 

 

60

      6

 

50

70

80

      8

 

70

90

100

    10

 

85

110

120

    12

 

100

130

150

    14

 

120

160

180

    16 и более

 

160

200

240

Промежуток времени меж­ду окончанием нагрева и соединением оплавленных торцов труб (время техно­логической паузы)

с

23

2—3

1,5—2

Давление осадки

 

кгс/см2

1

2

2,5

Время выдержки под дав­лением (осадка) в зависи­мости от толщины стенки, мм:

     46

мин

 

 

 

34

 

 

 

3—5

 

 

 

35

     712

 

5—8

69

6—10

     13—17

 

 

1015

10—15

1216

 

 


Таблица 14

 

 

Размеры дорна, мм, при раструбной сварке пластмассовых труб

 

Dн, мм

при температуре сварки

при изготовлении (+20° С) на

 

 

 

стали 45

дюралюминия Д16

 

D1

D2

D1

D2

 

D1

D2

 

16

 

16+0,045

 

15,8—0,045

 

16+0,045

 

15,8—0,045

 

15,9+0,045

 

15,7—0,045

20

20+0,045

19,80,045

20+0,045

19,8—0,045

19,9+0,045

19,7—0,045

25

25+0,045

24,8—0,045

24,9+0,045

24,7—0,045

24,8+0,045

24,6—0,045

32

32+0,05

31,7—0,05

31,9+0,05

31,6—0,05

31,8+0,05

31,5—0,05

40

40+0,05

39,7—0,05

39,8+0,05

39,50,05

39,7+0,05

39,4—0,05

50

50+0,06

49,70,06

49,8+0,06

49,5—0,06

49,7+0,06

49,4—0,06

63

63+0,06

62,7—0,06

62,8+0,06

62,5—0,06

62,6+0,06

62,3—0,06

75

75+0,06

74,6—0,06

74,8+0,06

74,4—0,06

74,5+0,06

74,1—0,06

90

90+0,07

89,5—0,07

89,7+0,07

89,2—0,07

89,4+0,07

88,9—0,07

110

110+0,07

109,40,07

109,7+0,07

109,1—0,07

109,3+0,07

108,7—0,07

140

 

140+0,08

139,3—0,08

139,6+0,08

138,9—0,08

139,2+0,08

138,50,08

 

Примечание. Длину дорна l следует принимать равной глубине раструба фасонной части плюс 1 мм, а глубину гильзы — равной длине дорна.


 

валиков после сварки должна быть не более 2—2,5 мм при толщине стенки трубы до 5 мм и не бо­лее 3—5 мм при толщине стенок 6—20 мм.

8.7. Для соединения труб из ПНП с раструбными фасонными частями и труб из ПНП, ПВП нПП с фор­мованными раструбами следует применять контакт­ную раструбную сварку, которая осуществляется при помощи металлического нагревательного приспособле­ния, состоящего из гильзы для оплавления наружной поверхности конца трубы и дорна для оплавления внутренней поверхности раструба (рис. 19).

 

 

 

Рис.  19.  Приспособление для контактной раструбной сварки     полиэтиленовых труб и фасонных частей

 

а — положение до начала свар­ки; б положение после сварки; 1 — труба; 2 — ограничительный хомут, 3 — гильза приспособления; 4 — дорн приспособления; 5 — раструб фасонной части

 

Размеры дорна при раструбной сварке пластмассо­вых труб приведены в табл. 14.

Для каждого диаметра труб и фасонных частей тре­буются отдельное приспособление или съемный комп­лект гильз и дорнов, изготовляемых из стали марки 45 или дюралюминия марки Д16.

8.8. Контактная раструбная сварка включает сле­дующие операции:

установку ограничительного хомута на расстоянии от торца трубы до края хомута, равном глубине раструба фасонной части плюс 2 мм. При этом внутренний ди­аметр хомута должен приниматься на 0,2 мм меньше номинального наружного диаметра свариваемой трубы;

установку раструба на дорне;

установку гладкого конца трубы в гильзе до упора в ограничительный хомут;

нагрев в течение заданного времени свариваемых деталей, одновременное снятие деталей с дорна и гиль­зы;

соединение деталей между собой с выдержкой до отвердения оплавленного материала.

При сварке поворот деталей относительно друг друга после сопряжения деталей не допускается.

После каждой сварки необходима очистка рабочих поверхностей дорна и гильзы от налипшего полиэтиле­на или пропилена.

8.9. Основные параметры, определяющие прочность раструбного сварного соединения, — температура нагре­вательных элементов и продолжительность нагрева де­талей — приведены в табл. 15.

 

Таблица 15

 

 

Материал

Параметры раструбной сварки пластмассовых труб

 

 

Промежуток 

труб и  фасонных частей

Темпера­тура нагрева-тельных

Продолжительность нагрева (в с) при

толщине стенок труб, мм

времени  меж­ду снятием деталей и их 

 

эле­ментов, °С

2

3

4

6

8

12

сопряжением, с

1

2

3

4

5

б

7

8

9

 

ПНП

 

260—290

 

36

 

4—8

 

5—10

 

6—12

 

8—15

 

15—20

 

1—2

ПВП

220—250

45

8—12

10—15

12—20

15—30

20—45

1—2

ПП

 

240—260

5—8

8—12

12—15

15—30

30—45

4550

1—2

 

Примечание. Время выдержки под осевой нагрузкой до ча­стичного отвердения материала должно составлять примерно 2030 с.

 

8.10. При производстве сварочных работ должны обеспечиваться прочность и плотность сварных стыков.

Проверка качества сварных соединений трубопро­водов должна производиться путем:

проверки размеров сопрягаемых деталей и разме­ров рабочих элементов нагревателя, осуществляемой до начала сварочных работ, а также рабочего состоя­ния применяемых при сварке приспособлений;

операционного контроля, осуществляемого в про­цессе сборки и сварки трубопроводов;

внешнего осмотра сварных стыков;

испытания на одноосное растяжение (отдир) и из­гиб.

8.11. Операционный контроль должен предусматри­вать:

проверку надлежащей подготовки сварочных работ, очистку поверхностей труб и фасонных частей от за­грязнений, влаги и т.д.;

контроль технологии сварки (температура нагрева­теля, продолжительности нагрева деталей и т.д.).

8.12. Внешнему осмотру подлежат все сварные стыки для выявления:

перекосов в соединении;

перегрева материала стенок свариваемых деталей;

зон непровара (пустот) между сваренными деталя­ми;

недостаточного или слишком значительного .валика, а также несимметричности и неравномерности его по периметру (у соединений, полученных стыковой свар­кой).

Внешний вид сварных соединений должен удовлет­ворять следующим требованиям:

отклонение величины углов между осевыми линиями трубопровода и фасонной части в месте стыка не долж­но превышать 10°;

наружная поверхность раструбов фасонных частей, сваренных с трубами, не должна иметь трещин, скла­док или других дефектов, вызванных перегревом дета­лей;

у кромки раструба фасонной части, сваренной с тру­бой, должен быть виден сплошной (по всему перимет­ру) валик оплавленного материала, слегка выступаю­щий за торцовую поверхность раструба и наружную поверхность трубы;

наружный валик сварного шва должен быть сим­метричным и равномерно распределенным по ширине и всему периметру трубы; высота валика должна быть не более 2,5 мм для труб с толщиной стенки до 10 мм и 3—4 мм для труб с толщиной стенки более 10 мм, а смещение кромок сварного соединения не должно пре­вышать 10% номинальной толщины стенки сваривае­мой трубы.

8.13. С целью настройки сварочного оборудования, а также уточнения технологических параметров сварки следует производить механические испытания образцов, вырезанных из сварных швов. Испытания сварных об­разцов производят по истечении 24 ч после сварки и 16 ч после вырезку линейных образцов.

8.14. Сварные стыковые соединения испытываются на статический изгиб и растяжение. Сварные соедине­ния в раструб испытываются на отдир.

Для испытания сварных соединений на статический изгиб и на отдир стыки разрезают по оси трубы на по­лоски со сварным швом или сварной муфтой посередине.

Размеры сварных образцов для испытания на изгиб или отдир приведены в табл. 16.

 

Таблица 16

 

Толщина стенки

Размеры образцов для испытания, мм

трубы s, мм

 

ширина

длина

 

До 10 включительно

 

10

 

40s + 200

Более 10

 

15

40s + 200

 

8.15. Испытывать образцы на статический изгиб ре­комендуется по схеме, показанной на рис. 20. Изгиб осуществляется за 3—5 с. Полный условный угол из­гиба a определяют как сумму углов 2b и 2g. При хо­рошем качестве сварного шва не менее 80% испыты­ваемых образцов не должно разрушаться при изгибе на полный условный угол a = 180°.

8.16. При испытании на отдир образец зажимается на 1/31/2 длины сварного соединения, после чего производится изгиб свободной части образца на отдир трубы от раструба фасонной части и на отдир раструба фасонной части от трубы.

При этом сварные соединения не должны рассла­иваться по линии соединения сварного шва.

 

Рис. 20. Схема ис­пытания   пластмас­совых труб на ста­тический изгиб

 

1—сварной    образец; 2 — шкала угломера; 3 — деревянное ребро

 

8.17. Испытания на растяжение следует производить на разрывных машинах, обеспечивающих измерение и отсчет нагрузки при растяжении с точностью не менее 1 % измеряемой величины. Скорость перемещения за­жимов разрывной машины должна составлять 50 мм/ /мин. Методы обработки результатов механических ис­пытаний должны приниматься согласно ГОСТ 14359—69*.

8.18. Линейные образцы (лопатки) для испытания на растяжение для труб диаметром 50 мм и более долж­ны иметь форму и размеры в соответствии с ГОСТ 11262—76. При этом валик шва с обеих сторон не сни­мается. При меньшем диаметре на растяжение испыты­ваются трубные образцы длиной 235±1 мм со сварным соединением посередине.

Перед началом испытания следует производить из­мерение ширины и толщины образца с обеих сторон сварного шва с точностью до 0,1 мм. Для расчета принимается минимальная величина поперечного сече­ния образца.

8.19. При работе на открытом воздухе место сварки следует защищать от атмосферных осадков и пыли.

Контактную сварку труб следует проводить при температуре окружающего воздуха не ниже: минус 10° С — для ПНП и ПВП; 0° С — для ПП.

При более низких температурах сварку надлежит осуществлять в утепленный укрытиях.

В случае выхода конца трубы за пределы укрытия на трубы следует устанавливать съемные заглушки.

8.20. Соединение труб из ПВХ может выполняться при помощи газовой прутковой сварки (стыковой, рас­трубной).

Как правило, газовая прутковая сварка должна применяться при изготовлении сварных фасонных час­тей из трубных заготовок.

8.21. Для газовой прутковой сварки применяются электрические или газовые (прямого и косвенного на­грева) горелки, обеспечивающие нагрев газа-теплоно­сителя (воздуха или азота) в требуемых температурных пределах. Электрические горелки должны иметь мощность электронагревательных элементов 300—600 Вт и быть рассчитаны на работу при давлении воздуха 0,015—0,06 МПа (0,15—0,6 кгс/см2) и расходе до 5 м3/ч.

8.22. Для сварки труб из ПВХ должен применяться сварочный пруток по МРТУ 6-05-1160-69 «Прутки сварочные из винипласта» (одинарный — диаметр 3 мм и сдвоенный сложного профиля — 6Х3 мм).

Число валиков сварочного прутка, необходимых для заполнения шва, зависит от величины шва и диаметра сварочного прутка.

8.23. Перед газовой прутковой сваркой соединений встык следует производить снятие фаски на концах соединяемых деталей на 1/3 толщины стенки под углом 25—30° при толщине стенки до 6 мм и под углом 35 45° при толщине стенки более 6 мм.

8.24. При сварке должны соблюдаться следующие условия:

температура воздуха у сопла горелки должна быть равна 230—270° С;

 

Рис. 21. Порядок укладки сварочных прутков в шов

 

а — при стыковом соединении, б — при соединении в раструб

 

нагрев свариваемых поверхностей должен произво­диться равномерно до появления на поверхности мел­ких пузырьков и небольшой волны расплавленной мас­сы прутка и основного материала;

сварочный пруток нагревается до более высокой температуры, чем соединяемые, поверхности;

угол наклона прутка при подаче его в шов должен быть равен 90°;

сила вдавливания прутка в шов должна составлять 14—16 Н (1,4—1,6 кгс) для одинарного сварочного прутка 3 мм и 24—26 Н (2,4—2,6 кгс) для сдвоенного прутка сложного профиля 6Х3 мм;

расстояние от наконечника горелки до свариваемых поверхностей должно быть равно 5—10 мм;

угол наклона наконечника горелки к поверхности сварного шва должен быть равен 2045°;

правильное распределение тепла осуществляется за счет непрерывного покачивания сопла-горелки и подачи струи горячего воздуха попеременно на пруток и сва­риваемые поверхности;

корень шва должен быть проведен одинарным прут­ком диаметром 3 мм;

средняя скорость укладки сварочного прутка диа­метром 3 мм должна составлять 12—15 м/ч;

для обеспечения равномерного распределения напряжений в шве укладку прутков в соединении следует выполнять в последовательности, показанной на рис. 21;

вытяжка сварочного прутка, уложенного в шов, не должна превышать 20%.

8.25. Механические испытания образцов на растя­жение, в соответствии с пп. 8.17 и 8.18, следует про­изводить в случаях, указанных в п. 8.13.

 

Примечание. Допускаемое давление в трубопроводе из ПВХ при наличии сварных фасонных частей следует принимать не более 50% от номинального для применяемого типа трубы.

 

8.26. При работе на открытом воздухе следует руко­водствоваться п. 8.19, температура окружающего воз­духа при сварке ПВХ должна быть не ниже +5° С.

 

9. Изготовление сварных фасонных деталей

 

9.1. Применение сварных фасонных частей из труб (отводов, колен, тройников, крестовин и переходных тройников) допускается при отсутствии соответствую­щих частей, изготовленных методом литья.

 

 

Рис. 22. Схема про­цесса   изготовления фасонных частей контактной    стыковой сваркой

 

а — отводов и колен, б — тройников;   в — кресто­вин

 

9.2. Фасонные части для труб из ПВП, ПНП и ПП следует изготовлять контактной стыковой сваркой, а для труб из ПВХ — газовой прутковой сваркой.

9.3. Технология изготовления отводов, колен, трой­ников и крестовин для труб из ПВП, ПНП и ПП кон­тактной стыковой сваркой включает следующие опера­ции (рис. 22):

резку труб на заготовки;

очистку концов труб от загрязнений и торцовку;

сварку (отводов и колен);

отрезку вершины угольника (для тройников и крес­товин);

сварку (тройников и крестовин);

9.4. Для изготовления фасонных частей контактной стыковой сваркой следует применять специальное обо­рудование и приспособления, обеспечивающие правиль­ное взаимное расположение деталей, при этом должны соблюдаться требования, изложенные в п. 8.3.

Для торцовки следует использовать двустороннюю фрезу, снабженную сменными резцами.

9.5. При изготовлении тройников и крестовин отре­зать вершину сваренного угольника и приваривать к нему трубу или сваривать угольники между собой необходимо после полного остыва­ния предыдущего сварного шва. При отрезке вершины уголь­ника линию реза необходимо смещать на 2—2,5 мм от точки пересечения осей в сторону вершины угольника (рис. 23) для компенсации осадки труб при оплавлении и сварке.

9.6. Сварные отводы, как правило, должны иметь от од­ного до трех секторов. Радиус кривизны сварного отвода дол­жен составлять 1—1,5 наруж­ного диаметра трубы.

 

Рис. 23. Отрезка вершин угольника при изготов­лении тройников и крес­товин

 

1 — линия реза; 2 — вершина угольника

 

9.7. Переходные тройники для труб из ПВП, ПНП и ПП изготовляют, приваривая контактной сваркой к горловине (полученной методом формования вытяжкой) ответвление.

Ответвление следует приваривать к горловине не раньше чем через 8 ч после ее формования.

Указанные переходные тройники применяют при температуре транспортируемой среды не выше 30°С.

9.8. Размеры фасонных частей, изготовляемых контактной стыковой сваркой из труб ПВП, ПНП и ПП, приведены в прил. 11—13.

9.9. Технология изготовления отводов, колен, тройников и крестовин для труб из ПВХ газовой прутковой сваркой включает следующие операции:

резку труб на заготовки;

подготовку деталей под сварку (аналогично подготовке деталей для металлических труб) с учетом п. 8.22;                      

газовую прутковую сварку.

9.10. Нормативная документация на фасонные части, изготовляемые из труб ПВХ методом газовой прутковой сварки, приведена в прил. 13.

9.11. При отсутствии специальных требований к ис­пытанию сварных фасонных частей режимы их испыта­ния должны соответствовать режимам испытания всего трубопровода.

 

10. Склеивание труб из ПВХ

 

10.1. Трубы из ПВХ между собой и с фасонными частями должны склеиваться враструб. Длину нахлест­ки клеевых соединений, а также потребность в мате­риалах для склеивания труб и фасонных деталей из ПВХ (на 100 соединений) следует принимать в соот­ветствии с табл. 17.

 

Таблица 17

 

 

Наружный диаметр,

 

Длина нахлестки,

Расход метиленхлорида для очистки и обезжиривания соединения

 

Расход клея для соеди­нения с литыми фасонными

мм

 

мм

л

кг

деталями, кг

 

16

 

14

 

0,2

 

0,26

 

0,32

20

16

0,25

0,32

0,4

25

19

0,3

0,4

0,5

32

22

0,4

0,5

0,64

40

26

0,6

0,75

1

50

31

0,75

1

1,6

63

38

0,95

1,25

2,5

75

44

1

1,35

3,3

90

51

1,2

1,6

4,5

110

 

61

1,45

1,9

6,3

 

10.2. Для получения клеевых соединений труб из ПВХ между собой и с фасонными частями следует применять: клеи, не заполняющие зазоры (при разнос­ти диаметров склеиваемых элементов DD до 0,1 мм), с предварительной калибровкой склеиваемых концов труб; зазорозаполняющие клеи (DD до 0,6 мм), не тре­бующие предварительной калибровки концов труб.

10.3. Для склеивания труб и фасонных частей из ПВХ без зазора между склеиваемыми поверхностями рекомендуются следующие составы клея (в частях по массе): а) перхлорвиниловая смола — 14—16; метиленхлорид — 86—84; б) перхлорвиниловая смола — 14—16; метиленхлорид — 76—72; циклогексанон — 10—12.

При склеивании труб диаметром более 100 мм, а так­же при склеивании труб различных диаметров при по­вышенной температуре (более 25°С) и повышенных скоростях движения воздуха в зоне монтажа следует применять второй состав клея.

10.4. При приготовлении клея, не заполняющего зазоры, в монтажных условиях объемное соотношение метиленхлорида и неуплотненной перхлорвиниловой смолы принимается равным 1 : 1.

10.5. В состав зазорозаполняющего клея должны входить тетрагидрофуран (растворитель ПВХ), поливинилхлоридная смола, окись кремния.

 

Примечание. Из клеев отечественного производства в каче­стве зазорозаполняющего может быть использован клей ГИПК-127 (ТУ 6-05-251-95-79).

 

10.6. Склеивание труб и фасонных частей из ПВХ состоит из следующих операций: подготовки концов труб и раструбов под склеивание; склеивания, отверждения соединений.

10.7. Подготовка концов труб и раструбов должна предусматривать:

шероховатость склеиваемых поверхностей и обез­жиривание их органическими растворителями — при склеивании без зазора;

обезжиривание — при склеивании с зазором.

10.8. Шероховатость внутренней поверхности раст­руба и наружной поверхности калиброванного конца трубы обеспечивается применением  шлифовальной шкурки с крупностью абразивного зерна № 10-16.

10.9. Для обезжиривания склеиваемых поверхнос­тей труб и фасонных частей следует применять мети­ленхлорид.

10.10. Перед склеиванием без зазора должна прове­ряться плотность сопряжения деталей, в зависимости от которой склеивание производится одним или двумя слоями клея.

10.11. При склеивании без зазора клей следует на­носить на две трети глубины раструба и на всю длину калиброванного конца равномерным тонким слоем. При склеивании с зазором клей следует наносить тонким слоем на раструб и толстым слоем на конец трубы в осевом направлении.

10.12. Лишний клей, вытесняемый из пространства между склеиваемыми поверхностями, должен немед­ленно удаляться.

10.13. Банки с клеями и сосуды с растворителями должны иметь герметичные крышки и пробки.

10.14. Склеенные стыки в течение 5 мин не должны подвергаться механическим воздействиям. Склеенные узлы и плети перед монтажом должны выдерживаться не менее 2 ч. Гидравлические испытания трубопровода следует осуществлять не ранее 24 ч после склеивания.

10.15. Склеивание труб и фасонных частей из ПВХ должно производиться  при температуре не ниже + 5°С. Место, где выполняются клеевые работы, долж­но быть защищено от ветра и атмосферных осадков.

 

11. Прокладка подземных трубопроводов

 

Земляные работы

 

11.1. Земляные работы следует производить в соот­ветствии с требованиями глав СНиП по производству работ по земляным сооружениям и наружным сетям и сооружениям водоснабжения, канализации и теплоснаб­жения.

 

Примечание. Грунт в основании под пластмассовой трубой и для присыпки не должен содержать кирпича, камня и щебня.

 

11.2. При обратной засыпке пластмассовых трубо­проводов над верхом трубопровода следует предусмат­ривать защитный слой толщиной 30 см из мягкого местного грунта, не содержащего твердых включений (щебня, камней, кирпичей и т.д.).

При этом применение ручных и механических трамбовок непосредственно над трубопроводом не допуска­ется.

 

Примечания: 1. При устройстве защитного слоя места соеди­нений трубопровода следует оставлять незасыпанными.

2. В зимнее время устройство защитного слоя должно произво­диться незамерзшим грунтом.

 

Монтажные работы

 

11.3. Перед укладкой трубы из ПВП, ПНП, ПП, ПВХ должны подвергаться тщательному осмотру с целью обнаружения трещин, подрезов, рисок и других механических повреждений глубиной более 5% толщи­ны стенки. При обнаружении дефектов трубы отбраковываются. Овальность пластмассовых труб при укладке канализационных сетей не должна превышать 0,02 диа­метра трубы.

11.4. Количество раскладываемых вдоль траншеи труб должно определяться сменной выработкой.

В зимний период при температуре воздуха ниже 0° С монтаж трубопроводов из ПП и ПВХ следует произво­дить в траншее. Монтаж водопроводов из ПП и ПВХ труб (включая сборку соединений на резиновых коль­цах) следует производить при температуре воздуха не ниже минус 10° С.

11.5. Монтаж пластмассовых водопроводов в про­цессе совмещенной прокладки следует производить только после окончания монтажных и изоляционных ра­бот по стальным трубопроводам теплоснабжения, горячего водоснабжения и электрокабелям, проклады­ваемым в грунте, туннелях или каналах.

11.6. Сваренные или склеенные плети сбрасывать в траншею не допускается.

11.7. Соединения (сварка, склеивание, на резиновых кольцах) труб в траншее следует производить методом наращивания.

Соединение напорных раструбных труб из ПВХ ре­комендуется выполнять в траншее по следующей тех­нологии:

очистка от грязи и масел гладкого конца одной трубы и раструба другой;

нанесение на гладком конце трубы карандашом или мелом метки, обозначающей глубину вдвигания конца трубы в раструб;

помещение профильного резинового кольца в паз раструба;

смазка гладкого конца трубы и резинового кольца и раструбе (для смазки можно использовать жидкое мыло или мыльный раствор);

вдвигание гладкого конца в раструб до метки.

Сборку раструбных соединений труб из ПВХ диа­метром до 110 мм рекомендуется осуществлять вруч­ную. Для труб большего диаметра необходимо исполь­зовать натяжные монтажные приспособления.

11.8. Для уменьшения напряжении в напорном тру­бопроводе, вызываемых температурными изменениями (в случае укладки при температурах более плюс 10° С), следует предусматривать:

укладку трубопровода «змейкой»;

заполнение трубопровода холодной водой перед за­сыпкой;

засыпку трубопровода в наиболее холодное время суток.

11.9. Монтаж узлов в колодцах должен произво­диться одновременно с прокладкой трубопровода.

Присоединение   пластмассового   трубопровода к фланцам, предварительно установленным и прикреп­ленным к днищу или стенкам колодца, металлических фасонных частей и арматуры (без затяжки болтов), следует производить перед засыпкой защитного слоя.

Окончательная затяжка болтов производится не­посредственно перед гидравлическим испытанием.

11.10. Перед укладкой пластмассового канализаци­онного трубопровода дно траншеи должно быть спла­нировано по уклону. Трубопровод, уложенный на дно траншеи, должен выравниваться по оси (в вертикаль­ной плоскости) и закрепляться путем подбивки и под­сыпки грунтом с последующим уплотнением.

 

Испытание напорных трубопроводов

 

11.11. Испытание напорных пластмассовых трубопро­водов надлежит производить на прочность и плотность (герметичность) гидравлическим способом в соответст­вии с требованиями настоящего подраздела.

Допускается испытание напорных пластмассовых трубопроводов пневматическим способом, при этом порядок проведения работ и требования безопасности уста­навливаются проектом.

11.12. Величина предварительного испытательного (избыточного) гидравлического давления на прочность, выполняемого до засыпки траншеи и установки армату­ры (гидрантов, предохранительных клапанов, вантузов), должна быть равна расчетному рабочему давлению для данного типа труб с коэффициентом 1,5.

Величина окончательного испытательного гидравли­ческого давления на плотность, выполняемого после за­сыпки траншеи и завершения всех работ на данном участке трубопровода, но до установки гидрантов, предохранительных клапанов и вантузов, вместо которых на время испытания устанавливаются заглушки, должна быть равна расчетному рабочему давлению для данного типа труб с коэффициентом 1,3.

11.13. Трубопровод из пластмассовых труб со стыко­выми соединениями и соединительными деталями следу­ет подвергать испытанию участками длиной не более 0,5 км, а трубопровод из полиэтилена без стыковых со­единений — участками длиной до 1,5 км.

11.14. До проведения испытания напорных пластмас­совых трубопроводов с раструбными соединениями, уплотняемыми резиновыми кольцами, по торцам трубо­провода и на отводах необходимо устраивать временные или постоянные упоры. Значения продольных усилий, возникающих при испытании трубопроводов, приведены в табл. 18.

 

Таблица 18

 

Участок тру-бопровода

Наружный диаметр трубопровода, мм

 

 

63

75

90

110

140

160

225

280

315

 

Прямой

 

0,47

 

0,66

 

0,95

 

1,42

 

2,31

 

3,01

 

5,96

 

 9,23

 

11,68

Отвод угол 90°

0,66

0,94

1,35

2,02

3,26

4,26

8,43

13,1

16,5

То же, 45°

(135)

0,36

0,51

0,73

1,1

1,77

2,31

4,56

7,1

8,94

То же, 30°

(150)

 

0,24

0,34

0,49

0,74

1,2

1,56

3,1

4,8

6,5

 

11.15. Предварительное гидравлическое испытание напорных пластмассовых трубопроводов следует произ­водить в следующем порядке:

трубопровод заполнить водой и выдержать без дав­ления в течение 2 ч;

в трубопроводе создать испытательное давление и поддерживать его в течение 0,5 ч;

испытательное давление снизить до расчетного рабо­чего и произвести осмотр трубопровода. Выдержка тру­бопровода под рабочим давлением производится не ме­нее 0,5 ч.

Ввиду деформации оболочки трубопровода необхо­димо поддерживать в трубопроводе испытательное пли рабочее давление подкачкой воды.

11.16. Напорный пластмассовый трубопровод счита­ется выдержавшим предварительное гидравлическое ис­пытание, если под испытательным давлением не обна­ружено разрывов труб или стыков и фасонных деталей, а под рабочим давлением — не обнаружено видимых утечек воды.

11.17. Проведение окончательных гидравлических ис­пытаний на плотность напорных пластмассовых трубо­проводов необходимо начинать не ранее чем через 48 ч с момента засыпки траншеи и не ранее чем через 2 ч после заполнения трубопровода водой.

11.18. Окончательное гидравлическое испытание на плотность проводится в следующем порядке:

в трубопроводе следует создать давление, равное рас­четному рабочему давлению для данного типа труб, и поддерживать его 2 ч; при падении давления на 0,02 МПа (0,2 кгс/см2) производится подкачка воды;

давление поднимают до уровня испытательного за период не более 10 мин и поддерживают его в течение 2 ч.

При падении давления в этот период на 0,02 МПа (0,2 кгс/см2) производится подкачка воды. После этого замеряется утечка воды путем замера количества воды, добавленного для поддержания испытательного дав­ления.

11.19. Напорный пластмассовый трубопровод счита­ется выдержавшим окончательное гидравлическое испы­тание на плотность, если при испытательном давлении фактическая утечка воды из трубопровода не будет пре­вышать допустимых величин, указанных в табл. 19.

11.20. Гидравлические испытания канализационных сетей из пластмассовых труб следует производить дважды:

 

Таблица 19

 

 

 

Наружный диа­метр

Допустимая величина утечки на участок трубопровода длиной 1 км, л/мин

 

труб, мм

Для труб из ПВП, ПНП, ПП и ПВХ с неразъемными (свар­ными, клеевыми) соединения­ми

для труб из ПВХ с раструбными соединениями и резиновыми кольцами

 

6375

 

0,2—0,24

 

0,3—0,5

90—100

0,26—0,28

0,6—0,7

125—140

0,35—0,38

0.9—0,95

160—180

0,42—0,5

1,06—1,2

200

0,56

1,4

250

0.7

1,55

280

0,8

1,6

315

0,85

1,7

355

0,9

1,8

400—450

1,0—1,05

1,952,1

500—560

1,1—1,15

2,2—2,3

630

 

1,2

2,4

 

без колодцев (предварительное) и совместно с ко­лодцами (окончательное).

 

Примечание. При колодцах, не имеющих внутренней и наружной гидроизоляции испытание трубопроводов совместно с колод­цами не проводится.

 

11.21. Предварительные испытания трубопроводов канализации следует производить участками между ко­лодцами выборочно по указанию заказчика (один из пяти участков). Если результаты выборочного испытания неудовлетворительны, то испытаниям подлежат все участки трубопровода.

Предварительные испытания следует проводить при незасыпанной траншее под гидравлическим давлением 0,05 МПа (0,5 кгс/см2) с выдержкой в течение 15 мин.

 

Примечания: 1. При отсутствии видимых утечек воды в сты­ковых соединениях по падению давления допускается поддерживать испытательное давление подкачкой воды.

2. При проведении предварительного испытания концы трубопровода в колодцах следует закрывать заглушками.

 

11.22. Окончательное испытание трубопровода кана­лизации совместно с колодцами также следует произво­дить выборочным порядком (два смежных из пяти участков). При этом испытывают два смежных участка с промежуточным колодцем и колодцами по концам тру­бопровода. Участок для окончательных испытаний выби­рается по указанию заказчика. При окончательном ис­пытании на плотность гидравлическое давление создает­ся заполнением водой верхнего колодца (концы неиспытываемых участков трубопровода в верхнем и нижнем колодцах закрывают заглушками). Испытываемый учас­ток трубопровода признается выдержавшим испытание на плотность, если величина утечки будет меньше или равна допускаемой величине утечки через стенки и днище колодцев на 1 м их глубины, соответствую­щей допускаемой величине утечки, принимаемой на 1 м длины бетонных и железобетонных труб, диаметр ко­торых равен внутреннему диаметру колодцев согласно табл. 15 главы СНиП по наружным сетям и сооружени­ям водоснабжения и канализации.

 

12. Монтажные работы при устройстве

 внутренних сетей

 

12.1. Монтаж внутренних сетей, как правило, должен выполняться из укрупненных узлов и блоков.

 

Примечание. В отдельных случаях допускается монтаж уз­лов систем внутренних трубопроводов по месту.

 

12.2. До начала монтажа должна быть обеспечена максимальная строительная готовность (установлены все крепления, футляры в перекрытиях и стенах, оштукату­рены стены и т.п.), а также закончены все электрогазо­сварочные работы.

12.3. Места соединения трубопроводов следует рас­полагать на расстоянии не менее 50 мм от крепления.

12.4. При сборке фланцевых соединений трубопрово­дов запрещается устранение перекоса фланцев путем не­равномерного натягивания болтов и устранение зазоров между фланцами при помощи клиновых прокладок и шайб.

12.5. Санитарно-технические кабины и блоки с пласт­массовыми трубами должны быть снабжены маркировочными бирками или иметь маркировочные знаки.

12.6. Санитарно-технические кабины должны хра­ниться в рабочем положении на спланированных пло­щадках, установленными на деревянные подкладки, при этом выступающие вниз детали пластмассовых труб должны находиться на расстоянии не менее 2 см от по­верхности основания, на котором установлены кабины.

12.7. При монтаже трубопроводов следует соблюдать:

расстояние между креплениями;

требуемые по проекту расстояния (в свету) между пластмассовыми трубами и трубами отопления и горя­чего водоснабжения;                

плотное прилегание к опорам пластмассовых труб;

технологию выполнения соединений.

12.8. При скрытой прокладке пластмассовых трубо­проводов внутренняя поверхность люков или щитов, за­крывающих борозды или каналы, не должна иметь ост­рых выступов, гвоздей и т. п.

12.9. Борозды или каналы следует закрывать после гидравлического испытания трубопровода при наличии в нем рабочего давления, чтобы убедиться в отсутствии повреждений трубопровода при заделке.

12.10. При сборке резьбовых соединений пластмас­совые накидные гайки должны быть навернуты на всю длину резьбы гайки, при этом должна быть соблюдена соосность металлических и пластмассовых деталей. По­верхность резьбы металлической детали должна быть ровной, чистой и без заусенцев.

12.11. Затяжку накидных гаек следует производить специальными ключами. Применение газовых ключей не допускается.

12.12. Пластмассовые накидные гайки, снятые с ме­таллических деталей в процессе монтажных или ремонт­ных работ, применять вторично, как правило, не допус­кается.

12.13. Число соединений пластмассовых труб должно быть минимальным.

12.14. Трубы и плети трубопроводов должны уклады­ваться на спланированную и ровную поверхность, не со­держащую осколков стекла, острых камней, щебня и т. п.

12.15. Гидравлическое   испытание  трубопровода следует проводить при положительной температуре окру­жающей среды не ранее чем через 24 ч после выполне­ния последнего клеевого соединения и не ранее чем че­рез 2 ч после выполнения последнего сварного соедине­ния.

12.16. Величину испытательного давления в наиболее пониженной точке напорного трубопровода следует при­нимать равной для труб типа: Т — 1,5 МПа (15 кгс/см2); С — 0,9 МПа (9 кгс/см2); СЛ — 0,6 МПа (6 кгс/см2); Л — 0,38 МПа (3,8 кгс/см2).

12.17. Гидравлическое испытание следует произво­дить после заполнения трубопровода водой и проверки отсутствия в нем воздуха выдержкой под испытательным давлением не менее 30 мин и внешним осмотром трубо­провода. Для трубопроводов из ПВП и ПНП давление в период испытания и осмотра трубопровода следует под­держивать на заданном уровне [с отклонением не более 0,05 МПа (0,5 кгс/см2)]. Трубопровод считается выдер­жавшим испытание, если не будет обнаружено течи или других дефектов.

12.18. Монтаж   трубопроводов   производственных сточных вод производится с соблюдением требований, аналогичных указанным в пп. 12.7, 12.14—12.16.

12.19. При монтаже систем бытовой канализации при соединении гладких концов чугунных деталей с пласт­массовыми трубами или гладкого конца пластмассовой трубы с чугунным раструбом на резиновом кольце сле­дует использовать чугунные детали без наплывов и ра­ковин на рабочих поверхностях.

12.20. Конопатки и чеканки при заделке стыков прядью и цементным раствором должны иметь гладкую поверхность и скругленные кромки. В процессе работы не должны наноситься удары по пластмассовым деталям.

12.21. При установке санитарно-технических кабин на междуэтажные перекрытия пластмассовые канализа­ционные трубы должны соединяться между собой при строгом соблюдении соосности стояков. Соединение меж­дуэтажных вставок со смежными деталями следует осу­ществлять с помощью резиновых колец.

Соединение канализационных труб и фасонных частей следует производить с использованием приспособлений типа цепных ключей с зажимными устройствами, снаб­женными резиновыми прокладками и обеспечивающими сохранность и плавное перемещение пластмассовых де­талей.

12.22. Для монтажа пластмассовых сифонов, перели­вов и выпусков следует применять торцовые и накидные ключи.

12.23. Монтаж водосточных стояков из ПВП и ПВХ следует производить по схеме «снизу вверх».

12.24. Расставленные по высоте здания в несколько наклонном положении трубы должны опираться на специальные подкладки или междуэтажные перекрытия. Вставлять трубы в раструбы до их соединения не следует.

12.25. При использовании бухт для водосточных стоя­ков готовую плеть наматывают на барабан, который должен иметь небольшую конусность.

12.26. После намотки бухту необходимо закрепить эластичными (веревочными, стальными, пластинчатыми или др.) хомутами не более чем через 1,5 м по длине ок­ружности.

При намотке труб среднелегкого типа без промежу­точных сварных соединений диаметр барабана должен быть — для труб: Dн = 75 мм — 2 м; Dн = 90 мм — 2,5 м; Dн =110 мм — 2,8 м.

При изготовлении бухт-стояков сварной конструкции из труб Dн = 75 и 90 мм среднелегкого типа диаметр ба­рабана определяют по данным, приведенным в табл. 20.

 

Таблица 20

 

 

Наружный диаметр труб, мм

Рекомендуемый диаметр барабана для намотки труб (в м)

при температуре воздуха в процессе намотки, °С

 

 

выше 10 °С

от плюс 10 до 0 °С

от 0 до минус 10 °С

 

75

 

2,2

 

2,5

 

2,8

90

 

2,7

2,9

3,2

 

12.27. Гидравлические испытания систем внутренних водостоков осуществляют путем заполнения их водой на всю высоту стояков. Испытания проводят после наруж­ного осмотра трубопроводов и устранения видимых де­фектов. Гидравлическое испытание склеенных трубопро­водов следует начинать не ранее чем через 24 ч после выполнения последней склейки. Система водостоков счи­тается выдержавшей испытание, если по истечении 20 мин после ее наполнения при наружном осмотре тру­бопроводов не обнаружено течи или других дефектов, а уровень воды в стояках не понизился.

12.28. Заделку штраб, коробов и отверстий в меж­дуэтажных перекрытиях следует выполнять после окон­чания всех работ по монтажу и испытанию трубопро­водов.

 

 

ПРИЛОЖЕНИЕ 1

 

СОРТАМЕНТ НАПОРНЫХ ТРУБ

ИЗ ПНП ПО ГОСТ 18599—73*

 

Наружный диаметр, мм

Легкий тип Л, толщина стенки, мм

 

Масса 1 м, кг

Средне-легкий тип СЛ, толщина стенки, мм

 

Масса 1 м, кг

Средний тип С, толщина стенки, мм

 

Масса 1 м, кг

Тяжелый тип Т, толщина стенки, мм

 

Масса 1 м, кг

 

10

 

 

 

 

 

 

 

2

 

0,05

12

2

0,062

16

2

0,088

2,7

0,111

20

2

0,113

3,3

0,17

25

2

0,145

2,7

0,187

4,2

0,267

32

2

0,189

2,4

0,222

3,4

0,301

5,3

0,432

40

2

0,24

3

0,345

4,3

0,473

6,7

0,677

50

2,4

0,359

3,7

0,531

5,4

0,738

8,3

1,05

63

3

0,561

4,7

0,845

6,7

1,15

10,5

1,66

75

3,6

0,797

5,6

1,2

8

1,63

12,5

2,36

90

4.3

1,14

6,7

1,71

9,6

2,35

15

3,4

110

5,2

1,68

8,1

2,52

11,8

3,52

18,3

5,05

125

6

2,19

9,3

3,28

13,4

4,54

20,8

6,54

140

6.7

2,74

10,4

4,01

160

 

7,7

3,7

11,9

5,53

 

Примечание. Пример условного обозначения трубы, изготов­ленной из полиэтилена низкой плотности наружным диаметром 40 мм, типа С, — труба ПНП40С, ГОСТ 18599—73.

 

 

ПРИЛОЖЕНИЕ 2

 

СОРТАМЕНТ НАПОРНЫХ ТРУБ ИЗ ПВП ПО ГОСТ 18599—73*

 

Наружный диаметр, мм

Легкий тип Л, толщина стенки, мм

 

Масса 1 м, кг

Средне-легкий тип СЛ, толщина стенки, мм

 

Масса 1 м, кг

Средний тип С, толщина стенки, мм

 

Масса 1 м, кг

Тяжелый тип Т, толщина стенки, мм

 

Масса 1 м, кг

 

10

 

 

 

 

 

 

 

2

 

0,051

12

2

0,064

16

2

0,091

20

2

0,117

25

2

0,15

2,3

0,169

32

2

0,196

2,9

0,271

40

2

0,248

2,3

0,286

3,6

0,418

50

2

0,314

2,8

0,427

4,5

0,651

63

2

0,299

2,5

0,494

3,6

0,684

5,7

1,08

75

2

0,478

2,9

0,675

4,3

0,971

6,8

1,47

90

2,2

0,627

3,5

0,977

5,1

1,38

8,2

2,11

110

2,7

0,935

4,3

1,446

6,2

2,04

10

3,14

125

3,1

1,22

4,8

1,841

7,1

2,65

11,4

4,07

140

3,5

1.53

5,4

2,302

7,9

3,3

12,7

5,07

160

3,9

1,95

6,2

3,02

9,1

4,33

14,6

6,66

180

4,4

2,47

7

3,83

10,2

5,45

16,4

8,41

200

4,9

3,05

7,7

4,69

11,4

6,77

18,2

10,4

225

5,5

3,84

8,7

5,95

12,8

8,55

20,5

13,1

250

6,1

4,72

9,7

7,36

14,2

10,5

22,8

16,2

280

6,9

5,98

10,8

9,17

15,9

14,2

25,5

20,3

315

7,7

7,49

12,2

11,62

17,9

16,7

355

8,7

9,52

13,7

14,72

20,1

21,1

400

9,8

12,1

15,4

18,6

22,7

26,9

450

11

15,2

17,3

23,5

25,5

33,9

500

12,2

18,8

19,3

29,11

560

13,7

23,6

21,6

36,53

630

 

15,4

29,8

24,3

46,15

 

Примечание. Пример условного обозначения трубы, изготов­ленной из полиэтилена высокой плотности наружным диаметром 315 мм, типа С, — труба ПВП315С, ГОСТ 18599—73.

 

 

ПРИЛОЖЕНИЕ 3

 

СОРТАМЕНТ НАПОРНЫХ ТРУБ ИЗ ПОЛИПРОПИЛЕНА

ПО ТУ 38-102100-76

 

 

Условный

 

Наружный

Тип труб

 

проход, мм

диаметр, мм

легкий, Ру = 0,32 Мпа

(3,2 кгс/см2)

 

средний, Ру = 0,6 Мпа

(6 кгс/см2)

тяжелый, Ру = 1 Мпа

(10 кгс/см2)

 

 

толщина стенки, мм

масса 1 м, кг

толщина стенки, мм

масса 1 м, кг

толщина стенки, мм

масса 1 м, кг

 

25

 

32

 

 

 

 

 

2,5

 

0,21

32

40

 

 

 

 

3,1

0,33

40

50

 

 

2,4

0,33

3,9

0,50

50

63

 

 

3

0,54

4,9

0,80

70

75

 

 

3,6

0,73

5,8

1,15

80

90

 

 

4,3

1,05

7,0

1,64

100

110

2,3

0,68

5,3

1,64

8,5

2,46

115

125

2,6

0,91

6,0

2,04

9,7

3,17

125

140

2,9

1,14

6,7

2,55

10,8

3,99

150

160

3,3

1,48

7,7

3,31

12,3

5,19

170

180

3,7

1,86

8,6

4,21

13,9

6,58

190

200

4,1

2,29

9,6

5,17

15,4

8,12

200

225

4,6

2,9

10,8

6,55

 

 

225

250

5,1

3,57

11,9

8,1

 

 

250

280

6,8

4,47

13,4

10,14

 

 

300

 

315

6,5

5,64

15

12,86

 

 

 

Примечание. Пример условного обозначения трубы, изготов­ленной из полипропилена диаметром 63 мм, типа С — труба ПП63С, ТУ 38-102100-76.

 

 

ПРИЛОЖЕНИЕ 4

 

ТРУБЫ ИЗ НЕПЛАСТИФИЦИРОВАННОГО

ПОЛИВИНИЛХЛОРИДА (ПВХ-100) ПО ТУ 6-19-99-78

 

 

Средний

Ряды

 

наруж-ный

I

II (4 кг/см2)

III (6 кг/см2)

IV (10 кг/см2)

V (16 кг/см2)

 

диаметр, мм

толщина стенки, мм

масса

1 м,  кг

толщина стенки, мм

масса

1 м, кг

толщина стенки, мм

масса

1 м,  кг

толщина стенки, мм

масса

1 м,  кг

толщина стенки, мм

масса

1 м,  кг

 

10

 

 

 

 

 

 

 

 

 

1

 

0,045

12

 

 

 

 

 

 

 

 

1

0,055

16

 

 

 

 

 

 

 

 

1,2

0,09

20

 

 

 

 

 

 

 

 

1,5

0,137

25

 

 

 

 

 

 

1,5

0,174

1,9

0,212

32

 

 

 

 

 

 

1,8

0,264

2,4

0,342

40

 

 

 

 

1,8

0,334

1,9

0,350

3

0,525

50

 

 

 

 

1,8

0,422

2,4

0,552

3,7

0,809

63

 

 

 

 

1,9

0,562

3

0,854

4,7

1,29

75

 

 

1,8

0,642

2,2

0,782

3,6

1,22

5,6

1,82

90

 

 

1,8

0,774

2,7

1,13

4,3

1,75

6,7

2,61

110

1,8

0,951

2,2

1,16

3,2

1,64

5,3

2,61

8,2

3,90

125

1,8

1,08

2,5

1,48

3,7

2,13

6,0

3,34

9,3

5,01

140

1,8

1,21

2,8

1,84

4,1

2,65

6,7

4,18

10,4

6,27

160

1,8

1,39

3,2

2,41

4,7

3,44

7,7

5,47

11,9

8,17

180

1,8

1,57

3,6

3,02

5,3

4,37

8,6

6,88

13,4

10,4

200

1,8

1,74

4,0

3,70

5,9

5,37

9,6

8,51

14,9

12,8

225

1,8

1,96

4,5

4,70

6,6

6,76

10,8

10,8

16,7

16,1

250

2,0

2,40

4,9

5,65

7,3

8,31

11,9

13,2

18,6

19,9

280

2,3

3,11

5,5

7,11

8,2

10,4

13,4

16,6

20,8

24,9

315

2,5

3,78

6,2

9,02

9,2

13,2

15,0

20,9

23,4

31,5

355

2,9

4,87

7,0

11,4

10,4

16,7

16,9

26,5

26,3

39,9

400

3,2

6,10

7,9

14,5

11,7

21,1

19,1

33,7

29,7

50,8

450

 

3,6

7,65

8,9

18,3

13,2

26,8

21,5

42,7

 

Примечания: 1. I ряд — облегченный, применяется только для безнапорных систем без заглубления их в грунт.

2. Пример условного обозначения трубы, изготовленной из непластифицированного поливинилхлорида (ПВХ-100) ряда III наружным диаметром 200 мм — труба ПВХ200III, ТУ 6-19-99-78.

 

 

ПРИЛОЖЕНИЕ 5

 

ТРУБЫ ИЗ НЕПЛАСТИФИЦИРОВАННОГО

ПОЛИВИНИЛХЛОРИДА

С РАСТРУБАМИ ПО ТУ 6-19-100-78

 

Номинальный  диаметр D, мм

Толщина стенки труб, мм, типа

Масса труб, кг, типа

 

 

С

Т

С

Т

 

63

 

 

3

 

 

4,72

75

 

3,6

 

6,74

90

 

4,3

 

9,67

110

3,2

5,3

9,06

14,4

140

4,1

6,7

14,6

23,1

160

4,7

7,7

19

30,3

225

6,6

10,8

37,4

59,8

280

8,2

13,4

57,5

92

315

 

9,2

15

73

116

 

 

ПРИЛОЖЕНИЕ 6

 

СОРТАМЕНТ ФАСОННЫХ ЧАСТЕЙ ИЗ ПОЛИЭТИЛЕНА

НИЗКОЙ ПЛОТНОСТИ ДЛЯ НАПОРНЫХ ТРУБОПРОВОДОВ

ПО ОСТ 6-05-367-74

 

Наименование

 

Тип

Наружный диаметр соединяемых труб, мм

 

Муфты, угольники и тройники

 

С и Т

 

 

1663

 

Тройники

 

СЛ и С

Л

 

75100

140

 

Переходы

 

С и Т

 

20Х16, 25Х16, 25Х20, 32Х25, 40Х25,

40Х32, 50Х32, 50Х40, 63Х32,

63Х40, 63Х50

 

СЛ и С

75Х50, 75Х63, 90Х63, 90Х75,

110Х50, 110Х63, 110Х90

 

Л

140Х110

 

 

Тропинки переходные

 

С

 

20Х16, 25Х16, 25Х20, 32Х16,

32Х20, 32Х25, 40Х!6, 40Х20,

40Х25, 40Х32, 50Х16, 50Х20,

50Х25, 50Х32, 50Х40, 63Х16,

63Х20, 63Х25, 63Х32, 63Х40,

63Х50

 

СЛ

75Х63, 90Х63, 90Х75, 110Х63,

110Х75, 110Х90

 

Л

140Х110

 

 

Втулки под фланцы

 

С и Т

 

25Х63

 

СЛ и С

75Х110

 

Л

140

 

 

Угольники с кре­пежным фланцем

 

 

С

 

20X1/2’’ труб, 25Х3/4’ труб

 

 

 

ПРИЛОЖЕНИЕ 7

 

СОРТАМЕНТ ВТУЛОК ПОД ФЛАНЦЫ ИЗ ПВП И ПНП

ПО ТУ 6-05-051-38-74

 

Материал

Тип

Наружный диаметр соединяемых труб, мм

 

ПВП

 

Т

С

 

 

63, 110—160

110 и 160

 

ПНП

 

 

С

СЛ

 

 

63

90, 110, 160

 

 

ПРИЛОЖЕНИЕ 8

 

СОРТАМЕНТ ПЛАСТМАССОВЫХ ТРУБ КАНАЛИЗАЦИОННЫХ

И ФАСОННЫХ ЧАСТЕЙ К НИМ ПО ГОСТ 22689.0—77,

ГОСТ 22689.20—77

 

Наименование

 

Условный проход, мм

 

Труба

 

32, 40, 50, 85, 100

Патрубки

50Х40, 50, 85, 100

Компенсационные патрубки

50, 85, 100

Переходные патрубки

50Х40, 85Х50, 100Х50 100Х85

Приборные патрубки

40, 50, 85, 100

Седельчатые патрубки

50Х40, 85Х40, 85Х50 100Х50, 100Х85

Отводы 92°31’, 135°, 150°

40Х40, 50Х40, 50Х50, 85Х85, 100Х100

Тройники 45°, 60°, 87°30

50Х40, 50Х50, 85Х50, 85Х85, 100Х50, 100Х85 100Х100

Крестовины 45°, 60°, 87°30’

85Х50, 85Х85, 100Х50, 100Х85, 100Х100

Двухплоскостные крестовины (пра­вые и левые)

85Х85Х50; 100Х85Х50; 100Х100Х50

Муфты

50Х40, 50, 85, 100

Ревизии

50, 85, 100

Заглушки

40, 50, 85, 100

Накидные гайки

40, 50

Уплотнительные кольца

 

40, 50, 85, 100

 

 

ПРИЛОЖЕНИЕ 9

 

ГЛУБИНА ЗАЛОЖЕНИЯ ПЛАСТМАССОВЫХ ТРУБ В ГРУНТ

ДЛЯ КАНАЛИЗАЦИОННЫХ СЕТЕЙ (ПРИ ГУСЕНИЧНОЙ

НАГРУЗКЕ 60 т)

 

 

Материал

 

Наружный

 

Тип

Глубина заложения, м

 

Грунтовые условия

труб

диаметр, мм

 

в песках

1,6 т/м3

в суглинках

и супесях

1,7 т/м3

в глинах

2 т/м3

 

 

ПНП

 

 

160

 

СЛ

 

+

 

+

 

+

 

 

 

 

 

 

Л

 

 

 

 

В суглинках и супесях

ПВП

160

СЛ

+

+

укладывать при условии

 

 

С

+

+

 

+

простого уплотнения грунта

 

 

 

Л

 

 

 

 

ПВП

180

СЛ

+

До 2,5

То же

 

 

С

 

+

+

+

 

 

 

 

Л

 

 

 

 

ПВП

200

СЛ

+

До 2,5

   «

 

 

С

 

+

+

+

 

 

 

 

Л

 

 

 

 

ПВП

225

СЛ

+

До 3,5

   «

 

 

С

 

+

+

+

 

 

 

 

 

Л

 

 

 

 

 

 

 

В суглинках и супесях

укладывать при условии

ПВП

250

СЛ

+

До 4

простого уплотнения грунта.

 

 

С

 

+

+

До 5

В глинах трубы укладывать при условии уплотнения грунта

 

 

 

 

 

 

Л

 

 

 

 

В суглинках и супесях трубы

ПВП

280

СЛ

+

До 4,5

 

укладывать при условии уплотнения грунта

 

 

ПВП

 

 

280

 

С

 

+

 

 

До 1,5

 

В глинах трубы укладывать при условии уплотнения грунта

 

 

ПВП

 

500

 

Л

 

 

 

 

В глинах трубы укладывать при

 

 

СЛ

 

До 6

До 6

До 3

условии уплотнения грунта

 

ПВП

 

560

 

Л

 

 

 

 

То же

 

 

СЛ

 

До 6

До 6

До 2,2

 

 

ПВП

 

630

 

Л

 

 

 

 

   «

 

 

СЛ

 

До 6

До 6

 

 

ПП

 

160

 

Л

 

+

 

До 4

 

 

В суглинках и супесях трубы

 

 

С

+

+

 

+

укладывать при условии тщательного уплотнения грунта

 

 

ПП

 

180

 

Л

 

+

 

+

 

 

То же

 

 

С

 

+

+

+

 

 

ПП

 

200

 

Л

 

+

 

+

 

 

   «

 

 

С

 

+

+

+

 

 

ПП

 

225

 

Л

 

+

 

До 6

 

 

   «

 

 

С

 

+

До 4

+

 

 

ПП

 

250

 

Л

 

+

 

До 5

 

 

   «

 

 

С

 

+

До 4

+

 

 

ПП

 

280

 

Л

 

+

 

До 4

 

 

   «

 

 

С

 

+

+

+

 

 

 

 

Л

 

 

 

 

ПВХ

160

СЛ

+

+

+

 

 

С

 

+

+

+

 

 

 

 

Л

 

 

 

 

ПВХ

180

СЛ

+

+

+

 

 

С

 

+

+

+

 

 

 

 

Л

 

 

 

 

 

 

СЛ

+

+

До 1,5

В глинах трубы укладывать

ПВХ

200

 

 

 

 

при условии тщательного

 

 

С

 

+

+

+

уплотнения грунта

 

 

 

Л

 

 

 

 

В глинах трубы укладывать

ПВХ

225

СЛ

+

+

До 1,5

при условии тщательного

 

 

С

 

+

+

+

уплотнения грунта

 

 

 

Л

 

 

 

 

ПВХ

250

СЛ

+

+

До 1,5

То же

 

 

С

 

+

+

+

 

 

 

 

Л

 

 

 

 

ПВХ

315

СЛ

 

+

+

До 1,5

 

 

Условные обозначения: «+» трубы можно уклады­вать на глубину до 8 м; «» трубы применять нельзя.

 

 

ПРИЛОЖЕНИЕ 10

 

СВАРНЫЕ ФАСОННЫЕ ДЕТАЛИ (НОРМАЛЬ

«ВНИИМОНТАЖСПЕЦСТРОЯ» КИЕВСКИЙ ФИЛИАЛ)

 

 

 

мм

 

Dн

32

40

50

63

75

90

110

140

160

225

315

А

90

95

100

125

150

180

220

280

320

450

630

 

 

 

 

мм

 

 

 

R = Dн

R = 1,5 Dн

Dн

б

Секторы

 

 

один

два

три

один

два

три

 

 

а

б

а

б

а

б

а

б

а

б

а

б

 

63

 

180

 

26

 

78

 

 

 

 

 

52

 

104

 

 

 

 

75

215

31

93

62

124

90

260

37

112

74

148

110

340

45

137

29

88

91

182

59

118

140

435

58

174

37

112

116

232

75

150

160

595

61

199

43

128

132

264

86

172

225

720

93

280

60

180

45

136

186

372

121

242

91

182

280

900

116

348

75

225

56

169

232

464

150

300

113

226

315

 

1000

132

390

84

254

64

194

260

520

169

338

127

254

 

Примечание. При изготовлении сварных отводов на специализированном оборудовании последнее должно иметь ширину удер­живающих трубу хомутов а = 20 мм.

 

 

ПРИЛОЖЕНИЕ 11

 

СВАРНЫЕ ФАСОННЫЕ ДЕТАЛИ (ТУ 34-48-ЭПП-12-78

СКТБ «ЭНЕРГОПРОМПОЛИМЕР)

 

 

 

мм

 

Dн

63

110

160

225

315

400

А

190

215

240

270

315

360

 

 

 

 

 

мм

 

 

Отводы бессегментные

 

Отвод (один сегмент)

Dн

a = 45°

a = 60°

a = 90°

 

 

b

 

c

 

d

 

R

 

Б

с'

Б

с'

Б

с'

 

 

 

 

 

63

 

325

 

175

 

315

 

180

 

270

 

190

 

385

 

175

 

295

 

357

110

345

185

330

190

305

215

400

185

305

369

160

360

195

355

205

340

240

415

195

310

374

225

380

205

390

225

380

270

450

205

350

422

315

415

225

435

250

445

315

500

225

390

471

400

 

455

245

475

275

510

360

530

245

405

489

 

 

 

ПРИЛОЖЕНИЕ 12

 

СВАРНЫЕ ФАСОННЫЕ ДЕТАЛИ (НОРМАЛЬ БТП КОНТОРЫ ГЕОМИНВОД)

 

 

 

мм

 

Dн

110

160

А

320

370

b

320

370

d

180

220

 

 

 

ПРИЛОЖЕНИЕ 13

 

НОРМАТИВНАЯ ДОКУМЕНТАЦИЯ НА ФАСОННЫЕ ЧАСТИ,

ИЗГОТОВЛЯЕМЫЕ ИЗ ТРУБ ПВХ Dу ОТ 15 ДО 150 ММ

 

Шифр, номер

Наименование изделия

 

 

ВХ3.06.125А

 

Фланцы винипластовые свободные на отбортованной трубе

ВХ3.06.126

Патрубки концевые винипластовые со свободными фланцами на отбортовке

ВХ3.06.127

Тройники винипластовые со свободными фланца­ми на отбортовке

ВХ3.06.128

Тропинки пнинпластовые прямые

ВХ3.06.129

Отводы винипластовые с концевыми патрубками 90°

ВХ3.06.130

Отводы винипластовые прямые 90°

ВХ3.06.131

Отводы винипластовые прямые с концевыми пат­рубками 135°

ВХ3.06.132

Отводы винипластовые прямые 135°

ВХ3.06.133

Крестовины винипластовые со свободными флан­цами на отбортовке, сварные

ВХ3.06.158

Переходы винипластовые со свободными фланца­ми на отбортовке

 

 

 

 

 

 




Rambler's Top100 Яндекс цитирования
  Copyright © 2008-2026, www.docload.ru