|
|
ГОСТ 1566-96 МЕЖГОСУДАРСТВЕННЫЙ
СТАНДАРТ ИЗДЕЛИЯ
ОГНЕУПОРНЫЕ ДИНАСОВЫЕ ТЕХНИЧЕСКИЕ УСЛОВИЯ МЕЖГОСУДАРСТВЕННЫЙ СОВЕТ Предисловие 1 РАЗРАБОТАН Украинским государственным
научно-исследовательским институтом огнеупоров (УкрНИИО) ВНЕСЕН Государственным
комитетом Украины по стандартизации, метрологии и сертификации 2 ПРИНЯТ Межгосударственным
Советом по стандартизации, метрологии и сертификации (протокол № 10 от
03.10.96) За принятие проголосовали:
3 Приложения А и Б настоящего стандарта представляют собой полный
аутентичный текст ИСО 5019-2-84 «Изделия огнеупорные. Размеры. Часть 2.
Сводовый кирпич» и ИСО 5019-4-88 «Изделия огнеупорные. Размеры. Часть 4.
Сводовый кирпич для электродуговых печей» 4 Постановлением
Государственного комитета Российской Федерации по стандартизации и метрологии
от 15 декабря 1999 г. № 513-ст межгосударственный стандарт ГОСТ 1566-96 введен
в действие непосредственно в качестве государственного стандарта Российской
Федерации с 1 июля 2000 г. 5 ВЗАМЕН ГОСТ
1566-71 СОДЕРЖАНИЕ ГОСТ 1566-96 МЕЖГОСУДАРСТВЕННЫЙ
СТАНДАРТ ИЗДЕЛИЯ ОГНЕУПОРНЫЕ
ДИНАСОВЫЕ Технические условия Refractory silica products for electrical
steelmelting furnaces. Дата введения 2000-07-01 1 Область применения
Настоящий стандарт
распространяется на огнеупорные динасовые изделия, предназначенные для кладки
сводов и арок электросталеплавильных печей. 2 Нормативные ссылки
В настоящем стандарте
использованы ссылки на следующие стандарты: ГОСТ
12.0.001-82 Система стандартов безопасности труда. Основные положения ГОСТ
12.0.003-74 Система стандартов безопасности труда. Опасные и вредные
производственные факторы. Классификация ГОСТ
12.1.005-88 Система стандартов безопасности труда. Общие
санитарно-гигиенические требования к воздуху рабочей зоны ГОСТ
12.4.028-76 Система стандартов безопасности труда. Респираторы ШБ-1
«Лепесток». Технические условия ГОСТ
12.4.041-89 Система стандартов безопасности труда. Средства индивидуальной
защиты органов дыхания фильтрующие. Общие технические требования ГОСТ
17.0.0.01-76 Система стандартов в области охраны природы и улучшения
использования природных ресурсов. Основные положения ГОСТ
17.2.3.02-78 Охрана природы. Атмосфера. Правила установления допустимых
выбросов вредных веществ промышленными предприятиями ГОСТ 427-75
Линейки измерительные металлические. Технические условия ГОСТ 2211-65
(ИСО 5018-83)
Изделия, сырье и материалы огнеупорные. Метод определения плотности ГОСТ
2409-95 (ИСО 51017-88) Материалы и изделия огнеупорные. Метод определения
водопоглощения, кажущейся плотности, открытой и общей пористости ГОСТ
2642.0-86 Огнеупоры и огнеупорное сырье. Общие требования к методам анализа ГОСТ
2642.3-97 Огнеупоры и огнеупорное сырье. Методы определения двуокиси
кремния ГОСТ
2642.4-97 Огнеупоры и огнеупорное сырье. Методы определения окиси алюминия ГОСТ
2642.7-97 Огнеупоры и огнеупорное сырье. Методы определения окиси кальция ГОСТ
4069-69 Изделия и материалы огнеупорные. Метод определения огнеупорности ГОСТ
4070-83 Огнеупоры. Метод определения температуры деформации под нагрузкой ГОСТ
4071.1-94 (ИСО
10059-1-92) Изделия огнеупорные с общей пористостью менее 45 %. Метод
определения предела прочности при сжатии при комнатной температуре ГОСТ 8179-98
(ИСО 5022-79)
Изделия огнеупорные. Правила приемки ГОСТ
10198-91 Ящики дощатые для грузов массой св. 500 до 20000 кг. Общие
технические условия ГОСТ 10905-86
Плиты поверочные и разметочные. Технические условия ГОСТ
15136-78 Изделия огнеупорные. Метод измерения глубины отбитости углов и
ребер ГОСТ 21140-88 Тара. Система размеров ГОСТ 24597-81
Пакеты тарно-штучных грузов. Основные параметры и размеры ГОСТ
24717-94 Огнеупоры и сырье огнеупорное. Маркировка, упаковка, хранение и
транспортирование ГОСТ
25706-83 Лупы. Типы, основные параметры. Общие технические требования 3 Марки
3.1 Динасовые изделия в
зависимости от химического состава и применения подразделяют на марки, указанные
в таблице 1. Таблица 1 - Характеристика марок
динасовых изделий
4 Формы и размеры
4.1 Формы и размеры
динасовых изделий должны соответствовать указанным на рисунках 1-8, в
таблицах 2-9 и
приложениях А
и Б. Предельные отклонения по
размерам сторон изделий не должны превышать, мм: ±1 - для сторон до 100
включительно; ±2 - для сторон свыше 100 до
180 включительно; ±3 - для сторон свыше 180 до
360 включительно. Разность отклонений противолежащих
одноименных размеров не должна превышать 1 мм в пределах, допускаемых настоящим
стандартом. Рисунок 1 - Прямой кирпич Таблица
2 - Размеры и
назначение прямого кирпича В миллиметрах
Рисунок 2 - Брусок Таблица
3 - Размеры и
назначение бруска В миллиметрах
Рисунок 3 - Двусторонний торцовый
клин Таблица
4 - Размеры и
назначение двустороннего торцового клина В миллиметрах
Рисунок 4 - Двусторонний
переходной клин Таблица
5 - Размеры и
назначение двустороннего переходного клина В миллиметрах
Рисунок 5 - Двусторонний
пирамидальный клин Таблица
6 - Размеры и
назначение двустороннего пирамидального клина В миллиметрах
Рисунок 6 - Электродный
кирпич Таблица
7 - Размеры и назначение
электродного кирпича В миллиметрах
Рисунок 7 - Внешний
электродный кирпич Таблица
8 - Размеры и
назначение внешнего электродного кирпича В миллиметрах
Рисунок 8 - Опорный кирпич Таблица
9 - Размеры и
назначение опорного кирпича В миллиметрах
4.2 Размеры углов на
рисунках 7,
8 и
в таблицах 8,
9
даны для построения чертежей изделий. 4.3 Определение количества
изделий для кладки колец электродных отверстий при различном сочетании изделий
приведено в приложении В. 4.4 Примерная схема кладки свода
в центральной части электросталеплавильной печи вместимостью 8-30 т приведена в
приложении Г. 4.5 Объем и масса изделий
приведены в приложении Д. 4.6 Дополнительные формы и
размеры изделий, а также предельные отклонения по размерам допускается
устанавливать по соглашению сторон. На чертежах заказчика должна быть указана
рабочая поверхность изделий. 5 Технические
требования
5.1 Динасовые изделия по
физико-химическим показателям и внешнему виду должны соответствовать
требованиям, указанным в таблице 10. Таблица 10 - Технические требования к динасовым изделиям
5.2 Изделия в изломе должны
иметь однородное строение, зерна не должны выкрашиваться и не должно быть
пустот. 5.3 Требования к внешнему
виду изделий допускается устанавливать по соглашению сторон. 6 Требования
безопасности и охраны окружающей среды
6.1 При производстве и
применении динасовых изделий вредным производственным фактором является
неорганическая пыль кварцита, содержащая оксид кремния, относящийся к третьему
классу опасности. Предельно допустимая
концентрация пыли кварцита в воздухе рабочей зоны производственных помещений не
должна превышать 1 мг/м3 по ГОСТ
12.1.005. 6.2 Общие требования
безопасности при работе с динасовыми изделиями - по ГОСТ
12.0.001, ГОСТ
12.0.003, ГОСТ
12.1.005, ГОСТ
12.4.028, ГОСТ
12.4.041. 6.3 При производстве и
применении динасовых изделий должна соблюдаться система стандартов по охране
окружающей среды по ГОСТ
17.0.0.01, ГОСТ
17.2.3.02. 7 Правила приемки
7.1 Правила приемки - по ГОСТ 8179 со
следующими дополнениями: массу партии устанавливают не более 150 т; для приемки
изделий применяют план контроля номер 2. 7.2 При проверке
соответствия качества изделий требованиям настоящего стандарта проводят
приемосдаточные испытания в соответствии с требованиями таблицы 11. Таблица 11 - Периодичность отбора образцов и проб для
проведения испытаний
8 Методы испытаний
8.1 Массовую долю SiO2, CaO, Аl2О3 определяют по ГОСТ
2642.0, ГОСТ
2642.3, ГОСТ
2642.4, ГОСТ
2642.7 или другими методами анализа, обеспечивающими требуемую точность
определения. Результаты определения
массовой доли SiO2 округляют до целого числа, массовой доли СаО и Аl2О3 - до первого
десятичного знака. При разногласиях в оценке
качества изделий определения проводят по ГОСТ
2642.3, ГОСТ
2642.4, ГОСТ
2642.7. 8.2 Огнеупорность определяют
по ГОСТ
4069. 8.3 Температуру начала
размягчения определяют по ГОСТ
4070. 8.4 Плотность определяют по ГОСТ 2211. 8.5 Открытую пористость
определяют по ГОСТ
2409. 8.6 Предел прочности при
сжатии определяют по ГОСТ
4071.1. 8.7 Размеры изделий измеряют
металлической линейкой по ГОСТ 427 с
ценой деления 1 мм или соответствующими шаблонами, обеспечивающими необходимую
точность измерения. Размеры прямых изделий - длину, ширину измеряют по двум
параллельным граням посередине каждой грани, толщину - по четырем граням. За
результат измерений принимают среднее значение. Размеры изделий других
конфигураций измеряют посередине каждой грани. 8.8 Кривизну изделий
определяют на поверочной плите по ГОСТ 10905 или
аттестованной металлической плите, удовлетворяющей требованиям ГОСТ
10905, при помощи щупа-шаблона шириной 10 мм и толщиной, превышающей на 0,1
мм установленную норму кривизны. Щуп не должен входить в зазор между плитой и
изделием. 8.9 Глубину отбитости углов
и ребер определяют по ГОСТ
15136. 8.10 Диаметр выплавки
измеряют металлической линейкой с ценой деления 1 мм по диаметру впадины,
образуемой выплавкой, в месте ее максимальной ширины. 8.11 Ширину посечки
определяют в месте ее максимального размера при помощи измерительной лупы по ГОСТ 25706.
Лупу располагают таким образом, чтобы ее шкала была перпендикулярна посечке.
Между шкалой и поверхностью изделия помещают полоску белой бумаги, которую располагают
вдоль шкалы вплотную к ее делениям. 8.12 Строение изделия в
изломе определяют визуально. 9 Маркировка,
упаковка, транспортирование и хранение
9.1 Маркировку, упаковку,
транспортирование и хранение изделий производят по ГОСТ
24717 со следующими дополнениями: для упаковки изделий используют ящики
типов 1-1, 1-2 по ГОСТ
10198; размеры ящиков - по ГОСТ
21140, размеры пакета - по ГОСТ 24597. 9.2 Упаковку,
транспортирование и хранение изделий допускается осуществлять по соглашению
сторон при условии гарантии сохранения эксплуатационных качеств продукции. ПРИЛОЖЕНИЕ
А
| |||||||||||||||||||||||||||||||||||||||||||||||||||||||||||||||||||||||||||||||||||||||||||||||||||||||||||||||||||||||||||||||||||||||||||||||||||||||||||||||||||||||||||||||||||||||||||||||||||||||||||||||||||||||||||||||||||||||||||||||||||||||||||||||||||||||||||||||||||||||||||||||||||||||||||||||||||||||||||||||||||||||||||||||||||||||||||||||||||||||||||||||||||||||||||||||||||||||||||||||||||||||||||||||||||||||||||||||||||||||||||||||||||||||||||||||||||||||||||||||||||||||||||||||||||||||||||||||||||||||||||||||||||||||||||||||||||||||||||||||||||||||||||||||||||||||||||||||||||||||||||||||||||||||||||||||||||||||||||||||||||||||||||||||||||||||||||||||||||||||||||||||||||||||||||||||||||||||||||||||||||||||||||||||||||||||||||||||||||||||||||||||||||||||||||||||||||||||||||||||||||||||||||||||||||||||||||||||||||||||||||||||||||||||||||||||||||||||||||||||||||||||||||||||||||||||||||||||||||||||||||||||||||||
|
Кирпич
с постоянным средним размером |
Кирпич
с постоянным размером задней стороны |
||
|
серия
64 мм |
серия
76 мм |
||
|
Ребровой
двусторонний клин2
|
А ×
В × C/D |
А ×
В × C/D |
А ×
В × C/D |
|
Торцовый
клин2
|
А ×
В × C/D |
А ×
В × C/D |
А ×
В × C/D |
|
Торцовый
полуторный клиновой кирпич
|
А ×
В × C/D |
А ×
В × C/D |
А ×
В × C/D |
|
Большой
сводовый кирпич2
|
А ×
В × C/D |
А ×
В × C/D |
А ×
В × C/D |
|
1
Буквы, обозначающие размеры, относятся только к рисункам данной таблицы. 2 В
Северной Америке ребровой двусторонний клин известен как «арочный», торцовый клин
- «клин», большой сводовый кирпич - «клиновой блок». |
|||
Б.1 Объем и область
применения
Эта часть ИСО 5019 устанавливает
размеры огнеупорного кирпича, применяемого в сводах электродуговых печей.
Размеры специального
кирпича, также применяемого для футеровки этих печей, даны в приложении в
качестве дополнительной информации.
Б.2 Размеры
Размеры огнеупорного кирпича,
применяемого в сводах электродуговых печей, должны соответствовать указанным в
таблицах Б.1,
Б.2
и Б.3.
Примечание - Обычно применяются изделия с размерами, указанными в таблице Б.1, или комбинация размеров в таблицах Б.2 и Б.3
Б.3 Маркировка кирпича
Б.3.1 Общая часть
Кирпич с установленными
размерами должен быть разработан в соответствии со справочными числами,
указанными в таблицах Б.1, Б.2, Б.3.
Б.3.2 Пояснения к таблице Б.1
Первая буква в графе
«Справочный номер» (Н, J или К) обозначает длину кирпича
(толщину свода): 230, 250, 300 мм; вторая буква (W, X, V или Z)
обозначает сферический радиус: 2,7; 4,5; 6,3 или 8,1 м.
Цифра на третьем месте (1,
2, 3 или 4) обозначает скос ребрового клинового кирпича: 2, 3, 6 или 13 мм.
Б.3.3 Пояснения к таблицам Б.2 и Б.3.
В графе «Справочный номер»
таблицы Б.2
буквами KR обозначают кирпич для свода, в таблице Б.3
буквой R обозначают кирпич для прямоугольного перекрытия;
первая цифра в обозначении,
установленном в таблицах Б.2 и Б.3, соответствует первой
цифре сферического радиуса, м;
вторая цифра соответствует
обозначению по таблице Б.4.
Соответствие между
сферическим радиусом и толщиной свода установлено в таблице Б.4.

Рисунок Б.1 - Размеры
изделий для сводов электродуговых печей
Таблица Б.1
|
Номинальный
сферический радиус, м |
Размеры
кирпича, мм |
Справочный
номер |
||||||
|
А |
В |
C |
D |
Е |
F |
|||
|
230 |
4,5 |
114 |
108,5 |
76 |
72,5 |
73 |
69,5 |
НХ2 |
|
|
|
114 |
108,5 |
76 |
72,5 |
70 |
67 |
НХ3 |
|
|
|
114 |
108,5 |
76 |
72,5 |
63 |
60 |
НХ4 |
|
|
2,7 |
114 |
105 |
76 |
70 |
73 |
67 |
HW2 |
|
|
|
114 |
105 |
76 |
70 |
70 |
64,5 |
HW3 |
|
|
|
114 |
105 |
76 |
70 |
63 |
58 |
HW4 |
|
250 |
8,1 |
114 |
110,5 |
76 |
73,5 |
74 |
71,5 |
JZ1 |
|
|
|
114 |
110,5 |
76 |
73,5 |
73 |
70,5 |
JZ2 |
|
|
|
114 |
110,5 |
76 |
73,5 |
70 |
67,5 |
JZ3 |
|
|
|
114 |
110,5 |
76 |
73,5 |
63 |
61 |
JZ4 |
|
|
6,3 |
114 |
109,5 |
76 |
73 |
74 |
71 |
JV1 |
|
|
|
114 |
109,5 |
76 |
73 |
73 |
70 |
JV2 |
|
|
|
114 |
109,5 |
76 |
73 |
70 |
67 |
JV3 |
|
|
|
114 |
109,5 |
76 |
73 |
63 |
60,5 |
JV4 |
|
300 |
8,1 |
114 |
110 |
76 |
73,5 |
74 |
71,5 |
KZ1 |
|
|
|
114 |
110 |
76 |
73,5 |
73 |
70,5 |
KZ2 |
|
|
|
114 |
110 |
76 |
73,5 |
70 |
67,5 |
KZ3 |
|
|
|
114 |
110 |
76 |
73,5 |
63 |
61 |
KZ4 |
|
|
6,3 |
114 |
109 |
76 |
72,5 |
74 |
70,5 |
KV1 |
|
|
|
114 |
109 |
76 |
72,5 |
73 |
69,5 |
KV2 |
|
|
|
114 |
109 |
76 |
72,5 |
70 |
67 |
KV3 |
|
|
|
114 |
109 |
76 |
72,5 |
63 |
60 |
KV4 |

Рисунок Б.2 - Размеры
кирпича для электродуговых печей со сферическим сводом
Таблица Б.2
|
Номинальный
сферический радиус, м |
Размеры
кирпича, мм |
Справочный
номер |
||||||
|
А |
В |
С |
D |
Е |
F |
|||
|
200 |
2,0 |
132 |
120 |
93 |
85 |
71 |
65 |
KR20 |
|
|
3,0 |
128 |
120 |
89 |
83,5 |
71,5 |
67 |
KR30 |
|
250 |
3,0 |
130 |
120 |
90,5 |
83,5 |
72,5 |
67 |
KR32 |
|
|
4,0 |
128 |
120 |
87 |
82 |
72 |
68 |
KR42 |
|
|
5,0 |
126 |
120 |
86 |
82 |
72 |
68 |
KR52 |
|
|
6,0 |
125 |
120 |
85,5 |
82 |
71 |
68 |
KR62 |
|
|
7,0 |
124,5 |
120 |
85 |
82 |
71 |
68 |
KR72 |
|
300 |
4,0 |
129 |
120 |
88 |
82 |
73 |
68 |
KR43 |
|
|
5,0 |
127 |
120 |
87 |
82 |
72 |
68 |
KR53 |
|
|
6,0 |
126 |
120 |
86 |
82 |
71,5 |
68 |
KR63 |
|
|
7,0 |
125 |
120 |
85,5 |
82 |
71 |
68 |
KR73 |
|
|
9,0 |
124 |
120 |
85 |
82 |
70,5 |
68 |
KR93 |

Рисунок Б.3 - Размеры кирпича
для прямоугольного свода электродуговых печей
Таблица Б.3
|
Толщина
свода H, мм |
Номинальный сферический радиус, м |
Размеры кирпича, мм |
Справочный номер |
|||
|
А |
В |
С |
D |
|||
|
200 |
2,0 |
132 |
120 |
82,5 |
75 |
R20 |
|
|
3,0 |
128 |
120 |
80 |
75 |
R30 |
|
250 |
3,0 |
130 |
120 |
81 |
75 |
R32 |
|
|
4,0 |
128 |
120 |
80 |
75 |
R42 |
|
|
5,0 |
126 |
120 |
79 |
75 |
R52 |
|
|
6,0 |
125 |
120 |
78,5 |
75 |
R62 |
|
|
7,0 |
124,5 |
120 |
78 |
75 |
R72 |
|
300 |
4,0 |
129 |
120 |
81 |
75 |
R43 |
|
|
5,0 |
127 |
120 |
80 |
75 |
R53 |
|
|
6,0 |
126 |
120 |
79 |
75 |
R63 |
|
|
7,0 |
125 |
120 |
78 |
75 |
R73 |
|
|
9,0 |
124 |
120 |
77,5 |
75 |
R93 |
Таблица Б.4 - Соответствие сферического радиуса толщине
свода
|
Обозначение |
Возможные
сферические радиусы, мм |
|||||||
|
200 |
0 |
2000 |
3000 |
|
|
|
|
|
|
250 |
2 |
|
3000 |
4000 |
5000 |
6000 |
7000 |
|
|
300 |
3 |
|
|
4000 |
5000 |
6000 |
7000 |
9000 |
ПРИЛОЖЕНИЕ к ИСО 5019-4
(справочное)
Кирпич для изоляции
электрода и воздухопровода
(приложение не
является частью стандарта)

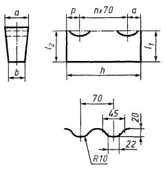
Рисунок Б.4 - Размеры
кирпича для изоляции электродов и воздухопроводов
Таблица Б.5
В миллиметрах
|
Обозначение |
а |
b |
l1 |
l2 |
h |
п |
o |
p |
Внутренний диаметр |
|
D1N |
81 |
29,5 |
115 |
95 |
260 |
2 |
60 |
60 |
140 |
|
D2N |
74,5 |
40 |
115 |
95 |
260 |
2 |
60 |
60 |
280 |
|
D3N |
118,5 |
45 |
140 |
130 |
320 |
3 |
55 |
55 |
180 |
|
D4N |
90 |
53 |
140 |
130 |
320 |
3 |
55 |
55 |
420 |
|
D5N |
111 |
64 |
150 |
140 |
375 |
4 |
50 |
45 |
420 |
|
D6N |
94 |
63 |
150 |
140 |
375 |
4 |
50 |
45 |
620 |
|
D7N |
108 |
67,5 |
180 |
170 |
450 |
5 |
50 |
50 |
620 |
|
D8N |
92 |
65,5 |
180 |
170 |
450 |
5 |
50 |
50 |
900 |
|
D9N |
92 |
72 |
180 |
170 |
450 |
5 |
50 |
50 |
1300 |

ЭД-11 230 мм ×
100 мм × 82 мм × 47 мм
ЭД-11 230 мм × 100 мм × 88 мм × 62 мм
Рисунок В.1 - Свод толщиной
230 мм

ЭД-13
300 мм × 110 мм × 96 мм × 63 мм
или
ЭД-15 360 мм × 110 мм × 96 мм × 63 мм
ЭД-14 300 мм × 110 мм × 96 мм × 71 мм
или
ЭД-16 360 мм × 110 мм × 96 мм × 71 мм
Рисунок В.2 - Свод толщиной
300 мм

Рисунок Г.1
Таблица Д.1
|
Номер изделия |
Объем, см3 |
Масса, кг |
Номер изделия |
Объем, см3 |
Масса, кг |
|
1 |
1039 |
1,9 |
10 |
2565 |
4,9 |
|
2 |
1690 |
3,2 |
11 |
1485 |
2,8 |
|
3 |
2925 |
5,6 |
12 |
1725 |
3,3 |
|
4 |
1950 |
3,7 |
13 |
2620 |
5,0 |
|
5 |
1560 |
3,0 |
14 |
2760 |
5,2 |
|
6 |
2700 |
5,1 |
15 |
2145 |
4,1 |
|
7 |
1600 |
3,1 |
16 |
2260 |
4,3 |
|
8 |
2780 |
5,3 |
17 |
2005 |
3,8 |
|
9 |
1480 |
2,8 |
18 |
3145 |
6,0 |
Ключевые слова: огнеупорные динасовые изделия, электросталеплавильная печь
|
|
|
|