Бесплатная библиотека стандартов и нормативов www.docload.ru

Все документы, размещенные на этом сайте, не являются их официальным изданием и предназначены исключительно для ознакомительных целей.
Электронные копии этих документов могут распространяться без всяких ограничений. Вы можете размещать информацию с этого сайта на любом другом сайте.
Это некоммерческий сайт и здесь не продаются документы. Вы можете скачать их абсолютно бесплатно!
Содержимое сайта не нарушает чьих-либо авторских прав! Человек имеет право на информацию!

 

ГОСТ 15873-70

МЕЖГОСУДАРСТВЕННЫЙ СТАНДАРТ

ПЛАСТМАССЫ ЯЧЕИСТЫЕ ЭЛАСТИЧНЫЕ

МЕТОД ИСПЫТАНИЯ НА РАСТЯЖЕНИЕ

ИПК ИЗДАТЕЛЬСТВО СТАНДАРТОВ

Москва

ГОСУДАРСТВЕННЫЙ СТАНДАРТ СОЮЗА ССР

ПЛАСТМАССЫ ЯЧЕИСТЫЕ ЭЛАСТИЧНЫЕ

Метод испытания на растяжение

Elexible cellular plastics.
Methods of Test for tensile properties

ГОСТ
15873-70

Дата введения 01.01.71

Настоящий стандарт распространяется на ячеистые эластичные пластмассы и устанавливает метод испытания их на растяжение.

Применение метода предусматривается в стандартах и технических условиях на ячеистые эластичные пластмассы.

Сущность метода состоит в испытании образца на растяжение, при котором определяют:

а) разрушающее напряжение при растяжении в МПа - отношение максимальной нагрузки, при которой разрушился образец, к начальной площади его поперечного сечения;

б) относительное удлинение при разрыве в процентах - отношение приращения длины рабочего участка образца, измеренного в момент разрыва, к его первоначальной длине.

В стандарт введен международный стандарт ИСО 1798-83.

(Измененная редакция, Изм. № 1, 2).

1. АППАРАТУРА

1.1. Испытание проводят на любой разрывной машине, которая в процессе испытания должна обеспечивать постоянную скорость раздвижения захватов и измерение нагрузки с погрешностью не более 1,0 % от измеряемой величины.

1.2. Захваты машины должны обеспечивать надежное крепление образцов и совпадение продольной оси образца с направлением растяжения.

1.3. Удлинение рабочего участка образца измеряют отсчетным устройством машины, масштабной линейкой или другим измерительным приспособлением, обеспечивающим непрерывность измерения с погрешностью не более 1,0 мм.

(Измененная редакция, Изм. № 2).

1.4. Прибор для измерения линейных размеров образцов выбирают в соответствии с ГОСТ 25015.

(Измененная редакция, Изм. № 2).

2. ОБРАЗЦЫ ДЛЯ ИСПЫТАНИЙ

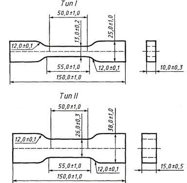
2.1. Образцы для испытаний должны иметь форму двусторонней лопатки толщиной (10,0 ± 0,3) или (15,0 ± 0,5) мм. Размеры образцов соответствуют размеру вырубных ножей, указанных на черт. 1. Состояние режущих кромок ножей и их параллельность должны соответствовать ГОСТ 270.

Черт. 1

(Измененная редакция, Изм. № 2).

2.2. Образцы типа I используют при испытании мелкоячеистых пластмасс, образцы типа II - при испытании крупноячеистых пластмасс, средний линейный размер ячейки которых превышает 2 мм, но не более 5 мм.

Тип образца должен быть указан в стандартах или технических условиях на материал.

(Измененная редакция, Изм. № 1).

2.3. Образцы вырубают штанцевым ножом из заготовки толщиной (10,0 ± 0,3) мм или (15,0 ± 0,5) мм так, чтобы их продольная ось была перпендикулярна направлению вспенивания. Штанцевые ножи должны обеспечивать ширину рабочего участка образца (13,0 ± 0,2) мм или (26,0 ± 0,3) мм.

Другие направления вырезки образцов должны быть указаны в стандартах или технических условиях на материал.

(Измененная редакция, Изм. № 2).

2.4. Образцы должны иметь ровную поверхность без поверхностной пленки и видимых дефектов ячеистой структуры.

Допускается использовать образцы с поверхностной пленкой, если это предусмотрено в нормативно-технической документации на материал.

(Измененная редакция, Изм. № 1).

2.5. Количество образцов, взятых для испытания, указывается в стандартах или технических условиях на материал и должно быть не менее пяти.

2.6. Перед испытанием образцы кондиционируют по ГОСТ 12423 не менее 16 ч при (23 ± 2) °С и относительной влажности (50 ± 5) %, если в нормативно-технической документации нет других указаний.

(Измененная редакция, Изм. № 2).

Черт. 2

3. ПРОВЕДЕНИЕ ИСПЫТАНИЯ

3.1. Испытание проводят при температуре воздуха в помещении (23±2) °С и относительной влажности (50 ± 5) %, если в стандартах или технических условиях на материал нет иных указаний.

3.2. Перед испытанием на образец параллельно краям его наносят две метки на расстоянии (50,0 ± 0,5) мм друг от друга, ограничивающие рабочий участок образца. Метки должны находиться от края образца на расстоянии (50,0 ± 1,0) мм и иметь ширину не более 0,5 мм. Рекомендуется наносить метки при помощи штампа (черт. 2).

Нанесение меток не должно приводить к изменению свойств образца и к его разрушению по меткам.

3.3. Линейные размеры рабочей части образцов измеряют в соответствии с ГОСТ 25015.

3.4. Образец закрепляют в захватах разрывной машины так, чтобы продольная ось образца совпадала с осью захватов и направлением движения подвижного захвата. Расстояние между захватами должно быть (100 ± 1) мм. При этом захваты затягивают так, чтобы исключить скольжение образца в процессе испытания и не вызывать разрушение его в месте закрепления.

3.5. Скорость раздвижения захватов разрывной машины в процессе растяжения образца должна быть постоянной (500 ± 50) мм/мин, если в нормативно-технической документации на конкретный материал нет других указаний.

3.1-3.5. (Измененная редакция, Изм. № 2).

3.6. В процессе растяжения замеряют удлинение образца непрерывно и нагрузку в момент разрушения образца.

3.7. В расчет принимают результаты, полученные на образцах, разрушившихся в пределах рабочей части образца. Если количество таких образцов менее количества образцов, указанных в стандартах или технических условиях на материал, то испытание проводят на дополнительных образцах.

4. ПОДСЧЕТ РЕЗУЛЬТАТОВ ИСПЫТАНИЯ

4.1. Разрушающее напряжение при растяжении (sр) в МПа вычисляют по формуле

,

где Р - максимальная нагрузка, при которой разрушился образец, H;

b - ширина рабочей части образца, мм;

h - толщина рабочей части образца, мм.

(Измененная редакция, Изм. № 1).

4.2. Относительное удлинение при разрыве (eр) в процентах вычисляют по формуле

,

где l0 - первоначальная длина рабочего участка образца в мм;

l1 - длина рабочего участка образца в момент разрыва в мм.

4.3. За результат испытания принимают среднее арифметическое результатов параллельных определений. Число параллельных определений, допускаемые расхождения между ними, требования к числу значащих цифр, а также пределы допускаемой суммарной погрешности измерений должны быть указаны в нормативно-технической документации на материал.

(Измененная редакция, Изм. № 2).

4.4. Протокол испытания должен содержать следующие данные:

а) наименование предприятия-поставщика;

б) наименование и марку материала, номер партии;

в) тип и число образцов, положение продольной оси образца при вырубке по отношению к направлению вспенивания;

г) наименование разрывной машины;

д) метод измерения удлинения;

е) условия кондиционирования, температуру и влажность воздуха в помещении, в котором проводилось испытание;

ж) разрушающее напряжение при растяжении (отдельные и среднее значения);

з) относительное удлинение при разрыве (отдельные и среднее значения);

и) дату испытания и номер настоящего стандарта;

к) число параллельных определений.

(Измененная редакция, Изм. № 1, 2).

ИНФОРМАЦИОННЫЕ ДАННЫЕ

1. РАЗРАБОТАН И ВНЕСЕН Министерством химической промышленности

РАЗРАБОТЧИКИ

Н.В. Кия-Оглу, И.В. Шамов, П.И. Селиверстов, Л.А. Некрасова

2. УТВЕРЖДЕН И ВВЕДЕН В ДЕЙСТВИЕ Постановлением Государственного комитета СССР по стандартам от 16.04.70 № 522

3. В стандарт введен МС ИСО 1798-83

4. ССЫЛОЧНЫЕ НОРМАТИВНО-ТЕХНИЧЕСКИЕ ДОКУМЕНТЫ

Обозначение НТД, на который дана ссылка

Номер пункта, подпункта

ГОСТ 270-75

2.1

ГОСТ 12423-66

2.6

ГОСТ 25015-81

1.4, 3.3

5. Ограничение срока действия снято по протоколу № 3-93 Межгосударственного Совета по стандартизации, метрологии и сертификации (ИУС 5-6-93)

6. ПЕРЕИЗДАНИЕ (апрель 1999 г.) с Изменениями № 1, 2, утвержденными в июне 1978 г., декабре 1987 г. (ИУС 8-78, 3-88)

СОДЕРЖАНИЕ

 




Rambler's Top100 Яндекс цитирования
  Copyright © 2008-2026, www.docload.ru