Бесплатная библиотека стандартов и нормативов www.docload.ru

Все документы, размещенные на этом сайте, не являются их официальным изданием и предназначены исключительно для ознакомительных целей.
Электронные копии этих документов могут распространяться без всяких ограничений. Вы можете размещать информацию с этого сайта на любом другом сайте.
Это некоммерческий сайт и здесь не продаются документы. Вы можете скачать их абсолютно бесплатно!
Содержимое сайта не нарушает чьих-либо авторских прав! Человек имеет право на информацию!

 

ГОСУДАРСТВЕННЫЙ СТАНДАРТ СОЮЗА ССР

ДЕРЕВООБРАБАТЫВАЮЩЕЕ
ОБОРУДОВАНИЕ. СТАНКИ ОКОРОЧНЫЕ
РОТОРНЫЕ

ОСНОВНЫЕ ПАРАМЕТРЫ. НОРМЫ ТОЧНОСТИ

ГОСТ 16021-90

(СТ СЭВ 5950-87, СТ СЭВ 6801-89)

ГОСУДАРСТВЕННЫЙ КОМИТЕТ СССР ПО УПРАВЛЕНИЮ
КАЧЕСТВОМ ПРОДУКЦИИ И СТАНДАРТАМ

Москва

ГОСУДАРСТВЕННЫЙ СТАНДАРТ СОЮЗА ССР

ДЕРЕВООБРАБАТЫВАЮЩЕЕ ОБОРУДОВАНИЕ. СТАНКИ ОКОРОЧНЫЕ РОТОРНЫЕ

Основные параметры. Нормы точности

Woodworking equipment.

Rotary barking machines.

Basic parameters. Standards of accuracy

ГОСТ

16021-90

Дата введения 01.07.91

Настоящий стандарт распространяется на окорочные однороторные станки, предназначенные для снятия коры с круглых лесоматериалов, и окорочные двухроторные станки, позволяющие срезать дополнительно к окорке остатки сучьев.

Требования стандарта являются обязательными.

1. ОСНОВНЫЕ ПАРАМЕТРЫ

Основные параметры станков должны соответствовать указанным в таблице.

Размеры, мм

Наименование основных параметров

Значение

Диаметр просвета ротора

250

400

630

800

1000

Диаметр обрабатываемых лесоматериалов в любом поперечном сечении ствола (в коре):

 

 

 

 

 

наибольший, не менее

230

350

550

700

900

наименьший, не более

40

60

100

120

150

Наименьшая длина обрабатываемых лесоматериалов, не более

1300

1700*

1500

2500*

2700

Наибольшая частота вращения ротора, мин-1

 

 

 

 

 

(наибольшая угловая скорость, рад/с), не менее

600

(63)

400

(42)

250

(26)

200

(21)

150

(16)

Скорость подачи, м/мин (м/с): наибольшая, не менее

70

(1,17)

60

(1,0)

45

(0,75)

наименьшая, не более

12

(0,2)

Число роторов, шт.

1 или 2

1

* Для окорочных двухроторных станков.

2. ТОЧНОСТЬ СТАНКА

2.1. Общие требования к испытаниям станка на точность - по ГОСТ 25338.

Если конструктивные особенности станка не позволяют произвести измерение отклонений по длине, к которой отнесен допуск, последний следует пересчитать на наибольшую длину, на которой возможно измерение.

2.2. Точность станка должна соответствовать нормам, указанным в пп. 2.2.1 - 2.2.6.

2.2.1. Радиальное биение шкива привода ротора

Черт. 1

Допуск 2,3 мм на диаметре 1000 мм.

Метод проверки (черт. 1). На неподвижной плоскости устанавливают показывающий измерительный прибор 1 так, чтобы его наконечник касался образующей цилиндрической поверхности шкива ротора 2 и был перпендикулярен ей. Измерения проводят в двух крайних сечениях цилиндрической поверхности шкива ротора в вертикальной и горизонтальной плоскостях.

Радиальное биение равно наибольшей алгебраической разности показаний индикатора в каждом его положении при вращении шкива ротора.

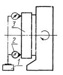
2.2.2. Торцевое биение шкива привода ротора

Черт. 2

Допуск 3,0 мм на диаметре 1000 мм.

Метод проверки (черт. 2). На неподвижной плоскости 1 устанавливают показывающий измерительный прибор 2 так, чтобы его наконечник касался торцевой поверхности шкива ротора 3 и был перпендикулярен ей. Измерения проводят по торцевой кромке шкива ротора в верхнем и нижнем положении.

Торцевое биение равно наибольшей алгебраической разности показаний индикатора в каждом его положении при вращении шкива ротора.

2.2.3. Отклонение посадочных поверхностей под коросниматели от прилегающей плоскости

Черт. 3

Допуск 2,5 мм.

Метод проверки (черт. 3). В роторе 1 по его оси устанавливают валик 2 и зажимают подающими вальцами 5. Подвижную втулку 4 подводят к короснимателям 3 так, чтобы она касалась одного из короснимателей. Зазор D между втулкой и короснимателями измеряют щупом.

Проверка должна проводиться с применением подобранных короснимателей с допуском ±0,2 мм для размера l, влияющего на проведение проверки.

Отклонение от прилегающей плоскости равно наибольшей величине измеренного зазора.

2.2.4. Расположение кромок короснимателей по одной окружности

Черт. 4

Допуск 1,7 мм.

Метод проверки (черт. 4). В роторе 1 по его оси устанавливают валик 2 и зажимают подающими вальцами 4. Зазор D между валиком и короснимателями 3 измеряют щупом.

Проверка должна производиться с применением подобранных короснимателей с допуском ±0,2 мм для размера l, влияющего на проведение проверки.

Отклонение расположения короснимателей по одной окружности равно разности между максимальным и минимальным измеренным зазором.

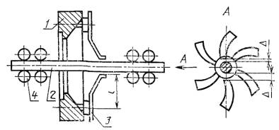
2.2.5. Симметричность расположения ротора относительно вальцов механизма подачи в вертикальной и горизонтальной плоскостях (для станков с просветом ротора менее 1000 мм).

Черт. 5

Допуск ±2,5 мм.

Метод проверки (черт. 5). Специальный валик 1 устанавливают в отверстие ротора 2 и зажимают подающими вальцами 3. В двух противоположных по диаметру точках штихмассом измеряют расстояние D между внутренней поверхностью ротора и валиком в вертикальной и горизонтальной плоскостях.

Отклонение от симметричности равно алгебраической разности двух измерений в каждой плоскости.

2.2.6. Перпендикулярность плоскости ротора оси станка

Черт. 6

Допуск 3,0 мм на диаметре 1000 мм.

Метод проверки (черт. 6). Специальный валик 1 устанавливают в отверстие ротора 2 и зажимают подающими вальцами 3. Штихмассом замеряют расстояние D между установленным на валике диском 4 и торцами посадочных поверхностей короснимателей в вертикальной и горизонтальной плоскостях в двух противоположных точках.

Отклонение равно алгебраической разности двух противоположных измерений в каждой плоскости.

3. ТОЧНОСТЬ СТАНКА В РАБОТЕ

Качество окорки

Допуск 2 % неокоренной поверхности бревна.

Метод проверки. На станке со скоростью подачи не менее 0,5 м/с, окаривают бревна хвойных пород (кроме сосновых) второго сорта по ГОСТ 9463 или ГОСТ 22298 с продольной кривизной 2,5 - 3,0 %, с абсолютной влажностью коры не менее 40 %, длиной не менее 3 м.

Проверка качества окорки проводится на трех обработанных бревнах.

Допуск равен процентному отношению площади неокоренной поверхности ко всей площади бревна.

ИНФОРМАЦИОННЫЕ ДАННЫЕ

1. РАЗРАБОТАН И ВНЕСЕН Министерством станкостроительной и инструментальной промышленности СССР

РАЗРАБОТЧИКИ

С.М. Хасдан, М.Н. Суворов, П.И. Ланда, Л.Д. Васильева

2. УТВЕРЖДЕН И ВВЕДЕН В ДЕЙСТВИЕ Постановлением Государственного комитета СССР по управлению качеством продукции и стандартам от 11.11.90 № 2803

3. Срок проверки - 1996 г. периодичность проверки - 5 лет

4. Стандарт полностью соответствует СТ СЭВ 5950-87, СТ СЭВ 6801-89

5. ВЗАМЕН ГОСТ 16021-80, ГОСТ 20561-89

6. ССЫЛОЧНЫЕ НОРМАТИВНО-ТЕХНИЧЕСКИЕ ДОКУМЕНТЫ

Обозначение НТД, на который дана ссылка

Номер пункта

ГОСТ 9463-88

3

ГОСТ 22298-76

3

ГОСТ 25338-82

2.1

СОДЕРЖАНИЕ

 




Rambler's Top100 Яндекс цитирования
  Copyright © 2008-2026, www.docload.ru