Бесплатная библиотека стандартов и нормативов www.docload.ru

Все документы, размещенные на этом сайте, не являются их официальным изданием и предназначены исключительно для ознакомительных целей.
Электронные копии этих документов могут распространяться без всяких ограничений. Вы можете размещать информацию с этого сайта на любом другом сайте.
Это некоммерческий сайт и здесь не продаются документы. Вы можете скачать их абсолютно бесплатно!
Содержимое сайта не нарушает чьих-либо авторских прав! Человек имеет право на информацию!

 

ГОСУДАРСТВЕННЫЙ СТАНДАРТ СОЮЗА ССР

ТИРИСТОРЫ

МЕТОД ИЗМЕРЕНИЯ
ИМПУЛЬСНОГО ЗАПИРАЮЩЕГО ТОКА УПРАВЛЕНИЯ, ИМПУЛЬСНОГО ЗАПИРАЮЩЕГО НАПРЯЖЕНИЯ УПРАВЛЕНИЯ, ИМПУЛЬСНОГО КОЭФФИЦИЕНТА ЗАПИРАНИЯ

ГОСТ 19138.7-74

ИПК ИЗДАТЕЛЬСТВО СТАНДАРТОВ

Москва

СОДЕРЖАНИЕ

ГОСУДАРСТВЕННЫЙ СТАНДАРТ СОЮЗА ССР

ТИРИСТОРЫ

МЕТОД ИЗМЕРЕНИЯ
ИМПУЛЬСНОГО ЗАПИРАЮЩЕГО ТОКА УПРАВЛЕНИЯ, ИМПУЛЬСНОГО ЗАПИРАЮЩЕГО НАПРЯЖЕНИЯ УПРАВЛЕНИЯ, ИМПУЛЬСНОГО КОЭФФИЦИЕНТА ЗАПИРАНИЯ

Thyristors. Measurement method of peak gate turn-off current, peak gate turn-off voltage, peak turn-off coefficient

ГОСТ
19138.7-74

Дата введения 01.07.75

Настоящий стандарт распространяется на триодные запираемые тиристоры малой и средней мощности с максимально допустимым постоянным током в открытом состоянии (Ioc) не более I0 A и устанавливает метод измерения импульсного запирающего тока управления Iу.з.и., импульсного запирающего напряжения управления тиристора Uy.з.и. и импульсного коэффициента запирания Ви*.

Общие условия при измерении и требования безопасности - по ГОСТ 19138.0.

Требования п. 1.1 настоящего стандарта являются обязательными, другие требования настоящего стандарта являются рекомендуемыми.

(Измененная редакция, Изм. № 2).

1. АППАРАТУРА

1.1. Измерительные установки, в которых для измерения используют стрелочные приборы, должны обеспечивать основную погрешность измерения в пределах ±10 % конечного значения рабочей части шкалы. Для измерительных установок с цифровым отсчетом основная погрешность измерения должна быть в пределах ±10 % измеряемой величины ±1 знак младшего разряда дискретного отсчета.

Погрешность при определении коэффициента Ви должна быть в пределах ±15 %.

2. ПОДГОТОВКА К ИЗМЕРЕНИЮ

2.1. В стандартах или технической документации, утвержденной в установленном порядке, на тиристоры конкретных типов должен быть задан следующий режим измерения:

прямое напряжение в закрытом состоянии тиристора;

прямой ток в открытом состоянии тиристора;

частота следования и длительность импульсов генератора импульсного запирающего тока управления тиристора.

(Измененная редакция, Изм. № 2).

*Импульсный коэффициент (Ви) - отношение прямого тока тиристора в открытом состоянии к импульсному запирающему току управления тиристора при заданном режиме в основной и управляющих цепях.

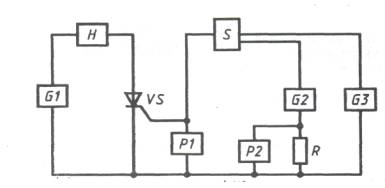
2.2. Принципиальная электрическая схема измерения тока Iузи и напряжения Uузи должна соответствовать указанной на черт. 1.

G1 - источник питания основной цепи; H - сигнальное устройство; Р1 - измеритель напряжения; Р2 - измеритель напряжения; S - коммутационное устройство; G2 - генератор импульсного запирающего тока управляющего электрода; G3 - генератор импульсного отпирающего тока управляющего электрода; R - резистор; VS - испытуемый тиристор

Черт - 1

2.3. Основные элементы схемы измерения должны удовлетворять следующим требованиям.

Источник питания (G1 должен обеспечивать в соответствии с требованиями п. 2.1 заданное значение основного прямого тока с погрешностью в пределах ±10 % и основного прямого напряжения с погрешностью в пределах ±5 %.

Постоянная времени основной цепи не должна быть более 0,2 tу выкл. Время выключения по управляющему электроду tу.выкл. указывают в стандартах или другой технической документации, утвержденной в установленном порядке, на тиристоры конкретных типов.

За время срабатывания сигнального устройства амплитуда тока Iузи не должна изменяться более чем на +5 %. Генератор G2 должен обеспечить заданную частоту следования и длительность импульсов тока, которые указывают в стандартах или другой технической документации, утвержденной в установленном порядке, на тиристоры конкретных типов.

Погрешность задания длительности импульсов должна быть в пределах ±10 %, спад плоской вершины - не более 10 %.

Выходное сопротивление генератора импульсного запирающего тока управляющего электрода Rвых.G2 в течение времени, равного времени запаздывания испытуемого тиристора tзп, должно удовлетворять условию

где R - резистор.

Значение сопротивления резистора R устанавливается с погрешностью в пределах ±1 %.

Основная погрешность измерителей напряжения Р1 и Р2 должна быть в пределах ±5 % конечного значения рабочей части шкалы при использовании стрелочных приборов и в пределах ±5 % измеряемой величины ±1 знак младшего разряда дискретного отсчета для цифровых приборов.

Входное сопротивление измерителя напряжения Р2 должно удовлетворять условию

Rвх.P2100 R.

Входное сопротивление измерителя Р1 должно удовлетворять условию

Амплитуда импульсного отпирающего тока управления тиристора IG3 на выходе генератора G3 должна удовлетворять условию

Iу.от.иIG3 > Iпр.у.и.max

где Iу.от.и - импульсный отпирающий ток управления тиристора;

Iпр.у.и.max - максимально допустимый импульсный прямой ток управления тиристора.

Коммутационное устройство осуществляет возможность поочередной подачи отпирающих и запирающих импульсов.

2.2, 2.3. (Измененная редакция, Изм. № 1, 2).

3. ПРОВЕДЕНИЕ ИЗМЕРЕНИЙ И ОБРАБОТКА РЕЗУЛЬТАТОВ

3.1. Измерение тока Iу.з.и. и напряжения Uу.з.и. производят в следующем порядке.

Тиристор подключают к измерительной установке. Устанавливают заданное значение напряжения на выходе источника G1. С помощью устройства S осуществляют поочередное подключение генераторов G2 и G3 к цепи управляющего электрода. Увеличивая амплитуду отрицательных запирающих импульсов тока на выходе генератора G2, с помощью Н отмечают момент переключения тиристора из открытого в закрытое состояние. Значение тока Iу.з.и. определяют по формуле

где UP2 - показание измерителя Р2.

Напряжение Uy.з.м измеряют измерителем P1

Коэффициент Ви определяют по формуле

где Iо.с. - основной прямой ток, протекающий перед моментом переключения тиристора в закрытое состояние.

(Измененная редакция, Изм. № 1, 2).

3.2. Диаграммы тока и напряжения приведены на черт. 2.

Черт. 2

(Измененная редакция, Изм. № 2).

ПРИЛОЖЕНИЕ. (Исключено, Изм. № 1).

ИНФОРМАЦИОННЫЕ ДАННЫЕ

1. УТВЕРЖДЕН И ВВЕДЕН В ДЕЙСТВИЕ Постановлением Государственного комитета стандартов Совета Министров СССР от 21 января 1974 г. № 189

Изменение № 2 принято Межгосударственным Советом по стандартизации, метрологии и сертификации (протокол № 3 от 18.02.93)

Зарегистрировано Техническим секретариатом МГС № 1441

За принятие проголосовали:

Наименование государства

Наименование национального органа по стандартизации

Азербайджанская Республика

Республика Армения

Республика Белоруссия

Грузия

Республика Казахстан

Республика Молдова

Российская Федерация

Туркменистан

Республика Узбекистан

Украина

Азгосстандарт

Армгосстандарт

Госстандарт Белоруссии

Грузстандарт

Госстандарт Республики Казахстан

Молдовастандарт

Госстандарт России

Главная государственная инспекция Туркменистана

Узгосстандарт

Госстандарт Украины

2. ВВЕДЕН ВПЕРВЫЕ

3. ССЫЛОЧНЫЕ НОРМАТИВНО-ТЕХНИЧЕСКИЕ ДОКУМЕНТЫ

Обозначение НТД, на который дана ссылка

Раздел

ГОСТ 19138.0-85

Вводная часть

4. Ограничение срока действия снято по протоколу Межгосударственного Совета по стандартизации, метрологии и сертификации (ИУС 2-93)

5. ПЕРЕИЗДАНИЕ (март 1998 г.) с Изменениями № 1, 2, утвержденными в августе 1982 г., июле 1995 г. (ИУС 12-82, 10-95)




Rambler's Top100 Яндекс цитирования
  Copyright © 2008-2026, www.docload.ru