ГОСТ
19306-98
МЕЖГОСУДАРСТВЕННЫЙ СТАНДАРТ
ИЗЛОЖНИЦЫ ЦЕНТРОБЕЖНЫЕ С РЕЗЬБОВЫМ ХВОСТОВИКОМ И
ЦЕНТРОБЕЖНЫМИ ЗАМКАМИ
Конструкция и размеры
МЕЖГОСУДАРСТВЕННЫЙ СОВЕТ ПО СТАНДАРТИЗАЦИИ, МЕТРОЛОГИИ
И СЕРТИФИКАЦИИ
Минск
Предисловие
1. РАЗРАБОТАН Межгосударственным техническим комитетом
МТК 252 «Литейное производство»
ВНЕСЕН
Госстандартом России
2. ПРИНЯТ Межгосударственным Советом по
стандартизации, метрологии и сертификации (протокол № 14-98 от 12 ноября 1998
г.)
За принятие
проголосовали:
|
Наименование государства
|
Наименование национального органа по
стандартизации
|
|
Азербайджанская Республика
Республика Беларусь
Республика Казахстан
Киргизская Республика
Российская Федерация
Республика Таджикистан
Туркменистан
Республика Узбекистан
Украина
|
Азгосстандарт
Госстандарт Беларуси
Госстандарт Республики Казахстан
Киргизстандарт
Госстандарт России
Таджикгосстандарт
Главная государственная инспекция Туркменистана
Узгосстандарт
Госстандарт Украины
|
3. Постановлением Государственного комитета Российской
Федерации по стандартизации и метрологии от 23 июля 1999
г. № 210-ст межгосударственный стандарт ГОСТ 19306-98
введен в действие непосредственно в качестве государственного стандарта
Российской Федерации с 1 января 2000
г.
4. ВЗАМЕН ГОСТ 19306-73
Содержание
МЕЖГОСУДАРСТВЕННЫЙ СТАНДАРТ
|
ИЗЛОЖНИЦЫ ЦЕНТРОБЕЖНЫЕ С РЕЗЬБОВЫМ ХВОСТОВИКОМ И
ЦЕНТРОБЕЖНЫМИ ЗАМКАМИ
Конструкция и размеры
Centrifugal moulds with
threaded shank and centrifugal locks. Construction and dimensions
|
Дата введения 2000-01-01
Настоящий стандарт распространяется на
центробежные изложницы с резьбовым хвостовиком и центробежными замками для
однопозиционных машин центробежного литья консольного типа с горизонтальной
осью вращения, предназначенные для изготовления втулок из стали, чугуна и
цветных сплавов.
Стандарт пригоден для целей сертификации.
Требования настоящего стандарта являются
обязательными.
В настоящем стандарте использованы ссылки
на следующие стандарты:
ГОСТ 977-88 Отливки
стальные. Общие технические условия
ГОСТ 1412-85 Чугун
с пластинчатым графитом для отливок. Марки
ГОСТ
1483-84 Винты установочные с шестигранной головкой и ступенчатым концом с
конусом классов точности А и В. Конструкция и размеры
ГОСТ
5915-70 Гайки шестигранные класса точности В. Конструкция и размеры
ГОСТ 7293-85 Чугун с
шаровидным графитом для отливок. Марки
ГОСТ
7798-70 Болты с шестигранной головкой класса точности В. Конструкция и
размеры
ГОСТ
16093-81 Основные нормы взаимозаменяемости. Резьба метрическая. Допуски.
Посадки с зазором
ГОСТ
19310-98 Выталкиватели для центробежных изложниц. Конструкция и размеры
ГОСТ 19311-98
Крышки для центробежных изложниц. Конструкция и размеры
ГОСТ
19313-98 Замки центробежные для центробежных изложниц. Конструкция и
размеры
ГОСТ
19315-98 Хомуты тройные для центробежных изложниц. Конструкция и размеры
ГОСТ
24705-81 Основные нормы взаимозаменяемости. Резьба метрическая. Основные
размеры
3.1 Конструкция и размеры центробежных
изложниц должны соответствовать указанным на рисунке 1 и в таблицах 1 и 2.

*
Размеры для справок.
1 - изложница; 2 - выталкиватель; 3 - крышка; 4 - центробежный замок; 5
- тройной хомут; 6 - установочный
винт; 7 - болт M16-6gx60 88 35 05 по ГОСТ
7798; 8 - гайка М16-6Н.5.05
по ГОСТ 5915;
9 - шток выталкивателя; 10 - шпиндель машины
Рисунок 1
Таблица 1
Размеры в миллиметрах
|
Обозначение
центробежных изложниц
|
d
|
I
|
L
|
D
|
Масса изложниц, кг, не более
|
|
из чугуна
|
из стали
|
|
0570-0221
|
80
|
160
|
395
|
320
|
39,4
|
39,7
|
|
0570-0222
|
180
|
415
|
40,9
|
41,8
|
|
0570-0223
|
200
|
435
|
42,8
|
43,2
|
|
0570-0224
|
90
|
160
|
395
|
330
|
42,4
|
42,7
|
|
0570-0225
|
180
|
415
|
44,1
|
44,5
|
|
0570-0226
|
200
|
435
|
45,2
|
45,6
|
|
0570-0227
|
250
|
485
|
51,2
|
51,6
|
|
0570-0228
|
100
|
160
|
395
|
340
|
45,1
|
45,5
|
|
0570-0229
|
180
|
415
|
47,3
|
47,7
|
|
0570-0231
|
200
|
435
|
49,3
|
49,7
|
|
0570-0232
|
250
|
485
|
54,6
|
55,2
|
|
0570-0233
|
110
|
160
|
395
|
350
|
48,1
|
48,5
|
|
0570-0234
|
180
|
415
|
50,4
|
50,8
|
|
0570-0235
|
200
|
435
|
52 ,1
|
52,5
|
|
0570-0236
|
250
|
485
|
58,2
|
58,7
|
|
0570-0237
|
125
|
200
|
435
|
385
|
65,7
|
66,2
|
|
0570-0238
|
250
|
485
|
72,7
|
73,3
|
|
0570-0239
|
320
|
555
|
82,2
|
83,0
|
|
0570-0241
|
140
|
200
|
435
|
405
|
74,5
|
75,2
|
|
0570-0242
|
250
|
485
|
82,4
|
83,2
|
|
0570-0243
|
320
|
555
|
94,9
|
95,7
|
|
0570-0244
|
160
|
200
|
435
|
425
|
82,3
|
83,0
|
|
0570-0245
|
250
|
485
|
91,0
|
91,8
|
|
0570-0246
|
320
|
555
|
103,6
|
104,5
|
|
0570-0247
|
180
|
200
|
435
|
445
|
91,4
|
92,2
|
|
0570-0248
|
250
|
485
|
99,8
|
100,6
|
|
0570-0249
|
320
|
555
|
114,2
|
115,2
|
|
0570-0201
|
200
|
200
|
435
|
465
|
100,6
|
101,4
|
|
0570-0202
|
250
|
485
|
111,1
|
112,2
|
|
0570-0203
|
320
|
555
|
126,0
|
127,0
|
|
0570-0204
|
220
|
200
|
435
|
495
|
125,3
|
126,3
|
|
0570-0205
|
250
|
485
|
138,8
|
140,0
|
|
0570-0206
|
320
|
555
|
156,8
|
158,2
|
|
0570-0207
|
250
|
200
|
435
|
555
|
145,2
|
146,4
|
|
0570-0208
|
250
|
485
|
163,7
|
165,0
|
|
0570-0209
|
320
|
555
|
180,6
|
182,2
|
|
0570-0210
|
280
|
200
|
435
|
585
|
162,1
|
163,4
|
|
0570-0211
|
250
|
485
|
178,4
|
179,8
|
|
0570-0212
|
320
|
555
|
201,4
|
203,0
|
Таблица 2
|
Обозначение
центробежных изложниц
|
Поз.1 Изложница
|
Поз.2 Выталкиватель ГОСТ
19310
|
Поз.3* Крышка ГОСТ 19311
|
Поз.4
Замок
центробежный ГОСТ
19313
|
Поз.5
Хомут
тройной ГОСТ
19315
|
Поз.
6
Винт
установочный ГОСТ
1483
|
|
Обозначение
деталей
|
|
0570-0221
|
0570-0221/001
|
0554-0003
|
0556-0051;
0556-0052
|
0557-0204
|
0559-0211
|
В.М16-6g×45.14H.05
|
|
0570-0222
|
0570-0222/001
|
|
0570-0223
|
0570-0223/001
|
|
0570-0224
|
0570-0224/001
|
0554-0004
|
0556-0053;
0556-0054
|
0559-0212
|
|
0570-0225
|
0570-0225/001
|
|
0570-0226
|
0570-0226/001
|
|
0570-0227
|
0570-0227/001
|
|
0570-0228
|
0570-0228/001
|
0554-0005
|
0556-0055;
0556-0056
|
0559-0213
|
|
0570-0229
|
0570-0229/001
|
|
0570-0231
|
0570-0231/001
|
|
0570-0232
|
0570-0232/001
|
|
0570-0233
|
0570-0233/001
|
0554-0006
|
0556-0057;
0556-0058
|
0559-0214
|
|
0570-0234
|
0570-0234/001
|
|
0570-0235
|
0570-0235/001
|
|
0570-0236
|
0570-0236/001
|
|
0570-0237
|
0570-0237/001
|
0554-0007
|
0556-0059
|
0559-0215
|
В.М16-6g×70.14H.05
|
|
0570-0238
|
0570-0238/001
|
|
0570-0239
|
0570-0239/001
|
|
0570-0241
|
0570-0241/001
|
0554-0008
|
0556-0062;
0556-0063
|
0557-0201
|
0559-0216
|
В.М16-6g×60.14H.05
|
|
0570-0242
|
0570-0242/001
|
|
0570-0243
|
0570-0243/001
|
|
0570-0244
|
LJ3570-0244/001
|
0554-0009
|
0556-0064;
0556-0065
|
0559-0217
|
В.М16-
6g×70.14H.05
|
|
0570-0245
|
0570-0245/001
|
|
0570-0246
|
0570-0246/001
|
|
0570-0247
|
0570-0247/001
|
0554-0010
|
0556-0066;
0556-0067
|
0559-0201
|
|
0570-0248
|
0570-0248/001
|
|
0570-0249
|
0570-0249/001
|
|
0570-0201
|
0570-0201/001
|
0554-0011
|
0556-0207;
0556-0208
|
0559-0202
|
|
0570-0202
|
0570-0202/001
|
|
0570-0203
|
0570-0203/001
|
|
0570-0204
|
0570-0204/001
|
0554-0012
|
0556-0209
|
0559-0203
|
|
0570-0205
|
0570-0205/001
|
|
0570-0206
|
0570-0206/001
|
|
0570-0207
|
0570-0207/001
|
0554-0013
|
0556-0211;
0556-0212
|
0557-0202
|
0559-0204
|
|
0570-0208
|
0570-0208/001
|
|
0570-0209
|
0570-0209/001
|
|
0570-0210
|
0570-0210/001
|
0554-0014
|
0556-0219
|
0559-0205
|
|
0570-0211
|
0570-0211/001
|
|
0570-0212
|
0570-0212/001
|
|
*
Применение крышки определяется конструктивно.
|
Пример
условного обозначения центробежной изложницы
размерами d -=80 мм, l = 160 мм:
Изложница центробежная 0570-0221 ГОСТ 19306-98
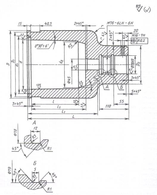
3.2 Конструкция и размеры изложниц (поз.
1) должны соответствовать указанным на рисунке 2 и в таблице 3.

Рисунок 2
Таблица 3
Размеры
в миллиметрах
|
Обозначение
изложниц
|
d
|
l
|
d1
|
d2 Н11
|
D
|
D1
|
D2
|
l1
|
L
|
L1
|
г
|
Масса
изложницы, кг, не более
|
|
из
чугуна
|
из
стали
|
|
0570-0221/001
|
80
|
160
|
100
|
70
|
150
|
140
|
140
|
180
|
360
|
240
|
10
|
31,3
|
31,6
|
|
0570-0222/001
|
180
|
200
|
380
|
260
|
32,8
|
33,2
|
|
0570-0223/001
|
200
|
220
|
400
|
280
|
34,7
|
35,2
|
|
0570-0224/001
|
90
|
160
|
110
|
80
|
160
|
150
|
185
|
360
|
240
|
20
|
33,8
|
34,2
|
|
0570-0225/001
|
180
|
205
|
380
|
260
|
35,5
|
36,0
|
|
0570-0226/001
|
200
|
225
|
400
|
280
|
37,6
|
38,2
|
|
0570-0227/001
|
250
|
275
|
450
|
330
|
42,6
|
43,0
|
|
0570-0228/001
|
100
|
160
|
120
|
90
|
170
|
160
|
185
|
360
|
240
|
35,8
|
36,2
|
|
0570-0229/001
|
180
|
205
|
380
|
260
|
38,0
|
38,4
|
|
0570-0231/001
|
200
|
225
|
400
|
280
|
40,0
|
40,4
|
|
0570-0232/001
|
250
|
275
|
450
|
330
|
45,3
|
45,8
|
|
0570-0233/001
|
110
|
160
|
130
|
100
|
180
|
170
|
185
|
360
|
240
|
J583
|
38,7
|
|
0570-0234/001
|
180
|
205
|
380
|
260
|
40,6
|
41,0
|
|
0570-0235/001
|
200
|
225
|
400
|
280
|
42,3
|
42,7
|
|
0570-0236/001
|
250
|
275
|
450
|
330
|
48,4
|
49,0
|
|
0570-0237/001
|
125
|
200
|
145
|
115
|
200
|
190
|
160
|
230
|
400
|
280
|
30
|
54,0
|
54,5
|
|
0570-0238/001
|
250
|
280
|
450
|
330
|
61,0
|
61,6
|
|
0570-0239/001
|
320
|
350
|
520
|
400
|
70,5
|
71,2
|
|
0570-0241/001
|
140
|
200
|
160
|
130
|
220
|
210
|
230
|
400
|
280
|
61,6
|
62,2
|
|
0570-0242/001
|
250
|
280
|
450
|
330
|
69,5
|
70,2
|
|
0570-0244/001
|
160
|
200
|
180
|
150
|
240
|
230
|
230
|
400
|
280
|
67,7
|
68,4
|
|
0570-0245/001
|
250
|
280
|
450
|
330
|
76,4
|
75,2
|
|
0570-0246/001
|
320
|
350
|
520
|
400
|
89,0
|
90,0
|
|
0570-0247/001
|
180
|
200
|
200
|
170
|
260
|
250
|
230
|
400
|
280
|
75,0
|
75,8
|
|
0570-0248/001
|
250
|
280
|
450
|
330
|
83,4
|
84,2
|
|
0570-0249/001
|
320
|
350
|
520
|
400
|
97,8
|
98,8
|
|
0570-0202/001
|
200
|
250
|
220
|
190
|
280
|
270
|
280
|
450
|
330
|
91,5
|
92,5
|
|
0570-0203/001
|
320
|
350
|
520
|
400
|
106,4
|
107,2
|
|
0570-0204/001
|
220
|
200
|
240
|
210
|
310
|
300
|
180
|
230
|
400
|
280
|
45
|
102,0
|
103,0
|
|
0570-0205/001
|
250
|
280
|
450
|
330
|
115,5
|
116,6
|
|
0570-0206/001
|
320
|
350
|
520
|
400
|
133,5
|
134,8
|
|
0570-0207/001
|
250
|
200
|
270
|
340
|
330
|
320
|
230
|
400
|
280
|
112,9
|
114,0
|
|
0570-0208/001
|
250
|
280
|
450
|
330
|
131,4
|
132,7
|
|
0570-0209/001
|
320
|
350
|
520
|
400
|
148,3
|
149,8
|
|
0570-0210/001
|
280
|
200
|
300
|
270
|
370
|
360
|
230
|
400
|
280
|
124,7
|
126,0
|
|
0570-0211/001
|
250
|
280
|
450
|
330
|
141,0
|
142,4
|
|
0570-0212/001
|
320
|
350
|
520
|
400
|
164,0
|
165,6
|
Пример
условного обозначения изложницы размерами
d = 80
мм, l =
160 мм:
Изложница 0570-0221/001 ГОСТ 19306-98
3.3. Материал:
- изложниц для литья втулок из цветных
сплавов - чугун марки СЧ 20 по ГОСТ 1412 или
сталь марки 35Л по ГОСТ 977;
-изложниц для литья втулок из чугуна и
стали - высокопрочный чугун марки ВЧ 50 по ГОСТ 7293 или сталь
марки 35Л по ГОСТ 977.
3.4. Неуказанные предельные
отклонения размеров: Н14, h14, ± .
3.5. Резьба - по ГОСТ
24705, поля допусков - по ГОСТ
16093.
3.6. Центробежные изложницы,
устанавливаемые на вал машины с вращением против часовой стрелки, должны
изготовляться с правой резьбой. Направление вращения определяют со стороны
установки изложницы.
3.7. Остальные технические
требования - по ГОСТ 19316.
Ключевые
слова: центробежные изложницы,
центробежные изложницы с резьбовым хвостовиком и центробежными замками
|