Бесплатная библиотека стандартов и нормативов www.docload.ru

Все документы, размещенные на этом сайте, не являются их официальным изданием и предназначены исключительно для ознакомительных целей.
Электронные копии этих документов могут распространяться без всяких ограничений. Вы можете размещать информацию с этого сайта на любом другом сайте.
Это некоммерческий сайт и здесь не продаются документы. Вы можете скачать их абсолютно бесплатно!
Содержимое сайта не нарушает чьих-либо авторских прав! Человек имеет право на информацию!

 

ГОСТ 21103-75

ТОПЛИВО ДЛЯ РЕАКТИВНЫХ
ДВИГАТЕЛЕЙ

МЕТОД ОПРЕДЕЛЕНИЯ МЫЛ НАФТЕНОВЫХ КИСЛОТ

ИПК ИЗДАТЕЛЬСТВО СТАНДАРТОВ

Москва

МЕЖГОСУДАРСТВЕННЫЙ СТАНДАРТ

Постановлением Государственного комитета стандартов Совета Министров СССР от 21 августа 1975 г. № 2209 дата введения установлена

01.01.77

Ограничение срока действия снято Постановлением Госстандарта от 28.11.91 № 1834

Настоящий стандарт распространяется на топливо для реактивных двигателей и устанавливает метод определения мыл нафтеновых кислот.

Сущность метода заключается в фильтровании испытуемого топлива через мембранный фильтр, гидролизе мыл, содержащихся в полученном осадке, и фиксировании окраски водного раствора в присутствии фенолфталеина.

Стандарт соответствует полностью СТ СЭВ 757-77.

(Измененная редакция, Изм. № 1).

1. АППАРАТУРА, РЕАКТИВЫ И МАТЕРИАЛЫ

1.1. Для определения мыл нафтеновых кислот применяют:

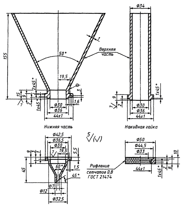
воронки для фильтрования с цилиндрической или конической верхней частью (черт. 1) из нержавеющей стали (внутренние поверхности всех деталей воронки - полированные), верхняя часть воронки соединяется с нижней частью накидной гайкой;

сетки латунные тканые с квадратными ячейками нормальной точности № 016-02 по ГОСТ 6613-86, вырезанные в виде кругов наружным диаметром 35 мм, под мембранные фильтры;

прокладки хлорвиниловые или фибровые толщиной 0,3 - 0,5 мм, вырезанные в виде кольца с наружным диаметром 35 мм и внутренним диаметром 30 мм;

стекла часовые диаметром 40 - 50 мм или стекла обычные того же диаметра;

колбы конические по ГОСТ 25336-82, вместимостью 500 см3;

стаканы по ГОСТ 25336-82, вместимостью 50 см3;

бюретку 1-1-0,01 или 2-1-0,01 или 3-1-0,01 по ГОСТ 29251-91, любого класса точности;

промывалку с резиновой грушей;

колпак стеклянный или чашку кристаллизационную цилиндрическую с наружным диаметром 150 - 200 мм по ГОСТ 25336-82;

Воронка для фильтрования

Черт. 1

вставку для эксикатора 1-128 по ГОСТ 9147-80 или вставку для эксикатора 1-175 по ГОСТ 9147-80, являющуюся подставкой для стеклянного колпака или кристаллизационной чашки (черт. 2);

Кристаллизационная чашка со вставкой для эксикатора

Черт. 2

палочку стеклянную длиной 150 - 200 мм, диаметром 4 - 5 мм с наконечником из хлорвиниловой трубки длиной 15 - 20 мм;

фильтры мембранные (нитроцеллюлозные) № 4 и 5: фильтр № 4 - для фильтрования топлив с кинематической вязкостью при 20 °С до 20-6 м2/с (2 сСт) включительно, фильтр № 5 - для фильтрования топлив с кинематической вязкостью при 20 °С более 20-6 м2/с (2 сСт);

растворители - изооктан эталонный по ГОСТ 12433-83 или бензиновая фракция, выкипающая до 100 °С;

кислоту соляную по ГОСТ 3118-77, 0,01 моль/дм3 (0,01 н.) раствор;

фенолфталеин (индикатор) по нормативному документу, 1 %-ный спиртовой раствор;

воду дистиллированную по ГОСТ 6709-72.

(Измененная редакция, Изм. № 1, 2).

2. ПОДГОТОВКА К ИСПЫТАНИЮ

2.1. Дистиллированную воду проверяют на нейтральность: 5 см3 дистиллированной воды и 2 - 3 капли фенолфталеина кипятят в стакане 2 мин. Воду подвергают вторичной перегонке, если остаток в стакане после упаривания окрашен в розовый цвет.

2.2. Растворитель фильтруют через мембранный фильтр того же номера, что и топливо при проведении испытания.

2.3. В колбу, вымытую, высушенную и закрывающуюся корковой пробкой, обернутой хлорвиниловой или пластмассовой пленкой, стойкой к воздействию топлив и неотделяющей механических примесей, берут 400 см3 испытуемого топлива из тщательно перемешанной в течение 3 мин пробы.

2.4. Внутреннюю поверхность воронки для фильтрования, сетку под мембранный фильтр и прокладки для удаления с них механических примесей тщательно протирают чистой тряпкой, смоченной изооктаном или бензиновой фракцией, и сушат на воздухе.

2.5. Мембранный фильтр блестящей стороной вверх устанавливают в раструб нижней части воронки, на предварительно положенные латунную сетку и прокладку. Далее надевают верхнюю часть воронки и завинчивают накидную гайку так, чтобы не было течи топлива в местах соединений, и укрепляют воронку в штативе.

Примечание. Допускается устанавливать мембранный фильтр в воронке без латунной сетки и прокладки. Топливо осторожно фильтруют во избежание прорыва фильтра стеклянной палочкой или сильной струей растворителя.

3. ПРОВЕДЕНИЕ ИСПЫТАНИЯ

3.1. Хорошо перемешанное топливо фильтруют через мембранный фильтр в чистую сухую коническую колбу, наливая его в воронку по стеклянной палочке порциями или одновременно, в зависимости от объема воронки.

По окончании фильтрования тщательно промывают склянку, в которой было испытуемое топливо, частью фильтрата и снова фильтруют в ту же коническую колбу. Частицы механических примесей, прилипшие к стенкам воронки, снимают стеклянной палочкой с наконечником, с которой затем смывают их на мембранный фильтр растворителем из промывалки. Внутреннюю поверхность воронки и остатки топлива с мембранного фильтра промывают тем же растворителем.

3.2. Мембранный фильтр с осадком пинцетом вынимают из воронки, помещают на стекло и сушат 20 мин при комнатной температуре на фарфоровой вставке или металлической пластинке под стеклянным колпаком или кристаллизационной чашкой (см. черт. 2). Между колпаком или чашкой и вставкой для эксикатора должна быть щель для циркуляции воздуха.

(Измененная редакция, Изм. № 1).

3.3. Мембранный фильтр с осадком пинцетом переносят в стакан вместимостью 50 см3, добавляют 5 см3 дистиллированной воды, проверенной на нейтральность, 2 - 3 капли 1 %-ного спиртового раствора фенолфталеина и кипятят 2 мин, избегая разбрызгивания. По окончании кипячения фиксируют окраску водного раствора.

Примечание. Допускается для определения содержания мыл нафтеновых кислот использовать фильтр с осадком после определения содержания механических примесей в испытуемом топливе по ГОСТ 10577-78.

3.4. При необходимости количественного определения мыл нафтеновых кислот в топливе для реактивных двигателей горячий водный раствор (сразу после кипячения) титруют 0,01 моль/дм3 (0,01 н.) раствором соляной кислоты до полного обесцвечивания.

(Измененная редакция, Изм. № 2).

4. ОБРАБОТКА РЕЗУЛЬТАТОВ

4.1. Топливо для реактивных двигателей считается не содержащим мыл нафтеновых кислот при отсутствии окрашивания водного раствора после 2 мин кипячения фильтра с осадком.

4.2. При количественном определении массовую долю мыл нафтеновых кислот (X) в процентах вычисляют по формуле

,

где V - объем точно 0,01 моль/дм3 (0,01 н.) раствора соляной кислоты, израсходованный на титрование испытуемого топлива, см3;

400 - количество испытуемого топлива, см3;

r - плотность испытуемого топлива при температуре испытания, г/см3;

m - средняя молекулярная масса мыл нафтеновых кислот:

240 - для топлив плотностью 0,775 - 0,800 г/см3;

270 - для топлив плотностью более 0,800 г/см3.

(Измененная редакция, Изм. № 2).

ПРИЛОЖЕНИЕ

Справочное

Информационные данные о соответствии ГОСТ 21103-75 с изменением № 1 и СТ СЭВ 757-77

Вводная часть ГОСТ 21103-75 соответствует разд. 1 СТ СЭВ 757-77;

разд. 1 соответствует разд. 2;

разд. 2 соответствует разд. 3;

разд. 3 соответствует разд. 4;

разд. 4 соответствует разд. 5.

(Введено дополнительно, Изм. № 1).

СОДЕРЖАНИЕ

1. АППАРАТУРА, РЕАКТИВЫ И МАТЕРИАЛЫ 1

2. ПОДГОТОВКА К ИСПЫТАНИЮ 2

3. ПРОВЕДЕНИЕ ИСПЫТАНИЯ 2

4. ОБРАБОТКА РЕЗУЛЬТАТОВ 3

ПРИЛОЖЕНИЕ 3

Информационные данные о соответствии ГОСТ 21103-75 с изменением № 1 и СТ СЭВ 757-77 3

 




Rambler's Top100 Яндекс цитирования
  Copyright © 2008-2026, www.docload.ru