|
|
ГОСТ 23702-90 МЕЖГОСУДАРСТВЕННЫЙ
СТАНДАРТ КОНТРОЛЬ НЕРАЗРУШАЮЩИЙ ПРЕОБРАЗОВАТЕЛИ
УЛЬТРАЗВУКОВЫЕ МЕТОДЫ ИСПЫТАНИЙ ИПК ИЗДАТЕЛЬСТВО СТАНДАРТОВ Москва МЕЖГОСУДАРСТВЕННЫЙ
СТАНДАРТ
Дата введения 01.01.92 Настоящий стандарт распространяется на ультразвуковые
пьезоэлектрические преобразователи по ГОСТ
26266 (далее - ПЭП), имеющие рабочую область частот в диапазоне от 0,16 до
30,0 МГц и предназначенные для работы в составе ультразвуковых приборов
неразрушающего контроля (далее - УПНК) при эхо- и теневых методах контроля. Стандарт устанавливает обязательные требования к методам измерения основных параметров (далее - параметры) и испытаний ПЭП по пп. 2.3, 2.8, 2.18. при проведении испытаний и поверки. Перечень основных параметров ПЭП приведен в ГОСТ 26266. 1. ОБЩИЕ ТРЕБОВАНИЯ1.1. Нормальные климатические условия измерения должны
быть следующие: - температура окружающего воздуха (20±5) °С; - температура воды в иммерсионной ванне (20±5) °С; - атмосферное давление (96±10) кПа; - относительная влажность воздуха (60±15) %. 1.2. Напряжение и частота переменного тока питания
измерительной аппаратуры должны соответствовать требованиям стандартов и
технических условий на приборы конкретного типа. Вибрации, внешние электрические и магнитные поля должны
находиться в пределах, установленных в стандартах и технических условиях на
УПНК и измерительную аппаратуру. 1.3. Время прогрева приборов, используемых при проведении
измерений, устанавливают в соответствии с эксплуатационной документацией на эти
приборы. 1.4. При измерении параметров иммерсионных ПЭП не
допускается наличие пузырьков воздуха на их поверхности и на поверхности
отражателя. 1.5. Если совместная работа ПЭП с УПНК предусматривает
использование согласующих устройств (трансформаторов, корректирующих цепей и т.
п.), их схемы и условия подключения к ПЭП при проведении измерений должны быть
указаны в технических условиях на ПЭП конкретных типов. 1.6. При измерении параметров передаточной функции
импульсной характеристики и электрического сопротивления подключают ПЭП к
измерительной установке кабелем, если его длина не менее 500 мм, в противном
случае - соединительным кабелем, имеющим параметры: емкость (60±3) пФ; волновое
сопротивление (5±3) Ом; коэффициент затухания на частоте 10 МГц - не более 0,1
дБ/м. 1.7. Измерения параметров ПЭП, выполняемые
совместно с УПНК, следует проводить с электронным блоком УПНК, аттестованным в
установленном порядке. ПЭП подключают к электронному блоку УПНК согласно
эксплуатационной документации на УПНК. Допускается вместо электронного блока
УПНК использовать только его блок генератора импульсов возбуждения и (или) блок
приемника. 1.8. При
проведении измерений временную регулировку чувствительности и отсечку
электронных блоков УПНК отключают во всех случаях, кроме специально указанных в
технических условиях на приборы конкретного типа. 1.9. Требования к стандартным образцам или
акустическим нагрузкам, используемым при измерении АРД-диаграммы, отношения
сигнал/шум, функции шумов и функции влияния, а также требования к стандартным
образцам, используемым при измерениях импульсного коэффициента преобразования 1.10. При указании
значений параметров ПЭП в эксплуатационной документации должны быть приведены
условные обозначения акустических нагрузок, отражателей и расстояния от ПЭП до
отражателей согласно приложению 1. 1.11. При выполнении измерений параметров
контактных ПЭП перед их установкой на акустические нагрузки или стандартные
образцы рабочие поверхности акустических нагрузок и стандартных образцов
необходимо смазать контактной жидкостью, тип которой устанавливают в
технических условиях на ПЭП конкретных типов. 1.12. Используемые
средства измерений, приборы, акустические нагрузки и стандартные образцы должны
быть аттестованы в установленном порядке. Перечень рекомендуемых средств
измерений приведен в приложении 2. 2. МЕТОДЫ ИЗМЕРЕНИЙ И ИСПЫТАНИЙ2.1.
Метод измерения импульсного коэффициента преобразования
| ||||||||||||||||||||||||||||||||||||||||||||||||||||||||||||||||||||||||||||||||||||||||||||||||||||||||||||||||||||||||||||||||||||||||||||||||||||||||||||||||||||||||||||||||||||||||||||||||||||||||||||||||||||||||||||||||||||||||||||||||||||||||||||||||||||||||||||||||||||||||||||||||||||||||||||||||||||||||||||||||||||||||||||||||||||||||
|
Диапазон частот, МГц |
Материал |
Высота Н или радиус R, мм |
Параметр шерохова |
Допуск плос |
Допуск цилиндри |
Затухание звука αf, дБ/мм, не
более |
Скорость звука, м/с |
Длина (диаметр) L, мм, не менее |
Ширина S, мм, не менее |
|
0,16 - 1,0 |
Органическое стекло по ГОСТ
17622 |
75 ± 1, 125 ± 1 |
Rz 20,0 |
0,05 |
0,1 |
0,1 |
2710 ± 100 |
250 |
200 |
|
1,0 - 14,0 |
Алюминиевый сплав Д16Т по ГОСТ
4784 |
25 ± 0,5, 50 ± 0,75 |
Ra 2,5 |
0,02 |
0,04 |
0,05 |
6420 ± 100 |
90 |
70 |
|
0,6 - 7,5 |
Сталь 45 по ГОСТ
1050 |
25 ± 0,5, 50 ± 0,75, 75 ± 1 |
Ra 0,63 |
0,02 |
0,04 |
0,05 |
5915 ± 100 |
90 |
70 |
|
5,0 - 30,0 |
Стекло кварцевое по ГОСТ
15130 |
25 ± 0,5, 50 ± 0,75 |
Ra 0,32 |
0,01 |
0,02 |
0,05 |
5970 ± 100 |
50 |
|
Примечание. Вместо алюминиевого сплава Д16Т допускается использовать сплав Д16ТПП
по ГОСТ
21488, если значения скорости и затухания звука в нем такие, как
приведенные в табл. 1.
Акустические нагрузки должны быть аттестованы по
коэффициенту затухания в рабочем диапазоне частот с погрешностью
, дБ/мм (z - высота Н или радиус R нагрузки,
мм).
Акустической нагрузкой иммерсионных ПЭП служит питьевая вода по ГОСТ 2874*, в которой на расстоянии z от ПЭП находится плоский отражатель.
*
На территории Российской Федерации действует ГОСТ
Р 51232-98
Плоский отражатель должен представлять собой прямой
цилиндр (параллелепипед) из нержавеющей стали, удовлетворяющий условиям: высота
(tN - длительность эхо-импульса по ГОСТ
26266, v -
скорость звука в стали); диаметр основания (сторона прямоугольника) не менее 60
мм; параметр шероховатости рабочей поверхности основания Ra ≤ 0,63 мкм;
допуск плоскостности 0,02 мм.
Электронный блок УПНК должен соответствовать п. 1.7.
2.1.2. Подготовка и проведение измерений
Выбирают акустическую нагрузку для контактных ПЭП в зависимости от частотного диапазона (см. табл. 1) и типа ПЭП. Схема расположения ПЭП на нагрузке должна соответствовать черт. 4 - 6, при этом каждой из указанных схем соответствуют следующие ПЭП: черт. 4 - контактные, контактно-иммерсионные прямые; черт. 5 - наклонные; черт. 6 - иммерсионные.

При измерении по схеме черт. 6
значения z выбирают из
ряда z = 5п мм,
где n = 1,2,3,….
Для ПЭП, у которых нормируют фокусное расстояние F, значение z устанавливают
равным F.
Подключают ПЭП к установке и, притирая его к поверхности
нагрузки, добиваются устойчивого повторения максимального значения эхо-сигнала.
При измерении по схеме черт. 6 следует, изменяя
ориентацию ПЭП относительно отражающей поверхности, добиваться максимального
значения эхо-сигнала.
Измеряют с помощью
осциллографа значения параметров эхо-импульса
,
,
, максимальное значение амплитуды (размаха) эхо-импульса,
максимальное значение амплитуды (размаха) электрического напряжения возбуждения
ПЭП и длительность полупериодов. Отклонением
от его номинального
значения является разность между измеренным и номинальным значениями.
При малых
значениях эхо-сигнала допускается выключать между ПЭП и осциллографом
широкополосный усилитель и ограничитель амплитуд импульсов возбуждения.
2.1.3. Импульсный
коэффициент преобразования
, дБ, вычисляют по формуле
, (1)
где Uи, Um - максимальные
значения амплитуд (размаха) электрического напряжения возбуждения ПЭП и эхо и
импульса, соответственно, В; Ку - коэффициент усиления
широкополосного усилителя, включаемого между ПЭП и осциллографом.
2.1.4.
Для повышения точности
измерения
контактных ПЭП по п.
2.1.3 допускается вводить поправку у, исключающую влияние ослабления
эхо-сигнала в нагрузке и обусловленную затуханием звука. Для этого в исходную
формулу (1) следует добавить слагаемое
, где αf -коэффициент затухания звука в материале на
номинальной частоте fUU(э) ПЭП, дБ/мм, z
- путь, пройденный звуком,
мм.
При измерении
иммерсионных ПЭП допускается вводить поправку W, исключающую влияние ослабления эхо-сигнала при переходе звука через
границу вода - плоский отражатель. Для этого в формулу (1) следует добавить слагаемое
, где V - коэффициент
отражения плоской волны при нормальном падении на границу раздела вода -
плоский отражатель.
2.1.5. Эффективную
частоту эхо - импульса fэ, МГц,
вычисляют по формуле
,
(2)
где п - число
полупериодов эхо-импульса, устанавливаемое в технических условиях на ПЭП
конкретного типа;
- длительность п полупериодов,
мкс. Отклонением fэ от ее
номинального значения является разность между значением fэ, полученным по формуле 2, и
номинальным значением.
Для увеличения
точности измерения допускается определять fэ по спектру
эхо-импульса. В этом случае эффективной частотой эхо-импульса fэ является частота, соответствующая максимуму спектра.
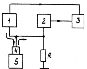
2.2.1. Аппаратура
Измерения следует
проводить на установке, схема которой приведена на черт. 7.

1 -генератор видеоимпульсов;
2 - широкополосный усилитель; 3 - осциллограф; 4 - проверяемый ПЭП; 5 -
акустическая нагрузка; R - резистор сопротивлением
(50 ± 1) Ом
Генератор
видеоимпульсов (генератор ударного возбуждения УПНК) должен обеспечивать
возбуждение ПЭП импульсом тока экспоненциальной формы и иметь следующие
параметры: амплитуда импульса тока на нагрузку С = 1000 пФ в пределах
диапазона 2 - 15 А; длительность фронта
мкс; постоянная времени экспоненциального импульса
мкс, где f - номинальные значения частоты fUU или fэ проверяемого ПЭП,
МГц.
Широкополосный
усилитель должен обеспечить усиление эхо-импульса в полосе частот 0,16-30,0
МГц и иметь коэффициент усиления не менее 60 дБ; регулировку усиления 0-60 дБ с
погрешностью в пределах ±0,5 дБ; входное активное сопротивление не менее 1,0
кОм; входную емкость не более 30 пФ; динамический диапазон входных сигналов не
менее 0,5·10 -3-1,0 В; уровень шумов не более 50 мкВ. Широкополосный
усилитель должен быть устойчив к перегрузкам сигналов генератора
видеоимпульсов.
Осциллограф и акустические нагрузки должны иметь значения
параметров, указанные в п. 2.1.1.
Допускается при измерении параметров специализированных ПЭП
выбирать значения резистора R и входного сопротивления широкополосного усилителя
такими, чтобы модуль их сопротивления при параллельном соединении был равен
входному сопротивлению УПНК с отклонением в пределах допуска на входное
сопротивление УПНК.
2.2.2. Подготовка и проведение измерений
Выбирают акустическую нагрузку, устанавливают на ней ПЭП и
добиваются устойчивого повторения эхо-сигнала, как указано в п. 2.1.2.
Измеряют с помощью осциллографа значения параметров
эхо-импульса
,
,
,
(черт. 8) и максимальное значение импульса тока возбуждения.

Параметры импульса тока возбуждения определяют измерением
электрического напряжения на активном сопротивлении R1, включенном в цепь
тока возбуждения ПЭП или подключенном к генератору через широкополосный
трансформатор.
2.2.3. Импульсный коэффициент
преобразования
, дБ, вычисляют по формуле
, (3)
где Umax - максимальное значение
эхо-импульса, В; UR - максимальное значение напряжения на
сопротивлении RI, В; RI - сопротивление в
цепи тока возбуждения ПЭП, Ом;
- опорный уровень
.
2.2.4. Для повышения точности определения
контактных ПЭП по п. 2.2.3 допускается вводить поправку γ,
исключающую влияние ослабления эхо-сигнала в нагрузке, обусловленного
затуханием звука. Для этого в исходную формулу (3)
следует ввести слагаемое γ, определенное в п. 2.1.4.
Для иммерсионных ПЭП допускается вводить поправку W, исключающую влияние ослабления
эхо-сигнала при переходе звука через границу вода - плоский отражатель. Для
этого в формулу (3) следует добавить
слагаемое W, определенное
в п. 2.1.4.
Измерения следует
проводить на установке, схема которой приведена на черт. 9 или 10.

|
1 - генератор
радиоимпульсов; 2 - приемник; 3 - осцилограф; 4 - частотомер; 5 - проверяемый
ПЭП; 6 - акустическая нагрузка |
1 - генератор импульсов
возбуждения; 2 - приемник; 3 - осциллограф; 4 - анализатор спектра; 5 -
проверяемый ПЭП; 6 - акустическая нагрузка |
Установка,
показанная на черт. 9, обеспечивает
измерение методом, основанным на возбуждении ПЭП радиоимпульсом с прямоугольной
огибающей и последующим измерением отношения амплитуд эхо-сигналов и импульсов
возбуждения в разных точках рабочего диапазона частот, а установка, показанная
на черт. 10, - методом, основанным на
возбуждении ПЭП электрическим импульсом произвольной формы и последующим
измерением отношения амплитуд огибающей спектра эхо-сигнала и огибающей спектра
импульса возбуждения.
Генератор
радиоимпульсов должен обеспечить возбуждение ПЭП радиоимпульсами с частотой
заполнения 0,16 - 30,0 МГц, длительностью (5-15) f -1 мкс (f -
частота заполнения, МГц), амплитудой напряжения не менее 5f -1 В и иметь подавление сигналов в паузе между радиоимпульсами не менее
70 дБ.
Приемник должен
обеспечить прием эхо-импульсов в диапазоне частот 0,16-30,0 МГц, иметь чувствительность
не хуже 2 мВ, входное сопротивление не менее 20 Zп.э (ω),
регулировку усиления 0-60 дБ с погрешностью не более 0,5 дБ. При работе в схеме
черт. 10 приемник должен также обеспечить
временное селектирование эхо-импульса с регулируемым интервалом пропускания
1-100 мкс. Широкополосный усилитель должен быть устойчив к перегрузкам сигналов
генератора видеоимпульсов.
Частотомер должен
иметь следующие параметры: диапазон частот 0,16-30,0 МГц; погрешность измерения
частоты не более 0,1 %.
Генератор
импульсов возбуждения должен иметь параметры: амплитуду напряжения импульсов
возбуждения ПЭП не менее 6f -1 и не более 600f -1 В; длительность импульса в пределах диапазона (5-15) f -1 мкс, где f -
номинальное значение fUU измеряемого ПЭП, МГц; подавление сигналов в паузе между импульсами не
менее 80 дБ.
Анализатор спектра
должен иметь следующие параметры: диапазон частот 0,16-30,0 МГц; полосу
пропускания, регулируемую в пределах 3-70 кГц.
Осциллограф и
акустические нагрузки должны иметь параметры согласно п. 2.1.1.
Сопротивление R может быть включено как непосредственно в
цепь тока возбуждения ПЭП, так и подключено к ней через широкополосный
трансформатор.
2.3.2. Подготовка
и проведение измерений
2.3.2.1. Выбирают
акустическую нагрузку, устанавливают на ней ПЭП и добиваются устойчивого
повторения первого эхо-импульса (далее - эхо-импульса), как указано в п. 2.1.2.
2.3.2.2. Измерения на установке по черт. 9 выполняют следующим образом. В пределах рабочего
диапазона частот ПЭП устанавливают п различных частот заполнения
радиоимпульса, длительность которого должна быть такой, чтобы эхо-импульс имел
в средней части не менее двух периодов установившихся синусоидальных колебаний.
С помощью приемника и осциллографа определяют значения:
(4)
где
- амплитуда
импульса напряжения возбуждения ПЭП на частоте f i, дБ;
- амплитуда
импульса напряжения на сопротивлении R на частоте f i, дБ;
- амплитуда
импульса напряжения эхо-импульса на частоте f i, дБ.
Измерения
и
выполняют при
положении переключателя 1-2;
- при
положении 1-3. Измерение
выполняют по
амплитуде или размаху эхо-импульса в области установившихся колебаний.
2.3.2.3. Измерения на установке по черт. 10 выполняют следующим образом. Устанавливают положение и длительность строба селектора приемника такими, чтобы на выход приемника поступал сигнал или только от эхо-импульса, или от импульса возбуждения ПЭП. Используя регулировки приемника и анализатора спектра, определяют в n точках рабочего диапазона частот ПЭП значения:
(5)
где
- амплитуда
огибающей спектра импульса напряжения возбуждения ПЭП на частоте f i, дБ;
- амплитуда
огибающей спектра импульса напряжения на сопротивлении R на частоте
f i,
дБ;
- амплитуда
огибающей спектра эхо-импульса на частотеf i, дБ.
2.3.2.4. Число точек n частотного диапазона по пп. 2.3.2.2,
2.3.2.3 выбирают из условия обеспечения
требуемой точности измерения соответствующих параметров конкретного типа ПЭП.
2.3.2.5. Обработка результатов измерений
Амплитудно-частотную характеристику К(UI) (ω) определяют по формуле
![]()
(6)
где
- отношение
напряжений, измеренных в пп. 2.3.2.2, 2.3.2.3, дБ; R0 - сопротивление в цепи тока
возбуждения ПЭП, Ом;
- опорный
уровень К(UI), равный 1 В/А.
Амплитудно-частотной характеристикой КUU(UI) (ω)
является зависимость
от частоты,
полученная по пп. 2.3.2.2, 2.3.2.3.
Максимальные значения КUU(UI) (ω)
являются коэффициентами преобразования КUU(UI), а соответствующие им частоты являются
частотами максимума преобразования fUU(UI). Разности между значениями
КUU(UI) и fUU(UI) и их
номинальными значениями являются их отклонениями от номинальных значений
соответственно.
Ширину полосы пропускания fОUU(UI) вычисляют по формуле
(7)
где
- верхняя и нижняя
границы интервала частот, МГц, включающего в себя fUU(UI) на которых КUU(UI) (ω)
принимает значения на уровне минус 6 дБ.
Частоты
равны соответственно
граничным частотам пропускания fВ, fН, МГц. Неравномерность амплитудно-частотной
характеристики ВUU(UI), дБ, вычисляют по формуле
, (8)
где
- минимальные
(максимальные) значения, соответственно, К(UU) (ω), К(UI) (ω) в рабочей области частот ПЭП,
дБ.
2.3.2.6. Для повышения точности измерений параметров по п. 2.3.2.5 допускается вводить поправку Кш, исключающую влияние шунтирования ПЭП в режиме приема электрическим сопротивлением схемы измерения, а также для контактных ПЭП поправку γ, исключающую влияние ослабления эхо-сигнала, обусловленного затуханием звука в нагрузке, и для иммерсионных ПЭП поправку W, исключающую влияние ослабления эхо-сигнала при переходе звука через границу вода - плоский отражатель. Для этого в исходные формулы (4), (5) следует ввести слагаемое W по п. 2.1.4 и (или) γ и (или) Кш, значения которых вычисляют по формулам:
, (9)
, (10)
где
- коэффициент
затухания звука в материале нагрузки на частоте f i, дБ/мм; z - путь, пройденный эхо-сигналом в нагрузке, мм;
- электрическое
сопротивление ПЭП на частоте f i, Ом; ZЭ - модуль электрического сопротивления схемы черт. 9, 10 между точкой «I» и корпусом при подключенном ПЭП, Ом.
2.4.1. Аппаратура
Измерения следует
проводить на установке, схема которой приведена на черт. 11, 12.

|
1 - частотомер; 2 -
измеритель АЧХ; 3 - графопостроитель; ZП.Э - проверяемый ПЭП; Z1
- электрическая нагрузка; 4 - акустическая нагрузка |
ZП.Э - проверяемый ПЭП; Z2 - электрическая нагрузка |
Измеритель АЧХ -
прибор для исследования амплитудно-частотных характеристик - должен иметь
следующие параметры: диапазон частот не уже 0,1 - 35,0 МГц; погрешность
измерения относительной амплитуды - в пределах ± (0,4 + 0,1 А) дБ, где А -
измеренная относительная амплитуда, дБ; входное сопротивление не менее 20 ZП.Э (ω); входную емкость
- не более 30 пФ.
Графопостроитель
(двухкоординатный самописец) должен иметь диапазон масштабов регистрации по
обоим каналам не уже 0,1 - 25,0 мВ/см; погрешность записи в пределах ± 1 %.
Электрическая
нагрузка Z1 - активное или емкостное сопротивление,
предназначенное для обеспечения постоянства амплитуды тока, протекающего через
ПЭП, должно удовлетворять в рабочей области частот условию
.
Акустическая
нагрузка.
Нагрузка для
контактного ПЭП должна соответствовать черт. 13.

Материал - оргстекло, сталь 45, алюминиевый сплав Д16Т.
Допуск плоскостности и параметры шероховатости рабочей поверхности должны
соответствовать табл. 1. Нагрузкой для
иммерсионного ПЭП служит вода.
Частотомер должен иметь параметры согласно п. 2.3.1.
2.4.2. Подготовка и проведение измерений
Выбирают акустическую нагрузку в зависимости от типа ПЭП.
Материал нагрузки должен быть таким же, как и материал нагрузки, используемой
при измерении
. Если
измерялись с
использованием нагрузки из кварцевого стекла, то при определении следует использовать нагрузку из
алюминиевого сплава Д16Т. При определении электрического сопротивления
нагрузкой ПЭП служит
воздух, акустическое сопротивление которого считают равным нулю.
Подключают ПЭП к установке, как показано на черт. 11. Контактные ПЭП устанавливают на акустическую нагрузку. При этом прямой ПЭП устанавливают согласно черт. 14, наклонный - черт. 15.

Измерение электрического сопротивления ПЭП выполняют
сравнением с сопротивлением ZЭ
опорного конденсатора или резистора. Для этого устанавливают масштабы
изображения на экране измерителя АЧХ и графопостроителя, обеспечивающие
наибольшую точность измерения. Проводят запись на графопостроителе кривой ZП.Э (ω)
и меток частоты. Подключают вместо ПЭП опорные сопротивления
,
и проводят запись графиков зависимости
,
от частоты. Значения
,
выбирают такими, чтобы кривые зависимости
,
(ω) легли в области минимума и максимума
кривой ZП.Э
(ω). Электрическое сопротивление ZП.Э (ω)
определяют, используя опорные значения кривых
,
, метки частоты и масштабы изображения. Значения
соответствуют
максимуму (минимуму) кривой ZП.Э
(ω).
Значения ZП.Э (ω) можно также определять по
кривой зависимости ZП.Э
(ω) на экране измерителя АЧХ подбором ZЭ, при которых
обеспечивается совпадение изображения ZЭ (ω) и ZП.Э (ω)
в точках минимума и максимума ZП.Э (ω), соответственно.
Сопротивления ZЭ должны быть определены с погрешностью не более
2 %.
Для повышения точности измерений
,а также в случае, когда входное сопротивление измерителя АЧХ
менее 20 ZП.Э
(ω), допускается выполнять подключение ПЭП к измерителю АЧХ по схеме
черт. 12, где /Z2/
≤ ZП.Э
(ω)×(10 - 20). В этом случае на экране измерителя АЧХ
наблюдается зависимость YП.Э
(ω) = 1/ZП.Э
(ω), а частотой резонанса является частота в точке максимума графика
зависимости YП.Э
(ω).
2.5.1. Измеряют амплитудно-частотную
характеристику КUU (ω) и электрическое сопротивление ZП.Э (ω),
как указано в пп. 2.3, 2.4. Если выполнить измерение КUU (ω)
по п. 2.3 невозможно из-за большой
длительности импульса возбуждения ПЭП на уровне эхо-сигнала, то допускается
использовать акустические нагрузки, имеющие значения Н больше указанных
в табл. 1, или выполнять измерения КUU (ω)
в теневом варианте, используя для этого два дополнительных однотипных ПЭП,
установленных соосно с измеряемым ПЭП на противоположной стороне акустической
нагрузки. Проверяемый ПЭП следует при этом подключить к приемнику.
2.5.2. Вычисляют амплитудно-частотные характеристики KσU (ω), KUσ (ω), дБ, по формулам:
; (11)
, (12)
где КUU (ω) - амплитудно-частотная характеристика, дБ;
- электрическое сопротивление ПЭП, Ом;
- опорный
уровень,
В/Па; (
Па/В ); Н - параметр взаимности, равный
;
- коэффициент затухания звука в материале нагрузки на
частоте f i, мм -1.
При измерении КUU в теневом варианте с использованием двух
дополнительных ПЭП значения каждого КUU вычисляют по формуле ![]()
где i, k, l = 1, 2, 3; ![]()
- коэффициент
преобразования КUU i-го ПЭП, дБ;
- коэффициент
преобразования преобразователей с номерами i и k, измеренный в теневом варианте;
- амплитуда напряжения эхо-импульса i-го ПЭП, дБ;
- амплитуда импульса
возбуждения k-го ПЭП, дБ.
Значения Н' вычисляют
по формуле
где Нпл
= 2S/pv; S
– площадь рабочей поверхности ПЭП, м2; р - плотность
материалов нагрузки, кг/м3; v - скорость звука в материале нагрузки, м/с.
Значения Н для прямых ПЭП, нагруженных на воду, органическое стекло,
алюминиевый сплав Д16Т, сталь 45, приведены в черт. 16 - 20 для различных
значений безразмерных параметров:
, (13)
гдеf i - частота, Гц; а - радиус (или
половина стороны квадрата) пьезопластины, м; z - путь, пройденный акустическим сигналом в
нагрузке, м.
Когда конструкция
ПЭП или материал акустический нагрузки не позволяют воспользоваться для
вычисления параметров взаимности черт. 16 -
20, значения H должны быть указаны в технических условиях
на конкретный тип ПЭП.
Значения параметра
взаимности
для ПЭП с круглой пьезопластиной, нагруженного на воду

1 – ka = 10; 2 – ka = 15; 3 –
ka = 20; 4 – ka = 25; 5 – ka = 30; 6 – ka = 35; 7 – ka = 40; 8 – ka = 50; 9 –
ka = 60;10 – ka = 70; 11 – ka = 80;12 – ka = 90; 13 – ka = 100; 14 – ka = 150;
15 – ka = 160 - 400; 17 – ka = 500 - 1600;
Значения параметра
взаимности
для ПЭП с квадратной пьезопластиной, нагруженного на воду

1 – ka = 10; 2 – ka = 15; 3 –
ka = 25; 4 – ka = 30; 5 – ka = 33; 6 – ka = 40; 7 – ka = 45; 8 – ka = 50; 9 –
ka = 60;10 – ka = 70; 11 – ka = 80;12 – ka =100; 13 – ka = 150; 14 – ka = 200 -
400;
Значения параметра
взаимности
для ПЭП с круглой пьезопластиной, нагруженного на
органическое стекло

1 – ka = 2,0; 2 – ka = 2,5; 3 –
ka = 3,0; 4 – ka =3,5; 5 – ka = 4,0; 6 – ka = 5,0; 7 – ka = 6,0; 8 – ka = 7,5;
9 – ka = 10,0;10 – ka = 12,5; 11 – ka = 15,0; 12 – ka = 20,0; 13 – ka = 35
Значения параметра
взаимности
для ПЭП с круглой пьезопластиной, нагруженного на алюминиевый
сплав Д16Т

1 – ka = 10; 2 – ka = 12; 3 –
ka = 14; 4 – ka = 16; 5 – ka = 18; 6 – ka = 20; 7 – ka = 25; 8 – ka = 30; 9 –
ka = 40;10 – ka = 60 - 205
Значения параметра
взаимности
для ПЭП с круглой пьезопластиной, нагруженного на сталь 45
1 – ka = 2,0; 2 – ka = 5,0; 3 –
ka = 7,5; 4 – ka = 10,0; 5 – ka = 12,0; 6 – ka = 14,0; 7 – ka = 16,0; 8 – ka =
18,0; 9 – ka = 20,0;10 – ka = 22,0; 11 – ka = 26,0;12 – ka = 30,0; 13 – ka =
40,0; 14 – ka = 60,0 – 120,0

2.5.3. Максимальные значения KσU(Uσ) (ω), измеренные по п. 2.5.2, являются коэффициентами преобразования KσU(Uσ), а соответствующие частоты являются частотами fσU(Uσ).
Ширину полосы пропускания Δ fσU(Uσ), МГц, вычисляют по формуле
, (14)
-
соответственно верхняя и нижняя границы интервала частот, МГц, включающего в
себя fσU(Uσ), на которых KσU(Uσ) (ω) принимает значения на уровне минус 3
дБ.
Неравномерность амплитудно-частотной характеристики ВσU(Uσ) (ω), МГц, вычисляют по формуле
, (15)
где
- минимальные
(максимальные) значения KσU(ω), K(Uσ) (ω),
соответственно, в рабочей области частот ПЭП.
2.5.4. С целью повышения производительности измерений
определение параметров fσU(Uσ), Δ fσU(Uσ), BσU(Uσ) может быть выполнено с помощью диэлектрических
преобразователей, как указано в приложении 3,
а определение KσU(Uσ), fσU(Uσ) - методом сравнения с
ПЭП того же типа, параметры которого измерены по пп. 2.5.1 - 2.5.3.
В этих случаях допускается измерение KσU(Uσ) выполнять на частоте, равной номинальному
значению fUU..
2.6.1. Аппаратура
Измерения следует проводить на установке, схема которой
приведена на черт. 1. Электронный блок УПНК,
акустические нагрузки и стандартные образцы должны соответствовать пп. 1.9, 1.11 и табл. 1, осциллограф - п. 2.1.
2.6.2. Подготовка и проведение измерений
Измерение τпр следует проводить с использованием трех однотипных ПЭП. Один из них подключают к генератору, а второй - к приемнику УПНК. Устанавливают прямые совмещенные ПЭП, как показано на черт. 21а, раздельно-совмещенные ПЭП и наклонные ПЭП - на черт. 21 б. Притирая рабочие поверхности ПЭП и перемещая ПЭП один относительно другого, добиваются получения максимального значения сигнала на экране приемника. С помощью осциллографа измеряют интервал времени между импульсом возбуждения и принятым сигналом. Повторяют указанные операции, используя первый и третий, а также второй и третий ПЭП. Время распространения звука в призме определяют по формуле
, (16)
где τi - время распространения звука в призме i-го преобразователя,
мкс; τik
- измеренный в микросекундах интервал времени при использовании в качестве
излучателя i-го
и приемника k-го
ПЭП; т, i,
k равны 1, 2, 3.

1 - первый ПЭП; 2 - второй
ПЭП; 3 - призма первого ПЭП; 4 - призма второго ПЭП
2.6.3. Если
выполняются условия:
- наклонные
раздельно-совмещенные ПЭП имеют одинаковые номинальные геометрические размеры
призм;
- наклонные ПЭП
имеют номинальные значения τпр ≥ 2τн, где τн - время распространения звуковых волн в акустической нагрузке,
соответствующей черт. 3;
- импульс
возбуждения не маскирует эхо-импульс от свободной грани призмы прямых
совмещенных ПЭП - измерения τпр следует
проводить следующим образом. Подключают измеряемый ПЭП к УПНК и устанавливают
его на акустическую нагрузку или стандартный образец, как указано в п. 2.1.2. Схема расположения наклонных ПЭП для
возбуждения объемных волн должна соответствовать черт. 22. Акустической нагрузкой для прямых ПЭП с призмой
(акустической задержкой) и наклонных раздельно-совмещенных ПЭП служит воздух.
Притирают ПЭП к нагрузке и добиваются получения максимальной амплитуды
эхо-сигнала, как указано в п. 2.1.2.

Измеряют по экрану
осциллографа для раздельно совмещенных и прямых ПЭП с призмой временной
интервал в микросекундах между импульсами возбуждении и первым эхо-импульсом от
рабочей поверхности призмы; для наклонных ПЭП - между импульсом возбуждения и
первым и вторым эхо-импульсами. Полученное значение интервала для раздельно-совмещенных
и прямых ПЭП с призмой является удвоенным временем распространения звука в
призме τпр. Время распространения звука в призме τпр, мкс, для наклонных ПЭП определяют по формуле
,
(17)
где τ1(τ2) - временной интервал между импульсом
возбуждения и первым (вторым) эхо-импульсом от отражателя, мкс.
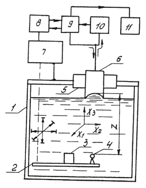
2.7.1. Аппаратура
Измерения следует
проводить на установке, схема которой приведена на черт. 23.

1 - иммерсионная ванна; 2 -
узел фиксации отражателя; 3 - плоский отражатель; 4 - сферический отражатель; 5
- узел фиксации ПЭП; 6 - проверяемый ПЭП; 7 - механизм перемещения по
координатам Х1, Хз; 8 - графопостроитель; 9 - приемник; 10 -
генератор; 11 - осциллограф
Иммерсионная
ванна, содержащая узлы фиксации ПЭП и отражателей совместно с механизмом
перемещения, должна обеспечить перемещение отражателя (или ПЭП) по координатам Х1,
Х3 в диапазонах от минус 30° до плюс 30° и от 0 до 250 мм
соответственно, а также поворот ПЭП вокруг оси Х3 на 360°.
Погрешность определения местоположения отражателя относительно ПЭП по Х1
не должна быть более 12′; по Х3 - 0,5 мм; поворота
ПЭП - 30′.
Плоский отражатель
должен иметь размер рабочей поверхности (диаметр или меньшую сторону
прямоугольника) не менее 100 мм, толщину - не менее 20 мм, параметр
шероховатости Ra
≤ 0,63 мкм, допуск
плоскостности 0,01 мм. Сферические отражатели должны быть изготовлены из
нержавеющей стали по ГОСТ
7350 и иметь диаметры 2, 5, 10 мм. Расстояние от центра сферической
поверхности отражателя до узла фиксации должно быть не менее 60 мм.
Приемник должен
иметь чувствительность не менее 1 мВ и обеспечивать усиление эхо-сигнала на
частоте fUU(э) измеряемого ПЭП, временное селектирование эхо-импульса от сферического
отражателя, преобразование его в сигнал с амплитудой не менее 1 В для подачи на
графопостроитель. Приемник должен иметь регулировку усиления от 0 до 80 дБ и
дискретное ослабление сигнала на (6 ± 0,1) дБ.
Генератор радиоимпульсов должен обеспечить возбуждение ПЭП
на частоте fUU(э),
МГц, радиоимпульсами длительностью (2 - 15) / fUU(э) мкс, с частотой
следования в диапазоне 400 - 2000 Гц и амплитудой напряжения возбуждения ПЭП не
менее
и не более
В.
Осциллограф и графопостроитель должны иметь параметры
согласно пп. 2.1.1, 2.3.1. Установка должна
обеспечивать запись углового положения отражателя по координате Х1
с погрешностью масштаба не более 1,5 %. Метод проверки масштаба записи
приведен в приложении 4.
2.7.2. Подготовка и проведение измерений
Устанавливают в узел фиксации сферический отражатель,
удовлетворяющий условиям:
d =
2 мм при f
≥ 10,0 МГц;
d =
5 мм при 10,0 > f
> 1,0 МГц;
d
= 10 мм при f
≤ 1,0 МГц,
где f
- номинальная частота максимума преобразования fUU или эффективная частота fэ проверяемого ПЭП, МГц.
Устанавливают расстояние от ПЭП до сферического отражателя
не менее L = (0,6
+ 32/ka)∙Lб при
измерении диаграммы направленности до уровня минус 6 дБ и не менее L = (1,3 + 23/kа)∙Lб при
измерениях диаграммы направленности до уровня минус 20 дБ. Здесь k = 2πf/v , Lб
= a2f/v, а - радиус (или половина размера
пьезоэлемента) проверяемого ПЭП в рабочей плоскости, мм; v - скорость звука в воде, мм/мкс.
Если средства измерения не позволяют реализовать условие L ≥ (0,6 + 32/ka) L6, следует применить
плоский отражатель, установив его на расстоянии L ≤ 0,5 L6. Допуск
перпендикулярности рабочей поверхности плоского отражателя к оси Х3 должен
быть 0,02 мм на базе 100 мм.
Закрепляют ПЭП в узел фиксации, подключают к установке,
как показано на черт. 23, и ориентируют его
относительно плоскости измерения, как указано в технических условиях на ПЭП
конкретного типа.
Устанавливают частоту генератора радиоимпульсов, равную
частоте fUU(э)
проверяемого ПЭП. Перемещая отражатель в области Х1 ≈ 0°,
добиваются максимального значения эхо-сигнала на экране осциллографа.
Регулировками генератора, приемника, графопостроителя устанавливают амплитуды
сигнала и масштабы изображения и записи, обеспечивающие наибольшую точность
измерений.
Включают перемещение отражателя по координате Х1
и записывают график диаграммы направленности на графопостроителе. На
полученный график наносят линию, соответствующую уровню 6 дБ.
Поворачивают ПЭП вокруг оси Х3 на угол
180° и повторяют запись диаграммы направленности. Ось симметрии записанных
графиков является геометрической осью преобразователя.
Если измерения проводились с плоским отражателем, то для
перевода полученного графика в диаграмму направленности Р1(2)
необходимо масштаб записи увеличить в два раза, а значения ординат по оси У
графопостроителя возвести в квадрат.
Если в стандартах или технических условиях на ПЭП
конкретного типа не указаны пределы перемещения отражателя, измерение диаграммы
направленности следует проводить до уровня не менее минус 20 дБ.
2.7.3. Обработка результатов измерений.
Ширину диаграммы направленности
и угол ввода
вычисляют по
формулам:
, (18)
где т - масштаб записи, ….° /мм;
- ширина графика диаграммы
направленности на уровне минус 6 дБ, мм;
- расстояние от
максимума диаграммы направленности до геометрической оси преобразователя, мм.
Отклонением угла ввода
от его номинального
значения является разность между значением, полученным по формуле 18, и номинальным значением.
Определяют по графику диаграммы направленности область ее
основного лепестка. Для этого измеряют слева (справа) от точки l1(2),
соответствующей значению диаграммы направленности на уровне минус 6 дБ,
разность между минимумами диаграммы направленности и следующими за ними влево
(вправо) максимумами. Ближайшую к точке l1(2) точку минимума, в которой эта разность
превышает 3 дБ, принимают за левую (правую) границу основного лепестка.
Уровнем боковых лепестков
является
разность в децибелах между максимальными значениями диаграммы направленности в
области основного лепестка и вне его соответственно. Если на границе диаграммы направленности указанных
минимумов нет, следует считать, что боковые лепестки отсутствуют.
2.8.1. Аппаратура
Измерения следует
проводить на установке, схема которой приведена на черт. 24. Акустические нагрузки должны соответствовать черт. 25, 26 и
табл. 2. Акустические нагрузки,
соответствующие табл. 2, должны быть
аттестованы по коэффициенту затухания в рабочем диапазоне частот с погрешностью
не более
, дБ/мм (
- высота H или радиус R нагрузки,
мм).
Акустические
нагрузки для измерения диаграммы направленности

|
Черт. 24 |
Таблица 2
Параметры
акустических нагрузок
|
Диапазон |
Материал |
Диаметр d,
мм |
Параметр |
Допуск плоскостности |
Допуск параллельности |
Затухание |
Скорость звука, м/с |
Длина L,
мм, |
Ширина S,
мм, |
Высота H,
мм, |
|
0,16-1,0 |
Органическое |
10,0 + 0,022 |
Rz 20,0 |
0,05 |
0,1 |
0,1 |
2710 ± 100 |
350 |
160 |
130 |
|
0,6-7,5 |
Сталь 45 |
5,0 ± 0,012 |
Ra 0,63 |
0,02 |
0,04 |
0,05 |
5915 ± 100 |
350 |
160 |
130 |
|
1,0-5,0 |
Алюминиевый |
5,0 + 0,012 |
Ra 2,5 |
0,02 |
0,04 |
0,05 |
6420 ± 100 |
350 |
160 |
130 |
|
5,0-30,0 |
Алюминиевый |
2,0 + 0,01 |
Ra 0,63 |
0,02 |
0,04 |
0,05 |
6420 ± 100 |
350 |
160 |
130 |
Примечание. Вместо алюминиевого сплава Д16Т допускается использовать сплав Д16ТПП
по ГОСТ
21488, если значения скорости и затухания звука в нем такие, как
приведенные в табл. 2.
Акустические нагрузки могут содержать в качестве
отражателя одно или несколько цилиндрических отверстий или пазов. Паз, служащий
отражателем в нагрузке по черт. 26, может
иметь в качестве образующей прямую линию или дугу окружности (черт. 26 - пунктирные линии).
Углы торцевых плоскостей акустических нагрузок по черт. 25 должны быть выполнены закругленными, а сами
эти плоскости допускается выполнять с наклоном к направлению распространения
звуковой волны под углом φ ± arctg (a/2L), где а - наибольший
размер пьезопластины в рабочей плоскости, L - наименьшее возможное расстояние от ПЭП до торцевой
плоскости.
Устройство ориентации должно обеспечивать измерение
расстояния от ПЭП до отражателя в направлении оси Х1 с
погрешностью в пределах ± 0,25
мм; в направлении, перпендикулярном к оси Х1 (по оси Х2,
- в пределах ± 0,5 мм при измерении
,
и автоматическое
перемещение ПЭП по поверхности акустической нагрузки с вариацией акустического
контакта не более 1 дБ при измерении
.
Генератор радиоимпульсов, приемник и осциллограф должны
иметь значения параметров, указанные в п. 2.7.1.
2.8.2. Подготовка к измерению.
Выбирают акустическую нагрузку в зависимости от частотного диапазона (табл. 2), типа ПЭП и измеряемого параметра. Схема расположения ПЭП на нагрузке должна соответствовать черт. 27 - 29. При этом каждой из указанных схем соответствуют следующие ПЭП: черт. 27 - прямые; черт. 28, 29 - наклонные. Схема черт. 28 соответствует измерению параметров диаграммы направленности Р1; схема 29 - Р2. Во всех случаях должно выполняться условие z ≥ 3Lб, где z -расстояние от ПЭП до отражателя; Lб - протяженность ближней зоны ПЭП.


2.8.3. Выполнение
измерений
2.8.3.1. Подключают ПЭП к установке, притирая его к
нагрузке и подстраивая частоту генератора в области номинального значения
проверяемого ПЭП, добиваются устойчивого повторения максимального значения
эхо-импульса. Устанавливают регулировками приемника и осциллографа амплитуду
эхо-сигнала, равной М делениям шкалы экрана. Определяют расстояния l1 (l′1) или h2, указанные на черт. 27 - 29, используя
устройство ориентации.
Значения l1 (l′1), l2 отсчитывают для прямых ПЭП от
геометрического центра в плоскости рабочей поверхности ПЭП; для наклонных ПЭП -
от метки точки ввода, а в случае ее отсутствия - от точки, указанной в
технических условиях на ПЭП.
Угол ввода α
для прямых ПЭП и α′ для наклонных ПЭП вычисляют по
формулам:
; (19)
(20)
где l1, h1, l2 ,h2 - расстояния от НЭП до отражателя,
показанные на черт. 27, 29.
Угол ввода α
и отклонение точки ввода Δl для наклонных ПЭП вычисляют по формулам:
; (21)
, (22)
где l1 h1 (l′1 h′1) - расстояния от ПЭП до отражателя при положении ПЭП в точке
показанной на черт. 28.
Отклонением угла
ввода
от его номинального
значения является разность между значением
, полученным по формулам 19
- 21, и номинальным значением.
При положительных
значениях Δl
фактическая точка ввода смещена вправо от имеющейся метки на ПЭП; при
отрицательных Δl -
влево.
Стрела ПЭП l равна сумме расстояния от имеющейся метки на
ПЭП до его передней грани и значения Δl, полученного в результате измерений.
2.8.3.2.
Увеличивают усиление приемника на 6 дБ и, перемещая преобразователь в обе
стороны от первоначального положения в направлении Х1 (Х2),
указанном стрелкой на черт. 27 - 29, определяют значение
, равное расстоянию между положениями ПЭП, в которых
амплитуды эхо-сигналов равны М делениям шкалы экрана.
2.8.3.3.
Определяют
и
прямого ПЭП, как
указано в п. 2.8.3.1, предварительно
повернув его на 90° относительно положения, занимаемого при определении
,
,.
2.8.3.4. Измерение
уровня боковых лепестков. Проводят автоматическое перемещение ПЭП вдоль оси Х1
(Х2) и измеряют наибольшее значение амплитуды эхо-сигнала.
Перемещают ПЭП влево (вправо) вдоль оси Х1 (Х2) от
положения, в котором были определены
, удаляясь от точки l1 (l2). Фиксируют
ближайшее к l1 (l2) положение lN, соответствующее
минимуму эхо-сигнала, когда разность между значениями эхо-сигнала в этом
минимуме и в следующем за ним максимуме превышает 3 дБ. Значение lN
принимают за левую (правую)
границу основного лепестка.
Уровнем боковых
лепестков
, дБ, является разность между максимальными значениями
эхо-сигнала в области основного лепестка диаграммы направленности и вне его.
Если при
перемещении ПЭП вдоль оси Х1 (Х2) указанных
минимумов нет, следует считать, что боковые лепестки отсутствуют.
2.8.3.5. Для
увеличения точности измерения
и Δl определение максимального значения
эхо-сигнала следует проводить при введенной отсечке шумов, а для уменьшения
погрешности из-за нестабильности акустического контакта измерения следует
повторить пять раз и вычислить среднеарифметические значения
и Δl.
Примечания:
1.
Если на корпусе ПЭП имеется метка или шкала для определения точки ввода, то
допускается измерение
,
для наклонных ПЭП
выполнять на акустической нагрузке, указанной на черт. 27. В этом случае угол
вычисляют по формуле (19).
2.
Для контактных и иммерсионных ПЭП, предназначенных для работы только в режиме
излучения или приема, а также для низкочастотных ПЭП (fUU(э)≤1,25МГц) измерения диаграммы направленности
допускается выполнять в иммерсионном варианте, используя вместо сферического
отражателя ненаправленный измерительный преобразователь. В этом случае вход
приемника подключают к измерительному преобразователю, а определение
проводят на уровне
3Дб.
2.9.1. Аппаратура
Измерения следует
проводить на установке, схема которой приведена на черт. 30.

1 - иммерсионная ванна; 2 -
узел фиксации отражателей; 3 - плоский отражатель; 4 - сферический отражатель;
5 - узел фиксации ПЭП; 6 – проверяемый ПЭП; 7 – механизм перемещения по
координатам; 8 - графопостроитель; 9 - приемник; 10 – генератор радиоимпульсов;
11 - осциллограф
Иммерсионная ванна
должна содержать узлы фиксации ПЭП и отражателя и совместно с механизмом
перемещения по координатам Х1 Х2, Х3 обеспечить
перемещение отражателя и (или) ПЭП в диапазонах не менее: по Х1
,Х2 - от 0 до 80,0 мм; по Х3 - от 0 до 250 мм.
Погрешность определения местонахождения преобразователя относительно ПЭП - не
более 0,25 мм.
Сферические
отражатели должны иметь диаметры: 1,0; 2,0; 5,0 мм.
Генератор,
приемник, осциллограф, графопостроитель должны иметь значения параметров,
указанные в п. 2.7.
Установка должна
обеспечить запись линейного перемещения отражателя по координатам Х1,
Х2 с погрешностью не более 1,5 %. Метод проверки масштаба записи
приведен в приложении 4.
2.9.2. Подготовка
и проведение измерений
Устанавливают в
устройство фиксации сферический отражатель, удовлетворяющий условиям:
d
≤ 1 мм при fUU(э) > 10,0 МГц;
d≤
2 мм при 10,0 МГц
≥fUU(э)
≥ 1,0 МГц;
d
≤ 5 мм приfUU(э) < 1,0 МГц.
Устанавливают ПЭП
таким образом, чтобы его акустическая ось была параллельна направлению
перемещения по координате Х3. Для этого располагают ПЭП на
расстоянии z
≥ 2F (F - номинальное значение фокусного расстояния) от плоского отражателя и,
регулируя ориентацию ПЭП относительно отражателя и частоту генератора,
добиваются наибольшего значения эхо-сигнала. Устанавливают ПЭП над сферическим
отражателем и, перемещая отражатель по направлениям Х1,Х2,
Х3, добиваются наибольшего значения эхо-сигнала. При этом
показания шкал механизма перемещения по координатам Х1 = а, Х2
= в, Х3, = с в дальнейшем принимают за координаты центра
фокусного пятна. Значение Х3, мм, является фокусным
расстоянием ПЭП. Проводят запись огибающей эхо-сигналов при перемещении по
координатам Х1 при Х2 = в, Х3 = с,
при Х1 = а, Х3 = с и Х3 при
Х1 = а, Х2 = в.
2.9.3. Размеры
фокальной области k1, k2, k3 вычисляют по
формуле
ki
= mili, i = 1, 2,
3, (23)
где mi - масштаб записи по соответствующей оси; li - ширина соответствующего графика на уровне
минус 6 дБ, мм.
Примечания:
1.
Допускается вместо сферического отражателя использовать нитевой отражатель,
представляющий собой металлическую проволоку диаметром менее 0,5 мм.
2.
Если у проверяемого ПЭП нормируют только фокусное расстояние, то допускается
использовать при измерении только плоский отражатель.
Измерения контактных и контактно-иммерсионных ПЭП следует проводить на установке, схема которой приведена на черт. 31, иммерсионных ПЭП - на черт. 32. Акустический бассейн и координатный механизм должны иметь устройство фиксации ПЭП и стандартного образца и обеспечить перемещение ПЭП относительно стандартного образца (или стандартного образца относительно ПЭП) по координатам Х1, Х2, Х3 в пределах от 25 до 400 мм; погрешность установки расстояния по координате Х3 не более ± 1 мм. Электронный блок УПНК, стандартные образцы и акустические нагрузки должны соответствовать требованиям пп. 1.7, 1.9 и табл. 1.

|
1 –
электронный блок УПНК: 2- проверяемый ПЭП; 3 – стандартный образец
(акустическая нагрузка) Черт. 31 |
Черт. 32 |
2.10.2. Подготовка и проведение измерений
2.10.2.1. Измерения на установке по
черт. 31 проводят следующим образом.
Калибруют электроакустический тракт УПНК, для чего отключают некалиброванную
регулировку усиления УПНК и устанавливают аттенюатором ослабление согласно
техническим условиям на ПЭП конкретных типов.
Устанавливают проверяемый ПЭП на акустическую нагрузку или
стандартный образец и добиваются устойчивого повторения максимального
эхо-сигнала от дна или искусственного дефекта. Устанавливают регулировкой
выходного напряжения генератора УПНК, а при его отсутствии - некалиброванной
регулировкой усиления стандартный уровень этого эхо-сигнала (стандартный
уровень - уровень, равный 1/2 вертикальной шкалы
ЭЛТ УПНК).
При калибровке электроакустического тракта по данному
эхо-сигналу размеры акустических нагрузок (Н и R) по черт. 2 и 3 выбирают минимально
возможными, для которых погрешностью, вызванной наличием шумов в области
данного эхо-сигнала при положении аттенюатора УПНК, соответствующем
стандартному уровню эхо-сигнала, можно пренебречь. Если при максимальном
ослаблении аттенюатора УПНК (при отсутствии регулировки выходного напряжения
генератора и некалиброванной регулировки усиления) не устанавливается
стандартный уровень донного эхо-сигнала, допускается использовать внешний
аттенюатор, входное и выходное сопротивления которого равны входному
сопротивлению УПНК с отклонением в пределах допуска на входное сопротивление
УПНК.
При калибровке электроакустического тракта по эхо-сигналу
от искусственного дефекта выбирают стандартный образец, обеспечивающий
получение уровня эхо-сигнала от дефекта С2.
2.10.2.2. Устанавливают проверяемый ПЭП на стандартный
образец с искусственным дефектом и добиваются повторения максимального значения
эхо-сигнала от этого отражателя. Аттенюатором УПНК устанавливают уровень
эхо-сигнала, равный стандартному, и записывают показания, аттенюатора, глубину залегания или расстояния до искусственного
дефекта и его диаметр. Измерения повторяют для других глубин залегания или
расстояний до искусственных дефектов. Полученная зависимость показания
аттенюатора от глубины залегания искусственного дефекта (расстояния до него)
является функцией эхо-сигнала от дефекта С (z).
2.10.2.3. Уровни
эхо-сигналов С1, С2, С3
определяют по измеренной функции эхо-сигналов от дефектов одного диаметра или
непосредственно по п. 2.10.2.2 для
дефекта с заданными диаметром и глубиной залегания (расстоянием до него).
2.10.2.4.
Устанавливают проверяемый ПЭП на акустические нагрузки и стандартные образцы
согласно черт. 4, 5 и добиваются повторения максимального значения
эхо-сигнала от дна (угла, поверхности), как указано в п. 2.1.2. Аттенюатором УПНК устанавливают уровень эхо-сигнала,
равный стандартному, и записывают показания аттенюатора и значения Н (или
R, L). Полученная зависимость показания аттенюатора от значения Н (или R, L) является функцией эхо-сигнала от дна
D (z).
Графическое
изображение измеренных функций C(z)
для различных диаметров искусственного отражателя и D (z) является АРД-диаграммой.
На черт. 33 показан пример хода функций С (z) и D (z) АРД-диаграммы.

Если ПЭП
предназначен для обнаружения дефектовоотражающей способностью, эквивалентной
отражению от дна, то функция эхо-сигнала от дна D (z) равна функции эхо-сигнала от дефекта C(z).
2.10.2.5. Измерения на установке по черт. 32 выполняют следующим образом. Устанавливают
в иммерсионной ванне стандартный образец с искусственным дефектом так, чтобы
рабочая плоскость стандартного образца была перпендикулярна оси Х3.
Устанавливают проверяемый ПЭП над стандартным образцом на расстоянии,
указанном в технических условиях на ПЭП конкретного типа, и, изменяя координаты
Х1, Х2 и ориентацию ПЭП относительно
стандартного образца, добиваются повторения максимального значения эхо-сигнала
от искусственного дефекта. Аттенюатором УПНК устанавливают уровень эхо-сигнала,
равный стандарному и записывают показания аттенюатора, диаметр искусственного
дефекта и глубину его залегания. Сохраняя неизмененным расстояние между
проверяемым ПЭП и верхней плоскостью стандартных образцов, измерения повторяют
для других глубин залегания искусственных дефектов данного диаметра.
Полученная
зависимость показаний аттенюатора от глубины залегания искусственного
отражателя является функцией эхо-сигнала от дефекта С (z).
2.10.2.6. Уровни
эхо-сигналов С1; С2, С3
определяют по измеренной функции эхо-сигналов от дефектов одного диаметра или
непосредственно по п. 2.10.2.5 для
дефектов с заданными диаметром и глубиной залегания.
2.10.2.7.
Устанавливают согласно п. 2.10.2.5
проверяемый ПЭП над стандартным образцом и, изменяя координаты Х1,
Х2 и ориентацию ПЭП относительно стандартного образца,
добиваются повторения максимального значения эхо-сигнала от дна. При этом
необходимо обеспечить условия свободной поверхности дна стандартного образца
созданием между ним и водой воздушного зазора. Аттенюатором УПНК устанавливают
уровень эхо-сигнала от дна, равный стандартному, и записывают показания
аттенюатора и высоту стандартного образца.
Сохраняя
неизменным расстояние между проверяемым ПЭП и верхней поверхностью стандартного
образца, измерения повторяют для других значений Н стандартного образца.
Полученная зависимость показания аттенюатора от высоты стандартного образца
является функцией эхо-сигнала от дна D (z).
2.10.2.8. Для
повышения точности измерения АРД-диаграммы, функции эхо-сигнала от дефекта,
уровня эхо-сигнала от дефекта и функции эхо-сигнала от дна используют
осциллограф, на вход которого подают видеосигнал с УПНК. В этом случае на
экране осциллографа определяют уровень, равный стандартному, и на этом уровне
измеряют значения перечисленных параметров.
В дефектоскопах с
цифровым индикатором амплитуды ее отсчет проводят в пределах диапазона
измерения отношения амплитуд входных сигналов по цифровому индикатору.
2.11.1. Аппаратура
Измерения следует
проводить на установке, схема которой приведена на черт. 31. Допускается
проводить измерения функции шума и ее параметров акустически ненагруженных ПЭП,
если это приводит к увеличению уровней и длительности шума.
Электронный блок
УПНК, акустические нагрузки и стандартные образцы должны соответствовать пп. 1.7, 1.9 и табл. 1, осциллограф - п. 2.1.
2.11.2. Подготовка
и проведение измерений
2.11.2.1.
Выставляют стандартный уровень эхо-сигнала согласно п. 2.10.2.1 и, установив проверяемый ПЭП на стандартный образец
по п. 2.11.1, добиваются устойчивого
повторения максимального значения эхо-сигнала, как указано в п. 2.1.2. Используемые при измерениях стандартные образцы должны
исключать наличие эхо-сигнала во временной области, для которой измеряют
функцию шума.
2.11.2.2. Устанавливают аттенюатором УПНК на
требуемом расстоянии от начала переднего фронта импульса возбуждения УПНК
уровень шума, равный 1/2 стандартного, и записывают показания аттенюатора и
расстояние (или длительность) от начала переднего фронта импульса возбуждения
УПНК, на котором установлен измеряемый уровень шума. Измерения повторяют для
других расстояний (длительностей). Полученная зависимость показаний аттенюатора
от расстояния z (длительности
) является функцией шума A (z) [или
].
На черт. 33 показан пример хода функции A (z).
Допускается и
обратная последовательность измерения, при которой длительность шумов при
различных положениях аттенюатора УПНК отсчитывают на уровне 1/2 стандартного.
Считывания длительности шумов проводят по экрану УПНК после его предварительной
калибровки. Для повышения точности отсчета длительности шумов может быть
использован осциллограф, на вход которого подают видеосигнал с УПНК. В этом
случае на экране осциллографа определяют уровень, равный 1/2 стандартного, и на
этом уровне определяют длительность шумов при различных положениях аттенюатора
УПНК.
2.11.2.3.
Длительность шумов
(черт. 33), соответствующую заданному уровню шумов, определяют по
измеренной функции шума или непосредственно описанным в п. 2.11.2.2 методом для заданного уровня шумов.
2.11.2.4. Уровень
шумов
и уровень шумов
(черт. 33) определяют по измеренной функции шума или
непосредственно описанным в п. 2.11.2.2
методом для заданного временного интервала
и заданного момента
времени
.
2.11.3. Если из-за
нелинейных явлений в УПНК во временной области, прилегающей к импульсу
возбуждения, погрешность измеренной функции шума и ее параметров превышает
допустимую, измерения прямых
помещенных ПЭП следует проводить на установке, схема которой приведена на черт. 34.
Генератор
импульсов должен иметь следующие параметры: диапазон амплитуд выходного
напряжения на нагрузке 500 Ом не менее 1,0-20,0 В; диапазон длительностей
импульсов не менее 0,4-100,0 мкс; диапазон задержки основного импульса
относительно синхроимпульса не менее 0,1-10,03 мкс; диапазон частот
следования импульсов не менее 10,0-20∙103 Гц.
Вспомогательный
ПЭП - прямой совмещенный ПЭП с номинальной частотой fUU, равной номинальной частоте fUU, проверяемого ПЭП.
Электронный блок
УПНК 8 - того же типа, что и основной электронный блок УПНК 4 проверяемого
ПЭП. Допускается вместо электронного блока УПНК 8 использовать только его
генератор импульсов возбуждения ПЭП.
Электронный блок
УПНК, акустические нагрузки и стандартные образцы должны соответствовать пп. 1.7, 1.9 и табл. 1, осциллограф - п. 2.1. Используемые при измерениях
стандартные образцы должны исключать наличие эхо-сигнала во временной области,
для которой измеряют функцию шума.

1,3 - генераторы импульсов; 2
- осциллограф; 4, 8 - электронные блоки УПНК; 5 - проверяемы) ПЭП; 6 -
стандартный образец; 7 - вспомогательный ПЭП
2.11.4. Подготовка
и проведение измерений
2.11.4.1.
Выставляют стандартный уровень эхо-сигнала проверяемого ПЭП согласно п. 2.10.2.1 и, установив проверяемый и
вспомогательный ПЭП на стандартный образец согласно черт. 34, добиваются максимального значения амплитуды
контрольного импульса (контрольный импульс - импульс, прошедший через
акустическую нагрузку от вспомогательного ПЭП), перемещая ПЭП относительно друг
друга по поверхности стандартного образца.
2.11.4.2.
Устанавливают электронным блоком УПНК 8 амплитуду контрольного импульса, равную
стандартному уровню. Устанавливают задержку генератора импульсов 3, равную
нулю, и, регулируя задержку генератора импульсов 7, совмещают по экрану
осциллографа начало контрольного импульса с началом переднего фронта импульса
возбуждения УПНК. Длительность задержки генератора импульсов 1 должна
оставаться неизменной до окончания измерения. Перемещают с помощью генератора
импульсов 3 контрольный импульс в положение, где его амплитуда изменяется на ±
2 дБ по отношению к первоначальной (черт. 35).
Если контрольный импульс, «сливаясь» с шумами, не изменяет амплитуду на ± 2 дБ,
его устанавливают в положение, где «провал» между контрольным импульсом и
импульсом шумов составляют 6 дБ (черт. 36).

|
Черт. 35 |
Черт. 36 |
Длительность
задержки генератора импульсов 3, определяющая положение контрольного
импульса согласно черт. 35 и 36, является длительностью шумов для данного уровня шума,
который в исходном положении аттенюатора электронного блока УПНК 4 принимают за
нуль. Измерения повторяют для других положений аттенюатора электронного блока
УПНК 4, поддерживая амплитуду контрольного импульса равной стандартному
уровню. Полученная зависимость показаний аттенюатора от расстояния
(длительности), измеренного от начала переднего фронта импульса возбуждения
УПНК, является функцией A (z)
или
.
2.11.4.3.
Длительность шумов
, соответствующую заданному уровню шумов, определяют
по измеренной функции шума или непосредственно описанным методом для заданного
уровня шумов.
2.11.4.4. Уровень
шумов
и уровень
шумов
определяют по
измеренной функции шума.
2.11.4.5.
Последовательность действий и используемые органы управления при измерении
параметров ПЭП, приведенные в пп. 2.10,
2.11, соответствуют случаю,
когда индикатором в УПНК является электронно-лучевая трубка. При других
индикаторах в УПНК последовательность действий и используемые органы управления
при измерениях параметров ПЭП по пп. 2.10, 2.11
должны быть указаны в технических условиях на ПЭП конкретного типа. При этом
допускается использовать осциллограф в качестве индикатора и измерителя
параметров. Измерение параметров
,
и
для ПЭП, предназначенных для работы в
непрерывном режиме, выполняют с генератором, тип которого устанавливают в
технических условиях на ПЭП или УПНК, в состав которого входит ПЭП.
2.12.1. Измерения
контактных ПЭП следует проводить на установке, схема которой приведена на черт.
1, иммерсионных - на черт. 32.
Раздельно-совмещенные
ПЭП допускается подключать к осциллографу через пассивный четырехполюсник с
полосой пропускания не уже полосы пропускания приемника УПНК и значением модуля
входного электрического сопротивления не менее 10 Zп. э, где Zп.
э - максимальное значение Zп. э (ω) в рабочей области частот.
Электронный блок
УПНК, стандартные образцы должны соответствовать пп. 1.7,
1.9 и табл. 1,
осциллограф - п. 2.1. Если
уровень эхо-сигнала недостаточен для непосредственного измерения осциллографом,
то его необходимо предварительно усилить полосовым усилителем-ограничителем.
2.12.2. Подготовка
к проведению измерений
Устанавливают
контактный ПЭП на акустическую нагрузку или стандартный образец. Добиваются
устойчивого повторения максимального значения эхо-сигнала для контактного ПЭП,
как указано в п. 2.1.2, для иммерсионного - в
п. 2.10.2.5. В качестве эхо-сигнала для
ПЭП, работающих с толщиномерами и структуроскопами, используют отражение от
дна, для ПЭП, работающих с дефектоскопами, - отражение от определенного
отражателя.
2.12.3. Измеряют
амплитуды (или размах) или мгновенное значение
эхо-сигнала и шума в
точках, указанных в технических условиях на ПЭП конкретного типа. Для измерения
амплитуды (или размаха) шума в точке измерения амплитуды (или размаха)
эхо-сигнала ПЭП устанавливают на акустическую нагрузку или стандартный образец,
не дающие отражения в точке измерения шума. Допускается проводить измерения
амплитуды (или размаха) шума акустически ненагруженных ПЭП. Если в диапазоне
контроля или измерения толщин функция шума является немонотонно убывающей, то
обязательным является измерение амплитуды (или размаха) шума в экстремальных
точках и амплитуды (или размаха) эхо-сигнала в области, прилегающей к этим
экстремальным точкам.
2.12.4. Обработка
результатов измерений
Отношение
сигнал/шум Ас, дБ, являющееся наименьшим в диапазоне контроля
или измерения толщин, вычисляют по формуле
, (24)
где U - амплитуда (или размах) напряжения эхо-сигнала на ПЭП или мгновенное
значение эхо-импульса
, В;. Uш - амплитуда (или размах) напряжения шума на ПЭП
в точке измерения эхо-сигнала на ПЭП, В.
2.13.1. Аппаратура
Измерение функций
влияния для контактных ПЭП следует проводить на установке, схема которой
приведена на черт. 1, для иммерсионных - на
черт. 32.
Электронный блок
УПНК и стандартные образцы должны соответствовать пп. 1.7,
1.9, акустический бассейн и координатный механизм - п. 2.10.1.
2.13.2. Подготовка
и проведение измерений
Измерение функций
влияния шероховатости и кривизны на параметры ПЭП проводят следующим образом:
определяют отношение
сигнал/шум Ас по п. 2.12, а
мгновенные значения эхо-импульса
- по п. 2.1 на стандартном образце без
влияющих факторов и на стандартном образце с влияющим фактором (шероховатости
или кривизны).
2.13.3. Функцию
влияния на отношение сигнал/шум Фш (к), дБ, определяют по
формуле
,
(25)
где Ас(i), Ас; - отношение
сигнал/шум на образцах с влияющим фактором и без него, дБ.
Функцию влияния на
мгновенное значение эхо-импульса Фш (к), дБ, определяют по
формуле
, (26)
где
,
- мгновенные значения
эхо-импульса на образце с влияющим фактором и без него, дБ.
2.14.1.Аппаратура
Измерения следует
проводить на установке, схема которой приведена на черт. 37. Измеритель статистических параметров должен
обеспечивать измерение числа импульсов определенной амплитуды, поступающих с
УПНК, и иметь следующие параметры: диапазон регистрируемых амплитуд импульсов
0,1 – 5,0 В; диапазон длительностей регистрируемых импульсов 0,5 – 50,0 мкс;
максимальную интенсивность входных импульсов 104 имп/с;
относительную погрешность счета импульсов ± N -1, где N
– число импульсов. Указанные
функции могут быть обеспеченные одним или группой приборов.
Электронный блок УПНК,
стандартный образец и привод должны соответствовать пп. 1.7, 1.9.
2.14.2. Подготовка
и проведение измерений
1
– измеритель статистических параметров; 2 – электронный блок; 3 – проверяемый
ПЭП; 4 – стандартный образец; 5 – привод УПНК
Черт.
37
Подключают ПЭП к
установке, как показано на черт. 37, и
устанавливают его на стандартный образец. Схема расположения ПЭП на стандартных
образцах должна соответствовать черт. 38, 39. При этом каждой из указанных схем
соответствуют следующие типы ПЭП: черт. 38
- контактные прямые; черт. 39 - наклонные.
Перемещая ПЭП по поверхности образца, добиваются получения максимального
эхо-сигнала от соответствующего каждому типу ПЭП отражателя, показанного
начерт. 38, 39 стрелками. Перемещение ПЭП, предназначенных для
ручного контроля, осуществляет оператор; для автоматизированного - привод УПНК.
Для обеспечения перемещения наклонного ПЭП параллельно отражающей поверхности
или грани вручную следует установить опорную линейку.

Перемещая ПЭП к
краю стандартного образца, находят границу, за которой наблюдается отклонение
амплитуды эхо-импульса, вызванное отражением от боковых поверхностей
стандартного образца. В дальнейшем при перемещении ПЭП не допускается
переходить найденные границы.
Устанавливают
регулировками УПНК частоту следования импульсов и скорость перемещения ПЭП, как
указано в технических условиях на ПЭП конкретного типа. Устанавливают
регулировками УПНК амплитуду эхо-импульса и усиление приемника такими, при
которых обеспечивается линейное усиление эхо-импульса. Подготавливают
измеритель статистических параметров для измерения числа импульсов определенной
амплитуды в определенный интервал времени, поступающих с УПНК.
В зависимости от
типа ПЭП и его назначения допускается выполнять измерение отклонений амплитуд
эхо-импульсов как при сканировании ПЭП, так и при их перестановке на рабочую
поверхность стандартного образца.
При сканировании
ПЭП в период установившейся скорости перемещения выполняют измерение числа
импульсов возбуждения и эхо-импульсов определенной амплитуды.
При перестановке
ПЭП измеряют значения амплитуд эхо-импульсов в момент окончания притирки или
прижатия ПЭП к стандартному образцу. Во время притирки или прижатия ПЭП к
стандартному образцу не допускается оператору наблюдать за индикацией амплитуд
эхо-импульса. Число переустановок (статистических испытаний) должно быть не
менее 30. Вычисляют коэффициент вариации Квар. по
формуле
, (27)
где
; т - среднее значение амплитуды эхо-импульса;
σ -
среднеквадратическое отклонение; п - число статистических испытаний
(объем выборок); mi - значения амплитуд эхо-импульсов, полученные в результате
статистических испытаний, i = 1, 2, 3, ... .
Среднеквадратическое
отклонение может быть вычислено по формуле
,
(28)
где mi - число, пропорциональное текущей амплитуде эхо-импульса; i = 1, 2, 3, ... , и; п – объем
выборки.
Измеренное
граничное значение Kвар или его зависимость от скорости перемещения ПЭП или частоты следования
импульсов, или параметров стандартных образцов с различными влияющими факторами
являются функцией влияния акустического контакта Фа.
2.15.1. Аппаратура
Измерение функции
влияния следует проводить в климатической камере, которая должна обеспечивать
возможность проведения измерений при фиксированной температуре ПЭП, стандартных
образцов и акустических нагрузок в диапазоне от минус 50 °С до плюс 50 °С.
Электронный блок
УПНК, стандартные образцы и акустические нагрузки должны соответствовать пп. 1.7, 1.9, 2.8.
2.15.2. Подготовка
и проведение измерений
Помещают в
климатическую камеру измеряемый ПЭП, стандартные образцы и акустические
нагрузки, выбираемые согласно пп. 2.1,
2.8, 2.12.
Измеряют параметры
,α и Ас ПЭП, как указано в пп. 2.1, 2.8 и 2.12 в п точках
температурного диапазона, указанных в технических условиях на ПЭП конкретного
типа. Функцией влияния температуры Фт является зависимость Ас
и (или) α, и (или)
от
температуры.
В случаях,
специально оговоренных в технических условиях на ПЭП конкретного типа,
допускается не устанавливать стандартные образцы и акустические нагрузки в
климатическую камеру. В этом случае измерения Фт проводят при
температуре стандартных образцов и акустических нагрузок, равной (20 ± 5) °С,
извлекая ПЭП из климатической камеры на срок не более 3 мин.
Испытания ПЭП
проводятся согласно ГОСТ 12997, разд. 5.
Контроль
показателей надежности ПЭП:
средней наработки
на отказ (для восстанавливаемых ПЭП), средней наработки до отказа (для
невосстанавливаемых ПЭП), среднего срока службы и среднего времени
восстановления работоспособного состояния (для восстанавливаемых ПЭП) проводят
по ГОСТ
27.410.
2.18.1. Измерение среднего уровня звукового
давления или колебательной скорости, или интенсивности ультразвука в зоне
контакта ПЭП с телом оператора проводится по ГОСТ 12.1.001 и
«Санитарным нормам и правилам при работе с оборудованием, создающим ультразвук,
передаваемый контактным путем на руки работающих» № 2282-80, утвержденным
Минздравом СССР от 29.12.80.
Испытания на
устойчивость к индустриальным радиопомехам проводят по ГОСТ 12997, разд. 5.
Проверку
требований к конструкции ПЭП проводят внешним осмотром, измерениями и
сравнением с чертежами.
Примечания:
1.
Допускается применять автоматизированные средства измерений, конструктивно
совмещать акустические нагрузки, исключать и (или) объединять указанные на
схемах измерения блоки, использовать приборы, имеющие наименования, отличные от
указанных на черт. 1 - 39, если это не приводит к увеличению погрешностей
используемых для измерений по разд. 2 функциональных блоков, узлов или установок.
2.
Допускается в обоснованных случаях использование средств измерений на более
узкие диапазоны параметров.
3.
Результаты измерений в виде графиков допускается представлять в линейном или
логарифмическом масштабе.
4.
Допускается проводить измерения параметров по пп. 2.1 - 2.4, 2.7 контактных ПЭП, имеющих
номинальные значения fUU(э) ≤ 1,25 МГц в
иммерсионном варианте, если τ ≥ 2z/v,
где τ - длительность импульса возбуждения ПЭП на уровне амплитуды
эхо-сигнала, мкс; i - расстояние от ПЭП до
отражателя, мм; v - скорость звука в материале нагрузки, мм/мкс.
5.
Допускается проводить измерение функции влияния температуры Фт
на угол ввода а, извлекая акустические нагрузки и ПЭП из климатической камеры
на срок не более 3 мин.
6.
Для контрактно-иммерсионных ПЭП допускается выполнять измерения только
параметров резонаторов (вкладышей) в иммерсионном варианте.
7.
Допускается применять методы и средства измерений параметров ПЭП, отличные от
указанных в стандарте, если это не увеличивает погрешность измерений.
8.
Когда результаты измерений представляют в виде таблицы, в технических условиях
на ПЭП конкретных типов указывают метод интерполяции для вычисления
промежуточных значений, если он отличен от линейного.
3.1. Пределы
допустимых погрешностей измерений δk k-го параметра ПЭП определяют по формуле
, (29)
где δak - составляющая погрешности измерения,
обусловленная вариацией акустического контакта ПЭП с акустической нагрузкой при
его переустановке или перемещении; δmk - составляющая погрешности измерения k-гo параметра ПЭП, обусловленная погрешностями метода и средств измерений.
3.2. Пределы
допускаемых погрешностей измерения δmk приведены в приложении 5.
4.1. Результаты
измерений и испытаний должны быть оформлены протоколом или записью в журнале, в
которых необходимо зафиксировать результаты измерений и испытаний и типы
использованных акустических нагрузок согласно приложению 1.
4.2. При
использовании ЭВМ или автоматических средств для обработки результатов
измерений допускается их представлять в виде записи на магнитной ленте,
перфоленте, распечатки с печатающего устройства ЭВМ.
5.1. При работе с
аппаратурой следует соблюдать «Правила технической эксплуатации
электроустановок потребителей» и «Правила техники безопасности при эксплуатации
электроустановок потребителей», утвержденные Госэнергонадзором.
Работу с
аппаратурой следует проводить в соответствии с требованиями безопасности,
изложенными в инструкции по эксплуатации.
5.2. Параметры
ультразвука, воздействующего на оператора, должны соответствовать требованиям
«Санитарных норм и правил при работе с оборудованием, создающим ультразвук,
передаваемый контактным путем на руки работающих» № 2282-80.
5.3. Уровни шума, создаваемого оборудованием на
рабочем месте оператора, не должны превышать допустимых по ГОСТ 12.1.003.
СТРУКТУРА
УСЛОВНОГО ОБОЗНАЧЕНИЯ ТИПОВ АКУСТИЧЕСКИХ
НАГРУЗОК, ОТРАЖАТЕЛЕЙ И УСЛОВИЙ ИЗМЕРЕНИЯ
Структура
условного обозначения типа акустической нагрузки и взаимного расположения ПЭП и
отражателя
|
|
Буква, обозначающая название нагрузки:
К - нагрузка, предназначенная для измерения параметров передаточной
функции, эхо-импульса, импульсной характеристики и импульсного коэффициента
преобразования; Э - нагрузка, предназначенная для измерения
электрического сопротивления ПЭП; Р - нагрузка, предназначенная для
измерения параметров диаграммы направленности контактного ПЭП; В -
нагрузка, предназначенная для измерения параметров иммерсионного ПЭП |
|
Буква Н или R для нагрузок типа К,
обозначающая высоту или радиус нагрузки соответственно; цифра 1 и 2 для
нагрузок, предназначенных для измерения диаграмм направленности Р1 или Р2, соответственно.
Для нагрузок типов Э, В этот символ отсутствует |
|
|
Буквы, обозначающие материал, из
которого изготовлена нагрузка; С - сталь 45; А - алюминиевый
сплав; К - кварцевое стекло; О - органическое стекло; В
- вода. Для материалов, отличных от вышеперечисленных, буквы устанавливают в
документации на ПЭП конкретных типов |
|
|
Цифры, обозначающие значение Н
или R для
нагрузок типов К, Э; расстояние от рабочей поверхности ПЭП до
отражателя в нагрузках типов Р и В, мм. Для нагрузок типа Р1,
предназначенных для измерения Δl, следует указывать расстояние в миллиметрах от рабочей
поверхности ПЭП до обоих отражателей в виде ХХ/ХХ |
Структура
условного обозначения отражателя XXX
|
|
Буква, обозначающая тип
отражателя; П - плоский; С - сферический; Ц -
цилиндрический; Н - нитевой; Р - отражатель в нагрузке,
предназначенный для измерения диаграммы направленности |
|
Цифры, обозначающие диаметр
отражателя или размер меньшей стороны плоского отражателя в миллиметрах |
Пример обозначения условий измерения Δl с помощью нагрузки для
измерения диаграммы направленности Р1 из стали 45 с
двумя отражателями диаметром 5 мм, находящимися на расстоянии 50 и 75 мм от
рабочей поверхности ПЭП:
Р1С-50/75,
Р-5
То же, для условий измерения передаточных функций ПЭП с
помощью акустической нагрузки из алюминия толщиной 50 мм:
КнА-50
То же, для условий измерения диаграммы направленности
иммерсионных ПЭП с помощью сферического отражателя диаметром 5 мм,
расположенного на расстоянии 100 мм от рабочей поверхности ПЭП:
ВВ-100,
С-5
ПЕРЕЧЕНЬ
РЕКОМЕНДУЕМЫХ СРЕДСТВ ИЗМЕРЕНИЙ
1. Осциллограф универсальный С1-20*.
2. Электронно-счетный частотомер Ч3-63*.
3. Генераторы прямоугольных импульсов Г5-78, Г5-72*.
4. Генераторы синусоидальных сигналов Г4-154, Г4-158*.
5. Приборы для исследования АЧХ XI-48, XI-54*.
6. Анализатор спектра СК4-58*.
7. Аттенюатор МЗ-50-2*.
8. Прибор для оценки структуры УС-13И по ТУ 25-06.2538-84.
9. Графопостроитель зависимостей Н-306.
10. Ультразвуковые дефектоскопы УД2-16 по ТУ 25-7761.005,
УД2-12 по ТУ 25-7761.001, УД2-17 по ТУ 25-7761.034.
11. Стандартные образцы по ГОСТ
14782, ГОСТ
21397.
12. Комплект ультразвуковых стандартных образцов толщин
КУСОТ-180*.
13. Измеритель временных интервалов акустический ИВА-180*.
14. Комплект устройств КИД-1 по ТУ 25-7761.002.
15. Иммерсионная ванна ИВ-1Д по ТУ 25-7761.012.
16. Иммерсионная ванна ИВ-1Ф по ТУ 25-7761.0040.
17. Измеритель параметров передаточных функций УП-11ПУ по
ТУ 25-7761.023.
18 Стандартные образцы КМД4-О-40X13, КМД6-0-оргстекло, КМД7-0-оргстекло*.
19. Ограничитель по ГОСТ
23667.
МЕТОД
ИЗМЕРЕНИЯ ЧАСТОТЫ МАКСИМУМА ПРЕОБРАЗОВАНИЯ fUσ(σU),
ПОЛОСЫ ПРОПУСКАНИЯ Δ fUσ(σU) И НЕРАВНОМЕРНОСТИ АЧХ BUσ(σU)
1. Аппаратура. Измерение параметров fσU, ΔfσU, BσU следует проводить на установке, схема которой приведена на черт. 40 а; параметров fUσ, Δ fUσ, BUσ, - на установке по черт. 40 б.

1. – усилитель мощности; 2 –
усилитель напряжения (черт. 40а), усилитель тока (черт. 40б); 3 – измеритель
АЧХ; 4 - графопостроитель; 5 – проверяемый ПЭП; 6 – диэлектрический
преобразователь; 7 – акустическая нагрузка; 8 – источник напряжения; 9 -
частотомер
*
Указатель «Средства измерения, прошедшие государственные испытания и допущенные
Госстандартом СССР к серийному производству и применению в СССР», 1989 г.
Усилитель мощности должен усилить синусоидальный сигнал,
поступающий от генератора качающейся частоты измерителя АЧХ в диапазоне 0,16 -
6,0 МГц, и обеспечить возбуждение проверяемого ПЭП напряжением 5 - 30 В;
диэлектрического преобразователя – 10 - 100 В. Усилитель напряжения должен
иметь входное сопротивление не менее 50 кОм, усилитель тока - не более 0,1 Zд.э (Zд.э -
электрическое сопротивление диэлектрического преобразователя в рабочей области
частот ПЭП); коэффициент усиления - не менее 400.
Суммарная неравномерность АЧХ усилителя мощности и усилителя
напряжения (тока) в рабочей области частот ПЭП должна быть не более 1 дБ.
Диэлектрический преобразователь должен соответствовать
черт. 41.
Схемы
диэлектрических преобразователей

1 - проверяемый ПЭП; 2 - акустическая
нагрузка; 3 - конденсаторная бумага СКОН-ОВН толщиной 4 - 15 мкм или
целлофановая пленка толщиной не более 22 мкм; 4 - алюминиевая фольга толщиной 5
- 1.2 мкм; 5 - лавсановая пленка ПЭТФ толщиной 10 - 15 мкм; 6 - фазоинвертор; R
- резистор МЛТ-0,25 - 1 МОм; С - конденсатор К73-400 В-0,1 мкФ
Источник напряжения должен иметь плавную регулировку выходного напряжения от 0 до 500 В. Измеритель АЧХ, частотомер, графопостроитель и акустические нагрузки должны соответствовать п. 2.4.1.
2. Подготовка и выполнение измерений
2.1. Собирают диэлектрический преобразователь по черт. 41 а, когда материал акустической нагрузки -
органическое стекло, и по черт. 41 б или
черт. 41 в - когда сталь или алюминиевый
сплав. Подключают вывод А к источнику напряжения, вывод Б - к
усилителю мощности или усилителю тока. Рабочую поверхность акустической нагрузки
и внутренний диэлектрический слой преобразователя на черт. 41 в смазывают тонким слоем масла (трансформаторного,
конденсаторного, веретенного). Тщательно разглаживая, укладывают остальные
слои. Не допускается в слоях наличие морщин, изломов, вмятин. Если рабочая
поверхность ПЭП нетокопроводящая, то ее следует также смазать маслом и
притереть к ней слой алюминиевой фольги. Допускается вместо слоев алюминиевой
фольги металлизировать поверхность акустической нагрузки и использовать
лавсановую пленку с односторонней металлизацией толщиной 3 - 5 мкм.
2.2. Определяют для каждого типа используемых
диэлектрических пленок значение напряжения поляризации. С этой целью
увеличивают напряжение поляризации до появления мелких электрических пробоев
пленки, которые наблюдаются в виде всплесков на экране измерителя АЧХ. За
напряжение поляризации принимают максимальное напряжение, при котором не
появляются мелкие электрические пробои. Для дальнейшей работы заменяют
диэлектрические пленки на новые.
2.3. Определяют тщательность выполнения экранировки цепей.
Для этого измеряют наибольшие значения изображения кривой на экране измерителя
АЧХ при включенном и выключенном напряжениях поляризации. При выключенном
напряжении поляризации наибольшее значение сигнала должно уменьшиться не менее
чем на 20 дБ.
2.4. Устанавливают регулировками измерителя АЧХ диапазон
частот, равный рабочей области частот ПЭП. Устанавливают проверяемый ПЭП на
систему слоев и обеспечивают его прижатие к акустической нагрузке с диапазоном
100 - 500 кПа. Регулировками источника напряжения плавно устанавливают
напряжение поляризации.
2.5. График изображения кривой на экране измерителя АЧХ
является амплитудно-частотной характеристикой АЧХσU и АЧХUσ
при измерении по схеме черт. 40 а и черт.
40 б соответственно. Значения f Uσ(σU), Δ f Uσ(σU), В Uσ(σU) могут
быть определены по экрану измерителя АЧХ или по графику, записанному
графопостроителем.
МЕТОДИКА
ИЗМЕРЕНИЯ МАСШТАБА ЗАПИСИ
Измерение масштаба
записи координаты отражателя в режиме автоматического перемещения проводят с
использованием многоэлементного отражателя (МО). МО представляет собой
устройство, содержащее несколько ненаправленных сферических или нитевидных
отражателей, предназначенных для измерения в иммерсионном варианте или в виде
цилиндрических отверстий в нагрузках для измерений в контактном варианте.
При установке МО
на место одиночного отражателя должны быть выполнены следующие условия:
- центр одного из
ненаправленных отражателей МО (основного) должен совпадать с центром
отражателя, используемого для измерения диаграммы направленности, остальные
отражатели МО (дополнительные) должны быть расположены так, чтобы углы между
лучами, соединяющими центры дополнительных ненаправленных отражателей с осью
поворота МО, были равны углам настройки масштаба записи;
- центры
ненаправленных отражателей у МО, используемого в контактном варианте записи,
должны находиться в плоскости, параллельной рабочей поверхности А, и
располагаться симметрично относительно линии, перпендикулярной к поверхности А
и проходящей через центр основного отражателя (см. черт. 42 - 44). Вид
ненаправленного сферического отражателя приведен на черт. 45.
При измерении
масштаба записи в автоматическом режиме проводят запись огибающей эхо-импульсов
от ненаправленных отражателей на диаграммной бумаге графопостроителя (черт. 46).
Схема
взаимного перемещения ПЭП и многоэлементного отражателя

|
Сферический
отражатель |
Изображение
огибающей эхо-импульсов |

Измеряют на
графике расстояние между экстремумами. Расчет масштаба записи проводят по
формуле
, i = 1, 2, 3, … , (30)
где Lt — расстояние между экстремумами; φ - угловое или линейное расстояние
между соответствующими ненаправленными отражателями.
Погрешность
измерения масштаба записи Sm в процентах рассчитывают по формуле
,
(31)
где ΔLi - абсолютная погрешность определения Li по графику на диаграммной бумаге; Δφ – отклонение углового или линейного положения
ненаправленного отражателя от принятого в расчете φ.
Для уменьшения
ΔLi рекомендуется использовать ПЭП с малой
шириной диаграммы направленности.
ПРЕДЕЛЫ ДОПУСКАЕМОЙ ПОГРЕШНОСТИ ИЗМЕРЕНИЯ
ПАРАМЕТРОВ ПЭП
|
Измеренный параметр |
Предел допускаемой
погрешности измерений параметров ПЭП для |
|
|
А |
В |
|
|
|
|
± 30 % |
|
|
± 7 % |
± 10 % |
|
|
± 7 % |
± 10 % |
|
|
± 10 % |
± 15 % |
|
fэ |
± 5 % |
± 10 % |
|
|
± 7 % |
± 10 % |
|
|
|
± 30 % |
|
t max |
± 6 % |
± 10 % |
|
t i |
± 6 % |
± 10 % |
|
t N |
± 8 % |
± 15 % |
|
|
± 5 % |
± 10 % |
|
|
|
± 30 % |
|
fUU: |
|
|
|
до 1,25 МГц |
± 4 % |
± 10 % |
|
свыше 1,25 МГц |
± 4 ΔfUU / fUU, % (ΔfUU / fUU ≤ 0,5) |
± 10 % |
|
|
|
± 20 % |
|
ΔfUU |
|
± 20 % |
|
|
|
± 30 % |
|
fUI: |
|
|
|
до 1,25 МГц |
4 % |
± 10 % |
|
свыше 1,25 МГц |
± 4 ΔfUU / fUU, % (ΔfUU / fUU ≤ 0,5) |
± 10 % |
|
|
|
± 20 % |
|
ΔfUI |
|
± 20 % |
|
|
± 6 % |
± 10 % |
|
K Uσ(σU) |
± 10 % |
± 15 % |
|
f Uσ(σU) |
± 8 % |
± 10 % |
|
Δ f Uσ(σU) |
± 10 % |
± 15 % |
|
α*, α′* |
± (0,03 + 35/а∙fn)°, при fn ≥ 1 МГц |
± 1,5 % |
|
|
± 3,5 %, при fn ≥ 1 МГц, |
± 5 % |
|
α: |
|
|
|
до 60° |
± 45′ |
± 1° |
|
свыше 60° |
±
1,0° |
± 3° |
|
α′ |
± 1°30 |
± 2° |
|
|
± 3
мм |
± 5 мм |
|
|
± 5 мм |
± 10 мм |
|
Δl |
± 0,5 мм |
± 1 мм |
|
τпр |
± 10 % |
± 15 % |
|
F |
± (0,25 + 0,02 k∙F),
мм |
± (0,25 + 0,02 k∙F),
мм |
|
k 1(2,3) |
± 0,2 мм при k 1(2,3) ≤ 2мм ± 0,2 мм ± 5 %при k 1(2,3) > 2 мм |
± 0,5 мм |
|
Ci (z) |
|
|
|
Di (z) |
|
|
|
Aτ |
|
|
|
AΔ τ |
|
|
|
τA |
± 10 % |
± 15 % |
|
Ac |
|
± 20 % |
|
Ф ш(к) |
|
|
* Для иммерсионных ПЭП.
Условные обозначения:
|
А |
- ПЭП, для которых установлены значения отношения сигнал / шум не
менее 12дБ и допустимые отклонения от номинальных значений: мгновенных
значений импульсной характеристики |
|
В |
- остальные типы ПЭП, не входящие в А; |
|
δα |
= |
|
δα |
= |
|
αf |
- коэффициент затухания звуковых волн, указанный в табл. 1, 2, дБ /
мм; |
|
fm |
- верхняя граничная частота диапазона частот акустической нагрузки,
указанная в табл. 1, 2,МГц; |
|
fn |
- в зависимости от измеряемых параметров номинальные значения частот fUU:, f Uσ, f σU, fэ, МГц; |
|
z |
- расстояние, пройденное звуковой волной в акустической нагрузке, мм;
|
|
a |
- радиус (или половина размера) пьезоэлемента ПЭП в рабочей
плоскости, мм; |
|
δc.o |
- относительная погрешность измерения, обусловленная отклонениями
параметров стандартных образцов, %. |
1. Значения
составляющих погрешности измерения δа.к, δc.o и постоянной k, характеризующей форму зависимости амплитуды эхо-сигнала от расстояния
между ПЭП и отражателями, определяют экспериментально и устанавливают в
технических условиях на ПЭП конкретного типа или УПНК, в состав которого входит
измеряемый ПЭП.
2. В технически обоснованных
случаях для измерения параметров Δl, fUU, α, отклонение уровня
эхо-сигнала от дефекта допускается использовать средства измерения, имеющие
предел допускаемой погрешности измерения не более чем половина допуска на
параметр ПЭП.
3. Для уменьшения значения
δа.к допускается выполнять измерения, указанные в разд. 2, многократно с последующей
статистической обработкой результатов измерения.
Примечание. Значения предела допускаемой
погрешности измерения параметров
, α,
α′, Δl в контактном варианте указаны в табл. 3 для
≤ 60 мм.
ИНФОРМАЦИОННЫЕ
ДАННЫЕ
1.
РАЗРАБОТАН И ВНЕСЕН Министерством электротехнической промышленности и
приборостроения СССР
2.
УТВЕРЖДЕН И ВВЕДЕН В ДЕЙСТВИЕ Постановлением Государственного комитета СССР по
управлению качеством продукции и стандартам от 26.11.90 № 2916
3.
ВЗАМЕН ГОСТ 23702-85
4.
ССЫЛОЧНЫЕ НОРМАТИВНО-ТЕХНИЧЕСКИЕ ДОКУМЕНТЫ
|
Обозначение НТД, на
который дана ссылка |
Номер раздела, пункта |
|
ГОСТ
27.410-87 |
|
|
ГОСТ 12997-84 |
|
|
Приложение 2 |
|
|
ГОСТ 15130-86 |
|
|
ГОСТ
21397-81 |
Приложение 2 |
|
ГОСТ
23667-85 |
Приложение 2 |
|
ГОСТ
26266-90 |
Вводная часть, 2.1.1 |
|
ТУ 25-06.2538-84 |
Приложение 2 |
|
ТУ 25-7761.001-86 |
|
|
ТУ 25-7761.005-86 |
|
|
ТУ 25-7761.012-88 |
|
|
ТУ 25-7761.002-86 |
|
|
ТУ 25-7761.023-86 |
|
|
ТУ 25-7761.034-87 |
|
|
ТУ 25-7761.0040-88 |
5.
ПЕРЕИЗДАНИЕ. Август 2003 г.
Содержание
1.
Общие требования
2. Методы измерений и испытаний
2.1.
Метод измерения импульсного коэффициента преобразования
мгновенных значений
эхо-импульса
их отклонений от
номинальных значений, временных интервалов эхо-импульса
длительности эхо-импульса
, эффективной частоты эхо-импульса fэ и ее
отклонения от номинального значения
2.2.
Метод измерения мгновенных значений импульсной характеристики
, длительности импульсной характеристики fmax(N), временных
интервалов импульсной характеристики
импульсного
коэффициента преобразования ![]()
2.3.
Метод измерения амплитудно-частотной характеристики
(ω), частоты
максимума преобразования fUU(UI) и ее отклонения
от номинального значения, полосы пропускания ΔfUU(UI) граничных
частот полосы пропускания fн,fв, неравномерности
амплитудно-частотной характеристики ВUU(UI) и коэффициента
преобразования KUU(UI) и его
отклонения от номинального значения
2.4.
Метод измерения электрического сопротивления ПЭП
,
, ![]()
2.5.
Метод измерения коэффициента преобразования K Uσ(σU), частоты
максимума преобразования f Uσ(σU)
полосы пропускания Δ f Uσ(σU)
неравномерности амплитудно-частотной характеристики BUσ(σU)
2.6.
Метод измерения времени распространения звука в призме τпр
2.7.
Метод измерения угла ввода α, α′ и его
отклонения от номинального значения, ширины диаграммы направленности
уровня боковых
лепестков
иммерсионных ПЭП
2.8.
Метод измерения угла ввода α, α′ и его
отклонения от номинального значения, ширины диаграммы направленности
, отклонения точки ввода Δl, стрелы ПЭП l, уровня
боковых лепестков
контактных и
контактно-иммерсионных ПЭП
2.9.
Метод измерения фокусного расстояния F протяженности фокальной области k 1(2,3)
2.10.
Метод измерения АРД-диаграммы, функции эхо-сигнала от дефекта С (z), уровня
эхо-сигнала от дефекта С 1(2,3)
и функции эхо-сигнала от дна D (z).
2.11.
Метод измерения функции шума А (z) [A (τ)], длительности шумов τА, уровня
шумов AΔτ и А τ
2.12. Метод измерения
отношения сигнал/шум АС
2.13.
Метод измерения функций влияния шероховатости Фш и кривизны Фк
2.14.
Метод измерения функции влияния акустического контакта Фа
2.15. Метод
измерения функции влияния температуры Фт
2.16.
Методы испытаний ПЭП на устойчивость и прочность к воздействию климатических и
механических факторов при эксплуатации
2.17. Методы
контроля показателей надежности ПЭП
2.18.
Метод измерения среднего уровня звукового давления или колебательной скорости,
или интенсивности ультразвука в зоне контакта ПЭП с телом оператора
2.19.
Метод испытания ПЭП на устойчивость к индустриальным радиопомехам
2.20. Проверка
требований к конструкции ПЭП
3. Нормы точности измерений
4. Оформление
результатов измерений и испытаний
5. Требования безопасности
Приложение 1
Приложение 2
Приложение 3
Приложение 4
Приложение 5
|
|
|
|