Бесплатная библиотека стандартов и нормативов www.docload.ru

Все документы, размещенные на этом сайте, не являются их официальным изданием и предназначены исключительно для ознакомительных целей.
Электронные копии этих документов могут распространяться без всяких ограничений. Вы можете размещать информацию с этого сайта на любом другом сайте.
Это некоммерческий сайт и здесь не продаются документы. Вы можете скачать их абсолютно бесплатно!
Содержимое сайта не нарушает чьих-либо авторских прав! Человек имеет право на информацию!

 

 

ГОСУДАРСТВЕННЫЙ СТАНДАРТ СОЮЗА ССР

ФОТОЭЛЕМЕНТЫ СЕЛЕНОВЫЕ

ДЛЯ ФОТОМЕТРИРОВАНИЯ

И КОЛОРИМЕТРИРОВАНИЯ

 ПИРОТЕХНИЧЕСКИХ СРЕДСТВ

Общие технические требования

 

ГОСТ 2388-70

Ипк издательство стандартов

Москва

ГОСУДАРСТВЕННЫЙ СТАНДАРТ СОЮЗА ССР

ФОТОЭЛЕМЕНТЫ СЕЛЕНОВЫЕ ДЛЯ ФОТОМЕТРИРОВАНИЯ И КОЛОРИМЕТРИРОВАНИЯ ПИРОТЕХНИЧЕСКИХ СРЕДСТВ

Общие технические требования

Selenium photocells for photometric and

colorimetric measurement of pirotechnical agents.

General technical requirements

ГОСТ 2388-70

Дата введения 01.01.71

Настоящий стандарт распространяется на селеновые фотоэлементы, предназначенные для фотометрирования и колориметрирования пламени пиротехнических составов.

Стандарт устанавливает требования к фотоэлементам, применяемым при фотометрировании и колориметрировании светящегося пламени единичных световых вспышек с временем достижения максимума силы света не менее 0,001с и модулированного света с частотой не более 100 Гц; при этом освещенность на фотоэлементе должна быть от 2 до 2000лк.

Требования п.п. 1.6, 1.7, 2.3 и приложение настоящего стандарта являются обязательными, другие требования рекомендуемыми.

(Измененная редакция, Изм. № 3).

Содержание:

1. Технические требования

1.1. Фотоэлементы должны соответствовать требованиям настоящего стандарта и технической документации, утвержденной в установленном порядке.

1.2. Фотоэлементы должны надежно работать в диапазоне температур от минус 20 до плюс 40°С и относительной влажности до 80 %.

Примечание. Разрешается работать с фотоэлементами при температуре ниже минус 20 и выше плюс 40°С при условии, что измеренная интегральная чувствительность при этих температурах соответствует значениям, указанным в п. 1.6а.

1.3. Конструкция фотоэлемента должна обеспечивать:

а) герметичность светочувствительного элемента;

б) надежный контакт выводных клемм с электродами светочувствительного элемента;

в) возможность закрытия светочувствительного элемента съемной крышкой в нерабочем состоянии;

г) надежное крепление светофильтра;

д) возможность установки на штатив.

1.4. Все металлические детали фотоэлемента должны быть защищены антикоррозионными покрытиями, вид которых указывают в чертежах на фотоэлемент.

1.5. Корпус фотоэлемента должен быть изготовлен из диэлектрика, обеспечивающего сопротивление между токоснимающими деталями не менее 100МОм.

1.6. Световые и электрические характеристики фотоэлементов, применяемых при фотометрировании и колориметрировании, при сопротивлении нагрузки не более 100 Ом должны удовлетворять следующим требованиям:

а) интегральная чувствительность при снятом светофильтре не должна быть менее 300мкА/лм при освещенности 1000лк на поверхности светочувствительного элемента;

б) линейность (отклонение от прямой пропорциональности между фототоком и освещенностью) в диапазоне освещенности от 2 до 2000лк не должна превышать ±5%;

в) утомляемость (изменение фототока со временем) при освещенности 2000лк через 10мин после начала освещения фотоэлемента не должна превышать 2% от величины начального фототока;

г) температурный коэффициент для интервала температур от минус 20 до плюс 40°С при освещенности 2000лк не должен превышать 0,2% на 1°С.

1.7. Корригирующий светофильтр, применяемый для фотометрирования, должен приводить относительную спектральную чувствительность фотоэлемента к относительной световой эффективности монохроматического излучения по ГОСТ 8.332. Допускаемые отклонения не должны превышать значений, приведенных в табл. 1.

Таблица 1

Длина волны, НМ

Относительная

спектральная

чувствительность

фотоэлемента

Допускаемое

отклонение, %

Длина волны, нм

Относительная

спектральная

чувствительность

фотоэлемента

Допускаемое

отклонение, %

440

0,023

+40

560

0,995

+1

460

0,060

±20

 

 

2

480

0,139

±15

580

0,870

±2

500

0,323

±10

600

0,631

±10

520

0,710

±5

620

0,381

±15

540

0,954

±2

640

0,175

±20

555

1,000

-

660

0,061

±40

Не допускается отклонение положения максимума спектральной чувствительности фотоэлемента с корригирующим светофильтром от X=555 нм более чем на ±5 нм.

Примечания:

1.Использование корригирующих светофильтров от других фотоэлементов не допускается.

2.Для уменьшения освещенности фотоэлемента допускается применение нейтральных светофильтров.

(Измененная редакция, Изм. № 2).

1.8. Светофильтры, применяемые для колориметрирования, должны обеспечивать относительные спектральные чувствительности фотоэлементов, соответствующие удельным координатам цвета  (стандартной системы МОК), приведенным в табл. 2.

Таблица 2

Длина волны, нм

Удельные координаты цвета

380

0,0014

0,0000

0,0065

400

0,0143

0,0004

0,0679

420

0,1344

0,0040

0,6456

440

0,3483

0,0230

1,7471

460

0,2908

0,0600

1,6692

480

0,0956

0,1390

0,8130

500

0,0049

0,3230

0,2720

520

0,0633

0,7100

0,0782

540

0,2904

0,9540

0,0203

560

0,5945

0,9950

0,0039

580

0,9163

0,8700

0,0017

600

1,0622

0,6310

0,0008

620

0,8544

0,3810

0,0002

640

0,4479

0,1750

0,0000

660

0,1649

0,0610

0,0000

680

0,0468

0,0170

0,0000

700

0,0114

0,0041

0,0000

720

0,0029

0,0010

0,0000

740

0,0007

0,0003

0,0000

760

0,0002

0,0001

0,0000

780

0,0000

0,0000

0,0000

1.9. Готовые фотоэлементы должны быть приняты отделом технического контроля предприятия-поставщика.

2. Методы испытаний

2.1. Испытания на соответствие п.п. 1.3 а, б, в; 1.4; 1.5 и 1.8 проводят по стандартам или технической документации на селеновые фотоэлементы конкретных типов, утвержденной в установленном порядке.

2.2. Проверку на соответствие п. 1.3 г, д осуществляют визуально.

2.3. Определение световых и электрических характеристик фотоэлементов

2.3.1. Приборы и оборудование

Электроизмерительный прибор (микроамперметр) с внутренним сопротивлением не более 100 Ом класса точности не ниже 0,5;

фотометрическая скамья, обеспечивающая перемещение фотоэлемента вдоль ее оптической оси от 0,2 до 3,0 м; точность измерения расстояния между нитью накала лампы и светочувствительной поверхностью фотоэлемента ±0,5мм; защита фотоэлемента от попадания отраженного и постороннего света;

вольтметр и амперметр класса точности не ниже 0,2 по ГОСТ 8711;

монохроматор для видимой области спектра;

регулятор напряжения для установления и поддержания режима питания светоизмерительной лампы;

светоизмерительная лампа по ГОСТ 10771, поверенная при цветовой температуре источника А (или 2800°K);

рабочие измерительные лампы, поверенные на светоизмерительной лампе, по ГОСТ 10771;

источник постоянного или стабилизированного переменного тока для питания светоизмерительной или рабочей лампы.

Все приборы и оборудование должны соответствовать требованиям действующих стандартов или технической документации, утвержденной в установленном порядке. Приборы должны иметь удостоверение о поверке.

2.3.2. Проведение испытаний и обработка результатов

2.3.2.1. Все испытания фотоэлементов (если это специально не оговорено) проводят при температуре (20±5)°С.

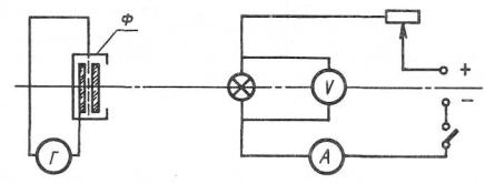
2.3.2.2. Для измерения интегральной чувствительности, линейности, утомляемости и определения температурного коэффициента собирают схему согласно черт. 1, фотоэлемент и светоизмерительную или рабочую лампу устанавливают так, чтобы плоскость нити накала лампы и поверхность светочувствительного элемента были расположены перпендикулярно оптической оси фотометрической установки.

Ф - фотоэлемент; Г - гальванометр

Черт. 1

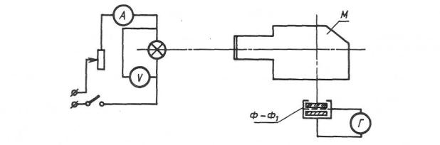
2.3.2.3. Для определения кривой спектральной чувствительности собирают схему согласно черт. 2.

2.3.2.4. Напряжение на светоизмерительной или рабочей лампе во время измерений должно быть постоянным и соответствовать значению, указанному в свидетельстве на лампу, при этом отклонение силы тока в лампе от значения в свидетельстве не должно превышать 0,2 % (с учетом поправки на питание измерительных приборов).

2.3.2.5. Перед началом измерений светоизмерительная или рабочая лампа должна быть прогрета в течение 5 мин при ее рабочем напряжении.

 

М - монохроматор, Ф - образцовый фотоэлемент

Черт. 2

2.3.2.6. Интегральную чувствительность (п. 1.6а) измеряют со снятым светофильтром при освещенности 1000лк на светочувствительном элементе.

Интегральную чувствительность σи в мкА/лм вычисляют по формуле

где с - цена деления электроизмерительного прибора в мкА/дел;

i - показание электроизмерительного прибора в делениях шкалы;

Ф - световой поток в люменах, определяемый по формуле

где I - сила света лампы в канделах;

S - площадь рабочей части светочувствительного элемента в квадратных сантиметрах;

R - расстояние между плоскостью нити накала лампы и поверхностью светочувствительного элемента в метрах, измеренное с точностью до ±0,5 мм.

2.3.2.7. Линейность (п. 1.6б) определяют при освещенностях на фотоэлементе 50; 100; 200; 500; 1000; 1500; 2000лк и строят график. Отклонение от прямой, построенной для освещенностей до 1000лк, не должно превышать ±5% по осям координат.

2.3.2.8. Утомляемость Ку в % (п.1.6в) вычисляют по формуле

где i1 - величина фототока по истечении 5-15с с момента освещения фотоэлемента в микроамперах;

i2 - величина фототока по истечении 10-11мин с момента освещения фотоэлемента в микроамперах.

2.3.2.9. Температурный коэффициент (п. 1.6г) определяют при нагревании (охлаждении) фотоэлемента с одновременным измерением фототоков. Перед началом измерений фотоэлемент выдерживают не менее 1ч при температуре 0°С, после чего температуру повышают (понижают) до плюс 40°С (минус 20°С) с интервалами через 10°С, при этом время выдержки сокращают на 10 мин по сравнению с предыдущим.

Температурный коэффициент αt, в град-1, вычисляют по формуле

где i3 - величина фототока при температуре t1, в микроамперах

i4 - величина фототока при температуре t2 в микроамперах;

Δt - разность температур (tl - t2) в °С.

2.3.2.10. Относительную спектральную чувствительность фотоэлемента (п.1.7) определяют следующим образом. У выходной щели монохроматора помещают образцовый и испытуемый фотоэлемент поочередно.

Ширина щелей монохроматора должна быть одинаковой для обоих фотоэлементов.

Для каждого фотоэлемента замеряют величину фототока для соответствующих волн, указанных в табл. 1.

Относительную спектральную чувствительность испытуемого фотоэлемента  для соответствующей длины волны в % вычисляют по формуле

где  - чувствительность образцового фотоэлемента для волны X в %;

i5 - величина фототока испытуемого фотоэлемента в микроамперах;

iобр - величина фототока образцового фотоэлемента в микроамперах. По вычисленным значениям  строят кривую спектральной чувствительности.

2.3.2.11. Интегральную чувствительность, линейность, утомляемость и относительную спектральную чувствительность фотоэлемента проверяют не реже одного раза в год и результаты проверки записывают в удостоверение на селеновый фотоэлемент.

Форма удостоверения приведена в приложении.

3. Маркировка, упаковка, транспортирование и хранение

3.1.На корпусе фотоэлемента должны быть выгравированы и заполнены краской:

а) товарный знак предприятия-поставщика;

б) номера фотоэлемента и светочувствительного элемента;

в) риска, указывающая местоположение поверхности светочувствительного элемента;

г) знаки полярности («+»; «—») у клемм;

д) дата выпуска фотоэлемента.

3.2. Светофильтр маркируют несмываемой краской номером фотоэлемента.

3.3. В нерабочем состоянии фотоэлемент должен быть закрыт крышкой, причем выводные контакты должны быть соединены проводником.

3.4.Фотоэлемент обертывают парафинированной бумагой по ГОСТ 9569, предохраняющей его от сырости, а затем укладывают в футляр.

3.5. Фотоэлементы в упакованном виде допускают транспортирование их любым видом транспорта при условии защиты от влаги и механических повреждений при температуре окружающего воздуха от минус 50 до плюс 50ºС.

3.6. Фотоэлементы должны храниться в упакованном виде в сухих складских помещениях при температуре от 5 до 40ºС при отсутствии в воздухе паров кислот и щелочей

Приложение

Обязательное

 

ФОРМА УДОСТОВЕРЕНИЯ

Удостоверение
 на селеновый элемент №....
с корригирующим светофильтром
 проверки ______________
19 .... г.

на соответствие требованиям ГОСТ .... по световым и спектральным характеристикам линейности, утомляемости и интегральной чувствительности.

Результаты измерений

1. График линейности фотоэлемента №………….
со светофильтром при
Rn = ……...

2. Кривая спектральной чувствительности фотоэлемента №.…. с корригирующим светофильтром

3.Интегральная чувствительность фотоэлемента № ……..со светофильтром при Rn=………

Е=……….Тц = ……..равна……..

4. Утомляемость фотоэлемента №………..при освещенности Е = …….и Rn=……….Ку=…..

5. Фотоэлемент укомплектован нейтральными фильтрами

τф1=…….

Заключение

Фотоэлемент №……… с корригирующим светофильтром пригоден для фотометрирования осветительных, сигнальных и фотоосветительных изделий при соблюдении следующих условий:

а) освещенность на светофильтре не более 2000лк;

б) сопротивление нагрузки не более 100 Ом;

в) температура окружающего воздуха от минус 20 до плюс 40°С;

г) влажность окружающего воздуха не более 80 %;

д) периодичность поверки фотоэлемента - один раз в год.

Начальник лаборатории_________________________________________________________

Руководитель группы___________________________________________________________

Измерения проводил ___________________________________________________________

«____»____________19____г.

ПРИЛОЖЕНИЕ. (Измененная редакция, Изм. № 1, 2).

ИНФОРМАЦИОННЫЕ ДАННЫЕ

1. РАЗРАБОТЧИКИ

А.И. Власов, А.Н. Столяров, Т.А. Ефименкова

2. УТВЕРЖДЕН И ВВЕДЕН В ДЕЙСТВИЕ Постановлением Комитета стандартов, мер и измерительных приборов при Совете Министров СССР от 23.07.70 № 1131

3. Срок проверки - 1996 г.

4. Ссылочные нормативно-технические документы

Обозначение НТД, на который дана ссылка

Номер пункта

ГОСТ 8.332-78

1.7

ГОСТ 8711-93

2.3.1

ГОСТ 9569-79

3.4

ГОСТ 10771-82

2.3.1

 

5. Ограничение срока действия снято Постановлением Госстандарта СССР от 20.06.91 № 936

6. ПЕРЕИЗДАНИЕ (март 1998 г.) с Изменениями № 1, 2, 3, утвержденным» в августе 1980 г., ноябре 1984 г., июне 1991 г. (ИУС 11-80, 2-85, 9-91)




Rambler's Top100 Яндекс цитирования
  Copyright © 2008-2026, www.docload.ru