|
|
ГОСУДАРСТВЕННЫЕ СТАНДАРТЫ СОЮЗА ССР СОЕДИНИТЕЛЬНЫЕ ПАТРУБКИ КОНСТРУКЦИЯ ГОСТ 24190-80 ГОСУДАРСТВЕННЫЙ КОМИТЕТ СССР ПО СТАНДАРТАМ МОСКВА ГОСУДАРСТВЕННЫЙ СТАНДАРТ СОЮЗА ССР
Дата введения 01.07.91 Несоблюдение стандарта преследуется по закону 1. Настоящий стандарт
распространяется на патрубки, применяемые при монтаже стеклянных трубопроводов. Требования настоящего стандарта являются
обязательными. (Измененная редакция, Изм. № 3). 2. Патрубки
должны быть изготовлены двух типов: 1 - для соединения стеклянных
трубопроводов; 2 - для соединения стеклянных
трубопроводов кровельного отопления к металлическим трубопроводам. Патрубки типа 1 должны изготовляться 2-х
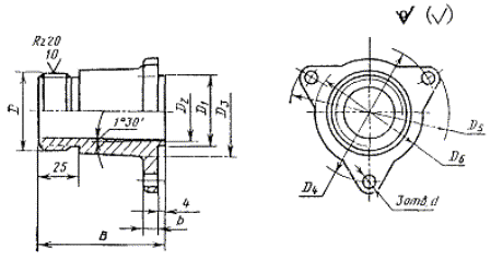
исполнений. (Новая редакция, Изм. № 3). 3. Конструкция и основные
размеры патрубков типа 1 должны соответствовать
указанным на черт. 1 и в табл. 1. Тип 1 Исполнение
1 Исполнение 2 * Размеры для справок. 1 - переходник; 2 - штуцер;
3 - накидная гайка; 4 - заглушка; 5 - прокладка Таблица 1 Размеры в мм
Пример условного
обозначения патрубка для трубы
наружным диаметром Dн = 45 мм тип 1 исполнения 1: Патрубок 1-1-45 ГОСТ 24190-80 То же, исполнения 2: Патрубок 1-2-45 ГОСТ 24190-80 (Измененная редакция, Изм. № 3). 4. Конструкция и основные
размеры переходника должны соответствовать указанным на черт. 2 и в табл. 2. Для труб Dн = 45 мм Для труб Dн = 67, 93, 122 мм Для труб Dн = 169 мм Размеры в мм
Пример условного
обозначения переходника для
трубы наружным диаметром Dн = 45 мм: Переходник 45 ГОСТ 24190-80 5. Конструкция и основные
размеры штуцера должны соответствовать указанным на черт. 3 и в табл. 3. Таблица 3 Размеры
в мм
Пример условного
обозначения штуцера для трубы
наружным диаметром Dн = 45 мм: Штуцер 45 ГОСТ 24190-80 6. Конструкция и основные размеры
накидной гайки должны соответствовать указанным на черт. 4 и в табл. 4. Таблица 4 Размеры в мм
Пример условного
обозначения накидной гайки для
трубы наружным диаметром Dн = 45 мм: Гайка 45 ГОСТ 24190-80 7. Конструкция
и основные размеры заглушки должны соответствовать указанным на черт. 5 и в табл. 5. Размеры в мм
Пример условного
обозначения заглушки для трубы
наружным диаметром Dн = 45 мм: Заглушка 45 ГОСТ 24190-80 3 - 7. (Измененная
редакция, Изм. № 1). 8. Конструкция и размеры
прокладок должны соответствовать указанным на черт. 6 и в табл. 6. Таблица 6 Размеры в мм
Пример условного
обозначения прокладки для трубы
наружным диаметром Dн = 45 мм: Прокладка 45 ГОСТ 24190-80 9. Детали патрубка должны
быть изготовлены: переходник, штуцер, накидная гайка, заглушка - из алюминиевого
сплава марки АК7 по ГОСТ 2685-75, а прокладки - из резины по рабочим чертежам,
утвержденным в установленном порядке. Сталь Ст.3 ГОСТ 380-88. (Измененная редакция, Изм. № 3). 9a.
Конструкция и основные размеры патрубков типа 2 должны соответствовать
указанным на черт. 7 и в табл. 7. Тип 2 Размеры в мм
Пример условного
обозначения патрубка типа 2 для
трубы Dy = 40 мм: Патрубок 2-40 ГОСТ 24190-80. (Введен
дополнительно, Изм. № 3). 10. Технические требования -
по ГОСТ
24201-80. 11. Коды ОКП приведены в
приложении. (Введен
дополнительно, Изм. № 3). ПРИЛОЖЕНИЕ Справочное
(Введено дополнительно, Изм. № 1). (Измененная редакция, Изм. № 3). ИНФОРМАЦИОННЫЕ ДАННЫЕ 1. РАЗРАБОТАН И ВНЕСЕН
Министерством монтажных и специальных строительных работ СССР ИСПОЛНИТЕЛИ М.Г.
Скакунов, д-р техн. наук; В.И. Каптелов; Н.Н. Куликов; Р.И.
Шарунова 2. УТВЕРЖДЕН И
ВВЕДЕН В ДЕЙСТВИЕ Постановлением Государственного комитета СССР по стандартам
от 22.05.80 № 2306 3. ВЗАМЕН ГОСТ
19696-74, ГОСТ 15919-74, ГОСТ 15920-74, ГОСТ 15921-74, ГОСТ 15922-74, ГОСТ
15923-74 4. Срок проверки -
1 квартал 1990 г.; периодичность проверки - 5 лет. 5. ССЫЛОЧНЫЕ
НОРМАТИВНО-ТЕХНИЧЕСКИЕ ДОКУМЕНТЫ
6. ПЕРЕИЗДАНИЕ (май 1988 г.) с Изменениями № 1, 2,
утвержденными в сентябре 1982 г., в январе 1988 г. (ИУС 1-83, 4-88). Снято ограничение срока действия
Постановлением Госстандарта СССР от 28.01.88 № 155. | |||||||||||||||||||||||||||||||||||||||||||||||||||||||||||||||||||||||||||||||||||||||||||||||||||||||||||||||||||||||||||||||||||||||||||||||||||||||||||||||||||||||||||||||||||||||||||||||||||||||||||||||||||||||||||||||||||||||||||||||||||||||||||||||||||||||||||||||||||||||||||||||||||||||||||||||||||||||||||||||||||||||||||||||||||||||||||||||||||||||||||
|
|
|
|