|
|
ГОСУДАРСТВЕННЫЕ СТАНДАРТЫ СОЮЗА ССР СОЕДИНИТЕЛЬНЫЕ Конструкция ГОСТ 24193-80 ГОСУДАРСТВЕННЫЙ КОМИТЕТ СССР
ПО СТАНДАРТАМ Москва государственный стандарт союза сср
Дата введения 01.07.81 Несоблюдение стандарта
преследуется по закону 1. Настоящий стандарт распространяется на накидные хомуты, применяемые
для крепления стеклянных трубопроводов. Требования настоящего
стандарта являются обязательными. (Измененная редакция, Изм.
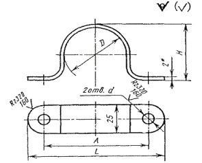
№ 2). 2. Конструкция и основные размеры накидных хомутов должны
соответствовать указанным на чертеже и в таблице. ____________ * Размер для справок. Размеры
в мм
(Измененная редакция, Изм.
№ 2). Пример условного обозначения накидного хомута для трубы наружным диаметром DH = 45 мм из стали марки Ст3кп: Хомут 45 ГОСТ 24193-80 То же, из стали марки Ст3сп: Хомут 45-С ГОСТ 24193-80 3. Материал хомутов - сталь марки Ст3кп или Ст3сп по ГОСТ 380-71. 4. Технические требования - по ГОСТ 24201-80. 5. Коды ОКП приведены в приложении. (Введен
дополнительно, Изм. № 2). ПРИЛОЖЕНИЕ Справочное
(Введено дополнительно, Изм. № 1, Изм. № 2). ИНФОРМАЦИОННЫЕ ДАННЫЕ 1. РАЗРАБОТАН И ВНЕСЕН Министерством монтажных
и специальных строительных работ СССР ИСПОЛНИТЕЛИ М.Г. Скакунов, д-р техн. наук; Н.И. Куликов; Р.И. Шарунова 3. ВЗАМЕН ГОСТ 15924-74 4. Срок проверки - I квартал 1990 г.; периодичность проверки - 5
лет. 5. ССЫЛОЧНЫЕ НОРМАТИВНО-ТЕХНИЧЕСКИЕ ДОКУМЕНТЫ
6. ПЕРЕИЗДАНИЕ (май 1988 г. с Изменением № 1,
утвержденным в январе 1988 г. (ИУС 4-88). Снято
ограничение срока действия Постановлением Госстандарта СССР от 28.01.88 № 155. |
|
|
|
|