Бесплатная библиотека стандартов и нормативов www.docload.ru

Все документы, размещенные на этом сайте, не являются их официальным изданием и предназначены исключительно для ознакомительных целей.
Электронные копии этих документов могут распространяться без всяких ограничений. Вы можете размещать информацию с этого сайта на любом другом сайте.
Это некоммерческий сайт и здесь не продаются документы. Вы можете скачать их абсолютно бесплатно!
Содержимое сайта не нарушает чьих-либо авторских прав! Человек имеет право на информацию!

 

ГОСУДАРСТВЕННЫЕ СТАНДАРТЫ СОЮЗА ССР

СОЕДИНИТЕЛЬНЫЕ
И КРЕПЕЖНЫЕ ДЕТАЛИ
СТЕКЛЯННЫХ ТРУБОПРОВОДОВ

КРОНШТЕЙНЫ

КОНСТРУКЦИЯ

ГОСТ 24198-80

государственный комитет ссср по стандартам

Москва

ГОСУДАРСТВЕННЫЙ СТАНДАРТ СОЮЗА ССР

КРОНШТЕЙНЫ

Конструкция

Brackets. Design

ГОСТ
24198-80

Дата введения 01.07.81

(Измененная редакция, Изм. № 2).

Несоблюдение стандарта преследуется по закону

1. Настоящий стандарт распространяется на кронштейны, применяемые для крепления стеклянных трубопроводов.

Требования настоящего стандарта являются обязательными.

(Измененная редакция, Изм. № 2).

2. Кронштейны должны быть изготовлены двух типов:

1 - для крепления стеклянных трубопроводов;

2 - для крепления стеклянных трубопроводов в теплицах и холодильниках.

Кронштейны типа 1 должны изготовляться 4-х исполнений;

кронштейны типа 2 - 2-х исполнений:

1 - кронштейн ОВН - для крепления стеклянных трубопроводов кровельного обогрева в теплицах;

2 - кронштейны ТХН - для крепления потолочных и пристенных батарей из стеклянных труб холодильников.

(Новая редакция, Изм. № 2).

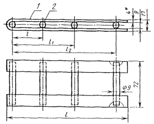
3. Конструкция и основные размеры кронштейнов типа 1 должны соответствовать указанным на черт. 1 и в табл. 1.

(Измененная редакция, Изм. № 2).

Тип 1

Исполнение 1

Исполнение 2

Исполнение 3

Исполнение 4

1 - скоба; 2 - распорка

Черт. 1

* Размер для справок.

(Измененная редакция, Изм. № 2).

Таблица 1

Размеры в мм

L

l

l1

l2

Число скоб

Число распорок

Масса, кг, не более

для исполнения

для исполнения

1, 2

3, 4

1

2

3

4

1

2

3

4

1

2

3

4

180

150

-

-

-

1

2

2

4

1

2

-

2

0,29

0,54

0,27

0,60

350

300

-

-

-

-

0,51

0,98

0,49

1,10

450

430

-

-

2

3

-

0,60

1,25

0,60

1,25

600

450

-

-

-

-

3

-

1,63

0,80

1,70

750

600

750

-

-

-

-

-

2,03

-

2,10

900

-

-

4

-

4

-

2,40

-

2,60

1050

900

-

-

-

-

-

2,78

-

2,90

(Измененная редакция, Изм. № 2).

Пример условного обозначения кронштейна длиной L = 450 мм, тип 1 исполнения 1, из стали марки Ст3кп:

Кронштейн 1-1-450 ГОСТ 24198-80

то же, из стали марки Ст3сп:

Кронштейн 1-1-450-С ГОСТ 24198-80

То же, исполнения 2, из стали марки Ст3кп:

Кронштейн 1-2-450 ГОСТ 24198-80

То же, из стали марки Ст3сп:

Кронштейн 1-2-450-С ГОСТ 24198-80

То же, исполнения 3, из стали марки Ст3кп:

Кронштейн 1-3-450 ГОСТ 24198-80

То же, из стали марки Ст3сп:

Кронштейн 1-3-450-С ГОСТ 24198-80

То же, исполнения 4, из стали марки Ст3кп:

Кронштейн 1-4-450 ГОСТ 24198-80

То же, из стали марки Ст3п:

Кронштейн 1-4-450-С ГОСТ 24198-80

(Измененная редакция, Изм. № 2).

4. Конструкция и основные размеры скоб должны соответствовать указанным на черт. 2 и в табл. 2.

Исполнение 1, 2

Исполнение 4

Черт. 2

Таблица 2

Размеры в мм

L

l

l1

l2

Масса, кг, не более

для исполнения

1, 2

3

4

180

160

-

-

0,23

0,14

0,13

350

310

-

-

0,45

0,25

0,24

450

-

-

0,57

0,30

0,29

600

460

-

0,76

0,40

0,39

750

610

-

0,95

-

0,49

900

760

1,14

-

0,59

1050

910

1,33

-

0,68

Пример условного обозначения скобы кронштейна длиной L = 450 мм, исполнения 1, 2, из стали марки Ст3кп:

Скоба 450 ГОСТ 24198-80

То же, из стали марки Ст3сп:

Скоба 450-С ГОСТ 24198-80

То же, исполнения 3 из стали марки Ст3кп:

Скоба 3-450 ГОСТ 24198-80

То же, из стали марки Ст3сп:

Скоба 3-450-С ГОСТ 24198-80

То же, исполнения 4 из стали марки Ст3кп:

Скоба 4-450 ГОСТ 24198-80

То же, из стали марки Ст3сп:

Скоба 4-450-С ГОСТ 24198-80

5. Конструкция и основные размеры распорок (исполнения 3, 4) должны соответствовать указанным на черт. 3.

Масса 0,05 кг, не более

Черт. 3

5а. Конструкция и основные размеры кронштейнов типа 2 должны соответствовать указанным на черт. 4 и в табл. 3.

Тип 2

Исполнение 1

Исполнение 2

Таблица 3

Размеры и мм

Исполнение

Для трубы Dу

L

L1

l

l1

l2

п

n1

Масса, кг, не более

1

40

115

-

35

22,5

85

-

-

0,46

50

140

-

35,0

110

-

-

0,57

2

-

500

300

45

-

-

6

2

1,87

-

800

600

-

-

10

4

3,00

-

950

300

-

-

6

2

3,55

-

1500

300

-

-

5,60

-

1800

1650

20

-

-

24

11

6,76

-

1850

1650

45

-

-

6,94

-

2300

2100

-

-

30

14

8,60

-

2750

2550

-

-

36

17

10,00

-

2900

2700

-

-

38

18

10,70

-

3200

3000

-

-

42

20

12,00

-

3500

3300

-

-

46

22

13,00

-

3800

3600

-

-

50

24

14,00

-

4100

3900

-

-

54

26

15,20

Пример условного обозначения кронштейна исполнения 1, длиной L = 115 мм:

Кронштейн 1-115 ГОСТ 24198-80

То же, исполнения 2 длиной L = 500 мм:

Кронштейн 2-500 ГОСТ 24198-80.

(Введен дополнительно, Изм. № 2).

6. Материал кронштейнов - сталь марки Ст3кп или Ст3сп по ГОСТ 380-88.

(Измененная редакция, Изм. № 2).

7. Технические требования - по ГОСТ 24201-80.

8. Коды ОКП приведены в приложении.

(Введен дополнительно, Изм. № 2).

ПРИЛОЖЕНИЕ

Справочное

Условное обозначение кронштейна

Код ОКП и контрольное число

1-1-180

48 3475 0001 09

1-1-180-С

48 3475 0002 09

1-2-180

48 3475 0003 08

1-2-180-С

48 3475 0004 07

1-3-180

48 3475 0005 06

1-3-180-С

48 3475 0006 05

1-4-180

48 3475 0007 04

1-4-180-С

48 3475 0008 03

1-1-350

48 3475 0009 02

1-1-350-С

48 3475 0011 08

1-2-350

48 3475 0012 07

1-2-350-С

48 3475 0013 06

1-3-350

48 3475 0014 05

1-3-350-С

48 3475 0015 04

1-4-350

48 3475 0016 03

1-4-350-С

48 3475 0017 02

1-1-450

48 3475 0018 01

1-1-450-С

48 3475 0019 00

1-2-450

48 3475 0021 06

1-2-450-С

48 3475 0022 05

1-3-450

48 3475 0023 04

1-3-450-С

48 3475 0024 03

1-4-450

48 3475 0025 02

1-4-450-С

48 3475 0026 01

1-2-600

48 3475 0027 00

1-2-600-С

48 3475 0028 03

1-3-600

48 3475 0029 09

1-3-600-С

48 3475 0031 04

1-4-600

48 3475 0032 03

1-4-600-С

48 3475 0033 02

1-2-750

48 3475 0034 01

1-2-750-С

48 3475 0035 00

1-4-750

48 3475 0036 00

1-4-750-С

48 3475 0037 09

1-2-900

48 3475 0038 08

1-2-900-С

48 3475 0039 07

1-4-900

48 3475 0041 02

1-4-900-С

48 3475 0042 01

1-2-1050

48 3475 0043 00

1-2-1050-С

48 3475 0044 08

1-4-1050

48 3475 0045 09

1-4-1050-С

48 3475 0046 08

1-115

48 3475 0049 05

1-140

48 3475 0051 00

2-500

48 3475 6001 08

2-800

48 3475 6002 07

2-950

48 3475 6003 06

2-1500

48 3475 6004 05

2-1800

48 3475 6005 04

2-1850

48 3475 6006 03

2-2300

48 3475 6007 02

2-2750

48 3475 6008 01

2-2900

48 3475 6009 00

2-3200

48 3175 6001 06

2-3500

48 3475 6012 05

2-3800

48 3475 6013 04

2-4100

48 3475 6014 03

(Измененная ред., Изм. № 1, 2).

ИНФОРМАЦИОННЫЕ ДАННЫЕ

1. РАЗРАБОТАН И ВНЕСЕН Министерством монтажных и специальных строительных работ СССР

ИСПОЛНИТЕЛИ

М.Г. Скакунов, д-р техн. наук; Н.Н. Куликов; Р.И. Шарунова

2. УТВЕРЖДЕН И ВВЕДЕН В ДЕЙСТВИЕ Постановлением Государственного комитета СССР по стандартам от 22.05.80 № 2306

3. ВЗАМЕН ГОСТ 15930-74

4. Срок проверки - I квартал 1990 г.; периодичность проверки - 5 лет.

5. ССЫЛОЧНЫЕ НОРМАТИВНО-ТЕХНИЧЕСКИЕ ДОКУМЕНТЫ

6. ПЕРЕИЗДАНИЕ (май 1988 г.) с Изменением № 1, утвержденным в январе 1988 г. (ИУС 4-88).

Снято ограничение срока действия Постановлением Госстандарта СССР от 18.01.88 № 156




Rambler's Top100 Яндекс цитирования
  Copyright © 2008-2026, www.docload.ru