|
|
ГОСУДАРСТВЕННЫЙ СТАНДАРТ СОЮЗА ССР СОЕДИНИТЕЛЬНЫЕ КРОНШТЕЙНЫ РЕГУЛИРУЕМЫЕ Конструкция ГОСТ 24199-80 ГОСУДАРСТВЕННЫЙ КОМИТЕТ СССР
ПО СТАНДАРТАМ Москва ГОСУДАРСТВЕННЫЙ
СТАНДАРТ СОЮЗА ССР
Дата введения 01.07.81 (Измененная редакция, Изм. № 2). 1. Настоящий стандарт распространяется на регулируемые кронштейны,
применяемые для крепления стеклянных трубопроводов. Требования настоящего стандарта являются обязательными. (Измененная редакция, Изм. № 2). 2. Конструкция и основные размеры регулируемых кронштейнов должны
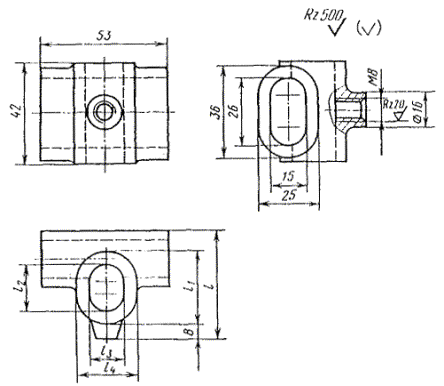
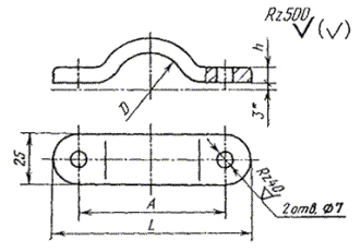
соответствовать указанным на черт. 1 и в табл. 1. Исполнение 1 Исполнение 2 1 -
стержень; 2 - ползунок; 3 - скоба; 4 - хомут; 5 -
хомут с хвостовиком; 6 - прокладка по ГОСТ 24192-80; 7 - болт М6´30.36.016
по ГОСТ
7798-70; 8
- гайка M6.4.0.16
по ГОСТ
5915-70; 9
- шайба 6.36.01 по ГОСТ 11371-78; 10 - болт М8´16.36.016
по ГОСТ
7798-70; 11
- болт M6´25.36.016
по ГОСТ
7798-70 Таблица 1 Размеры в мм
Пример условного обозначения кронштейна исполнения 1 для трубы с буртами Dу = 15 мм: Кронштейн 15-1 ГОСТ 24199-80 То же, исполнения 2: Кронштейн 15-2 ГОСТ 24199-80 То же, исполнения 1, для
трубы с гладкими концами Dу = 40 мм, длиной L = 350 мм: Кронштейн 45-350-1 ГОСТ
24199-80 То же, исполнения 2: Кронштейн 45-350-2 ГОСТ
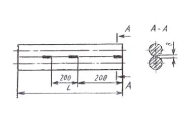
24199-80 (Измененная редакция, Изм. № 2). 3. Конструкция и основные размеры стержня должны соответствовать
указанным на черт. 2 и в табл. 2.
Таблица 2
(Измененная редакция, Изм. № 2). Пример условного обозначения стержня длиной l = 350 мм из стали марки Ст3кп: Стержень 350 ГОСТ 24199-80 То же, из стали марки Ст3сп: Стержень 350-С ГОСТ 24199-80 4. Конструкция и основные размеры ползунка и скобы должны
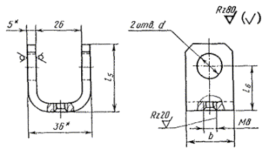
соответствовать указанным на черт. 3 и в табл. 3. Ползунок Скоба * Размер для справок. Таблица 3 Размеры в мм
Пример
условного обозначения ползунка для трубы с буртами Dу = 15 мм: Ползунок 15 ГОСТ 24199-80 То же, скобы Dу = 15 мм: Скоба 15 ГОСТ 24199-80 То же, для трубы с гладкими
концами Dy = 40 мм и Dн = 45 мм: Ползунок 40-45 ГОСТ 24199-80 То же, скобы Dy = 40 мм и Dн = 45 мм: Скоба 40-45 ГОСТ 24199-80 (Измененная редакция, Изм. № 2). 5. Конструкция и основные размеры хомута и хомута с хвостовиком должны
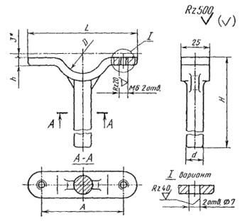
соответствовать указанным на черт. 4 и в табл. 4. Хомут с хвостовиком Хомут * Размеры для справок. Таблица 4 Размеры в мм
Пример условного обозначения хомута для труб с буртами Dу = 15 мм: Хомут 15 ГОСТ 24199-80 То же, хомута с
хвостовиком: Хомут с хвостовиком 15 ГОСТ
24199-80 То же, для труб с гладкими
концами Dy = 40 мм и Dн = 45 мм: Хомут 40-45 ГОСТ 24199-80 То же, хомута с
хвостовиком: Хомут с хвостовиком 40-45
ГОСТ 24199-80 (Измененная редакция, Изм. № 2). 6. Детали кронштейнов должны быть изготовлены: стержень и скоба - из стали
марки Ст3кп или Ст3сп по ГОСТ 380-88; ползунок, хомут с хвостовиком
и хомут - из алюминиевого сплава марки АК7 по ГОСТ 2685-75. (Измененная редакция, Изм. № 2). 7. Технические требования - по ГОСТ 24201-80. 8. Коды ОКП приведены в
приложении. (Введен
дополнительно, Изм. № 2). ПРИЛОЖЕНИЕ
Справочное
(Введено
дополнительно, Изм. № 1). (Измененная редакция, Изм. № 2). ИНФОРМАЦИОННЫЕ ДАННЫЕ 1. РАЗРАБОТАН И ВНЕСЕН Министерством монтажных и
специальных строительных работ СССР ИСПОЛНИТЕЛИ
М.Г. Скакунов, д-р техн. наук; Н.Н.
Куликов; Р.И. Шарунова 2. УТВЕРЖДЕН И ВВЕДЕН В ДЕЙСТВИЕ
Постановлением Государственного комитета СССР по стандартам от 22.05.80 № 2306 3. ВЗАМЕН ГОСТ 15931-74 4. Срок проверки - I квартал 1990 г.; периодичность проверки - 5
лет. 5. ССЫЛОЧНЫЕ НОРМАТИВНО-ТЕХНИЧЕСКИЕ ДОКУМЕНТЫ
6. ПЕРЕИЗДАНИЕ (май 1988 г.) с Изменением №
1, утвержденным в январе 1988 г. (ИУС 4-88). Снято ограничение срока
действия Постановлением Госстандарта СССР от 28.01.88 № 156 | |||||||||||||||||||||||||||||||||||||||||||||||||||||||||||||||||||||||||||||||||||||||||||||||||||||||||||||||||||||||||||||||||||||||||||||||||||||||||||||||||||||||||||||||||||||||||||||||||||||||||||||||||||||||||||||||||||||||||||||||||||||||||||||||||||||||||||||||||||||||||||||||||||||||||||||||||||||||||||||||||||||||||||||||||||||||||||||
|
|
|
|