Бесплатная библиотека стандартов и нормативов www.docload.ru

Все документы, размещенные на этом сайте, не являются их официальным изданием и предназначены исключительно для ознакомительных целей.
Электронные копии этих документов могут распространяться без всяких ограничений. Вы можете размещать информацию с этого сайта на любом другом сайте.
Это некоммерческий сайт и здесь не продаются документы. Вы можете скачать их абсолютно бесплатно!
Содержимое сайта не нарушает чьих-либо авторских прав! Человек имеет право на информацию!

 

ПОПРАВКА

к ГОСТ 2517-85 Нефть и нефтепродукты. Методы отбора проб (см. изменение № 1, ИУС 12-98)

В каком месте

Напечатано

Должно быть

Пункт 2.13.1.1

Пункт 2.13.1.1 дополнить словами: «Пробозаборные трубки монтируют на корпусе диспергатора (черт. 19). Параметры диспергатора приведены в приложении 3».

Пункт 2.13.1.1. Заменить слова: «Схема отбора проб из трубопровода приведена на черт. 18» на «Схемы отбора проб из трубопровода приведены на черт. 18а и 18б; дополнить абзацем: «Параметры диспергатора (черт. 19) приведены в приложении 3».

Пункт 2.13.1.1

-

Пункт 2.13.4.3. Заменить слова: «после насоса в контуре» на «после насоса и диспергатора (черт. 18а) и после насоса (черт. 18б) в контуре».

Приложение 1.

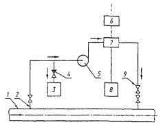
Чертеж 18. Наименование

Схема отбора проб из трубопровода

Схема отбора проб нефти из трубопровода при помощи пробозаборных устройств щелевого типа

Приложение 1. Подрисуночная подпись

Черт. 18

Черт. 18а

чертеж 18б

-

Схема отбора проб нефти и нефтепродуктов из трубопроводов

1 - трубопровод; 2 - пробозаборное устройство; 3, 8 - пробосборник; 4 - кран для ручного отбора проб; 5 - насос; 6 - регулятор; 7 - запорное устройство; 9 - обратный клапан

Черт. 18б

 

(ИУС № 8 1999 г.)




Rambler's Top100 Яндекс цитирования
  Copyright © 2008-2026, www.docload.ru