Бесплатная библиотека стандартов и нормативов www.docload.ru

Все документы, размещенные на этом сайте, не являются их официальным изданием и предназначены исключительно для ознакомительных целей.
Электронные копии этих документов могут распространяться без всяких ограничений. Вы можете размещать информацию с этого сайта на любом другом сайте.
Это некоммерческий сайт и здесь не продаются документы. Вы можете скачать их абсолютно бесплатно!
Содержимое сайта не нарушает чьих-либо авторских прав! Человек имеет право на информацию!

 

МЕЖГОСУДАРСТВЕННЫЙ СТАНДАРТ

СТРУЖКОЛОМЫ СМЕННЫЕ МНОГОГРАННЫЕ
ТВЕРДОСПЛАВНЫЕ КРУГЛОЙ ФОРМЫ

Конструкция и размеры

Round throw-away (indexable) carbide chip breakers. Design and dimensions

ГОСТ
25418-82

Взамен
ГОСТ 2209-69
в части формы 42

Постановлением Государственного комитета СССР по стандартам от 18 августа 1982 г. № 3272 дата введения установлена

01.07.83

Издание 2006 г. с Изменением № 1, утвержденным в декабре 1990 г. (ИУС 4-91).

Требования настоящего стандарта являются обязательными.

(Введен дополнительно, Изм. № 1).

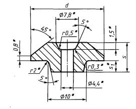
1. Настоящий стандарт распространяется на стружколомы к пластинам по ГОСТ 25403-82.

2. Конструкция и размеры стружколомов должны соответствовать указанным на чертеже и в таблице.

*Размеры для пресс-форм.

мм

Обозначение стружколомов

d

s

s1

42030

18

8,0

3,5

42050

20

8,5

42070

21

7,5

42090

22

42110

23

42130

24

4,0

42150

25

3. Условное обозначение стружколомов при заказе из твердого сплава марки ВК8, с размерами: d = 18 мм, s = 8,0 мм, s1 = 3,5 мм:

19 6525 0036 42030

То же, в технической документации:

Стружколом 42030 ВК8 ГОСТ 25418

4. Ориентировочная масса стружколомов указана в приложении.

5. Технические требования - по ГОСТ 19086-80.

2-5. (Измененная редакция, Изм. № 1).

6. Применяемые марки твердого сплава указаны в приложении.

(Введен дополнительно, Изм. № 1).

ПРИЛОЖЕНИЕ 1
Справочное

Ориентировочная масса стружколомов

Обозначение стружколомов

Ориентировочная масса стружколомов в г из твердого сплава марки ВК8

42030

13,5

42050

17,6

42070

17,6

42090

19,4

42110

21,2

42130

23,8

42150

25,8

ПРИЛОЖЕНИЕ 1. (Измененная редакция, Изм. № 1).

ПРИЛОЖЕНИЕ 2
Рекомендуемое

Применяемые марки твердого сплава

Цифровое обозначение стружколомов

Основное применение

42030

№ 4

42050

42070

42090

42110

42130

42150

№ 4 - ВК8.

ПРИЛОЖЕНИЕ 2. (Введено дополнительно, Изм. № 1).




Rambler's Top100 Яндекс цитирования
  Copyright © 2008-2026, www.docload.ru