|
|
ГОСУДАРСТВЕННЫЙ СТАНДАРТ СОЮЗА ССР МАТЕРИАЛЫ
И ПОКРЫТИЯ ПОЛИМЕРНЫЕ МЕТОД ОПРЕДЕЛЕНИЯ ДЕЗАКТИВИРУЕМОСТИ ГОСТ 27708-88 ГОСУДАРСТВЕННЫЙ
КОМИТЕТ СССР ПО СТАНДАРТАМ Москва ГОСУДАРСТВЕННЫЙ
СТАНДАРТ СОЮЗА ССР
Срок действия с 01.07.89 до 01 07.94 Несоблюдение стандарта преследуется по закону Настоящий стандарт
распространяется на дезактивируемые защитные полимерные покрытия (далее -
покрытия), полимерные конструкционные материалы и материалы для изготовления
средств индивидуальной защиты: текстильные материалы
(ткани, трикотажные и нетканые полотна); материалы с полимерным
покрытием (искусственные кожи и прорезиненные ткани); пленочные полимерные
материалы и устанавливает метод определения дезактивируемости покрытий,
полимерных конструкционных материалов и материалов для изготовления средств
индивидуальной защиты, применяемых в условиях радиоактивного загрязнения альфа-
и бета-излучающими радионуклидами, основанный на измерении уровней
радиоактивного загрязнения образцов до и после дезактивации. 1. МЕТОДЫ ОТБОРА ОБРАЗЦОВ
1.1. Образцы покрытий
представляют собой основания из металла, резины, пластмасс и других
конструкционных материалов с нанесенным на них со всех сторон испытуемым
покрытием. 1.3. Подготовку поверхностей
основания образцов следует проводить в соответствии с требованиями
нормативно-технических документов на материал для получения испытуемого
покрытия. 1.4.
Покрытия образцов должны соответствовать требованиям ГОСТ 26825-86. 1.5. Заготовками для
образцов полимерных конструкционных материалов являются отливки или вырубки с
размерами по п. 1.2. 1.6. Толщина образцов
покрытий и образцов полимерных конструкционных материалов должна быть
постоянной в пределах одной серии с погрешностью ±10 мкм. 1.7. Образцы материалов для
изготовления средств индивидуальной защиты следует вырезать в форме диска
диаметром от 30 до 35 мм на расстоянии не менее 50 мм от краев рулона. 1.8. Количество образцов на
каждое покрытие, полимерный конструкционный материал и материал для
изготовления средств индивидуальной защиты - не менее 6 шт. 1.9. Образцы покрытий
представляют на испытание с сопроводительным документом, в котором должны быть
указаны следующие характеристики испытуемого защитного полимерного покрытия: наименование материала; марка и обозначение
нормативно-технического документа; рецептура; дата изготовления; условия (температура,
влажность воздуха) и время отверждения; толщина; условия (температура,
влажность воздуха) и продолжительность хранения образцов до начала определений. 1.10. Образцы полимерных
конструкционных материалов и материалов для изготовления средств индивидуальной
защиты представляют на испытания с сопроводительным документом, в котором
должны быть указаны следующие данные: наименование материала; марка материала; обозначение
нормативно-технического документа; назначение; предприятие-разработчик; предприятие-изготовитель; дата изготовления; номер партии; штамп ОТК; гарантийный срок хранения. 2. АППАРАТУРА, МАТЕРИАЛЫ И
РЕАКТИВЫ
2.1.
Требования к радиометрической установке для регистрации бета-излучения - по ГОСТ 26412-85. 2.2. Требования к
радиометрической установке со сцинтилляционным или полупроводниковым детектором
для регистрации альфа-излучения - по пп. 2.2.1 - 2.2.2. сцинтилляционный детектор
альфа-излучения по ТУ 6-09-26-199-75; фотоэлектронный умножитель
типа ФЭУ-82 с делителем, катодным повторителем и интегральным дискриминатором,
имеющим амплитуду импульсов на выходе не менее 2 В; стабилизированным
высоковольтный блок питания со стабилизацией по напряжению от 800 до 2500 В с
допустимым изменением выходного напряжения не более ±0,3 % за 8 ч непрерывной
работы; пересчетный прибор типа
ПС02-4 с длительностью входных импульсов не более 10 мкс и с разрешающим
временем по двойным импульсам не более 10 мкс. 2.4. В радиометрическую
установку с полупроводниковым детектором альфа-излучения должны входить
следующие составные части: полупроводниковый
поверхностно-барьерный детектор альфа-излучения с площадью входного окна не
менее 3 см2; предусилитель чувствительностью
от 0,1 до 1,0 В/МэВ; линейный неперегружающийся
усилитель с коэффициентом усиления не менее 5·103; дискриминатор с уровнем
дискриминации не менее 10 В; блок питания со
стабилизацией по напряжению не менее 0,25 %; пересчетный прибор - по п. 2.3. 2.5. Комплект образцовых
источников бета-излучения III разряда с радионуклидами
стронций-90 + иттрий-90. 2.6. Комплект образцовых
источников альфа-излучения III разряда с радионуклидом
плутоний-239. 2.7. Для приготовления
образцов и проведения их испытаний следует применять материалы, реактивы,
оборудование, загрязняющие растворы и дезактивирующую рецептуру, приведенные в
пп. 2.7.1
- 2.7.5. бумага фильтровальная - по ГОСТ
12026-76; вата медицинская - по ГОСТ
5556-81. кислота щавелевая - по ГОСТ 22180-76; кислота азотная, х.ч. - по ГОСТ 4461-77; калий хлористый, х.ч. - по ГОСТ
4234-77; кислота соляная, х.ч. - по ГОСТ
3118-77; натрия гидроокись, х.ч. - по
ГОСТ 4328-77; натрий углекислый, х.ч. - по
ГОСТ 83-79; вода дистиллированная - по ГОСТ 6709-72; препарат СФ-3 - по ТУ
6-01-1156-78. термометр - по ГОСТ 215-73; секундомер - по ГОСТ
5072-79; микрометр МКО-25 - по ГОСТ 6507-78; весы с погрешностью
взвешивания ±0,01 г; рН-метр с пределом
допускаемой основной погрешности ±0,05 %; пипетки калиброванные - по ГОСТ
20292-74; посуда мерная лабораторная
стеклянная - по ГОСТ
1770-74; стаканы стеклянные
лабораторные вместимостью 0,5 л - по ГОСТ
25336-82; банки стеклянные с притертой
пробкой вместимостью 0,5 л; чашки типа ЧБН (Петри) - по ГОСТ
25336-82; мешалка магнитная ММ-3М с
частотой вращения магнитного ротора 1400 об/мин и максимальным количеством
перемешиваемой жидкости 1,5 л; пенал из органического
стекла размером 260×160×500 мм; пинцет медицинский - по ГОСТ
21241-77; шкаф вытяжной с расчетной
скоростью воздуха в открытом проеме 1,5 м/с. 2.7.4. Загрязняющие
растворы: смесь азотнокислых солей
радионуклидов стронций-90 + иттрий-90, рутений-106 + родий-106, цезий-137 и
церий-144 + празеодим-144 в азотной кислоте с концентрацией 0,3 моль/л.
Объемная активность каждого радионуклида - (1,0±0,1)·107 Бк/л,
суммарная объемная активность раствора - (7,0±0,7)·107 Бк/л; раствор четырехвалентного
азотнокислого плутония-239 в азотной кислоте с концентрацией 1 моль/л. Объемная
активность раствора - (3,5±0,5)·106 Бк/л; раствор хлорида цезия-137,
содержащий 10-3 моль/л хлорида калия, с объемной активностью
(2,0±0,2)·107 Бк/л. Водородный показатель раствора (рН) от 5,5 до
6,0; раствор хлорида кобальта-60,
содержащий 10-3 моль/л хлорида калия, с объемной активностью
(2,0±0,2)·107 Бк/л. Водородный показатель раствора (рН) от 5,5 до
6,0. раствор хлорида церия-144 +
празеодим-144, содержащий 10-3 моль/л хлорида калия, с объемной
активностью (2,0±0,5)·107 Бк/л, рН раствора от 5,5 До 6,0. 3. ПОДГОТОВКА К ИЗМЕРЕНИЮ
3.1. Подготовку
радиометрической установки к измерениям необходимо проводить в соответствии с
требованиями нормативно-технических документов, утвержденных в установленном
порядке. 3.2. Образцы покрытий и
полимерных конструкционных материалов за 24 ч до начала определений с обеих
сторон протирают ватными тампонами, смоченными в растворе, содержащем 0,2
моль/л карбоната натрия, ополаскивают в струе дистиллированной воды и сушат
фильтровальной бумагой. Образцы помещают в пенал из
органического стекла, закрывают фильтровальной бумагой и переносят в вытяжной
шкаф. 3.3. Шесть образцов
испытуемого материала для изготовления средств индивидуальной защиты за 24 ч до
начала испытаний обрабатывают в 0,24 л раствора карбоната натрия с
концентрацией 0,2 моль/л при помощи магнитной мешалки в течение 3 мин. Раствор
карбоната натрия используют однократно. Затем образцы дважды промывают дистиллированной
водой по 2 мин и сушат при температуре (22±2) °С от 18 до 20 ч. Высушенные образцы пинцетом
укладывают в пенал из органического стекла и переносят в вытяжной шкаф. 4. ПРОВЕДЕНИЕ ИЗМЕРЕНИЙ
4.1. В центр каждого образца
покрытия или материала, помещенного в вытяжной шкаф, наносят пипеткой 0,15 мл
загрязняющего радиоактивного раствора. Загрязняющий радиоактивный раствор
должен находиться на поверхности образца в виде одной капли. 4.2. Образцы сушат в
вытяжном шкафу при температуре (22±2) °С от 18 до 20 ч. 4.3.
Измеряют уровень начального радиоактивного загрязнения образцов в соответствии
с требованиями ГОСТ 25146-82. 4.4.
Образцы покрытий и полимерных конструкционных материалов вставляют в держатель
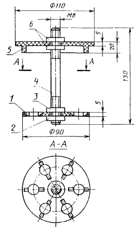
образцов, изготовленный из фторопласта по ГОСТ 10007-80 (см. приложение). 4.5. Держатель с образцами
помещают в стеклянный стакан вместимостью 0,5 л, в который заливают 0,24 л
дезактивирующей рецептуры при температуре (22±2) °С. 4.6. Дезактивацию образцов
проводят на магнитной мешалке по режиму: обработка дезактивирующей
рецептурой - 10 мин; обработка дистиллированной
водой - 5 мин. Температура и количество
воды те же, что и для дезактивирующей рецептуры, - 0,24 л при (22±2) °C. 4.7. По шесть образцов
материала для изготовления средств индивидуальной защиты помещают в банку с
притертой пробкой вместимостью 0,5 л и заливают 0,24 л дезактивирующей
рецептуры при температуре (22±2) °С. 4.8. Дезактивацию образцов
материалов для изготовления средств индивидуальной защиты проводят дважды на
магнитной мешалке по режиму: обработка дезактивирующей
рецептурой - 10 мин; обработка дистиллированной
водой - 5 мин. Температура и количество
воды те же, что и для дезактивирующей рецептуры, - 0,24 л при (22±2) °С. 4.9. Образцы покрытий и
полимерных конструкционных материалов после дезактивации сушат фильтровальной
бумагой и выдерживают в вытяжном шкафу при температуре (22±2) °С в течение 1 ч. Образцы материалов для
изготовления средств индивидуальной защиты после дезактивации сушат в вытяжном
шкафу при температуре (22±2) °С от 18 до 20 ч. 4.10.
Измеряют уровень остаточного радиоактивного загрязнения образцов в соответствии
с требованиями ГОСТ 25146-82. 4.11. Цикл
загрязнение-дезактивация для покрытий и конструкционных материалов повторяют
три раза; для материалов, применяемых для изготовления средств индивидуальной
защиты - четыре раза. 5. ОБРАБОТКА РЕЗУЛЬТАТОВ
5.1. Дезактивируемость
покрытий, полимерных конструкционных материалов и материалов для изготовления
средств индивидуальной защиты характеризуется значением коэффициента
дезактивации, измеряемого отношением уровней радиоактивного загрязнения
образцов до и после дезактивации. 5.2.
Требования к обработке и оформлению результатов - по ГОСТ 25146-82. 5.3. При фоновых уровнях
загрязненности образца после дезактивации за значение остаточной загрязненности
принимают значение среднего квадратического отклонения от уровня
регистрируемого радиометрической установкой фона. 5.4. Погрешность определения
коэффициента дезактивации, рассчитанная как среднее квадратическое отклонение,
не должна превышать 30 % при доверительной вероятности 0,9. При невыполнении этого
требования эксперимент необходимо повторить. 6. ТРЕБОВАНИЯ БЕЗОПАСНОСТИ
6.1. Работы по определению
дезактивируемости покрытий, полимерных конструкционных материалов и материалов
для изготовления средств индивидуальной защиты необходимо проводить в
помещениях, предназначенных для работ с открытыми радиоактивными веществами, с
соблюдением правил техники безопасности в соответствии с «Нормами радиационной
безопасности НРБ-76/87» и «Основными санитарными правилами работы с
радиоактивными веществами и другими источниками ионизирующих излучений ОСП-72/87». 6.2. При работе с
измерительной аппаратурой должны соблюдаться требования «Правил технической
эксплуатации электроустановок потребителей» и «Правил техники безопасности при
эксплуатации электроустановок потребителей». 6.3.
При работе с концентрированными кислотами и щелочами необходимо соблюдать
требования ГОСТ 12.3.008-75. 6.4.
Требования пожарной безопасности - по ГОСТ
12.1.004-85. 6.5.
Лица, связанные с испытанием образцов, должны быть обеспечены специальной
одеждой и средствами индивидуальной защиты в соответствии с требованиями ГОСТ 12.4.011-87. ПРИЛОЖЕНИЕ
Обязательное Держатель образцов
1 - кассета; 2, 3, 6 - специальная гайка; 4 - стержень; 5 - крышка 1. УТВЕРЖДЕН И ВВЕДЕН В
ДЕЙСТВИЕ Постановлением Государственного комитета СССР по стандартам от
18.05.88 № 1377 2. Срок проверки - 1992 г. 3. ВЗАМЕН ГОСТ 12.4.078-79. 4. ССЫЛОЧНЫЕ
НОРМАТИВНО-ТЕХНИЧЕСКИЕ ДОКУМЕНТЫ
СОДЕРЖАНИЕ |
|
|
|
|