Бесплатная библиотека стандартов и нормативов www.docload.ru

Все документы, размещенные на этом сайте, не являются их официальным изданием и предназначены исключительно для ознакомительных целей.
Электронные копии этих документов могут распространяться без всяких ограничений. Вы можете размещать информацию с этого сайта на любом другом сайте.
Это некоммерческий сайт и здесь не продаются документы. Вы можете скачать их абсолютно бесплатно!
Содержимое сайта не нарушает чьих-либо авторских прав! Человек имеет право на информацию!

 

ГОСУДАРСТВЕННЫЙ СТАНДАРТ СОЮЗА ССР

СИСТЕМА ПРОЕКТНОЙ ДОКУМЕНТАЦИИ ДЛЯ СТРОИТЕЛЬСТВА

ВОДОПРОВОД И КАНАЛИЗАЦИЯ

РАБОЧИЕ ЧЕРТЕЖИ

ГОСТ 21.601-79

 

ГОСУДАРСТВЕННЫЙ КОМИТЕТ СССР ПО ДЕЛАМ СТРОИТЕЛЬСТВА

Москва

 

РАЗРАБОТАН

Государственным комитетом СССР по делам строительства

Государственным комитетом по гражданскому строительству и архитектуре при Госстрое СССР

Министерством монтажных и специальных строительных работ СССР

ИСПОЛНИТЕЛИ

И. М. Голик (руководитель темы), Е. П. Агафонов, В. П. Абарыков, Н. В. Терентьева, В. Н. Семенов, А. А. Сухова, П. И. Тумаркин

ВНЕСЕН Государственным комитетом СССР по делам строительства

Начальник отдела В. А. Алексеев

УТВЕРЖДЕН И ВВЕДЕН В ДЕЙСТВИЕ Постановлением Государственного комитета СССР по делам строительства от 31 июля 1979 г. № 133

Внесено изменение № 1 утвержденное Постановлением Государственного комитета СССР по делам строительства от 12.09.80 г. № 142 и изменение № 2 утвержденное Государственным Комитетом СССР по делам строительства от 29.12.82 г. № 312 введенное с 01.01.83 г., измененные пункты отмечены *.

 

ГОСУДАРСТВЕННЫЙ СТАНДАРТ СОЮЗА ССР

Система проектной документации для строительства

ВОДОПРОВОД И КАНАЛИЗАЦИЯ

Рабочие чертежи

System of design documents for construction.
Water supply and sewerage. Working drawings

ГОСТ
21.601-79

Постановлением Государственного комитета СССР по делам строительства от 31 июля 1979 г. № 133 срок введения установлен

с 01.01. 1981 г.

Несоблюдение стандарта преследуется по закону

Настоящий стандарт устанавливает состав и правила выполнения рабочих чертежей внутренних водопровода и канализации (в том числе бытового горячего водоснабжения) здании и сооружений всех отраслей промышленности и народного хозяйства.

Стандарт не распространяется на правила оформления технологических рабочих чертежей сооружений водоподготовки и очистки сточных вод.

1. ОБЩИЕ ТРЕБОВАНИЯ

1.1. Рабочие чертежи водопровода и канализации выполняют в соответствии с требованиями настоящего стандарта и других стандартов СПДС.

1.2.* В рабочие чертежи водопровода и канализации включают:

эскизные чертежи общих видов нетиповых конструкций систем водопровода и канализации (далее именуемых чертежами общих видов);

чертежи общих видов нестандартных (нетиповых) конструкций систем водопровода и канализации (далее именуемые системами);

ведомость потребности в материалах для систем;

спецификацию оборудования.

1.3. В состав основного комплекта рабочих чертежей марки ВК включают:

общие данные;

чертежи (планы и схемы) систем;

чертежи (планы, разрезы и схемы) установок систем.

Допускается совмещение чертежей марки ВК с чертежами внутреннего газопровода.

1.4. Для обозначения систем принимают буквенно-цифровые обозначения по ГОСТ 21.106-78. Установкам систем присваивают обозначение, состоящее из номера установки в пределах системы и обозначения системы (например, 1В6, 2В6).

1.5.* В наименованиях вводов водопровода и выпусков канализации на планах, фрагментах и узлах, а также на схемах указывают обозначение системы и номер ввода (выпуска) в пределах системы, например: Ввод В1-1, Ввод В1-2, Выпуск К1-1, Выпуск К1-2.

Стояки систем обозначают маркой «Ст» с добавлением обозначения системы и порядкового номера стояка в пределах системы, например: Ст В1-1, Ст В1-2.

В необходимых случаях допускается проставлять порядковые номера санитарных приборов (независимо от назначения и типа прибора), пожарных и поливочных кранов, водосточных воронок или указывать на схемах систем позиционные обозначения, приведенные в спецификации оборудования систем.

1.6. Обозначение диаметра трубопровода наносят на полке линии-выноски.

В том случае, когда на полке линии-выноски наносят буквенно-цифровое обозначение трубопровода, диаметр трубопровода указывают под полкой линии-выноски (черт. 1).

Черт. 1

 

2. ОБЩИЕ ДАННЫЕ

2.1.* В состав общих данных по рабочим чертежам марки ВК в дополнение к данным, предусмотренным ГОСТ 21.102-79, включают:

данные по производственному водопотреблению и водоотведению;

2.2.* Данные по производственному водопотреблению и водоотведению выполняют в виде таблицы по форме 1.

При заполнении таблицы данные по производственному водопотреблению и водоотведению приводят для каждой системы в отдельности. Наименования систем в таблице «из хозяйственно-питьевого водопровода», «из производственного водопровода», «в бытовую канализацию», «в производственную канализацию» приведены для примера, в конкретных случаях их указывают в соответствия с проектными данными.

Форма 1

Данные по производственному водопотреблению
и водоотведению

 

Продолжение формы 1

2.3.* В общих указаниях, которые входят в состав общих данных по рабочим чертежам марки «ВК», в дополнение к сведениям, предусмотренным ГОСТ 21.102-79, приводят:

ссылки на Строительные нормы и правила (СНиП) и другие нормативные документы, по которым произведен расчет систем водопровода и канализации;

основные показатели по рабочим чертежам марки «ВК», выполненные в виде таблицы по форме 2;

характеристики установок систем;

требования к изготовлению, монтажу, окраске и изоляции трубопроводов;

особые требования к установкам систем (например, взрывобезопасность, кислотостойкость).

Форма 2

Основные показатели по чертежам
водопровода
и канализации

2.5.* Ведомость потребности в материалах для систем составляют по ГОСТ 21.109-80.

3. ЧЕРТЕЖИ СИСТЕМ

3.1. Планы систем

3.1.1. Планы систем выполняют в масштабе 1:100, 1:200 или 1:400, фрагменты планов - в масштабе 1:50 или 1:100, узлы систем - в масштабе 1:20 или 1:50, при детальном изображении узлов - в масштабе 1:2, 1:5 или 1:10. При небольших зданиях, когда выполнение фрагментов нецелесообразно, для планов систем принимают масштаб 1:50.

3.1.2. Планы систем водопровода (в том числе горячего водоснабжения), как правило, совмещают с планами систем канализации.

Черт. 3

3.1.3. Трубопроводы, расположенные друг над другом, на планах систем условно изображают параллельными линиями.

3.1.4. Оборудование систем (например, насосы, баки) на планах указывают в виде упрощенных графических изображений, другие элементы систем - условными графическими обозначениями.

Трубопровод диаметром более 100 мм на фрагментах, выполняемых в масштабе 1:50, и узлах показывают двумя линиями.

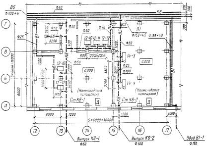
3.1.5. На планах систем указывают:

координационные оси здания (сооружения) и расстояния между нимиля жилых зданий - расстояния между осями секций);

строительные конструкции и технологическое оборудование, к которому подводят воду или от которого отводят сточную воду, а также влияющее на прокладку трубопроводов;

отметки чистых полов этажей и основных площадок;

размерные привязки установок систем, вводов водопровода и выпусков канализации, основных трубопроводов, стояков систем (на планах подвала, техподполья), санитарных приборов, пожарных и поливочных кранов, лотков и каналов к координационным осям или элементам конструкций;

диаметры трубопроводов, вводов водопровода и выпусков канализации;

обозначение стояков систем.

На планах, кроме того, указывают наименования помещений и категорию производств по взрывной, взрывопожарной и пожарной опасности (в прямоугольнике размером 5´8 мм). Допускается наименования помещений и категорию производств по взрывной, взрывопожарной и пожарной опасности приводить в экспликации помещений.

Черт. 4

3.1.6. В наименовании планов указывают отметку чистого пола этажа или номер этажа, например: «План на отм. 0,000», «План 2-9 этажей».

При выполнении части плана систем в наименовании указывают оси ограничивающие эту часть плана, например: «План на отм. 0,000 между осями 1-8 и А-Д».

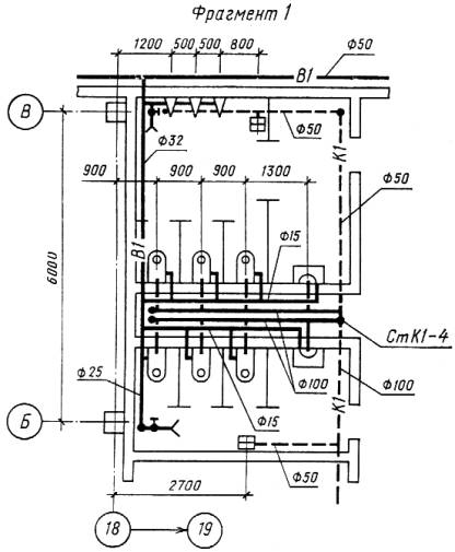
Примеры оформления планов систем приведены на черт. 3 и 4, фрагмента - на черт. 5.

Черт. 5

3.1.7. В необходимых случаях выполняют разрез по техническому подполью (подвалу).

3.2. Схемы систем

3.2.1. Схемы систем выполняют в аксонометрической фронтальной изометрической проекции в масштабе 1:100 или 1:200, узлы схем - в масштабе 1:10, 1:20 или 1:50. При небольших зданиях для схем систем принимают масштаб 1:50.

3.2.2. Схемы выполняют раздельно для каждой системы водопровода и канализации.

Допускается совмещать схемы систем хозяйственно-питьевого водопровода со схемами систем горячего водоснабжения.

Для жилых и общественных зданий взамен схем допускается выполнение разрезов систем канализации.

3.2.3. На схемах элементы систем изображают условными графическими обозначениями.

3.2.4. При большой протяженности и (или) сложном расположении трубопроводов допускается изображать их с разрывом в виде пунктирной линии. Места разрывов трубопроводов обозначают строчными буквами.

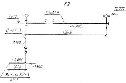
3.2.5. На схемах систем водопровода указывают:

вводы с указанием диаметров и отметок уровней осей трубопроводов в местах пересечения их с осями наружных стен здания (сооружения);

трубопроводы и их диаметры;

отметки уровня осей трубопроводов;

уклоны трубопроводов;

размеры горизонтальных участков трубопроводов при наличии разрывов;

нетиповые крепления с указанием на полке линии-выноски обозначения крепления и под полкой обозначения документа;

запорно-регулирующую арматуру, пожарные и поливочные краны;

стояки систем и их обозначения;

оборудование, контрольно-измерительные приборы и другие элементы систем.

Пример оформления схем систем водопровода показан на черт. 6.

Черт. 6

3.2.6. На схемах систем канализации указывают:

выпуски с указанием их диаметра, уклона и длины, а также отметки лотков трубопроводов в местах пересечения их с осями наружных стен здания (сооружения);

отводные трубопроводы с указанием диаметров;

отметки лотков трубопроводов;

уклоны трубопроводов;

размеры горизонтальных участков трубопроводов при наличии разрывов;

нетиповые крепления с указанием на полке линии-выноски обозначения крепления и под полкой обозначения документа;

стояки систем с указанием на полке линии-выноски обозначения стояка;

санитарные приборы, водосточные и сливные воронки, смотровые и ревизионные колодцы (внутри здания), прочистки, ревизии, гидрозатворы и другие элементы систем.

Черт. 7

Примеры оформления схем систем канализации показаны на черт. 7 и 8.

Черт. 8

3.2.7. На листе, где изображены схемы, как правило, приводят узлы схем систем водопровода и канализации (черт. 9).

Черт. 9

На узлах схем для запорно-регулирующей арматуры указывают на полке линии-выноски диаметр арматуры и под полкой - обозначение арматуры по каталогу.

Допускается приводить обозначение запорно-регулирующей арматуры и других элементов систем на схемах систем водопровода и канализации.

3.2.8. В наименованиях схем систем водопровода и канализации указывают обозначения систем.

В основной надписи наименования схем систем водопровода и канализации указывают полностью, например: «Схемы систем В1, К1», над схемами - сокращенно, например: «В1», «К1».

4. ЧЕРТЕЖИ УСТАНОВОК СИСТЕМ

4.1. Планы разрезы и схемы установок систем выполняют в масштабе 1:50 или 1:100, узлы установок - в масштабе 1:20, при детальном изображении узлов - в масштабе 1:2,1:5 или 1:10.

4.2. На планах и разрезах установок систем элементы установок изображают упрощенно.

При необходимости показа способов крепления составных частей установки или их соединения между собой соответствующие элементы изображают детально.

На схемах элементы установок изображают условными графическими обозначениями (в аксонометрическом изображении).

4.3. На планах и разрезах установок систем указывают:

координационные оси здания (сооружения) и расстояния между ними;

основные размеры, отметки и привязки установок к координационным осям здания (сооружения).

4.4. Трубопроводы на планах и разрезах установок изображают одной линией при диаметре трубопровода до 100 мм и двумя линиями - при диаметре более 100 мм.

4.5. На планах и разрезах, кроме элементов установок, указывают строительные конструкции и отборные устройства для установки контрольно-измерительных приборов.

План

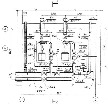
Черт. 10

Примеры оформления планов и разрезов установок систем показаны на черт. 10 и 11, схем установок - на черт. 12.

Разрез 1-1

Черт. 11

Черт. 12

4.6. Элементы установок систем присваивают позиционные обозначения, состоящие из обозначения установки, указанного в п. 1.4, и порядкового номера элемента в пределах установки, например: 1В6.1, 1В6.2, 2В6.1, 2В6.2.

4.7. Спецификацию установок систем помещают, как правило, на чертеже планов установок.

Пример оформления спецификации установок систем приведен на черт. 13.

4.8. На чертежах установок систем приводят, при необходимости, технические требования к монтажу установок.

4.9. В наименованиях установок систем указывают обозначения установок.

В основной надписи наименование установок указывают полностью, например: «Установки систем 1В6, 1К4, 2К4».

Спецификация
установок
систем водопровода и канализации

Марка, поз.

Обозначение

Наименование

Кол.

Масса, ед., кг

Примечание

 

 

1К4

 

 

 

1К4.1

... хххххх... *

Насос центробежный

 

 

 

 

 

грунтовый 5ГрТ-8 с

 

 

 

 

 

электродвигателем АО2-81-4,

 

 

 

 

 

1450 об/мин, 40 кВт

2

860

 

1К4.2

... хххххх... *

Насос центробежный

 

 

 

 

 

консольный 15к-8/19А

 

 

 

 

 

с электродвигателем

 

 

 

 

 

АОП2-21-2, 2860 об/мин,

 

 

 

 

 

1,5 кВт

1

79

 

1К4.3

Каталог ЦКБА

Клапан обратный

 

 

 

 

 

поворотный фланцевый

 

 

 

 

 

19ч1      Æ 100

2

125

 

1К4.4

Каталог ЦКБА

Задвижка параллельная

 

 

 

 

 

с выдвижным шпинделем

 

 

 

 

 

30ч6бр        Æ 200

7

 

 

 

 

 

 

 

 

 

 

 

 

 

 

_________

* Обозначение технических условий, допускается указывать наименование завода-изготовителя.

Черт. 13

5.* ЧЕРТЕЖИ ОБЩИХ ВИДОВ

5.1.* Чертежи общих видов выполняют по правилам выполнения чертежей общих видов, предусмотренным ГОСТ 2.119-73 в объеме,  необходимом для разработки конструкторской документации по ГОСТ 2.103-68.

5.6.* Чертежи общих видов выполняют в масштабе 1:5, 1:10, 1:20 или 1:50.

Пример оформления чертежа общего вида приведен на черт. 14.

5.7. В основной надписи чертежа общего-вида наименование нестандартной (нетиповой) конструкции должно соответствовать принятой терминологии и быть по возможности кратким. В наименованиях нестандартных (нетиповых) конструкций указывают порядковый номер конструкции в пределах каждого вида конструкции, например: «Отстойник 1», «Отстойник 2», «Бак 1».

Разрез 1-1

 

Черт. 14

 

6.* СПЕЦИФИКАЦИЯ ОБОРУДОВАНИЯ

6.1.* Спецификацию оборудования выполняют по ГОСТ 21.110-82 с учетом требований настоящего стандарта.

6.2.* При наличии пристроенной к производственному зданию (сооружению) части или встройки (вставки), в которых размещаются вспомогательные помещения, каждый раздел спецификации составляют по частям:

производственная часть;

вспомогательная часть.

Если жилое здание имеет пристройку или встройку, в которых размещаются предприятия общественного обслуживания, то каждый раздел спецификации составляют по частям:

жилая часть;

пристроенная (встроенная) часть.

Наименование каждой части записывают в виде заголовка в графе 2 и подчеркивают.

6.3.* Каждый раздел (часть) делят на подразделы:

водопровод;

горячее водоснабжение;

канализация.

Наименование каждого подраздела записывают в виде заголовка в графе 2 и подчеркивают.

6.4.* В подразделах элементы систем и материалы записывают для каждой системы по группам:

оборудование;

приборы;

арматура;

другие элементы систем;

трубопроводы по каждому диаметру.

Элементы трубопроводов (отводы, переходы, фланцы, болты, гайки, шайбы и др.) в спецификацию не включают;

материалы.

Допускается деление спецификации на части по высоте здания:

ниже отметки 0,000;

выше отметки 0,000.

6.5.* В спецификации принимают следующие единицы измерений:

трубопроводы - м;

другие элементы систем - шт.;

материалы изоляционные - м3;

материалы покрытий и защиты - м2;

другие материалы - кг.

 




Rambler's Top100 Яндекс цитирования
  Copyright © 2008-2026, www.docload.ru