Бесплатная библиотека стандартов и нормативов www.docload.ru

Все документы, размещенные на этом сайте, не являются их официальным изданием и предназначены исключительно для ознакомительных целей.
Электронные копии этих документов могут распространяться без всяких ограничений. Вы можете размещать информацию с этого сайта на любом другом сайте.
Это некоммерческий сайт и здесь не продаются документы. Вы можете скачать их абсолютно бесплатно!
Содержимое сайта не нарушает чьих-либо авторских прав! Человек имеет право на информацию!

 

ГОСУДАРСТВЕННЫЙ СТАНДАРТ СОЮЗА ССР

ЗАЩИТА ОТ ШУМА В СТРОИТЕЛЬСТВЕ

САНИТАРНО-ТЕХНИЧЕСКАЯ АРМАТУРА

Метод лабораторных измерений шума

ГОСТ 27679-88

(СТ СЭВ 5840-86)

Издание официальное

ГОСУДАРСТВЕННЫЙ СТРОИТЕЛЬНЫЙ КОМИТЕТ СССР

Москва

ГОСУДАРСТВЕННЫЙ СТАНДАРТ СОЮЗА ССР

ЗАЩИТА ОТ ШУМА В СТРОИТЕЛЬСТВЕ

САНИТАРНО-ТЕХНИЧЕСКАЯ АРМАТУРА

Метод лабораторных измерений шума

Noise protection in building. Appliances and equipment

used in water supply installations.

Method of laboratory measurement of noise

ГОСТ 27679-88

(СТ СЭВ 5840-86)

Дата введения 01.07.88

Настоящий стандарт распространяется на санитарно-техническую арматуру и устанавливает метод измерения шума для оценки акустических характеристик арматуры в лабораторных условиях

СОДЕРЖАНИЕ

 

1. ОБЩИЕ ПОЛОЖЕНИЯ

1.1. Измерения должны проводиться:

в реверберационных камерах;

в специальных реверберационных помещениях.

1.2. Измерения должны быть проведены в уровнях звукового давления в октавных полосах частот со среднегеометрическими частотами от 125 до 4000 Гц и в уровнях звука в дБА.

2. АППАРАТУРА

2.1. Для измерения уровней звукового давления и уровней звука применяют шумомеры 1-го и 2-го классов по ГОСТ 17187-81 с полосовыми фильтрами по ГОСТ 17168-82 или измерительными трактами, соответствующими этим стандартам.

Микрофон шумомера или измерительного тракта должен быть предназначен для измерений в отраженном звуковом поле.

2.2. Акустическая и электрическая калибровка шумомера или измерительного тракта должна проводиться до и после проведения измерений.

Погрешность применяемого для акустической калибровки источника звука не должна превышать ± 0,5 дБ.

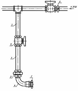
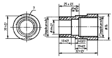
2.3. Эталонный генератор шума (ЭГШ) следует изготавливать из латуни (черт. 1). Испытываемую арматуру и ЭГШ размещают согласно черт. 2 на конце трубопровода.

Эталонный генератор шума и его элементы

а) диск с четырьмя отверстиями

б) вкладыш

в) корпус

г) сборочный чертеж

1 - вкладыш; 2 - прижимное кольцо с резьбой; (пред. откл. диаметра ± 0,1 мм); 3 - диск с четырьмя отверстиями; 4 - корпус; 5 - уплотнительное кольцо; 6 - направление потока; 7 - 2 фаски (или 6 фасок) на шестигранном корпусе.

Черт. 1

Перед арматурой необходимо установить малошумный двухходовой клапан, который позволяет заменять арматуру, даже когда испытываемый трубопровод находится под давлением.

2.4. Для измерения давления воды необходимо использовать приборы с погрешностью измерения не более ± 5 %.

Манометр должен находиться от арматуры на расстоянии не более 1 м вверх по потоку (черт. 2).

Схема присоединения арматуры и ЭГШ

Черт. 2

Манометр необходимо систематически калибровать.

Измерение расхода воды необходимо проводить с помощью прибора с погрешностью измерения не более ± 3 %.

3. УСЛОВИЯ ИЗМЕРЕНИЙ

3.1. Объем измерительного помещения (реверберационной камеры или реверберационного помещения) должен быть не менее 50 м 3 . Расстояние между двумя противоположными стенами должно быть не менее 2,3 м.

Время реверберации в измерительном помещении должно быть от 1 до 5с при измерении в диапазоне частот от 125 до 4000 Гц. Звуковое поле измерительного помещения должно быть диффузным, что обеспечивается формой помещения или размещением рассеивающих элементов.

3.2. Площадь поверхности стены должна быть от 6 до 12 м 2 , конструкция должна быть однослойная кирпичная или бетонная с поверхностной массой от 100 до 250 кг/м 2 . Испытательная стена не должна иметь жестких связей со стеной, на которую крепится арматура (черт. 3).

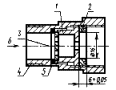
Схема испытательного стенда

1 - испытательная стена; 2 - кронштейны; 3 - испытательный трубопровод

Черт. 3

3.3. Испытательный трубопровод изготавливается из оцинкованной стальной трубы с номинальным диаметром 25 мм и жестко монтируется на испытательной стене.

При этом трубопровод необходимо разместить горизонтально в средней части стены и закрепить с помощью четырех кронштейнов, расположенных на разных расстояниях друг от друга. Допускается применение только металлических кронштейнов.

Длина трубопровода между местом присоединения арматуры и первым фиксирующим кронштейном должна составлять от 2 до 10 м.

Трубопровод должен иметь небольшой подъем в направлении течения воды для периодического выпуска воздуха.

3.4. Водоснабжение необходимо проектировать таким образом, чтобы имелась возможность проведения испытания при давлении и расходе воды, на которые рассчитана арматура.

Примечание. Для арматур жилых помещений:

давление Р - до 0,8 МПа;

расход воды Q - до 2 л/с.

Шум, производимый системой водоснабжения и сливом воды, не должен попадать в измерительное помещение.

Схема присоединения одноприточного клапана.

1 - резьбовая с обеих концов труба диаметром 200 мм; 2 - двухходовой закрывающий клапан; 3 - соединительная муфта; 4 - проходной угольник с углом 90° диаметром 25 мм по ГОСТ 8946-75; 5 - переходная муфта диаметром 25 мм в соответствии с исполнениями I и II по ГОСТ 8960-75; 6 - ниппель диаметром 25 мм по ГОСТ 8958-75.

Черт. 4

Схема присоединения двухприточного клапана.

1 - резьбовая с обеих концов труба диаметром 25 мм длиной 200 мм; 2 - двухходовой закрывающийся клапан; 3 - соединительная муфта; 4 - проходной угольник с углом 90° диаметром 25 мм по ГОСТ 8946-75; 5 - переходная муфта диаметром 25 мм в соответствии с исполнениями I и II по ГОСТ 8960-75; 6 - муфты диаметром 25 мм по ГОСТ 8955-75 и ГОСТ 8957-75; 7 - ниппель диаметром 25 мм по ГОСТ 8958-75

Черт. 5

Схема присоединения внутренних арматур и проходных клапанов.

1 - резьбовая с обеих концов труба диаметром 25 мм и длиной 200 мм; 2 - малошумный открывающий закрывающий клапан; 3 - ниппель диаметром 25 мм по ГОСТ 8958-75; 4 - соединительная муфта; 5 - проходной угольник с углом 90° и диаметром 25 мм по ГОСТ 8946-75; 6 - сужающий ниппель диаметром 5 мм по ГОСТ 8960-75; 7 - прямая труба; 8 - ниппель диаметром 25 мм по ГОСТ 8958-75; 9 - измеряемая арматура, клапан; 10 - сопротивление с небольшим уровнем шума (приложение 1).

Черт. 6

3.5. Испытываемую арматуру не допускается устанавливать на испытательную стену либо на другие стены измерительного помещения. Конец испытательного трубопровода необходимо жестко (без изоляции) крепить к предназначенной для этой цели стене.

На конце трубопровода должно быть разветвление для присоединения манометра испытываемой арматуры и ЭГШ согласно черт. 2.

При установке арматуры необходимо учитывать условия ее размещения при эксплуатации (размещение в вертикальном и горизонтальном положениях). С учетом условий размещения после закрывающего клапана необходимо использовать прямое и дугообразное соединение.

Соединение должно быть жестким и быстро разбираемым.

3.6. Водоразборную арматуру необходимо испытывать в условиях, аналогичных условиям эксплуатации.

Водоразборная арматура подразделяется на:

а) одноприточные горизонтальные или вертикальные клапаны (черт. 4);

б) двухприточные вертикальные или горизонтальные клапаны (черт. 5).

3.7. Проходные клапаны (например, закрывающие и выравнивающие клапаны, угловые клапаны задвижки) необходимо устанавливать между прямыми участками труб, длина которых составляет не менее 10-кратного диаметра соединений.

Схема соединения приведена на черт. 6.

Примечание. Вместо сопротивления с небольшим уровнем шума допускается использовать резиновый шланг длиной 1,5 м с регулирующим клапаном.

3.8. Клапаны, не перечисленные в п.п. 3.6 и 3.7, например поплавковые и сливные клапаны, арматуру нагревателей воды, смесительные байпасные клапаны, следует относить к категории специальных клапанов.

Поплавковые клапаны соединяют с измерительным трубопроводом без пропускного или углового клапана. В случае использования трубопровода из меди его длина должна составлять 10-кратное значение входного диаметра арматуры.

С целью контроля процесса закрывания клапана необходимо устанавливать смывной бачок, внутренние размеры которого должны соответствовать приведенным в табл. 1.

Таблица 1.

мм

Диаметр поплавкового клапана

 Длина

 Ширина

 Высота

От 10 до 15

400

125

300

От 20 до 25

1050

350

540

Смывной клапан необходимо соединять с закрывающим клапаном номинальным диаметром 25 мм с помощью переходников необходимых размеров. Выходное отверстие соединяют шлангом длиной 500 мм и внутренним диаметром, соответствующим диаметру сливного клапана.

Арматуру водонагревательного оборудования необходимо соединять с закрывающим клапаном номинальным диаметром 25 мм с помощью резинового шланга длиной, равной десяти диаметрам или не более 500 мм, и диаметром, соответствующим входному диаметру арматуры.

Входное отверстие байпасных смесительных клапанов необходимо непосредственно соединять с закрывающим клапаном номинальным диаметром 25 мм. На место электрического водонагревательного бака необходимо установить U-образную трубу из меди.

Водоразборная арматура, которая используется только для соединения с другой арматурой (например, вентиль для моек, поплавковые клапаны) или со специальными приборами (газовые или электроприборы для подогрева горячей воды), должна быть проверена в реальных условиях монтажа.

3.9. До начала измерения (в процессе измерения) необходимо удалить воздух из измерительной системы. Эту процедуру проводят до тех пор, пока уровень шума ЭГШ или арматуры не перестанет изменяться во времени.

3.10. В измерительном помещении необходимо выбрать не менее трех точек измерения с учетом того, что они должны находиться не ближе 1 м от ограждений измерительного помещения.

Допускается использовать одну измерительную точку при условии, что измеренный в этой точке уровень звукового давления соответствует среднему уровню звукового давления измерительного помещения.

4. ПРОВЕДЕНИЕ ИЗМЕРЕНИЙ

4.1. Измеряемые величины:

уровень звука арматуры, дБА, и, при необходимости, октавные уровни звукового давления при давлении воды в диапазоне от 0,1 до 0,5 МПа;

уровень звука ЭГШ, дБА, и, при необходимости, его октавные уровни звукового давления при давлении воды 0,3 МПа;

давление воды;

расход воды;

собственный шум измерительной системы.

4.2. Измерение уровня шума ЭГШ.

Необходимо измерить уровень шума ЭГШ, собранного в соответствии с черт. 7, затем измерить октавные уровни звукового давления ЭГШ (при среднегеометрических частотах 125, 250, 500, 1000, 2000 и 4000 Гц) при давлении 0,3 МПа. Следует рассчитать разницу между октавными уровнями звукового давления при 0,3 МПа и уровнями звукового давления, определенными в соответствии с п. 3.8. Если эта разница в пределах ± 2 дБ постоянна, то дальнейшие измерения достаточно проводить с помощью корректирующего фильтра А шумомера по ГОСТ 17187-81.

Варианты сборки эталонного генератора шума

Горизонтальная сборка

Вертикальная сборка

1-соединительная сборка; 2 - ЭГШ; 3-проходной угольник с углом 90° диаметром 20 мм по ГОСТ 8946-75; 4-медные муфты с трубной резьбой 3/4'' с насадкой для присоединения резинового шланга с внутренним диаметром 13 мм по ГОСТ 8955-75 и ГОСТ 8957-75; 5-проходной угольник с углом 90° диаметром 25 мм по ГОСТ 8946-75

Черт. 7

4.3. Работа арматуры и клапанов в ходе измерения уровня шума.

4.3.1. Водоразборная арматура

Уровень шума водоразборной арматуры, собранной согласно п. 3.6, измеряют при следующих условиях:

в максимально открытом положении в зависимости от давления (Р) в диапазоне от 0,1 до 0,5 МПа;

в зависимости от расхода воды таким образом, что постоянное давление (0,3 МПа) устанавливается посредством периодического закрывания испытываемого клапана.

При давлении 0,3 МПа необходимо также измерить уровень звукового давления при расходе воды согласно табл. 2, что является характерным значением генерации шума арматурой.

Таблица 2.

Номинальный диаметр арматуры, мм

Расход воды, л/с

15

0,32

20

0,75

Необходимо определить максимальный уровень звука, дБА, измеренный при непрерывном закрывании клапана, и соответствующие значения давления и расхода воды. При применении двух приточных клапанов необходимо испытывать их раздельно.

Допускается испытывать совместное влияние двух клапанов. В этом случае оба клапана необходимо полностью открыть и, медленно закрывая сначала первый, а затем второй клапан, следить за повышением уровня звукового давления. Характерными являются максимальные значения уровня звукового давления и соответствующий им расход воды.

4.3.2. Промежуточная арматура, пропускные клапаны

У входного отверстия арматуры устанавливают статическое давление, например 0,3 МПа. После этого с помощью сопротивления с незначительным уровнем шума (приложение 1), соединенным с выходным отверстием, устанавливают расход воды в соответствии с разными номинальными диаметрами клапана согласно табл. 3 и измеряют уровень звукового давления арматуры.

Таблица 3.

Номинальный диаметр пропускного клапана, мм

Расход воды при давлении воды 0,3 МПа, л/с

10

0,15

15

0,38

20

0,60

25

1,0

Пропускные клапаны необходимо испытывать только в полностью открытом виде, а выравниватели давления воды - в нормальном рабочем положении.

4.3.3. Специальные клапаны

Уровень звукового давления клапанов, собранных согласно п. 3.8, при давлении воды 0,3 и 0,5 МПа необходимо измерять при полностью открытом положении клапана, а также в процессе закрывания клапана.

Допускаются дополнительные измерения при давлении воды 0,1; 0,2 и 0,4 МПа.

Уровень звукового давления смывных бачков в зависимости от диаметра клапана измеряют при давлении воды согласно табл. 4.

Таблица 4.

Номинальный диаметр клапана, мм

Давление воды, МПа

15

0,2; 0,5 и 0,4

20

0,2; 0,5

25

0,1; 0,5 и 0,3

32

0,1

Уровень звукового давления арматуры водонагревателей и уровень звукового давления водоразборной арматуры необходимо измерять при температуре воды не выше 25°С.

Уровень звукового давления байпасных смесительных клапанов измеряют при давлении 0,3 и 0,5 МПа и наибольшем расходе воды (например, нагреватель объемом 5 л при 0,1 л/с, объемом 80 л при 0,3 л/с).

4.4. Для измерения собственного шума измерительной установки (оборудование водоснабжения, измерительный трубопровод, сборочная единица подсоединения арматуры). Для этой цели сборочная единица подсоединения арматуры должна быть снабжена малошумным выпуском. Испытания необходимо проводить при различных расходах воды.

Если разность уровней звукового давления арматуры и собственного шума измерительной установки ( D L ) составляет от 3 до 10 дБ, то из каждого измеренного уровня звукового давления арматуры необходимо вычесть поправку, значения которой приведены в табл. 5.

Если D L меньше 3 дБ, то результат измерения не может быть оценен.

Таблица 5.

дБ

D L

Поправка

3

3

От 4 до 5

2

От 6 до 9

1

10

0,5

4.5. Измерение времени реверберации

Время реверберации измеряют согласно СТ СЭВ 1929-79.

4.6. Оценка результатов измерений

Характерным значением генерации шума арматуры является уровень звука арматуры, дБА, который определяют либо путем измерения или расчета. Сначала определяют октавный уровень шума ЭГШ при давлении 0,3 МПа, после чего рассчитывают разницу между измеренным и справочным уровнями шума (табл. 6). Если эта разность в пределах ± 2 дБ постоянна, в дальнейшем расчет проводится согласно п. 4.6.1. В противном случае - по п. 4.6.2.

Таблица 6.

Средне­геометри­ческая частота октавной полосы, Гц

125

250

500

1000

2000

4000

Справоч­ные ок­тавные уровни звукового давления L in , дБ

35

39

42

42

37

25

4.6.1. Уровень звука арматуры (L a ), дБА, определяют по формуле

                                                                        (1)

где L-уровень звука арматуры при данных гидравлических условиях, дБА;

LR-уровень звука источника ЭГШ при давлении 0,3 МПа, дБА;

L1-справочный уровень звука, равный 45 дБА;

DR-стандартная разность уровней звука, дБА:

4.6.2. Уровень звукового давления арматуры в октавных полосах частот (Lan), дБ, определяют по формуле

                                                             (2)

где  - измеренный уровень звукового давления арматуры в октавных полосах частот со среднегеометрическими частотами в диапазоне от 125 до 4000 Гц, дБ;

 -уровни звукового давления ЭГШ при давлении 0,3 МПа в октавных полосах частот со среднегеометрическими частотами в диапазоне от 125 до 4000 Гц, дБ;

 -справочные уровни звукового давления в октавных полосах частот со среднегеометрическими частотами в диапазоне от 125 до 4000 Гц, дБ (табл. 6);

 -стандартная разность уровней звукового давления в октавных полосах частот со среднегеометрическими частотами в диапазоне от 125 до 4000 Гц, дБ:

Из октавных уровней звукового давления определяют уровень звука арматуры ( L a ), дБА, следующим образом:

,                                                               (3)

где K an -поправка по частотной шкале А шумомера согласно ГОСТ 17187-81 для n -октавной полосы частот, равная значению частотной характеристики на n -й частоте, определяемая по табл. 7.

Таблица 7.

Частота, Гц

Поправка К an , дБ

125

-16,1

250

-8,6

500

-3,2

1000

0,0

2000

1,2

4000

1,0

ПРИЛОЖЕНИЕ 1

Справочное

Сопротивление с небольшим уровнем шума с калиброванным расходом воды (черт. 8, 9)

Черт. 8

Расположение труб

Расход воды 0,25 л/с

Свободная длина труб 450 мм

Расход воды 0,5 л/с

Свободная длина труб 300 мм.

Расход воды 0,63 л/с

Свободная длина труб 350 мм

Черт. 9

ПРИЛОЖЕНИЕ 2

Справочное

ИЗМЕРЕНИЕ ШУМА АРМАТУРЫ В УСЛОВИЯХ ЭКСПЛУАТАЦИИ

1. Условия измерений

1.1. Измеряемые величины

уровень звука арматуры, дБА, при данных гидравлических условиях в жилом помещении;

уровень звука источника ЭГШ в защищаемом помещении, дБА, при давлении 0,3 МПа;

давление воды;

время реверберации жилого помещения (в случае помещения без мебели);

уровень звука водяного оборудования и трубопровода в защищаемом от шума помещении, дБА;

уровень звука, генерируемого санитарно-техническим оборудованием в защищаемом от шума жилом помещении, дБА;

уровень звука в жилом помещении, определяемый при отводе воды, дБА.

1.2. Место проведения измерений

Уровень шума в жилых помещениях измеряют не менее чем в трех точках, расположенных на расстоянии 1,5 м от пола, с учетом того, что места размещения микрофонов не должны находиться ближе 1 м от ограждающих поверхностей измерительного помещения.

Допускается использование одной точки измерения при условии, что измеренный уровень звукового давления в этой точке соответствует уровню звукового давления в жилой комнате.

1.3. Работа испытываемой арматуры

До начала измерений уровня шума арматуру несколько раз приводят в действие.

Для определения уровня шума ( L in ) санитарно-технического оборудования арматура должна работать при полностью открытом положении или с выходным диаметром клапана, соответствующим нормальной работе таким образом, чтобы вода без препятствий поступала в ванную, умывальник, мойку. Измерение шума сливной арматуры проводят при полностью открытом положении клапана или в положении, соответствующем нормально используемому количеству воды. Измерение шума проводят, кроме вышеуказанного способа, и таким образом, чтобы имелась возможность фиксирования максимального уровня шума при медленном открывании и закрывании крана.

Клапаны холодной и горячей воды смесительных кранов исследуют раздельно, после чего контролируют повышение уровня звукового давления при постоянном открывании горячей воды.

Во время измерения шума сливной арматуры используют резиновый шланг для устранения влияния шума слива воды на результаты измерений.

Исследования пропускных арматур проводят при полностью открытом положении.

В процессе измерения определяют уровень звука клапанов сливных бачков при открывании и закрывании клапанов, дБА.

С целью измерения уровня звука водоснабжающего оборудования и трубопровода (Lx), дБА, вместо сливной арматуры устанавливают регулируемое сопротивление, уровень звука которого не менее чем на 10 дБА ниже уровня звука арматуры. С помощью этого сопротивления следует отрегулировать расход воды слива, соответствующий измеренной арматуре. Для отвода воды следует использовать резиновый шланг.

В случае определения уровня звука санитарно-технического оборудования (Ly), дБА, вместо сливной арматуры встраивают сопротивление без использования резинового шланга.

При определении уровня звука отвода воды (Lz), дБА, заполняют ванну, умывальник или мойку водой на 3/4 объема, после чего производят полный спуск воды.

ЭГШ устанавливают вместо арматуры согласно черт. 3, а в защищаемом от шума помещении измерение уровня звука проводят при известном давлении. Полученный результат корректируют на давление 0,3 МПа.

2. Проведение измерений.

Из полученных результатов измерений уровня звука при трехкратной эксплуатации арматуры в качестве характерного уровня принимают максимальные значения трех измерений.

Если при проведении измерений уровень шума непостоянный (например, уровень шума клапана смывного бачка), то принимают максимальный уровень звука.

Более высокие уровни звука, не повторяющиеся систематически и являющиеся следствием неправильного использования, не учитывают, если их пиковые значения не превышают 5 дБА.

Давление воды измеряют с помощью манометра, устанавливаемого вместе с испытываемой арматурой или манометра, устанавливаемого в другой квартире на том же этаже.

3. Оценка результатов.

Уровень звука санитарно-технического оборудования и арматуры (L IN), дБА, в защищаемом от шума помещении при работе арматуры и оборудования вычисляют по формуле

                                                                      (4)

где L ap - уровень звука арматуры при данных гидравлических условиях, вычисленный по п. 4.6.1, дБА;

L in ¾ уровень звука санитарно-технического оборудования и арматуры, дБА, учитывающий отдельные источники шума и вычисленный по формуле

                                                          (5)

где Lx - уровень звука системы водоснабжения, измеряемый согласно п. 1.3 приложения 2, дБА;

Ly - уровень звука наполнения водой оборудования (ванны, умывальника или мойки), измеряемый согласно п. 1.3 приложения 2, дБА;

Lz - уровень звука, измеряемый при сливе воды из прибора согласно п. 1.3 приложения 2, дБА.

4. В жилом помещении измеряют также уровень звука при неработающем испытательном оборудовании (измерение шума фона). Если разница между измеряемым уровнем звука и уровнем шума фона менее 10 дБА, то вводят поправку согласно п. 4.4.

5. Поправка на эквивалентную площадь звукопоглощения.

Поправку на эквивалентную площадь звукопоглощения (К е) определяют по формуле

,                                                                                             (6)

где А - эквивалентная площадь звукопоглощения жилого помещения, м 2;;

А0=10м2;

V - объем помещения, м 3 ;

Т - время реверберации, с.

Поправку определяют на основании измерения времени реверберации, определяемого как среднее значение времени реверберации в диапазоне частот от 250 до 2000 Гц, и корректируют по времени реверберации на частотах 125, 250, 500, 1000, 2000 и 4000 Гц, после чего с учетом поправки по частотной шкале А шумомера для каждой полосы частот вычисляют уровень звука в соответствии с п. 4.6.2.

Поправку (Ке) можно определить также с помощью образцового источника шума при известном уровне его звуковой мощности:

,                                                                     (7)

где L - уровень звука, измеренный в жилом помещении с эквивалентной площадью звукопоглощения А во время работы образцового источника шума, дБА;

LPR - уровень звуковой мощности образцового источника шума, дБА.

6. Поправка на давление воды.

Для определения поправки на давление воды Кр, дБА, уровень звука измерительной системы измеряют в измерительном помещении при разных давлениях в диапазоне от 0,05 до 0,5 МПа (черт. 3).

Поправку (Кр) к уровню звука относят к давлению 0,3 МПа и определяют как разность между уровнями звука ЭГШ при разном давлении воды по формуле

                                                                                            (8)

где  - уровень звука ЭГШ в лабораторных условиях при давлении р, дБА;

 - уровень звука ЭГШ в лабораторных условиях при давлении воды 0,3 МПа, дБА.

7. Поправка на способ присоединения ЭГШ.

Поправку на способ присоединения ЭГШ  , дБА, определяют следующим образом:

при давлении воды 0,3 МПа в лабораторных условиях измеряют уровень шума измерительной системы, собранной в соответствии с черт. 3, после чего вычисляют разницу между уровнями звука установленного ЭГШ с элементом присоединения в условиях эксплуатации:

                                                                                             (9)

где LR1 - уровень звука ЭГШ (согласно черт. 10), установленного вместо арматуры, указанной на черт. 2, в лабораторных условиях;

LR2 - уровень звука установленного ЭГШ в лабораторных условиях, дБА.

8. Уровень звука ЭГШ LR в условиях эксплуатации вычисляют по формуле

                                                                          (10)

где L¢ Rp - уровень звука ЭГШ, измеренный в условиях эксплуатации при известном давлении воды в здании, дБА;

Кs - поправка на присоединение ЭГШ, дБА;

Kp - поправка на давление воды, дБА;

Ke - поправка на эквивалентную площадь звукопоглощения, дБА.

Схема переносной измерительной аппаратуры

1 - провод 3/4 ² ; 2 - диффузор 3/4 ² -1; 3 - тройник 1 ² ; 4 - манометр; 5 - ниппель 1 ² ; 6 - шариковый кран; 7 - ЭГШ; 8 - колено; 9 - ниппель 3/4 ² ; 10 - выход воды

Черт. 10

ПРИЛОЖЕНИЕ

Обязательное

СВЕДЕНИЯ О СООТВЕТСТВИИ ССЫЛОК НА СТАНДАРТЫ СЭВ ССЫЛКАМ НА ГОСУДАРСТВЕННЫЕ СТАНДАРТЫ

Раздел, в котором

приведена ссылка

Обозначение

стандарта СЭВ

Обозначение государственного стандарта

черт. 4, черт. 5, черт. 6, черт. 7

СТ СЭВ 3299-81

ГОСТ 8946-75

черт. 4, черт. 5, черт. 6

СТ СЭВ 3302-81

ГОСТ 8958-75

черт. 5, черт. 7

СТ СЭВ 3303-81

ГОСТ 8955-75;

ГОСТ 8957-75

черт. 4, черт. 5, черт. 6

СТ СЭВ 3304-81

ГОСТ 8960-75

ИНФОРМАЦИОННЫЕ ДАННЫЕ

ВНЕСЕН Научно-исследовательским институтом строительной физики Госстроя СССР.

УТВЕРЖДЕН Постановлением Государственного строительного комитета СССР от 17.03.88 № 40 стандарт Совета Экономической Взаимопомощи СТ СЭВ 5840-86 "Защита от шума в строительстве. Санитарно-техническая арматура. Метод лабораторных измерений шума".

ВВЕДЕН В ДЕЙСТВИЕ непосредственно в качестве государственного стандарта СССР с 01.07.88.

 




Rambler's Top100 Яндекс цитирования
  Copyright © 2008-2026, www.docload.ru