
ГОСУДАРСТВЕННЫЙ
СТАНДАРТ СОЮЗА ССР
СТОЙКИ КОНИЧЕСКИЕ
ЖЕЛЕЗОБЕТОННЫЕ ЦЕТРИФУГИРОВАННЫЕ
ДЛЯ ОПОР ВЫСОКОВОЛЬТНЫХ ЛИНИЙ
ЭЛЕКТРОПЕРЕДАЧИ
Конструкция и размеры
ГОСТ 22687.1-85
ГОСУДАРСТВЕННЫЙ
СТАНДАРТ СОЮЗА ССР
|
СТОЙКИ
КОНИЧЕСКИЕ ЖЕЛЕЗОБЕТОННЫЕ ЦЕТРИФУГИРОВАННЫЕ ДЛЯ ОПОР ВЫСОКОВОЛЬТНЫХ ЛИНИЙ
ЭЛЕКТРОПЕРЕДАЧИ
Конструкция и размеры
Centrifugal conic reinforced concrete posts for
high-voltage transmission lines. Structure and dimensions
|
ГОСТ
22687.1-85
|
Постановлением
Государственного комитета СССР по делам строительства от 25 октября 1984 г. №
180 срок введения установлен
с 01.01.86
Несоблюдение
стандарта преследуется по закону
1. Настоящий
стандарт распространяется на железобетонные предварительно напряженные
конические стойки кольцевого сечения, изготовляемые методом центрифугирования
из тяжелого бетона и предназначенные для опор линий электропередачи напряжением
35-750 кВ, и устанавливает конструкцию указанных стоек.
Стойки
предназначены для применения:
при расчетной
температуре наружного воздуха (температуре наружного воздуха наиболее холодной
пятидневки района строительства согласно СНиП 2.01.01-82) до минус 55°
С включительно;
в I-VII районах
по давлению ветра и в I-V районах по
толщине стенки гололеда согласно СНиП 2.01.07-85;
при сейсмичности
площадки строительства до 9 баллов включительно.
Стойки,
предназначенные для эксплуатации в среде с агрессивной степенью воздействия на
железобетонные конструкции, должны удовлетворять дополнительным требованиям,
установленным проектной документацией согласно СНиП 2.03.11-85 и
указанным в заказе на изготовление стоек.
2. Форма и основные
параметры стоек - по ГОСТ
22687.0-85.
3. Технические
показатели стоек приведены в табл. 1.
4. Стойки должны
удовлетворять всем требованиям ГОСТ
22687.0-85 и настоящего стандарта.
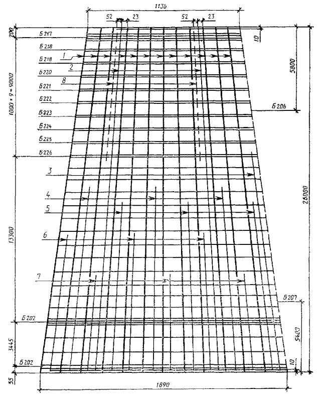
5. Конструкция и
размеры стоек должны соответствовать указанным на черт. 1.
6. Показатели
расхода стали на стойку приведены в табл.
2.
7. Арматурные
каркасы стоек и расположение закладных изделий в стойках должны соответствовать
указанным на черт. 2-41.
Расположение
напрягаемой арматуры должно соответствовать приведенному на черт. 42-45.
Примечание. На чертежах арматурных каркасов напрягаемая
арматура обозначена цифрой 1 и выделена жирными линиями.
8. Стыковые
соединения стержневой напрягаемой арматуры следует выполнять контактной
стыковой сваркой по ГОСТ 14098-85.
9. Усилия натяжения
напрягаемой арматуры, контролируемые по окончании натяжения на упоры, должны
соответствовать приведенным в табл. 2.
10. Поперечное
армирование стоек выполняют из спирали с переменным шагом по длине стойки.
Значения шага спирали по длине стойки должны соответствовать указанным в табл. 4.
11. Спираль
следует привязать вязальной проволокой к продольной арматуре в каждом третьем
пересечении.
При механической
намотке спирали с натяжением не менее 1 кН (0,1 тс) привязку спирали к
продольной арматуре осуществляют только на концевых участках длиной 0,5 м.
12. Монтажные
кольца устанавливают с шагом 1,0 м по длине стойки, а также в местах окончания
стержней ненапрягаемой арматуры и в местах установки закладных изделий с
обязательной приваркой колец к концам стержней ненапрягаемой арматуры, к
закладным изделиям и смежным с ними стержням продольной арматуры.
Таблица 1
|
Обозначение
стоек
|
Объем бетона, м
|
Класс бетона
|
Предельный момент, кН×м (тс×м)
|
Масса изделия, кг
|
|
по прочности
|
по образованию трещин
|
|
1
|
2
|
3
|
4
|
5
|
6
|
|
СК26.1-1.1
|
2,5
|
В40
|
462,1 (47,12)
|
130,9 (13,34)
|
6821
|
|
СК26.1-1.2
|
465,6 (47,47)
|
154,2 (15,72)
|
6757
|
|
СК26.1-1.5
|
409,5 (41,75)
|
211,0 (21,51)
|
6750
|
|
СК26.1-1.4
|
422,8 (43,11)
|
108,2 (11,03)
|
6752
|
|
СК26.1-1.3
|
458,7 (46,77)
|
163,9 (16,71)
|
6733
|
|
СК26.1-2.1
|
462,1 (47,12)
|
130,9 (13,34)
|
6849
|
|
СК26.1-2.2
|
465,6 (47,47)
|
154,2 (15,72)
|
6804
|
|
СК26.1-2.5
|
409,5 (41,75)
|
211,0 (21,51)
|
6770
|
|
СК26.1-2.4
|
422,8 (43,11)
|
108,2 (11,03)
|
6735
|
|
СК26.1-2.3
|
458,7 (46,77)
|
163,9 (16,71)
|
6712
|
|
СК26.1-3.1
|
531,5 (54,19)
|
125,4 (12,78)
|
6992
|
|
СК26.1-3.4
|
516,7 (52,68)
|
151,0 (15,39)
|
6801
|
|
СК26.1-3.3
|
523,4 (53,37)
|
157,2 (16,02)
|
6796
|
|
СК26.1-4.1
|
423,1 (43,14)
|
170,3 (17,36)
|
6860
|
|
СК26.1-5.1
|
577,8 (58,91)
|
121,6 (12,39)
|
6997
|
|
СК22.1-1.1
|
1,9
|
В30
|
264,8 (27,00)
|
111,2 (11,33)
|
4819
|
|
СК22.1-1.2
|
В40
|
270,2 (27,55)
|
121,1 (12,35)
|
4765
|
|
СК22.1-2.1
|
В30
|
326,0 (33,24)
|
108,6 (11,07)
|
4847
|
|
СК22.1-2.2
|
В40
|
329,5 (33,59)
|
137,0 (13,97)
|
4816
|
|
СК22.1-3.1
|
В30
|
215,3 (21,95)
|
99,3 (10,12)
|
4809
|
|
СК22.1-3.2
|
1,8
|
212,1 (21,63)
|
93,4 (9,52)
|
4526
|
|
СК26.1-6.1
|
2,5
|
В40
|
453,2 (46,21)
|
188,8 (19,25)
|
6910
|
|
СК26.1-6.2
|
2,5
|
В40
|
437,1 (44,57)
|
210,5 (21,46)
|
6883
|
|
СК26.2-1.1
|
452,3 (46,12)
|
188,7 (19,24)
|
6952
|
|
СК26.2-1.2
|
430,8 (43,92)
|
159,1 (16,22)
|
6848
|
|
СК22.2-1.1
|
2,3
|
В40
|
525,1 (53,54)
|
200,0 (20,39)
|
6418
|
|
СК22.2-1.2
|
502,2 (51,21)
|
207,9 (21,19)
|
6334
|
|
СК22.3-1.1
|
2,2
|

|

|
6086
|
|
СК22.3 1.2
|

|

|
6066
|
|
СК26.1-1.0
|
2,5
|
457,7 (46,67)
|
105,9 (10,80)
|
6896
|
|
СК26.1-2.0
|
457,7 (46,67)
|
105,9 (10,80)
|
6929
|
|
СК26.1-3.0
|
540,3 (55,09)
|
100,0 (10,20)
|
7054
|
|
СК26.1-4.0
|
415,5 (42,36)
|
153,0 (15,60)
|
6933
|
|
СК22.1-1.0
|
1,9
|
В30
|
267,0 (27,22)
|
89,5 (9,13)
|
5027
|
|
СК22.1-2.0
|
339,3 (34,59)
|
86,3 (8,80)
|
5332
|
|
СК22.1-3.0
|
212,3 (21,65)
|
93,6 (9,54)
|
4995
|
|
СК26.1-6.0
|
2,5
|
В40
|
455,8 (46,48)
|
149,5 (15,24)
|
6984
|
|
СК26.2-1.0
|
454,7 (46,37)
|
149,2 (15,21)
|
7105
|
|
СК22.2-1.0
|
2,3
|
522,1 (53,24)
|
199,1 (20,30)
|
6571
|
|
СК22.3-1.0**
|
2,2
|

|

|
6220
|
Примечания:
1. При вычислении массы изделия
средняя плотность бетона принята 2500 кг/м3.
2. Для стоек
СК22.3-1 характеристики по графам 4 и 5 приведены для сечения на отметке 4,7 от
вершины стойки в числителе и на отметке 3,0 м от комля - в знаменателе.
Два монтажных
кольца по концам стойки следует приварить ко всем стержням ненапрягаемой
продольной арматуры.
Примечание. На развертках арматурных каркасов монтажные
кольца показаны поперечными линиями.
13. Спецификация
арматурных элементов на стойку приведена в табл. 3.
14. Расстояния
между закладными изделиями по длине стойки указаны в табл. 5.
15. Конструкция
закладных изделий, а также подпятников стоек приведена в ГОСТ
22687.3-85.
16. Схемы
опирания и загружения стоек при испытании по прочности, жесткости и
трещиностойкости приведены в обязательном приложении 1.
17. Значения
контрольной нагрузки по проверке прочности, жесткости и трещиностойкости при
испытании по схеме нормального режима, а также значения контрольного прогиба и
контрольной ширины раскрытия трещин указаны в обязательном приложении 2.
Значения
контрольной нагрузки при испытании по схеме аварийного режима приведены в
обязательном приложении 1.

1 - продольная арматура; 2 -
монтажные кольца; 3 - закладные изделия; 4 - спираль; а - расстояние от
наружной поверхности стойки до оси продольной арматуры; С0-С11
- вязка закладных изделий; ц. т. - центр тяжести; L - длина стойки; lЦ - расстояние до центра тяжести; lН, lВ - расстояния от мест установки
диафрагм; D1,
d1 - внутренние диаметры стойки; D2, d2 - наружные
диаметры стойки
Черт. 1
Таблица 2
|
Обозначение
стоек
|
Расстояние от наружной поверхности стойки до оси продольной арматуры,
мм
|
Расход материалов
|
Закладные изделия, масса, кг
|
Обшиб расход стали, кг
|
Контролируемое натяжение, кН (тс)
|
Код ОКП
|
|
Арматура продольная
|
Спираль
|
Монтажные кольца
|
Стержни заземления
|
|
напрягаемая
|
ненапрягаемая
|
|
Сортамент
|
Масса, кг
|
Сортамент
|
Масса, кг
|
Сортамент
|
Масса, кг
|
Сортамент
|
Масса, кг
|
Сортамент
|
Масса, кг
|
|
1
|
2
|
3
|
4
|
5
|
6
|
7
|
8
|
9
|
10
|
11
|
12
|
13
|
14
|
15
|
16
|
|
СК26.1-1.1
|
24
|
Æ12AV
|
277,0
|
Æ12AV
|
136,0
|
Æ4BI
|
58,4
|
Æ8AI
|
25,7
|
Æ12AV
|
46,2
|
27,8
|
571,1
|
958 (97,68)
|
58 6311 0024
|
|
СК26.1-1.2
|
Æ12AVI
|
277,0
|
Æ12AVI
|
85,1
|
44,7
|
25,7
|
Æ12AVI
|
606,5
|
1198 (122,16)
|
58 6311 0316
|
|
СК26.1-1.5
|
Æ12К7
|
352,8
|
Æ12AI
|
15,4
|
32,5
|
25,7
|
Æ12AI
|
500,4
|
1761 (179,57)
|
58 6311 0023
|
|
СК26.1-1.4
|
Æ14К19
|
212,2
|
Æ12AV
|
100,7
|
Æ5BI
|
69,4
|
24,1
|
Æ12AV
|
49,7
|
502,3
|
1216 (123,99)
|
58 6311 0317
|
|
СК26.1-1.3
|
Æ12К7
|
260,0
|
Æ12AV
|
67,9
|
Æ4BI
|
33,6
|
25,7
|
Æ12AV
|
32,7
|
483,1
|
1294 (131,95)
|
58 6311 0318
|
|
СК26.1-2.1
|
Æ12AV
|
277,0
|
Æ12AV
|
128,8
|
Æ5BI
|
90,9
|
23,3
|
Æ12AV
|
598,9
|
958 (97,68)
|
58 6311 0030
|
|
СК26.1-2.2
|
Æ12AVI
|
277,0
|
Æ12AVI
|
84,0
|
90,9
|
22,7
|
Æ12AVI
|
553,5
|
1198 (122,16)
|
58 6311 0319
|
|
СК26.1-2.5
|
Æ12К7
|
352,8
|
Æ12AI
|
14,6
|
50,5
|
23,3
|
Æ12AI
|
520,1
|
1761 (179,57)
|
58 6311 0029
|
|
СК26.1-2.4
|
Æ14К19
|
212,2
|
Æ12AV
|
100,7
|
69,4
|
23,3
|
Æ12AV
|
484,5
|
1216 (123,99)
|
58 6311 0320
|
|
СК26.1-2.3
|
Æ12К7
|
260,0
|
Æ12AV
|
66,9
|
Æ4BI
|
33,6
|
22,7
|
Æ12AV
|
462,1
|
1294 (131,95)
|
58 6311 0321
|
|
СК26.1-3.1
|
25
|
Æ12AV
|
277,0
|
Æ12AV
|
268,3
|
Æ5BI
|
90,9
|
25,0
|
Æ12AV
|
34,7
|
742,1
|
958 (97,68)
|
58 6311 0033
|
|
СК26.1-3.4
|
Æ14К19
|
212,2
|
Æ12AV
|
162,9
|
69,4
|
25,6
|
Æ12AV
|
551,0
|
1216 (123,99)
|
58 6311 0322
|
|
СК26.1-3.3
|
Æ12К7
|
260,0
|
Æ12AV
|
127,7
|
52,2
|
25,0
|
Æ12AV
|
545,8
|
1294 (131,95)
|
58 6311 0323
|
|
СК26.1 4.1
|
Æ12AV
|
392,5
|
Æ12AV
|
37,8
|
Æ4BI
|
48,1
|
23,3
|
Æ12AV
|
61,8
|
609,7
|
1358 (138,47)
|
58 6311 0325
|
|
СК26.1-5.1
|
Æ12AV
|
277,0
|
Æ12AV
|
273,7
|
Æ5BI
|
90,9
|
24,4
|
Æ12AV
|
34,8
|
747,0
|
958 (97,68)
|
58 6311 0326
|
|
СК22.1-1.1
|
Æ12AV
|
200,7
|
Æ12AV
|
21,7
|
52,2
|
24,6
|
Æ12AV
|
29,4
|
368,7
|
799 (81,47)
|
58 6311 0328
|
|
СК22.1-1.2
|
Æ12AVI
|
160,5
|
Æ12AVI
|
8,7
|
52,2
|
24,5
|
Æ12AVI
|
315,4
|
799 (81,47)
|
58 6311 0329
|
|
СК22.1-2.1
|
Æ12AV
|
200,7
|
Æ12AV
|
55,8
|
Æ4BI
|
52,2
|
23,3
|
Æ12AV
|
40,1
|
25,0
|
397,1
|
799 (81,47)
|
58 6311 0331
|
|
СК22.1-2.2
|
25
|
Æ12AVI
|
200,7
|
Æ12AVI
|
24,6
|
52,2
|
23,3
|
Æ12AVI
|
365,9
|
998 (101,76)
|
58 6311 0332
|
|
СК22.1-3.1
|
Æ12AV
|
160,6
|
Æ12AV
|
2,7
|
51,5
|
24,6
|
Æ12AV
|
29,4
|
308,9
|
639 (65,15)
|
58 6311 0334
|
|
СК22.1 3.2
|
Æ12AVI
|
120,4
|
Æ12AVI
|
9,2
|
52,2
|
24,5
|
Æ12AVI
|
275,8
|
599 (61,08)
|
58 6311 0335
|
|
СК26.1-6.1
|
Æ12AV Æ12AVI
|
461,8 415,6
|
Æ12AV Æ12AVI
|
25,1
|
50,0
|
27,6
|
Æ12AV
|
46,1
|
49,7
|
660,3
|
1597 (162,84)
|
58 6311 0337
|
|
СК26.1-6.2
|
49,0
|
44,7
|
27,6
|
Æ12AVI
|
632,7
|
1797 (183,24)
|
58 6311 0338
|
|
CK26.2-1.1
|
Æ12AV
|
461,8
|
Æ12AV
|
31,8
|
58,4
|
25,0
|
Æ12AV
|
92,3
|
32,9
|
702,2
|
1597 (162,84)
|
58 6311 0340
|
|
CK26.2-1.2
|
Æ12AVI
|
415,6
|
Æ12AVI
|
20,2
|
58,4
|
25,0
|
Æ12AVI
|
46,2
|
598,3
|
1238 (126,24)
|
58 6311 0341
|
|
CK22.2-1.1
|
23
|
Æ12AV
|
441,5
|
Æ12AV
|
79,9
|
53,5
|
24,1
|
Æ12AV
|
40,1
|
29,2
|
668,3
|
1757 (179,16)
|
58 6311 0342
|
|
CK22.2-1.2
|
Æ12AVI
|
360,8
|
Æ12AVI
|
76,7
|
53,5
|
24,1
|
Æ12AVI
|
584,4
|
1798 (183,34)
|
58 6311 0344
|
|
СК22.3-1.1
|
23
|
Æ12AV
|
281,0
|
Æ12AV
|
100,1
|
Æ4BI
|
57,4
|
Æ8AI
|
21,6
|
Æ12AV
|
40,1
|
85,3
|
585,5
|
1118 (114,00)
|
58 6311 0346
|
|
СК22.3-1.2
|
Æ12AVI
|
281,0
|
Æ12AVI
|
80,6
|
57,4
|
21,6
|
Æ12AVI
|
566,0
|
1087 (110,84)
|
58 6311 0347
|
|
СК26.1-1.0
|
24
|
Æ12AIV
|
277,0
|
Æ12AIV
|
210,4
|
58,4
|
25,7
|
Æ12AIV
|
46,2
|
27,8
|
645,5
|
719 (73,31)
|
58 6311 0021
|
|
СК26.1-2.0
|
25
|
209,3
|
Æ5BI
|
90,9
|
23,2
|
32,7
|
679,3
|
719 (73,31)
|
58 6311 0027
|
|
СК26.1-3.0
|
329,5
|
90,9
|
25,6
|
34,7
|
803,9
|
719 (73,31)
|
58 6311 0032
|
|
СК26.1-4.П
|
Æ12AIV
|
461,8
|
41,3
|
Æ4BI
|
48,1
|
23,3
|
61,8
|
682,5
|
1198 (122,16)
|
58 6311 0324
|
|
СК22.1-1.0
|
Æ12AIV
|
200,7
|
53,6
|
51,5
|
24,5
|
40,1
|
31,2
|
401,6
|
599 (61,08)
|
58 6311 0327
|
|
СК22.1-2.0
|
115,4
|
52,2
|
23,3
|
25,0
|
456,7
|
599 (61,08)
|
58 6311 0330
|
|
СК22.1-3.0
|
22,7
|
52,2
|
24,5
|
29,4
|
369,6
|
599 (61,08)
|
58 6311 0333
|
|
СК26.1-6.0
|
Æ12AIV
|
461,8
|
90,1
|
58,4
|
27,6
|
46,2
|
49,7
|
733,8
|
1198 (122,16)
|
58 6311 0336
|
|
СК26.2-1.0
|
184,6
|
58,4
|
25,0
|
92,3
|
32,9
|
855,0
|
1198 (122,16)
|
58 6311 0339
|
|
СК22.2-1.0
|
22
|
Æ14AIV
|
600,9
|
72,7
|
53,5
|
24,1
|
40,1
|
29,2
|
820,5
|
1793 (182,83)
|
58 6311 0343
|
|
СК22.3-1.0
|
23
|
Æ14AIV
|
382,2
|
93,1
|
57,4
|
21,6
|
80,2
|
85,3
|
719,8
|
1141 (116,34)
|
58 6311 0345
|
СК26.1-1.0
Армирование
стойки (в развертке)

Черт. 2
СК26.1-1.1
Армирование
стойки (в развертке)

Черт. 3
СК26.1-1.2
Армирование
стойки (в развертке)

Черт. 4
СК26.1-1.5
Армирование
стойки (в развертке)

Черт. 5
СК26.1-1.4
Армирование
стойки (в развертке)

Черт. 6
СК26.1-1.3
Армирование
стойки (в развертке)

Черт. 7
СК26.1-2.0
Армирование
стойки (в развертке)

Черт. 8
СК26.1-2.1
Армирование
стойки (в развертке)

Черт. 9
СК26.1-2.2
Армирование
стойки (в развертке)

Черт. 10
СК26.1-2.5
Армирование
стойки (в развертке)

Черт. 11
СК26.1-2.4
Армирование
стойки (в развертке)

Черт. 12
СК26.1-2.3
Армирование
стойки (в развертке)

Черт. 13
СК26.1-3.0
Армирование стойки
(в развертке)

Черт. 14
СК26.1-3.1
Армирование
стойки (в развертке)

Черт. 15
СК26.1-3.4
Армирование
стойки (в развертке)

Черт. 16
СК26.1-3.3
Армирование
стойки (в развертке)

Черт. 17
СК26.1-4.0
Армирование
стойки (в развертке)

Черт. 18
Примечание. Стойки устанавливаются узким концом вниз.
CK26.1-4.1
Армирование
стойки (в развертке)
Черт. 19
Примечание. Стойки устанавливаются узким концом вниз.
СК26.1-5.1
Армирование
стойки (в развертке)

Черт. 20
СК22.1-1.0
Армирование
стойки (в развертке)

Черт. 21
СК22.1-1.1
Армирование
стойки (в развертке)

Черт. 22
СК22.1-1.2
Армирование
стойки (в развертке)

Черт. 23
СК22.1-2.0
Армирование
стойки (в развертке)

Черт. 24
СК22.1-2.1
Армирование
стойки (в развертке)

Черт. 25
СК22.1-2.2
Армирование стойки
(в развертке)

Черт. 26
СК22.1-3.0
Армирование
стойки (в развертке)

Черт. 27
СК22.1-3.1
Армирование
стойки (в развертке)

Черт. 27
СК22.1-3.2
Армирование
стойки (в развертке)

Черт. 29
СК26.1-6.0
Армирование
стойки (в развертке)

Черт. 30
СК26.1-6.1
Армирование
стойки (в развертке)

Черт. 31
СК26.1-6.2
Армирование
стойки (в развертке)

Черт. 32
СК26.2-1.0
Армирование
стойки (в развертке)

Черт. 33
СК26.2-1.1
Армирование
стойки (в развертке)

Черт. 34
СК26.2-1.2
Армирование
стойки (в развертке)

Черт. 35
СК22.2-1.6
Армирование
стойки (в развертке)

Черт. 36
СК22.2-1.1
Армирование
стойки (в развертке)

Черт. 37
СК22.2-1.2
Армирование
стойки (в развертке)

Черт. 38
СК22.3-1.0
Армирование
стойки (в развертке)

Черт. 39
СК22.3-1.1
Армирование стойки
(в развертке)

Черт. 40
СК22.3-1.2
Армирование
стойки (в развертке)

Черт. 41
Расположение
напрягаемых стержней в стойках марок СК26.1-1.0, СК26.1-1.1, СК26.1-1.2,
СК26.1-2.0, СК26.1-2.1, СК26.1-2.2, СК26.1-3.0, СК26.1-3.1, СК26.1-5.1,
СК26.1-1.5, СК26.1-2.5, СК26.1-1.4, СК26.1-2Л, СК26.1-3.4, СК22.1-3.1
(закладные изделия траверс ориентированы по вертикальной оси)
СК22.1-3.1

СК26.1-1.0, СК26.1-1.1,
СК26.1-1.2,
СК26.1-2.0,
СК26.1-2.1,
СК26.1-2.2,
СК26.1-3.0,
СК26.1-3.1,
СК26.1-5.1

СК26.1-1.5, СК26.1-2.5

СК26.1-1.4,
СК26.1-2.4, СК26.1-3.4

Черт. 42
Расположение
напрягаемых стержней в стойках марок СК26.1-1.3, СК26.1-2.3, СК26.1-3.3,
СК22.2-1.1, СК26.1-4.1, CK22.1-1.0, CK22.1-1.1, CK22.1-2.0, CK22.1-2.1, CK22.1-3.0, CK22.2-1.0, CK22.1-2.2 (закладные изделия траверс
ориентированы по вертикальной оси)
СК26.1-1.3,
СК26.1- 2.3, СК26.1-3.3

СК22.2-1.0, СК22.2-1.1

СК26.1-4.1

СК22.1-1.0,
СК22.1-1.1, CK22.1-2.0.
CK22.1-2.1,
CK22.1-3.0, CK22.1-2.2
60°

Черт. 43
Расположение
напрягаемых стержней в стойках марок СК22.1-1.2, СК22Л-3.2, СК26.1-6.0,
СК26.1-6.1, СК26.2-1.0, СК26.2-1.1 (закладные изделия траверс ориентированы по
вертикальной оси)
СК22.1-1.2

СК22.1-3.2

СК26.1-6.0,
СК26.1-6.1,
СК26.2-1.0,
СК26.2-1.1

Черт. 44
Расположение
напрягаемых стержней в стойках марок СК26.2-1.2, CK22.2-1.2, СК22.3-1.1, СК22.3-1.2,
СК26.1-6.2, СК22.3-1.0 (закладные изделия траверс ориентированы по вертикальной
оси)
СК26.1-6.2, СК26.2-1.2

СК22.2-1.2

СК22.3-1.0,
СК22.3-1.1, СК22.3-1.2

Черт. 45
Таблица 3
Спецификация
арматуры на один элемент
|
Обозначения
стоек
|
Эскиз
|
Номер позиции
|
Диаметр, мм
|
Длина, мм
|
Количество позиций
|
Общая длина, м
|
|
СК26.1-1.1
|

|
1
|
Æ12AV
|
26000
|
12
|
312,0
|
|
2
|
Æ12AV
|
25980
|
2
|
52,0
|
|
3
|
Æ12AV
|
16400
|
1
|
16,4
|
|
4
|
Æ12AV
|
14500
|
3
|
43,5
|
|
5
|
Æ12AV
|
12600
|
3
|
37,8
|
|
6
|
Æ12AV
|
10500
|
3
|
31,5
|
|
7
|
Æ12AV
|
7000
|
3
|
21,0
|
|
8
|
Æ12AV
|
150
|
20
|
3,0
|
|

|
|
Æ8AI
|
lCP=1550
|
42
|
65,1
|
|

|
|
Æ4BI
|
-
|
-
|
590,0
|
|
СК26.1-1.2
|

|
1
|
Æ12AV
|
26000
|
12
|
312,0
|
|
2
|
Æ12AV
|
25980
|
2
|
52,0
|
|
3
|
Æ12AV
|
15100
|
1
|
15,1
|
|
4
|
Æ12AV
|
12500
|
3
|
37,5
|
|
5
|
Æ12AV
|
9000
|
3
|
27,0
|
|
6
|
Æ12AV
|
4400
|
3
|
13,2
|
|
7
|
Æ12AV
|
150
|
20
|
3,0
|
|

|
|
Æ8AI
|
lCP=1550
|
42
|
65,1
|
|

|
|
Æ4BI
|
-
|
-
|
452,0
|
|
СК26.1-1.5
|

|
1
|
Æ12K7
|
26000
|
19
|
494,0
|
|
2
|
Æ12AI
|
25980
|
2
|
52,0
|
|
3
|
Æ12AI
|
13300
|
1
|
13,3
|
|
4
|
Æ12AI
|
150
|
20
|
3,0
|
|
5
|
Æ12AI
|
500
|
2
|
1,0
|
|

|
|
Æ8AI
|
lCP=1550
|
42
|
65,1
|
|

|
|
Æ4BI
|
-
|
-
|
328,0
|
|
СК26.1-1.4
|

|
1
|
Æ14K19
|
26000
|
8
|
208,0
|
|
2
|
Æ12AV
|
25980
|
2
|
52,0
|
|
3
|
Æ12AV
|
15600
|
1
|
15,6
|
|
4
|
Æ12AV
|
13500
|
3
|
40,5
|
|
5
|
Æ12AV
|
10900
|
3
|
32,7
|
|
6
|
Æ12AV
|
7000
|
3
|
21,0
|
|
7
|
Æ12AV
|
150
|
24
|
3,6
|
|

|
|
Æ8AI
|
lCP=1455
|
42
|
61,1
|
|

|
|
Æ5BI
|
|
|
451,0
|
|
СК26.1-1.3
|

|
1
|
Æ12K7
|
26000
|
14
|
364,0
|
|
2
|
Æ12AV
|
25980
|
2
|
52,0
|
|
3
|
Æ12AV
|
14100
|
1
|
14,1
|
|
4
|
Æ12AV
|
11600
|
3
|
34,8
|
|
5
|
Æ12AV
|
8200
|
3
|
24,6
|
|
6
|
Æ12AV
|
150
|
20
|
3,0
|
|

|
|
Æ8AI
|
lCP=1550
|
42
|
65,1
|
|

|
|
Æ4BI
|
|
|
339,0
|
|
СК26.1-2.1
|

|
1
|
Æ12AV
|
26000
|
12
|
312,0
|
|
2
|
Æ12AV
|
25980
|
2
|
52,0
|
|
3
|
Æ12AV
|
19700
|
1
|
19,7
|
|
4
|
Æ12AV
|
15800
|
ч
|
47,4
|
|
5
|
Æ12AV
|
11900
|
3
|
35,7
|
|
6
|
Æ12AV
|
8600
|
3
|
25,8
|
|
7
|
Æ12AV
|
4900
|
3
|
14,7
|
|
8
|
Æ12AV
|
150
|
12
|
1,8
|
|

|
|
Æ8AI
|
lCP=1550
|
38
|
58,9
|
|

|
|
Æ5BI
|
|
|
590,0
|
|
СК26.1-2.2
|

|
1
|
Æ12AVI
|
26000
|
12
|
312,0
|
|
2
|
Æ12AVI
|
25980
|
2
|
52,0
|
|
3
|
Æ12AVI
|
15100
|
1
|
15,1
|
|
4
|
Æ12AVI
|
12500
|
3
|
37,5
|
|
5
|
Æ12AVI
|
9000
|
3
|
27,0
|
|
6
|
Æ12AVI
|
4400
|
3
|
13,2
|
|
7
|
Æ12AVI
|
150
|
12
|
1,8
|
|

|
|
Æ8AI
|
lCP=1550
|
37
|
57,3
|
|

|
|
Æ5BI
|
-
|
-
|
590,0
|
|
СК26.1-2.5
|

|
1
|
Æ12K7
|
26000
|
19
|
494,0
|
|
2
|
Æ12AI
|
25980
|
2
|
52,0
|
|
3
|
Æ12AI
|
13300
|
1
|
13,3
|
|
4
|
Æ12AI
|
150
|
14
|
2,1
|
|
5
|
Æ12AI
|
500
|
2
|
1,0
|
|

|
|
Æ8AI
|
lCP=1550
|
38
|
58,9
|
|

|
|
Æ5BI
|
-
|
-
|
328,0
|
|
СК26.1-2.4
|

|
1
|
Æ14K19
|
26000
|
8
|
208,0
|
|
2
|
Æ12AV
|
25980
|
2
|
52,0
|
|
3
|
Æ12AV
|
15600
|
1
|
15,6
|
|
4
|
Æ12AV
|
13500
|
3
|
40,5
|
|
5
|
Æ12AV
|
10900
|
3
|
32,7
|
|
6
|
Æ12AV
|
7000
|
3
|
21,0
|
|
7
|
Æ12AV
|
150
|
24
|
3,6
|
|

|
|
Æ8AI
|
lCP=1555
|
38
|
59,1
|
|

|
|
Æ5BI
|
-
|
-
|
451,0
|
|
СК26.1-2.3
|

|
1
|
Æ12K7
|
26000
|
14
|
364,0
|
|
2
|
Æ12AV
|
25980
|
2
|
52,0
|
|
3
|
Æ12AV
|
14100
|
1
|
14,1
|
|
4
|
Æ12AV
|
11600
|
3
|
34,8
|
|
5
|
Æ12AV
|
8200
|
3
|
24,6
|
|
6
|
Æ12AV
|
150
|
12
|
1,8
|
|

|
|
Æ8AI
|
lCP=1550
|
37
|
57,3
|
|

|
|
Æ4BI
|
-
|
-
|
339,0
|
|
СК26.1-3.1
|

|
1
|
Æ12AV
|
26000
|
12
|
312,52
|
|
2
|
Æ12AV
|
25980
|
2
|
52,0
|
|
3
|
Æ12AV
|
21000
|
2
|
42,0
|
|
4
|
Æ12AV
|
19000
|
3
|
57,0
|
|
S
|
Æ12AV
|
17000
|
3
|
51,0
|
|
6
|
Æ12AV
|
15300
|
3
|
45,9
|
|
7
|
Æ12AV
|
13500
|
3
|
40,5
|
|
8
|
Æ12AV
|
11700
|
3
|
35,1
|
|
9
|
Æ12AV
|
9400
|
3
|
28,2
|
|
10
|
Æ12AV
|
150
|
16
|
2,4
|
|

|
|
Æ8AI
|
lCP=1545
|
41
|
63,4
|
|

|
|
Æ5BI
|
-
|
-
|
590,0
|
|
СК26.1-3.4
|

|
1
|
Æ14К19
|
26000
|
8
|
208,2
|
|
2
|
Æ12AV
|
25980
|
2
|
52,0
|
|
3
|
Æ12AV
|
15600
|
2
|
31,2
|
|
4
|
Æ12AV
|
13500
|
3
|
40,5
|
|
5
|
Æ12AV
|
11700
|
3
|
35,1
|
|
6
|
Æ12AV
|
10100
|
3
|
30,3
|
|
7
|
Æ12AV
|
8200
|
3
|
24,6
|
|
8
|
Æ12AV
|
6100
|
3
|
18,3
|
|
9
|
Æ12AV
|
150
|
16
|
2,4
|
|
10
|
Æ12AV
|
500
|
2
|
1,0
|
|

|
|
Æ8AI
|
lCP=1545
|
42
|
64,9
|
|

|
|
Æ6BI
|
-
|
-
|
451,0
|
|
К26.1-3.3
|

|
1
|
Æ12К7
|
26000
|
14
|
364,0
|
|
2
|
Æ12AV
|
25980
|
2
|
52,0
|
|
3
|
Æ12AV
|
14500
|
1
|
14,5
|
|
4
|
Æ12AV
|
12500
|
3
|
37,5
|
|
5
|
Æ12AV
|
10600
|
3
|
31,8
|
|
6
|
Æ12AV
|
8800
|
3
|
26,4
|
|
7
|
Æ12AV
|
6500
|
3
|
19,5
|
|
8
|
Æ12AV
|
3900
|
3
|
11,7
|
|
9
|
Æ12AV
|
150
|
16
|
2,4
|
|

|
|
Æ8AI
|
lCP=1545
|
41
|
63,4
|
|

|
|
Æ5BI
|
-
|
-
|
339,0
|
|
К26.1-4.1
|

|
1
|
Æ12AV
|
26000
|
17
|
442,0
|
|
2
|
Æ12AV
|
25980
|
2
|
52,0
|
|
3
|
Æ12AV
|
9400
|
4
|
37,6
|
|
4
|
Æ12AV
|
500
|
10
|
5,0
|
|

|
|
Æ8AI
|
lCP=1545
|
38
|
59,0
|
|

|
|
Æ4BI
|
-
|
-
|
486,0
|
|
К26.1-5.1
|

|
1
|
Æ12AV
|
26000
|
12
|
312,0
|
|
2
|
Æ12AV
|
25980
|
2
|
52,0
|
|
3
|
Æ12AV
|
21700
|
1
|
21,7
|
|
4
|
Æ12AV
|
18800
|
3
|
56,4
|
|
5
|
Æ12AV
|
15200
|
3
|
45,6
|
|
6
|
Æ12AV
|
14200
|
3
|
42,6
|
|
7
|
Æ12AV
|
12300
|
3
|
36,9
|
|
8
|
Æ12AV
|
10600
|
3
|
31,8
|
|
9
|
Æ12AV
|
9700
|
3
|
29,1
|
|
10
|
Æ12AV
|
8800
|
3
|
26,4
|
|
11
|
Æ12AV
|
5200
|
3
|
15,6
|
|
12
|
Æ12AV
|
150
|
14
|
2,1
|
|

|
|
Æ8AI
|
lCP=1545
|
40
|
61,9
|
|

|
|
Æ5BI
|
-
|
-
|
590,0
|
|
СК22.1-1.1
|

|
1
|
Æ12AV
|
22600
|
10
|
226,0
|
|
2
|
Æ12AV
|
22580
|
2
|
45,2
|
|
3
|
Æ12AV
|
10200
|
2
|
20,4
|
|
4
|
Æ12AV
|
150
|
20
|
3,0
|
|
5
|
Æ12AV
|
500
|
2
|
1,0
|
|

|
|
Æ8AI
|
lCP=1595
|
39
|
62,2
|
|

|
|
Æ4BI
|
-
|
-
|
527,0
|
|
СК22.1-1.2
|

|
1
|
Æ12AVI
|
22600
|
8
|
180,8
|
|
2
|
Æ12AVI
|
22580
|
2
|
45,2
|
|
3
|
Æ12AVI
|
5800
|
1
|
5,8
|
|
4
|
Æ12AVI
|
150
|
20
|
3,0
|
|
5
|
Æ12AVI
|
500
|
2
|
1,0
|
|

|
|
Æ8AI
|
lCP=1592
|
39
|
62,1
|
|

|
|
Æ4BI
|
-
|
-
|
527,2
|
|
СК22.1-2.1
|

|
1
|
Æ12AV
|
22600
|
10
|
226,0
|
|
2
|
Æ12AV
|
22580
|
2
|
45,2
|
|
3
|
Æ12AV
|
15800
|
1
|
15,8
|
|
4
|
Æ12AV
|
9800
|
3
|
29,4
|
|
5
|
Æ12AV
|
5100
|
3
|
15,3
|
|
6
|
Æ12AV
|
150
|
16
|
2,4
|
|

|
|
Æ8AI
|
lCP=1595
|
37
|
59,0
|
|

|
|
Æ4BI
|
-
|
-
|
527,0
|
|
СК22.1-2.2
|

|
1
|
Æ12AVI
|
22600
|
10
|
226,0
|
|
2
|
Æ12AVI
|
22580
|
2
|
45,2
|
|
3
|
Æ12AVI
|
9300
|
1
|
9,3
|
|
4
|
Æ12AVI
|
5000
|
3
|
15,0
|
|
5
|
Æ12AVI
|
150
|
16
|
2,4
|
|
6
|
Æ12AVI
|
500
|
2
|
1,0
|
|

|
|
Æ8AI
|
lCP=1592
|
37
|
58,9
|
|

|
|
Æ4BI
|
-
|
-
|
527,2
|
|
СК22.1-3.1
|

|
1
|
Æ12AV
|
22600
|
8
|
180,8
|
|
2
|
Æ12AV
|
22580
|
2
|
45,2
|
|
3
|
Æ12AV
|
150
|
20
|
3,0
|
|

|
|
Æ8AI
|
lCP=1595
|
39
|
62,2
|
|

|
|
Æ4BI
|
-
|
-
|
520,5
|
|
СК22.1-3.2
|

|
1
|
Æ12AVI
|
22600
|
6
|
135,6
|
|
2
|
Æ12AVI
|
22580
|
2
|
4 9
|
|
3
|
Æ12AVI
|
7400
|
1
|
7,4
|
|
4
|
Æ12AVI
|
150
|
20
|
3,0
|
|

|
|
Æ8AI
|
lCP=1592
|
39
|
62,1
|
|

|
|
Æ4BI
|
-
|
-
|
527,0
|
|
СК26.1-6.1
|

|
1
|
Æ12AV
|
26000
|
20
|
520,0
|
|
2
|
Æ12AV
|
25980
|
2
|
51,9
|
|
3
|
Æ12AV
|
9400
|
1
|
9,4
|
|
4
|
Æ12AV
|
5100
|
3
|
15,3
|
|
5
|
Æ12AV
|
150
|
24
|
3,6
|
|

|
|
Æ8AI
|
lCP=1545
|
45
|
70,0
|
|

|
|
Æ4BI
|
-
|
-
|
505,0
|
|
СК26.1-6.2
|

|
1
|
Æ12AVI
|
26000
|
18
|
468,0
|
|
2
|
Æ12AVI
|
25980
|
4
|
103,8
|
|
3
|
Æ12AVI
|
150
|
22
|
3,3
|
|

|
|
Æ8AI
|
lCP=1545
|
45
|
70,0
|
|

|
|
Æ4BI
|
-
|
-
|
452,0
|
|
СК26.2-1.1
|

|
1
|
Æ12AV
|
26000
|
20
|
520,0
|
|
2
|
Æ12AV
|
25980
|
4
|
104,0
|
|
3
|
Æ12AV
|
17900
|
2
|
35,8
|
|

|
|
Æ8AI
|
lCP=1544
|
41
|
63,3
|
|

|
|
Æ4BI
|
-
|
-
|
590,0
|
|
СК26.2-1.2
|

|
1
|
Æ12AVI
|
26000
|
18
|
468,0
|
|
2
|
Æ12AVI
|
25980
|
3
|
52,0
|
|
3
|
Æ12AVI
|
20600
|
1
|
20,6
|
|
4
|
Æ12AVI
|
150
|
14
|
2,1
|
|

|
|
Æ8AI
|
lCP=1544
|
41
|
63,3
|
|

|
|
Æ4BI
|
-
|
-
|
590,0
|
|
СК22.2-1.1
|

|
1
|
Æ12AV
|
22600
|
22
|
497,2
|
|
2
|
Æ12AV
|
22580
|
4
|
90,4
|
|
3
|
Æ12AV
|
8800
|
3
|
26,4
|
|
4
|
Æ12AV
|
5200
|
3
|
15,6
|
|
5
|
Æ12AV
|
150
|
18
|
2,7
|
|

|
|
Æ8AI
|
lCP=1604
|
38
|
61,0
|
|

|
|
Æ4BI
|
1
|
|
540,0
|
|
СК22.2-1.2
|

|
1
|
Æ12AVI
|
22600
|
18
|
406,3
|
|
2
|
Æ12AVI
|
22580
|
4
|
90,4
|
|
3
|
Æ12AVI
|
9600
|
2
|
19,2
|
|
4
|
Æ12AVI
|
6400
|
3
|
19,2
|
|
5
|
Æ12AVI
|
150
|
18
|
2,7
|
|

|
|
Æ8AI
|
lCP=1604
|
38
|
61,0
|
|

|
|
Æ4BI
|
-
|
-
|
540,0
|
|
СК22.3-1.1
|

|
1
|
Æ12AV
|
22600
|
14
|
316,4
|
|
2
|
Æ12AV
|
22580
|
2
|
45,2
|
|
3
|
Æ12AV
|
11000
|
10
|
110,0
|
|
4
|
Æ12AV
|
500
|
2
|
1,0
|
|
5
|
Æ12AV
|
150
|
12
|
1,8
|
|

|
|
Æ8AI
|
lCP=1604
|
34
|
54,6
|
|

|
|
Æ4BI
|
-
|
-
|
580,0
|
|
СК22.3-1.2
|

|
1
|
Æ12AVI
|
22600
|
14
|
316,4
|
|
2
|
Æ12AVI
|
22580
|
2
|
45,2
|
|
3
|
Æ12AVI
|
11000
|
8
|
88,0
|
|
4
|
Æ12AVI
|
500
|
2
|
1,0
|
|
5
|
Æ12AVI
|
150
|
12
|
1,8
|
|

|
|
Æ8AI
|
lCP=1604
|
34
|
54,6
|
|

|
|
Æ4BI
|
-
|
-
|
580,0
|
|
СК26.1-1.0
|

|
1
|
Æ12AIV
|
26000
|
12
|
312,0
|
|
2
|
Æ12AIV
|
25980
|
2
|
52,0
|
|
3
|
Æ12AIV
|
19100
|
1
|
19,1
|
|
4
|
Æ12AIV
|
17100
|
3
|
51,3
|
|
5
|
Æ12AIV
|
15100
|
3
|
45,3
|
|
6
|
Æ12AIV
|
13200
|
3
|
39,6
|
|
7
|
Æ12AIV
|
11200
|
3
|
33,6
|
|
8
|
Æ12AIV
|
8800
|
3
|
26,4
|
|
9
|
Æ12AIV
|
6200
|
3
|
18,6
|
|
10
|
Æ12AIV
|
150
|
20
|
3,0
|
|

|
|
Æ8AI
|
lCP=1550
|
42
|
65,1
|
|

|
|
Æ4BI
|
|
|
590,0
|
|
СК26.1-2.0
|

|
1
|
Æ12AIV
|
26000
|
12
|
312,0
|
|
2
|
Æ12AIV
|
25980
|
2
|
52,0
|
|
3
|
Æ12AIV
|
19100
|
1
|
19,1
|
|
4
|
Æ12AIV
|
17100
|
3
|
51,3
|
|
5
|
Æ12AIV
|
15100
|
3
|
45,3
|
|
6
|
Æ12AIV
|
13200
|
3
|
39,6
|
|
7
|
Æ12AIV
|
11200
|
3
|
33,6
|
|
8
|
Æ12AIV
|
8800
|
3
|
26,4
|
|
9
|
Æ12AIV
|
6200
|
3
|
18,6
|
|
10
|
Æ12AIV
|
150
|
12
|
1,8
|
|

|
|
Æ8AI
|
lCP=1550
|
38
|
58,9
|
|

|
|
Æ5BI
|
|
|
590,0
|
|
СК26.1-3.0
|

|
1
|
Æ12AIV
|
26000
|
12
|
312,0
|
|
2
|
Æ12AIV
|
25980
|
2
|
52,0
|
|
3
|
Æ12AIV
|
21000
|
1
|
21,0
|
|
4
|
Æ12AIV
|
19700
|
3
|
59,1
|
|
5
|
Æ12AIV
|
18300
|
3
|
54,9
|
|
6
|
Æ12AIV
|
16800
|
3
|
50,4
|
|
7
|
Æ12AIV
|
14600
|
3
|
43,8
|
|
8
|
Æ12AIV
|
12800
|
3
|
38,4
|
|
9
|
Æ12AIV
|
10800
|
3
|
32,4
|
|
10
|
Æ12AIV
|
9700
|
3
|
29,1
|
|
11
|
Æ12AIV
|
8100
|
3
|
24,3
|
|
12
|
Æ12AIV
|
5100
|
3
|
15,3
|
|
13
|
Æ12AIV
|
150
|
16
|
2,4
|
|

|
-
|
Æ8AI
|
lCP=1545
|
42
|
64,9
|
|

|
|
Æ5BI
|
|
|
590,0
|
|
СК26.1-4.0
|

|
1
|
Æ12AIV
|
26000
|
20
|
520,0
|
|
2
|
Æ12AIV
|
25980
|
2
|
52,0
|
|
3
|
Æ12AIV
|
8800
|
3
|
26,4
|
|
4
|
Æ12AIV
|
6700
|
3
|
20,1
|
|

|
|
Æ8AI
|
lCP=1545
|
38
|
59,0
|
|

|
|
Æ4BI
|
|
|
486,0
|
|
СК22.1-1.0
|

|
1
|
Æ12AIV
|
22600
|
10
|
226,0
|
|
2
|
Æ12AIV
|
22580
|
2
|
45,2
|
|
3
|
Æ12AIV
|
11800
|
3
|
35,4
|
|
4
|
Æ12AIV
|
7300
|
3
|
21,9
|
|
5
|
Æ12AIV
|
150
|
20
|
3,0
|
|

|
|
Æ8AI
|
lCP=1692
|
39
|
62,1
|
|

|
|
Æ4BI
|
|
|
520,5
|
|
СК22.1-2.0
|

|
1
|
Æ12AIV
|
22600
|
10
|
226,0
|
|
2
|
Æ12AIV
|
22580
|
3
|
67,7
|
|
3
|
Æ12AIV
|
13500
|
3
|
40,5
|
|
4
|
Æ12AIV
|
10200
|
3
|
30,6
|
|
5
|
Æ12AIV
|
7700
|
3
|
23,1
|
|
6
|
Æ12AIV
|
3600
|
3
|
10,8
|
|
7
|
Æ12AIV
|
150
|
16
|
2,4
|
|

|
|
Æ8AI
|
lCP=1592
|
37
|
59,0
|
|

|
|
Æ4BI
|
|
|
527,2
|
|
СК22.1-3.0
|

|
1
|
Æ12AIV
|
22600
|
10
|
226,0
|
|
2
|
Æ12AIV
|
22580
|
3
|
67,7
|
|
3
|
Æ12AIV
|
150
|
20
|
3,0
|
|

|
|
Æ8AI
|
lCP=1592
|
39
|
62,1
|
|

|
|
Æ4BI
|
|
|
527,2
|
|
СК26.1-6.0
|

|
1
|
Æ12AIV
|
26000
|
20
|
520,0
|
|
2
|
Æ12AIV
|
25980
|
2
|
52,0
|
|
3
|
Æ12AIV
|
14500
|
1
|
14,5
|
|
4
|
Æ12AIV
|
12200
|
3
|
36,6
|
|
5
|
Æ12AIV
|
9500
|
3
|
28,5
|
|
6
|
Æ12AIV
|
6200
|
3
|
18.6
|
|
7
|
Æ12AIV
|
150
|
22
|
3.3
|
|

|
|
Æ8AI
|
lCP=1545
|
45
|
70,0
|
|

|
|
Æ4BI
|
|
|
590,0
|
|
СК26.2-1.0
|

|
1
|
Æ12AIV
|
26000
|
20
|
520,0
|
|
2
|
Æ12AIV
|
25980
|
12
|
311,8
|
|

|
|
Æ8AI
|
lCP=1544
|
41
|
63,3
|
|

|
|
Æ4BI
|
|
|
590,0
|
|
СК22.2 1.0
|

|
1
|
Æ14AIV
|
22600
|
22
|
497,2
|
|
2
|
Æ12AIV
|
22580
|
2
|
45,2
|
|
3
|
Æ12AIV
|
14700
|
3
|
44,1
|
|
4
|
Æ12AIV
|
11700
|
3
|
35,1
|
|
5
|
Æ12AIV
|
150
|
18
|
2,7
|
|

|
|
Æ8AI
|
lCP=1604
|
38
|
61,0
|
|

|
|
Æ4BI
|
|
|
540,0
|
|
СК22.3-1.0
|

|
1
|
Æ14AIV
|
22600
|
14
|
316,4
|
|
2
|
Æ12AIV
|
22580
|
4
|
90,3
|
|
3
|
Æ12AIV
|
12000
|
3
|
36,0
|
|
4
|
Æ12AIV
|
11000
|
6
|
66,0
|
|
5
|
Æ12AIV
|
500
|
2
|
1,0
|
|
6
|
Æ12AIV
|
150
|
12
|
1,8
|
|

|
|
Æ8AI
|
lCP=1604
|
34
|
54,6
|
|

|
|
Æ4BI
|
|
|
580,0
|
|
|
|
|
|
|
|
|
|
|
|
Примечание. При изготовлении монтажных колец допускается
применять контактную сварку. При этом длина нахлестки соединяемых концов должна
быть не менее 10 мм.
Таблица 4

мм
|
Марка
стойки
|
Диаметр спирали
|
Шаг спирали (числитель) на длина участка (знаменатель)
|
|
l1
|
l2
|
l3
|
l4
|
l5
|
|
СК26.1-1.0
CK26.1-1.1
|
4ВI
|
50/3500
|
80/22000
|
0
|
0
|
50/500
|
|
СК26.1-1.2
|
120/22000
|
|
СК26.1-1.5
|
200/22000
|
|
CK26.1-1.4
|
5ВI
|
120/22000
|
|
СК26.1-1.3
|
4ВI
|
200/22000
|
|
СК26.1-2.0
|
80/22000
|
|
СК26.1-2.1
СК26.1-2.2
|
5ВI
|
|
СК26.1-2.5
|
200/22000
|
|
СК26.1-2.4
|
120/22000
|
|
СК26.1-2.3
|
4ВI
|
200/22000
|
|
СК26.1-3.0
СК26.1-3.1
|
5ВI
|
80/22000
|
|
СК26.1-3.4
|
120/22000
|
|
СК26.1-3.3
|
200/22000
|
|
СК26.1-4.0
СК26.1-4.1
|
4ВI
|
50/500
|
100/22000
|
50/3500
|
|
СК26.1-5.1
|
5BI
|
50/3500
|
80/22000
|
50/500
|
|
СК22.1-1.0
СК22.1-1.1
СК22.1-1.2
СК22.1-2.0
СК22.1-2.1
СК22.1-2.2
СК22.1-3.0
СК22.1-3.1
СК22.1-3.2
|
4BI
|
50/3200
|
80/18900
|
50/500
|
|
СК26.1-5.0
|
50/3500
|
80/22000
|
|
СК26.1-6.1
|
100/22000
|
|
СК26.1-6.2
|
120/22000
|
|
СК26.2-1.0
СК26.2-1.1
СК26.2-1.2
|
80/22000
|
|
СК22.2-1.0
CK22.2 1.1
|
80/18600
|
|
CK22.2 1.2
CK22.3-1.0
CK22.3-1.1
CK22.3-1.2
|
50/500
|
80/11400
|
50/10700
|
Таблица 5
Размещение
закладных изделий
|
Обозначение стоек
|
Расстояния, мм (обозначения соответствуют черт. 1)
|
|
c0
|
c1
|
c2
|
c3
|
c4
|
c5
|
c6
|
c7
|
c8
|
c9
|
c10
|
c11
|
|
СК26.1-1
|
200
|
1000
|
1000
|
1000
|
1000
|
1000
|
1000
|
1000
|
1000
|
1000
|
3445
|
55
|
|
СК26.1-2
|
200
|
1000
|
2000
|
2000
|
1500
|
1500
|
-
|
-
|
-
|
11300
|
3445
|
55
|
|
СК26.1-3
|
200
|
1000
|
2000
|
500
|
500
|
1000
|
1000
|
1000
|
-
|
-
|
3445
|
55
|
|
СК26.1-4
|
200
|
1000
|
3000
|
1000
|
3000
|
-
|
-
|
-
|
-
|
-
|
3500
|
0
|
|
СК26.1-5
|
200
|
1500
|
1000
|
1000
|
1000
|
2000
|
1500
|
-
|
-
|
-
|
3445
|
55
|
|
СК22.1-1
|
100
|
1000
|
1000
|
1000
|
1000
|
1000
|
1000
|
1000
|
1000
|
1000
|
3145
|
55
|
|
СК22.1-2
|
100
|
1000
|
1000
|
1000
|
1000
|
1000
|
1000
|
1000
|
-
|
-
|
3145
|
55
|
|
СК22.1-3
|
100
|
1000
|
1000
|
1000
|
1000
|
1000
|
1000
|
1000
|
1000
|
1000
|
3145
|
55
|
|
СК26.1-6
|
200
|
1000
|
1000
|
1000
|
1000
|
1000
|
1000
|
500´2
|
1000´2
|
10300
|
3445
|
55
|
|
СК26.2-1
|
200
|
1000
|
1000
|
1500
|
1000
|
4800
|
1500
|
-
|
-
|
-
|
3445
|
55
|
|
CK22.2-1
|
300
|
1000
|
1000
|
1000
|
1000
|
1000
|
1000
|
2000
|
1000
|
-
|
3445
|
55
|
|
СК22.3-1
|
200
|
2500
|
2000
|
2000
|
2000
|
2000
|
-
|
-
|
-
|
-
|
3145
|
55
|
Примечание. Размещение закладных
изделий для одинаковых стоек с разным армированием одинаково, поэтому в марках
стоек опушена последняя цифра.
Обязательное
Схемы опирания и загружения стоек при испытании на
прочность, жесткость и трещиностойкость
1. Схемы опирания
и загружения стоек при испытании на прочность, жесткость и трещиностойкость
указаны на чертеже.
2. Основные
параметры схем опирания и загружения стоек при испытании указаны в таблице.
СХЕМА ОПИРАНИЯ И
ЗАГРУЖЕНИЯ СТОЕК

3. Значения
контрольных нагрузок Р приведены в приложении
2.
4.
Нагрузки P1 прикладывают
ступенями, составляющими 25 % от расчетной, указанной в таблице данного
приложения.
|
Обозначения стоек
|
Размеры, м
|
P1, кН (тc)
|
|
Н
|
h
|
a
|
H1
|
l
|
|
СК26.1-1
|
19,5
|
2,4
|
0,2
|
18,5
|
4,0
|
8,43(0,85)
|
|
СК26.1-2
|
16,0
|
4,8
|
12,75(1,30)
|
|
СК26.1-3
|
17,5
|
|
СК26.1-4
|
-
|
-
|
-
|
|
СК26.1-5
|
14,5
|
4,8
|
10,10(1,02)
|
|
СК22.1-1
СК22.1-2
СК22.1-3
|
15
|
2,2
|
3,5
|
8,43(0,85)
|
|
СК26.1-6
|
19,5
|
2,4
|
12,75(1,30)
|
|
СК26.2-1
|
22,7
|
2,5
|
15,7(1,60)
|
|
СК22.2-1
|
15
|
2,2
|
10,0
|
1,75
|
31,1(3,17)
|
|
СК22.3-1
|
-
|
-
|
-
|
Обязательное
ЗНАЧЕНИЯ ПАРАМЕТРОВ, КОНТРОЛИРУЕМЫХ ПРИ ИСПЫТАНИИ СТОЕК
1. Значения
контрольных нагрузок Р при проверке прочности, жесткости и трещиностойкости
стоек, а также значения контрольного прогиба и контрольной ширины раскрытия
трещин указаны в таблице.
2. Нагружение
стоек производят ступенчато-возрастающими нагрузками. На каждой ступени
обеспечивают выдержку не менее 10 мин, а при контрольных нагрузках - не менее
30 мин.
Контрольные
значения прогибов стойки даны для точки приложения силы. Стрела прогиба,
замеренная при испытании, должна быть уменьшена на значение, определяемое
деформацией стенда.
Трещины
измеряют на приопорном участке, а ширину раскрытия трещин определяют как
среднее значение на длине стойки 1 м.
|
Марка стойки
|
Отпускная прочность
бетона % от )
|
Параметры
|
Ступени нагрузки, %
|
|
83,3
|
100
|
110
|
120
|
130
|
140
|
|
СК26.1-1.1
|
75
|
Нагрузки, кН (тс)
|
18,04 (1,84)
|
21,67 (2,21)
|
23,83 (2,43)
|
25,99 (2,65)
|
28,14 (2,87)
|
30,30 (3,09)
|
|
Прогиб, см
|
70,92
|
108,6
|
-
|
-
|
-
|
|
|
Ширина трещин, мм
|
0,158
|
-
|
-
|
-
|
-
|
-
|
|
85
|
Нагрузки, кН (тс)
|
18,73 (1,91)
|
22,46 (2,29)
|
24,71 (2,52)
|
26,97 (2,75)
|
29,22 (2,98)
|
31,48 (3,21)
|
|
Прогиб, см
|
72,76
|
110,83
|
-
|
-
|
-
|
-
|
|
Ширина трещин, мм
|
0,163
|
-
|
-
|
-
|
-
|
-
|
|
100
|
Нагрузки, кН (тс)
|
19,70 (2,01)
|
23,73 (2,42)
|
26,08 (2,66)
|
28,44 (2,90)
|
30,89 (3,15)
|
33,24 (3,39)
|
|
Прогиб, см
|
77,08
|
117,17
|
-
|
-
|
-
|
-
|
|
Ширина трещин, мм
|
0,164
|
-
|
-
|
-
|
-
|
-
|
|
СК26.1-1.2
|
75
|
Нагрузки, кН (тс)
|
17,36 (1,77)
|
20,89 (2,13)
|
22,95 (2,34)
|
25,11 (2,56)
|
27,16 (2,77)
|
29,22 (2,98)
|
|
Прогиб, см
|
54,37
|
86,6
|
-
|
-
|
-
|
-
|
|
Ширина трещин, мм
|
0,134
|
-
|
-
|
-
|
-
|
-
|
|
85
|
Нагрузки, кН (тс)
|
18,44 (1,88)
|
22,16 (2,26)
|
24,42 (2,49)
|
26,58 (2,71)
|
28,83 (2,94)
|
30,99 (3,16)
|
|
Прогиб, см
|
59,40
|
94,07
|
-
|
-
|
-
|
-
|
|
Ширина трещин, мм
|
0,149
|
-
|
-
|
-
|
-
|
-
|
|
100
|
Нагрузки, кН (тс)
|
19,84 (2,03)
|
23,88 (2,43)
|
26,27 (2,68)
|
28,65 (2,92)
|
31,04 (3,17)
|
33,43 (3,41)
|
|
Прогиб, см
|
65,60
|
107,35
|
-
|
-
|
-
|
-
|
|
Ширина трещин, мм
|
0,171
|
-
|
-
|
-
|
-
|
-
|
|
СК26.1-1.5
|
75
|
Нагрузки, кН (тс)
|
14,61 (1,49)
|
17,55 (1,79)
|
19,32 (1,97)
|
21,08 (2,15)
|
22,85 (2,33)
|
24,61 (2,51)
|
|
Прогиб, см
|
25,25
|
39,61
|
-
|
-
|
-
|
-
|
|
Ширина трещин, мм
|
0,050
|
-
|
-
|
-
|
-
|
-
|
|
85
|
Нагрузки, кН (тс)
|
15,89 (1,62)
|
19,02 (1,94)
|
20,89 (2,13)
|
22,85 (2,33)
|
24,71 (2,52)
|
26,67 (2,72)
|
|
Прогиб, см
|
27,88
|
47,18
|
-
|
-
|
-
|
-
|
|
Ширина трещин, мм
|
0,058
|
-
|
-
|
-
|
-
|
-
|
|
100
|
Нагрузки, кН (тс)
|
17,49 (1,78)
|
21,00 (2,14)
|
23,10 (2,36)
|
25,20 (2,57)
|
27,30 (2,78)
|
29,40 (3,00)
|
|
Прогиб, см
|
35,81
|
58,39
|
-
|
-
|
-
|
-
|
|
Ширина трещин, мм
|
0,072
|
-
|
-
|
-
|
-
|
-
|
|
СК26.1-1.4
|
75
|
Нагрузки, кН (тс)
|
16,77 (1,71)
|
20,10 (2,05)
|
22,06 (2,25)
|
24,12 (2,46)
|
26,09 (2,66)
|
28,15 (2,87)
|
|
Прогиб, см
|
56,78
|
84,11
|
-
|
-
|
-
|
-
|
|
Ширина трещин, мм
|
0,168
|
-
|
-
|
-
|
-
|
-
|
|
85
|
Нагрузки, кН (тс)
|
17,85 (1,82)
|
21,38 (2,18)
|
23,54 (2,40)
|
25,69 (2,62)
|
27,75 (2,83)
|
29,91 (3,05)
|
|
Прогиб, см
|
60,90
|
90,32
|
-
|
-
|
-
|
-
|
|
Ширина трещин, мм
|
0,181
|
-
|
-
|
-
|
-
|
-
|
|
100
|
Нагрузки, кН (тс)
|
18,06 (1,84)
|
21,68 (2,21)
|
23,85 (2,43)
|
26,02 (2,65)
|
28,18 (2,87)
|
30,35 (3,10)
|
|
Прогиб, см
|
59,67
|
87,64
|
-
|
-
|
-
|
-
|
|
Ширина трещин, мм
|
0,168
|
-
|
-
|
-
|
-
|
-
|
|
СК26.1-1.3
|
75
|
Нагрузки, кН (тс)
|
16,28 (1,66)
|
19,51 (1,99)
|
21,48 (2,19)
|
23,44 (2,39)
|
25,40 (2,59)
|
27,36 (2,79)
|
|
Прогиб, см
|
49,04
|
77,33
|
-
|
-
|
-
|
-
|
|
Ширина трещин, мм
|
0,128
|
-
|
-
|
-
|
-
|
-
|
|
85
|
Нагрузки, кН (тс)
|
17,36 (1,77)
|
20,79, (2,12)
|
22,85 (2,33)
|
24,91 (2,54)
|
27,07 (2,76)
|
29,13 (2,97)
|
|
Прогиб, см
|
53,86
|
84,39
|
-
|
-
|
-
|
-
|
|
Ширина трещин, мм
|
0,143
|
-
|
-
|
-
|
-
|
-
|
|
100
|
Нагрузки, кН (тс)
|
19,59 (2,0)
|
23,52 (2,40)
|
25,87 (2,64)
|
28,23 (2,88)
|
30,58 (3,12)
|
32,93 (3,36)
|
|
Прогиб, см
|
69,23
|
108,61
|
-
|
-
|
-
|
-
|
|
Ширина трещин, мм
|
0,186
|
-
|
-
|
-
|
-
|
-
|
|
CK26.1-2.1
|
75
|
Нагрузки, кН (тс)
|
18,04 (1,84)
|
21,67 (2,21)
|
23,83 (2,43)
|
25,99 (2,65)
|
28,14 (2,87)
|
30,30 (3,09)
|
|
Прогиб, см
|
70,92
|
108,62
|
-
|
-
|
-
|
-
|
|
Ширина трещин, мм
|
0,158
|
-
|
-
|
-
|
-
|
-
|
|
85
|
Нагрузки, кН (тс)
|
18,73 (1,91)
|
22,46 (2,29)
|
24,71 (2,52)
|
26,97 (2,75)
|
29,22 (2,98)
|
31,48 (3,21)
|
|
Прогиб, см
|
72,76
|
110,83
|
-
|
-
|
-
|
-
|
|
Ширина трещин, мм
|
0,163
|
-
|
-
|
-
|
-
|
-
|
|
100
|
Нагрузки, кН (тс)
|
19,74 (2,01)
|
23,70 (2,42)
|
26,07 (2,66)
|
28,44 (2,90)
|
30,81 (3,14)
|
33,18 (3,38)
|
|
Прогиб, см
|
77,08
|
117,17
|
-
|
-
|
-
|
-
|
|
Ширина трещин, мм
|
0,164
|
-
|
-
|
-
|
-
|
-
|
|
CK26.1-2.2
|
75
|
Нагрузки, кН (тс)
|
17,36 (1,77)
|
20,89 (2,13)
|
22,95 (2,34)
|
25,10 (2,56)
|
27,16 (2,77)
|
29,22 (2,98)
|
|
Прогиб, см
|
54,37
|
86,64
|
-
|
-
|
-
|
-
|
|
Ширина трещин, мм
|
0,134
|
-
|
-
|
-
|
-
|
-
|
|
85
|
Нагрузки, кН (тс)
|
18,44 (1,88)
|
22,16 (2,26)
|
24,42 (2,49)
|
26,58 (2,71)
|
28,83 (2,94)
|
30,99 (3,16)
|
|
Прогиб, см
|
59,40
|
94,07
|
-
|
-
|
-
|
-
|
|
Ширина трещин, мм
|
0,149
|
-
|
-
|
-
|
-
|
-
|
|
100
|
Нагрузки, кН (тс)
|
19,89 (2,03)
|
23,88 (2,43)
|
26,27 (2,68)
|
28,65 (2,92)
|
31,04 (3,17)
|
33,43 (3,41)
|
|
Прогиб, см
|
67,60
|
107,35
|
-
|
-
|
-
|
-
|
|
Ширина трещин, мм
|
0,171
|
-
|
-
|
-
|
-
|
-
|
|
СК26.1-2.5
|
75
|
Нагрузки, кН (тс)
|
14,61 (1,49)
|
17,55 (1,79)
|
19,32 (1,97)
|
21,08 (2,15)
|
22,85 (2,33)
|
24,61 (2,51)
|
|
Прогиб, см
|
25,25
|
39,61
|
-
|
-
|
-
|
-
|
|
Ширина трещин, мм
|
0,050
|
-
|
-
|
-
|
-
|
-
|
|
85
|
Нагрузки, кН (тс)
|
15,89 (1,62)
|
19,02 (1,94)
|
20,89 (2,13)
|
22,85 (2,33)
|
24,71 (2,52)
|
26,67 (2,72)
|
|
Прогиб, см
|
27,88
|
47,18
|
-
|
-
|
-
|
-
|
|
Ширина трещин, мм
|
0,058
|
-
|
-
|
-
|
-
|
-
|
|
100
|
Нагрузки, кН (тс)
|
17,49 (1,78)
|
21,00 (2,14)
|
23,10 (2,36)
|
25,20 (2,57)
|
27,30 (2,78)
|
29,40 (3,0)
|
|
Прогиб, см
|
35,81
|
58,39
|
-
|
-
|
-
|
-
|
|
Ширина трещин, мм
|
0,072
|
-
|
-
|
-
|
-
|
-
|
|
CK26.1-2.4
|
75
|
Нагрузки, кН (тс)
|
16,77 (1,71)
|
20,10 (2,05)
|
22,06 (2,25)
|
24,12 (2,46)
|
26,09 (2,66)
|
28,14 (2,87)
|
|
Прогиб, см
|
56,78
|
34,11
|
-
|
-
|
-
|
-
|
|
Ширина трещин, мм
|
0,168
|
-
|
-
|
-
|
-
|
-
|
|
85
|
Нагрузки, кН (тс)
|
17,85 (1,82)
|
21,38 (2,18)
|
23,54 (2,40)
|
25,69 (2,62)
|
27,75 (2,83)
|
29,91 (3,05)
|
|
Прогиб, см
|
60,90
|
90,32
|
-
|
-
|
-
|
-
|
|
Ширина трещин, мм
|
0,181
|
-
|
-
|
-
|
-
|
-
|
|
100
|
Нагрузки, кН (тс)
|
18,06 (1,84)
|
21,68 (2,21)
|
23,85 (2,43)
|
26,02 (2,65)
|
28,18 (2,87)
|
30,35 (3,10)
|
|
Прогиб, см
|
59,67
|
87,64
|
-
|
-
|
-
|
-
|
|
Ширина трещин, мм
|
0,168
|
-
|
-
|
-
|
-
|
-
|
|
CK26.1-2.3
|
75
|
Нагрузки, кН (тс)
|
16,28 (1,66)
|
19,51 (1,99)
|
21,48 (2,19)
|
23,44 (2,39)
|
25,40 (2,59)
|
27,36 (2,79)
|
|
Прогиб, см
|
49,04
|
77,33
|
-
|
-
|
-
|
-
|
|
Ширина трещин, мм
|
0,128
|
-
|
-
|
-
|
-
|
-
|
|
85
|
Нагрузки, кН (тс)
|
17,36 (1,77)
|
20,79 (2,12)
|
22,85 (2,33)
|
24,91 (2,54)
|
27,07 (2,70)
|
29,13 (2,97)
|
|
Прогиб, см
|
53,86
|
84,39
|
-
|
-
|
-
|
-
|
|
Ширина трещин, мм
|
0,143
|
-
|
-
|
-
|
-
|
-
|
|
100
|
Нагрузки, кН (тс)
|
19,59 (2,0)
|
23,52 (2,40)
|
25,87 (2,64)
|
28,23 (2,88)
|
30,58 (3,12)
|
32,93 (3,36)
|
|
Прогиб, см
|
69,23
|
108,61
|
-
|
-
|
-
|
-
|
|
Ширина трещин, мм
|
0,180
|
-
|
-
|
-
|
-
|
-
|
|
СК26.1-3.1
|
75
|
Нагрузки, кН (тс)
|
20,79 (2,12)
|
24,91 (2,54)
|
27,36 (2,79)
|
29,91 (3,05)
|
32,36 (3,30)
|
34,91 (3,56)
|
|
Прогиб, см
|
75,42
|
108,39
|
-
|
-
|
-
|
-
|
|
Ширина трещин, мм
|
0,128
|
-
|
-
|
-
|
-
|
-
|
|
85
|
Нагрузки, кН (тс)
|
21,48 (2,19)
|
25,79 (2,63)
|
28,34 (,89)
|
30,99 (3,16)
|
33,54 (3,42)
|
36,09 (3,68)
|
|
Прогиб, см
|
76,75
|
110,35
|
-
|
-
|
-
|
-
|
|
Ширина трещин, мм
|
0,132
|
-
|
-
|
-
|
-
|
-
|
|
100
|
Нагрузки, кН (тс)
|
22,71 (2,32)
|
27,26 (2,78)
|
29,98 (3,06)
|
32,71 (3,34)
|
35,43 (3,61)
|
38,16 (3,89)
|
|
Прогиб, см
|
80,71
|
117,91
|
-
|
-
|
-
|
-
|
|
Ширина трещин, мм
|
0,137
|
-
|
-
|
-
|
-
|
-
|
|
СК26.1-3.4
|
75
|
Нагрузки, кН (тс)
|
19,22 (1,96)
|
23,05 (2,35)
|
25,30 (2,58)
|
27,65 (2,82)
|
30,01 (3,06)
|
32,26 (3,29)
|
|
Прогиб, см
|
63,62
|
88,10
|
-
|
-
|
-
|
-
|
|
Ширина трещин, мм
|
0,141
|
-
|
-
|
-
|
-
|
-
|
|
85
|
Нагрузки, кН (тс)
|
20,40 (2,08)
|
24,52 (2,50)
|
26,97 (2,75)
|
29,42 (3,00)
|
31,87 (3,25)
|
34,32 (3,50)
|
|
Прогиб, см
|
67,06
|
92,36
|
-
|
-
|
-
|
-
|
|
Ширина трещин, мм
|
0,148
|
-
|
-
|
-
|
-
|
-
|
|
100
|
Нагрузки, кН (тс)
|
22,07 (2,25)
|
26,50 (2,70)
|
29,15 (2,97)
|
31,80 (3,24)
|
34,45 (3,51)
|
37,10 (3,78)
|
|
Прогиб, см
|
73,20
|
101,65
|
-
|
-
|
-
|
-
|
|
Ширина трещин, мм
|
0,159
|
-
|
-
|
-
|
-
|
-
|
|
СК26.1-3.3
|
75
|
Нагрузки, кН (тс)
|
19,32 (1,97)
|
23,24 (2,37)
|
25,59 (2,61)
|
27,85 (2,84)
|
30,20 (3,08)
|
32,56 (3,32)
|
|
Прогиб, см
|
58,37
|
81,85
|
-
|
-
|
-
|
-
|
|
Ширина трещин, мм
|
0,111
|
-
|
-
|
-
|
-
|
-
|
|
85
|
Нагрузки, кН (тс)
|
20,59 (2,10)
|
24,71 (2,52)
|
27,16 (2,77)
|
29,62 (3,02)
|
32,17 (3,28)
|
34,62 (3,53)
|
|
Прогиб, см
|
61,73
|
86,45
|
-
|
-
|
-
|
-
|
|
Ширина трещин, мм
|
0,118
|
-
|
-
|
-
|
-
|
-
|
|
100
|
Нагрузки, кН (тс)
|
22,36 (2,28)
|
26,84 (2,74)
|
29,52 (3,01)
|
32,21 (3,28)
|
34,89 (3,56)
|
37,58 (3,83)
|
|
Прогиб, см
|
67,87
|
96,08
|
-
|
-
|
-
|
-
|
|
Ширина трещин, мм
|
0,127
|
-
|
-
|
-
|
-
|
-
|
|
СК26.1-4.1
|
75
|
Нагрузки, кН (тс)
|
16,08 (1,64)
|
19,32 (1,97)
|
21,28 (2,17)
|
23,14 (2,36)
|
25,10 (2,56)
|
27,07 (2,76)
|
|
Прогиб, см
|
43,75
|
76,03
|
-
|
-
|
-
|
-
|
|
Ширина трещин, мм
|
0,102
|
-
|
-
|
-
|
-
|
-
|
|
85
|
Нагрузки, кН (тс)
|
16,87 (1,72)
|
20,30 (2,07)
|
22,36 (2,28)
|
24,32 (2,48)
|
26,38 (2,69)
|
28,44 (2,90)
|
|
Прогиб, см
|
47,53
|
88,25
|
-
|
-
|
-
|
-
|
|
Ширина трещин, мм
|
0,114
|
-
|
-
|
-
|
-
|
-
|
|
100
|
Нагрузки, кН (тс)
|
18,07 (1,84)
|
21,70 (2,21)
|
23,86 (2,43)
|
26,03 (2,65)
|
28,20 (2,88)
|
30,37 (3,10)
|
|
Прогиб, см
|
53,73
|
93,85
|
-
|
-
|
-
|
-
|
|
Ширина трещин, мм
|
0,132
|
-
|
-
|
-
|
-
|
-
|
|
СК26.1-5.1
|
75
|
Нагрузки, кН (тс)
|
22,55 (2,30)
|
27,07 (2,76)
|
29,81 (3,04)
|
32,46 (3,31)
|
35,21 (3,59)
|
37,85 (3,86)
|
|
Прогиб, см
|
77,60
|
107,32
|
-
|
-
|
-
|
-
|
|
Ширина трещин, мм
|
0,112
|
-
|
-
|
-
|
-
|
-
|
|
85
|
Нагрузки, кН (тс)
|
23,34 (2,38)
|
28,05 (2,86)
|
30,89 (3,15)
|
33,64 (3,43)
|
36,48 (3,72)
|
39,23 (4,00)
|
|
Прогиб, см
|
78,66
|
108,73
|
-
|
-
|
-
|
-
|
|
Ширина трещин, мм
|
0,114
|
-
|
-
|
-
|
-
|
-
|
|
100
|
Нагрузки, кН (тс)
|
24,68 (2,52)
|
29,63 (3,02)
|
32,59 (3,32)
|
35,56 (3,63)
|
38,52 (3,93)
|
41,48 (4,23)
|
|
Прогиб, см
|
82,47
|
116,57
|
-
|
-
|
-
|
-
|
|
Ширина трещин, мм
|
0,119
|
-
|
-
|
-
|
-
|
-
|
|
СК22.1-1.1
|
75
|
Нагрузки, кН (тс)
|
12,94 (1,32)
|
15,59 (1,59)
|
17,16 (1,75)
|
18,73 (1,91)
|
20,30 (2,07)
|
21,87 (2,23)
|
|
Прогиб, см
|
26,61
|
47,08
|
-
|
-
|
-
|
-
|
|
Ширина трещин, мм
|
0,140
|
-
|
-
|
-
|
-
|
-
|
|
85
|
Нагрузки, кН (тс)
|
13,83 (1,41)
|
16,57 (1,69)
|
18,24 (1,86)
|
19,91 (2,03)
|
21,57 (2,20)
|
23,24 (2,37)
|
|
Прогиб, см
|
28,79
|
50,42
|
-
|
-
|
-
|
-
|
|
Ширина трещин, мм
|
0,158
|
-
|
-
|
-
|
-
|
-
|
|
100
|
Нагрузки, кН (тс)
|
14,70 (1,50)
|
17,65 (1,80)
|
19,42 (1,98)
|
21,18 (2,16)
|
22,95 (2,34)
|
24,71 (2,52)
|
|
Прогиб, см
|
31,42
|
54,19
|
-
|
-
|
-
|
-
|
|
Ширина трещин, мм
|
0,166
|
-
|
-
|
-
|
-
|
-
|
|
СК22.1-1.2
|
75
|
Нагрузки, кН (тс)
|
13,73 (1,40)
|
16,47 (1,68)
|
18,14 (1,85)
|
19,81 (2,02)
|
21,38 (2,18)
|
23,05 (2,35)
|
|
Прогиб, см
|
30,14
|
56,60
|
-
|
-
|
-
|
-
|
|
Ширина трещин, мм
|
0,220
|
-
|
-
|
-
|
-
|
-
|
|
85
|
Нагрузки, кН (тс)
|
14,32 (1,46)
|
17,16 (1,75)
|
18,83 (1,92)
|
20,59 (2,10)
|
22,26 (2,27)
|
24,03 (2,45)
|
|
Прогиб, см
|
32,91
|
61,78
|
-
|
-
|
-
|
-
|
|
Ширина трещин, мм
|
0,246
|
-
|
-
|
-
|
-
|
-
|
|
100
|
Нагрузки, кН (тс)
|
15,00 (1,53)
|
18,04 (1,84)
|
19,81 (2,02)
|
21,67 (2,21)
|
23,44 (2,39)
|
25,30 (2,58)
|
|
Прогиб, см
|
35,85
|
67,16
|
-
|
-
|
-
|
-
|
|
Ширина трещин, мм
|
0,268
|
-
|
-
|
-
|
-
|
-
|
|
СК22.1-2.1
|
75
|
Нагрузки, кН (тс)
|
15,98 (1,63)
|
19,22 (1,96)
|
21,18 (2,16)
|
23,05 (2,35)
|
25,01 (2,55)
|
26,87 (2,74)
|
|
Прогиб, см
|
35,02
|
55,99
|
-
|
-
|
-
|
-
|
|
Ширина трещин, мм
|
0,140
|
-
|
-
|
-
|
-
|
-
|
|
85
|
Нагрузки, кН (тс)
|
16,96 (1,73)
|
20,40 (2,08)
|
22,46 (2,29)
|
24,52 (2,50)
|
26,48 (2,70)
|
28,54 (2,91)
|
|
Прогиб, см
|
37,04
|
59,10
|
-
|
-
|
-
|
-
|
|
Ширина трещин, мм
|
0,152
|
-
|
-
|
-
|
-
|
-
|
|
100
|
Нагрузки, кН (тс)
|
18,10 (1,85)
|
21,73 (2,22)
|
23,90 (2,44)
|
26,08 (2,66)
|
28,25 (2,88)
|
30,42 (3,10)
|
|
Прогиб, см
|
39,77
|
62,57
|
-
|
-
|
-
|
-
|
|
Ширина трещин, мм
|
0,156
|
-
|
-
|
-
|
-
|
-
|
|
СК22.1-2.2
|
75
|
Нагрузки, кН (тс)
|
16,57 (1,69)
|
19,91 (2,03)
|
21,87 (2,23)
|
23,93 (2,44)
|
25,89 (2,64)
|
27,85 (2,84)
|
|
Прогиб, см
|
26,52
|
45,72
|
-
|
-
|
-
|
-
|
|
Ширина трещин, мм
|
0,122
|
-
|
-
|
-
|
-
|
-
|
|
85
|
Нагрузки, кН (тс)
|
17,65 (1,80)
|
21,18 (2,16)
|
23,34 (2,38)
|
25,40 (2,59)
|
27,56 (2,81)
|
29,62 (3,02)
|
|
Прогиб, см
|
29,42
|
50,31
|
-
|
-
|
-
|
-
|
|
Ширина трещин, мм
|
0,141
|
-
|
-
|
-
|
-
|
-
|
|
100
|
Нагрузки, кН (тс)
|
18,30 (1,87)
|
21,97 (2,24)
|
24,16 (2,46)
|
24,36 (2,69)
|
28,56 (2,91)
|
30,75 (3,14)
|
|
Прогиб, см
|
31,10
|
51,50
|
-
|
-
|
-
|
-
|
|
Ширина трещин, мм
|
0,144
|
-
|
-
|
-
|
-
|
-
|
|
СК22.1-3.1
|
75
|
Нагрузки, кН (тс)
|
10,79 (1,10)
|
12,94 (1,32)
|
14,22 (1,45)
|
15,49 (1,58)
|
16,87 (1,72)
|
18,14 (1,85)
|
|
Прогиб, см
|
28,65
|
54,44
|
-
|
-
|
-
|
-
|
|
Ширина трещин, мм
|
0,225
|
-
|
-
|
-
|
-
|
-
|
|
85
|
Нагрузки, кН (тс)
|
11,28 (1,15)
|
13,53 (1,38)
|
14,91 (1,52)
|
16,28 (1,66)
|
17,55 (1,79)
|
18,93 (1,93)
|
|
Прогиб, см
|
30,77
|
58,76
|
-
|
-
|
-
|
-
|
|
Ширина трещин, мм
|
0,247
|
-
|
-
|
-
|
-
|
-
|
|
100
|
Нагрузки, кН (тс)
|
11,95 (1,22)
|
14,35 (1,46)
|
15,79 (1,61)
|
17,22 (1,76)
|
18,66 (1,90)
|
20,09 (2,05)
|
|
Прогиб, см
|
32,88
|
62,11
|
-
|
-
|
-
|
-
|
|
Ширина трещин, мм
|
0,255
|
-
|
-
|
-
|
-
|
-
|
|
СК22.1-3.2
|
75
|
Нагрузки, кН (тс)
|
10,49 (1,07)
|
12,65 (1,29)
|
13,92 (1,42)
|
15,20 (1,55)
|
16,47 (1,68)
|
17,75 (1,81)
|
|
Прогиб, см
|
29,54
|
53,88
|
-
|
-
|
-
|
-
|
|
Ширина трещин, мм
|
0,246
|
-
|
-
|
-
|
-
|
-
|
|
85
|
Нагрузки, кН (тс)
|
11,18 (1,14)
|
13,43 (1,37)
|
14,81 (1,51)
|
16,08 (1,64)
|
17,46 (1,78)
|
18,83 (1,92)
|
|
Прогиб, см
|
32,73
|
59,66
|
-
|
-
|
-
|
-
|
|
Ширина трещин, мм
|
0,281
|
-
|
-
|
-
|
-
|
-
|
|
100
|
Нагрузки, кН (тс)
|
11,77 (1,20)
|
14,12 (1,44)
|
15,49 (1,58)
|
16,97 (1,73)
|
18,34 (1,87)
|
19,81 (2,02)
|
|
Прогиб, см
|
35,37
|
65,18
|
-
|
-
|
-
|
-
|
|
Ширина трещин, мм
|
0,299
|
-
|
-
|
-
|
-
|
-
|
|
СК26.1-6.1
|
75
|
Нагрузки, кН (тс)
|
16,96 (1,73)
|
20,40 (2,08)
|
22,46 (2,29)
|
24,52 (2,50)
|
26,48 (2,70)
|
?8,54 (2,91)
|
|
Прогиб, см
|
38,57
|
64,90
|
-
|
-
|
-
|
|
|
Ширина трещин, мм
|
0,077
|
-
|
-
|
-
|
-
|
-
|
|
85
|
Нагрузки, кН (тс)
|
17,95 (1,83)
|
21,57 (2,20)
|
23,73 (2,42)
|
25,89 (2,64)
|
28,05 (2,86)
|
30,20 (3,08)
|
|
Прогиб, см
|
41,22
|
70,25
|
-
|
-
|
-
|
-
|
|
Ширина трещин, мм
|
0,083
|
-
|
-
|
-
|
-
|
-
|
|
100
|
Нагрузки, кН (тс)
|
19,36 (1,97)
|
23,24 (2,37)
|
25,56 (2,61)
|
27,89 (2,84)
|
30,21 (3,08)
|
32,53 (3,32)
|
|
Прогиб, см
|
46,75
|
78,15
|
-
|
-
|
-
|
-
|
|
Ширина трещин, мм
|
0,089
|
-
|
-
|
-
|
-
|
-
|
|
СК26.1-6.2
|
75
|
Нагрузки, кН (тс)
|
15,89 (1,62)
|
19,12 (1,95)
|
20,99 (2,14)
|
22,95 (2,34)
|
24,81 (2,53)
|
96,77 (2,73)
|
|
Прогиб, см
|
30,22
|
46,79
|
-
|
-
|
-
|
-
|
|
Ширина трещин, мм
|
0,069
|
-
|
-
|
-
|
-
|
-
|
|
85
|
Нагрузки, кН (тс)
|
17,06 (1,74)
|
20,49 (2,09)
|
22,55 (2,30)
|
24,61 (2,51)
|
26,67 (2,72)
|
28,73 (2,93)
|
|
Прогиб, см
|
32,66
|
53,68
|
-
|
-
|
-
|
-
|
|
Ширина трещин, мм
|
0,077
|
-
|
-
|
-
|
-
|
-
|
|
100
|
Нагрузки, кН (тс)
|
18,67 (1,90)
|
22,41 (2,29)
|
24,66 (2,51)
|
26,90 (2,74)
|
29,14 (2,97)
|
31,38 (3,20)
|
|
Прогиб, см
|
39,11
|
63,81
|
-
|
-
|
-
|
-
|
|
Ширина трещин, мм
|
0,088
|
-
|
-
|
-
|
-
|
-
|
|
СК26.2-1.1
|
75
|
Нагрузки, кН (тс)
|
16,87 (1,72)
|
20,30 (2,07)
|
22,36 (2,28)
|
24,32 (2,48)
|
26,38 (2,69)
|
28,44 (2,90)
|
|
Прогиб, см
|
38,78
|
65,00
|
-
|
-
|
-
|
-
|
|
Ширина трещин, мм
|
0,077
|
-
|
-
|
-
|
-
|
-
|
|
85
|
Нагрузки, кН (тс)
|
17,95 (1,83)
|
91,57 (2,20)
|
23,73 (2,42)
|
25,89 (2,64)
|
28,05 (2,86)
|
30,20 (3,08)
|
|
Прогиб, см
|
41,44
|
70,33
|
-
|
-
|
-
|
-
|
|
Ширина трещин, мм
|
0,083
|
-
|
-
|
-
|
-
|
-
|
|
100
|
Нагрузки, кН (тс)
|
19,32 (1,97)
|
23,19 (2,37)
|
25,51 (2,60)
|
27,83 (2,84)
|
30,15 (3,07)
|
32,47 (3,31)
|
|
Прогиб, см
|
46,94
|
78,25
|
-
|
-
|
-
|
-
|
|
Ширина трещин, мм
|
0,088
|
-
|
-
|
-
|
-
|
-
|
|
СК26.2-1.2
|
75
|
Нагрузки, кН (тс)
|
15,89 (1,62)
|
19,12 (1,95)
|
20,99 (2,14)
|
22,95 (2,34)
|
24,81 (2,53)
|
26,77 (2,73)
|
|
Прогиб, см
|
45,23
|
76,39
|
-
|
-
|
-
|
-
|
|
Ширина трещин, мм
|
0,113
|
-
|
-
|
-
|
-
|
-
|
|
85
|
Нагрузки, кН (тс)
|
16,87 (1,72)
|
20,20 (2,06)
|
22,26 (2,27)
|
24,22 (2,47)
|
26,28 (2,68)
|
28,24 (2,88)
|
|
Прогиб, см
|
49,73
|
83,79
|
-
|
-
|
-
|
-
|
|
Ширина трещин, мм
|
0,129
|
-
|
-
|
-
|
-
|
-
|
|
100
|
Нагрузки, кН (тс)
|
18,40 (1,88)
|
22,09 (2,25)
|
24,30 (2,48)
|
26,51 (2,70)
|
28,72 (2,93)
|
30,93 (3,15)
|
|
Прогиб, см
|
60,07
|
101,90
|
-
|
-
|
-
|
-
|
|
Ширина трещин, мм
|
0,161
|
-
|
-
|
-
|
-
|
-
|
|
СК22.2-1.1
|
75
|
Нагрузки, кН (тс)
|
25,50 (2,60)
|
30,60 (3,12)
|
33,64 (3,43)
|
36,68 (3,74)
|
39,81 (4,06)
|
42,85 (4,37)
|
|
Прогиб, см
|
25,04
|
41,47
|
-
|
-
|
-
|
-
|
|
Ширина трещин, мм
|
0,065
|
-
|
-
|
-
|
-
|
-
|
|
85
|
Нагрузки, кН (тс)
|
27,07 (2,76)
|
32,46 (3,31)
|
35,70 (3,64)
|
38,93 (3,97)
|
42,17 (4,30)
|
45,40 (4,63)
|
|
Прогиб, см
|
26,61
|
44,39
|
-
|
-
|
-
|
-
|
|
Ширина трещин, мм
|
0,071
|
-
|
-
|
-
|
-
|
-
|
|
100
|
Нагрузки, кН (тс)
|
29,13 (2,97)
|
35,01 (3,57)
|
38,54 (3,93)
|
41,97 (4,28)
|
45,50 (4,64)
|
49,03 (5,00)
|
|
Прогиб, см
|
30,43
|
48,73
|
-
|
-
|
-
|
-
|
|
Ширина трещин, мм
|
0,080
|
-
|
-
|
-
|
-
|
-
|
|
СК22.2-1.2
|
75
|
Нагрузки, кН (тс)
|
23,73 (2,42)
|
28,54 (2,91)
|
31,38 (3,20)
|
34,22 (3,49)
|
37,07 (3,78)
|
39,91 (4,07)
|
|
Прогиб, см
|
20,93
|
34,84
|
-
|
-
|
-
|
,
|
|
Ширина трещин, мм
|
0,063
|
-
|
-
|
-
|
-
|
-
|
|
85
|
Нагрузки, кН (тс)
|
25,59 (2,61)
|
30,69 (3,13)
|
33,73 (3,44)
|
3687 (3,76)
|
39,91 (4,07)
|
42,95 (4,38)
|
|
Прогиб, см
|
22,91
|
38,77
|
-
|
-
|
-
|
-
|
|
Ширина трещин, мм
|
0,072
|
-
|
-
|
-
|
-
|
-
|
|
100
|
Нагрузки, кН (тс)
|
27,85 (2,84)
|
33,44 (3,41)
|
36,77 (3,75)
|
40,11 (4,09)
|
43,44 (4,43)
|
46,78 (4,77)
|
|
Прогиб, см
|
26,38
|
45,88
|
-
|
-
|
-
|
-
|
|
Ширина трещин, мм
|
0,084
|
-
|
-
|
-
|
-
|
-
|
|
СК22.3-1.1
|
75
|
Нагрузки, кН (тс)
|
16,97 (1,73)
|
20,40 (2,08)
|
22,46 (2,29)
|
24,52 (2,50)
|
26,48 (2,70)
|
28,54 (2,91)
|
|
Прогиб, см
|
25,75
|
48,73
|
-
|
-
|
-
|
-
|
|
Ширина трещин, мм
|
0,147
|
-
|
-
|
-
|
-
|
-
|
|
85
|
Нагрузки, кН (тс)
|
17,75 (1,81)
|
21,28 (2,17)
|
23,44 (2,39)
|
25,50 (2,60)
|
27,65 (2,82)
|
29,81 (3,04)
|
|
Прогиб, см
|
27,30
|
52,75
|
-
|
-
|
-
|
-
|
|
Ширина трещин, мм
|
0,156
|
-
|
-
|
-
|
-
|
-
|
|
100
|
Нагрузки, кН (тс)
|
18,53 (1,89)
|
22,26 (2,27)
|
24,52 (2,50)
|
26,67 (2,72)
|
28,93 (2,95)
|
31,18 (3,18)
|
|
Прогиб, см
|
29,52
|
55,83
|
-
|
-
|
-
|
-
|
|
Ширина трещин, мм
|
0,158
|
-
|
-
|
-
|
-
|
-
|
|
СК22.3-1.2
|
75
|
Нагрузки, кН (тс)
|
17,85 (1,82)
|
21,48 (2,19)
|
23,63 (2,41)
|
25,79 (2,63)
|
27,95 (2,85)
|
30,11 (3,07)
|
|
Прогиб, см
|
27,13
|
48,86
|
-
|
-
|
-
|
-
|
|
Ширина трещин, мм
|
0,157
|
-
|
-
|
-
|
-
|
-
|
|
85
|
Нагрузки, кН (тс)
|
18,83 (1,92)
|
22,55 (2,30)
|
24,81 (2,53)
|
27,07 (2,76)
|
29,32 (2,99)
|
31,58 (3,22)
|
|
Прогиб, см
|
29,84
|
53,56
|
-
|
-
|
-
|
-
|
|
Ширина трещин, мм
|
0,179
|
-
|
-
|
-
|
-
|
-
|
|
100
|
Нагрузки, кН (тс)
|
20,40 (2,08)
|
24,52 (2,50)
|
26,97 (2,75)
|
29,42 (3,00)
|
31,87 (3,25)
|
34,32 (3,50)
|
|
Прогиб, см
|
36,95
|
65,52
|
-
|
-
|
-
|
-
|
|
Ширина трещин, мм
|
0,236
|
-
|
-
|
-
|
-
|
-
|
|
СК26.1-1.0
|
75
|
Нагрузки, кН (тс)
|
18,24 (1,86)
|
21,87 (2,23)
|
24,03 (2,45)
|
26,28 (2,68)
|
28,44 (2,90)
|
30,60 (3,12)
|
|
Прогиб, см
|
73,35
|
108,65
|
-
|
-
|
-
|
-
|
|
Ширина трещин, мм
|
0,118
|
-
|
-
|
-
|
-
|
-
|
|
85
|
Нагрузки, кН (тс)
|
18,83 (1,92)
|
22,55 (2,30)
|
24,81 (2,53)
|
27,07 (2,76)
|
29,32 (2,99)
|
31,58 (3,22)
|
|
Прогиб, см
|
73,37
|
108,75
|
-
|
-
|
-
|
-
|
|
Ширина трещин, мм
|
0,118
|
-
|
-
|
-
|
-
|
-
|
|
100
|
Нагрузки, кН (тс)
|
19,52 (1,99)
|
23,44 (2,39)
|
25,79 (2,63)
|
28,14 (2,87)
|
30,50 (3,11)
|
32,85 (3,35)
|
|
Прогиб, см
|
76,21
|
113,57
|
-
|
-
|
-
|
-
|
|
Ширина трещин, мм
|
0,116
|
-
|
-
|
-
|
-
|
-
|
|
СК26.1-2.0
|
75
|
Нагрузки, кН (тс)
|
18,24 (1,86)
|
21,87 (2,23)
|
24,03 (2,45)
|
26,28 (2,68)
|
28,44 (2,90)
|
30,60 (3,12)
|
|
Прогиб, см
|
73,35
|
108,65
|
-
|
-
|
-
|
-
|
|
Ширина трещин, мм
|
0,118
|
-
|
-
|
-
|
-
|
-
|
|
85
|
Нагрузки, кН (тс)
|
18,83 (1,92)
|
22,55 (2,30)
|
24,81 (2,53)
|
27,07 (2,76)
|
29,32 (2,99)
|
31,58 (3,22)
|
|
Прогиб, см
|
73,37
|
108,75
|
-
|
-
|
-
|
-
|
|
Ширина трещин, мм
|
0,118
|
-
|
-
|
-
|
-
|
-
|
|
100
|
Нагрузки, кН (тс)
|
19,52 (1,99)
|
23,44 (2,39)
|
25,79 (2,63)
|
28,14 (2,87)
|
30,50 (3,11)
|
32,85 (3,35)
|
|
Прогиб, см
|
76,21
|
113,57
|
-
|
-
|
-
|
-
|
|
Ширина трещин, мм
|
0,116
|
-
|
-
|
-
|
-
|
-
|
|
СК26.1-3.0
|
75
|
Нагрузки, кН (тс)
|
21,48 (2,19)
|
25,79 (2,63)
|
28,34 (2,89)
|
30,99 (3,16)
|
33,54 (3,42)
|
36,09 (3,68)
|
|
Прогиб, см
|
77,70
|
106,36
|
-
|
-
|
-
|
-
|
|
Ширина трещин, мм
|
0,091
|
-
|
-
|
-
|
-
|
-
|
|
85
|
Нагрузки, кН (тс)
|
22,16 (2,26)
|
25,58 (2,71)
|
29,22 (2,98)
|
31 87 (3,25)
|
3452 (3,52)
|
37,17 (3,79)
|
|
Прогиб, см
|
78,10
|
107,45
|
-
|
-
|
-
|
-
|
|
Ширина трещин, мм
|
0,092
|
-
|
-
|
-
|
-
|
-
|
|
100
|
Нагрузки, кН (тс)
|
23,05 (2,35)
|
27,65 (2,82)
|
3040 (3,10)
|
33,15 (3,38)
|
35,89 (3,66)
|
38,74 (3,95)
|
|
Прогиб, см
|
79,77
|
114,43
|
-
|
-
|
-
|
-
|
|
Ширина трещин, мм
|
0,093
|
-
|
-
|
-
|
-
|
-
|
|
СК26.1-4.0
|
75
|
Нагрузки, кН (тс)
|
16,38 (1,67)
|
19,61 (2,00)
|
21,57 (2,20)
|
23,54 (2,40)
|
25,50 (2,60)
|
27,46 (2,80)
|
|
Прогиб, см
|
48,98
|
80,94
|
-
|
-
|
-
|
-
|
|
Ширина трещин, мм
|
0,089
|
-
|
-
|
-
|
-
|
-
|
|
85
|
Нагрузки, кН (тс)
|
16,96 (1,73)
|
20,40 (2,08)
|
22,46 (2,29)
|
24,52 (2,50)
|
26,48 (2,70)
|
28,54 (2,91)
|
|
Прогиб, см
|
50,84
|
83,92
|
-
|
-
|
-
|
-
|
|
Ширина трещин, мм
|
0,093
|
-
|
-
|
-
|
-
|
-
|
|
100
|
Нагрузки, кН (тс)
|
17,75 (1,81)
|
21,28 (2,17)
|
23,44 (2,39)
|
25,50 (2,60)
|
27,65 (2,82)
|
29,81 (3,04)
|
|
Прогиб, см
|
52,98
|
88,73
|
-
|
-
|
-
|
-
|
|
Ширина трещин, мм
|
0,097
|
-
|
-
|
-
|
-
|
-
|
|
СК22.1-1.0
|
75
|
Нагрузки, кН (тс)
|
13,83 (1,41)
|
16,57 (1,69)
|
18,24 (1,86)
|
19,91 (2,03)
|
21,57 (2,20)
|
23,24 (2,37)
|
|
Прогиб, см
|
35,19
|
56,86
|
-
|
-
|
-
|
-
|
|
Ширина трещин, мм
|
0,142
|
-
|
-
|
-
|
-
|
-
|
|
85
|
Нагрузки, кН (тс)
|
14,32 (1,46)
|
17,16 (1,75)
|
18,83 (1,92)
|
20,59 (2,10)
|
22,26 (2,27)
|
24,03 (2,45)
|
|
Прогиб, см
|
35,15
|
56,56
|
-
|
-
|
-
|
-
|
|
Ширина трещин, мм
|
0,144
|
-
|
-
|
-
|
-
|
-
|
|
100
|
Нагрузки, кН (тс)
|
14,91 (1,52)
|
17,85 (1,82)
|
19,61 (2,00)
|
21,38 (2,18)
|
23,24 (2,37)
|
25,01 (2,55)
|
|
Прогиб, см
|
35,49
|
57,87
|
-
|
-
|
-
|
-
|
|
Ширина трещин, мм
|
0,143
|
-
|
-
|
-
|
-
|
-
|
|
СК22.1-2.0
|
75
|
Нагрузки, кН (тс)
|
17,46 (1,78)
|
20,99 (2,14)
|
23,05 (2,35)
|
25,20 (2,57)
|
27,26 (2,78)
|
29,42 (3,00)
|
|
Прогиб, см
|
42,29
|
62,58
|
-
|
-
|
-
|
-
|
|
Ширина трещин, мм
|
0,116
|
-
|
-
|
-
|
-
|
-
|
|
85
|
Нагрузки, кН (тс)
|
18,04 (1,84)
|
21,67 (2,21)
|
23,83 (2,43)
|
25,99 (2,65)
|
28,14 (2,87)
|
30,30 (3,09)
|
|
Прогиб, см
|
42,01
|
62,04
|
-
|
-
|
-
|
-
|
|
Ширина трещин, мм
|
0,117
|
-
|
-
|
-
|
-
|
-
|
|
100
|
Нагрузки, кН (тс)
|
18,83 (1,92)
|
22,65 (2,31)
|
24,91 (2,54)
|
27,16 (2,77
|
29,42 (3,00)
|
31,67 (3,23)
|
|
Прогиб, см
|
42,23
|
64,15
|
-
|
-
|
-
|
-
|
|
Ширина трещин, мм
|
0,117
|
-
|
-
|
-
|
-
|
-
|
|
СК22.1-3.0
|
75
|
Нагрузки, кН (тс)
|
10,98 (1,12)
|
13,24 (1,35)
|
14,51 (1,48)
|
15,89 (1,62)
|
17,16 (1,75)
|
18,53 (1,89)
|
|
Прогиб, см
|
27,96
|
50,09
|
-
|
-
|
-
|
-
|
|
Ширина трещин, мм
|
0,153
|
-
|
-
|
-
|
-
|
-
|
|
85
|
Нагрузки, кН (тс)
|
11,47 (1,17)
|
13,73 (1,40)
|
15,10 (1,54)
|
16,47 (1,68)
|
17,85 (1,82)
|
19,22 (1,96)
|
|
Прогиб, см
|
27,90
|
50,15
|
-
|
-
|
-
|
-
|
|
Ширина трещин, мм
|
0,154
|
-
|
-
|
-
|
-
|
-
|
|
100
|
Нагрузки, кН (тс)
|
11,77 (1,20)
|
14,12 (1,44)
|
15,49 (1,58)
|
16,97 (1,73)
|
18,34 (1,87)
|
19,81 (2,02)
|
|
Прогиб, см
|
27,89
|
51,00
|
-
|
-
|
-
|
-
|
|
Ширина трещин, мм
|
0,152
|
-
|
-
|
-
|
-
|
-
|
|
СК26.1-6.0
|
75
|
Нагрузки, кН (тс)
|
17,85 (1,82)
|
21,48 (2,19)
|
23,63 (2,41)
|
25,79 (2,63)
|
27,95 (2,85)
|
30,11 (3,07)
|
|
Прогиб, см
|
53,84
|
85,53
|
-
|
-
|
-
|
-
|
|
Ширина трещин, мм
|
0,087
|
-
|
-
|
-
|
-
|
-
|
|
85
|
Нагрузки, кН (тс)
|
18,63 (1,90)
|
22,36 (2,28)
|
24,61 (2,51)
|
26,87 (2,74)
|
29,03 (2,96)
|
31,28 (3,19)
|
|
Прогиб, см
|
55,78
|
88,36
|
-
|
-
|
-
|
-
|
|
Ширина трещин, мм
|
0,091
|
-
|
-
|
-
|
-
|
-
|
|
100
|
Нагрузки, кН (тс)
|
19,42 (1,98)
|
23,34 (2,38)
|
25,69 (2,62)
|
28,05 (2,86)
|
30,30 (3,09)
|
32,66 (3,33)
|
|
Прогиб, см
|
58,70
|
92,92
|
-
|
-
|
-
|
-
|
|
Ширина трещин, мм
|
0,089
|
-
|
-
|
-
|
-
|
-
|
|
СК26.2-1.0
|
75
|
Нагрузки, кН (тс)
|
17,85 (1,82)
|
21,38 (2,18)
|
23,54 (2,40)
|
25,69 (2,62)
|
27,75 (2,83)
|
29,91 (3,05)
|
|
Прогиб, см
|
54,07
|
85,90
|
-
|
-
|
-
|
-
|
|
Ширина трещин, мм
|
0,087
|
-
|
-
|
-
|
-
|
-
|
|
85
|
Нагрузки, кН (тс)
|
18,53 (1,89)
|
22,26 (2,27)
|
24,52 (2,50)
|
26,67 (2,72)
|
28,93 (2,95)
|
31,18 (3,18)
|
|
Прогиб, см
|
56,02
|
88,74
|
-
|
-
|
-
|
-
|
|
Ширина трещин, мм
|
0,090
|
-
|
-
|
-
|
-
|
-
|
|
100
|
Нагрузки, кН (тс)
|
19,42 (1,98)
|
23,34 (2,38)
|
25,69 (2,62)
|
28,05 (2,86)
|
30,30 (3,09)
|
32,66 (3,33)
|
|
Прогиб, см
|
58,44
|
93,44
|
-
|
-
|
-
|
-
|
|
Ширина трещин, мм
|
0,093
|
-
|
-
|
-
|
-
|
-
|
|
СК22.2-1.0
|
75
|
Нагрузки, кН (тс)
|
26,18 (2,67)
|
31,38 (3,20)
|
34,52 (3,52)
|
37,66 (3,84)
|
40,80 (4,16)
|
43,93 (4,48)
|
|
Прогиб, см
|
25,26
|
40,83
|
-
|
-
|
-
|
-
|
|
Ширина трещин, мм
|
0,057
|
-
|
-
|
-
|
-
|
-
|
|
85
|
Нагрузки, кН (тс)
|
27,36 (2,79)
|
32,85 (3,35)
|
36,09 (3,68)
|
39,42 (4,02)
|
42,66 (4,35)
|
45,99 (4,69)
|
|
Прогиб, см
|
25,87
|
41,83
|
-
|
-
|
-
|
-
|
|
Ширина трещин, мм
|
0,060
|
-
|
-
|
-
|
-
|
-
|
|
100
|
Нагрузки, кН (тс)
|
29,03 (2,96)
|
34,81 (3,55)
|
38,25 (3,90)
|
41,78 (4,26)
|
45,21 (4,61)
|
48,74 (4,97)
|
|
Прогиб, см
|
27,35
|
45,00
|
-
|
-
|
-
|
-
|
|
Ширина трещин, мм
|
0,062
|
-
|
-
|
-
|
-
|
-
|
|
СК22.3-1.0
|
75
|
Нагрузки, кН (тс)
|
18,73 (1,91)
|
22,46 (2,29)
|
24,71 (2,52)
|
26,97 (2,75)
|
29,22 (2,98)
|
31,48 (3,21)
|
|
Прогиб, см
|
25,44
|
44,41
|
-
|
-
|
-
|
-
|
|
Ширина трещин, мм
|
0,100
|
-
|
-
|
-
|
-
|
-
|
|
85
|
Нагрузки, кН (тс)
|
19,32 (1,97)
|
23,24 (2,37)
|
25,59 (2,61)
|
27,85 (2,84)
|
30,20 (3,08)
|
32,56 (3,32)
|
|
Прогиб, см
|
26,34
|
46,10
|
-
|
-
|
-
|
-
|
|
Ширина трещин, мм
|
0,104
|
-
|
-
|
-
|
-
|
-
|
|
100
|
Нагрузки, кН (тс)
|
20,20 (2,06)
|
24,22 (2,47)
|
26,67 (2,72)
|
29,03 (2,96)
|
31,48 (3,21)
|
33,93 (3,46)
|
|
Прогиб, см
|
27,42
|
48,73
|
-
|
-
|
-
|
-
|
|
Ширина трещин, мм
|
0,108
|
-
|
-
|
-
|
-
|
-
|
ПРИЛОЖЕНИЕ 3
Справочное
Марки конических железобетонных центрифугированных стоек
|
Обозначение по ГОСТ 22687-77, ГОСТ 24762-81
|
Марка стойки по ГОСТ
22687.1-85
|
|
СК4
|
СК26.1-1.0
|
|
СК4-1
|
СК26.1-1.1
|
|
СК4-2
|
СК26.1-1.2
|
|
СК4-пр
|
СК26.1-1.5
|
|
СК4-прс
|
СК26.1-1.4
|
|
СК4-прс1
|
СК26.1-1.3
|
|
СК5
|
СК26.1-2.0
|
|
СК5-1
|
СК26.1-2.1
|
|
СК5-2
|
СК26.1-2.2
|
|
СК5-пр
|
СК26.1-2.5
|
|
СК5-прс
|
СК26.1-2.4
|
|
СК5-прс1
|
СК26.1-2.3
|
|
СК7
|
СК26.1-3.0
|
|
СК7-1
|
СК26.1-3.1
|
|
СК7-прс
|
СК26.1-3.4
|
|
СК7-прс1
|
СК26.1-3.3
|
|
СК8
|
СК26.1-4.0
|
|
СК8-1
|
СК26.1-4.1
|
|
СК9-1
|
СК26.1-5.1
|
|
СК11
|
СК22.1-1.0
|
|
СК11-1
|
СК22.1-1.1
|
|
СК11-2
|
СК22.1-1.2
|
|
CK12
|
СК22.1-2.0
|
|
CK12-1
|
СК22.1-2.1
|
|
CK12-2
|
СК22.1-2.2
|
|
CK13
|
СК22.1-3.0
|
|
CK13-1
|
СК22.1-3.1
|
|
CK13-2
|
СК22.1-3.2
|
|
CK14
|
СК26.1-6.0
|
|
CK14-1
|
СК26.1-6.1
|
|
CK14-2
|
СК26.1-6.2
|
|
CK15
|
СК26.2-1.0
|
|
CK15-1
|
СК26.2-1.1
|
|
CK15-2
|
СК26.2-1.2
|
|
CK16
|
СК22.2-1.0
|
|
CK16-1
|
СК22.2-1.1
|
|
CK16-2
|
СК22.2-1.2
|
|
CK17
|
СК22.3-1.0
|
|
CK17-1
|
СК22.3-1.1
|
|
CK17-2
|
СК22.3-1.2
|
|