Бесплатная библиотека стандартов и нормативов www.docload.ru

Все документы, размещенные на этом сайте, не являются их официальным изданием и предназначены исключительно для ознакомительных целей.
Электронные копии этих документов могут распространяться без всяких ограничений. Вы можете размещать информацию с этого сайта на любом другом сайте.
Это некоммерческий сайт и здесь не продаются документы. Вы можете скачать их абсолютно бесплатно!
Содержимое сайта не нарушает чьих-либо авторских прав! Человек имеет право на информацию!

 

ГОСУДАРСТВЕННЫЙ СТАНДАРТ СОЮЗА ССР

 

КИРПИЧ И КАМНИ СИЛИКАТНЫЕ

УЛЬТРАЗВУКОВОЙ МЕТОД ОПРЕДЕЛЕНИЯ
ПРОЧНОСТИ ПРИ СЖАТИИ

ГОСТ 24332-88

 

ГОСУДАРСТВЕННЫЙ СТРОИТЕЛЬНЫЙ КОМИТЕТ СССР

Москва

 

 

ГОСУДАРСТВЕННЫЙ СТАНДАРТ СОЮЗА ССР

КИРПИЧ И КАМНИ СИЛИКАТНЫЕ

Ультразвуковой метод определения прочности при сжатии

Silica bricks and stones. Ultrasonic method
of compressive strength determination

ГОСТ
24332
-88

Дата введения 01.07.89

Несоблюдение стандарта преследуется по закону

Настоящий стандарт распространяется на рядовые и лицевые кирпич и камни силикатные, изготовленные способом прессования (далее - изделия), и устанавливает ультразвуковой импульсный метод (далее - ультразвуковой метод) определения предела прочности при сжатии (далее - прочности) этих изделий.

1. ОБЩИЕ ПОЛОЖЕНИЯ

1.1. Ультразвуковой метод применяют для определения прочности изделий при их приемке техническим контролем предприятия-изготовителя, а также при контрольной проверке качества изделий государственными и ведомственными инспекциями по качеству или потребителем.

1.2. Ультразвуковой метод основан на связи между временем распространения ультразвуковых колебаний в изделии и его прочностью.

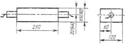
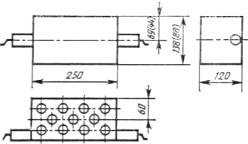
1.3. Ультразвуковые измерения в изделиях проводят способом сквозного соосного прозвучивания согласно черт. 1 и 2.

1.4. Прочность изделий определяют по экспериментально установленным градуировочным зависимостям первого и (или) второго типа.

Градуировочную зависимость первого типа устанавливают по результатам ультразвуковых измерений горячих образцов непосредственно после автоклавирования и механических испытаний тех же образцов после их остывания не менее чем через 24 ч.

Градуировочную зависимость второго типа устанавливают по результатам ультразвуковых измерений остывших образцов не менее чем через 24 ч после автоклавирования и механических испытаний тех же образцов.

Градуировочную зависимость первого типа устанавливают для определения прочности изделий в производственных условиях. Градуировочную зависимость второго типа устанавливают для экспертного определения прочности, а также для определения прочности изделий на стройке или в других случаях.

1.5. Прочность изделий, определенная по градуировочной зависимости первого типа, соответствует прочности тех же изделий, определенной по градуировочной зависимости второго типа.

 

Схемы расположения преобразователей

 

Кирпич

Черт. 1

 

Камень (кирпич) пустотелый

Черт. 2

2. АППАРАТУРА И МАТЕРИАЛЫ

2.1. Ультразвуковые измерения проводят при помощи приборов, предназначенных для измерения времени распространения ультразвука в кирпиче, камнях и бетоне, аттестованных по ГОСТ 8.383-86.

2.2. Предел допускаемой абсолютной погрешности измерения (D) времени распространения ультразвука на стандартных образцах, входящих в комплект прибора, не должен превышать значения

                                                     (1)

где t - время распространения ультразвука, мкс.

2.3. Типы ультразвуковых приборов и их технические характеристики приведены в приложении 1.

Допускается применение других ультразвуковых приборов, предназначенных для испытания кирпича, камней и бетона, если эти приборы удовлетворяют требованиям пп. 2.1 и 2.2.

2.4. Между поверхностями изделия и рабочими поверхностями ультразвуковых преобразователей должен быть обеспечен надежный акустический контакт, для чего применяют вязкие контактные материалы (солидол по ГОСТ 4366-78, технический вазелин по ГОСТ 5774-76 и др.).

Допускается применение переходных устройств или прокладок, обеспечивающих сухой способ акустического контакта и удовлетворяющих требованиям пп. 2.1 и 2.2.

2.5. При ультразвуковых измерениях для установления градуировочной зависимости и определения прочности изделия ультразвуковым методом способ контакта должен быть одинаков.

3. ПОДГОТОВКА И ПРОВЕДЕНИЕ ИСПЫТАНИЯ

3.1. Перед испытанием проводят проверку используемых приборов в соответствии с документацией по эксплуатации и установлению градуировочной зависимости для испытываемых изделий.

3.2. Изделия, предназначенные для испытаний и установления градуировочной зависимости, по размерам и внешнему виду должны соответствовать ГОСТ 379-79 и не должны иметь в зоне контакта ультразвуковых преобразователей с поверхностью изделия раковин и воздушных пор глубиной более 3 мм и диаметром более 6 мм, выступов более 0,5 мм, а также трещин. Поверхность изделия должна быть очищена от пыли.

3.3. Установление градуировочных зависимостей

3.3.1. Для установления градуировочной зависимости отбирают не менее чем по 5 изделий одного вида от каждой из 20 или более партий, изготовленных из одного сырья и по одной и той же технологии. При этом изделия нумеруют.

3.3.2. Измерения времени распространения ультразвука в изделиях проводят спустя 0,5 ч, но не более 1 ч после их выгрузки из автоклава при установлении градуировочной зависимости первого типа и (или) спустя не менее 24 ч после выгрузки изделий из автоклава при установлении зависимости второго типа.

3.3.3. За время распространения ультразвука в изделии принимают среднее арифметическое значение результатов измерений при трех последовательных установках преобразователей на этом изделии в одних и тех же точках.

3.3.4. Отклонение отдельного результата измерения времени распространения ультразвука в изделии от среднего арифметического значения для этого изделия не должно превышать 2 %.

Результаты измерения времени распространения ультразвука в изделии, не удовлетворяющие этому условию, исключают, а это изделие заменяют другим изделием того же вида.

3.3.5. Прочность прозвученных изделий определяют по ГОСТ 8462-85не ранее чем через 24 ч после автоклавной обработки. При этом прочность кирпича определяют на образцах, состоящих из двух половинок одного кирпича.

3.3.6. Результаты измерений по пп. 3.3.3, 3.3.4 вносят в журнал по форме, приведенной в приложении 2.

3.3.7. Градуировочную зависимость в первый год применения стандарта устанавливают четыре раза через каждые 3 мес, объединяя каждый раз результаты измерений с последующими результатами, используемыми для установления зависимостей:

первый раз - по результатам измерений не менее чем 100 изделий;

второй раз - по объединенным результатам измерений первого раза и измерений второго раза, но не менее 200 изделий в общей совокупности;

третий раз - по объединенным результатам предшествующих измерений, но не менее 300 изделий в общей совокупности;

четвертый раз - по объединенным результатам предшествующих измерений, но не менее 400 изделий в общей совокупности.

3.3.8. Градуировочную зависимость, построенную по объединенным результатам измерений за год, принимают за итоговую.

3.3.9. Расчет, оценку пригодности и поверку зависимостей, построенных по пп. 3.3.8, 3.3.9, проводят в соответствии с приложением 3 или 4.

3.3.10. Примеры расчета, оценки пригодности и поверки зависимостей приведены в приложении 5.

3.4. Для проведения испытаний отбор изделий проводят по ГОСТ 379-79.

3.5. Схемы установки преобразователей принимают согласно п. 1.3 (черт. 1 и 2).

3.6. Время распространения ультразвука в изделиях определяют согласно пп. 3.3.4, 3.3.5.

3.7. Прочность контролируемого изделия находят по градуировочной зависимости в соответствии со средним значением времени распространения ультразвука, определенным для данного изделия, и типом градуировочной зависимости.

Градуировочную зависимость используют на участке между минимальным и максимальным значениями времени распространения ультразвука, полученными при установлении зависимости.

4. ОФОРМЛЕНИЕ РЕЗУЛЬТАТОВ

4.1. Результаты измерений по пп. 3.3.3- 3.3.5 наносят в журнал испытаний по форме, приведенной в приложении 6.

4.2. По полученным индивидуальным значениям прочности изделий, отобранных от данной партии, находят их среднее арифметическое и минимальное значения прочности.

Марку прочности изделий в партии назначают в соответствии с ГОСТ 379-79.

 

ПРИЛОЖЕНИЕ 1

Справочное

Технические характеристики ультразвуковых приборов
для определения прочности кирпича и камней

Характеристика

Технические характеристики приборов типов

«Бетон-12»

УК-14П

УК-10ПМС

УФ-10П

Диапазон измерения времени распространения ультразвуковых колебаний, мкс

20-999,9

20-9000

8-8500 в ручном, до 9999 в автоматическом режиме

-

Режим измерения

Автоматический

Автоматический и ручной

Автоматический

Индикация

Цифровая

Электрическое питание

Автономное

Универсальное

Сетевое

Наличие ЭЛТ

Нет

Есть

Число каналов измерения

1

 

12

Конструктивное исполнение

Портативный

Переносной

Стационарный

Масса, кг

26

1,5

10,0

28

Наименование предприятия-изготовителя

Опытный завод ВНИИжелезобетон, Москва

Завод «Электроточприбор»,
ПО «Волна» Кишинев

Поправка. ИУС 1-90.

ПРИЛОЖЕНИЕ 2

Рекомендуемое

 

ФОРМА ЖУРНАЛА ИСПЫТАНИЙ СИЛИКАТНЫХ КИРПИЧА И КАМНЕЙ ПРИ УСТАНОВЛЕНИИ ГРАДУИРОВОЧНОЙ ЗАВИСИМОСТИ

 

Вид изделий ___________________ Тип зависимости ________________________

 

Номер образца

Время распространения ультразвука t, мкс

Площадь поперечного сечения образца F, см2

Наибольшая нагрузка, установленная при испытании образца, Р, кН

Предел прочности при сжатии по
ГОСТ 8462-85
МПа

Примечание

 

 

 

 

 

 

 

 

ПРИЛОЖЕНИЕ 3

Обязательное

РАСЧЕТ И ОЦЕНКА ПРИГОДНОСТИ ГРАДУИРОВОЧНОЙ ЗАВИСИМОСТИ МЕТОДОМ НАИМЕНЬШИХ КВАДРАТОВ

Поправка. ИУС 1-90.

1. Градуировочную зависимость устанавливают в виде графика или таблицы, рассчитанных методом наименьших квадратов на основании уравнения регрессии

                                                    (2)

где  - прочность, МПа;

t - время распространения ультразвука в изделии, мкс;

А и В - коэффициенты.

2. Коэффициенты А и В в уравнении (2) определяют по формулам:

 МПа · мкс1;                                          (3)

 МПа,                                         (4)

где Ri - прочность i-го изделия, МПа, определенная по ГОСТ 8462-85;

ti - время распространения ультразвука в i изделии, мкс;

n ³ 100 - число изделий (образцов);

и - средние арифметические значения прочности, МПа, и времени распространения ультразвука, мкс, определяемые по формулам:

                                                     (5)

                                                        (6)

3. Для оценки пригодности градуировочной зависимости вычисляют эффективность Е по формуле

                                                          (7)

где  - выборочная дисперсия прочности;

S2 - остаточная дисперсия регрессии;

величины  и S2 определяют по формулам:

                                                    (8)

                                              (9)

где  - прочность i-го изделия, определяемая по градуировочной зависимости в соответствии со временем ti распространения ультразвука в этом изделии.

4. Градуировочную зависимость считают пригодной для определения прочности изделий, если эффективность Е и отношение  удовлетворяют условиям:

                                                           (10)

                                                       (11)

5. Для построения таблицы значения  вычисляют по формуле (2), задаваясь значениями t с шагом 0,2 мкс.

 

ПРИЛОЖЕНИЕ 4

Обязательное

РАСЧЕТ, ОЦЕНКА ПРИГОДНОСТИ И ПОВЕРКА ГРАДУИРОВОЧНОЙ ЗАВИСИМОСТИ НЕПАРАМЕТРИЧЕСКИМ МЕТОДОМ

1. Градуировочную зависимость устанавливают в виде графика или таблицы, рассчитанных непараметрическим методом на основании уравнения регрессии

где  - прочность, МПа,

t - время распространения ультразвука в изделии, мкс.

2. Совокупность пар значений ti и Ri, непосредственно используемых для расчета градуировочной зависимости, располагают в порядке возрастания значений ti (значения Ri, соответствующие любым значениям ti, наблюдаемым повторно, уже не учитывают). При объединении совокупностей общую совокупность располагают в порядке возрастания значений ti так, чтобы значения Ri, соответствующие каждому наблюдаемому числу значений ti, одинаковых в каких-либо совокупностях, включались в общую поочередно для этих совокупностей. Если число всех отобранных в общую совокупность точек ti, Ri (i = 1,...,r) нечетно, точку с номером  опускают.

3. Для вычисления коэффициента А предварительно вычисляют m значений тангенса А (j, j + k) угла наклона прямых, соединяющих точки Rj, tj, с точками Rj+k, tj+k по формуле

                                             (12)

При этом, если r нечетно, то

                                                (13)

                                                        (14)

                                                        (15)

Если r четно, то

                                                     (16)

                                                      (17)

Затем т значений А (j, j + k) располагают в порядке неубывания

                                         (18)

Если т нечетно, то коэффициент

                                            (19)

если т четно, то

                                              (20)

Затем точки ti, Ri наносят на координатную миллиметровую бумагу.

4. Коэффициент В рассчитывают по формуле

                                                    (21)

где и  - соответственно средние значения прочности и времени распространения ультразвука, вычисляемые по формулам:

                                                (22)

                                                    (23)

где  - номера значений, отсчитанных на координатных осях R и t сверху соответствующих областей рассеяния;

 - номера значений, отсчитанных на тех же осях снизу областей рассеяния.

5. Среднее квадратическое отклонение SR вычисляют по формуле

                                       (24)

где (0,07r + 1)св и (0,07r + 1)сн - номера значений R, отсчитанных сверху и снизу области рассеяния.

6. После построения прямой градуировочной зависимости  на координатной бумаге вычисляют среднее квадратическое отклонение регрессии

                                        (25)

где  - расстояние вдоль оси R между отсекающими по 0,07r + 1 точек Н сверху и снизу области рассеяния прямыми, параллельными прямой  и проходящими через ближайшие к  из этих точек.

Поправка. ИУС 1-90.

7. Градуировочную зависимость считают пригодной для определения прочности изделий, если эффективность Е и отношение  удовлетворяют условиям (10) и (11).

8. Для поверки градуировочной зависимости проводят параллельные определения прочности  по настоящему стандарту в q образцах (q = 1,..., N) и Rq в тех же образцах по ГОСТ 8462-85 в соответствии с п. 3.3.5.

При этом должно быть соблюдено условие

                                                    (26)

Указанные образцы отбирают еженедельно в течение не менее чем одной смены в количестве не менее 5 изделий.

9. Использование градуировочной зависимости допускается, если число zN положительных разностей

                                                     (27)

где i = 1,..., zN, удовлетворяет условию

                                                   (28)

где U (N) и L (N) - соответственно верхняя и нижняя границы числа zN положительных разностей согласно таблице, а N >15 - число образцов, отвечающее условию (26).

Сопоставление чисел zN, U (N) и L (N) осуществляют в соответствии с периодичностью отбора образцов согласно п. 8.

При больших N указанное сопоставление проводят для различных участков диапазона t. При несоблюдении соотношения (28) использование градуировочной зависимости не допускается. В этом случае накопленное число значений tq и Rq, использованных для поверки градуировочной зависимости, может быть использовано также для построения новой градуировочной зависимости.

Зависимости U (N) и L (N) верхней и нижней границ числа zN положительных разностей значений прочности образцов по настоящему стандарту и ГОСТ 8462-85 от числа N образцов с несовпадающими результатами указанных определений прочности

N

U (N)

L (N)

 

5

 

5

 

0

10

9

1

15

12

3

20

15

5

25

 

18

7

30

20

10

35

23

12

40

26

14

45

29

16

50

 

32

18

55

35

20

60

37

23

65

40

25

70

43

27

75

 

46

29

80

48

32

85

51

34

90

54

36

95

57

38

100

 

59

41

105

62

43

110

65

45

115

67

48

120

70

50

125

 

73

52

130

75

55

135

78

57

140

81

59

145

83

62

150

 

86

64

155

89

66

160

91

69

165

94

71

170

97

73

175

 

99

76

180

102

78

185

105

80

190

107

83

195

110

85

200

 

113

87

 

Примечание. Для N > 90,  где Ent (X) - целая часть Х.

При больших N указанное сопоставление чисел zN, U (N) и L (N) проводят для различных участков диапазона t. При несоблюдении соотношения U (N) ³ zN ³ L (N) использование градуировочной зависимости не допускается. В этом случае накопленное число значений tq и Rq, использованных для поверки градуировочной зависимости, может быть использовано также для построения новой градуировочной зависимости.

Поправка. ИУС 1-90.

ПРИЛОЖЕНИЕ 5

Справочное

ПРИМЕРЫ РАСЧЕТА, ОЦЕНКИ ПРИГОДНОСТИ И ПОВЕРКИ ГРАДУИРОВОЧНЫХ ЗАВИСИМОСТЕЙ

1. Расчет и оценка пригодности градуировочной зависимости при использовании метода наименьших квадратов

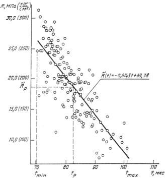
Для установления градуировочной зависимости проведены испытания полнотелого силикатного кирпича. Общее число образцов - 200. Диапазон t - от 70,2 до 101,0 мкс. По результатам испытаний вычислены значения: A = 0,6145 МПа·мкс1; В = 69,38 МПа; = 79,71 мкс; = 20,40 МПа; SR = 4,842 МПа; S = 3,506 МПа. Поскольку E = 1,9 >1,5 и = 0,17 < 0,20, определение прочности по градуировочной зависимости по формуле (2)

в указанном диапазоне времени распространения ультразвука допускается. Результаты установления градуировочной зависимости представлены на черт. 3. Если в испытаниях р-го образца получено значение tp = 82,7 мкс, то прочность этого образца, определенная по градуировочной зависимости, составит

 МПа.

2. Расчет градуировочной зависимости непараметрическим методом

Были проведены испытания 190 образцов силикатного кирпича. Располагаем результаты испытаний в порядке строгого возрастания t : t1 = 70,0, R1 = 24,62; ...; t83 = 80,7, R83 = 21,78; ...; t165 = 110,0, R165 = 6,80. Поскольку r = 165, из этой совокупности точку с номером  опускаем.

Примечание. 25 точек с абсциссами, наблюдаемыми повторно, в расчете не учитывают.

 

Черт. 3

 

Затем вычисляем  Поскольку т четно, А определяем по формуле

где А41 и А42 находим в ряду неубывающих значений А (j, j + k), для которых j = 1, ..., 82; k = 83, т. е.:

Отсюда

Наносим точки ti, Ri (i = 1, ..., 165) на координатную бумагу.

Номер -го места сверху и снизу областей рассеяния величин t и R равен 28, так что:

откуда определяем  и  по формулам (22) и (23) соответственно:

так что B =19,14 + 0,63882 · 81,6 = 71,268.

Номер (0,07r+1)-го места сверху и снизу области рассеяния и построенной на координатной бумаге прямой

равен 12, так что

 и

Расстояние вдоль оси R между отсекающими по 12 точек сверху и снизу области рассеяния прямыми, параллельными прямой  и проходящими через ближайшие к  из этих точек, равно h = 26,25 16,75 = 9,50 (см. черт. 4). Тогда S = 0,3388 · 9,50 = 3,219. Поэтому

и

3. Поверка градуировочной зависимости

Для поверки была определена прочность N = 20 образцов по настоящему стандарту и ГОСТ 8462-85. Определения прочности образцов по ГОСТ 8462-85 были проведены спустя 30 ч после выгрузки образцов из автоклава. Нулевых значений разностей  не наблюдалось. При этом оказалось, что z90 = 9. Из таблицы следует, что U (20) = 15 и L (20) = 5. Поскольку U (N) ³ zN ³ L (N), использование градуировочной зависимости допускается.

 

Черт. 4

 

Сплошными кружками отмечены точки и , через которые проходят прямые, параллельные  и отсекающие по 12 точек сверху и снизу области рассеяния относительно .

 

ПРИЛОЖЕНИЕ 6

Рекомендуемое

ФОРМА ЖУРНАЛА ИСПЫТАНИЙ СИЛИКАТНЫХ КИРПИЧА И КАМНЕЙ УЛЬТРАЗВУКОВЫМ МЕТОДОМ

Вид изделий _____________________ Тип зависимости _____________________

 

Номер образца

Время распространения ультразвука в изделии,
t, мкс

Прочность R, определенная на графике или по таблице, МПа

Примечание

 

 

 

 

 

 

 

ИНФОРМАЦИОННЫЕ ДАННЫЕ

1. РАЗРАБОТАН И ВНЕСЕН Министерством промышленности строительных материалов СССР

ИСПОЛНИТЕЛИ

Л. А. Дикарев, канд. техн. наук (руководитель темы); А. С. Бычков, канд. техн. наук (руководитель темы); Г. Н. Бабикова; Л. А. Хохлова; М. И. Шиманская; И. Н. Нагорняк

2. УТВЕРЖДЕН И ВВЕДЕН В ДЕЙСТВИЕ Постановлением Государственного строительного комитета СССР от 15.08.88 № 162

3. ВЗАМЕН ГОСТ 24332-80

4. ССЫЛОЧНЫЕ НОРМАТИВНО-ТЕХНИЧЕСКИЕ ДОКУМЕНТЫ (НТД)

Обозначение НТД, на который дана ссылка

Номер пункта, подпункта, приложения

ГОСТ 8.383-86

2.1

ГОСТ 379-79

3.2, 3 4, 4.2

ГОСТ 4366-78

2.4

ГОСТ 5774-76

2.4

ГОСТ 8462-85

3.3.5, приложения 2 - 5

 




Rambler's Top100 Яндекс цитирования
  Copyright © 2008-2025, www.docload.ru