ГОСУДАРСТВЕННЫЙ СТАНДАРТ СОЮЗА ССР

СТРОПЫ ГРУЗОВЫЕ
КАНАТНЫЕ ДЛЯ СТРОИТЕЛЬСТВА

ТЕХНИЧЕСКИЕ УСЛОВИЯ

ГОСТ 25573-82

ГОСУДАРСТВЕННЫЙ СТРОИТЕЛЬНЫЙ КОМИТЕТ СССР

Москва

ГОСУДАРСТВЕННЫЙ СТАНДАРТ СОЮЗА ССР

СТРОПЫ ГРУЗОВЫЕ КАНАТНЫЕ
ДЛЯ СТРОИТЕЛЬСТВА

Технические условия

Cargo handling горе slings for building. Specifications

ГОСТ
25573-82

Дата введения 01.01.84

Настоящий стандарт распространяется на грузовые канатные стропы, состоящие из соединительных элементов (канатных ветвей, звеньев) и захватов (крюков, карабинов) и применяемые в строительстве для строповки грузов.

1. ТИПЫ

1. Грузовые канатные стропы должны изготавливаться следующих типов:

1СК - одноветвевые;

2СК - двухветвевые;

3СК - трехветвевые;

4СК - четырехветвевые (исполнений 1 и 2);

СКП - двухпетлевые (исполнений 1 и 2);

СКК - кольцевые (исполнений 1 и 2).

2. ОСНОВНЫЕ ПАРАМЕТРЫ И РАЗМЕРЫ

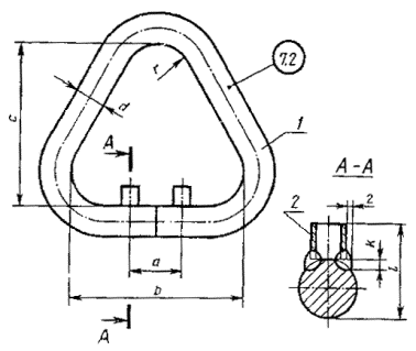
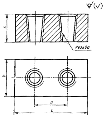
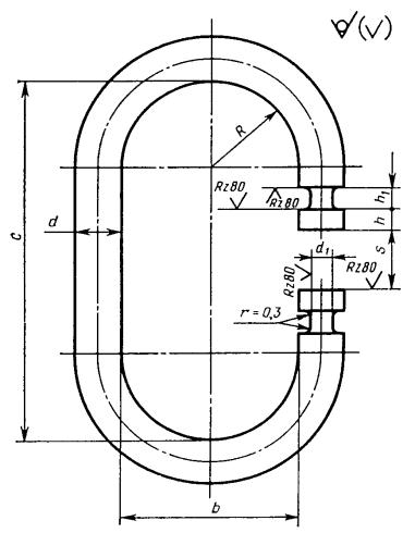
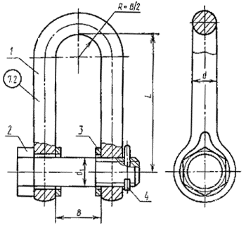
2.1. Основные параметры и размеры стропов типа 1СК должны соответствовать указанным на черт. 1 и в табл. 1.

Строп с заделкой концов каната опрессовкой алюминиевой или стальной втулкой

Строп с заделкой концов каната заплеткой

1 - канатная ветвь; 2 - звено; 3 - захват

Черт. 1

Конструкция и размеры звеньев и захватов приведены в рекомендуемом приложении 1.

Рекомендации по способам заделки концов каната приведены в рекомендуемом приложении 2.

Таблица 1

Обозначение стропа

Грузоподъемность, т

Длина стропа L, мм

Обозначение канатной ветви

Допускается нагрузка, кН (тс), на звено и на захват

1СК-0,32

0,32

900 - 5000

ВК-0,32

3,14 (0,32)

1СК-0,4

0,4

ВК-0,4

3,92 (0,4)

1CК-0,5*

0,5

1100 - 10000

ВК-0,5

4,90 (0,5)

1CК-0,63

0,63

ВК-0,63

6,18 (0,63)

1CК-0,8

08

1100 - 15000

ВК-0,8

7,85 (0,8)

1CК-1,0*

1,0

ВК-1,0

9,81 (1,0)

1CК-1,25

1,25

ВК-1,25

12,26 (1,25)

1CК-1,6

1,6

1400 - 16000

ВК-1,6

15,70 (1,6)

1CК-2,0*

2,0

ВК-2,0

19,62 (2,0)

1CК-2,5

2,5

ВК-2,5

24,52 (2,5)

1CК-3,2*

3,2

1500 - 20000

ВК-3,2

31,40 (3,2)

1CК-4,0

4,0

ВК-4,0

39,24 (4,0)

1CК-5,0*

5,0

ВК-5,0

49,05 (5,0)

1CК-6,3

6,3

2000 - 20000

ВК-6,3

61,80 (6,3)

1CК-8,0

8,0

ВК-8,0

78,50 (8,0)

1CК-10,0*

10,0

ВК-10,0

98,10 (10,0)

1CК-12,5

12,5

ВК-12,5

122,60 (12,5)

Примечание. Здесь и в последующих таблицах: стропы, рекомендуемые для преимущественного применения, отмечены знаком «*»; цифры в обозначении канатной ветви соответствуют допускаемой нагрузке на нее в тонносилах.

В условное обозначение входит наименование изделия, тип, грузоподъемность, длина и обозначение настоящего стандарта.

Пример условного обозначения одноветвевого стропа грузоподъемностью 1,6 т, длиной 2000 мм:

Строп 1CК-1,6/2000 ГОСТ 25573-72

То же, предназначенного для эксплуатации в районах с холодным климатом:

Строп 1CK-1,6 ХЛ/2000 ГОСТ 25573-82

(Измененная редакция, Изм. № 1).

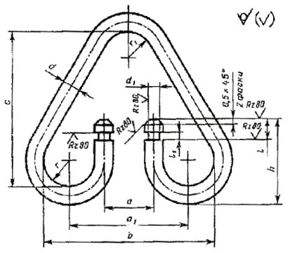
2.2. Основные параметры и размеры стропов типа 2СК должны соответствовать указанным на черт. 2 и в табл. 2.

1 - канатная ветвь; 2 - звено; 3 - захват

Черт. 2

Таблица 2

Обозначение стропа

Грузоподъемность, т

Длина стропа L, мм

Обозначение канатной ветви

Допускаемая нагрузка, кН (тс)

на звено

на захват

2СК-0,4

2СК-0,5*

0,4

0,5

900 - 5000

ВК-0,32

ВК-0,4

3,92 (0,4)

4,90 (0,5)

3,14 (0,32)

3,92 (0,4)

2СК-0,63

2СК-0,8

0,63

0,8

1100 - 10000

ВК-0,5

ВК-0,63

6,18 (0,63)

7,85 (0,8)

4,90 (0,5)

6,18 (0,63)

2СК-1,0*

2СК-1,25

2СК-1,6

1,0

1,25

1,6

1100 - 15000

ВК-0,8

ВК-1,0

ВК-1,25

9,81 (1,0)

12,26 (1,25)

15,70 (1,6)

7,85 (0,8)

9,81 (1,0)

12,26 (1,65)

2СК-2,0*

2СК-2,5

2СК-3,2*

2,0

2,5

3,2

1400 - 16000

ВК-1,6

ВК-2,0

ВК-2,5

19,62 (2,0)

24,52 (2,5)

31,40 (3,2)

15,70 (1,6)

19,62 (2,0)

24,52 (2,5)

2СК-4,0

2СК-5,0*

2СК-6,3

4,0

5,0

6,3

1500 - 20000

ВК-3,2

ВК-4,0

ВК-5,0

39,24 (4,0)

49,05 (5,0)

61,80 (6,3)

31,40 (3,2)

39,24 (4,0)

49,05 (5,0)

2СК-8,0

2СК-10,0

2СК-12,5

2CК-16,0*

8,0

10,0

12,5

16,0

2000 - 20000

ВК-6,3

ВК-8,0

ВК-10,0

ВК-12,5

78,50 (8,0)

98,10 (10,0)

122,60 (12,5)

157,00 (16,0)

61,80 (6,3)

78,50 (8,0)

98,10 (10,0)

122,60 (12,5)

2.3. Основные параметры и размеры стропов типа 3СК должны соответствовать указанным на черт. 3 и в табл. 3.

1 - канатная ветвь; 2 - звено; 3 - захват

Черт. 3

Таблица 3

Обозначение стропа

Грузоподъемность, т

Длина стропа L, мм

Обозначение канатной ветви

Допускаемая нагрузка, кН (тс)

на звено

на захват

3СК-0,63

3СК-0,8

0,63

0,8

900 - 5000

ВК-0,32

ВК-0,4

6,18 (0,63)

7,85 (0,8)

3,14 (0,32)

3,92 (0,4)

3СК-1,0*

3СК-1,25

1,0

1,25

1200 - 10000

ВК-0,5

ВК-0,63

9,81 (1,0)

12,2 (1,25)

4,90 (0,5)

6,18 (0,63)

3СК-1,6

3СК-2,0*

ЗСК-2,5

1,6

2,0

2,5

1200 - 15000

ВК-0,8

ВК-1,0

ВК-1,25

15,70 (1,6)

19,62 (2,0)

24,52 (2,5)

7,85 (0,8)

9,81 (1,0)

12,26 (1,25)

3СК-3,2*

3СК-4,0

3СК-5,0*

3,2

4,0

5,0

1600 - 16000

ВК-1,6

ВК-2,0

ВК-2,5

31,40 (3,2)

39,24 (4,0)

49,05 (5,0)

15,70 (1,6)

19,62 (2,0)

24,52 (2,5)

3СК-6,3

3СК-8,0

6,3

8,0

1700 - 20000

ВК-3,2

ВК-4,0

61,80 (6,3)

78,50 (8,0)

31,40 (3,2)

39,24 (4,0)

3СК-10,0*

3СК-12,5

3СК-16,0*

3СК-20,0

10,0

12,5

16,0

20,0

2200 - 20000

ВК-5,0

ВК-6,3

ВК-8,0

ВК-10,0

98,10 (10,0)

122,60 (12,5)

157,00 (16,0)

196,20 (20,0)

49,05 (5,0)

61,80 (6,3)

78,50 (8,0)

98,10 (10,0)

2.4. Основные параметры и размеры стропов типа 4СК исполнения 1 должны соответствовать указанным на черт. 4 и в табл. 4, исполнения 1а - на черт. и в табл. 4 (за исключением графы 6).

1 - канатная ветвь; 2 - звено; 3 - звено; 4 - захват

Черт. 4

1 - звено; 2 - канатная ветвь; 3 - захват

Черт. 4а

Таблица 4

Обозначение стропа

Грузоподъемность, т

Длина стропа L, мм

Обозначение канатной ветви

Допускаемая нагрузка, кН (тс)

на звено 1

на звено 2

на захват

1

2

3

4

5

6

7

4СК1-0,63

4СК1-0,8

4СК1-1,0*

0,63

0,8

1,0

900 - 5000

BК-0,32

ВК-0,32

ВК-0,4

6,18 (0,63)

7,85 (0,8)

9,81 (1,0)

4,90 (0,5)

4,90 (0,5)

6,18 (0,63)

3,14 (0,32)

3,14 (0,32)

3,92 (0,4)

4СК1-1,25

4СК1-1,6

1,25

1,6

1200 - 10200

ВК-0,5

ВК-0,63

12,26 (1,25)

15,70 (1,6)

7,85 (0,8)

9,81 (1,0)

4,90 (0,5)

6,18 (0,63)

4CК1-2,0*

4СК1-2,5

4СК1-3,2*

2,0

2,5

3,2

1300 - 15000

ВК-0,8

ВК-1,0

ВК-1,25

19,62 (2,0)

24,52 (2,5)

31,40 (3,2)

12,26 (1,25)

15,70 (1,6)

19,62 (2,0)

7,85 (0,8)

9,81 (1,0)

12,26 (1,25)

4СК1-4,0

4СК1-5,0*

4СК1-6,3

4,0

5,0

6,3

1600 - 16000

ВК-1,6

ВК-2,0

ВК-2,5

39,24 (4,0)

49,05 (5,0)

61,80 (6,3)

24,52 (2,5)

31,40 (3,2)

39,24 (4,0)

l5,70 (l,6)

19,62 (2,0)

24,52 (2,5)

4СК1-8,0

4СК1-10,0*

4СК1-12,5

8,0

10,0

12,5

1800 - 20000

ВК-3,2

ВК-4,0

ВК-5,0

78,50 (8,0)

98,10 (10,0)

122,60 (12,5)

49,05 (5,0)

61,80 (6,3)

78,50 (8,0)

31,40 (3,2)

39,24 (4,0)

49,05 (5,0)

4СК1-16,0*

4СК1-20,0

4CК1-25,0

4CК1-32,0

16,0

20,0

25,0

32,0

2500 - 25000

ВК-6,3

ВК-8,0

ВК-10,0

ВК-12,5

157,00 (16,0)

196,20 (20,0)

245,25 (25,0)

313,92 (32,0)

98,10 (10,0)

122,60 (12,5)

157,00 (16,0)

196,20 (20,0)

61,80 (6,3)

78,50 (8,0)

98,10 (10,0)

122,60 (12,5)

(Измененная редакция, Изм. № 1).

2.5. Основные параметры и размеры стропов типа 4СК исполнения 2 должны соответствовать указанным на черт. 5 и в табл. 5.

1 - канатная ветвь; 2 - звено 1; 3 - звено 2 (уравнительное); 4 - захват; 5 - уравнительная ветвь

Звено 2 выполняется по техническим условиям на стропы конкретных типов

Черт. 5

Таблица 5

Обозначение стропа

Грузоподъемность, т

Длина стропа L, мм

Обозначение канатной ветви

Допускаемая нагрузка, кН (тс)

на звено 1

на звено 2

на захват

4СК2-0,4

4СК2-0,5

4СК2-0,63

4СК2-0,8

0,4

0,5

0,63

0,8

1000 - 5000

ВК-0,32

ВК-0,32

ВК-0,32

ВК-0,32

3,92 (0,4)

4,90 (0,5)

6,18 (0,63)

7,85 (0,8)

3,14 (0,32)

3,92 (0,4)

4,90 (0,5)

6,18 (0,63)

3,14 (0,32)

4СК2-1,0*

1,0

ВК-0,4

9,81 (1,0)

7,85 (0,8)

3,92 (0,4)

4СК2-1,25

4СК2-1,6

4СК2-2,0*

4СК2-2,5

4СК2-3,2*

1,25

1,6

2,0

2,5

3,2

1000 - 10000

ВК-0,5

ВК-0,63

ВК-0,8

ВК-1,0

ВК-1,25

12,26 (1,25)

15,70 (1,6)

19,62 (2,0)

24,52 (2,5)

31,40 (3,2)

9,81 (1,0)

12,26 (1,25)

15,70 (1,6)

19,62 (2,0)

24,52 (2,5)

4,90 (0,5)

6,18 (0,63)

7,85 (0,8)

9,81 (1,0)

12,26 (1,25)

4СК2-4,0

4СК2-5,0*

4СК2-6,3

4,0

5,0

6,3

1600 - 15000

ВК-1,6

ВК-2,0

ВК-2,5

39,24 (4,0)

49,05 (5,0)

61,80 (6,3)

31,40 (3,2)

39,24 (4,0)

49,05 (5,0)

15,70 (1,6)

19,62 (2,0)

24,52 (2,5)

4СК2-8,0

4СК2-10,0*

4СК2-12,5

4СК2-16,0*

4СК2-20,0

4СК2-25,0*

4СК2-32,0

8,0

10,0

12,5

16,0

20,0

25,0

32,0

1800 - 20000

ВК-3,2

ВК-4,0

ВК-5,0

ВК-6,3

ВК-8,0

ВК-10,0

ВК-12,5

78,50 (8,0)

98,10 (10,0)

122,60 (12,5)

157,00 (16,0)

106,20 (20,0)

245,25 (25,0)

313,92 (32,0)

61,80 (6,3)

78,50 (8,0)

98,10 (10,0)

122,60 (12,5)

157,00 (16,0)

196,20 (20,0)

245,25 (25,0)

31,40 (3,2) 39,24 (4,0)

49,05 (5,0)

61,80 (6,3)

78,50 (8,0)

98,10 (10,0)

122,60 (12,5)

2.6. Конструкция и размеры канатных ветвей должны соответствовать указанным на черт. 6 и в табл. 6.

Допускается изготавливать канатную ветвь с переходным звеном по черт. .

Конструкция и размеры разъемных переходных звеньев должны соответствовать указанным на черт. 37 и в табл. 52, на черт. 38 и в табл. 53, на черт. 39 и в табл. 54 приложения 1.

(Измененная редакция, Изм. № 2).

Канатная ветвь с заделкой концов каната опрессовкой алюминиевой или стальной втулкой

Канатная ветвь с заделкой концов каната заплеткой

1 - канат грузового назначения марки 1, нераскручивающийся; 2 - коуш по ГОСТ 2224-72; 3 - место заделки концов каната (рекомендации по способам заделки приведены в рекомендуемом приложении 2)

Черт. 6

Канатная ветвь с переходным звеном

1 - канат грузового назначения марки 1, нераскручивающийся; 2 - коуш по ГОСТ 2224-72; 3 - место заделки концов каната (рекомендации по способам заделки приведены в рекомендуемом приложении 2); 4 - звено разъемное переходное

Черт. 6а


Таблица 6

Обозначение ветви канатной

Допускаемая нагрузка, кН (тс)

Расчетное разрывное усилие ветви каната, Н (кгс), не менее

Нагрузка при испытании, тс

Длина канатной ветви L, мм

Диаметр канатов, мм, маркировочных групп

Диаметр коуша, мм

1570 (160)

1770 (180)

ГОСТ 2688-80

ГОСТ 3071-88

ГОСТ 3079-80

ГОСТ 7668-80

ГОСТ 2688-80

ГОСТ 3071-88

ГОСТ 3079-80

ГОСТ 7668-80

ВК-0,32

3,14 (0,32)

18800 (1920)

0,4

800 - 5000

6,2

-

-

-

6,2

6,3

-

6,3

25

ВК-0,4

3,92 (0,4)

23500 (2400)

0,5

6,9

7,6

6,9

-

-

6,7

25; 30

ВК-0,5

4,90 (0,5)

29400 (3000)

0,63

1000 - 10000

8,3

8,5

-

-

8,3

-

-

8,1

30; 34

ВК-0,63

6,18 (0,63)

37000 (3780)

0,8

9,1

-

-

-

8,3

9,0

-

ВК-0,8

7,85 (0,8)

47000 (4800)

1,0

1000 - 15000

9,9

11,5

-

9,7

9,9

-

-

-

34; 40

ВК-1,0

9,81 (1,0)

59000 (6000)

1,25

11,0

-

-

-

11,0

11,5

-

11,5

ВК-1,25

12,26 (1,25)

73800 (7500)

1,6

12,0

13,5

13,5

-

12,0

-

-

11,5

40; 45

ВК-1,6

15,70 (1,6)

94200 (9600)

2,0

1250 - 16000

14,0

-

-

14,0

13,5

13,5

45

ВК-2,0

19,62 (2,0)

118000 (12000)

2,5

15,0

15,0

15,5

15,0

ВК-2,5

24,52 (2,5)

147000 (15000)

3,2

19,5

16,5

15,0

16,5

56; 63; 75

ВК-3,2

31,40 (3,2)

188000 (19200)

4,0

1250 - 20000

19,5

20,0

19,5

19,5

-

63; 75

ВК-4,0

39,24 (4,0)

236000 (24000)

5,0

22,5

22,0

21,0

21,5

ВК-5,0

49,05 (5,0)

294000 (30000)

6,3

25,5

25,0

-

24,0

-

23,5

75; 85

ВК-6,3

61,80 (6,3)

370000 (37800)

8,0

1600 - 20000

27,0

-

27,0

27,0

27,0

85

ВК-8,0

78,50 (8,0)

470000 (48000)

10,0

30,5

31,0

30,5

30,5

-

95

ВК-10,0

98,10 (10,0)

588000 (60000)

12,5

37,0

35,0

-

32,0

-

33,0

95; 105

ВК-12,5

122,60 (12,5)

735000 (75000)

16,0

39,5

-

39,5

33,5

39,0

-

95; 105

Примечание. Допускается применять канаты других маркировочных групп, при этом расчетное разрывное усилие петли каната, указанное в настоящей таблице, должно быть меньше разрывного усилия каната в целом указанного в ГОСТ 3071-88 ГОСТ 3079-80, ГОСТ 7668-80 и ГОСТ 2688-80.


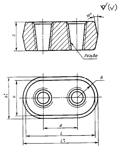
2.7. Основные параметры и размеры стропов типа СКП исполнения 1 должны соответствовать указанным на черт. 7 и в табл. 7.

Строп с заделкой концов каната опрессовкой алюминиевой втулкой

Строп с заделкой концов каната заплеткой

1 - канат грузового назначения марки 1, нераскручивающийся; 2 - место заделки концов каната (рекомендации по способам заделки приведены в рекомендуемом приложении 2)

Черт. 7

2.8. Основные параметры и размеры стропов типа СКП исполнения 2 должны соответствовать указанным на черт. 8 и в табл. 7.

1 - канат грузового назначения марки 1, нераскручивающийся; 2 - место обмотки концов прядей проволокой 1,0-0 по ГОСТ 3282-74; 3 - втулка (выполняется по техническим условиям на стропы конкретных типов)

Черт. 8


Таблица 7

Обозначение стропа

Грузоподъемность стропа, т, при угле наклона к вертикали

Расчетное разрывное усилие ветви каната, Н (кгс), не менее

Длина стропа L, мм

Длина петли стропа, мм l

Диаметр канатов, мм, маркировочных групп

Исполнение 1

Исполнение 2

1570 (160)

1770 (180)

a = 0°

2a = 90°

ГОСТ 3071-88

ГОСТ 3079-80

ГОСТ 7668-80

ГОСТ 3071-88

гост 3079-80

ГОСТ 7668-80

СКП1-0,32

СКП2-0,32

0,32

0,22

18800 (1920)

1000 - 15000

240

-

-

-

6,3

-

-

СКП1-0,36

СКП2-0,36

0,36

0,25

21200 (2160)

-

6,7

6,3

СКП1-0,40

СКП2-0,40

0,40

0,28

23500 (2400)

7,6

-

6,7

СКП1-0,45

СКП2-0,45

0,45

0,32

26500 (2700)

-

7,6

8,1

СКП1-0,50

СКП2-0,50

0,50

0,35

29400 (3000)

8,5

-

СКП1-0,56

СКП2-0,56

0,56

0,40

32900 (3360)

-

8,0

СКП1-0,63

СКП2-0,63

0,63

0,45

37100 (3780)

9,0

СКП1-0,70

СКП2-0,70

0,70

0,50

41200 (4200)

2000 - 20000

320

11,5

-

9,7

-

-

-

СКП1-0,80

СКП2-0,80

0,80

0,56

47100 (4800)

СКП1-0,90

СКП2-0,90

0,90

0,63

52900 (5400)

-

9,7

СКП1-1,0

СКП2-1,0

1,00

0,70

58900 (6000)

-

11,5

11,5

-

СКП1-1,1

СКП2-1,1

1,10

0,78

64800 (6600)

13,5

-

СКП1-1,25

СКП2-1,25

1,25

0,88

73600 (7500)

-

11,5

СКП1-1,4

СКП2-1,4

1,40

1,00

82400 (8400)

-

13,5

13,5

13,5

-

СКП1-1,6

СКП2-1,6

1,60

1,10

94200 (9600)

-

-

-

13,5

13,5

СКП1-1,8

СКП2-1,8

1,80

1,30

106000 (10300)

15,5

15,0

-

-

СКП1-2,0

СКП2-2,0

2,00

1,40

118000 (12000)

-

-

15,5

15,0

СКП1-2,25

СКП2-2,25

2,25

1,60

132000 (13500)

3000 - 25000

400

17,0

16,5

-

-

СКП1-2,5

СКП2-2,5

2,50

1,80

147000 (15000)

-

-

17,0

16,5

СКП1-2,8

СКП2-2,8

2,80

2,00

165000 (16800)

19,5

 

-

18,0

СКП1-3,2

СКП2-3,2

3,20

2,30

188000 (19200)

-

20,0

19,5

-

СКП1-3,6

СКП2-3,6

3,60

2,55

212000 (21600)

21,5

-

-

20,0

СКП1-4,0

СКП2-4,0

4,00

2,80

235000 (24000)

-

22,0

21,5

-

СКП1-4,5

СКП2-4,5

4,50

3,20

265000 (27000)

3000 - 25000

400

-

-

23,5

-

23,0

-

СКП1-5,0

СКП2-5,0

5,00

3,55

294000 (30000)

25,0

-

-

23,5

СКП1-5,6

СКП2-5,6

5,60

4,00

329000 (33600)

27,0

25,5

скп1-6,3

скп2-6,3

6,30

4,45

371000 (37800)

4000 - 30000

500

-

27,0

27,0

СКП1-7,0

СКП2-7,0

7,00

5,00

412000 (42000)

29,0

29,0

-

СКП1-8,0

СКП2-8,0

8,00

5,56

471000 (48000)

31,0

30,5

СКП1-9,0

СКП2-9,0

9,00

6,36

529000 (54000)

33,0

33,0

СКП 1-10,0

СКП2-10,0

10,00

7,10

589000 (60000)

35,0

-

-

33,0

СКП1-11,0

СКП2-11,0

11,00

7,80

647000 (66000)

-

36,5

35,0

-

СКП1-12,5

СКП2-12,5

12,50

8,50

736000 (75000)

39,5

39,0

Примечание. Грузоподъемность стропа указана для случаев строповки груза одним (a = 0°) и двумя стропами (2a = 90°).


12.7, 2.8. (Измененная редакция, Изм. № 1, 2).

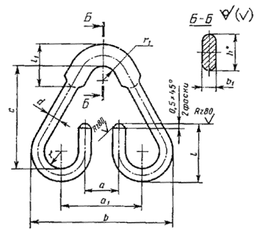
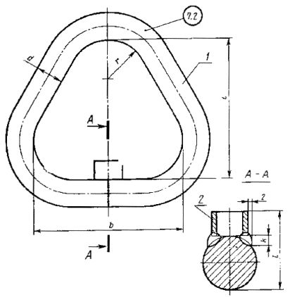
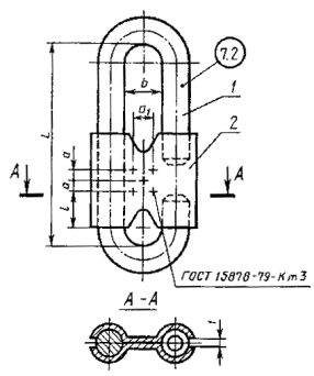
2.9. Основные параметры и размеры стропов типа СКК исполнения 1 должны соответствовать указанным на черт. 9 и в табл. 8.

Строп кольцевой с заделкой концов каната заплеткой

Черт. 9

Строп кольцевой с заделкой концов каната опрессовкой алюминиевой втулкой

1 - канат грузового назначения марки 1, нераскручивающийся; 2 - место обмотки концов прядей проволокой 1,0-0 по ГОСТ 3282-74; 3 - втулка (2 шт.)

Черт. 9а

2.10. Основные параметры и размеры стропов типа СКК исполнения 2 должны соответствовать указанным на черт. 10 и в табл. 8.

1 - канат грузового назначения марки 1, нераскручивающийся; 2 - место обмотки концов прядей проволокой 1,0-0 по ГОСТ 3282-74; 3 - втулка (выполняется по техническим условиям на стропы конкретных типов)

Черт. 10


Таблица 8

Обозначение стропа

Грузоподъемность стропа, т, при угле наклона к вертикали

Расчетное разрывное усилие ветви каната, Н (кгс), не менее

Ширина стропа В, мм

Длина петли стропа, мм l

Диаметр канатов, мм, маркировочных групп

Исполнение 1

Исполнение 2

1570 (160)

1770 (180)

a = 0°

2a = 90°

ГОСТ 3071-88

ГОСТ 3079-80

ГОСТ 7668-80

ГОСТ 3071-88

ГОСТ 3079-80

ГОСТ 7668-80

СКК1-0,32

СКК2-0,32

0,32

0,22

9400 (960)

50

800 - 30000

-

-

-

-

-

-

СКК1-0,36

СКК2-0,36

0,36

0,25

10600 (1080)

СКК1-0,4

СКК2-0,4

0,40

0,28

11800 (1200)

5,0

СКК1-0,45

СКК2-0,45

0,45

0,32

13200 (1350)

5,4

СКК1-0,5

СКК2-0,5

0,50

0,35

14700 (1500)

5,8

СКК1-0,56

СКК2-0,56

0,56

0,40

16500 (1680)

 

СКК1-0,63

СКК2-0,63

0,63

0,45

18500 (1890)

6,3

СКК1-0,7

СКК2-0,7

0,70

0,50

20600 (2100)

6,7

6,3

СКК1-0,8

СКК2-0,8

0,80

0,56

23500 (2400)

7,6

-

6,7

СКК1-0,9

СКК2-0,9

0,90

0,63

26500 (2700)

-

7,6

-

СКК1-1,0

СКК2-1,0

1,00

0,70

29400 (3000)

8,5

-

СКК1-1,1

СКК2-1,1

1,10

0,78

32400 (3300)

СКК1-1,25

СКК-1,25

1,25

0,88

36800 (3750)

-

9,0

СКК1-1,4

СКК-1,4

1,40

1,00

41000 (4200)

150

11,5

9,7

-

-

СКК1-1,6

СКК2-1,6

1,60

1,10

47000 (4800)

1500 - 30000

СКК1-1,8

СКК2-1,8

1,80

1,30

53000 (5400)

-

9,7

СКК1-2,0

СКК2-2,0

2,00

1,40

59000 (6000)

-

11,5

11,5

-

СКК1-2,25

СКК2-2,25

2,25

1,60

66000 (6750)

13,5

-

СКК1-2,5

СКК2-2,5

2,50

1,80

74000 (7500)

-

-

11,5

СКК1-2,8

СКК2-2,8

2,80

2,00

82000 (8400)

-

13,5

13,5

-

СКК1-3,2

СКК2-3,2

3,20

2,30

94000 (9600)

-

-

13,5

13,5

СКК1-3,6

СКК2-3,6

3,60

2,55

106000 (10800)

15,5

15,0

-

-

СКК1-4,0

СКК2-4,0

4,00

2,80

118000 (12000)

-

-

15,5

15,0

СКК1-4,5

СКК2-4,5

4,50

3,20

132000 (13500)

200

2000 - 30000

17,0

16,5

-

-

СКК1-5,0

СКК2-5,0

5,00

3,55

147000 (15000)

-

-

17,0

16,5

СКК1-5,6

СКК2-5,6

5,60

4,00

165000 (16800)

19,5

-

18,0

скК1-6,3

скК2-6,3

6,30

4,45

185000 (18900)

-

20,0

19,5

-

СКК1-7,0

СКК2-7,0

7,00

5,00

206000 (21000)

21,5

-

-

20,0

СКК1-8,0

СКК2-8,0

8,00

5,56

235000 (24000)

-

22,0

21,5

-

СКК1-9,0

СКК2-9,0

9,00

6,36

265000 (27000)

23,0

23,0

СКК1-10,0

СКК2-10,0

10,00

7,10

294000 (30000)

25,0

-

-

23,5

СКК1-11,0

СКК2-11,0

11,00

7,80

324000 (33000)

-

25,5

25,0

-

СКК1-12,5

СКК2-12,5

12,50

8,50

368000 (37500)

-

27,0

27,0

СКК1-14,0

СКК2-14,0

14,0

9,90

412000 (42000)

250

29,0

29,0

-

СКК1-16,0

СКК2-16,0

16,0

11,30

470000 (48000)

31,0

30,05

Примечание. Грузоподъемность стропа указана для случаев строповки груза одним (a = 0°) и двумя стропами (2a = 90°). Схема строповки грузов с применением стропов СКК приведена в рекомендуемом приложении 3.


2.9, 2.10. (Измененная редакция, Изм. № 1, 2).

3. ТЕХНИЧЕСКИЕ ТРЕБОВАНИЯ

3.1. Грузовые канатные стропы должны изготавливаться в соответствии с требованиями ГОСТ 25032-81, настоящего стандарта, правилами устройства и безопасной эксплуатации грузоподъемных кранов Госгортехнадзора СССР, рабочими чертежами, утвержденными в установленном порядке.

(Измененная редакция, Изм. № 1).

3.2. Стропы климатического исполнения ХЛ по ГОСТ 15150-69 должны сохранять работоспособность в условиях низких температур до минус 60 °С.

3.3. Стропы и их элементы должны выдерживать статическую нагрузку, превышающую на 25 % их номинальную.

3.4. Коэффициент запаса прочности канатов стропов по отношению к расчетному разрывному усилию должен быть не менее 6.

3.5. Коэффициент запаса прочности соединительных элементов (кроме канатов) и захватов стропов по отношению к разрушающей нагрузке должен быть не менее 5.

3.6. Диаметры блоков (уравнительных звеньев) стропов должны быть не менее 8 диаметров каната.

3.7. Канаты для стропов должны соответствовать требованиям ГОСТ 3071-88, ГОСТ 3079-80 и ГОСТ 7668-80.

Для стропов типов 1СК, 2СК, 3СК и 4СК допускается применять канаты по ГОСТ 2688-80, ГОСТ 3070-88, ГОСТ 3077-80 и ГОСТ 7665-80.

Для стропов климатического исполнения ХЛ следует применять канаты по ГОСТ 3071-88 и ГОСТ 3079-80.

3.8. Канатные ветви стропов следует изготавливать из целого каната. Сращивание канатов не допускается.

3.9. Коуши стропов должны соответствовать техническим требованиям ГОСТ 2224-72.

(Измененная редакция, Изм. № 1).

3.10. Основные детали стропов должны изготавливаться из материалов, указанных в табл. 9.

Таблица 9

Наименование деталей стропов

Марки материала для деталей климатического исполнения

У (умеренный климат)

ХЛ (холодный климат)

Крюк, скоба карабина

Сталь 20 по ГОСТ 1050-88

15 ХСНД, 09Г2С по ГОСТ 19281-89

Детали соединительных элементов, несущие силовую нагрузку (кроме каната)

Сталь 20 по ГОСТ 1050-88, Ст3сп по ГОСТ 380-88

То же

Детали соединительных элементов, не несущие силовую нагрузку (пластина карабина, упор, кольцо полумуфты, замок крюка)

Ст3пс по ГОСТ 380-88

Ст3сп по ГОСТ 380-88

3.11. При изготовлении ветвей стропов типов 1СК, 2СК, 3СК и 4СК концы канатов заделывают опрессовкой алюминиевой или стальной втулками, либо заплеткой.

Для стропов исполнения ХЛ заделка концов канатов стальной втулкой не допускается.

3.12. Втулки для заделки концов канатов опрессовкой должны изготавливаться из алюминиевых сплавов марок АД0, АД1, АД31, АМЦ по ГОСТ 4784-74 или из стали марки Сталь 20 по ГОСТ 1050-88.

3.13. Конструкция и размеры втулок для опрессовки приведены в рекомендуемом приложении 2.

Поверхность втулки до опрессовки не должна иметь забоин, вмятин и других механических повреждений.

При появлении на алюминиевой втулке вмятин глубиной более 35 % от толщины стенки втулки и трещин строп бракуют.

Заделанный конец каната должен выступать из втулки не менее чем на 2 мм.

Втулки стропов после опрессовки не должны иметь трещин.

(Измененная редакция, Изм. № 2).

3.14. Разность длин канатных ветвей стропов типа 4СК1 не должна превышать значений, указанных в табл. 10.

Таблица 10

мм

Длина ветвей

Разность длин ветвей

До 2000 включ.

20

Св. 2000 до 3000 »

30

» 3000 » 4000 »

40

» 4000 » 6000 »

50

» 6000

60

3.15. При заделке концов канатов заплеткой места заплетки должны обкатываться обжимными роликами или протягиваться через обжимную втулку.

Допускается при индивидуальном изготовлении стропов место заплетки уплотнять обстукиванием молотком.

Места заплетки с выступающими концами проволок прядей должны быть обмотаны проволокой диаметром 1 мм по ГОСТ 3282-74 или другим материалом.

При обмотке проволокой или другим материалом должно быть обеспечено перекрытие участка с выступающими концами проволок прядей на 10 - 30 мм в обе стороны в зависимости от диаметра каната.

Витки проволоки должны плотно прилегать к канату и друг к другу, а концы проволоки - заделаны способом, исключающим ее разматывание.

(Измененная редакция, Изм. № 1).

3.16. Соединительные элементы (звенья) из круглой стали должны изготавливаться гибкой в холодном или горячем состоянии, а захваты (крюки, карабины) - ковкой или штамповкой.

Качество поковок - по группе II ГОСТ 8479-70.

Применение сварки при изготовлении крюков не допускается.

3.17. На поверхностях деталей звеньев и захватов не допускаются трещины, плены, расслоения, волосовины и надрывы.

Заваривать и заделывать указанные дефекты не допускается.

3.18. После гибки или штамповки концы звеньев из круглой стали должны свариваться контактной стыковой сваркой сопротивлением или сплавлением.

Сварной шов треугольного звена должен располагаться в центре нижней стороны звена, а овальных звеньев - на прямолинейном участке.

Допускается применять ручную дуговую сварку сварного соединения с конструктивными элементами, разработанными по документации, утвержденной в установленном порядке.

(Измененная редакция, Изм. № 1).

3.19. При сварке звеньев из круглой стали увеличение диаметра в месте сварки не должно превышать 10 %.

3.20. Смещение свариваемых концов звена в месте стыка не должно превышать значений, приведенных в табл. 11.

Таблица 11

мм

Диаметр сечения звена

Смещения концов звена

До 13 включ.

0,5

Св. 13 до 24 »

1,0

» 24 » 40 »

1,5

» 40

2,0

3.21. Сварочные материалы, применяемые для сварки деталей стропов, должны обеспечивать механические свойства сварного соединения не ниже механических свойств основного металла.

3.22. В местах сварки не должно быть непроваров и подрезов.

3.23. Сварку звеньев стропов должны производить сварщики, аттестованные в соответствии с правилами аттестации сварщиков Госгортехнадзора СССР.

3.24. Сварку пластин карабинов производят точечной контактной сваркой в соответствии с рекомендуемым приложением 1. Пластины после сварки должны перемещаться свободно без заеданий.

3.25. Крюки после ковки или штамповки, скобы разъемных звеньев после гибки, а неразъемные звенья после сварки должны быть термообработаны и очищены от окалины.

Детали для стропов климатического исполнения У должны быть подвергнуты нормализации, а детали климатического исполнения ХЛ - нормализации или закалке с последующим отпуском.

После термообработки твердость металла деталей климатического исполнения У должна быть не менее НВ 110, климатического исполнения ХЛ - не менее НВ 135, ударная вязкость металла деталей климатического исполнения ХЛ должна быть не менее 29 Дж/см2 (3 кгс×м/см2) при температуре минус 40 °С.

Предел текучести и относительное удлинение металла деталей после термообработки должны быть не ниже, чем до термообработки.

3.26. Планки для разъемных звеньев Рт1, Рт2 и Рт3 допускается изготавливать из набора пластин толщиной не менее 12 мм.

(Измененная редакция, Изм. № 1).

3.27. Конструкция обойм уравнительных блоков должна исключать возможность самопроизвольного спадания канатов с блока.

3.28. Уравнительные блоки должны свободно вращаться на осях.

3.29. Блоки должны изготовляться из стали с механическими свойствами не ниже стали марки 25Л-III по ГОСТ 977-88.

3.30. Оси блоков следует изготавливать в соответствии с требованиями ГОСТ 9650-80.

3.31. Оси блоков должны изготовляться из стали с механическими свойствами не ниже стали марки 35 по ГОСТ 1050-88, исполнения ХЛ - из стали 40Х по ГОСТ 4543-71.

3.32. Перед эксплуатацией стропов необходимо удалить с канатных ветвей консервационную смазку.

3.33. Неуказанные предельные отклонения размеров: по Н16, h16, ±  - для деталей, изготовленных гибкой;

образуемых при механической обработке - по Н14, h14, ± ;

образуемых штамповкой - по II группе ГОСТ 7505-89;

образуемых ковкой - по ГОСТ 7829-70.

3.34. Стропы, имеющие разъемные звенья типа Рт2 с увеличенным радиусом гибки скобы и овальные звенья типа Ов2, навешиваются на крюки грузоподъемных машин грузоподъемностью от 3 до 25 т согласно табл. 11аa.

Таблица 11а

Грузоподъемность крюка грузоподъемной машины, т

Тип звена

Рт2

Ов2

3,0

-

Ов2-0,4

Ов2-0,5

Ов2-0,63

5,0

Рт2-0,8

Рт2-1,0

Рт2-1,25

Ов2-0,8

Ов2-1,0

Ов2-1,25

10,0

Рт2-1,6

Рт2-2,0

Рт2-2,5

Рт2-3,2

Ов2-1,6

Ов2-2,0

Ов2-2,5

Ов2-3,2

16,0

Рт2-4,0

Рт2-5,0

Рт2-6,3

Рт2-8,0

Ов2-4,0

Ов2-5,0

Ов2-6,3

Ов2-8,0

25,0

Рт2-10,0

Рт2-12,5

Рт2-16,0

Ов2-10,0

Ов2-12,5

Ов2-16,0

3.35. Допускается конец стропа типа 1СК изготавливать по типу стропа СКП1.

3.36. В крюках допускается применять замки предохранительные, изготовленные по ГОСТ 12840-80 или рабочим чертежам предприятий-изготовителей, утвержденным в установленном порядке и согласованным с базовой организацией по грузозахватным устройствам Госстроя СССР.

3.37. Втулка для стропов типов СКП2 и СКК2 должна свободно перемещаться по канату. Гарантированный зазор между стенкой втулки и канатом должен быть не менее 5 мм.

3.38. Втулки для стропов типов СКП2 и СКК2 должны изготавливаться из стали марки 20 по ГОСТ 1050-88 и стали марки 25Л по ГОСТ 977-88.

3.39. Крюк втулки для стропов типов СКП2 и СКК2 должен выдерживать нагрузку, равную половине грузоподъемности стропа и направленную параллельно его ветви.

3.40. Коэффициент запаса прочности крюка втулки для стропов типов СКП2 и СКК2 по изгибу должен быть не менее 1,25 от действующего на него усилия.

3.41. Втулки для стропов типов СКП2 и СКК2 должны изготавливаться по рабочим чертежам предприятий-изготовителей, утвержденным в установленном порядке и согласованным с базовой организацией по грузозахватным устройствам Госстроя СССР.

3.33 - 3.41. (Введены дополнительно, Изм. № 1).

4. ТРЕБОВАНИЯ БЕЗОПАСНОСТИ

4.1. При изготовлении стропов должны соблюдаться следующие требования безопасности: к производственному процессу по ГОСТ 12.3.002-75, к электробезопасности по ГОСТ 12.1.019-79, к работе с абразивным инструментом по ГОСТ 12.1.001-83.

4.2. Резку каната абразивным кругом следует выполнять с использованием защитных очков или защитных щитков.

4.3. Крюки стропов должны быть снабжены предохранительными замками, конструкция и размеры которых приведены в рекомендуемом приложении 1. Допускается применять предохранительные замки крюков по ГОСТ 12840-80 и по рабочим чертежам предприятий-изготовителей, утвержденным и согласованным с базовой организацией по грузозахватным устройствам Госстроя СССР.

(Измененная редакция, Изм. № 2).

4.4. При проведении испытаний строп или канатная ветвь должны быть ограждены сплошным или сетчатым кожухом для предохранения рабочих от травм.

4.5. Испытания и эксплуатация стропов должны производиться в соответствии с требованиями «Правил устройства и безопасной эксплуатации грузоподъемных кранов» Госгортехнадзора СССР и СНиП III-4-80 «Техника безопасности в строительстве».

4.6. Грузовые стропы, не прошедшие технического освидетельствования, установленного правилами устройства и безопасной эксплуатации грузоподъемных кранов Госгортехнадзора СССР, к работе не допускаются.

5. ПРАВИЛА ПРИЕМКИ

5.1. Для проверки соответствия стропов требованиям настоящего стандарта предприятие-изготовитель должно проводить приемо-сдаточные испытания.

5.2. При приемо-сдаточных испытаниях каждый строп проверяют на соответствие требованиям пп. 3.7 - 3.10, 3.12 - 3.15 и 3.17.

На соответствие требованиям пп. 3.3 - 3.22 проверяют 10 % стропов от партии в случае заделки концов канатов опрессовкой алюминиевой и стальной втулками, включая первый и последний строп, и 2 % - в случае заделки концов канатов заплеткой.

Общее число проверяемых стропов не должно быть менее 2.

Партия стропов должна состоять из изделий одного типа и грузоподъемности, изготовленных из каната с одного барабана (бухты) и деталей из одной партии.

Партия деталей должна состоять из деталей одного типоразмера, изготовленных из металла одной марки и совместно прошедших термообработку.

При индивидуальном изготовлении на соответствие требованиям п. 3.3 проверяют каждый строп.

(Измененная редакция, Изм. № 2).

5.3. Крюки, карабины и звенья следует проверять на соответствие требованиям:

пп. 3.16, 3.18 - 3.21, 3.22 (подрез), 3.24 - все изделия;

п. 3.3 - 2 % изделий от партии;

ГОСТ 8479-70 - все заготовки крюков, изготовленные методом свободной ковки и первый и последний крюк от партии, изготовленные методом горячей штамповки;

п. 3.22 (непровар) - 2 % звеньев от партии;

п. 3.25 (твердость стали) - 1 % скоб разъемных звеньев и карабинов; звеньев треугольных, овоидных и овальных; заготовок крюков от партии.

У заготовок крюков предел текучести и относительное удлинение металла надлежит проверять в объеме, указанном в табл. 12.

Таблица 12

Размер партии

Число заготовок крюков

До 6 включ.

1

Св. 7 до 30 »

2

» 31 до 200 »

3

» 200

5

Образцы для испытаний заготовок крюков, изготовляемых методом свободной ковки, должны вырезаться из припуска на заготовки, а изготовляемых методом горячей штамповки - из тела заготовки крюка или из отдельно кованной пробы по режиму, установленному для штамповок из металла той же плавки.

Временное сопротивление разрыву и ударную вязкость стали следует проверять по требованию потребителя.

(Измененная редакция, Изм. № 1, 2).

5.4. При получении неудовлетворительных результатов проверки по какому-либо из показателей должна производиться повторная проверка по этому показателю удвоенного числа образцов, взятых от той же партии.

В случае неудовлетворительных результатов повторной проверки партию бракуют.

6. МЕТОДЫ ИСПЫТАНИЙ

6.1. Испытание стропов на прочность проводят статической нагрузкой в соответствии с правилами устройства и безопасной эксплуатации грузоподъемных кранов Госгортехнадзора СССР.

При испытании стропа его ветви должны быть расположены под углом 90° друг к другу.

Допускаются испытания под другим углом с соответствующим пересчетом действующих нагрузок.

При серийном изготовлении стропов время их выдержки под нагрузкой - 3 мин, при индивидуальном - 10 мин.

Нагрузку при определении усилий в стропах определяют динамометром или же контрольным грузом.

6.2. Соответствие материалов деталей стропов и сварочных материалов указанным в рабочих чертежах проверяют по сертификатам или результатам лабораторного анализа.

6.3. Качество поверхностей деталей звеньев и захватов, правильность расположения сварных швов звеньев, качество заделки концов канатов, цельность канатов ветвей стропов проверяют визуально.

6.4. Увеличение диаметра сечения звеньев и смещение их концов в месте сварки, величину конца каната, выступающего из втулки после заделки, а также разность длин канатных ветвей проверяют линейкой, штангенциркулем, шаблонами или калибрами.

6.5. Качество сварных соединений звеньев проверяют путем их осмотра, обмера и механических испытаний звеньев на статическое растяжение по ГОСТ 6996-66.

6.6. Твердость металла определяют по ГОСТ 9012-59 и ГОСТ 9013-59.

Предел текучести, временное сопротивление разрыву и относительное удлинение металла определяют по ГОСТ 1497-84.

Ударную вязкость металла определяют по ГОСТ 9454-78.

7. МАРКИРОВКА, УПАКОВКА, ТРАНСПОРТИРОВАНИЕ И ХРАНЕНИЕ

7.1. Каждый строп должен быть снабжен клеймом или прочно прикрепленной металлической биркой, на которой указывают:

наименование или товарный знак предприятия-изготовителя;

номер стропа по системе нумерации предприятия-изготовителя;

грузоподъемность стропа;

дату испытаний (месяц, год).

7.2. На каждом звене и захвате стропа на установленном для маркировки месте ударным способом или штамповкой должно быть нанесено:

наименование или товарный знак предприятия-изготовителя;

допускаемая нагрузка;

год испытания (последние две цифры).

7.1, 7.2. (Измененная редакция, Изм. № 2).

7.3. Стропы одного типа, длины и одинаковой грузоподъемности, свернутые кольцом, комплектуют в одну общую бухту, которую завязывают по периметру не менее чем в трех местах.

Канатные стропы диаметром до 11,5 мм и длиной до 3,5 м могут быть связаны в пачки или уложены в контейнеры. Масса пачки не должна превышать 100 кг.

7.4. Маркировка грузовых мест бухты, пачки - по ГОСТ 14192-77.

7.5. Транспортирование стропов - по группе условий хранения ОЖ3 по ГОСТ 15150-69 транспортом любого вида.

7.6. Хранение стропов - по группе условий хранения ОЖ4 по ГОСТ 15150-69.

7.7. Сведения об изготовленных стропах должны заноситься в журнал в соответствии с правилами устройства и безопасной эксплуатации грузоподъемных кранов Госгортехнадзора СССР.

7.8. Строп, ветвь канатная, звено или их партии, изготавливаемые для сторонних организаций, должны сопровождаться документом (паспортом), удостоверяющим соответствие их требованиям настоящего стандарта, в котором указывают:

наименование или товарный знак предприятия-изготовителя;

тип изделия;

грузоподъемность (допускаемую нагрузку);

длину (для стропов и канатных ветвей);

порядковый номер по системе нумерации предприятия-изготовителя;

количество в партии;

год и месяц выпуска;

результаты проверок и испытаний;

гарантийные обязательства;

обозначение настоящего стандарта.

8. ГАРАНТИИ ИЗГОТОВИТЕЛЯ

8.1. Изготовитель должен гарантировать соответствие стропов требованиям настоящего стандарта при соблюдении потребителем условий хранения и эксплуатации, установленных стандартом.

8.2. Гарантийный срок эксплуатации стропов типов СКП и СКК - 3 мес, остальных - 6 мес при односменной работе.

ПРИЛОЖЕНИЕ 1

Рекомендуемое

КОНСТРУКЦИЯ И РАЗМЕРЫ ЗВЕНЬЕВ И ЗАХВАТОВ

1. В качестве соединительных элементов могут быть использованы:

звенья разъемные треугольные Рт исполнений Рт1, Рт2, Рт3 и Рт4;

звенья разъемные овальные Ров;

звенья треугольные Т;

звенья овоидные О;

звенья овальные Ов исполнений Ов1 и Ов2.

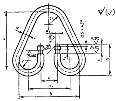
1.1. Конструкция и размеры звеньев Рт исполнения Рт1, эксплуатируемых в районах с умеренным климатом, должны соответствовать указанным на черт. 1 и в табл. 1, а в районах с холодным климатом - на черт. 1 и в табл. 2.

1.1.1. Конструкция и размеры скобы Ст исполнения Ст1 для звеньев Рт1, эксплуатируемых в районах с умеренным климатом, должны соответствовать указанным на черт. 2 и в табл. 3, а в районах с холодным климатом - на черт. 2 и в табл. 4.

1 - скоба; 2 - ограничитель; 3 - планка; 4 - болт по ГОСТ 7798-70; 5 - гайка по ГОСТ 5919-73; 6 - шплинт по ГОСТ 397-79

Черт. 1

Пример условного обозначения разъемного звена Рт1 с допускаемой нагрузкой 78,5 кН (8,0 тс) для районов с умеренным климатом:

Звено Рт1-8,0 ГОСТ 25573-82

То же, предназначенного для эксплуатации в районах с холодным климатом:

Звено Рт1-8,0 ХЛ ГОСТ 25573-82


Таблица 1

Обозначение звена

Допускаемая нагрузка, кН (тс)

Размеры звена, мм

Обозначение деталей звена

Масса, кг

d

a

b

с

r

Скоба

Ограничитель

Планка

Болт

Гайка

Шплинт

Рт1-0,63

6,18 (0,63)

14

32

126

115

20

Ст1-1,0

Oг-1,0

П-1,0

2М8´35.36

М8,4

2´20-001

1,00

Рт1-0,8

7,85 (0,80)

Рт1-1,0

9,81 (1,00)

Рт1-1,25

12,26 (1,25)

16

38

142

130

22

Ст1-1,25

Oг-1,25

П-1,25

1,33

Рт1-1,6

15,70 (1,60)

18

156

140

25

Ст1-1,6

Oг-1,6

П-1,6

1,69

Рт1-2,0

19,62 (2,00)

20

42

174

160

30

Ст1-2,0

Oг-2,0

П-2,0

2,29

Рт1-2,5

24,52 (2,50)

22

50

192

175

32

Ст1-2,5

Oг-2,5

П-2,5

2М10´40.36

М10,4

2,5´25-001

3,00

Рт1-3,2

31,40 (3,20)

25

55

200

185

35

Ст1-3,2

Oг-3,2

П-3,2

4,12

Рт1-4,0

39,24 (4,00)

28

60

228

215

40

Ст1-4,0

Oг-4,0

П-4,0

2М12´45.36

М12,4

3,2´32-001

5,76

Рт1-5,0

49,05 (5,00)

32

68

260

240

45

Ст1-5,0

Oг-5,0

П-5,0

8,50

Рт1-6,3

61,80 (6,30)

35

74

289

265

50

Ст1-6,3

Oг-6,3

П-6,3

2М12´50.36

11,00

Рт1-8,0

78,50 (8,00)

40

82

322

295

55

Ст1-8,0

Oг-8,0

П-8,0

15,48

Рт1-10,0

98,10 (10,00)

45

90

355

325

60

Cт1-10,0

Oг-10,0

П-10,0

2М12´55.36

22,40

Рт1-12,5

122,00 (12,50)

50

100

390

360

65

Ст1-12,5

Ог-12,5

П-12,5

2М12´60.36

30,00

Рт1-16,0

157,00 (16,00)

55

110

425

395

75

Ст1-16,0

Ог-16,0

П-16,0

2М12´70.36

41,10

Примечание. Здесь и в последующих таблицах последние цифры в обозначении звена и деталей соответствуют допускаемой нагрузке на них.

Таблица 2

Обозначение  звена

Допускаемая нагрузка. кН (тс)

Размеры звена, мм

Обозначение деталей звена

Масса, кг

d

a

b

с

r

Скоба

Ограничитель

Планка

Болт

Гайка

Шплинт

Рт1-0,63ХЛ

6,18 (0,63)

14

32

126

115

20

Ст1-0,63ХЛ

Ог-0,63ХЛ

П-0,63ХЛ

2М8´35.36

М8.4

2´20.001

1,00

Рт1-0,8ХЛ

7,85 (0,80)

Ст1-0,8ХЛ

Ог-0,8ХЛ

П-0,8ХЛ

Рт1-1,0ХЛ

9,81 (1,00)

Ст1-1,0ХЛ

Ог-1,0ХЛ

П-1,0ХЛ

Рт1-1,25ХЛ

12,26 (1,25)

Ст1-1,25ХЛ

Ог-1,25ХЛ

П-1,25ХЛ

Рт1-1,6ХЛ

15,70 (1,60)

16

38

142

130

22

Ст1-1,6ХЛ

Ог-1,6ХЛ

П-1,6ХЛ

1,33

Рт1-2,0ХЛ

19,62 (2,00)

18

156

140

25

Ст1-2,0ХЛ

Ог-2,0ХЛ

П-2,0ХЛ

1,69

Рт1-2,5ХЛ

24,52 (2,50)

20

42

174

160

30

Ст1-2,5ХЛ

Ог-2,5ХЛ

П-2,5ХЛ

2,29

Рт1-3,2ХЛ

31,40 (3,20)

22

50

192

175

32

Ст1-3,2ХЛ

Ог-3,2ХЛ

П-3,2ХЛ

2М10´40.36

М10.4

2,5´25.001

3,00

Рт1-4,0ХЛ

39,24 (4,00)

25

55

200

185

35

Ст1-4,0ХЛ

Ог-4,0ХЛ

П-4,0ХЛ

4,12

Рт1-5,0ХЛ

49,05 (5,00)

28

60

228

215

40

Ст1-5,0ХЛ

Ог-5,0ХЛ

П-5,0ХЛ

2М12´45.36

М12.4

3,2´32.001

5,76

Рт1-6,3ХЛ

61,80 (6,30)

32

68

260

240

45

Ст1-6,3ХЛ

Ог-6,3ХЛ

П-6,3ХЛ

8,50

Рт1-8,0ХЛ

78,50 (8,00)

35

74

289

265

50

Ст1-8,0ХЛ

Ог-8,0ХЛ

П-8,0ХЛ

2М12´50.36

11,00

Рт1-10,0ХЛ

98,10 (10,00)

40

82

322

295

55

Ст1-10,0ХЛ

Ог-10,0ХЛ

П-10,0ХЛ

15,48

Рт1-12,5ХЛ

122,00 (12,50)

45

90

355

325

60

Ст1-12,5ХЛ

Ог-12,5ХЛ

П-12,5ХЛ

2М12´ 55.36

22,40

Рт1-16,0ХЛ

157,00 (16,00)

50

100

390

360

65

Ст1-16,0ХЛ

Ог-16,0ХЛ

П-16,0ХЛ

2M12´60.36

30,00

Рт1-20,0ХЛ

196,20 (20,00)

55

110

425

395

75

Ст1-20,0ХЛ

Ог-20,0ХЛ

П-20,0ХЛ

2М12´70.36

41,10


Материал для деталей климатического исполнения У - Сталь 20 по ГОСТ 1050-88 или Ст3сп по ГОСТ 380-88, для деталей климатического исполнения ХЛ-15ХСНД или 09Г2С по ГОСТ 19281-89

Черт. 2


Таблица 3

Размеры, мм

Обозначение скобы

d

d1

a

a1

b

h

l

l1

c

r

r1

Длина развертки

Масса, кг

Номин.

Пред. откл.

Ст1-0,63

14

8

32

± 1,0

86

126

72

13

6

115

20

20

495

0,6

Ст1-0,8

Cт1-1,0

Ст1-1,25

16

10

38

98

142

80

17

130

22

22

560

0,9

Ст1-1,6

18

12

106

156

85

140

25

25

610

1,2

Ст1-2,0

20

42

118

174

90

160

28

30

672

1,7

Cт1-2,5

22

14

50

± 1,5

132

192

97

18

175

30

32

750

2,2

Ст1-3,2

25

18

55

140

200

100

185

35

779

3,1

Ст1-4,0

28

22

60

158

228

115

22

7

215

35

40

894

4,3

Ст1-5,0

32

26

68

180

260

130

25

240

40

45

1016

6,4

Ст1-6,3

35

28

74

199

289

140

265

45

50

1113

8,4

Ст1-8,0

40

30

82

222

322

150

8

295

50

55

1232

12,0

Ст1-10,0

45

35

90

245

355

175

35

10

325

55

60

1376

17,0

Ст1-12,5

50

40

100

270

390

195

40

360

60

65

1514

22,8

Ст1-16,0

55

45

110

295

425

215

45

12

395

65

75

1670

31,0

Таблица 4

Размеры, мм

Обозначение скобы

d

d1

a

a1

b

h

l

l1

c

r

r1

Длина развертки

Масса, кг

Номин.

Пред. откл.

Ст1-0,63ХЛ

14

8

32

± 1,0

86

126

72

13

6

115

20

20

504

0,6

Ст1-0,8ХЛ

Cт1-1,0ХЛ

Ст1-1,25ХЛ

Ст1-1,6ХЛ

16

10

38

98

142

80

17

130

22

25

565

0,9

Ст1-2,0ХЛ

18

12

106

156

85

140

25

30

616

1,2

Cт1-2,5ХЛ

20

42

± 1,5

118

174

90

160

28

32

682

1,7

Ст1-3,2ХЛ

22

14

50

132

192

97

18

175

30

35

742

2,2

Ст1-4,0ХЛ

25

18

55

140

200

100

185

40

782

3,1

Ст1-5,0ХЛ

28

22

60

158

228

115

22

7

215

35

45

900

4,4

Ст1-6,3ХЛ

32

26

68

180

260

130

25

240

40

50

1015

6,5

Ст1-8,0ХЛ

35

28

74

199

289

140

265

45

55

1116

8,5

Ст1-10,0ХЛ

40

30

82

222

322

150

8

295

50

60

1230

12,1

Ст1-12,5ХЛ

45

35

90

245

355

175

35

10

325

55

65

1380

17,1

Ст1-16,0ХЛ

50

40

100

270

390

195

40

360

60

75

1528

23,1

Ст1-20,0ХЛ

55

45

110

295

425

215

45

12

395

65

85

1675

31,4


1.1.2. Конструкция и размеры ограничителя Ог для звеньев Рт, эксплуатируемых в районах с умеренным климатом, должны соответствовать указанным на черт. 3, а в районах с холодным климатом - на черт. 3 и в табл. 5, 6.

Материал для деталей климатического исполнения У - Ст3пс по ГОСТ 380-88 для деталей климатического исполнения ХЛ - Ст3сп по ГОСТ 380-88

Черт. 3


Таблица 5

Размеры, мм

Обозначение ограничителя

a

а1

b

b1

с

d

l

l1

Толщина ограничителя s

r

Масса, кг

Номин.

Пред. откл.

Номин.

Пред. откл.

Номин.

Пред. откл.

Ог-1,0

32

± 0,5

16,0

±0,35

25

14

4,5

± 0,5

9

90

9

4

4,5

0,06

Ог-1,25

38

19,0

28

16

100

11

5,5

0,08

Ог-1,6

30

18

110

14

7

0,09

Ог-2,0

42

21,0

32

20

130

0,11

Ог-2,5

50

± 1,0

25,0

36

22

10,5

11

150

16

8

0,15

Ог-3,2

55

27,5

40

25

160

20

10

0,17

Ог-4,0

60

30,0

45

28

15,0

14

190

24

5

12

0,28

Ог-5,0

68

34,0

50

32

220

28

14

0,36

Ог-6,3

74

37,0

35

240

30

15

0,41

Ог-8,0

82

41,0

60

40

17,0

270

32

6

16

0,65

Ог-10,0

90

45,0

65

45

300

37

8

18,5

1,03

Ог-12,5

100

50,0

70

50

320

42

21

1,16

Ог-16,0

110

55,0

75

55

360

47

10

23,5

1,71

Ог-20,0

140

70,0

80

60

20,0

400

64

32

2,00

Таблица 6

Размеры, мм

Обозначение ограничителя

a

а1

b

b1

с

d

l

l1

Толщина ограничителя s

r

Масса, кг

Номин.

Пред. откл.

Номин.

Пред. откл.

Номин.

Пред. откл.

Ог-0,63ХЛ

32

± 0,5

16,0

±0,35

25

14

4,5

± 0,5

9

90

9

4

4,5

0,06

Ог-0,8ХЛ

Ог-1,0ХЛ

Ог-1,25ХЛ

Ог-1,6ХЛ

38

19,0

28

16

100

11

5,5

0,08

Ог-2,0ХЛ

30

18

110

14

7

0,09

Ог-2,5ХЛ

42

21,0

32

20

130

0,11

Ог-3,2ХЛ

50

± 1,0

25,0

36

22

10,5

11

150

16

8

0,15

Ог-4,0ХЛ

55

27,5

40

25

160

20

10

0,17

Ог-5,0ХЛ

60

30,0

45

28

15,0

14

190

24

5

12

0,28

Ог-6,3ХЛ

68

34,0

50

32

220

28

14

0,36

Ог-8,0ХЛ

74

37,0

35

240

30

15

0,41

Ог-10,0ХЛ

82

41,0

60

40

17,0

270

32

6

16

0,65

Ог-12,5ХЛ

90

45,0

65

45

300

37

8

18,5

1,03

Ог-16,0ХЛ

100

50,0

70

50

320

42

21

1,16

Ог-20,0ХЛ

110

55,0

75

55

360

47

10

23,5

1,71


1.1.3. Конструкция и размеры планки П для звеньев Рт, эксплуатируемых в районах с умеренным климатом, должны соответствовать указанным на черт. 4 (вариант штампованной детали), на черт. 5 (вариант детали из проката) и в табл. 7, а в районах с холодным климатом - на черт. 4 или 5 и в табл. 8.

_________

* Размеры для справок.

Материл для деталей климатического исполнения У - Сталь 20 по ГОСТ 1050-08 или Ст3сп по ГОСТ 380-88, для деталей климатического исполнения ХЛ - 15ХСНД или 09Г2С по ГОСТ 19281-89

Черт. 4

Материал для деталей климатического исполнения У - сталь 20 по ГОСТ 1050-88 или Ст3сп по ГОСТ 380-88, для деталей климатического исполнения ХЛ - 15ХСНД или 09Г2С по ГОСТ 19281-89

Черт. 5


Таблица 7

Размеры, мм

Обозначение пленки

а

а1

b

b*1

с

d

d1

L

L*1

Толщина планки s

R

Масса, кг

Номин.

Пред. откл.

Номин.

Пред. откл.

Номин.

Пред. откл.

Вариант планки из проката

Вариант штампованной планки

П-1,0

32

± 0,5

16,0

± 0,35

32

36

4,5

± 0,5

16

9

64

68

20

16

0,25

0,24

П-1,25

38

19,0

36

40

18

74

78

18

0,33

0,32

П-1,6

40

44

20

78

82

20

0,43

0,36

П-2,0

42

21,0

44

48

22

86

90

22

0,46

0,43

П-2,5

50

± 1,0

25,0

48

52

10,5

24

11

93

102

22

24

0,60

0,60

П-3,2

55

27,5

54

58

27

108

112

27

0,79

0,74

П-4,0

60

30,0

60

64

15,0

30

14

120

124

25

30

1,11

1,02

П-5,0

68

34,0

68

72

34

136

140

28

34

1,60

1,46

П-6,3

74

37,0

74

78

37

148

152

30

37

2,04

1,85

П-8,0

82

41,0

84

88

17,0

42

166

170

42

2,60

2,34

П-10,0

90

45,0

94

98

47

184

188

35

47

3,76

3,39

П-12,5

100

50,0

104

108

52

204

208

40

52

5,28

4,72

П-16,0

110

55,0

114

118

57

224

228

45

57

7,16

6,38

П-20,0

140

70,0

120

125

20,0

64

270

280

50

60

10,13

8,87

(Измененная редакция, № 2).

Таблица 8

Размеры, мм

Обозначение пленки

а

а1

b

b*1

с

d

d1

L

L*1

Толщина планки s

R

Масса, кг

Номин.

Пред. откл.

Номин.

Пред. откл.

Номин.

Пред. откл.

Вариант планки из проката

Вариант штампованной планки

П-0,63ХЛ

32

± 0,5

16,0

± 0,35

32

36

4,5

± 0,5

16

9

64

68

20

16

0,32

0,29

П-0,8ХЛ

П-1,0ХЛ

П-1,25ХЛ

П-1,6ХЛ

38

19,0

36

40

18

74

78

18

0,33

0,30

П-2,0ХЛ

40

44

20

78

82

20

0,38

0,35

П-2,5ХЛ

42

21,0

44

48

22

86

90

22

0,46

0,43

П-3,2ХЛ

50

± 1,0

25,0

48

52

10,5

24

11

98

102

22

24

0,62

0,59

П-4,0ХЛ

55

27,5

54

58

27

109

113

27

0,80

0,77

П-5,0ХЛ

60

30,0

60

64

15,0

30

14

120

124

25

30

1,11

1,08

П-6,3ХЛ

68

34,0

68

72

34

136

140

28

34

1,67

1,64

П-8,0ХЛ

74

37,0

74

78

37

148

152

30

37

2,10

2,07

П-10,0ХЛ

82

41,0

84

88

17,0

42

166

170

42

2,75

2,72

П-12,5ХЛ

90

45,0

94

98

47

184

188

35

47

4,29

4,26

П-16,0ХЛ

100

50,0

104

108

52

204

208

40

52

6,00

5,97

П-20,0ХЛ

110

55,0

114

118

57

224

228

45

57

8,29

8,26


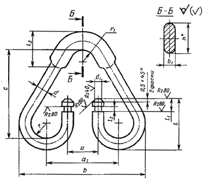
1.2. Конструкция и размеры звеньев Рт исполнения Рт2 с увеличенным радиусом гибки скобы, эксплуатируемых в районах с умеренным климатом, должны соответствовать указанным на черт. 6 и в табл. 9.

1 - скоба; 2 - ограничитель; 3 - планка; 4 - болт по ГОСТ 7798-7.0; 5 - гайка по ГОСТ 5919-73; 6 - шплинт по ГОСТ 397-79

Черт. 6

Примечание. Навешивание на крюки грузоподъемных машин производится в соответствии с п. 3.34 табл. 11аа.

1.1, 1.1.1, 1.1.2, 1.2. (Измененная редакция, Изм. № 1)

1.2.1. Конструкция и размеры скобы С исполнения Ст2 для звеньев Рт2, эксплуатируемых в районах с умеренным климатом должны соответствовать указанным на черт. 7 и в табл. 10.

1.2.2. Конструкция и размеры ограничителя О и планки П для звеньев Рт2, эксплуатируемых в районах с умеренным климатом должны соответствовать указанным на черт. 35 и в табл. 5 - 8.


Таблица 9

Обозначение звена

Допускаемая нагрузка, кН (тс)

Размеры звена, мм

Обозначение деталей звена

Масса, кг

d

a

b

с

R

Скоба

Ограничитель

Планка

Болт

Гайка

Шплинт

Рт2-0,63

7,85 (0,8)

14

32

126

115

45

Ст2-0,63

Ог-1,0

П-1,0

2М8´35.36

М8.4

2´20.001

1,027

Рт2-0,8

Ст2-0,8

Рт2-1,0

9,81 (1,0)

16

38

142

130

Ст2-1,0

Ог-1,25

П-1,25

1,339

Рт2-1,25

12,26 (1,25)

18

156

140

Ст2-1,25

Ог-1,6

П-1,6

1,743

Рт2-1,6

15,70 (1,6)

20

42

174

160

60

Ст2-1,6

Oг-2,0

П-2,0

2,304

Рт2-2,0

19,62 (2,0)

22

50

192

175

Ст2-2,0

Oг-2,5

П-2,5

2М10´35.36

М10.4

2,5´25.001

3,070

Рт2-2,5

24,52 (2,5)

25

55

200

185

Ст2-2,5

Oг-3,2

П-3,2

4,011

Рт2-3,2

31,40 (3,2)

28

60

228

215

Ст2-3,2

Oг-4,0

П-4,0

2М12´45.36

5,829

Рт2-4,0

39,24 (4,0)

32

68

260

240

75

Ст2-4,0

Oг-5,0

П-5,0

8,577

Рт2-5,0

49,05 (5,0)

35

74

289

265

Ст2-5,0

Oг-6,3

П-6,3

2М12´50.36

М12.14

3,2´32.001

11,088

Рт2-6,3

61,80 (6,3)

40

82

322

295

Ст2-6,3

Oг-8,0

П-8,0

15,675

Рт2-8,0

78,50 (8,0)

45

90

355

325

Ст2-8,0

Oг-10,0

П-10,0

2М12´55.36

22,802

Рт2-10,0

98,10 (10,0)

50

100

390

360

110

Ст2-10,0

Oг-12,5

П-12,5

2М12´60.36

30,973

Рт2-12,5

122,60 (12,5)

55

110

425

395

Ст2-12,5

Oг-16,0

П-16,0

2М12´70.36

41,435

Рт2-16,0

157,00 (16,0)

60

140

480

440

Ст2-16,0

Oг-20,0

П-20,0

2М12´80.36

53,195


Материал: Сталь 20 по ГОСТ 1050-88 или Ст3сп по ГОСТ 380-88

Черт. 7


Таблица 10

Размеры, мм

Обозначение скобы

d

d1

a

a1

b

h

l

l1

с

r

r1

Длина развертки

Масса, кг

Номин.

Пред. откл.

Ст2-0,63

14

8

32

± 0,5

86

126

72

13

6

115

20

45

516

0,623

Ст2-0,8

Ст2-1,0

16

10

38

98

142

80

17

130

22

574

0,905

Ст2-1,25

18

12

106

156

85

140

25

625

1,249

Ст2-1,6

20

12

42

118

174

90

160

28

60

695

1,710

Ст2-2,0

22

14

50

± 1,0

132

192

97

175

30

756

2,256

Ст2-2,5

25

18

55

140

200

100

18

7

185

30

778

2,997

Ст-3,2

28

22

60

158

228

115

215

35

903

4,366

Ст2-4,0

32

26

68

180

260

130

22

240

40

75

1026

6,474

Ст2-5,0

35

28

74

199

289

140

25

265

45

1126

8,501

Ст2-6,3

40

30

82

222

322

150

295

50

1236

12,198

Ст2-8,0

45

35

90

245

355

175

10

325

55

1394

17,400

Ст2-10,0

50

40

100

270

390

195

35

360

60

110

1540

23,727

Ст2-12,5

55

50

110

295

425

215

40

12

395

65

1682

31,340

Ст2-16,0

60

55

140

340

480

235

45

14

440

70

1856

41,170


1.3. Конструкция и размеры звеньев Рт исполнения Рт3, эксплуатируемых в районах с умеренным климатом, должны соответствовать указанным на черт. 8 и в табл. 11.

1 - скоба; 2 - ограничитель; 3 - планка; 4 - болт по ГОСТ 7798-70; 5 - гайка по ГОСТ 5919-73; 6 - шплинт по ГОСТ 397-79

Черт. 8


Таблица 11

Обозначение звена

Допускаемая нагрузка, кН (тс)

Размеры звена, мм

Обозначение деталей звена

Масса, кг

d

a

b

с

Скоба

Ограничитель

Планка

Болт

Гайка

Шплинт

Рт3-1,25

12,26 (1,25)

14

36

130

125

Ст3-1,26

Ог3-1,25

П3-1,25

2М8´35.36

М8.4

2´20.001

0,95

Рт3-1,6

15,70 (1,60)

Ст3-1,6

Ог3-1,6

П3-1,6

1,00

Рт3-2,0

19,62 (2,00)

16

38

142

150

Ст3-2,0

Ог3-2,0

П3-2,0

1,45

Рт3-2,5

24,52 (2,50)

18

46

164

165

Ст3-2,5

Ог3-2,5

П3-2,5

1,93

Рт3-3,2

31,40 (3,20)

20

50

182

180

Ст3-3,2

Ог3-3,2

П3-3,2

2M10´35.36

М10.4

2,5´25.001

2,50

Рт3-4,0

39,24 (4,00)

22

54

196

205

Ст3-4,0

Ог3-4,0

П3-4,0

3,64

Рт3-5,0

49,05 (5,00)

25

60

205

225

Ст3-5,0

Ог3-5,0

П3-5,0

2M12´45.36

М12.4

3,2´32.001

4,98

Рт3-6,3

61,80 (6,30)

28

68

236

250

Ст3-6,3

Ог3-6,3

П3-6,3

6,70

Рт3-8,0

78,50 (8,00)

32

74

266

280

Ст3-8,0

Ог3-8,0

П3-8,0

2М12´50.36

9,62

Рт3-10,0

98,10 (10,00)

36

80

296

300

Ст3-10,0

Ог3-10,0

П3-10,0

13,70

Рт3-12,5

122,60 (12,50)

40

90

330

340

Ст3-12,5

Ог3-12,5

П3-12,5

2M12´55.36

18,80

Рт3-16,0

157,00 (16,00)

45

100

365

375

Ст3-16,0

Ог3-16,0

П3-16,0

2M12´60.36

26,34

Рт3-20,0

196,20 (20,00)

50

110

400

400

Ст3-20,0

Ог3-20,0

П3-20,0

2M12´70.36

34,50

Рт3-25,0

245,25 (25,00)

56

125

461

425

Ст3-25,0

Ог3-25,0

П3-25,0

2M16´80.36

51,60

(Измененная редакция, Изм. № 1).


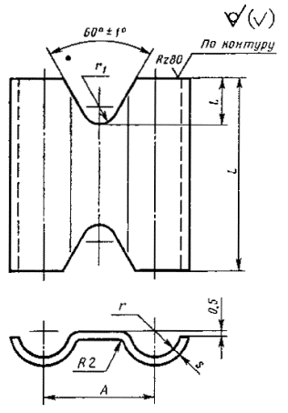
1.3.1. Конструкция и размеры скобы С исполнения Ст3 для звеньев Рт3, эксплуатируемых в районах с умеренным климатом, должны соответствовать указанным на черт. 9 и в табл. 12.

1.3.2. Конструкция и размеры ограничителя Ог исполнения Ог3 для звеньев Рт3, эксплуатируемых в районах с умеренным климатом, должны соответствовать указанным на черт. 3 и в табл. 13.

1.3.3. Конструкция и размеры планки П исполнения П3 для звеньев Рт3, эксплуатируемых в районах с умеренным климатом, должны соответствовать указанным на черт. 4, 5 и в табл. 14.

________

* Размер для справок.

Материал: Сталь 20 по ГОСТ 1050-88 или Ст3сп по ГОСТ 380-88

Черт. 9


Таблица 12

Размеры, мм

Обозначение скобы

d

d1

a

a1

b

b1

h

l

l1

l2

l3

с

r

r1

Длина развертки

Масса, кг

Номин.

Пред. откл.

Ст3-1,25

14

8

36

± 1,0

90

158

8

20

72

13

5

55

125

20

22

528

0,64

Ст3-1,6

60

25

532

0,64

Ст3-2,0

16

10

38

98

174

9

23

76

70

150

22

30

606

1,00

Ст3-2,5

18

12

46

± 1,5

114

200

10

26

85

15

80

165

25

32

674

1,35

Ст3-3,2

20

50

126

222

11

29

90

90

180

28

35

736

1,70

Ст3-4,0

22

14

54

136

240

12

32

102

20

6

100

205

30

40

824

2,46

Ст3-5,0

25

18

60

145

255

14

36

108

110

225

45

892

3,44

Ст3-6,3

28

22

68

166

292

16

39

118

120

250

35

50

992

4,80

Ст3-8,0

32

26

74

186

330

18

45

127

7

130

280

40

55

1106

7,00

Ст3-10,0

36

28

80

206

368

20

51

146

25

9

140

300

45

60

1220

9,80

Ст3-12,5

40

30

90

230

410

22

57

165

30

160

340

50

65

1372

13,50

Ст3-16,0

46

35

100

255

455

25

64

185

35

11

180

375

55

75

1524

19,00

Ст3-20,0

50

40

110

280

500

28

71

205

40

13

200

400

60

80

1656

25,50

Ст3-25,0

56

46

125

± 2,0

320

573

32

77

231

45

14

250

425

70

120

2063

40,00

Таблица 13

Размеры, мм

Обозначение скобы

а

а1

b

l1

с

d

l

b1

s

r

Масса, кг

Номин.

Пред. откл.

Номин.

Пред. откл.

Номин.

Пред. откл.

Ог3-1,25

36

± 0,5

18

± 0,35

28

10

4,5

± 0,5

9

90

16

4

5,0

0,07

Ог3-1,6

30

18

0,07

Ог3-2,0

38

19

32

12

100

20

6,0

0,08

Ог3-2,5

46

23

36

14

10,5

11

110

22

7,0

0,10

Ог3-3,2

50

± 1,0

25

40

130

25

0,20

Ог3-4,0

54

27

45

16

15,0

14

150

28

5

8,0

0,23

Ог3-5,0

60

30

50

20

160

32

10,0

0,26

Ог3-6,3

68

34

24

190

35

12,0

0,30

Ог3-8,0

74

37

60

28

17,0

220

40

6

14,0

0,52

Ог3-10,0

80

40

65

30

240

45

8

15,0

0,80

Ог3-12,5

90

45

70

32

270

50

16,0

1,00

Ог3-16,0

100

50

75

37

300

55

10

18,5

1,44

Ог3-20,0

110

55

80

42

20,0

320

60

12

21,0

1,50

Ог3-25,0

125

± 1,5

62,5

± 0,50

85

48

18

350

66

24,0

2,20

(Измененная редакция, Изм. № 1).

Таблица 14

Размеры, мм

Обозначение ограничителя

а

а1

b

b1

с

d

d1

L

L1

s

R

Масса, кг

Номин.

Пред. откл.

Номин.

Пред. откл.

Номин.

Пред. откл.

Вариант планки из проката

Вариант штампованной планки

П3-1,25

36

± 0,5

18,0

± 0,35

32

36

4,5

± 0,5

16

9

64

68

20

16

0,25

0,24

П3-1,6

36

40

18

0,29

0,27

П3-2,0

38

19,0

40

44

18

74

78

20

0,37

0,35

П3-2,5

46

23,0

45

49

10,5

20

11

78

82

22

22,5

0,48

0,44

П3-3,2

50

± 1,0

25,0

50

54

22

86

90

25

0,59

0,54

П3-4,0

54

27,0

60

64

15,0

24

14

98

102

25

30

0,95

0,78

П3-5,0

60

30,0

65

69

27

108

112

28

32,5

1,26

1,12

П3-6,3

68

34,0

70

74

30

120

124

30

35

1,61

1,44

П3-8,0

74

37,0

80

84

17,0

34

136

140

40

2,10

1,86

П3-10,0

80

40,6

90

94

38

148

152

36

45

3,08

2,72

П3-12,5

90

45,0

100

104

42

166

170

40

50

4,29

3,76

П3-16,0

100

50,0

110

114

47

184

188

45

55

5,87

5,13

П3-20,0

110

55,0

120

124

20,0

52

204

208

50

60

7,88

6,88

П3-25,0

125

± l,5

62,5

± 0,50

58

18

225

229

55

9,27

8,19

(Измененная редакция, Изм. № 2).


1.4. Конструкция и размеры звеньев Рт исполнения Рт4, эксплуатируемых в районах с умеренным климатом, должны соответствовать указанным на черт. 10 и в табл. 15.

1 - скоба: 2 - гайка (2 шт.); 3 - планка

Черт. 10

Таблица 15

Обозначение звена

Допускаемая нагрузка, кН (тс)

Размеры звена, мм

Обозначение деталей звена

Масса, кг

d

a

b

с

Скоба

Гайка

Планка

Рт4-1,25

12,26 (1,25)

14

36

130

125

Ст4-1,25

Г-1,25

П4-1,25

0,95

Рт4-1,6

15,70 (1,60)

Ст4-1,6

Г-1,6

П4-1,6

1,00

Рт4-2,0

19,62 (2,00)

16

38

142

150

Ст4-2,0

Г-2,0

П4-2,0

1,45

Рт4-2,5

24,52 (2,50)

18

46

164

165

Ст4-2,5

Г-2,5

П4-2,5

1,93

Рт4-3,2

31,40 (3,20)

20

50

182

180

Ст4-3,2

Г-3,2

П4-3,2

2,50

Рт4-4,0

39,24 (4,00)

22

54

196

205

Ст4-4,0

Г-4,0

П4-4,0

3,64

Рт4-5,0

49,05 (5,00)

25

60

205

225

Ст4-5,0

Г-5,0

П4-5,0

4,98

Рт4-6,3

61,80 (6,30)

28

68

236

250

Ст4-6,3

Г-6,3

П4-6,3

6,70

Рт4-8,0

78,50 (8,00)

32

74

266

280

Ст4-8,0

Г-8,0

П4-8,0

9,62

Рт4-10,0

98,10 (10,00)

36

80

296

300

Ст4-10,0

Г-10,0

П4-10,0

13,70

Рт4-12,5

122,60 (12,50)

40

90

330

340

Ст4-12,5

Г-12,0

П4-12,5

18,80

Pт4-16,0

157,00 (16,00)

45

100

365

375

Ст4-16,0

Г-16,0

П4-16,0

26,34

Рт4-20,0

196,20 (20,00)

50

110

400

400

Ст4-20,0

Г-20,0

П4-20,0

34,50

Рт4-25,0

245,25 (25,00)

56

125

461

425

Ст4-25,0

Г-25,0

П4-25,0

51,60

1.4.1. Конструкция и размеры скобы Ст исполнения Ст4 для звеньев Рт4, эксплуатируемых в районах с умеренным климатом, должны соответствовать указанным на черт. 11 и в табл. 16.

__________

* Размер для справок.

Черт. 11

(Измененная редакция, Изм. № 1).

Таблица 16

Размеры, мм

Обозначение скобы

d

a

a1

b

b1

h

l

l1

с

r

r1

Длина развертки

Масса, кг

Номин

Пред. откл.

Ст4-1,25

14

36

± 1,0

90

158

8

20

72

55

125

20

22

528

0,64

Ст4-1,6

60

25

532

0,65

Ст4-2,0

16

38

± 1,5

98

174

9

23

76

70

150

22

30

603

1,00

Ст4-2,5

18

46

114

200

10

26

85

80

165

25

32

674

1,35

Ст4-3,2

20

50

126

222

11

29

90

90

180

28

35

736

1,70

Ст4-4,0

22

54

136

240

12

32

102

100

205

30

40

824

2,46

Ст4-5,0

25

60

145

255

14

36

108

110

225

45

892

3,44

Ст4-6,3

28

68

166

292

16

39

118

120

250

35

50

992

4,80

Ст4-8,0

32

74

186

330

18

45

127

130

280

40

55

1106

7,00

Ст4-10,0

36

80

206

368

20

51

146

140

300

45

60

1220

9,80

Ст4-12,5

40

90

230

410

22

57

165

160

340

50

65

1372

13,50

Ст4-16,0

46

100

255

455

25

64

185

180

375

55

75

1524

19,00

Ст4-20,0

50

110

280

500

28

71

205

200

400

60

80

1656

25,50

Ст4-25,0

56

125

±2,0

320

573

32

77

231

250

425

70

120

2063

40,00

1.4.2. Конструкция и размеры планки П исполнения П4 для звеньев Рт4, эксплуатируемых в районах с умеренным климатом, должны соответствовать указанным на черт. 12 (штампованная деталь), на черт. 13 (деталь из проката) и в табл. 17.

_________

* Размеры для справок.

Материал: Сталь 20 по ГОСТ 1050-88 или Ст3сп по ГОСТ 380-88

Черт. 12

Материал: Сталь 20 по ГОСТ 1050-88 или Ст3сп по ГОСТ 380-88

Черт. 13

Таблица 17

Размеры, мм

Обозначение планки

a

b

b1

Резьба

L

L1

s

R

Масса, кг

Номин.

Пред. откл.

планки из проката

штампованной планки

П4-1,25

36

± 0,5

32

36

К 1/2"

ГОСТ 6111-52

64

68

20

16

0,24

0,21

П4-1,6

36

40

18

0,29

0,26

П4-2,0

38

40

44

К 3/4"

ГОСТ 6111-52

74

78

20

0,37

0,34

П4-2,5

46

45

49

78

82

22

22,5

0,48

0,45

П4-3,2

50

± l,0

50

54

К 1"

ГОСТ 6111-52

86

90

25

0,60

0,57

П4-4,0

54

60

64

98

102

25

30

0,95

0,92

П4-5,0

60

65

69

108

112

28

32,5

1,28

1,25

П4-6,3

68

70

74

К 1 1/4"

ГОСТ 6111-52

120

124

30

35

1,60

1,57

П4-8,0

74

80

84

136

140

40

2,10

2,07

П4-10,0

80

90

94

К 1 1/2"

ГОСТ 6111-52

148

152

36

45

3,10

3,07

П4-12,5

90

100

104

К труб 1 1/2"

ГОСТ 6211-81

166

170

40

50

4,30

4,27

П4-16,0

100

110

114

К труб 2"

ГОСТ 6211-81

184

188

45

55

5,90

5,87

114-20,0

110

120

124

204

208

50

60

7,50

7,47

П4-25,0

125

± l,5

К труб 2 1/2"

ГОСТ 6211-81

225

229

55

9,40

9,37

1.4.3. Конструкция и размеры гайки Г для звеньев Рт4, эксплуатируемых в районах с умеренным климатом, должны соответствовать указанным на черт. 14 и в табл. 18.

Материал: Сталь 20 по ГОСТ 1050-88

Черт. 14

Таблица 18

Размеры, мм

Обозначение гайки

D

Резьба

s

b

h

H

Масса, кг

Г-1,25

16

К 1/2"

ГОСТ 6111-52

22

3

10

35

0,052

Г-1,6

Г-2,0

18

К 3/4"

ГОСТ 6111-52

28

0,078

Г-2,5

20

0,071

Г-3,2

22

К 1"

ГОСТ 6111-52

34

40

0,148

Г-4,0

24

0,126

Г-5,0

27

0,088

Г-6,3

30

К 1 1/4"

ГОСТ 6111-52

45

15

50

0,310

Г-8,0

34

0,231

Г-10,0

38

К 1 1/2"

ГОСТ 6111-52

50

4

55

0,333

Г-12,5

42

К труб 1 1/2"

ГОСТ 6211-81

0,225

Г-16,0

47

К труб 2"

ГОСТ 6211-81

60

20

60

0,502

Г-20,0

52

0,316

Г-25,0

58

К труб 2 1/2"

ГОСТ 6211-81

80

1,126

1.5. Конструкция и размеры звеньев Ров с допускаемой нагрузкой до 19,62 кН (2,0 тс), эксплуатируемых в районах с умеренным климатом, должны соответствовать указанным на черт. 15 и в табл. 19.

1 - скоба, 2 - полумуфта (2 шт.); 3 - кольцо; 4 - болт по ГОСТ 7798-70; 5 - гайка по ГОСТ 5919-73; 6 - шплинт по ГОСТ 397-79

Черт. 15


Таблица 19

Обозначение звена

Допускаемая нагрузка, кН (тс)

Размеры звена, мм

Обозначение деталей звена

Масса, кг

d

с

s

R

b

Скоба

Полумуфта

Кольцо

Болт

Гайка

Шплинт

Ров-0,4

3,92 (0,4)

14

135

20

35

70

Сов-0,4

Пм-0,4

Кц-0,4

2М8´60.36

М8.4

2´20-001

0,903

Ров-0,5

4,90 (0,5)

Сов-0,5

Пм-0,5

Кц-0,5

0,914

Ров-0,63

6,18 (0,63)

16

145

25

Сов-0,63

Пм-0,63

Кц-0,63

2М8´65.36

1,246

Ров-0,8

7,85 (0,8)

18

170

45

90

Сов-0,8

Пм-0,8

Кц-0,8

2М8´70.36

1,537

Ров-1,0

9,81 (1,0)

20

180

30

Сов-1,0

Пм-1,0

Кц-1,0

2,010

Ров-1,25

12,26 (1,25)

22

190

Сов-1,25

Пм-1,25

Кц-1,25

2М10´70.36

М10.4

2,5´25-001

2,410

Ров-1,6

15,70 (1,6)

25

225

60

120

Сов-1,6

Пм-1,6

Кц-1,6

3,366

Ров-2,0

19,62 (2,0)

Сов-2,0

Пм-2,0

Кц-2,0

2М10´75.36

3,384


1.5.1. Конструкция и размеры скобы Сов для звеньев Ров с допускаемой нагрузкой до 19,62 кН (2,0 тс), эксплуатируемых в районах с умеренным климатом, должны соответствовать указанным на черт. 16 и в табл. 20.

Материал: Сталь 20 по ГОСТ 1050-88 или Ст3сп по ГОСТ 380-88

Черт. 16

Таблица 20

Размеры, мм

Обозначение скобы

d

с

s

R

b

d1

h

Длина развертки

Масса, кг

Сов-0,4

14

135

25

35

70

24

8

372

0,450

Сов-0,5

Сов-0,63

61

145

32

26

391

0,617

Сов-0,8

18

170

45

90

28

429

0,857

Сов-1,0

20

180

38

30

10

489

1,206

Сов-1,25

22

190

32

517

1,542

Сов-1,6

25

225

60

120

35

629

2,424

Сов-2,0

1.5.2. Конструкция и размеры полумуфты Пм для звеньев Ров с допускаемой нагрузкой до 19,62 кН (2,0 тс), эксплуатируемых в районах с умеренным климатом, должны соответствовать указанным на черт. 17 и в табл. 21.

Материал: Сталь 20 по ГОСТ 1050-88 или Ст3сп по ГОСТ 380-88

Черт. 17

Таблица 21

Размеры, мм

Обозначение полумуфты

d

d1

d2

d3

L

h

Масса, кг

Пм-0,4

16

26

38

10

66

17

0,179

Пм-0,5

Пм-0,63

18

28

42

73

19

0,245

Пм-0,8

20

30

44

20

0,260

Пм-1,0

22

32

46

83

21

0,309

Пм-1,25

24

34

48

12

22

0,324

Пм-1,6

28

38

52

24

0,357

Пм-2,0

1.5.3. Конструкция и размеры кольца Кц для звеньев Ров, эксплуатируемых в районах с умеренным климатом, должны соответствовать указанным на черт. 18 и в табл. 22.

Материал Сталь 20 по ГОСТ 1050-88 или Ст3сп по ГОСТ 380-88

Черт. 18

Таблица 22

Размеры, мм

Обозначение кольца

d

d1

l

Масса, кг

Обозначение кольца

d

d1

l

Масса, кг

Кц-0,4

50

10

12

0,061

Кц-3,2

60

12

38

0,248

Кц-0,5

14

0,072

Кц-4,0

63,5

42

0,299

Кц-0,63

54

18

0,103

Кц-5,0

68

14

0,314

Кц-0,8

57

20

0,122

Кц-6,3

73

50

0,408

Кц-1,0

24

0,148

Кц-8,0

83

56

0,526

Кц-1,25

60

12

0,154

Кц-10,0

89

50

0,568

Кц-1,6

63,5

0,162

Кц-12,5

95

18

64

0,690

Кц-2,0

26

0,177

Кц-16,0

102

70

0,817

Кц-2,5

57

32

0,196

Кц-20,0

108

88

1,097

1.6. Конструкция и размеры звеньев Ров с допускаемой нагрузкой св. 19,62 кН (2,0 тс), эксплуатируемых в районах с умеренным климатом, должны соответствовать указанным на черт. 19 и в табл. 23.

1 - скоба; 2 - полумуфта (2 шт.); 3 - кольцо; 4 - болт по ГОСТ 7798-70; 5 - гайка по ГОСТ 5919-73; 6 - шплинт по ГОСТ 397-79

Черт. 19


Таблица 23

Обозначение звена

Допускаемая нагрузка, кН (тс)

Размеры звена, мм

Обозначение деталей звена

Масса, кг

d

с

s

R

b

Скоба

Полумуфта

Кольцо

Болт

Гайка

Шплинт

Ров-2,5

24,52 (2,5)

28

240

36

60

120

Сов-2,5

Пм-2,5

Кц-2,5

2M10´70.36

M10.4

2,5´25-001

4,099

Ров-3,2

31,40 (3,2)

32

260

42

Сов-3,2

Пм-3,2

Кц-3,2

5,569

Ров-4,0

39,24 (4,0)

36

300

46

Сов-4,0

Пм-4,0

Кц-4,0

2M10´75.36

7,909

Ров-5,0

49,05 (5,0)

40

320

46

75

150

Сов-5,0

Пм-5,0

Кц-5,0

2M12´80.36

M12.4

3,2´32-001

10,122

Ров-6,3

61,80 (6,3)

42

330

54

Сов-6,3

Пм-6,3

Кц-6,3

2M12´90.36

11,578

Ров-8,0

78,50 (8,0)

50

360

60

Сов-8,0

Пм-8,0

Кц-8,0

2М12´100.36

17,668

Ров-10,0

98,10 (10,0)

56

450

60

110

220

Сов-10,0

Пм-10,0

Кц-10,0

2М12´110.36

27,188

Ров-12,5

122,60 (12,5)

60

470

68

Сов-12,5

Пм-12,5

Кц-12,5

2М16´110.36

M16.4

4´36-001

32,500

Ров-16,0

157,00 (16,0)

65

490

74

Сов-16,0

Пм-16,0

Кц-16,0

2M16´120.36

39,511

Ров-20,0

196,20 (20,0)

72

530

92

Сов-20,0

Пм-20,0

Кц-20,0

3M16´130.36

51,255


1.6.1. Конструкция и размеры скобы Сов для звеньев Ров с допускаемой нагрузкой св. 19,62 кН (2,0 тс), эксплуатируемых в районах с умеренным климатом, должны соответствовать указанным на черт. 20 и в табл. 24.

Материал: Сталь 20 по ГОСТ 1050-88 или Ст3сп по ГОСТ 380-88

Черт. 20

Таблица 24

Размеры, мм

Обозначение скобы

d

c

s

R

b

d1

h

h1

Длина развертки

Масса, кг

Сов-2,5

28

240

36

60

120

18

12

14

668

3,229

Сов-3,2

32

260

42

20

714

4,507

Сов-4,0

36

300

46

75

150

24

838

6,695

Сов-5,0

40

320

28

890

8,780

Сов-6,3

42

330

54

30

908

9,875

Сов-8,0

50

360

60

36

14

16

988

15,228

Сов-10,0

56

450

110

220

40

1266

24,483

Сов-12,6

60

470

68

44

1310

29,080

Сов-16,0

65

490

74

48

16

18

1360

35,428

Сов-20,0

72

530

92

52

1444

46,150

1.6.2. Конструкция и размеры полумуфты Пм для звеньев Ров с допускаемой нагрузкой св. 19,62 кН (2 тс), эксплуатируемых в районах с умеренным климатом, должны соответствовать указанным на черт. 21 и в табл. 25.

Материал: Сталь 20 по ГОСТ 1050-88 или Ст3сп по ГОСТ 380-88

Черт. 21

Таблица 25

Размеры, мм

Обозначение полумуфты

d

d1

d2

d3

L

h

l

Масса, кг

Пм-2,5

18

30

44

12

84

20

12

0,304

Пм-3,2

20

34

48

90

22

0,374

Пм-4,0

24

38

52

94

24

0,423

Пм-5,0

28

42

56

14

26

0,462

Пм-6,3

30

44

60

102

28

0,591

Пм-8,0

36

52

70

116

33

14

0,896

Пм-10,0

40

58

76

36

1,003

Пм-12,5

44

62

82

18

124

39

1,246

Пм-16,0

48

67

87

138

41,5

16

1,506

Пм-20,0

52

74

94

156

45

1,869

1.7. Конструкция и размеры звеньев Т с допускаемой нагрузкой до 122,6 кН (12,5 тс), эксплуатируемых в районах с умеренным климатом, должны соответствовать указанным на черт. 23 и в табл. 26, а в районах с холодным климатом - на черт. 22 и в табл. 27.

1 - подвеска; 2 - упор

Материал для звена Т климатического исполнения У - Сталь 20 по ГОСТ 1050-88 или Ст3сп по ГОСТ 380-88, для звена Т климатического исполнения ХЛ-15ХСНД или 09Г2С по ГОСТ 19281-89

Черт. 22

Таблица 26

Обозначение звена

Допускаемая нагрузка, кН (тс)

Размеры звена, мм

Обозначение упора

Масса, кг

l

k

b

с

d

r

Длина развертки

Т-0,4

3,92 (0,4)

23

5

54

50

9

13

194

У-0,4

0,106

Т-0,5

4,90 (0,5)

4

60

55

10

14

216

У-0,5

0,142

Т-0,63

6,18 (0,63)

6

64

60

11

16

231

У-0,63

0,184

Т-0,8

7,85 (0,8)

7

76

70

12

18

270

У-0,8

0,252

Т-1,0

9,81 (1,0)

29

8

86

80

14

20

308

У-1,0

0,396

Т-1,25

12,26 (1,25)

33

9

97

90

16

22

347

У-1,25

0,677

Т-1,6

15,70 (1,6)

41

6

108

100

18

25

388

У-1,6

0,814

Т-2,0

19,62 (2,0)

11

119

110

20

28

427

У-2,0

1,092

Т-2,5

24,52 (2,5)

7

130

120

22

30

468

У-2,5

1,446

Т-3,2

31,40 (3,2)

47

6

130

25

35

478

У-3,2

1,901

Т-4,0

39,24 (4,0)

54

12

161

150

28

40

583

У-4,0

2,948

Т-5,0

49,05 (5,0)

56

10

182

170

32

45

659

У-5,0

4,300

Т-6,3

61,80 (6,3)

68

9

204

190

36

50

738

У-6,3

6,056

Т-8,0

78,50 (8,0)

75

8

225

210

40

55

815

У-8,0

8,230

Т-10,0

98,10 (10,0)

82

247

230

44

60

901

У-10,0

11,014

Т-12,5

122,60 (12,5)

90

279

260

50

70

1013

У-12,5

15,920

Таблица 27

Обозначение звена

Допускаемая нагрузка, кН (тс)

Размеры звена, мм

Обозначение упора

Масса, кг

l

k

b

с

d

r

Длина развертки

Т-0,4ХЛ

3,92 (0,4)

23

5

54

50

9

13

194

У-0,4

0,106

Т-0,5ХЛ

4,00 (0,5)

4

60

55

10

14

216

У-0,5

0,142

Т-0,63ХЛ

6,18 (0,63)

6

64

60

11

16

231

У-0,63

0,184

Т-0,8ХЛ

7,85 (0,8)

7

76

70

12

18

270

У-0,8

0,252

Т-1,0ХЛ

9,81 (1,0)

29

8

85

80

14

20

308

У-1,0

0,396

Т-1,25ХЛ

12,26 (1,25)

33

9

97

90

16

22

347

У-1,25

0,577

Т-1,6ХЛ

15,70 (1,6)

37

108

100

25

381

У-1,6

0,640

Т-2,0ХЛ

19,62 (2,0)

38

6

119

110

18

28

421

У-2,0

0,881

Т-2,5ХЛ

24,52 (2,5)

39

11

130

120

20

30

462

У-2,5

1,198

Т-3,2ХЛ

31,40 (3,2)

44

7

130

22

35

468

У-3,2

1,456

Т-4,0ХЛ

39,24 (4,0)

51

8

161

150

25

40

573

У-4,0

2,339

Т-5,0ХЛ

49,05 (5,0)

52

15

182

170

28

45

646

У-5,0

3,264

Т-6,3ХЛ

61,80 (6,3)

64

10

204

190

32

50

726

У-6,3

4,743

Т-8,0ХЛ

78,50 (8,0)

71

9

225

210

36

55

802

У-8,0

6,598

Т-10,0ХЛ

98,10 (10,0)

78

247

230

40

60

883

У-10,0

8,970

Т-12,5ХЛ

122,60 (12,5)

84

279

260

44

70

994

У-12,5

13,174

1.7.1. Конструкция и размеры упора должны соответствовать указанным на черт. 23 и в табл. 28.

___________

* Размер для справок.

Материал для деталей климатического исполнения У - Ст3пс по ГОСТ 380-88, для деталей климатического исполнения ХЛ - Ст3сп по ГОСТ 380-88

Черт. 23

Таблица 28

Размеры, мм

Обозначение упора

b

b1

l

s

r

Масса, кг

У-0,4

9

15

13,0

2,5

2,0

0,010

У-0,5

12,5

У-0,63

11

20

12,0

3,0

0,012

У-0,8

12

11,5

3,5

У-1,0

14

25

15,5

4,0

3,0

0,024

У-1,25

16

30

17,0

4,0

0,030

У-1,6

21,0

0,040

У-2,0

20

20,0

6,0

У-2,5

40

19,0

0,050

У-3,2

22,5

0,060

У-4,0

28

50

26,0

6,0

8,0

0,130

У-5,0

60

24,0

0,140

У-6,3

30

32,0

9,0

0,160

У-8,0

65

35,0

0,190

У-10,0

32

70

38,0

10,0

0,260

У-12,5

34

80

40,0

11,0

0,310

1.8. Конструкция и размеры звеньев Т с допускаемой нагрузкой св. 122,6 кН (12,5 тс), эксплуатируемых в районах с умеренным климатом, должны соответствовать указанным на черт. 24 и в табл. 29, а в районах с холодным климатом - на черт. 24 и в табл. 30.

1 - подвеска; 2 - упор (2 шт.)

Материал для звена Т климатического исполнения У - Сталь 20 по ГОСТ 1050-88 или Ст3сп по ГОСТ 380-88, для звена Т климатического исполнения ХЛ-15ХСНД или 0,9Г2С по ГОСТ 19281-89

Черт. 24

Таблица 29

Обозначение звена

Допускаемая нагрузка, кН (тс)

Размеры звена, мм

Обозначение упора

Масса, кг

а

l

k

b

с

d

r

Длина развертки

Т-16,0

157,00 (16,0)

60

93

7

312

290

56

75

1133

У-16,0

22,042

Т-20,0

196,20 (20,0)

75

102

9

339

320

65

100

1249

У-20,0

32,770

Т-25,0

245,25 (25,0)

80

110

8

370

350

72

110

1366

У-25,0

43,909

Т-32,0

314,00 (32,0)

95

115

7

413

390

80

120

1519

У-32,0

60,159

Таблица 30

Обозначение звена

Допускаемая нагрузка, кН (тс)

Размеры звена, мм

Обозначение упора

Масса, кг

а

l

k

b

с

d

r

Длина развертки

Т-16,0ХЛ

157,00 (16,0)

60

87

8

312

290

50

75

1114

У-16,0

22,042

Т-20,0ХЛ

196,20 (20,0)

75

93

11

339

320

56

100

1221

У-20,0

32,770

Т-25,0ХЛ

245,25 (25,0)

80

104

9

370

350

65

110

1345

У-25,0

43,909

Т-32,0ХЛ

314,00 (32,0)

95

107

8

413

390

72

120

1499

У-32,0

60,159

1.8.1. Конструкция и размеры упора должны соответствовать указанным на черт. 25 и в табл. 31.

Материал для деталей климатического исполнения У - Ст3пс по ГОСТ 380-88, для деталей климатического исполнения ХЛ - Ст3сп по ГОСТ 380-88

Черт. 25

Таблица 31

Размеры, мм

Обозначение упора

d

l

s

Масса, кг

У-16,0

34

37,0

6

0,130

У-20,0

42

37,5

8

0,234

У-25,0

39,0

0,250

У-32,0

35,0

0,220

1.9. Конструкция и размеры звеньев О, эксплуатируемых в районах с умеренным климатом, должны соответствовать указанным на черт. 26 и в табл. 32, а в районах с холодным климатом - на черт. 26 и в табл. 33.

Материал для деталей климатического исполнения У - Сталь 20 по ГОСТ 1050-88 или Ст3сп по ГОСТ 380-88, для деталей климатического исполнения ХЛ-15ХСНД или 09Г2С по ГОСТ 19281-89

Черт. 26

Таблица 32

Размеры, мм

Обозначение звена

Допускаемая нагрузка, кН, (тс)

d

с

r

r1

Длина развертки

Масса, кг

О-0,4

3,92 (0,4)

9

50

13

7

152

0,075

О-0,5

4,90 (0,5)

10

55

14

8

167

0,105

О-0,63

6,18 (0,63)

11

60

16

9

185

0,134

О-0,8

7,85 (0,8)

12

70

18

10

211

0,186

О-1,0

9,81 (1,0)

14

80

20

12

242

0,290

О-1,25

12,26 (1,25)

16

90

22

13

272

0,426

О-1,6

15,70 (1,6)

18

100

25

14

302

0,599

О-2,0

19,62 (2,0)

20

110

28

16

334

0,814

О-2,5

24,52 (2,5)

22

120

30

19

367

1,104

О-3,2

31,40 (3,2)

25

130

35

20

405

1,541

О-4,0

39,24 (4,0)

28

150

40

22

463

2,224

О-5,0

49,05 (5,0)

32

170

45

25

524

3,283

О-6,3

61,80 (6,3)

36

190

50

27

586

4,714

О-8,0

78,50 (8,0)

40

210

55

28

546

6,412

О-10,0

98,10 (10,0)

44

230

60

36

710

8,475

О-12,5

122,60 (12,5)

50

260

70

40

809

12,485

О-16,0

157,00 (16,0)

56

290

75

42

895

17,208

О-20,0

196,20 (20,0)

65

320

100

47

1028

26,050

О-25,0

245,25 (25,0)

72

350

110

49

1128

31,960

Таблица 33

Размеры, мм

Обозначение звена

Допускаемая нагрузка, кН (тс)

d

с

r

r1

Длина развертки

Масса, кг

О-0,4ХЛ

3,92 (0,4)

9

50

13

7

152

0,075

О-0,5ХЛ

4,90 (0,5)

10

55

14

8

167

0,105

О-0,63ХЛ

6,18 (0,63)

11

60

16

9

185

0,134

О-0,8ХЛ

7,85 (0,8)

12

70

18

10

211

0,186

О-1,0ХЛ

9,81 (1,0)

14

80

20

12

242

0,290

О-1,25ХЛ

12,25 (1,25)

16

90

22

13

272

0,426

О-1,6ХЛ

15,70 (1,6)

16

100

25

14

296

0,467

О-2,0ХЛ

19,62 (2,0)

18

110

28

16

329

0,656

О-2,5ХЛ

24,52 (2,5)

20

120

30

19

360

0,888

О-3,2ХЛ

31,40 (3,2)

22

130

35

20

395

1,178

О-4,0ХЛ

39,24 (4,0)

25

150

40

22

464

1,787

О-5,0ХЛ

49,05 (5,0)

28

170

45

25

508

2,456

О-6,3ХЛ

61,80 (6,3)

32

190

50

27

572

3,611

О-8,0ХЛ

78,50 (8,0)

36

210

55

28

641

5,121

О-10,0ХЛ

98,10 (10,0)

40

230

60

36

699

6,895

О-12,5ХЛ

122,60 (12,5)

44

260

70

40

789

9,417

О-16,0ХЛ

157,00 (16,0)

50

290

75

42

881

13,573

О-20,0ХЛ

196,20 (20,0)

56

320

100

47

991

19,161

О-25,0ХЛ

245,25 (25,0)

65

350

110

49

1105

28,785

1.10. Конструкция и размеры звеньев. Ов исполнения Ов1, эксплуатируемых в районах с умеренным климатом, должны соответствовать указанным на черт. 27 и в табл. 34, а в районах с холодным климатом - на черт. 27 и в табл. 35.

1.1. Конструкция и размеры звеньев Ов исполнения Ов2, эксплуатируемых в районах с умеренным климатом, должны соответствовать указанным на черт. 27 и в табл. 36.

Материал для деталей климатического исполнения У - Сталь 20 по ГОСТ 1050-88 или Ст3сп по ГОСТ 380-88, для деталей климатического исполнения ХЛ-15ХСНД или 09Г2С по ГОСТ 19281-89

Черт. 27

Таблица 34

Размеры, мм

Обозначение звена

Допускаемая нагрузка, кН (тс)

d

b

с

r

Длина развертки

Масса, кг

Ов1-0,4

3,92 (0,4)

10

28

50

14

163

0,101

Ов1-0,5

4,90 (0,5)

11

32

55

16

181

0,135

Ов1-0,63

6,18 (0,63)

14

36

60

18

205

0,248

Ов1-0,8

7,85 (0,8)

14

40

70

20

230

0,278

Ов1-1,0

9,81 (1,0)

16

44

80

22

260

0,411

Ов1-1,25

12,26 (1,25)

18

50

90

25

294

0,464

Ов1-1,6

15,70 (1,6)

20

56

100

28

327

0,781

Ов1-2,0

19,62 (2,0)

22

60

110

30

358

1,068

Ов1-2,5

24,52 (2,5)

25

70

120

35

401

1,545

Ов1-3,2

31,40 (3,2)

28

80

130

40

439

2,123

Ов1-4,0

39,24 (4,0)

32

90

150

45

503

3,176

Ов1-5,0

49,05 (5,0)

36

100

170

50

567

4,530

Ов1-6,3

61,80 (6,3)

40

110

190

55

631

6,225

Ов1-8,0

78,50 (8,0)

45

120

210

60

698

8,714

Ов1-10,0

98,10 (10,0)

50

140

230

70

777

11,976

Ов1-12,5

122,60 (12,5)

56

150

260

75

867

16,763

Ов1-16,0

157,00 (16,0)

65

200

390

100

1015

26,440

Ов1-20,0

196,20 (20,0)

72

220

320

110

1117

35,380

Таблица 35

Размеры, мм

Обозначение звена

Допускаемая нагрузка, кН (тс)

d

b

с

r

Длина развертки

Масса, кг

Ов1-0,4ХЛ

3,92 (0,4)

10

28

50

14

163

0,101

Ов1-0,5ХЛ

4,90 (0,5)

11

32

55

16

181

0,135

Ов1-0,63ХЛ

6,18 (0,63)

12

36

60

18

199

0,177

Ов1-0,8ХЛ

7,85 (0,8)

14

40

70

20

230

0,278

Ов1-1,0ХЛ

9,81 (1,0)

16

41

80

22

260

0,411

Ов1-1,25ХЛ

12,26 (1,25)

16

50

90

25

287

0,453

Ов1-1,6ХЛ

15,70 (1,6)

18

56

100

28

320

0,639

Ов1-2,0ХЛ

19,62 (2,0)

20

60

110

30

351

0,865

Ов1-2,5ХЛ

24,52 (2,5)

22

70

120

35

389

1,161

Ов1-3,2ХЛ

31,40 (3,2)

25

80

130

40

433

1,659

Ов1-4,0ХЛ

39,24 (4,0)

28

90

150

45

491

2,374

Ов1-5,0ХЛ

49,05 (5,0)

32

100

170

50

555

3,504

Ов1-6,3ХЛ

61,80 (6,3)

36

110

190

55

618

4,938

Ов1-8,0ХЛ

78,50 (8,0)

40

120

210

60

682

6,728

Ов1-10,0ХЛ

98,10 (10,0)

44

140

230

70

758

9,047

Ов1-12,5ХЛ

122,60 (12,5)

50

150

260

75

828

12,762

Ов1-16,0ХЛ

157,00 (16,0)

56

200

390

100

984

19,025

Ов1-20,0ХЛ

196,20 (20,0)

65

220

320

110

1098

28,602

Таблица 36

Размеры, мм

Обозначение звена

Допускаемая нагрузка, кН (тс)

d

b

с

r

Длина развертки

Масса, кг

Ов2-0,4

3,92 (0,4)

14

70

120

35

364

0,439

Ов2-0,5

4,90 (0,5)

14

70

120

35

364

0,439

Ов2-0,63

6,18 (0,63)

16

70

120

35

370

0,584

Ов2-0,8

7,85 (0,8)

18

90

150

45

459

0,916

Ов2-1,0

9,81 (1,0)

20

90

150

45

465

1,146

Ов2-1,25

12,26 (1,25)

22

90

150

45

472

1,408

Ов2-1,6

15,70 (1,6)

25

120

180

60

575

2,226

Ов2-2,0

19,62 (2,0)

25

120

180

60

575

2,226

Ов2-2,5

24,52 (2,5)

28

120

180

60

585

2,827

Ов2-3,2

31,40 (3,2)

32

120

180

60

597

3,769

Ов2-4,0

39,24 (4,0)

36

150

230

75

744

5,944

Ов2-5,0

49,05 (5,0)

40

150

230

75

757

7,468

Ов2-6,3

61,80 (6,3)

42

150

230

75

763

8,298

Ов2-8,0

78,50 (8,0)

50

150

230

75

788

12,145

Ов2-10,0

98,10 (10,0)

56

220

350

110

1127

21,796

Ов2-12,5

122,60 (12,5)

60

220

350

110

1139

25,285

Ов2-16,0

157,00 (16,0)

65

220

350

110

1155

30,087

Ов2-20,0

196,20 (20,0)

72

220

350

110

1177

37,617

2. В качестве захватов в стропах рекомендуется применять крюки исполнений К и К1 или карабины Кр.

2.1. Конструкция и размеры крюков К, эксплуатируемых в районах с умеренным климатом, должны соответствовать указанным на черт. 28 и в табл. 37, а в районах с холодным климатом - на черт. 28 и в табл. 38.

1 - крюк; 2 - замок

Черт. 28

Таблица 37

Обозначение крюка

Допускаемая нагрузка, кН (тс)

Размеры звена, мм

Обозначения деталей звена

Масса, кг

D

d

с

s

b

Крюк чалочный

Замок

К-0,32

3,14 (0,32)

18

16

67,0

15

9

Кч-0,32

З-0,32

0,10

К-0,4

3,92 (0,4)

20

18

74,0

16

10

Кч-0,4

З-0,4

0,15

К-0,6

4,90 (0,5)

25

22

83,5

22

11

Кч-0,5

З-0,5

0,25

К-0,63

6,18 (0,63)

25

22

88,5

22

12

Кч-0,63

З-0,63

0,41

К-0,8

7,85 (0,8)

30

25

102,5

24

12

Кч-0,8

З-0,8

0,46

К-1,0

9,81 (1,0)

32

26

109,0

24

15

Кч-1,0

З-1,0

0,71

К-1,25

12,26 (1,25)

36

30

118,0

28

18

Кч-1,25

З-1,25

0,81

K-1,6

15,70 (1,6)

40

30

125,0

30

18

Кч-1,6

З-1,6

1,25

К-2,0

19,62 (2,0)

45

35

145,0

36

20

Кч-2,0

З-2,0

1,52

К-2,5

24,52 (2,5)

50

38

154,0

38

26

Кч-2,5

З-2,5

2,40

К-3,2

31,40 (3,2)

55

42

173,5

40

30

Кч-3,2

З-3,2

3,10

К-4,0

39,24 (4,0)

60

44

187,0

45

32

Кч-4,0

З-4,0

3,80

К-5,0

49,05 (5,0)

65

48

206,5

50

36

Кч-5,0

З-5,0

5,12

К-6,3

61,80 (6,3)

75

56

227,5

58

40

Кч-6,3

З-6,3

7,23

К-8,0

78,50 (8,0)

85

60

262,5

65

46

Кч-8,0

З-8,0

10,23

К-10,0

98,10 (10,0)

95

70

297,5

75

50

Кч-10,0

З-10,0

14,26

К-12,5

122,60 (12,5)

110

80

345,0

85

54

Кч-12,5

З-12,5

20,57

Таблица 38

Обозначение крюка

Допускаемая нагрузка, кН (тс)

Размеры звена, мм

Обозначение деталей звена

Масса, кг

D

d

с

s

b

Крюк чалочный

Замок

К-1,0ХЛ

9,81 (1,0)

32

26

104,0

24

12

Кч-1,0ХЛ

З-1,0ХЛ

0,46

К-1,25ХЛ

12,26 (1,25)

36

30

113,0

28

15

Кч-1,25ХЛ

З-1,25ХЛ

0,61

К-1,6ХЛ

15,70 (1,6)

40

30

125,0

30

16

Кч-1,6ХЛ

З-1,6ХЛ

0,81

К-2,0ХЛ

19,62 (2,0)

45

35

140,0

36

18

Кч-2,0ХЛ

З-2,0ХЛ

1,11

К-2,5ХЛ

24,52 (2,5)

50

38

154,0

38

20

Кч-2,5ХЛ

З-2,5ХЛ

1,42

К-3,2ХЛ

31,40 (3,2)

55

42

168,5

40

24

Кч-3,2ХЛ

З-3,2ХЛ

1,72

К-4,0ХЛ

39,24 (4,0)

60

44

177,0

45

30

Кч-4,0ХЛ

З-4,0ХЛ

2,42

К-5,0ХЛ

49,05 (5,0)

65

48

196,5

50

30

Кч-5,0ХЛ

З-5,0ХЛ

3,53

К-6,3ХЛ

61,80 (6,3)

75

50

217,5

58

36

Кч-6,3ХЛ

З-6,3ХЛ

5,03

К-8,0ХЛ

78,50 (8,0)

85

60

252,5

65

42

Кч-8,0ХЛ

З-8,0ХЛ

7,45

К-10,0ХЛ

98,10 (10,0)

95

70

287,5

75

44

Кч-10,0ХЛ

З-10,0ХЛ

10,86

К-12,5ХЛ

122,60 (12,5)

110

80

330,0

85

46

Кч-12,5ХЛ

З-12,5ХЛ

14,57

2.1.1. Конструкция и размеры чалочного крюка Кч для крюков К, эксплуатируемых в районах с умеренным климатом, должны соответствовать указанным на черт. 29 и в табл. 39, а в районах с холодным климатом - на черт. 29 в табл. 40.

_________

* (Исключена, Изм. № 1).

** Размер для справок.

Материал для деталей климатического исполнения У - Сталь 20, горячекатаная, подгруппы а по ГОСТ 1050-88, для деталей климатического исполнения ХЛ-15ХСНД или 09Г2С по ГОСТ 19281-89

Черт. 29

Таблица 39

Размеры, мм

Обозначение крюка чалочного

s

D

d

d1

L

B

b

b1

b2

e

h

h1

h2

h3

Кч-0,32

15

18

16

2,5

50

24

12

11

9

8

18

15,0

10,0

14

Кч-0,4

16

20

18

2,5

53

26

13

11

10

9

21

18,0

12,0

16

Кч-0,5

20

25

22

2,5

60

30

16

13

11

5

24

20,0

13,0

18

Кч-0,63

22

25

22

2,5

65

32

16

13

12

8

26

22,0

14,0

20

Кч-0,8

24

30

25

3,0

75

40

18

14

12

5

30

25,0

16,0

20

Кч-1,0

24

32

26

3,0

80

40

20

16

15

8

32

27,0

18,0

25

Кч-1,25

28

36

30

3,0

85

44

22

17

18

5

36

31,0

20,0

26

Кч-1,6

30

40

30

3,5

90

48

24

19

18

2

40

34,0

22,0

27

Кч-2,0

36

45

35

3,5

105

56

28

24

20

4

45

38,0

25,0

32

Кч-2,5

38

50

38

4,0

110

58

30

24

26

2

50

42,5

27,5

34

Кч-3,2

40

55

42

4,0

125

65

36

29

30

5

55

47,0

30,0

38

Кч-4,0

45

60

44

4,0

135

70

38

29

32

5

60

51,0

32,0

42

Кч-5,0

50

65

48

4,5

150

75

45

34

40

10

70

60,0

39,0

50

Кч-6,3

58

75

50

4,5

165

80

50

40

40

9

75

64,0

41,0

54

Кч-8,0

65

85

60

4,5

190

95

55

45

46

10

85

72,0

47,0

59

Кч-10,0

75

95

70

5,5

215

110

62

49

50

10

95

81,0

52,0

65

Кч-12,5

85

110

80

5,5

250

130

70

58

54

10

110

94,0

61,0

73

Продолжение табл. 39

Размеры, мм

Обозначение крюка чалочного

l

l1

l2

l3

l4

r

r1

r2

r3

r4

r5

r6

r7

r8

r9

Масса, кг

Кч-0,32

14

17

15

6

8

25

11

3,0

15

22

3,5

12,0

12

1,5

22

0,10

Кч-0,4

16

24

17

6

8

28

12

4,0

18

25

4,0

13,0

13

1,7

25

0,15

Кч-0,5

18

25

19

6

8

32

13

4,0

20

27

4,0

15,0

13

2,0

29

0,25

Кч-0,63

18

22

19

6

8

34

13

4,0

26

35

4,0

16,0

15

2,0

31

0,40

Кч-0,8

22

25

23

8

10

40

14

5,0

20

30

4,5

20,0

10

3,0

36

0,45

Кч-1,0

24

28

27

8

10

44

16

5,0

29

33

4,5

20,0

15

2,5

38

0,70

Кч-1,25

26

30

29

8

10

49

18

5,5

25

35

5,5

22,0

20

2,5

45

0,80

Кч-1,6

30

30

30

8

10

54

30

6,0

20

42

6,0

24,0

20

3,5

49

1,24

Кч-2,0

34

30

34

8

10

61

30

6,0

30

48

6,5

28,0

25

4,5

55

1,50

Кч-2,5

40

34

39

8

10

67

36

7,0

28

50

7,0

29,0

26

3,0

60

2,38

Кч-3,2

45

45

43

12

15

75

38

8,0

35

50

8,0

32,5

38

4,0

70

3,08

Кч-4,0

45

50

46

12

15

81

42

9,0

40

58

8,0

35,0

40

4,5

72

3,78

Кч-5,0

50

55

51

12

15

92

45

9,0

50

65

9,0

37,0

36

4,5

82

5,10

Кч-6,3

56

65

55

12

15

101

53

10,0

50

73

12,0

40,0

45

5,0

90

7,20

Кч-8,0

65

65

65

12

15

115

60

12,0

52

80

14,0

47,5

50

5,5

102

10,20

Кч-10,0

70

70

73

15

20

127

68

13,0

55

85

14,0

55,0

55

6,0

114

14,20

Кч-12,5

82

80

80

15

20

149

75

13,0

55

90

20,0

65,0

55

8,0

132

20,50

(Измененная редакция, Изм. № 2).

Таблица 40

Размеры, мм

Обозначение крюка чалочного

s

D

d

d1

L

B

b

b1

b2

e

h

h1

h2

h3

Кч-1,0ХЛ

24

32

26

3,0

75

38

12

10

12

5

32

27

18

22

Кч-1,25ХЛ

28

36

30

3,0

80

42

15

12

15

2

36

31

20

25

Кч-1,6ХЛ

30

40

30

3,5

90

44

16

13

16

6

40

34

22

26

Кч-2,0ХЛ

36

45

35

3,5

100

50

18

15

18

5

45

38

25

30

Кч-2,5ХЛ

38

50

38

4,0

110

54

20

16

20

6

50

43

28

34

Кч-3,2ХЛ

40

55

42

4,0

120

60

24

18

24

5

55

47

30

38

Кч-4,0ХЛ

45

60

44

4,0

125

62

30

20

30

3

60

51

32

40

Кч-5,0ХЛ

50

65

48

4,5

140

70

30

24

30

5

70

55

35

44

Кч-6,3ХЛ

58

75

50

4,5

155

74

36

30

36

6

75

64

40

48

Кч-8,0ХЛ

65

85

60

4,5

180

85

42

32

42

10

85

72

46

56

Кч-10,0ХЛ

75

95

70

5,5

205

100

42

33

44

10

95

81

52

64

Кч-12,5ХЛ

85

110

80

5,5

235

116

46

34

46

9

110

94

60

72

Продолжение табл. 40

Размеры, мм

Обозначение крюка чалочного

l

l1

l2

l3

l4

r

r1

r2

r3

r4

r5

r6

r7

r8

r9

Масса, кг

Кч-1,0ХЛ

24

28

24,0

8

10

43

16

4,5

20

30

5,0

19

15

2,0

39

0,45

Кч-1,25ХЛ

24

30

26,0

8

10

49

18

5,5

25

33

5,5

21

20

2,5

43

0,60

Кч-1,6ХЛ

30

32

27,0

8

10

54

30

5,0

20

42

6,0

22

15

2,5

48

0,80

Кч-2,0ХЛ

32

36

31,5

8

10

61

30

6,0

25

45

6,0

25

24

2,5

54

1,10

Кч-2,5ХЛ

38

38

34,0

8

10

68

36

7,0

28

48

7,0

27

28

3,0

60

1,40

Кч-3,2ХЛ

40

42

41,0

9

12

74

38

6,0

35

50

7,0

30

24

2,5

66

1,70

Кч-4,0ХЛ

45

44

44,0

10

15

81

42

8,0

32

60

8,0

31

50

2,5

71

2,40

Кч-5,0ХЛ

45

45

47,0

10

15

86

45

9,0

40

60

9,0

35

40

3,0

80

3,50

Кч-6,3ХЛ

50

48

52,0

10

15

102

53

10,0

40

65

10,0

37

61

3,5

94

5,00

Кч-8,0ХЛ

58

55

62,0

10

15

114

60

10,0

45

73

12,0

42

78

4,0

103

7,40

Кч-10,0ХЛ

65

70

68,0

15

20

128

68

11,0

50

80

14,0

50

50

3,5

115

10,80

Кч-12,5ХЛ

75

75

74,0

15

20

149

75

13,0

55

85

15,0

58

50

5,0

130

14,50

(Измененная редакция, Изм. № 2).

2.1.2. Конструкция и размеры замка З для крюков К, эксплуатируемых в районах с умеренным климатом, должны соответствовать указанным на черт. 30 и в табл. 41, а в районах с холодным климатом - на черт. 30 и в табл. 42.

Материал: проволока II - d по ГОСТ 9389-75

Черт. 30

Таблица 41

Размеры, мм

Обозначение замка

d

l

l1

l2

l3

l4

l5

Длина развертки

r

Масса, кг

З-0,32

2,0

33,0

19

14

22

8

37

129

2,0

0,003

З-0,4

2,0

35,0

20

14

23

8

38

130

2,0

0,003

З-0,5

2,0

38,0

21

17

26

8

40

138

2,0

0,003

З-0,63

2,0

48,0

22

17

26

8

42

155

2,0

0,004

З-0,8

2,5

52,5

24

19

30

10

46

173

2,5

0,007

З-1,0

2,5

54,5

27

20

32

10

49

183

2,5

0,007

З-1,25

2,5

54,5

32

21

36

10

57

196

2,5

0,008

З-1,6

3,0

63,0

32

23

38

10

57

213

3,0

0,012

З-2,0

3,0

70,0

34

25

42

10

59

229

3,0

0,013

З-2,5

3,6

71,0

42

27

46

10

67

247

3,6

0,019

З-3,2

3,6

78,6

46

30

52

15

71

270

3,6

0,022

З-4,0

3,6

86,6

52

31

58

15

77

299

3,6

0,024

З-5,0

3,6

88,6

56

34

65

15

81

317

3,6

0,026

З-6,3

4,0

104,0

60

38

70

15

85

358

4,0

0,035

З-8,0

4,0

114,0

68

40

77

15

93

395

4,0

0,039

З-10,0

5,0

140,0

72

45

84

20

97

452

5,0

0,069

З-12,5

5,0

160,0

72

45

92

20

97

502

5,0

0,077

Таблица 42

Размеры, мм

Обозначение замка

d

l

l1

l2

l3

l4

l5

Длина развертки

r

Масса, кг

З-1,0ХЛ

2,5

52,5

24

14

24

10

35

161

2,5

0,005

З-1,5ХЛ

2,5

54,5

27

15

27

10

38

172

2,5

0,006

З-1,6ХЛ

2,5

57,5

28

16

28

10

41

183

2,5

0,007

З-2,0ХЛ

3,0

65,0

32

17

32

10

44

204

3,0

0,011

З-2,5ХЛ

3,0

71,0

34

19

34

10

47

223

3,0

0,012

З-3,2ХЛ

3,6

79,6

40

23

40

12

54

253

3,6

0,022

З-4,0ХЛ

3,6

86,6

46

23

46

15

62

278

3,6

0,026

З-5,0ХЛ

4,0

99,0

46

23

46

15

68

308

4,0

0,029

З-6,3ХЛ

4,0

109,0

56

27

56

15

73

343

4,0

0,034

З-8,0ХЛ

5,0

128,0

62

32

62

15

82

402

5,0

0,062

З-10,0ХЛ

5,0

140,0

68

38

68

20

91

430

5,0

0,066

З-12,5ХЛ

5,0

160,0

68

32

68

20

100

485

5,0

0,074

(Измененная редакция, Изм. № 2).

2.2. Конструкция и размеры карабинов Кр, эксплуатируемых в районах с умеренным климатом, должны соответствовать указанным на черт. 31 и в табл. 43, а в районах с холодным климатом - на черт. 31 и в табл. 44.

1 - скоба; 2 - планка

Черт. 31

Таблица 43

Обозначение карабина

Допускаемая нагрузка, кН (тс)

Размеры звена, мм

Обозначение деталей звена

Масса, кг

b

L

l

a

a1

Скоба

Пластина

Кр-0,32

3,14 (0,32)

18

120

20

10

12

Ск-0,32

Пк-0,32

0,47

Кр-0,4

3,92 (0,4)

20

135

20

10

15

Ск-0,4

Пк-0,4

0,58

Кр-0,5

4,90 (0,5)

24

150

20

10

16

Ск-0,5

Пк-0,5

0,82

Кр-0,63

6,18 (0,63)

26

155

20

15

18

Ск-0,63

Пк-0,63

1,04

Кр-0,8

7,85 (0,8)

30

170

20

15

18

Ск-0,8

Пк-0,8

1,32

Кр-1,0

9,81 (1,0)

32

170

20

15

25

Ск-1,0

Пк-1,0

1,91

Кр-1,25

12,25 (1,25)

36

185

25

15

25

Ск-1,25

Пк-1,25

2,60

Кр-1,6

15,70 (1,6)

40

205

25

25

30

Ск-1,6

Пк-1,6

3,75

Кр-2,0

19,62 (2,0)

44

235

25

25

30

Ск-2,0

Пк-2,0

5,25

Таблица 44

Обозначение карабина

Допускаемая нагрузка, кН (тс)

Размеры звена, мм

Обозначение деталей звена

Масса, кг

b

L

l

a

a1

Скоба

Пластина

Кр-0,4ХЛ

3,92 (0,4)

20

135

20

10

15

Ск-0,4ХЛ

Пк-0,4ХЛ

0,51

Кр-0,5ХЛ

4,90 (0,5)

24

150

20

10

16

Ск-0,5ХЛ

Пк-0,5ХЛ

0,65

Кр-0,63ХЛ

6,18 (0,63)

26

155

20

15

18

Ск-0,63ХЛ

Пк-0,63ХЛ

0,86

Кр-0,8ХЛ

7,85 (0,8)

30

170

20

15

18

Ск-0,8ХЛ

Пк-0,8ХЛ

1,09

Кр-1,0ХЛ

9,81 (1,0)

32

170

20

15

25

Ск-1,0ХЛ

Пк-1,0ХЛ

1,53

Кр-1,25ХЛ

12,25 (l,25)

36

185

25

15

25

Ск-1,25ХЛ

Пк-1,25ХЛ

2,12

Кр-1,6ХЛ

15,70 (1,6)

40

205

25

25

30

Ск-1,6ХЛ

Пк-1,6ХЛ

2,87

Кр-2,0ХЛ

19,62 (2,0)

44

235

25

25

30

Ск-2,0ХЛ

Пк-2,0ХЛ

4,18

2, 2.1.1, 2.1.2, 2.2. (Измененная редакция, Изм. № 1).

2.2.1. Конструкция и размеры скобы Ск карабинов Кр, эксплуатируемых в районах с умеренным климатом, должны соответствовать указанным на черт. 32 и в табл. 45, а в районах с холодным климатом - на черт. 32 и в табл. 46.

Материал для; деталей климатического исполнения У - Сталь 20 по ГОСТ 1050-88 или Ст3сп по ГОСТ 380-88, для деталей климатического исполнения ХЛ-15ХСНД или 09Г2С по ГОСТ 19281-89

Черт. 32

Таблица 45

Размеры, мм

Обозначение скобы

d

L

a

b

r

l

с

Длина развертки

Масса, кг

Ск-0,32

15

120

18

16

9

30

1,0

292

0,41

Ск-0,4

16

135

20

20

10

35

1,0

323

0,51

Ск-0,5

18

150

24

25

12

35

1,0

359

0,72

Ск-0,63

20

155

26

25

13

35

1,2

377

0,92

Ск-0,8

22

170

30

30

15

43

1,2

413

1,19

Ск-1,0

25

170

32

30

16

45

1,2

425

1,59

Ск-1,25

28

185

36

35

18

45

1,5

463

2,22

Ск-1,6

32

205

40

35

20

55

1,5

521

3,29

Ск-2,0

36

235

44

40

22

55

1,5

592

4,72

Таблица 46

Размеры, мм

Обозначение скобы

d

L

a

b

r

l

с

Длина развертки

Масса, кг

Ск-0,4ХЛ

15

135

20

20

10

35

1,0

320

0,44

Ск-0,5ХЛ

16

150

24

25

12

35

1,0

353

0,56

Ск-0,63ХЛ

18

155

26

25

13

35

1,2

371

0,74

Ск-0,8ХЛ

20

170

30

30

15

43

1,2

407

0,97

Ск-1,0ХЛ

22

170

32

30

16

45

1,2

416

1,23

Ск-1,25ХЛ

25

185

36

35

18

45

1,5

445

1,76

Ск-1,6ХЛ

28

205

40

35

20

55

1,5

509

2,43

Ск-2,0ХЛ

32

235

44

40

22

55

1,5

580

3,66

2.2.2. Конструкция и размеры пластины Пк карабинов Кр, эксплуатируемых в районах с умеренным климатом, должны соответствовать указанным на черт. 33 и в табл. 47, а в районах с холодным климатом - на черт. 33 и в табл. 48.

Материал для деталей климатического исполнения У - Ст3пс по ГОСТ 380-88, для деталей климатического исполнения ХЛ-Ст3сп по ГОСТ 380-88

Черт. 33

(Измененная редакция, Изм. № 1).

Таблица 47

Размеры, мм

Обозначение пластины

А

L

l

r

r1

s

Масса, кг

Пк-0,32

33

55

13

8,0

5

1

0,030

Пк-0,4

36

60

13

8,5

5

1

0,035

Пк-0,5

42

70

13

9,5

5

1

0,047

Пк-0,63

46

80

16

10,5

8

1

0,059

Пк-0,8

52

80

16

11,5

8

1

0,065

Пк-1,0

57

85

16

13,0

8

2

0,160

Пк-1,25

64

90

16

14,5

8

2

0,190

Пк-1,6

72

100

18

16,5

10

2

0,230

Пк-2,0

80

105

18

18,5

10

2

0,267

Таблица 48

Размеры, мм

Обозначение пластины

А

L

l

r

r1

s

Масса, кг

Пк-0,4ХЛ

35

65

13

8,0

5

1

0,035

Пк-0,5ХЛ

40

70

13

8,5

5

1

0,046

Пк-0,63ХЛ

44

80

13

9,5

6

1

0,058

Пк-0,8ХЛ

50

80

16

10,5

8

1

0,062

Пк-1,0ХЛ

54

85

16

11,5

8

2

0,150

Пк-1,25ХЛ

61

90

16

13,0

10

2

0,180

Пк-1,6ХЛ

68

100

18

14,5

10

2

0,220

Пк-2,0ХЛ

76

105

18

16,5

10

2

0,258

2.3. Конструкция и размеры крюков К1, эксплуатируемых в районах с умеренным климатом, должны соответствовать указанным на черт. 34 и в табл. 49.

1 - крюк; 2 - замок; 3 - заклепка

Черт. 34


Таблица 49

Обозначение крюка

Допускаемая нагрузка, кН (тс)

Размеры звена, мм

Обозначение деталей звена

Масса, г

D

d

с

s

b

Крюк чалочный

Замок

Заклепка

К1-0,63

6,18 (0,63)

25

22

88,5

22

12

Кч1-0,63

З1-0,63

6´24.00

0,45

К1-0,8

7,85 (0,8)

30

25

102,5

24

Кч1-0,8

З1-0,8

0,50

К1-1,0

9,81 (1,0)

32

26

109,0

15

Кч1-1,0

З1-1,0

6´26.00

0,76

К1-1,25

12,26 (1,25)

36

30

118,0

28

18

Кч1-1,25

З1-1,25

6´30.00

0,87

К1-1,6

15,70 (1,6)

40

125,0

30

Кч1-1,6

З1-1,6

8´32.00

1,33

К1-2,0

19,62 (2,0)

45

35

145,0

36

20

Кч1-2,0

З1-2,0

8´38.00

1,62

К1-2,5

24,52 (2,5)

50

38

154,0

38

26

Кч1-2,5

З1-2,5

8´42.00

2,51

К1-3,2

31,40 (3,2)

55

42

173,5

40

30

Кч1-3,2

З1-3,2

8´45.00

3,23

К1-4,0

39,24 (4,0)

60

44

187,0

45

32

Кч1-4,0

З1-4,0

8´48.00

4,2


2.3.1. Координаты отверстия в крюке Кч1 для замка с противовесом должны соответствовать указанным на черт. 35 и в табл. 50, остальные размеры крюка - на черт. 29 и в табл. 39.

Черт. 35

Таблица 50

Размеры, мм

Обозначение крюка чалочного

d1

l1

l2

Кч1-0,63

6,2

24

3

Кч1-0,8

6,2

28

3

Кч1-1,0

6,2

29

3

Кч-1,25

6,2

32

4

Кч1-1,6

8,2

32

4

Кч1-2,0

8,2

35

5

Кч1-2,5

8,2

38

5

Кч1-3,2

8,2

45

6

Кч1-4,0

8,2

50

7

2.3.2. Конструкция и размеры замков З1 для крюков К1, эксплуатируемых в районах с умеренным климатом, должны соответствовать указанным на черт. 36 и в табл. 51.

Черт. 36

Таблица 51

Размеры, мм

Обозначение замка

d

l

l1

l2

t

t1

t2

t3

t4

t5

t6

r

r1

Масса, кг

З1-0,63

6,2

50

15

16

43

30

16

22

44

9

113

8

6

0,038

З1-0,8

6,2

60

15

18

45

35

18

23

46

9

135

8

6

0,048

З1-1,0

6,2

60

17

21

53

45

21

24

48

9

139

9

11

0,052

З1-1,25

6,2

70

17

23

55

45

23

26

52

10

161

9

11

0,065

З1-1,6

8,2

70

18

26

59

45

26

28

56

11

163

9

11

0,071

З1-2,0

8,2

90

20

30

65

50

30

32

64

11

205

10

15

0,102

З1-2,5

8,2

90

20

32

71

58

32

34

68

12

211

10

16

0,111

З1-3,2

8,2

100

22

38

78

58

38

36

72

14

234

10

16

0,132

З1-4,0

8,2

110

23

40

82

72

40

44

88

14

256

11

19

0,176

2.3, 2.3.1, 2.3.2. (Введены дополнительно, Изм. № 1).

2.4. Конструкция и размеры звеньев переходных РП, эксплуатируемых в районах с умеренным климатом, должны соответствовать указанным на черт. 37 и в табл. 52.

2.4.1. Конструкция и размеры скобы Сп для звеньев РП, эксплуатируемых в районах с умеренным климатом, должны соответствовать указанным на черт. 38 и в табл. 53.

1 - скоба; 2 - болт по ГОСТ 7798-70 (до 48 мм) или по ГОСТ 10602-72 (св. 52 мм); 3 - шайба по ГОСТ 9649-78; 4 - шплинт по ГОСТ 397-79

Черт. 37


Таблица 52

Обозначение звена

Допускаемая нагрузка, кН (тс)

Размеры звена, мм

Обозначение деталей звена

Масса, кг

d

d1

B

L

l

Скоба

Болт

Шайба

Шплинт

РП-1,0

9,81 (1,00)

14

18

28

70

7

Сп-1,0

2М18-6g´65,36

20.02.Ст3кп

4´50

0,48

РП-1,25

12,26 (1,25)

16

32

74

8

Сп-1,25

2M18-6g´75,36

0,63

РП-1,6

15,70 (1,60)

18

20

32

80

Сп-1,6

2М20-6g´80,36

0,71

РП-2,0

19,62 (2,00)

20

24

36

90

10

Сп-2,0

СМ24-6g´90,36

24.02.Ст3кп

5´50

1,12

РП-2,5

24,52 (2,50)

22

27

40

100

11

Сп-2,5

2М27-6g´95,36

28.02.Ст3кп

1,59

РП-3,2

31,40 (3,20)

24

30

45

110

12

Сп-3,2

2M30-6g´105,36

32.02.Ст3кп

6,3´70

2,26

РП-4,0

39,24 (4,00)

28

36

50

120

14

Сп-4,0

2M36-6g´120,36

36.02.Ст3кп

6,3´90

3,29

РП-5,0

49,05 (5,00)

32

42

58

130

16

Сп-5,0

2M42-6g´140,36

45.02.Ст3кп

8´100

4,68

РП-6,3

61,80 (6,3)

36

42

64

150

18

Сп-6,3

2M42-6g´160,36

6,32

РП-8,0

75,50 (8,00)

40

48

70

170

20

Сп-8,0

2M48-6g´170,36

50.02.Ст3кп

8´110

8,85

РП-10,0

98,10 (10,00)

45

52

80

190

22,5

Сп-10,0

2M52-6g´200,36

55.02.Ст3кп

8´125

12,48

РП-12,5

122,00 (12,50)

48

56

90

215

24

Сп-12,5

CM56-6g´220,36

60.02.Ст3кп

10´135

16,10


Материал: Сталь 20 по ГОСТ 1050-88 или Ст3сп по ГОСТ 380-88

Черт. 38

Таблица 53

Размеры, мм

Обозначение

D

d

d1

d2

B

L

С

C1

Масса, кг

Номин.

Пред. откл.

Номин.

Пред. откл.

Номин.

Пред. откл.

Сп-1,0

35

± 1,5

14

19

M18

28

+ 1,5

70

± 2,5

1,0

2,5

0,32

Сп-1,25

40

16

32

+ 2,0

74

0,45

Сп-1,6

18

21

M20

80

0,47

Сп-2,0

45

± 2,0

20

25

M24

36

90

± 3,0

1,5

0,79

Сп-2,5

50

22

30

M27

40

100

1,04

Сп-3,2

60

2,5

24

32

M30

45

110

1,50

Сп-4,0

68

28

38

M36

50

120

2,24

Сп-5,0

75

32

44

42

58

+ 2,5

130

± 3,5

2,0

4,0

3,15

Сп-6,3

80

36

64

150

4,25

Сп-8,0

90

3,0

40

50

M48

70

170

5,98

Сп-10,0

100

45

54

M52

80

190

2,5

8,45

Сп-12,5

110

48

58

M56

90

+3,0

215

± 4,0

10,90

2.4, 2.4.1. (Введены дополнительно, Изм. № 2).

ПРИЛОЖЕНИЕ 2

Рекомендуемое

СПОСОБЫ ЗАДЕЛКИ КОНЦОВ СТРОПОВ

1. Заделка концов каната может быть выполнена способами, приведенными на черт. 1 - 3. Элементы заделки представлены в табл. 1.

Заделка концов канатов опрессовкой стальной втулкой

Черт. 1

Заделка концов канатов опрессовкой алюминиевой втулкой

Черт. 2

Заплетка с последующей обмоткой концов прядей проволокой

Черт. 3

Таблица 1

Обозначение ветви канатной

Диаметр каната, мм

Обозначение втулок

Длина участка от стенки коуша до втулки l1, мм

Число проколов каждой прядью при заплетке, не менее

Длина участка, обмотанного проволокой, l2

Длина развертки проволоки, мм

алюминиевой

стальной

ВК-0,32

6,2; 6,3

Вт9

СВт8

60

4

60

1400

ВК-0,4

6,7; 6,9; 7,6

70

1600

ВК-0,5

8,1; 8,3; 8,5

Вт11

СВт8,5

1800

ВК-0,63

8,1; 8,3

СВт9

9,0; 9,1

СВт11

80

80

2500

ВК-0,8

9,7; 9,9

Вт12

2800

11,5

Вт13

СВт13

95

3100

ВК-1,0

11,0; 11,5

ВК-1,25

11,5

3400

12,0; 13,0

Вт15

СВт15

105

4100

ВК-1,6

13,5; 14,0

90

15,5

Вт16

СВт17

5

4600

ВК-2,0

15,0; 15,5

5200

ВК-2,5

16,5

Вт18

130

100

5500

17,0; 18,0

19,5

Вт19

СВт19

130

7500

Вт20

СВт21

145

8400

ВК-3,2

20,0

21,0; 21,5

Вт23

8500

-

190

13500

ВК-4,0

22,0; 22,5

23,0

Вт25

14000

ВК-5,0

23,5; 24,0

24,5

Вт26

170

15200

25,0; 25,5

Вт28

16000

ВК-6,3

27,0

Вт30

205

16700

29,0

30,5

Вт33

6

260

19000

230

25600

ВК-8,0

31,0

Вт36

26000

33,5

Вт38

28000

ВК-10,0

32,0

35,0

Вт36

Вт38

26800

29000

36,5; 37,0

Вт40

255

30500

2. Конструкция и размеры алюминиевых втулок для заделки концов канатов указаны на черт. 4 и в табл. 2.

____________

* Размеры для справок.

Черт. 4

Таблица 2

Размеры, мм

Обозначение втулки

Диаметр каната

Втулка

Заготовка - труба по ГОСТ 18482-79

Масса втулки, кг

b

b1

l

L

D

s

Вт9

6,2 - 7,6

9

19

20,0

50

25

5,0

0,05

Вт11

8,0 - 9,1

11

21

22,0

60

28

5,0

0,06

Вт12

9,7 - 10,0

12

24

24,5

60

32

6,0

0,08

Вт13

11,0 - 11,5

13

27

27,0

70

35

7,0

0,12

Вт15

12,0 - 14,0

15

30

31,0

70

40

7,5

0,15

Вт16

15,0 - 15,5

16

36

34,8

70

48

10,0

0,24

Вт18

15,0 - 16,5

18

38

37,0

80

50

10,0

0,28

Вт19

17,0 - 18,0

19

39

39,4

80

52

10,0

0,30

Вт20

17,0 - 19,5

21

41

43,0

90

55

10,0

0,36

Вт23

20,0 - 21,5

23

43

46,5

90

58

10,0

0,39

Bт25

22,0 - 23,0

25

45

48,5

100

60

10,0

0,45

Вт26

22,0 - 24,5

26

46

51,0

100

65

10,0

0,49

Вт28

25,0 - 26,0

28

53

55,0

110

70

12,5

0,71

Вт30

27,0

30

55

60,0

125

75

12,5

0,87

Вт33

28,5 - 30,5

33

63

60,0

125

80

15,0

1,09

Вт36

31,0 - 33,0

36

66

66,0

140

85

15,0

1,32

Вт38

33,5 - 35,0

38

68

73,0

150

90

15,0

1,52

Вт40

36,5 - 37,0

40

70

80,0

160

95

15,0

1,71

3. Заделка концов канатов опрессовкой стальной втулкой должна соответствовать указанной на черт. 5 и в табл. 3.

___________

* Размеры для справок.

Черт. 5

Таблица 3

Размеры, мм

Диаметр каната dк

a

l

l1

a1

Число обжатий z

Длина втулки после обжатия L

6,3 - 7,6

5

10

7

7

3

56

8,1 - 10,0

6

10

10

7

4

85

11,5 - 12,5

7

10

12

8

4

91

13,5 - 15,5

10

10

12

10

5

118

16,5 - 17,0

10

12

14

10

6

166

18,0 - 20,0

10

12

15

12

7

196

4. Конструкция и размеры стальных втулок для заделки концов канатов должны соответствовать указанным на черт. 6 и в табл. 4.

____________

* Размеры для справок.

Черт. 6

Таблица 4

Размеры, мм

Обозначение втулок

Диаметр каната dк

Втулка

Заготовка - труба по ГОСТ 8732-78, ГОСТ 8734-75

Масса втулки, кг

b

B1

l

L

D

s

СВт8

6,3 - 7,6

8

12,0

21

50

16

2,0

0,034

СВт8,5

7,6 - 8,1

8,5

13,5

23

80

22

2,5

0,076

СВт9

8,5 - 9,0

9

14,0

26

80

25

2,5

0,086

СВт11

9,7 - 10,0

11

16,0

25

80

25

2,5

0,086

СВт13

11,0 - 12,0

13

19,0

32

85

30

3,0

0,138

СВт15

12,5 - 14,0

15

21,0

35

112

32

3,0

0,207

СВт17

15,0 - 16,5

17

23,0

41

160

38

3,0

0,344

СВт19

17,0 - 18,0

19

27,0

49

160

45

4,0

0,536

СВт21

18,0 - 20,0

21

29,0

48

185

45

4,0

0,620

1 - 4. (Измененная редакция, Изм. № 1, 2).

ПРИЛОЖЕНИЕ 3

Рекомендуемое

Схема строповки груза двумя стропами 1СК и СКК

Схема строповки грузов стропами СКП2

(Измененная редакция, Изм. № 1, 2).

ИНФОРМАЦИОННЫЕ ДАННЫЕ

1. РАЗРАБОТАН И ВНЕСЕН Государственным комитетом СССР по делам строительства

Разработчики стандарта

Б. К. Горлов; Ж. Г. Гордин, канд. техн. наук (руководители темы); Г. А. Шаранович; В. П. Петров; Ф. Ф. Игонин; В. И. Страхов; Г. М. Градобоева; С. Р. Райгородский; В. В. Баконин

2. УТВЕРЖДЕН И ВВЕДЕН В ДЕЙСТВИЕ Постановлением Государственного комитета СССР по делам строительства от 21.12.82 № 293

3. ВВЕДЕН ВПЕРВЫЕ

4. ССЫЛОЧНЫЕ НОРМАТИВНО-ТЕХНИЧЕСКИЕ ДОКУМЕНТЫ

Обозначение НТД, на который дана ссылка

Номер пункта, приложения

ГОСТ 112.1.001-83

4.1

ГОСТ 112.1.019-79

4.1

ГОСТ 12.3.002-75

4.1

ГОСТ 380-88

3.10, приложение 1

ГОСТ 397-79

Приложение 1

ГОСТ 977-88

3.29, 3.38

ГОСТ 1050-88

3.10, 3.12, 3.31, 3.38, приложение 1

ГОСТ 1497-84

6.6

ГОСТ 2224-72

2.6, 2.8, 3.9

ГОСТ 2688-80

2.6, 3.7

ГОСТ 3070-88

3.7

ГОСТ 3071-88

2.6, 2.8, 2.10, 3.7

ГОСТ 3077-80

3.7

ГОСТ 3079-80

2.6, 2.8, 12.10, 3.7

ГОСТ 3282-74

2.8, 2.9, 2.10, 3.15

ГОСТ 4543-71

3.31

ГОСТ 4784-74

3.12

ГОСТ 5919-73

Приложение 1

ГОСТ 6111-52

Приложение 1

ГОСТ 6211-81

Приложение 1

ГОСТ 6996-66

6.5

ГОСТ 7505-89

3.33

ГОСТ 7665-80

3.7

ГОСТ 7668-80

2.6, 2.8, 2.10, 3.7

ГОСТ 7798-70

Приложение 1

ГОСТ 7829-70

3.33

ГОСТ 8479-70

3.16, 5.3

ГОСТ 8732-78

Приложение 2

ГОСТ 8734-75

Приложение 2

ГОСТ 9012-59

6.6

ГОСТ 9013-59

6.6

ГОСТ 9389-75

Приложение 1

ГОСТ 9454-78

6.6

ГОСТ 9650-80

3.30

ГОСТ 12840-80

3.36, 4.3

ГОСТ 14192-77

7.4

ГОСТ 15150-69

3.2, 7.5, 7.6

ГОСТ 15878-79

Приложение 1

ГОСТ 18482-79

Приложение 2

ГОСТ 19281-89

3.10, приложение 1

ГОСТ 25032-81

3.1

СНиП III-4-80

4.5

5. ПЕРЕИЗДАНИЕ (апрель 1990 г.) с ИЗМЕНЕНИЯМИ № 1, 2, утвержденными в марте 1987 г. и августе 1989 г. (ИУС 7-87; 12-89)

СОДЕРЖАНИЕ

Технические условия. 1

1. Типы.. 1

2. Основные параметры и размеры.. 1

3. Технические требования. 16

4. Требования безопасности. 19

5. Правила приемки. 20

6. Методы испытаний. 21

7. Маркировка, упаковка, транспортирование и хранение. 21

8. Гарантии изготовителя. 22

Приложение 1 Конструкция и размеры звеньев и захватов. 22

Приложение 2 Способы заделки концов стропов. 80

Приложение 3 Схема строповки груза двумя стропами 1СК и СКК.. 85