Бесплатная библиотека стандартов и нормативов www.docload.ru

Все документы, размещенные на этом сайте, не являются их официальным изданием и предназначены исключительно для ознакомительных целей.
Электронные копии этих документов могут распространяться без всяких ограничений. Вы можете размещать информацию с этого сайта на любом другом сайте.
Это некоммерческий сайт и здесь не продаются документы. Вы можете скачать их абсолютно бесплатно!
Содержимое сайта не нарушает чьих-либо авторских прав! Человек имеет право на информацию!

 

ТРУБЫ МЕТАЛЛИЧЕСКИЕ
И СОЕДИНИТЕЛЬНЫЕ ЧАСТИ К НИМ

Часть 4

ТРУБЫ ИЗ ЧЕРНЫХ МЕТАЛЛОВ И СПЛАВОВ
ЛИТЫЕ И СОЕДИНИТЕЛЬНЫЕ ЧАСТИ К НИМ.
ОСНОВНЫЕ РАЗМЕРЫ.
МЕТОДЫ ТЕХНОЛОГИЧЕСКИХ ИСПЫТАНИЙ
ТРУБ

ГОСТ 8948-75*
(СТ СЭВ 3300-81)

Москва

ИПК ИЗДАТЕЛЬСТВО СТАНДАРТОВ

1998

ГОСУДАРСТВЕННЫЙ СТАНДАРТ СОЮЗА ССР

СОЕДИНИТЕЛЬНЫЕ ЧАСТИ ИЗ КОВКОГО ЧУГУНА
С ЦИЛИНДРИЧЕСКОЙ РЕЗЬБОЙ ДЛЯ ТРУБОПРОВОДОВ.
ТРОЙНИКИ ПРЯМЫЕ

Основные размеры

Ductile iron and steel fittings with
parallel thread for pipelines.
Straight tees. Basic dimensions

ГОСТ
8948-75*
(CT СЭВ 3300-81)

Взамен
ГОСТ 8948-59

Постановлением Государственного комитета стандартов Совета Министров СССР от 14.11.75 № 2901 дата введения установлена

01.01.77

Ограничение срока действия снято по протоколу Межгосударственного Совета по стандартизации, метрологии и сертификации (ИУС 2-93)

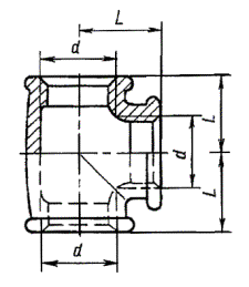
1. Основные размеры тройников должны соответствовать указанным на чертеже и в таблице.

Стандарт полностью соответствует CT СЭВ 3300-81.

Примечание: Чертеж не определяет конструкцию тройника.

Размеры в мм

Проход условный

Dу

Резьба d

L

Масса без покрытия, кг, не более*

Вариант по ГОСТ 8944-75

1

2

8

G 1/4 - В

21

0,064

0,063

10

G 3/8 - В

25

0,085

0,092

15

G 1/2 - В

28

0,133

0,143

20

G 3/4 - В

33

0,206

0,210

25

G 1 - В

38

0,318

0,330

32

G 11/4 - В

45

0,490

0,475

40

G 11/2 - В

50

0,673

0,594

50

G 2 - В

58

1,088

0,962

(65)

G 21/2 - В

69

1,524

1,422

(80)

G 3 - В

78

2,013

1,850

(100)

G 4 - B

96

3,980

3,460

* Для справок

Примечания:

1. Масса оцинкованных соединительных частей не должна превышать массу неоцинкованных более чем на 5%.

2. Тройники с Dу, указанными в таблице в скобках, применять не рекомендуется.

Примеры условных обозначений

Прямого тройника без покрытия с Dу 40 мм:

Тройник 40 ГОСТ 8948-75

То же, с цинковым покрытием:

Тройник Ц-40 ГОСТ 8948-75

(Измененная редакция, Изм. № 1, 2).

2. Конструктивные размеры и технические требования - по ГОСТ 8944-75.




Rambler's Top100 Яндекс цитирования
  Copyright © 2008-2025, www.docload.ru