Бесплатная библиотека стандартов и нормативов www.docload.ru

Все документы, размещенные на этом сайте, не являются их официальным изданием и предназначены исключительно для ознакомительных целей.
Электронные копии этих документов могут распространяться без всяких ограничений. Вы можете размещать информацию с этого сайта на любом другом сайте.
Это некоммерческий сайт и здесь не продаются документы. Вы можете скачать их абсолютно бесплатно!
Содержимое сайта не нарушает чьих-либо авторских прав! Человек имеет право на информацию!

 

ГОСУДАРСТВЕННЫЙ СТАНДАРТ СОЮЗА ССР

ГОСУДАРСТВЕННАЯ СИСТЕМА ОБЕСПЕЧЕНИЯ ЕДИНСТВА
ИЗМЕРЕНИЙ

МАНОМЕТРЫ, МАНОВАКУУММЕТРЫ,
ВАКУУММЕТРЫ, НАПОРОМЕРЫ,
ТЯГОНАПОРОМЕРЫ, ТЯГОМЕРЫ
С ПНЕВМАТИЧЕСКИМИ ВЫХОДНЫМИ
СИГНАЛАМ
И

МЕТОДЫ ПОВЕРКИ

ГОСТ 8.053-73
(СТ СЭВ 4381-83)

ГОСУДАРСТВЕННЫЙ КОМИТЕТ СССР ПО СТАНДАРТАМ

Москва

ГОСУДАРСТВЕННЫЙ СТАНДАРТ СОЮЗА ССР

Государственная система обеспечения единства
измерений

МАНОМЕТРЫ, МАНОВАКУУММЕТРЫ, ВАКУУММЕТРЫ,
НАПОРОМЕРЫ, ТЯГОНАПОРОМЕРЫ, ТЯГОМЕРЫ
С ПНЕВМАТИЧЕСКИМИ ВЫХОДНЫМИ СИГНАЛАМИ

Методы поверки

State system for ensuring the uniformity
of measurements. Pressure, compound pressure and
vacuum, vacuum gauges and draught gauges
with pneumatic output signals.
Methods of verification

ГОСТ
8.053-73*

Т СЭВ 4381-83)

Взамен
ГОСТ
14910-69

Постановлением Государственного комитета стандартов Совета Министров СССР от 28 февраля 1973 г. № 496 срок введения установлен

с 01.01.74

Настоящий стандарт распространяется на манометры, вакуумметры, мановакуумметры, напоромеры, тягонапоромеры, тягомеры и манометры абсолютного давления с унифицированным пневматическим выходным сигналом по ГОСТ 14796-79, ГОСТ 2648-78 и ГОСТ 2405-80 и устанавливает методы и средства их первичной и периодической поверок.

Приборы, изготовленные до срока введения перечисленных выше стандартов, а также импортные приборы должны поверяться в соответствии с методами, установленными настоящим стандартом.

Стандарт полностью соответствует СТ СЭВ 4381-83.

(Измененная редакция, Изм. № 2).

1. ОПЕРАЦИИ ПОВЕРКИ

1.1. При проведении поверки должны выполняться операции, указанные ниже:

внешний осмотр (п. 4.1);

установка нуля прибора (п. 4.2);

проверка герметичности узла чувствительного элемента измерительного блока (п. 4.4), проводят только при периодической поверке и после ремонта;

определение влияния изменения давления воздуха питания на величину выходного сигнала (п. 4.5);

определение размаха пульсации выходного сигнала (п. 4.6);

определение основной погрешности и вариации (п. 4.7).

змененная редакция, Изм. № 1).

2. СРЕДСТВА ПОВЕРКИ

2.1. При проведении поверки должны применяться следующие средства:

а) грузопоршневые манометры типа МП по ГОСТ 8291-83;

б) грузопоршневые манометры с измерительными мультипликаторами классов точности 0,1 и 0,2 с верхними пределами измерений 10000 и 15000 кгс/см2 (1000 и 1500 МПа);

в) грузопоршневой мановакуумметр типа МВП-2,5, класс точности 0,05, пределы измерений -1 ÷ 0 ÷ +2,5 кгс/см2 (-0,1 ÷ 0 ÷ +0,25 МПа);

г) грузопоршневой вакуумметр типа ВП, классы точности 0,02; 0,05, предел измерений - 1 кгс/см2 (-0,1 МПа);

д) жидкостные микроманометры с вертикальной трубкой типа МТВ по ГОСТ 11161-71;

е) жидкостные микроманометры компенсационные с концевыми мерами длины типа МКМ по ГОСТ 11161-71;

ж) жидкостные микроманометры компенсационные с микрометрическим винтом типа МКВ по ГОСТ 11161-71;

з) жидкостные микроманометры многопредельные с наклонной трубкой типа ММН по ГОСТ 11161-71, класс точности 0,6;

и) манометры образцовые пружинные типа МО по ГОСТ 6521-72;

к) вакуумметры образцовые пружинные типа ВО по ГОСТ 6521-72;

л) жидкостный манометр с оптическим отсчетом и ртутным заполнением типа ОМО-1, классы точности 0,15; 0,3, пределы измерений 0 ÷ 800 мм рт. ст.;

м) переносной прибор для проверки дифманометров-расходомеров типа ППР-2М, класс точности 0,3, пределы намерений избыточного давления 0 ÷ 1000 мм вод. ст., 0 ÷ 1000 мм рт. ст.; вакуумметрического давления 760 мм рт. ст.;

н) манометры контрольные ртутные с дистанционным отсчетом типа МКД, классы точности 0,1, 0,2, пределы измерений 0 ÷ 1; 0 ÷ 1,6 кгс/см2 (0 ÷ 0,1; 0 ÷ 0,16 МПа);

о) грузосильфонные дифференциально-трансформаторные манометры контрольные типа МКБ, классы точности 0,1; 0,16; 0,25, пределы измерений от 0 ÷ 0,25 до 0 ÷ 6,3 кгс/см2 (от 0 ÷ 0,025 до 0 ÷ 0,63 МПа): по ряду R5 ГОСТ 8032-56;

п) манометры электромеханические прецизионные типа ПМ, классы точности 0,1; 0,16; 0,25, пределы измерений 0 ÷ 1,0; 0,2 ÷ 1,0 кгс/см2 (0 ÷ 0,10; 0,02 ÷ 0,10 МПа);

р) вакуумметр электромеханический прецизионный типа ПВ, классы точности 0,1; 0,16; 0,25, предел измерений - 1 кгс/см2 (-0,1 МПа);

с) автоматический контрольный задатчик типа АКЗ-1,6, класс точности 0,1, пределы измерений 0,1 ÷ 1,6 кгс/см2 (0,01 ÷ 0,16 МПа);

т) контрольные манометры цифровые типа КМЦ-1,6, класс точности 0,1, пределы измерений 0 ÷ 1,6 кгс/см2 (0 ÷ 0,16 МПа), типа КМЦ-60, класс точности 0,05, пределы измерений 0 ÷ 60 кгс/см2 (0 ÷ 6 МПа);

у) манометры сильфонные образцовые пневматические типа МСО-П, классы точности 0,1; 0,16; 0,25; пределы измерений по ряду R5 ГОСТ 8032-56;

ф) установка типа УППД для поверки пневматических датчиков класса точности 0,15, пределы измерений от 0 ÷ 0,25 до 0 ÷ 6,3 кгс/см2 (от 0 ÷ 0,025 до 0 ÷ 0,63 МПа) по ряду R5 ГОСТ 8032-56;

х) автоматический задатчик давления типа АЗД-2,5, класс точности 0,05, пределы измерений 0,1 ÷ 1,0; 0,1 ÷ 1,6; 0,2 ÷ 2,5 кгс/см2 (0,01 ÷ 0,10; 0,01 ÷ 0,16; 0,02 ÷ 0,25 МПа);

ц) манометры пружинные показывающие по ГОСТ 2405-80, класса точности 1 и выше с верхним пределом измерений 1,6 кгс/см2 (0,16 МПа) и класса точности 0,6 и выше с верхним пределом измерений 2,5 кгс/см2 (0,25 МПа);

ч) термометры ртутные стеклянные лабораторные по ГОСТ 215-73, пределы измерений от 0 °С до +55 °С, цена деления 0,1 °С, аттестованные как образцовые;

ш) грузопоршневой манометр абсолютного давления с пределом измерения от 0 до 4·105 Па с пределом допускаемой основной погрешности ±0,01 %;

щ) вакуумный насос типа ВН.

(Измененная редакция, Изм. № 1, 2).

2.2. Образцовые средства измерений должны быть аттестованы (поверены) органами Госстандарта.

2.3. Допускается с разрешения Госстандарта применять образцовые средства измерений, не предусмотренные настоящим стандартом, при условии их соответствия требованиям пп. 4.7.2 - 4.7.4.

3. УСЛОВИЯ ПОВЕРКИ И ПОДГОТОВКИ К НЕЙ

3.1. Температура окружающего воздуха, а также измеряемой среды в приборе должна соответствовать требованиям, установленным стандартом на поверяемый прибор.

3.2. Влажность окружающего воздуха должна соответствовать требованиям, установленным стандартом на поверяемый прибор.

3.3. Давление воздуха питания должно быть 1,4 ± 0,042 кгс/см2 (0,14 ± 0,0042 МПа).

Для контроля давления воздуха питания должны применяться манометры, указанные в п. 2.1ц.

3.4. Допускаемое содержание в воздухе питания пыли, масла, влаги и агрессивных примесей должно соответствовать указанному в ГОСТ 11882-73.

3.5. Среда, передающая измеряемое давление, для приборов с верхним пределом измерений не более 2,5 кгс/см2 (0,25 МПа) - газ (воздух).

Среда, передающая измеряемое давление, для приборов с верхним пределом измерений более 2,5 кгс/см2 (0,25 МПа) - газ (воздух) или жидкость.

Примечание. Газ и жидкость должны быть нетоксичны и нейтральны к материалам деталей, соприкасающихся с ними, и рабочей измеряемой среде.

3.6. Вибрация, тряска и удары должны отсутствовать или иметь величины, не вызывающие размаха колебаний выходного сигнала более допускаемого значения, установленного стандартом на поверяемый прибор.

3.7. При первичной поверке приборы должны иметь паспорт (формуляр) приборостроительного или прибороремонтного предприятия.

3.8. При периодической поверке приборы должны иметь эксплуатационный паспорт (или заменяющий его документ).

3.9. Перед проведением поверки должны быть выполнены следующие подготовительные работы:

а) прибор должен быть установлен в рабочем положении с соблюдением требований инструкций по монтажу и эксплуатации;

б) прибор должен быть предварительно выдержан в нерабочем состоянии не менее 6 ч при условиях, указанных в пп. 3.1 и 3.2;

в) система, состоящая из соединительных линий и образцовых приборов, должна быть герметична.

При определении герметичности в системе создается давление, равное верхнему пределу измерений поверяемого прибора, при этом система должна быть отключена от устройства, создающего давление.

Примечания:

1. При поверке мановакуумметров и тягонапоромеров определение герметичности в системе производится только при избыточном давлении.

2. При поверке вакуумметров с верхним пределом измерений -1 кгс/см2 (-0,1 МПа) допускается производить определение герметичности в системе при вакуумметрическом давлении -0,90 ÷ -0,95 кгс/см2 (-0,090 ÷ -0,095 МПа).

Систему считают герметичной, если после 3-минутной выдержки в ней не наблюдается падение давления в течение последующих 2 мин.

(Измененная редакция, Изм. № 1).

4. ПРОВЕДЕНИЕ ПОВЕРКИ

4.1. Приборы не должны иметь повреждений и дефектов, ухудшающих их внешний вид и препятствующих их применению.

Маркировка, шкалы и стрелки должны соответствовать требованиям, установленным стандартом на поверяемый прибор.

4.2. Нулевое значение выходного сигнала прибора, соответствующее нулевому значению измеряемого давления, равно:

а) для манометров и напоромеров 0,2 кгс/см2 (0,02 МПа);

б) для вакуумметров и тягомеров 0,2 или 1,0 кгс/см2 (0,02 или 0,10 МПа) в зависимости от конструкции;

в) для тягонапоромеров 0,6 кгс/см2 (0,06 МПа);

г) для мановакуумметров - значениям, указанным в табл. 1.

Таблица 1

Вакуумметрическое давление

Избыточное давление

Расчетное значение выходного сигнала при нулевом значении измеряемого давления

кгс/см2

МПа

Верхний предел измерений

кгс/см2

МПа

кгс/см2

МПа

1

0,1

0,6

0,06

0,700

0,070

1

0,1

1,5

0,15

0,520

0,052

1

0,1

3,0

0,30

0,400

0,040

1

0,1

5,0

0,50

0,333

0,033

1

0,1

9,0

0,90

0,280

0,028

1

0,1

15,0

1,50

0,250

0,025

1

0,1

24,0

2,40

0,232

0,023

Примечание. Расчетные нулевые значения выходного сигнала в кгс/см2 (МПа) в таблице определяют по формуле

S0 = 0,2 + 0,8/(Pи + Pв)

(S0 = 0,02 + 0,08/(Pи + Pв))

где Pи - верхний предел измерений избыточного давления.

Pв - верхний предел измерения вакуумметрического давления.

4.3. Нулевое значение выходного сигнала устанавливается по образцовому прибору при помощи корректора нуля равным значениям, указанным в п. 4.2. Погрешность установки нулевого значения выходного сигнала по образцовому прибору не должна превышать разности между 1/4 абсолютной величины предела допускаемой основной погрешности поверяемого прибора и абсолютной величиной погрешности образцового прибора при давлении, равном расчетному нулевому значению выходного сигнала.

У показывающих приборов при выполнении указанных выше требований стрелка должна располагаться по центру нулевой отметки шкалы.

Установка нулевого выходного сигнала мановакуумметров и тягонапоромеров должна производиться только после подачи в них и сброса избыточного давления, составляющего не менее 50 % верхнего предела измерений.

4.4. Проверку герметичности узла чувствительного элемента прибора производят до определения основной погрешности.

В чувствительном элементе прибора создают давление, равное верхнему пределу измерений, и подвергают его предварительной выдержке в течение 10 мин, поддерживая в чувствительном элементе прибора заданное давление. Отключают прибор от устройства, создающего давление.

Прибор считают герметичным, если в течение последующих 15 мин изменение давления при изменении температуры окружающей среды не превышает значений, указанных в табл. 2.

Таблица 2

Верхний предел измерений (избыточное или вакуумметрическое давление)

Допускаемое изменение температуры в процессе испытаний, °С

Допускаемое изменение давления, установленного значения при поверке, %

кгс/м2 (Па)

кгс/см2 (МПа)

Пневматическое давление

Гидравлическое давление

20 (200)

31,5 (315)

-

-

0,3

45

-

40 (400)

50 (500)

-

-

25

-

63 (630)

80 (800)

100 (1000)

125 (1250)

160 (1600)

200 (2000)

-

-

-

-

-

-

15

-

250 (2500)

315 (3150)

400 (4000)

500 (5000)

-

-

-

-

7

-

630 (6300)

800 (8000)

1000 (10000)

-

-

-

0,5

3

-

1250 (12500)

1600 (16000)

2000 (20000)

-

1,5

-

2500 (25000)

4000 (40000)

0,25 (0,025)

0,4 (0,04)

1,0

-

-

0,6 (0,06)

1,0 (0,1)

1,6 (0,16)

2,5 (0,25)

4,0 (0,4)

5,0 (0,5)

0,5

-

-

6,0 (0,6)

9,0 (0,9)

10,0 (1,0)

15,0 (1,5)

16,0 (1,6)

24,0 (2,4)

25,0 (2,5)

40,0 (4,0)

60,0 (6,0)

1,0

-

10,0

-

100,0 (10,0)

и выше

1,0

-

5,0

Примечания:

1. Проверку герметичности узла чувствительного элемента мановакуумметров и тягонапоромеров производят только на верхнем пределе измерений избыточного давления.

2. При уменьшении температуры, указанной в табл. 2, допускаемое изменение давления должно быть уменьшено в том же отношении.

3. Значения изменений температуры и давления должны иметь одинаковый знак.

(Измененная редакция, Изм. № 1).

4.5. Изменение величины выходного сигнала, вызванное изменением давления воздуха питания от номинального значения 1,4 кгс/см2 (0,14 МПа) на ±0,14 кгс/см2 (0,014 МПа) не должно превышать допустимого значения, установленного стандартом на поверяемый прибор.

Определение влияния изменения давления воздуха питания должно производиться при значении выходного сигнала, равном 0,2 или 1,0 кгс/см2 (0,02 или 0,10 МПа) или близком к ним, и давлении воздуха питания, равном 1,26; 1,40, и 1,54 кгс/см2 (0,126; 0,140 и 0,154 МПа).

4.6. Размах пульсации выходного сигнала не должен превышать допускаемых значений, установленных стандартом на поверяемый прибор.

4.6.1. Размах пульсации выходного сигнала должен определяться при значениях выходного сигнала, равных 0,2 и 1,0 кгс/см2 (0,02 и 0,10 МПа) или близких к ним.

4.6.2. Размах пульсации выходного сигнала определяют:

а) при поверке приборов способами, указанными в п. 4.7.1а и б по манометру образцовому пружинному с верхним пределом измерений 1 кгс/см2;

б) при поверке приборов способом, указанным в п. 4.7.1в, по шкале или по записи на диаграмме образцового преобразователя.

4.7. Определение основной погрешности должно производиться при соблюдении условий, указанных в пп. 3.1 - 3.9.

4.7.1. Определение основной погрешности выходного сигнала производят одним из следующих способов:

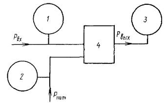
а) установкой по образцовому прибору 1 номинального значения измеряемого давления и измерением по другому образцовому прибору 2 выходного сигнала (черт. 1);

б) установкой по образцовому прибору 2 расчетного значения выходного сигнала, соответствующего заданному номинальному значению измеряемого давления, и измерением по другому образцовому прибору 1 действительного значения измеряемого давления (черт. 1);

1 - образцовый прибор для задания (измерения) входного давления; 2 - прибор для контроля давления воздуха питания; 3 - образцовый прибор для измерения (задания) выходного сигнала; 4 - поверяемый прибор

Черт. 1

в) сравнение коэффициента преобразования поверяемого прибора с коэффициентом преобразования, воспроизводимым образцовым преобразователем 3 (черт. 2).

1 - образцовый прибор для задания (измерения) входного давления; 2 - прибор для контроля давления воздуха питания; 3 - образцовый преобразователь; 4 - поверяемый прибор

Черт. 2

4.7.2. Определение основной погрешности показаний по шкале производят одним из следующих способов:

а) установкой стрелки поверяемого прибора на отметку, соответствующую заданному номинальному значению измеряемого давления, и отсчетом действительного значения измеряемого давления по образцовому прибору 1;

б) установкой стрелки образцового прибора 1 на отметку, соответствующую заданному номинальному значению измеряемого давления, и отсчетом показаний по шкале поверяемого прибора.

4.7.3. При выборе образцовых средств для определения погрешности выходного сигнала прибора должны быть соблюдены следующие условия:

а) при поверке по способу, указанному в п. 4.7.1а и б:

                                               (1)

где δ - предел допускаемой основной погрешности поверяемого прибора, выраженной в процентах от нормирующего значения;

1 - предел допускаемой абсолютной погрешности образцового прибора 1 при давлении, равном верхнему пределу измерений поверяемого прибора;

2 - предел допускаемой абсолютной погрешности образцового прибора 2 при давлении, равном 1 кгс/см2 (0,1 МПа);

а = 1 - для манометров абсолютного давления с пределом измерений более 4 кгс/см2 (0,4 МПа);

а = 0 - для всех остальных приборов;

Р - верхний предел измерений поверяемого прибора;

С = 1/4.

Допускается с разрешения Госстандарта применять С = 1/3;

б) при поверке по способу, указанному в п. 4.7.1в:

δ3 ≤ 1/4 - δ,                                                                    (2)

где δ3 - предел допускаемой основной погрешности образцового преобразователя 3, выраженной в процентах от диапазона изменения выходного сигнала поверяемого прибора.

(Измененная редакция, Изм. № 2).

4.7.4. При выборе образцового прибора для определения погрешности показаний прибора должно быть соблюдено следующее условие при поверке по способу, указанному в п. 4.7.2а и б

                                                             (3)

4.7.5. При наличии данных аттестации о систематических и средних квадратических погрешностях образцовых приборов при выборе образцовых приборов должны быть соблюдены следующие условия:

а) при поверке по способу, указанному в п. 4.7.1а и б

                                                 (4)

где'1; σ1 - наибольшая систематическая и средняя квадратическая погрешности образцового прибора 1 в диапазоне измерений поверяемого прибора, выраженные в процентах от верхнего предела измерений поверяемого прибора;

'2; σ2 - наибольшая систематическая и средняя квадратическая погрешности образцового прибора 2 в диапазоне изменения выходного сигнала, выраженные в процентах от диапазона изменения выходного сигнала;

б) при поверке по способу, указанному в п. 4.7.1в:

3 + 2,5σ3 ≤ 1/4·δ,                                                           (5)

где 3; σ3 - систематическая и средняя квадратическая погрешности образцового преобразователя 3, выраженные в процентах от диапазона изменения выходного сигнала поверяемого прибора;

в) при поверке по способу, указанному в п. 4.7.2:

'1 + 2,5δ1 ≤ 1/4·δ.                                                            (6)

4.7.6. Расчетные значения выходных сигналов Sp в кгс/см2 (МПа) для заданного номинального значения давления определяют по формулам:

а) для манометров и напоромеров

б) для мановакуумметров и тягонапоромеров:

при измерении избыточного давления

при измерении вакуумметрического давления

в) для вакуумметров и тягомеров:

при нулевом значении выходного сигнала, равном 0,2 кгс/см2 (0,02 МПа)

при нулевом значении выходного сигнала, равном 1,0 кгс/см2 (0,10 МПа)

где Pн - заданное номинальное значение измеряемого давления в кгс/см2 (МПа);

Ри - верхний предел измерения избыточного давления в кгс/см2 (МПа);

Рв - верхний предел измерений вакуумметрического давления в кгс/ см2 (МПа).

4.7.7. При поверке приборов способом, указанным в п. 4.7.1а, определение основной погрешности производится сравнением действительных значений выходного сигнала с расчетными.

При поверке приборов способом, указанным в п. 4.7.1б, определение основной погрешности производится сравнением действительных значений входного измеряемого давления с заданным номинальным значением.

При поверке приборов способом, указанным в п. 4.7.1в, основную погрешность отсчитывают непосредственно по шкале или по записи на диаграмме образцового преобразователя.

При поверке приборов способами, указанными в п. 4.7.2, основную погрешность определяют сравнением показаний образцового прибора с показаниями поверяемого прибора.

4.7.8. Поверку приборов производят вначале при плавно возрастающем значении измеряемого давления или выходного сигнала, а затем, после выдержки на верхнем пределе измерений не менее 5 мин, при плавно убывающем значении измеряемого давления или выходного сигнала.

Примечания:

1. Выдержка мановакуумметров и тягонапоромеров производится только на верхнем пределе измерений избыточного давления.

2. Допускается выдержку вакуумметров с верхним пределом измерений 1 кгс/см2 (0,1 МПа) производить при давлении -0,90 ÷ -0,95 кгс/см2 (-0,090 ÷ -0,095 МПа).

4.7.9. Определение основной погрешности и вариации выходного сигнала и показаний должно производиться не менее чем при 5 значениях, в том числе при нулевом значении измеряемого давления, достаточно равномерно распределенных в диапазоне измерений.

4.7.10. У мановакуумметров классов точности 1,5 с верхним пределом измерений избыточного давления более 5 кгс/см2 (0,5 МПа), класса точности 1 - более 9 кгс/см2 (0,9 МПа) и класса точности 0,6 - более 15 кгс/см2 (1,5 МПа) вакуумметрическую часть прибора не поверяют, а лишь фиксируют изменение выходного сигнала и показаний при сообщении прибору вакуумметрического давления, равного 0,5 кгс/см2 (0,05 МПа).

4.7.11. Пределы допускаемой основной погрешности прибора, выраженные в процентах от нормирующего значения, должны приниматься равным ±К, где К - класс точности прибора.

4.7.12. Основная погрешность приборов не должна превышать:

а) при первичной поверке - 0,8К;

б) при периодической поверке - К.

Примечание. Допускается совмещать операции поверки по пп. 4.5, 4.6 и 4.7.

4.8. Вариация показаний или величин выходных сигналов, определяемая при каждом поверяемом значении измеряемого давления или выходного сигнала, кроме значений, соответствующих атмосферному давлению и верхнему пределу измерений, не должна превышать абсолютных величин основной допускаемой погрешности, установленных в п. 4.7.11.

Вариацию показаний или величин выходных сигналов определяют как наибольшую разность между значениями показаний или выходных сигналов, соответствующими одному и тому же значению измеряемого давления, полученными при приближении к нему от меньших значений к большим и от больших к меньшим, кроме крайних значений диапазона.

4.9. Невозвращение после поверки стрелки прибора к нулю, а выходного сигнала к нулевому значению не должно превышать допускаемых значений, установленных в стандарте на поверяемый прибор.

При невозвращении стрелки прибора к нулю, а выходного сигнала к нулевому значению более указанного выше допускается корректировка нуля, если это невозвращение не превосходит величины, указанной в стандарте на поверяемый прибор.

Прибор считают годным, если после корректировки нуля и повторной поверки он удовлетворяет требованиям пп. 4.7.1 и 4.8.

При несоответствии поверяемого прибора хотя бы одному пункту разд. 4 прибор бракуется и его дальнейшая поверка не производится.

5. ОБРАБОТКА РЕЗУЛЬТАТОВ ПОВЕРКИ

5.1. Погрешность поверяемого прибора (6) в процентах от нормируемого значения или диапазона изменения выходного сигнала вычисляют по формулам:

а) при поверке по способу, указанному в п. 4.7.1а

б) при поверке по способу, указанному в п. 4.7.1б и 4.7.2, для манометров и напоромеров

для мановакуумметров и тягонапоромеров

для вакуумметров и тягомеров

где S - действительное значение выходного сигнала, соответствующее поверяемому значению измеряемого давления;

Рд - действительное значение измеряемого давления.

6. ОФОРМЛЕНИЕ РЕЗУЛЬТАТОВ ПОВЕРКИ

6.1. Приборы, соответствующие требованиям настоящего стандарта, допускаются к применению.

6.2. При положительных результатах первичной поверки в паспорте (формуляре) поверенного прибора производится запись о годности его к применению с указанием даты поверки.

6.2.1. Запись в паспорте (формуляре) результатов государственной первичной поверки заверяется подписью поверителя и оттиском поверительного клейма.

6.2.2. Запись в паспорте (формуляре) результатов первичной поверки, проведенной приборостроительным или прибороремонтным предприятием, заверяется в порядке, установленном предприятием.

6.3. При положительных результатах периодической поверки в эксплуатационном паспорте (или документе, его заменяющем) производится запись о годности прибора к применению с указанием даты поверки.

6.3.1. Запись в эксплуатационном паспорте (или документе, его заменяющем) результатов государственной периодической поверки заверяется поверителем и оттиском поверительного клейма.

6.3.2. Запись в эксплуатационном паспорте (или документе, его заменяющем) результатов ведомственной поверки заверяется в порядке, установленном в органе ведомственной метрологической службы.

6.4. При отрицательных результатах поверки приборы не допускаются к выпуску из производства и ремонта, а находящиеся в эксплуатации приборы запрещаются к применению, поверительные клейма на них гасятся и в эксплуатационном паспорте (или документе, его заменяющем) производится запись о его непригодности.

6.5. По результатам поверки должен составляться протокол по форме, указанной в приложении.

Примечание. При поверке по способу, указанному в п. 4.7.1в, допускается замена протокола, составленного по форме приложения, диаграммой.

ПРОТОКОЛ № _____________

«__» ____________ 19__ г.

поверки ________________________ тип __________ № ___________________________

(наименование прибора)

Пределы измерений _______________________ класс точности _____________________

изготовленного (отремонтированного) __________________________________________

принадлежащего ____________________________________________________________

Образцовые приборы:

на входе: тип _________________ № ______________ верхний предел измерений

класс точности _______________________

на выходе: тип _________________ № ______________ верхний предел измерений

класс точности _________________

Номинальное значение измеряемого давления

Расчетное значение выходного сигнала

Действительное значение выходного сигнала или измеряемого давления

Погрешность поверяемого прибора в процентах от нормирующего значения или в единицах измерения

при прямом ходе

при обратном ходе

при прямом ходе

при обратном ходе

 

 

 

 

 

 

Предел допускаемой                                          Наибольшая погрешность

основной погрешности ______________ %    выходного сигнала ___________________

Наибольшая вариация

Допускаемая вариация ______________ %     выходного сигнала ____________________

Номинальное значение измеряемого давления

Показания по шкале поверяемого прибора или образцового прибора

Погрешность показаний в процентах от нормирующего значения или в единицах измерения

Вариация в процентах или в единицах измерения

при прямом ходе

при обратном ходе

при прямом ходе

при обратном ходе

 

 

 

 

 

 

Предел допускаемой                                           Наибольшая погрешность

основной погрешности ______________ %     показаний ________________________ %

Наибольшая вариация

Допускаемая вариация ______________ %      показаний ________________________ %

Расчетное значение выходного сигнала

Действительное значение выходного сигнала при давлении воздуха питания, равном

Изменение выходного сигнала при изменении давления воздуха питания в процентах от нормирующего значения или в единицах

кгс/см2

кгс/см2

1,26

1,40

1,54

1,26

1,54

 

 

 

 

 

 

Допускаемое изменение                                     Наибольшее изменение

выходного сигнала _________________ %       выходного сигнала _________________ %

Действительное значение выходного сигнала

Размах пульсации выходного сигнала

 

 

Наибольший размах                                            Допускаемый размах

пульсации выходного                                         пульсации выходного

сигнала _____________________________      сигнала ___________________________

Прибор годен, забракован (указать причины) ____________________________________

Подпись выполнявшего поверку _______________________________________________

СОДЕРЖАНИЕ

 




Rambler's Top100 Яндекс цитирования
  Copyright © 2008-2026, www.docload.ru