Бесплатная библиотека стандартов и нормативов www.docload.ru

Все документы, размещенные на этом сайте, не являются их официальным изданием и предназначены исключительно для ознакомительных целей.
Электронные копии этих документов могут распространяться без всяких ограничений. Вы можете размещать информацию с этого сайта на любом другом сайте.
Это некоммерческий сайт и здесь не продаются документы. Вы можете скачать их абсолютно бесплатно!
Содержимое сайта не нарушает чьих-либо авторских прав! Человек имеет право на информацию!

 

ГОСУДАРСТВЕННЫЙ СТАНДАРТ СОЮЗА ССР

ПЕК КАМЕННОУГОЛЬНЫЙ

МЕТОДЫ ОПРЕДЕЛЕНИЯ ТЕМПЕРАТУРЫ РАЗМЯГЧЕНИЯ

ГОСТ 9950-83

ИПК ИЗДАТЕЛЬСТВО СТАНДАРТОВ

Москва

ГОСУДАРСТВЕННЫЙ СТАНДАРТ СОЮЗА ССР

ПЕК КАМЕННОУГОЛЬНЫЙ

Методы определения температуры размягчения

Coal tar pitch. Methods for the determination of softening point

ГОСТ
9950-83

Дата введения 01.07.84

Настоящий стандарт распространяется на каменноугольный пек и устанавливает методы определения температуры размягчения.

Сущность методов заключается в определении температуры, при которой в заданных условиях происходит определенная деформация пека под действием нагрузок.

(Измененная редакция, Изм. № 3).

1а. МЕТОД «КОЛЬЦО И СТЕРЖЕНЬ»

Метод распространяется на диапазон определения температуры размягчения пека от 50 до 160°.

(Введен дополнительно, Изм. № 3).

1. АППАРАТУРА, ПОСУДА, РЕАКТИВЫ

Установка для определения температуры размягчения пека состоит из следующих частей:

- аппарат «Кольцо и стержень» (черт. 1, 2);

- устройство для запрессовки пека в кольцо (черт. 3);

- пресс гидравлический лабораторный или механический, обеспечивающий усилие (15000 ± 2000) Н или (1500 ± 200) кгс. Давление гидравлического пресса для запрессовки пека в кольцо вычисляют один раз (п. 2.1);

- термометры ртутные стеклянные лабораторные с ценой деления не более 0,5 °С при использовании в качестве термостатирующей жидкости дистиллированной воды и не более 1 °С - глицерина;

- горелка газовая или плитка электрическая с мощностью нагревателя не менее 1000 Вт и регулятором напряжения, обеспечивающие нагрев ванны аппарата со скоростью 5 °С/мин до 160 °С;

- секундомер любого класса точности или песочные часы на 1 мин;

- шпатель или ложка по ГОСТ 9147 или аналогичное приспособление для взятия навески из материала, не вступающего в реакцию с пеком;

- весы лабораторные общего назначения по ГОСТ 24104 3-го класса точности с наибольшим пределом взвешивания 200 г. Допускается применять другие весы, имеющие аналогичные метрологические характеристики;

- вода дистиллированная по ГОСТ 6709 или вода питьевая по ГОСТ 2874, очищенная перегонкой от минеральных солей;

- глицерин плотностью не ниже 1255 кг/м3 при 20 °С;

- противень из нержавеющего материала (размером 200 ´ 300 мм).

Аппарат «Кольцо и стержень»

1 - стальное кольцо; 2 - стальной стержень; 3 - металлическая ванна; 4 - стойка корпуса; 5 - свинец; 6 - термометр; 7 - отметка на стержне; 8 - полка корпуса; 9 - пек; 10 - термостатирующая жидкость; 11 - металлическая подставка для кольца; 12- экран

Черт. 1

Устройство для запрессовки пека в кольцо

1 - кольцо; 2 - подставка для кольца

Черт. 2

(Измененная редакция, Изм. № 1).

1 - пробка; 2 - кольцо; 3 - направляющая втулка; 4 - поршень; 5 - пек

Черт. 3

2. ПОДГОТОВКА К АНАЛИЗУ

2.1. Давление гидравлического пресса, которое должно быть на манометре при запрессовке пека в кольцо (Р) в Па (кгс/см2), вычисляют по формуле

Р = ,

где Q - усилие, требующееся для запрессовки пека, Н (кгс);

D- диаметр цилиндра пресса, м (см).

2.2. Для удаления растворенного воздуха дистиллированную воду кипятят один раз перед началом серии испытаний и при перерыве в их проведении более 8 ч.

2.3. Плотность глицерина замеряют при перерыве испытаний более 7 сут.

При понижении плотности глицерин необходимо обезводить нагреванием до 170 °С.

2.4. В зависимости от предполагаемой температуры размягчения испытание проводят:

- с дистиллированной водой - для пека с температурой размягчения 92 °С и ниже;

- с глицерином - для пека с температурой размягчения выше 92 °С.

Если температура размягчения пека неизвестна, первоначальное испытание проводят с дистиллированной водой.

2.2. - 2.4. (Измененная редакция, Изм. № 1).

2.5. Высота столба термостатирующей жидкости в ванне до установления в нее аппарата должна быть (65 ± 2) мм.

2.6. Перед каждым испытанием все детали аппарата должны быть очищены от пека.

(Измененная редакция, Изм. № 1).

2.7. Среднюю лабораторную пробу пека, отобранную и подготовленную к испытанию в соответствии с требованиями нормативно-технической документации на пек, тщательно перемешивают шпателем, ложкой или аналогичным приспособлением на противне из нержавеющего материала, разравнивают слоем толщиной 1 - 2 см и из разных мест отбирают не менее пяти порций, из которых составляют две навески массой около 1,6 г каждая.

(Измененная редакция, Изм. № 1).

2.8. Навески пека запрессовывают в кольца аппарата. Для этого кольцо помещают на пробку устройства для запрессовки пека, устанавливают направляющую втулку, в которую количественно переносят навеску пека, и вставляют поршень.

Устройство для запрессовки пека в кольцо помещают на плиту пресса и запрессовывают навеску пека в кольцо при конечном усилии на пек (15000 ± 2000) Н или (1500 ± 200) кгс с выдержкой при конечном усилии не менее 15 с. Пек, запрессованный в кольцо, не должен иметь сколов на торцевых поверхностях.

2.9. Кольца с запрессованным пеком помещают на подставки для колец, установленные в отверстиях нижней полки аппарата. На каждое кольцо в центр поверхности пека опускают стержень. Через среднее отверстие верхней полки вставляют термометр так, чтобы нижняя точка ртутного резервуара находилась на одном уровне с нижней поверхностью пека в кольцах.

2.10. Жидкость в ванне нагревают до температуры на 30 °С ниже предполагаемой температуры размягчения пека при использовании дистиллированной воды и на 50 °С - при использовании глицерина. В нагретую жидкость опускают аппарат, слегка наклоняя его и встряхивая, чтобы избежать попадания воздуха под полки аппарата и кольца с пеком.

Затем температуру жидкости в ванне доводят до указанной выше. Для равномерного подъема температуры установку при необходимости защищают от сквозняков экраном.

2.11. Не реже одного раза в квартал производят проверку массы стержня, которая должна быть (45,0 ±0,1) г, и диаметра нижнего основания стержня, который должен быть равен 4,25-0,10 мм.

Результат взвешивания в граммах записывают с точностью до первого десятичного знака.

2.10, 2.11. (Измененная редакция, Изм. № 1).

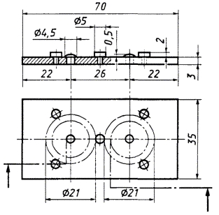
2.12. Не реже одного раза в месяц производят проверку размеров кольца: внутренний диаметр кольца должен быть 16,0+0,1 мм, внешний - 21,0+0,1 мм, высота кольца должна быть (6 ± 0,1) мм.

3. ПРОВЕДЕНИЕ ИСПЫТАНИЯ

3.1. Дистиллированную воду в ванне нагревают со скоростью (5 ± 0,5) °С в минуту, глицерин - со скоростью (5 ± 1) °С в минуту.

3.2. Скорость нагрева за период испытания проверяют не менее трех раз через равные промежутки времени. Продолжительность каждой проверки не менее 1 мин.

(Измененная редакция, Изм. № 1).

3.3. Показания термометра отмечают в тот момент, когда стержень коснется нижней полки корпуса прибора. При этом отметка на стержне должна совпадать с краем верхней полки прибора.

4. ОБРАБОТКА РЕЗУЛЬТАТОВ

4.1. За результат испытания принимают среднее арифметическое результатов двух параллельных определений.

4.2. Допускаемые расхождения между результатами двух параллельных определений, проведенных в одной лаборатории, при доверительной вероятности Р = 0,95 не должны превышать:

1 °С - для пека с температурой размягчения 90 °С и ниже;

2 °С - для пека с температурой размягчения выше 90 °С.

4.3. Допускаемые расхождения между результатами испытания одной пробы, полученными в разных лабораториях, не должны превышать:

3 °С - для пека с температурой размягчения 90 °С и ниже;

4 °С - для пека с температурой размягчения выше 90 °С.

4.2, 4.3. (Измененная редакция, Изм. № 1, 2, 3).

5. МЕТОД «КОЛЬЦО И ШАР»

Метод распространяется на диапазон определения температуры размягчения пека от 30 °С и выше.

5.1. Отбор проб

Отбор проб - по ГОСТ 5445.

5.2. Реактивы

Для анализа применяют реактивы квалификации ч. д. а. и дистиллированную воду или воду аналогичной чистоты, кипяченую и охлажденную непосредственно перед испытанием. Глицерин для пеков с температурой размягчения более 85 °С. Вода для пеков с температурой размягчения от 30 до 85 °С.

5.3. Аппаратура

Стандартное лабораторное оборудование, а также:

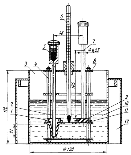
- устройство «кольцо-шар» (устройство в сборе показано на черт. 4), включая:

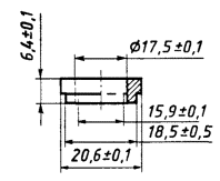
- кольца из латуни конусообразные (черт. 5) высотой (6,4 ± 0,1) мм, внутренним диаметром внизу (15,9 ± 0,1) мм, внутренним диаметром вверху (17,5 ± 0,1) мм, внешним диаметром над заплечиком (20,6 ± 0,1) мм, внешним диаметром под заплечиком (18,5 ± 0,5) мм;

- стальные шары диаметром 9,53 мм, массой (3,50 ± 0,05) г каждый;

- направляющие для шаров (черт. 6);

- баня - низкий химический стакан вместимостью 800 см3;

- опора кольца (размеры и форма показаны на черт. 4 и 7) состоит из двух параллельно расположенных латунных пластин, одна под другой на расстоянии (25 ± 0,5) мм.

Верхняя пластина служит опорой для двух колец, ее толщина равна расстоянию от нижней кромки кольца до заплечика.

Обе пластины закрепляют на круглом или прямоугольном держателе, опирающемся на верхнюю кромку и имеющем в центре отверстие для термометра;

- термометр ртутный с диапазонами измерения 70 - 120 °С для пеков с температурой размягчения от 30 до 120 °С и 50 - 210 °С для пеков с температурой размягчения свыше 120 °С; характеристика термометра дана в приложении 1. Разрешается пользоваться термометрами с аналогичными метрологическими характеристиками;

- тренога и металлическая сетка для установки бани;

- горелка Бунзена с регулятором газа;

- формовочная пластина (размеры указаны на черт. 8);

- экран для защиты устройства в сборе от сквозняков.

Примечание. Разрешается использовать автоматическое устройство вместо ручного при условии, что оно имеет те же размеры и обеспечивает аналогичные результаты.

5.4. Проведение испытания

5.4.1. Приготовление опытного образца

Расплавляют около 50 г лабораторной пробы по методике, приведенной в приложении 2, и подогревают кольца.

Нагретые кольца помещают в направляющие формовочной пластины, обработанной специально для предотвращения прилегания пека к кольцу, и быстро выливают пек в кольца непрерывной струей.

Количество пека должно быть таким, чтобы после охлаждения в течение 20 мин пек немного выступал над каждым кольцом. В конце периода охлаждения снимают излишек пека ножом без нагрева. Оба кольца должны заполняться расплавленным пеком одной и той же партии и испытываться одновременно.

5.4.2. Подготовка аппарата

Избегая аэрации, помещают в баню около 600 см3 глицерина или воды так, чтобы уровень жидкости был выше колец не менее чем на 50 мм. При необходимости жидкость предварительно охлаждают до температуры не менее чем на 45 °С ниже предполагаемой температуры размягчения, за исключением мягких пеков, для которых температура должна быть не ниже 5 °С. Устанавливают термометр в центр стакана так, чтобы низ ртутного резервуара находился на уровне нижней кромки колец и на равном расстоянии друг от друга. Помещают направляющие шаров над каждым кольцом и погружают шары в баню, но не на пек в кольцах.

Стакан устанавливают на треноге так, чтобы держатель колец находился в горизонтальном положении.

Выдерживают устройство в сборе 15 мин при постоянной температуре, затем с помощью щипцов кладут шарики в направляющих на поверхность дисков пека.

5.4.3. Определение

Помещают горелку Бунзена в центре между осью и краем стакана по диаметру, как показано на черт. 4, и начинают нагрев.

Общий вид прибора

а - вид спереди; б - вид сбоку; 1 - отверстие для термометра; 2 - нижняя пластина длиной 76,2, шириной 25 мм

Черт. 4

Примечание. Направляющие шаров не указаны для упрощения чертежа.

Кольцо

Черт. 5

Направляющие для шара

Черт. 6

Опора для колец

Черт. 7

Пластины для формования образцов

Черт. 8

Скорость нагрева должна быть равномерной в течение всего испытания и составлять (5 ± 0,5) °С/мин, кроме первых 3 мин нагрева. В противном случае результаты испытания следует считать недействительными.

Фиксируют температуру, при которой выдавливаемый шаром пек прикоснется к нижней опорной пластинке. Если для двух шаров расхождение значений температуры составляет более 1 °С, результаты считают недействительными и испытание повторяют на новой порции пека.

Примечание. При 85 °С применение глицерина вместо воды дает завышенные результаты.

5.5. Обработка результатов

5.5.1. Метод расчета

За температуру размягчения принимают среднее арифметическое результатов двух определений, как указано в п. 5.4.3. Результаты расчета записывают с точностью до 0,2 °С.

5.5.2. Точность определения

Для пеков с температурой размягчения менее 85 °С повторяемость - 0,5 °С, воспроизводимость - 2,5 °С.

Для пеков с температурой размягчения свыше 85 °С повторяемость - 1,5 °С, воспроизводимость - 3,0 °С.

5.6. Протокол испытаний

Протокол испытаний должен включать следующие данные:

а) характеристику пробы;

б) ссылку на применяемую методику с указанием вида применяемой жидкости (вода или глицерин);

в) результаты и метод расчета;

г) особенности, замеченные во время испытания;

д) операции, не включенные в настоящий стандарт или в стандарт, на который дается ссылка.

6. ОПРЕДЕЛЕНИЕ ТЕМПЕРАТУРЫ РАЗМЯГЧЕНИЯ НА АППАРАТЕ ВУХИН-КЛЗ

Метод распространяется на диапазон определения температуры размягчения пека в интервале 50 - 150 °С.

Метод заключается в определении температуры, при которой образец пека, первоначально связанный с холодным нагревателем силами адгезии, повернется на определенный угол относительно оси нагревателя под действием приложенного к нему (образцу) вращающего момента при повышении температуры нагревателя по заданному графику.

6.1. Аппаратура

Аппарат для определения температуры размягчения пека (приложение 3).

Кольца для отливки образцов пека 3 шт. (черт. 9).

Пластина стальная толщиной не менее 8 мм, размерами не менее 100 ´100 мм.

Штемпель стальной диаметром 30 мм, толщиной не менее 10 мм.

Ложка металлическая вместимостью не менее 20 см3.

6.2. Подготовка к испытанию

6.2.1. Пробу жидкого пека, отобранную по ГОСТ 5445 и ГОСТ 10200 перед выливанием ее на противень для охлаждения перемешивают ложкой. Кольца устанавливают на пластину и при помощи ложки заполняют пеком. Не дожидаясь полного охлаждения пека, холодным штемпелем придавливают кольцо с пеком до упора штемпеля в нижний край кольца. После охлаждения таблетку пека извлекают из кольца.

6.2.2. Допускается заливать пеком непосредственно держатель прибора. Для этого держатель укладывают на плиту так, чтобы тяга и обойма держателя находились в одной плоскости. Далее поступают в соответствии с п. 6.2.1.

6.2.3. При необходимости испытания пробы, доставленной в твердом виде, ее следует расплавить при температуре, превышающей предполагаемую температуру размягчения пека не более чем на 60 - 70 °С, до получения зеркальной поверхности пека и немедленно отлить таблетки в соответствии с пп. 6.2.1, 6.2.2 настоящего стандарта. Емкость для плавления должна быть такого размера, чтобы диаметр зеркала не превышал высоту слоя пека более чем в два раза. При плавлении пек следует постоянно перемешивать.

6.3 Проведение испытания

6.3.1. Таблетку пека устанавливают в держатель, а держатель - в аппарат.

6.3.2. Присоединяют к держателю нить с грузом. Включают аппарат тумблером «сеть» и нажимают кнопку «плавление».

6.3.3. Все операции по подготовке и выполнению измерения осуществляются автоматически. По окончании опыта, о чем свидетельствует отклонение измерительного прибора и прекращение свечения всех сигнальных ламп, кроме сигнала «сеть», с измерительного прибора считывают температуру размягчения с точностью до 0,1 °С.

6.3.4. После считывания показания нагреватель аппарата очищают от пека в соответствии с инструкцией.

6.3.5. Аттестацию метода проводят по стандартным образцам каменноугольного пека. Допускаемое отклонение от аттестованного значения не должно превышать 2 °С.

6.4. Обработка результатов

6.4.1. За результат испытания принимают округленный до целого числа результат единичного измерения температуры размягчения пека.

При сомнении в правильности результата проверяют прибор и затем повторяют определение на второй таблетке той же пробы. При этом за результат принимают среднее двух неокругленных показаний измерительного прибора аппарата, которое затем округляют до целого числа.

6.4.2. Воспроизводимость результатов испытания таблеток, отлитых из одной пробы пека в одной и разных лабораториях, не должно превышать 2 °С. При повторном испытании одной таблетки воспроизводимость не должна превышать 1 °С.

Разд. 5, 6 (Введены дополнительно. Изм. № 3).

Кольцо для отливки образцов пека

Черт. 9

ПРИЛОЖЕНИЕ 1

Обязательное

ХАРАКТЕРИСТИКА ТЕРМОМЕТРА

Диапазон                                                           0 - 120 °С         50 - 210 °С

Цена деления                                                     0,5 °С                0,5 °С

Погружаемая часть                                            100 мм              100 мм

Длинные риски                                                 1 и 5 °С            1 и 5 °С

Цифры на рисках                                               10 °С                 10 °С

Максимальная общая длина                             430 мм              430 мм

Максимальная длина основной шкалы          240 мм              240 мм

Максимальная погрешность                            ± 0,6 °С            ± 0,8 °С

Примечание. Риски на делениях 5 °С несколько длиннее рисок на делениях 1 °С.

ПРИЛОЖЕНИЕ 2

Обязательное

ПЛАВЛЕНИЕ ПРОБ ПЕКА

1. Введение

Перед определением температуры размягчения пека необходимо расплавить пробу. Точность определения и особенно воспроизводимость результатов зависят от однородности пробы и отсутствия пузырьков воздуха.

Настоящая методика предназначена для уменьшения расхождений результатов анализа при определенной температуре и времени нагрева.

2. Аппаратура

2.1. Чаша диаметром 55 мм, высотой 35 мм.

Можно использовать чаши, поставляемые с пенометрами.

2.2. Шкаф с температурой нагрева на 50 °С выше предполагаемой температуры размягчения.

3. Сущность метода

50 г лабораторной пробы размельчают, если позволяет температура размягчения, помещают в чашу и ставят в шкаф с температурой на 50 °С выше температуры размягчения пека. Кольца также помещают в шкаф. Выдерживают пек и кольца при этой температуре 2 ч и затем используют нагретые кольца и жидкий пек для приготовления опытного образца.

Примечание. После нагрева поверхность жидкого пека должна быть ровной, блестящей и без окисной пленки.

Если на поверхности есть пена, свидетельствующая о наличии воды, пробу выбрасывают. Берут еще 50 г лабораторной пробы, размельчают и высушивают в эксикаторе в присутствии соответствующего осушителя.

ПРИЛОЖЕНИЕ 3

Справочное

АППАРАТ ВУХИН-КЛЗ ДЛЯ ОПРЕДЕЛЕНИЯ ТЕМПЕРАТУРЫ РАЗМЯГЧЕНИЯ КАМЕННОУГОЛЬНОГО ПЕКА

1. Аппарат предназначен для определения температуры размягчения каменноугольного пека в интервале от 50 до 150 °С в автоматическом режиме.

В основу конструкции аппарата положено измерение температуры, при которой деформируется тонкий слой пека, прилегающий к нагревателю.

Аппарат питается от сети переменного тока напряжением 220 В. Потребляемая мощность - не более 50 Вт.

Аппарат работает при комнатной температуре (10 - 35 °С). Устанавливается в вытяжном шкафу или в хорошо вентилируемом помещении.

Схема аппарата приведена на черт. 10.

2. Аппарат состоит из двух блоков: собственно аппарата и системы регистрации показаний (измерительный прибор).

3. В качестве измерительного прибора может использоваться любой прибор, измеряющий температуру при помощи термосопротивления в интервале 0 - 200 °С с погрешностью не более 1 °С.

Измерительный прибор 3 должен быть снабжен или дооборудован двумя датчиками, выдающими сигнал при достижении заданной температуры в интервале 100 - 200 °С при нагреве и 60 - 0 °С при охлаждении, а также устройством, фиксирующим достигнутое значение температуры при подаче сигнала извне.

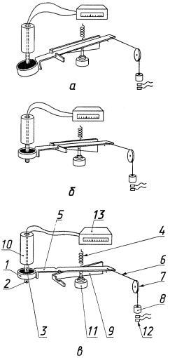
Схема аппарата ВУХИН-КЛЗ

а - плавление; б - охлаждение; в - измерение

Черт. 10

4. Аппарат работает следующим образом: таблетка пека устанавливается в обойму держателя 1 или пек заливается в нее.

Держатель устанавливается в аппарат так, чтобы таблетка пека упиралась в нагреватель 13 с находящимся внутри него термосопротивлением 12 и прижималась к нему пружиной 5 (черт. 10, а).

Тяга держателя 4 через нить с крючком 6 и блок 7 связана с грузом 8, создающим вращающий момент, стремящийся повернуть держатель вокруг оси нагревателя.

До тех пор пока таблетка пека жестко не связана с нагревателем, держатель удерживается от поворота рычагом 10 с пазами, на которые он опирается.

После включения кнопки «плавление» температура нагревателя начинает повышаться до предела, ограниченного заданием измерительного прибора, после чего осуществляется позиционное регулирование температуры нагревателя.

Через некоторое время пек в точке соприкосновения с нагревателем расплавляется и под действием пружины таблетка пека оказывается насаженной на горячий нагреватель (черт. 10, б). Перемещение рычага с держателем вызывает отключение нагрева печи 2 и включение вентилятора охлаждения.

После охлаждения нагревателя и таблетки до температуры ниже температуры размягчения пека они оказываются жестко связанными между собой.

При достижении заданной на измерительном приборе температуры охлаждения вентилятор отключается и включаются электромагнит 11 (черт. 10, в) и печь.

Электромагнит разобщает держатель с удерживающим его рычагом 10. При этом таблетка пека в обойме держателя под действием вращающего момента, создаваемого грузом, стремится повернуться в направлении, указанном стрелкой, и удерживается от поворота только силами сцепления пека с нагревателем (черт. 10, в).

Конструкция прибора обеспечивает стабильность воспроизведения графика подъема температуры.

По мере нагрева пек размягчается вблизи нагревателя и держатель с пеком под действием груза начинает поворачиваться вокруг оси нагревателя. Когда держатель повернется на заданный угол, определяемый длиной пути перемещения груза, последний замыкает контакты 9. При этом выдается сигнал, фиксирующий достигнутое к этому моменту значение температуры нагревателя, которое сохраняется на приборе и интерпретируется как температура размягчения.

5. Все перечисленные операции осуществляются в автоматическом режиме. Используя кнопки ручного включения, можно осуществлять соответствующие операции в произвольной последовательности.

6. Для подготовки аппарата к следующему опыту нажимают кнопку «плавление» и после достижения предельной температуры плавления снимают таблетку с нагревателя и очищают его сухой тряпкой.

7. Режимы нагрузки, нагрева и величины деформации подобраны таким образом, чтобы обеспечивать соответствие температуры размягчения, определяемой на аппарате ВУХИН-КЛЗ, результатам испытания по методу «кольцо» и «стержень».

8. Аппарат аттестуют и настраивают по стандартным образцам пека, утвержденным в установленном порядке.

ПРИЛОЖЕНИЯ 1 - 3. (Введены дополнительно, Изм. № 3).

ИНФОРМАЦИОННЫЕ ДАННЫЕ

1. РАЗРАБОТАН И ВНЕСЕН Министерством черной металлургии СССР

РАЗРАБОТЧИКИ

Н.Д. Русьянова, Л.А. Коган, Б.С. Гуревич, М.Г. Гайсаров, В.М. Мочалов, Л.А. Исаенко, Е.М. Сизова

2. УТВЕРЖДЕН И ВВЕДЕН В ДЕЙСТВИЕ Постановлением Государственного комитета СССР по стандартам от 15.04.83 № 1969

Изменение № 3 ГОСТ 9950-83 Принято Межгосударственным Советом по стандартизации, метрологии и сертификации 15.04.94 (отчет Технического секретариата № 2)

За принятие проголосовали:

Наименование государства

Наименование национального органа стандартизации

Республика Белоруссия

Госстандарт Белоруссии

Республика Казахстан

Госстандарт Республики Казахстан

Республика Молдова

Молдовастандарт

Российская Федерация

Госстандарт России

Туркменистан

Главная государственная инспекция Туркменистана

Украина

Госстандарт Украины

3. ВЗАМЕН ГОСТ 9950-73

4. ССЫЛОЧНЫЕ НОРМАТИВНО-ТЕХНИЧЕСКИЕ ДОКУМЕНТЫ

Обозначение НТД, на который дана ссылка

Номер раздела, пункта, подпункта

ГОСТ 2874-82

1

ГОСТ 5445-79

2.1; 5; 6; 6.2.1

ГОСТ 6709-72

1

ГОСТ 9147-80

1

ГОСТ 10200-83

6.2.1

ГОСТ 24104-88

1

5. Ограничение срока действия снято по протоколу № 3-93 Межгосударственного Совета по стандартизации, метрологии и сертификации (ИУС 5-6-93)

6. ПЕРЕИЗДАНИЕ (январь 1998 г.) с Изменениями № 1, 2, 3, утвержденными в сентябре 1988 г., декабре 1990 г., сентябре 1996 г. (ИУС 1-89, 3-91, 12-96)

СОДЕРЖАНИЕ

 




Недорогая диагностика ауди remont-audi.ru.
Rambler's Top100 Яндекс цитирования
  Copyright © 2008-2026, www.docload.ru