Бесплатная библиотека стандартов и нормативов www.docload.ru

Все документы, размещенные на этом сайте, не являются их официальным изданием и предназначены исключительно для ознакомительных целей.
Электронные копии этих документов могут распространяться без всяких ограничений. Вы можете размещать информацию с этого сайта на любом другом сайте.
Это некоммерческий сайт и здесь не продаются документы. Вы можете скачать их абсолютно бесплатно!
Содержимое сайта не нарушает чьих-либо авторских прав! Человек имеет право на информацию!

 

ГОСТ Р 50442-92

ГОСУДАРСТВЕННЫЙ СТАНДАРТ РОССИЙСКОЙ ФЕДЕРАЦИИ

НЕФТЬ И НЕФТЕПРОДУКТЫ

РЕНТГЕНО-ФЛУОРЕСЦЕНТНЫЙ МЕТОД
ОПРЕДЕЛЕНИЯ СЕРЫ

ГОССТАНДАРТ РОССИИ

Москва

ГОСУДАРСТВЕННЫЙ СТАНДАРТ РОССИЙСКОЙ ФЕДЕРАЦИИ

НЕФТЬ И НЕФТЕПРОДУКТЫ

Рентгено-флуоресцентный метод определения серы

Petroleum and petroleum products. X-ray fluorescence method for
determination of sulphur content

ГОСТ Р
50442-92

Дата введения 1994-01-01

Настоящий стандарт устанавливает метод определения массовой доли серы в нефтях и нефтепродуктах в диапазоне 0,05 - 5,0 %.

Сущность метода заключается в измерении интенсивности флуоресцентного излучения серы, возбуждаемого при облучении исследуемой пробы рентгеновскими лучами.

Стандарт не распространяется на нефть и нефтепродукты, содержащие кремний, фосфор, кальций, калий и галоиды более 0,1 %, а также на этилированные бензины.

1 Аппаратура, реактивы, материалы

Анализатор рентгено-флуоресцентный типа АС-1.

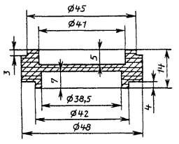
Кюветы измерительные, изготовленные из оргстекла, фторопласта, полистирола, алюминия (рисунок 1).

Измерительная кювета

Рисунок 1

Колбы конические или стаканы по ГОСТ 25336.

Весы лабораторные общего назначения с пределами взвешивания 200 г, не ниже 2-го класса точности.

Пипетки вместимостью 5 см3 по ГОСТ 29227.

Образцы стандартные типа Sрфа двух видов (калибровочные и поверочные растворы).

Присадка КИНХ-2 по НТД или любая другая высокосернистая присадка, не содержащая элементов, указанных во вводной части.

Масло вазелиновое медицинское по ГОСТ 3164.

Бензин-растворитель для резиновой промышленности по НТД или другой растворитель, близкий по пределам выкипания.

Бумага фильтровальная по ГОСТ 12026.

Ткань безворсовая.

Мешалка магнитная любого типа.

Спирт этиловый ректификованный технический по ГОСТ 18300 или спирт этиловый технический по ГОСТ 17299.

2 Подготовка к испытанию

2.1 Подготовка анализатора

2.1.1 Подготавливают анализатор в соответствии с техническим описанием и инструкцией по эксплуатации. Включают анализатор в сеть и прогревают не менее 30 мин.

2.1.2 Кювету промывают бензином-растворителем, затем спиртом и высушивают воздухом или вытирают безворсовой тканью.

2.1.3 Исходя из предварительного содержания серы в испытуемом образце, проводят калибровку анализатора с использованием двух стандартных образцов типа Sрфа - калибровочных растворов. В первом калибровочном растворе массовая доля серы должна быть меньше предполагаемой в испытуемом образце, во втором - больше. Выбирают калибровочные растворы с содержанием серы, наиболее близким к испытуемому образцу.

Примечание - Если массовая доля серы неизвестна, проводят предварительные испытания пробы, выбирая для калибровки растворы с содержанием серы 0 и 5 %. По полученным результатам уточняют выбор растворов для калибровки.

2.1.4 В подготовленную по 2.1.2 кювету пипеткой наливают 4 см3 выбранного калибровочного раствора с меньшим содержанием серы. Кювету устанавливают в ячейку анализатора. Производят калибровку в соответствии с инструкцией по эксплуатации анализатора.

В другой кювете испытывают калибровочный раствор с большим содержанием серы, проводя такие же операции, как с первой кюветой.

2.1.5 При отсутствии стандартных образцов типа Sрфа допускается использовать калибровочные растворы, приготовление которых приведено в приложении.

2.2 Подготовка пробы

2.2.1 Отбор проб - по ГОСТ 2517.

2.2.2 Отобранную пробу продукта тщательно перемешивают в склянке, заполненной не более чем на две трети ее объема, в течение 5 мин.

3 Проведение испытания

3.1 В кювету, подготовленную по 2.1.2, пипеткой наливают 4 см3 испытуемой пробы. Вязкие продукты предварительно нагревают до температуры, обеспечивающей текучесть.

Кювету устанавливают в ячейку анализатора.

3.2 Массовую долю серы в пробе продукта измеряют в соответствии с инструкцией по эксплуатации анализатора (считывают непосредственно с цифрового табло).

3.3 За результат определения принимают среднее арифметическое результатов четырех последовательных измерений, рассчитанное до второго десятичного знака.

За результат испытания принимают среднее арифметическое результатов двух последовательных определений, рассчитанное до второго десятичного знака при массовой доле серы менее 1,0 %, и до первого десятичного знака - при массовой доле более 1,0 %.

4 Точность метода

4.1 Сходимость

Два результата определений, полученные одним исполнителем, признаются достоверными (с 95 %-ной доверительной вероятностью), если расхождение между ними не превышает значения, приведенного на рисунке 2 для большего результата.

Рисунок 2

4.2 Воспроизводимость

Два результата испытаний, полученные двумя исполнителями, признаются достоверными (с 95 %-ной доверительной вероятностью), если расхождение между ними не превышает значения, приведенного на рисунке 3 для большего результата.

Рисунок 3

ПРИЛОЖЕНИЕ

(рекомендуемое)

Приготовление калибровочных растворов

1 Готовят шесть калибровочных растворов с различной массовой долей серы (таблица). Калибровочным раствором № 1 служит вазелиновое масло.

Номер калибровочного раствора (n)

Массовая доля серы, %

1

0,0

2

0,6

3

1,0

4

2,0

5

3,0

6

5,0

Для приготовления остальных пяти калибровочных растворов (растворы 2 - 6) используют высокосернистую присадку, указанную в разделе 1 настоящего стандарта, в которой определяют массовую долю серы по ГОСТ 1437 или ГОСТ 3877. Массу присадки для приготовления каждого из пяти калибровочных растворов вычисляют по формуле

mпр = Cп×mп/Cпр,                                                           (1)

где Cп    - массовая доля серы в калибровочном растворе, %, где n = 2, 3, 4, 5, 6;

Cпр    - массовая доля серы в присадке, %;

mп    - масса калибровочного раствора, г (например 100 г).

2 Рассчитывают массу вазелинового масла (mм), необходимую для приготовления каждого из пяти калибровочных растворов:

mм = mп - mпр.                                                               (2)

3 В пять предварительно взвешенных станков или колб берут соответственно номеру калибровочного раствора (пункт 1) присадку с точностью до 0,001 г.

Допускается брать присадку в лодочку или маленький стаканчик с последующим переносом в большую емкость с помощью вазелинового масла.

4 В каждый из пяти стаканов (колб) с присадкой добавляют вазелиновое масло (пункт 2), взвешенное с точностью до 0,01 г, в соответствии с расчетной массой для каждого номера калибровочного раствора.

5 Содержимое стаканов (или колб) тщательно перемешивают в течение 5 - 10 мин с помощью магнитной мешалки до получения однородного раствора. Затем переливают в склянки с плотно закрывающимися крышками.

6 В каждом из приготовленных калибровочных растворов определяют массовую долю серы по ГОСТ 1437 или ГОСТ 3877. Отклонение от расчетного значения массовой доли серы, указанной в таблице, должно быть в пределах сходимости соответствующего метода определения серы.

7 Калибровочные растворы хранят в темном прохладном месте и используют в течение 6 мес, ежемесячно контролируя массовую долю серы в одном - двух растворах. При появлении осадка или при изменении содержания серы растворы бракуют. Допускается расхождение между результатами определения серы в свежеприготовленном и хранящемся растворах в пределах сходимости используемого стандартного метода.

ИНФОРМАЦИОННЫЕ ДАННЫЕ

1 РАЗРАБОТАН И ВНЕСЕН Всесоюзным научно-исследовательским институтом по переработке нефти «ВНИИНП»

2 УТВЕРЖДЕН И ВВЕДЕН В ДЕЙСТВИЕ Постановлением Госстандарта России от 18 декабря 1992 г. № 1550

3 ВВЕДЕН ВПЕРВЫЕ

4 ССЫЛОЧНЫЕ НОРМАТИВНО-ТЕХНИЧЕСКИЕ ДОКУМЕНТЫ

Обозначение НТД, на который дана ссылка

Номер раздела, пункта, приложения

ГОСТ 1437-75

Приложение

ГОСТ 2517-85

2.2.1

ГОСТ 3164-78

1

ГОСТ 3877-88

Приложение

ГОСТ 12026-76

1

ГОСТ 17299-78

1

ГОСТ 18300-87

1

ГОСТ 25336-82

1

ГОСТ 29227-91

1

5 ПЕРЕИЗДАНИЕ. Январь 2003 г.

СОДЕРЖАНИЕ

 




Rambler's Top100 Яндекс цитирования
  Copyright © 2008-2026, www.docload.ru