|
|
ГОСУДАРСТВЕННЫЙ СТАНДАРТ
РОССИЙСКОЙ ФЕДЕРАЦИИ
Дата введения 1995-01-01 Предисловие 1 ПОДГОТОВЛЕН И ВНЕСЕН ТК 229
«Крепежные изделия» 2 УТВЕРЖДЕН И ВВЕДЕН В ДЕЙСТВИЕ
Постановлением Госстандарта России от 8 сентября 1993 г. № 205 3 Настоящий стандарт полностью
соответствует международному стандарту ИСО 4161-83 «Гайки шестигранные с
фланцем. Класс точности А» 4 ВВЕДЕН ВПЕРВЫЕ 5 ПЕРЕИЗДАНИЕ Содержание 1 Область применения
Настоящий стандарт
распространяется на шестигранные гайки с фланцем с номинальным диаметром резьбы
от 5 до 20 мм. 2 Нормативные ссылки
В настоящем стандарте
использованы ссылки на следующие стандарты: ГОСТ
9.301-86 Единая система защиты от коррозии и старения. Покрытия
металлические и неметаллические неорганические. Общие требования ГОСТ
9.303-84 Единая система защиты от коррозии и старения. Покрытия
металлические и неметаллические неорганические. Общие требования к выбору ГОСТ 1759.0-87
Болты, винты, шпильки и гайки. Технические условия ГОСТ
1759.1-82 Болты, винты, шпильки, гайки и шурупы. Допуски. Методы контроля
размеров и отклонений формы и расположения поверхностей ГОСТ 1759.3-83 Гайки.
Дефекты поверхности и методы контроля ГОСТ 1759.5-87
Гайки. Механические свойства и методы испытаний ГОСТ
16093-2004 (ИСО 965-1:1998, ИСО 965-3:1998) Основные нормы
взаимозаменяемости. Резьба метрическая. Допуски. Посадки с зазором ГОСТ 17769-83 Изделия крепежные.
Правила приемки ГОСТ
18160-72 Изделия крепежные. Упаковка. Маркировка. Транспортирование и
хранение ГОСТ
24705-2004 (ИСО 724:1993) Основные нормы взаимозаменяемости. Резьба
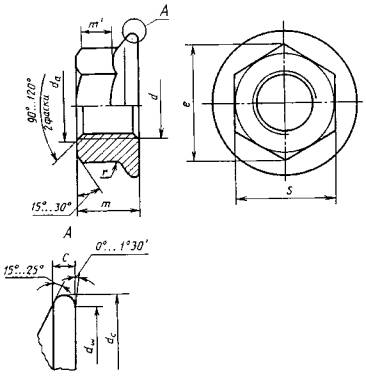
метрическая. Основные размеры 3 Размеры
Конструкция и размеры гаек
должны соответствовать указанным на рисунке 1
и в таблице 1.
В миллиметрах
4 Технические условия
Таблица 2
Примечания 1 Теоретическая
масса гаек указана в приложении А. 2 Проверка
размеров шестигранной гайки и фланца дана в приложении В. 3 Допускается применять другие методы контроля,
обеспечивающие достоверность и необходимую точность измерений. Допускается
изготавливать гайки класса прочности 6 с резьбой M8×1, M10×1,25,
M12×1,25, M14×l,5,
М16×1,5. Пример условного обозначения
гайки диаметром резьбы d = 12 мм, с крупным шагом резьбы с полем допуска
6Н, класса прочности 10, без покрытия: Гайка М12 - 6Н.10 ГОСТ Р 50592-93 То же гайки диметром резьбы d = 10 мм, с мелким шагом резьбы с полем допуска 6Н, класса прочности 6,
с цинковым покрытием толщиной 6 мкм, хроматированным: Гайка М10×1,25 - 6Н.6.016 ГОСТ Р 50592-93 ПРИЛОЖЕНИЕ А
| ||||||||||||||||||||||||||||||||||||||||||||||||||||||||||||||||||||||||||||||||||||||||||||||||||||||||||||||||||||||||||||||||||||||||||||||||||||||||||||||||||||||||||||||||||||||||||||||||||||||||||||||||||||||||||||||||||||||||||||||||||||||||||||||||||||||||||||||||||||||||||||||||||||||||||||||||||||||||||
|
Номинальный диаметр резьбы d,
мм |
Теоретическая масса 1000
шт. гаек, кг ≈ |
|
5 |
1,39 |
|
6 |
3,45 |
|
8 |
7,06 |
|
10 |
11,08 |
|
12 |
18,78 |
|
14 |
29,19 |
|
16 |
43,01 |
|
20 |
83,47 |

Рисунок В.1
1 Метод проверки размеров шестигранной гайки
Размеры гайки проверяют с помощью двух плоских кольцевых калибров А и В.
Данная проверка выявляет соответствие стандарту высоты шестигранника, высоты
грани под ключ, толщины фланца и диаметра описанной окружности шестигранника.
Калибр А устанавливают па гайку до упора во фланец.
Калибр В устанавливают на верхнюю часть гайки перпендикулярно к ее оси.
Калибры не должны касаться друг друга.
Примечание - Минимальный размер Wa равен теоретическому максимальному диаметру описанной
окружности;
максимальный размер Wb равен минимальному диаметру описанной окружности минус
0,01 мм;
максимальный размер Ta равен минимальной высоте под ключ m'.
Таблица B.1
В миллиметрах
|
Резьба d |
Калибр А |
Калибр В |
Калибр С |
|||||||
|
Wa |
Ta |
Wв |
Tв |
Wс |
Tс |
|||||
|
не более |
не менее |
не более |
не менее |
не более |
не менее |
не менее |
не менее |
не более |
не менее |
|
|
М5 |
9,25 |
9,24 |
2,2 |
2,19 |
8,78 |
8,77 |
3 |
14 |
1,08 |
1,07 |
|
М6 |
11,56 |
11,55 |
3,1 |
3,09 |
11,04 |
11,03 |
4 |
16 |
1,19 |
1,18 |
|
М8 |
15,02 |
15,01 |
4,5 |
4,49 |
14,37 |
14,36 |
4 |
20 |
1,31 |
1,30 |
|
М10 |
17,33 |
17,32 |
5,5 |
5,49 |
16,63 |
16,62 |
5 |
24 |
1,81 |
1,80 |
|
М12 |
20,79 |
20,78 |
6,7 |
6,69 |
20,02 |
20,01 |
5 |
29 |
2,20 |
2,19 |
|
М14 |
24,26 |
24,25 |
7,8 |
7,79 |
23,35 |
23,34 |
6 |
32,5 |
2,55 |
2,54 |
|
М16 |
27,72 |
27,71 |
9,0 |
8,99 |
26,74 |
26,73 |
6 |
37 |
2,96 |
2,95 |
|
М20 |
34,65 |
34,64 |
11,1 |
11,09 |
32,94 |
32,93 |
6 |
45 |
3,70 |
3,69 |
2 Метод измерения толщины фланца
Толщина фланца проверяется калибром С, который представляет собой
плоский толщиномер.
Цель проверки - доказать, что толщина фланца в месте его перехода в
шестигранник равна или больше заданных значений.
При проверке толщиномер С должен входить без контакта под калибр А,
когда гайка посажена на плоскую плиту или шайбу.
Ключевые слова: гайки
шестигранные, гайки с фланцем, класс точности А, размеры, конструкция,
технические требования, условное обозначение, теоретическая масса, проверка
размеров
|
|
|
|