|
Совместимость технических средств электромагнитная КОЛЕБАНИЯ НАПРЯЖЕНИЯ И ФЛИКЕР, ВЫЗЫВАЕМЫЕ ТЕХНИЧЕСКИМИ СРЕДСТВАМИ С ПОТРЕБЛЯЕМЫМ ТОКОМ НЕ БОЛЕЕ 16 А (В ОДНОЙ ФАЗЕ), ПОДКЛЮЧАЕМЫМИ К НИЗКОВОЛЬТНЫМ СИСТЕМАМ ЭЛЕКТРОСНАБЖЕНИЯ Нормы и методы испытаний ГОССТАНДАРТ РОССИИ Москва Предисловие 1. РАЗРАБОТАН И ВНЕСЕН Техническим комитетом по стандартизации в области электромагнитной совместимости технических средств (ТК 30) 2. ПРИНЯТ И ВВЕДЕН В ДЕЙСТВИЕ
Постановлением Госстандарта России от 24 декабря 1999 г. № 701-ст 3.
Настоящий стандарт содержит аутентичный
текст международного стандарта МЭК
61000-3-3 (1994-12), изд. 1 «Электромагнитная совместимость (ЭМС). Часть
3. Нормы. Раздел 3. Ограничение колебаний напряжения и фликера в низковольтных
системах электроснабжения для оборудования с номинальным потребляемым током
≤ 16 А» с дополнительными требованиями, отражающими потребности экономики
страны. 4. ВВЕДЕН ВПЕРВЫЕ Содержание Введение Стандарт МЭК 61000-3-2-94 является частью
стандартов МЭК серии 61000 «Электромагнитная совместимость» согласно следующей
структуре: Часть 1 Основы Общее рассмотрение (введение,
фундаментальные принципы) Определения, терминология Часть 2 Электромагнитная
обстановка Описание электромагнитной обстановки Классификация электромагнитной обстановки Уровни электромагнитной совместимости Часть 3 Нормы Нормы помехоэмиссии Нормы помехоустойчивости (в тех случаях,
когда они не являются предметом рассмотрения техническими комитетами,
разрабатывающими стандарты на продукцию) Часть 4 Методы испытаний и измерений Методы измерений Методы испытаний Часть 5 Руководства по установке и
помехоподавлению Руководства по установке Руководства по помехоподавлению Часть 6 Общие стандарты Часть 9 Разное Каждая часть подразделяется на разделы,
которые могут быть опубликованы как международные стандарты либо как
технические отчеты. Указанные стандарты и технические отчеты
будут опубликованы в хронологическом порядке и соответственно пронумерованы. Настоящая часть
представляет собой стандарт электромагнитной совместимости, распространяющийся
на группу однородной продукции.
Дата введения 2002-01-01 1. Область применения
Настоящий
стандарт распространяется на электротехнические, электронные и радиоэлектронные изделия и аппаратуру с потребляемым током
не более 16 А в одной фазе, подключаемые к низковольтным распределительным
электрическим сетям частотой 50 Гц номинальным напряжением фаза-нейтраль от 220
до 240 В (далее в тексте - технические средства). Стандарт
устанавливает нормы изменений напряжения, которые могут быть созданы
техническими средствами (ТС) при испытаниях в регламентированных условиях, и
содержит указания по методам оценки. При соблюдении норм, установленных настоящим
стандартом, должна обеспечиваться электромагнитная совместимость низковольтных
распределительных электрических сетей и подключаемых к ним ТС в части колебаний
напряжения и фликера, создаваемых ТС. Установленные настоящим стандартом нормы должны
быть приведены в стандартах и технической документации на ТС конкретного вида
(типа). Испытания в
соответствии с настоящим стандартом являются типовыми (испытаниями одного или
нескольких образцов ТС, изготовленных в соответствии с определенной технической
документацией, имеющих идентичные характеристики, с целью подтвердить соответствие
требованиям настоящего стандарта). Примечание - Для потребностей экономики страны определение испытаний - по ГОСТ 16504-81. Условия
проведения испытаний ТС некоторых видов установлены в приложении А, схема испытательной установки приведена
на рисунке
1. Примечание 1. Нормы, установленные в настоящем
стандарте, основываются на оценках дозы фликера, наблюдаемого при использовании
ламп накаливания с биспиральными нитями напряжением 230 В и мощностью 60 Вт,
вызываемого колебаниями питающего напряжения. Для систем с номинальным
напряжением фаза-нейтраль, меньшим 220 В, и/или частотой 60 Гц нормы и схема
испытательной установки не рассматривались. 2. Специальные ТС, не
имеющие широкой сферы применения, схемно-конструктивные решения которых не
позволяют обеспечить соответствие нормам настоящего стандарта, могут подлежать
ограничениям в установке и требовать разрешения энергоснабжающих организаций
перед подключением к электрическим сетям. Руководство по
оценке указанных ТС приведено в [1]. Требования настоящего стандарта являются
обязательными. Содержание стандарта МЭК 61000-3-3-94 набрано
прямым шрифтом, дополнительные требования к стандарту МЭК 61000-3-3-94,
отражающие потребности экономики страны, - курсивом. 2. Нормативные ссылки
В настоящем стандарте использованы ссылки на [1].-[4],
а также следующие стандарты: ГОСТ Р
8.568-97 Государственная система обеспечения единства измерений. Аттестация
испытательного оборудования. Основные положения ГОСТ
13109-97 Электрическая энергия. Совместимость технических средств
электромагнитная. Нормы качества электрической энергии в системах
электроснабжения общего назначения ГОСТ
16504-81 Система государственных испытаний продукции. Испытания и контроль
качества продукции. Основные термины и определения ГОСТ
22261-94 Средства измерений электрических и магнитных величин. Общие
технические условия ГОСТ 23875-88
Качество электрической энергии. Термины и определения ГОСТ
30345.4-95 (МЭК 335-2-7-93) Безопасность бытовых и аналогичных
электрических приборов. Дополнительные требования к стиральным машинам ГОСТ
30372-96/ГОСТ Р 50397-92 Совместимость технических средств
электромагнитная. Термины и определения ГОСТ
Р МЭК 335-1-94 Безопасность бытовых и аналогичных электрических приборов.
Общие требования и методы испытаний ГОСТР
51317.4.15-99 (МЭК 61000-4-15-98) Совместимость технических средств
электромагнитная. Фликерметр. Технические требования и методы испытаний 3. Определения
В настоящем стандарте применяют термины,
установленные в ГОСТ
16504-81, ГОСТ 23875-88,
ГОСТ
30372-96/ГОСТ Р 50397-92, [3],
а также следующие: 3.1. Огибающая среднеквадратичных значений
напряжения U(t) - ступенчатая временная функция, образованная среднеквадратичными
значениями напряжения, дискретно определенными на каждом полупериоде напряжения
основной частоты (рисунок
2). 3.2.
Характеристика изменения напряжения ΔU(t) - функция времени,
определяемая изменениями среднеквадратичных значений напряжения между интервалами
времени, когда напряжение неизменно, по крайней мере, в течение 1 с (см. 4.2.3 и рисунок
2). 3.3.
Максимальное изменение напряжения ΔUmax - разность между
максимальным и минимальным значениями характеристики изменения напряжения (рисунок
2). 3.4.
Установившееся изменение напряжения ΔUC - разность между двумя смежными установившимися значениями
напряжения, разделенными, по крайней мере, одним значением характеристики
изменения напряжения (рисунок
2). Примечание - Определения 3.2-3.4 относятся к абсолютным значениям фазных напряжений. Для отношений величин 3.2-3.4 к номинальному значению фазного напряжения Un в испытательной установке для испытаний ТС (рисунке 1) применяют термины: - характеристика
относительного изменения напряжения d(t) (определение 3.2); - максимальное
относительное изменение напряжения dmax (определение
3.3); - установившееся
относительное изменение напряжения dc (определение
3.4). Пояснения
указанных терминов даны на рисунке
3. 3.5. Колебания напряжения - серия изменений или непрерывное изменение
среднеквадратичного значения напряжения. 3.6.
Фликер - субъективное восприятие
человеком колебаний светового потока искусственных источников освещения,
вызванное колебаниями напряжения в электрической сети, питающей эти источники. 3.7.
Кратковременная доза фликера Pst - количественная
характеристика фликера за краткий период времени (несколько минут); значение Pst = 1 соответствует порогу восприятия. 3.8.
Длительная доза фликера PIt - количественная
характеристика фликера за длительный период времени (несколько часов),
оцениваемая с использованием последовательных значений Pst. 3.9.
Фликерметр - средство измерений каких-либо количественных характеристик
фликера. Примечание - Обычно измеряют Pst и PIt 3.10 Время
восприятия фликера tf - минимальное время для субъективного восприятия человеком колебаний
светового потока, вызванных колебаниями напряжения определенной формы. 4.
Оценка колебаний напряжения и дозы фликера
4.1.
Оценка относительных изменений напряжения d
Основой
для оценки фликера является форма кривой изменения напряжения на зажимах
испытуемого ТС (ИТС), т.е. разность ΔU между двумя последовательными
значениями огибающей среднеквадратичных значений фазных напряжений U(t1) и U(t2):
Значения огибающей
среднеквадратичных значений напряжения U(t1) и U(t2) должны быть измерены или
рассчитаны. При определении значений огибающей среднеквадратичных значений
напряжения с использованием осциллограммы необходимо принимать во внимание
любые искажения формы кривой, которые могут иметь место. Изменение напряжения ΔU обусловлено
изменением падения напряжения на стандартном полном сопротивлении Z,
вызванном изменением потребляемого ИТС комплексного тока основной частоты ΔI,
ΔIp и ΔIq представляют собой
соответственно активную и реактивную составляющие изменения комплексного тока ΔI.
Примечания 1. Iq имеет положительный знак для запаздывающих токов и отрицательный - для
опережающих токов. 2. Если гармонические
составляющие токов I(t1) и I(t2) составляют менее 10 %, вместо среднеквадратичных значений токов
основной частоты может быть использовано среднеквадратичное значение общего
тока. 3. Для однофазных и
симметричных трехфазных ТС изменение напряжения ΔU может быть приближенно определено по формуле
где ΔIp, ΔIq - активная и реактивная составляющие изменения комплексного тока ΔI; R,
X - элементы стандартного полного сопротивления
Z (см. рисунке
1). Относительное
изменение напряжения вычисляют по формуле
4.2.
Оценка кратковременной дозы фликера Pst
Кратковременную дозу фликера Pst определяют
в соответствии с методикой, приведенной в ГОСТ
13109-97. В таблице 1
приведены альтернативные методы оценки Pst для колебаний напряжения
различного вида. Таблица 1
4.2.1. Фликерметр Для колебаний
напряжения произвольного вида оценка может быть осуществлена путем
непосредственных измерений с использованием фликерметра, удовлетворяющего
требованиям, установленным в ГОСТР
51317.4.15-99, подключаемого так, как указано в разделе 6.
Применение фликерметра является эталонным методом оценки соответствия ТС
нормам, установленным в настоящем стандарте. Сертификационные испытания ТС на соответствие
нормам фликера, установленным в настоящем стандарте, осуществляют с применением
фликерметра. 4.2.2. Моделирование В случае, когда
известна характеристика относительного изменения напряжения d(t), для
оценки Pst может быть применен метод
моделирования с использованием компьютера. Для кривых изменений напряжения некоторых видов,
показанных на рисунках 5, 6 и 7, значение Pst может быть определено аналитическим методом с использованием
соотношений (5) и (6). Примечания 1. Погрешность
определения значения Pst аналитическим
методом не должна превышать ±10 % в сравнении с результатами, полученными с
применением фликерметра. 2. Аналитический метод не применяют, если интервал
времени между окончанием одного изменения напряжения и началом следующего менее
1с. 4.2.3.1. Описание аналитического метода Для
каждой кривой относительного изменения напряжения определяют время восприятия
фликера tf в секундах по формуле
где dmax - максимальное относительное изменение напряжения,
которое выражается в процентах от номинального напряжения; F - коэффициент приведения, определяемый в зависимости от вида кривой
изменения напряжения (см. 4.2.3.2). Сумма
времен восприятия фликера Σtf для всех учитываемых
изменений напряжения в пределах общего интервала времени Тр (в секундах)
является основной для оценки кратковременной дозы фликера Pst. Если общий интервал времени Тр выбран в соответствии с п.6.5, т.е. является периодом
наблюдения, то
4.2.3.2. Коэффициент приведения Коэффициент
приведения преобразует кривую одиночного относительного изменения напряжения d(t) в
эквивалентное значение дозы фликера (Fdmax). Примечания 1. Коэффициент приведения
для ступенчатых изменений напряжения равен единице. 2. Кривая относительного изменения напряжения
может быть измерена непосредственно (см. рисунок
1) или рассчитана по
среднеквадратичным значениям тока, потребляемого ИТС, в соответствии с
выражениями (1)-(4). Кривая
относительного изменения напряжения может быть получена с использованием
графика наблюдений в течение последовательных периодов, равных 10 мс. Коэффициент
приведения F может быть определен по рисункам
5, 6
и 7,
при условии, что кривые относительных изменений напряжения совпадают с
характеристиками, приведенными на указанных рисунках. Для определения F необходимо: -
найти максимальное относительное изменение напряжения dmax (в
соответствии с рисунком
1); -
найти время Т в миллисекундах, соответствующее кривой изменения напряжения, как
показано на рисунках
5, 6
и 7,,
и исходя из значения Т, определить значение F. Примечание - Отклонение от характеристик, приведенных на рисунках
5-7, может привести к недопустимым ошибкам. 4.2.4. Использование кривой Pst=1 В случае
изменений напряжения, имеющих форму меандра, с относительным изменением
напряжения d график, приведенный на рисунке
4, может быть использован для определения относительного изменения
напряжения, соответствующего Pst = 1 для данной частоты повторения
изменений напряжения. Указанное относительное изменение напряжения обозначают dlim. Значение кратковременной дозы фликера Pst, соответствующее
измеренному значению величины d, определяют из соотношения Pst = d/dlim. 4.3
Оценка длительной дозы фликера PIt
Длительную дозу фликера PIt определяют в соответствии с
методикой, установленной в ГОСТ
13109-97. Длительную дозу
фликера PIt определяют для интервала
наблюдения, равного 2 ч (см. п. 6.5).
Значение Plt особенно важно получить для
ТС, длительность рабочего цикла которых составляет в нормальных условиях более
30 мин. 5.
Нормы
Установленные в
настоящем стандарте нормы применяют к колебаниям напряжения и фликеру на
сетевых зажимах ИТС, измеренным или рассчитанным в соответствии с требованиями
раздела 4
при соблюдении условий испытаний, указанных в разделе 6 и приложении
А. Испытания, проведенные для подтверждения соответствия установленным в
настоящем стандарте нормам, рассматривают как типовые. Настоящий
стандарт устанавливает следующие нормы: -
кратковременная доза фликера Pst не должна превышать 1,0; -
длительная доза фликера Plt не должна превышать 0,65; -
установившееся относительное изменение напряжения dc не должно превышать 3 %; -
максимальное относительное изменение напряжения dmax не должно превышать 4 %; -
характеристика относительного изменения напряжения d(t) не должна превышать 3 %
для интервала времени изменения напряжения, большего 200 мс. Если изменения
напряжения вызваны ручными переключениями или частота их повторения меньше 1/ч,
нормы Pst и PIt не устанавливают. В
указанных случаях применяют нормы, относящиеся к dc, dmax и d(t),
умноженные на 1,33. Установленные
в настоящем стандарте нормы не применяют при отключениях ТС и прерываниях
напряжения, связанных с аварийными условиями. Отбор образцов ТС при испытаниях на соответствие
нормам, установленным в настоящем стандарте, осуществляют в соответствии с
требованиями, указанными ниже, если иные требования не установлены в стандартах
на группы ТС или ТС конкретного вида: - при испытаниях опытных ТС отбирают не менее
трех образцов, если изготовлено более трех изделий, и все образцы, если
изготовлено три и менее изделий; - количество образцов, подвергаемых
испытаниям на помехоустойчивость в условиях серийного производства,
устанавливают в ТУ на ТС конкретного типа или в программе испытаний; - для сертификационных испытаний отбирают
один образец. В обоснованных случаях по решению органа по сертификации число
образцов может быть увеличено. ТС единичного выпуска (импорта) испытывают
каждое в отдельности. Нормы колебаний напряжения и фликера, вызываемых ТС,
считают выполненными, если все испытанные образцы удовлетворяют нормам
настоящего стандарта. 6.
Условия испытаний
6.1 Общие положения
Испытания не
должны проводиться применительно к ТС, создание которыми значительных колебаний
напряжения или фликера маловероятно. Для испытаний
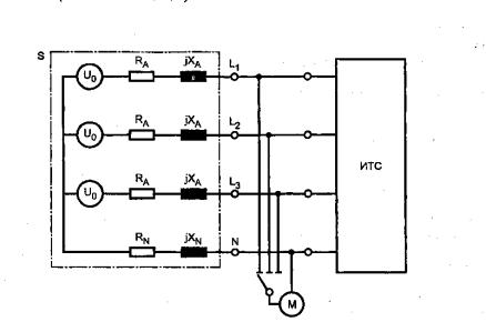
ТС на соответствие нормам, установленным в настоящем стандарте, используют
испытательную установку, схема которой приведена на рисунке
1. Испытательная установка включает: - испытательное
напряжение электропитания (см. 6.3); -
стандартное полное сопротивление (см. 6.4); -
ИТС (см. приложении А); -
если необходимо, фликерметр (см. ГОСТР
51317.4.15-99). Относительное
изменение напряжения d(t) может быть измерено
непосредственно или рассчитано по среднеквадратичным значениям тока, как
указано в 4.1. Для
определения кратковременной дозы фликера Pst, создаваемой ИТС, должен
быть применен один из методов, приведенных в 4.2. В сомнительных
случаях значение Pst должно быть измерено
эталонным методом с использованием фликерметра. Примечание - Если ИТС представляет собой симметричное трехфазное ТС, допускается измерять лишь одно из трех фазных напряжений. Испытания на соответствие требованиям настоящего
стандарта проводят при нормальных климатических условиях: - температуре окружающего воздуха (25±10) °С; - относительной влажности воздуха 30-80 %; - атмосферном давлении 84-106,7 кПа (630-800 мм
рт. ст.), если иные требования не установлены в стандартах на группы ТС или ТС
конкретного вида. Средства измерений, применяемые при проведении
испытаний, должны быть поверены в соответствии с [4].
Испытательное оборудование должно быть аттестовано в соответствии с
требованиями ГОСТ Р
8.568-97. 6.2. Погрешность измерений
Величина
тока должна быть измерена с погрешностью не более ±1 %. Если вместо активного и
реактивного токов измеряют фазовый угол, погрешность измерения не должно
превышать ±2 град. Относительное
изменение напряжения d должно быть измерено с
погрешностью менее ±8 % (по отношению к максимальному значению dmax). Полное сопротивление цепи, включая внутреннее сопротивление
источника испытательного напряжения электропитания, но исключая ИТС, должно
быть равным значению стандартного сопротивления. Стабильность и значения
допусков элементов указанного полного сопротивления должны обеспечивать
суммарную относительную погрешность определения величины d менее
±8 % в течение времени испытаний. Примечание - Указанный ниже метод не применяют, если измеряемые величины близки к нормам. Если полное
сопротивление источника испытательного напряжения электропитания не может быть
точно установлено, например, в случае, когда указанное полное сопротивление
подвержено непредсказуемым изменениям, допускается включать между источником
напряжения и зажимами ИТС комплексное сопротивление, активная и реактивная
части, которого равны соответственно активной и реактивной части стандартного
полного сопротивления. Затем проводят измерения напряжений на зажимах
источника, подключенных к стандартному полному сопротивлению, и на зажимах ИТС.
Для применения результатов измерений необходимо, чтобы максимальное
относительное изменение напряжения dmax, измеренное на зажимах
источника напряжения, составляло менее 20 % от максимального относительного
изменения напряжения dmax на зажимах ИТС. 6.3. Испытательное напряжение электропитания
Испытательное
напряжение электропитания (напряжение холостого хода) должно быть равным
номинальному напряжению электропитания ИТС. Если ИТС рассчитано на применение
различных напряжений электропитания, напряжение при испытаниях должно
составлять 220 В для однофазных
ТС и 380 В (линейное
напряжение) для трехфазных ТС. Отклонение испытательного напряжения от
номинального значения должно быть не более ±2 %. Частота электропитания должна
быть в пределах 50 Гц ±0,5 %. Коэффициент
искажения синусоидальности кривой напряжения не должен превышать 3 %. Колебания
испытательного напряжения в течение времени испытаний ТС допускается нt учитывать,
если кратковременная доза фликера Pst меньше 0,4. Выполнение этого
условия должно быть проверено перед началом и после окончания каждого
испытания. 6.4.
Стандартное полное сопротивление
Стандартное
полное сопротивление для ИТС представляет собой полное сопротивление,
используемое при расчетах и измерении относительных изменений напряжения d и
величин Pst иРIt Значения
полного сопротивления различных элементов приведены на рисунке
1. 6.5.
Период наблюдения
Период
наблюдения Тр для оценки доз фликера при измерениях с использованием
фликерметра и применении метода моделирования и аналитического метода должен
составлять: -для
Pst Tp = 10 мин; -для
PltTp = 2 ч. Период наблюдения
должен включать ту часть полного рабочего цикла, в течение которой ИТС
производит наиболее неблагоприятную последовательность изменений напряжения. При определении
кратковременной дозы фликера Pst рабочий цикл повторяют
периодически, если иное не установлено в приложении
А. Минимально необходимое время повторного включения (перезапуска) ИТС
включают в период наблюдения, если ИТС прекращает работу автоматически в конце
рабочего цикла, продолжительность которого меньше, чем период наблюдения. При определении
длительной дозы фликера Plt рабочий цикл не повторяют,
если иное не установлено в приложении А,
в том случае, когда ИТС имеет длительность рабочего цикла меньше 2 ч и в
нормальных условиях не предназначено для продолжительного функционирования. Примечание - Например, если ИТС имеет рабочий цикл продолжительностью 45 мин, измеряют пять последовательных значений Pst в течение 50 мин, и оставшиеся для периода наблюдения 2 ч семь значений Pst принимают равными нулю. 6.6.
Общие условия испытаний
Общие условия
испытаний при измерении колебаний напряжения и фликера приводятся ниже. Для ТС видов,
не указанных в приложении А, положения
органов управления или автоматические программы должны быть установлены таким
образом, чтобы обеспечить создание наиболее неблагоприятной последовательности
изменений напряжения. При этом используют только те комбинации положений
органов элементов управления или автоматических программ, которые указаны
изготовителем в технической документации на ТС, или те, которые могут быть
использованы при эксплуатации ТС. Частные условия испытаний для ТС видов, не
указанных в приложении А,
рассматриваются. ТС должно быть
испытано в комплекте, представленном изготовителем. Перед испытаниями, при
необходимости, проводят предварительную проверку электрических приводов, с тем
чтобы результаты соответствовали нормальной эксплуатации ТС. При определении
максимального относительного изменения напряжения dmax, связанного с пуском
электродвигателя ТС, допускается проводить измерения при заторможенном роторе. Для ТС, имеющих
несколько отдельно управляемых цепей, применяют следующие условия испытаний: -
каждую цепь, предназначенную для отдельного использования, рассматривают как
отдельный элемент ТС, предусматривая, чтобы указанные цепи не были включены
одновременно; -
если управление отдельными цепями предполагает их одновременное включение, то в
качестве отдельного элемента ТС рассматривают группу одновременно включаемых
цепей. Детальные
условия испытаний для ТС некоторых видов приведены в приложении А.
S - источник электропитания; Uo - напряжение холостого хода источника в соответствии с 6.3; Ra, Rn - активные элементы стандартного полного сопротивления; jXa, jXn - реактивные элементы стандартного полного сопротивления; L1, L2, L3 - фазные провода; N - нейтральный провод; М - средство измерений Источник
электропитания S содержит генератор напряжения электропитания Uo и стандартное полное
сопротивление Z с элементами: RA = 0,24 Ом; jXA == 0,15 Ом на частоте 50 Гц; Rn =
0,16 Ом; jXn =
ОД Ом на частоте 50 Гц. Элементы
стандартного полного сопротивления включают полное сопротивление генератора.
Если полное сопротивление источника электропитания точно не установлено, см. 6.2. Примечание - Трехфазные нагрузки, как правило, симметричны и элементы Rn и jXn допускается не учитывать, если ток в нейтральном проводе отсутствует. Рисунок 1 - Схема
испытательной установки для испытаний ТС, подключаемых к однофазным и
трехфазным электрическим сетям
Рисунок 2 - Схема
определения огибающей среднеквадратичных значений напряжения
Рисунок 3 - Характеристика
относительного изменения напряжения
Число измерений в минуту Примечание - Частота повторения изменений напряжения 1200 1/мин соответствует фликеру с частотой 10 Гц Рисунок 4 - Кривая для Pst
= 1 при изменениях напряжения, огибающая которых имеет форму меандра
Рисунок 5 - Коэффициент
приведения для двухступенчатых и линейно изменяющихся характеристик относительного
изменения напряжения
Рисунок 6 - Коэффициент
приведения для прямоугольных и треугольных характеристик относительного
изменения напряжения
Примечание - Tt = t3-t2, Tt = t2-t1 (см. рисунок 3) Рисунок 7 - Коэффициент приведения для характеристик относительного изменения напряжения, вызванных пуском электрических двигателей ПРИЛОЖЕНИЕ
А
|
|
Диаметр нагревательного элемента, мм |
Высота сосуда, мм |
Количество воды, г |
|
145 |
Около 140 |
1000±50 |
|
180 |
Около 140 |
1500±50 |
|
220 |
Около 120 |
2000±50 |
Во время испытаний компенсируют потери на испарение воды.
Электроплитка
должна удовлетворять нормам, установленным в разделе 5 настоящего стандарта, при всех указанных ниже условиях
испытаний.
а) Испытания при температуре кипения
Устанавливают
регулятор температуры в положение, при котором вода кипит. Испытания проводят
пять раз и определяют среднее по результатам испытаний значение.
б) Испытания при температуре жарки
Сосуд без
крышки наполняют силиконовым маслом массой в 1,5 раза большей, чем масса воды,
указанная выше. Устанавливают регулятор в положение, при котором температура
равна 180 °С Контроль температуры проводят с помощью термоэлемента, помещенного
в середину объема масла.
в) Испытания при полном диапазоне уставок мощности
Испытания
проводят последовательно для всех уставок мощности при периоде наблюдения 10
мин. Если мощность регулируется шаговым регулятором, испытания проводят для
каждой ступени регулирования при их числе не более 20.
Если
ступенчатое регулирование мощности отсутствует, полный диапазон мощности
разделяют на 10 равных частей. Измерения начинают с наибольшего уровня
мощности.
А.1.2 Печи для выпечки хлеба
Печи для
выпечки хлеба испытывают пустыми с закрытой дверцей. Регулирование температуры
осуществляют таким образом, чтобы температура в геометрическом центре духовки,
измеренная с помощью термопары, была равна 220 °С для печей обычного типа и 200
РС для печей с циркуляцией горячего воздуха.
А.1.3 Грили
Грили
испытывают пустыми с закрытой дверцей, за исключением случаев, копт иные условия испытаний указаны в
технической документации на гриль. При наличии регулятора температуры должны
быть последовательно установлены режимы наименьшей, средней и наибольшей
температуры. Регистрируют наиболее неблагоприятный с точки зрения изменений
напряжения результат испытаний.
А.1.4 Комбинированные печи (печь для выпечки хлеба/гриль)
Комбинированные
печи испытывают пустыми с закрытой дверцей. Регулирование температуры
осуществляют таким образом, чтобы температура в геометрическом центре печи,
измеренная с помощью термопары, была равна 250ºС или реально достижимой
температуре, ближайшей к указанной величине.
А.1.5 Микроволновые печи
Микроволновые
печи, а также комбинированные печи при выполнении ими функций микроволновой
печи испытывают при наименьшей и средней мощности, а также при положении
регулятора температуры, обеспечивающем наивысшую реально достижимую при
регулировании мощность, которая должна составлять не менее 90 % максимальной мощности. В печь
должен быть помещен стеклянный сосуд, содержащий (1000±50) г воды.
А.2 Условия
испытаний для светового оборудования
Световое
оборудование испытывают с лампами, мощность которых должна соответствовать той,
на которую рассчитано оборудование. Если световое оборудование рассчитано на
применение нескольких ламп, испытания проводят с использованием всех ламп.
Дозы фликера Pst и PIt определяют для осветительных
приборов только тех видов, которые с большой
вероятностью вызывают фликер, например для светового оборудования, применяемого
при освещении дискотек.
А.3 Условия
испытаний для стиральных машин
Стиральные
машины испытывают в режиме выполнения полной программы стирки при температуре
воды 60 °С при загрузке для нормальной эксплуатации в соответствии с ГОСТ
30345.4-95.
При определении
dc, dmax и d(t) исключают одновременное
включение двигателя и нагревателя. При испытаниях, помимо изменений напряжения,
определяют дозы фликера Pst и PIt.
А.4 Условия
испытаний для сушилок барабанного типа
Сушилки барабанного
типа загружают массой белья, составляющей 50 % от массы, установленной для
нормальной эксплуатации в соответствии с ГОСТ
Р МЭК 335-1.
При наличии
регулирующих элементов испытания должны быть проведены при положениях этих
элементов, обеспечивающих максимальную и минимальную мощность.
При испытаниях,
помимо изменений напряжения, определяют дозы фликера Pst и PIt.
А.5 Условия испытаний
для холодильников
Холодильники
должны работать продолжительно с закрытой дверью. Термостат устанавливают в
положение, обеспечивающее среднее значение температуры в диапазоне
регулирования температур. Камера должна быть пустой и холодной. Измерения
проводят после достижения установившегося режима. Дозы фликера Pst и PIt при испытаниях не
определяют.
А.6 Условия
испытаний для копировальных машин, лазерных принтеров и аналогичных технических
средств
При определении
кратковременной дозы фликера Pst испытания проводят при
максимальной скорости копирования (печати). Оригинал для копирования (печати)
должен быть на белой чистой бумаге, бумага для копий должна иметь массу 80 г/м2,
если иное не установлено в технической документации на ИТС конкретного типа.
Длительную дозу
фликера PIt при испытаниях определяют в
режиме ожидания.
А.7 Условия
испытаний для пылесосов
Для пылесосов
дозы фликера Pst и РIt
при испытаниях не определяют.
А.8 Условия
испытаний для миксеров
Для миксеров
дозы фликера Pst и РIt при
испытаниях не определяют.
А.9 Условия
испытаний для переносных электрических инструментов
Для переносных
электрических инструментов длительную дозу фликера PIt при испытаниях не
определяют. При отсутствии нагревательных элементов в конструкции переносного
инструмента кратковременную дозу фликера Pst также не определяют.
При наличии
нагревательных элементов Pst определяют при включении и
непрерывном функционировании переносного электроинструмента в течение 10 мин.
Если переносный электроинструмент выключается автоматически, применяют правило,
установленное в 6.5 настоящего стандарта.
А.10 Условия
испытаний для фенов
Для ручных
фенов длительную дозу фликера Plt при испытаниях не
определяют. Для определения кратковременной дозы фликера Pst включают фен в режиме непрерывного функционирования в течение 10 мин
или до тех пор, пока он не выключится автоматически, и в этом случае применяют
правило, установленное в 6.5 настоящего стандарта.
Фены с
регулировкой мощности проверяют во всем диапазоне мощностей в течение периода
измерений 10 мин. Если мощность регулируется шаговым регулятором, испытания
проводят для каждой ступени регулирования при их числе не более 20. Если
ступенчатое регулирование мощности отсутствует, полный диапазон мощности
разделяют на 10 равных частей. Измерения начинают с наибольшего уровня
мощности.
А.11 Условия
испытаний для бытовых электронных устройств
Для бытовых
электронных устройств при испытаниях определяют только значение dmax.
А.12 Условия
испытаний электрических водонагревателей прямого нагревания
Для
электрических водонагревателей прямого нагревания без электронного управления
значение dc определяют при включении в
режим наибольшей потребляемой мощности Рmах и выключении
водонагревателя (последовательность 0 - Рmах - 0).
Для
электрических водонагревателей прямого нагревания с электронным управлением
устанавливают температуру и скорость протекания воды таким образом, чтобы при
изменении скорости протекания воды потребляемая электрическая мощность могла
быть изменена от Pmin до Рmах, причем Рmах
представляет собой максимальную мощность, которая может быть достигнута в
водонагревателе, a Pmin>0 представляет собой
минимальную мощность, которая может быть установлена.
Примечание - Для некоторых изделий максимальная мощность Рmax, которая может быть реально достигнута в водонагревателе, составляет величину, меньшую номинальной мощности.
Установленную
температуру воды поддерживают неизменной в течение всего времени испытаний.
Начиная со
скорости протекания воды, соответствующей мощности Рmax необходимо
снижать скорость протекания, разбив диапазон скоростей на 20 приблизительно
равных ступеней, до скорости, соответствующей Pmin - Затем вновь увеличивают
скорость протекания воды с учетом указанного разбиения диапазона скоростей на
20 приблизительно равных ступеней до скорости, соответствующей Рmах.
Для каждой из указанных 40 ступеней определяют кратковременные дозы фликера Pst,i. Измерения начинают при достижении установившегося
режима, т. е. не менее чем через 30 с после изменения скорости протекания воды.
Примечание - Допускается определять значение Pst,i по результатам измерений в течение 1 мин.
Кроме того, в течение
периода наблюдения 10 мин определяют значение кратковременной дозы фликера Pst,z, вызываемого включением и выключением
водонагревателя. Для этого потребление мощности в течение указанного периода
наблюдения дважды наиболее быстрым способом изменяют между значениями Р = 0 и Р
= Рmах (последовательность 0 - Рmах-0 - Рmах -
0)- Рабочий цикл водонагревателя должен включать значение мощности, равной 50 %
от Рmах, в течение 5 мин.
Результирующее
значение кратковременной дозы фликера Pst вычисляют по формуле

и сравнивают со
значением нормы, установленным в разделе 5
настоящего стандарта. Длительную дозу фликера PIt при испытаниях не
определяют.
[2] РД 50-713-92 Совместимость технических средств электромагнитная.
Электромагнитная обстановка. Виды низкочастотных кондуктивных помех и сигналов,
передаваемых по силовым линиям в системах электроснабжения общего назначения.
[4] ПР 50.2.006-94
ГСИ. Порядок проведения поверки средств измерений
Ключевые слова:
электромагнитная совместимость; технические средства; колебания напряжения;
фликер; нормы; методы испытаний
|
|
|
|